栏杆冲击试验记录文稿
- 格式:doc
- 大小:1.01 MB
- 文档页数:114
栏杆检验报告
编号:LG2019001
检测单位:XXX检测中心
检测对象:某公共场所栏杆
检测时间:2019年5月12日
一、检测原则
为保障公共场所安全,栏杆作为公共设施必须经过检测合格方可投入使用。
本次检测采用国家标准《建筑工程竣工验收规程》(GBJ15-88)的要求,结合现场情况进行检测。
二、检测方法
1.外观检查
通过目视观察、测量,检查栏杆材质、构造、连接方式等。
2.力学性能检测
采用万能材料试验机进行力学性能测试。
测试各种力学性能参数。
三、测试结果
1.外观检查
栏杆表面清洁整齐,无明显变形和破损。
连接结构牢固,无松动现象。
2.力学性能检测
(1)拉伸强度:52.8MPa
(2)屈服强度:47.1MPa
(3)弹性模量:2096.6MPa
(4)拉伸断裂伸长率:3.5%
以上数据均符合国家标准要求,经检测合格。
四、结论
本次检测栏杆外观和力学性能均符合国家标准《红线》的要求,未发现与安全相关的问题。
栏杆检验报告如下:
1. 栏杆表面无明显变形和破损,连接结构牢固,无松动现象。
2. 拉伸强度、屈服强度、弹性模量、拉伸断裂伸长率等力学性
能参数均符合国家标准要求。
因此,本次栏杆检验报告结果为合格。
五、建议
为延长栏杆使用寿命,建议定期进行检测维护,及时发现问题进行及时修补或更换。
六、注意事项
栏杆数量和位置需满足规定,应设置在场所内高于1.2米的空间或高出地面1.2米的楼梯、坡道、建筑物等位置。
检验日期:20XX年X月XX日
检验人员:XXX。
栏杆冲击试验记录文本引言:试验设备与试验方法:试验设备包括一个冲击器和相应的传感器,用于测量冲击力和栏杆变形。
试验方法采用控制冲击器施加不同力度的冲击,记录栏杆在冲击过程中的变形情况。
试验过程与结果:1.第一组试验:使用铝材制成的栏杆,在冲击器施加200N的冲击力。
试验结果显示,栏杆受到冲击后出现轻微的变形,但整体结构并未发生破坏。
变形幅度约为10mm,形变后的栏杆依然具有较好的稳定性和强度。
2.第二组试验:改变栏杆材料为不锈钢,并增加冲击力至400N。
试验结果显示,栏杆在受到冲击后的变形幅度较小,仅为5mm左右。
不锈钢材料具有较高的强度和韧性,能够更好地抵抗冲击力的作用,保持栏杆的稳定性。
3.第三组试验:将栏杆改为木材结构,并将冲击力增加至600N。
试验结果显示,木材栏杆在受到冲击力作用后出现较大的变形,约为30mm左右。
木材材料的韧性较低,无法有效抵抗强冲击力。
因此,在设计木材栏杆时需要考虑到其承受能力的限制。
4.第四组试验:对金属栏杆进行二次试验,增加冲击力至800N。
试验结果显示,金属栏杆在受到更大冲击力作用后出现较为严重的破坏。
栏杆整体结构产生塑性变形,并且出现多处裂纹。
这说明金属栏杆在面对更大的冲击力时,其承受能力有明显的限制。
讨论与结论:通过以上试验结果,可以得出以下结论:-栏杆的材料和结构对其承受冲击力的能力有显著影响。
-铝材和不锈钢栏杆具有较好的承受冲击力能力,能够保持较好的稳定性。
-木材栏杆的韧性较低,无法有效抵抗强冲击力。
-在设计金属栏杆时需注意其承受能力的限制,避免超过其强度的冲击力作用。
综上,栏杆冲击试验结果显示,栏杆的材料与结构对其抵抗冲击力的能力具有显著影响。
选用适合的材料以及合理的结构设计将有助于提高栏杆的稳定性和安全性。
冲击试验实验报告
实验报告:冲击试验
实验目的:
1. 研究物体在冲击力作用下的变形和破坏情况;
2. 探究不同材料在冲击下的性能差异;
3. 分析材料的强度和韧性。
实验仪器和材料:
1. 冲击试验台;
2. 冲击力计;
3. 冲击材料样品。
实验步骤:
1. 将待测试材料样品固定在冲击试验台上;
2. 控制冲击力的大小,以确定合适的冲击力;
3. 逐渐增加冲击力,记录物体的变形和破坏情况;
4. 重复实验多次,取平均值。
实验结果:
1. 不同材料在冲击下的性能差异很大,有的材料变形较小,有的材料破坏更容易;
2. 高强度材料在冲击下一般比低强度材料更能承受冲击力;
3. 高韧性材料在冲击下一般更能保持完整性。
结论:
通过冲击试验可以评估和比较不同材料的耐冲击性能。
高强度和高韧性的材料一般可以更好地抵抗冲击力,并保持完整性。
冲击实验报告
实验目的,通过对不同材料的冲击实验,观察材料的强度和韧性,为材料的应用提供参考依据。
实验材料,本次实验选取了钢材、铝材和塑料材料作为实验对象,这三种材料在工程领域应用广泛,具有代表性。
实验装置,实验采用万能试验机进行,设定相同的冲击力和冲击速度,以保证实验的可比性。
实验步骤,首先,将钢材、铝材和塑料材料分别固定在实验台上;其次,设置相同的冲击力和冲击速度,进行冲击实验;最后,记录实验过程中材料的变形情况和损坏程度。
实验结果,实验结果显示,钢材在受到冲击力作用后,表现出较高的强度和韧性,变形较小,损坏程度较轻;铝材次之,虽然强度较高,但韧性较差,容易发生断裂;塑料材料表现出较差的强度和韧性,受到冲击力后很容易破裂。
实验分析,钢材具有较高的强度和韧性,适用于对材料性能要求较高的场合,如建筑结构和机械制造;铝材强度较高,但韧性较差,适用于对轻量化要求较高的场合,如航空航天领域;塑料材料虽然轻便,但强度和韧性较差,适用于对材料要求不高的场合,如日常生活用品。
实验结论,通过本次冲击实验,我们可以得出钢材具有较高的强度和韧性,铝材次之,塑料材料强度和韧性较差的结论。
不同材料的性能差异对于材料的选择和应用具有重要的指导意义。
实验意义,本次冲击实验为工程材料的选择和应用提供了重要的参考依据,有助于提高材料的使用性能和延长材料的使用寿命。
总结,通过本次冲击实验,我们对钢材、铝材和塑料材料的性能有了更深入的了解,为工程材料的选择和应用提供了科学的依据。
希望本次实验结果能够对工程领域的同行们有所帮助。
以上就是本次冲击实验的报告内容,谢谢阅读!。
玻璃栏杆撞击试验值
关于玻璃栏杆的撞击试验值,我们需要考虑多个方面来进行全面的回答。
首先,玻璃栏杆的撞击试验值需要考虑材料的强度和耐久性。
一般来说,玻璃栏杆需要经过一定的撞击试验来确保其能够承受意外撞击而不会破裂或造成伤害。
撞击试验值通常是通过模拟真实使用情况下的撞击力量来测量的,以确保玻璃栏杆在日常使用中具有足够的安全性。
其次,玻璃栏杆的撞击试验值还需要考虑国家或地区的相关标准和规定。
不同的地区可能有不同的建筑安全标准,对玻璃栏杆的撞击试验值也会有所不同。
因此,在进行撞击试验时,需要符合当地的相关标准,以确保玻璃栏杆的安全性和合规性。
此外,玻璃栏杆的撞击试验值还需要考虑设计和安装的因素。
例如,玻璃栏杆的厚度、玻璃的类型、支撑结构等都会影响其撞击试验值。
在进行撞击试验时,需要综合考虑这些因素,以确保玻璃栏杆在实际使用中能够承受撞击而不会出现安全隐患。
最后,玻璃栏杆的撞击试验值还需要考虑其在不同环境下的表现。
例如,在户外使用的玻璃栏杆可能需要经受更严格的撞击试验,以应对恶劣天气和其他外部因素带来的影响。
综上所述,玻璃栏杆的撞击试验值涉及材料强度、相关标准、
设计安装因素以及不同环境下的表现等多个方面。
只有综合考虑这
些因素,才能得出全面完整的回答。
建筑护栏需要实验报告一、实验目的本实验旨在通过对建筑护栏的性能测试和实验数据的分析,评估其质量和可靠性,为建筑护栏的选购和使用提供科学依据。
二、实验材料与方法2.1 实验材料- 建筑护栏样品x 52.2 实验方法1. 建筑护栏耐压实验:将建筑护栏用特定方式固定在支架上,用水平放置的压板对其进行垂直压力测试,记录其变形情况。
2. 建筑护栏耐冲击实验:用特定高度的冲击物对建筑护栏进行冲击测试,记录其受冲击后的变形情况。
3. 建筑护栏耐腐蚀实验:将建筑护栏放入强酸或强碱溶液中浸泡一段时间,观察其腐蚀情况。
4. 建筑护栏寿命实验:将建筑护栏放置在恶劣环境中,进行长期观测和记录。
三、实验结果与分析3.1 建筑护栏耐压实验结果经过耐压实验,记录了建筑护栏在不同压力下的变形情况,并绘制压力-变形曲线。
实验结果显示,建筑护栏的变形随着压力的增加而增加,但在一定范围内,变形符合线性关系。
超过一定压力后,建筑护栏会出现严重变形,甚至破裂。
3.2 建筑护栏耐冲击实验结果进行耐冲击实验,记录了建筑护栏在不同冲击力下的变形情况,并对变形程度进行评估。
实验结果显示,随着冲击力的增加,建筑护栏的变形逐渐加剧,但在一定范围内,变形较小且不影响其正常使用。
当冲击力超过一定值时,建筑护栏会出现塑性变形,导致失去原有的保护功能。
3.3 建筑护栏耐腐蚀实验结果经过耐腐蚀实验,观察了建筑护栏在强酸和强碱溶液中的腐蚀情况。
实验结果显示,建筑护栏对于强酸和强碱具有一定的耐腐蚀性能,表面出现轻微的腐蚀现象,但整体结构并未受到明显破坏。
3.4 建筑护栏寿命实验结果进行长期观测和记录,评估建筑护栏的寿命。
实验结果显示,在恶劣环境下,建筑护栏的表面出现了明显的腐蚀和锈蚀,部分护栏失去原有的光泽。
经过一定时间的使用,部分建筑护栏出现了位移和变形。
四、实验结论根据实验结果和分析,得出以下结论:1. 建筑护栏具有一定的耐压、耐冲击和耐腐蚀性能,能够在一定范围内提供有效的保护。
临空栏杆玻璃样板抗冲击性能检验表表临空栏杆玻璃样板抗冲击性能检验表表临空栏杆玻璃样板抗冲击性能检验表表临空栏杆玻璃样板抗冲击性能检验表表临空栏杆玻璃样板抗冲击性能检验表表临空栏杆玻璃样板抗冲击性能检验表表临空栏杆玻璃样板抗冲击性能检验表表临空栏杆玻璃样板抗冲击性能检验表表临空栏杆玻璃样板抗冲击性能检验表表临空栏杆玻璃样板抗冲击性能检验表表临空栏杆玻璃样板抗冲击性能检验表表临空栏杆玻璃样板抗冲击性能检验表表临空栏杆玻璃样板抗冲击性能检验表表临空栏杆玻璃样板抗冲击性能检验表表临空栏杆玻璃样板抗冲击性能检验表表临空栏杆玻璃样板抗冲击性能检验表表临空栏杆玻璃样板抗冲击性能检验表表临空栏杆玻璃样板抗冲击性能检验表表临空栏杆玻璃样板抗冲击性能检验表表临空栏杆玻璃样板抗冲击性能检验表表临空栏杆玻璃样板抗冲击性能检验表表临空栏杆玻璃样板抗冲击性能检验表表临空栏杆玻璃样板抗冲击性能检验表表临空栏杆玻璃样板抗冲击性能检验表表临空栏杆玻璃样板抗冲击性能检验表表临空栏杆玻璃样板抗冲击性能检验表表临空栏杆玻璃样板抗冲击性能检验表表临空栏杆玻璃样板抗冲击性能检验表表临空栏杆玻璃样板抗冲击性能检验表表临空栏杆玻璃样板抗冲击性能检验表表临空栏杆玻璃样板抗冲击性能检验表表临空栏杆玻璃样板抗冲击性能检验表表临空栏杆玻璃样板抗冲击性能检验表表临空栏杆玻璃样板抗冲击性能检验表表临空栏杆玻璃样板抗冲击性能检验表表临空栏杆玻璃样板抗冲击性能检验表表临空栏杆玻璃样板抗冲击性能检验表表临空栏杆玻璃样板抗冲击性能检验表表临空栏杆玻璃样板抗冲击性能检验表表临空栏杆玻璃样板抗冲击性能检验表表临空栏杆玻璃样板抗冲击性能检验表表临空栏杆玻璃样板抗冲击性能检验表表临空栏杆玻璃样板抗冲击性能检验表表临空栏杆玻璃样板抗冲击性能检验表表临空栏杆玻璃样板抗冲击性能检验表表临空栏杆玻璃样板抗冲击性能检验表表临空栏杆玻璃样板抗冲击性能检验表表临空栏杆玻璃样板抗冲击性能检验表表临空栏杆玻璃样板抗冲击性能检验表表临空栏杆玻璃样板抗冲击性能检验表。
施工安全护栏防坠落试验记录
背景信息
施工现场的安全是非常重要的,特别是在高处作业时,防止坠
落事故发生。
护栏是一种常见的安全设施,在施工现场起到防止坠
落的作用。
本文档记录了对施工安全护栏进行的防坠落试验的结果。
试验目的
本次试验的目的是评估施工安全护栏的坠落防护性能,确保护
栏满足安全要求,能够有效防止人员坠落事故的发生。
试验过程
本次试验采用以下步骤进行:
1. 在施工现场搭建试验平台。
2. 将施工安全护栏固定在试验平台上。
3. 模拟真实工作环境中的坠落情况,通过向护栏施加压力来测
试其抗坠落能力。
4. 记录测试过程中的数据,包括施加的压力和护栏的变形情况。
试验结果
根据试验数据分析,施工安全护栏在施加压力时能够保持稳定,没有发生明显的变形。
护栏能够有效地防止人员坠落,并满足安全
要求。
结论
本次试验证明了施工安全护栏的坠落防护性能良好,能够有效
地保护施工现场工人的安全。
建议在施工现场广泛使用此类护栏,
以确保工作人员的安全。
下一步计划
为了进一步提高施工现场的安全水平,建议进行更多的坠落防
护设施的试验和评估。
同时,加强对施工人员的安全培训,提高他
们的安全意识和应急响应能力。
---
*注意:本文档仅为试验记录,不得作为法律依据。
*。
护栏抗冲击力试验
将黄沙装进蛇皮袋,用磅秤称好60公斤,将袋口用绳索扎紧。
随机选择***处栏杆进行试验。
将沙袋用绳索悬挂在结构梁上(如果悬挂结构梁上不满足要求,可以架设吊架悬挂沙袋,如下图),使吊挂点距离沙袋的重心点长度约为150公分,沙袋垂挂时紧贴着被试验栏杆的中心点。
然后安装好位移针,将沙袋向后拉起,使沙袋绳索与垂线角度约为45°时自然放掉沙袋,沙袋在重力作用下撞向被试验栏杆中心点。
连续撞击同位置三次,记录好位栏杆移针数据,然后检查栏杆的变形及受损情况,无任何异常情况,且位移在规范要求内,栏杆受力满足规范要求。
栏杆制作检验报告1. 引言本报告旨在对栏杆制作的各个环节进行检验和评估,以确保其质量和安全性。
栏杆是用于围合和保护区域的重要结构,因此其制作过程需要严格遵循相关标准和要求。
2. 检验目标本次检验的目标是评估栏杆制作的各个步骤是否符合设计要求,包括材料选择、加工工艺、安装和强度测试等方面。
通过对这些环节的检验,我们可以确保栏杆的质量和安全性。
3. 检验步骤3.1 材料选择栏杆制作的第一步是选择合适的材料。
栏杆通常使用金属、木材或塑料等材料制作。
在本次检验中,我们选择了不锈钢作为栏杆的材料,因其具有较强的耐腐蚀性和强度。
3.2 加工工艺栏杆的加工工艺对其质量和外观有着重要影响。
在本次检验中,我们对加工工艺进行了如下检验:•弯曲:栏杆需要按照设计要求进行弯曲处理。
我们检查了弯曲角度和弯曲后的形状是否与设计一致。
•打孔:栏杆上的孔用于安装固定件。
我们检查了孔的位置、直径和间距是否符合设计要求。
•焊接:栏杆的组装通常需要进行焊接。
我们对焊接点进行了检查,确保焊缝牢固且不易脱落。
3.3 安装栏杆安装的稳固性是其功能的重要保证。
在本次检验中,我们检查了栏杆的安装情况,包括固定件的位置和紧固程度等。
同时,我们还对安装后的栏杆进行了摇晃测试,以确保其不会松动或倾斜。
3.4 强度测试栏杆需要具备足够的强度,以承受人体的压力和碰撞。
在本次检验中,我们进行了强度测试,包括以下步骤:•垂直压力测试:施加垂直方向的压力,检查栏杆是否会变形或断裂。
•水平压力测试:施加水平方向的压力,模拟人体碰撞的情况,检查栏杆是否能够承受住冲击。
4. 检验结果经过以上步骤的检验,我们得出了以下结果:•材料选择:不锈钢材料符合要求,具备耐腐蚀性和强度。
•加工工艺:栏杆的弯曲、打孔和焊接工艺良好,符合设计要求。
•安装:栏杆安装稳固,固定件位置准确,安装后不出现松动或倾斜。
•强度测试:栏杆经受住了垂直和水平方向的压力测试,未发生变形或断裂。
5. 结论根据本次检验的结果,我们得出以下结论:栏杆制作在材料选择、加工工艺、安装和强度测试等方面均符合设计要求。
2018年2月10日下午2点20分,为了检验XDG(NC)-2号地块研发楼工地现场栏杆玻璃的刚度、强度,我司与业主、监理单位现场负责人一道对工地临空栏杆玻璃进行撞击试验。
首先,我们将黄沙装进蛇皮袋,用磅秤称好60公斤,将袋口用绳索扎紧。
我们随机选择3层西立面、南立面、北立面栏杆玻璃进行试验。
将黄沙袋运至试验地点,将沙袋用绳索悬挂在人字梯上,使吊挂点距离沙袋的重心点长度约为150公分,沙袋垂挂时紧贴着被试验玻璃的中心点。
然后,业主和监理单位进行检查,确保试验条件满足规范要求。
施工方、建设方共同进行拍照取证,准备试验。
试验正式开始,由一人将沙袋向后拉起,使沙袋绳索与垂线角度约为45°时自然放掉沙袋,沙袋在重力作用下撞向被试验玻璃中心点。
连续撞击同一块被试验玻璃三次,然后检查栏杆玻璃的受损情况,无任何异常情况表示试验成功,栏杆玻璃受力满足规范要求。
在试验过程中,我司和建设方各派出相应人员做好书面记录,并拍照(摄像)进行取证。
经对随机抽查的栏杆玻璃进行撞击试验,确认现场栏杆玻璃安装质量满足规范要求。
随后,我司与业主方、监理方负责人填写《临空栏杆玻璃抗冲击性能检验表》,各方负责人均在表格上签字确认。
整个试验到此结束。
工程名称建设单位施工单位项目经理监理单位总监
临空栏杆玻璃冲击情况检验次数施工单位记录监理单位记录
1 无异常情况符合要求
2 无异常情况符合要求
3 无异常情况符合要求
试验简图
施工单位
质量员:T
项目经理:H
年月日监理单位
监理工程师:W
年月日
建设单位
项目负责人:N
年月日。
临空栏杆玻璃抗冲击性能检验方法
目的:
检验玻璃的刚度,强度和安装的牢固性。
方法:
将60kg重的砂袋,用绳索悬挂在吊架上,吊挂点点距砂袋中部的长度为1.5m,砂袋垂挂时紧贴试验玻璃的中央,向后拉起砂袋,砂袋绳索与垂线夹角45。
时,突然放掉砂袋,使砂袋的垂力自然撞击玻璃,连续3次元异常现象为合
格。
试验玻璃应按设计要求进行安装固定。
试验时,建设、监理、施工等单位均应派人参加,并做好记录和签章手续。
检验时,按下表进行记录。
临空栏杆玻璃样板抗冲击性能检验表格
审查人: 图纸审查机构负责人:。
栏杆玻璃抗冲击试验标准
在欧洲,栏杆玻璃的抗冲击试验标准可能会根据欧洲标准(EN)来执行。
EN 12600是欧洲玻璃在建筑中的抗冲击性能要求的标准,
它也适用于栏杆玻璃的抗冲击性能测试。
这些标准通常涵盖了对玻璃在受到冲击时的抗破裂性能、抗穿
透性能以及碎裂后的残余承载能力等方面的要求。
测试方法可能包
括使用冲击器进行冲击测试,以评估玻璃的抗冲击性能。
此外,栏杆玻璃的抗冲击试验标准也可能会受到当地建筑法规
的影响,例如在特定地区可能会有针对栏杆玻璃抗飓风冲击的特殊
要求。
总的来说,栏杆玻璃抗冲击试验标准是根据不同国家或地区的
法规和标准来制定的,以确保栏杆玻璃在受到冲击时具有足够的安
全性能。
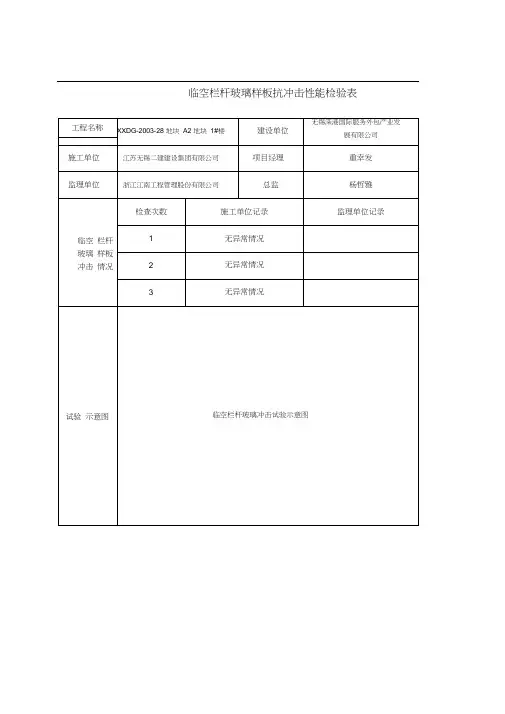
工程名称XXDG-2003-28地块 A2 地块 1#楼建设单位无锡深港国际服务外包产业发展有限公司施工单位江苏无锡二建建设公司有限公司项目经理董幸发监理单位浙江江南工程管理股份有限公司总监杨哲雅检查次数施工单位记录监理单位记录临空栏杆1无异常情况玻璃样板2无异常情况冲击情况3无异常情况试验表示图临空栏杆玻璃冲击试验表示图施工单位监理单位建设单位质量检查员:项目经理:监理工程师:项目负责人:年月日年月日年月日工程名称XXDG-2003-28地块 A2 地块 2#楼建设单位无锡深港国际服务外包产业发展有限公司施工单位江苏无锡二建建设公司有限公司项目经理董幸发监理单位浙江江南工程管理股份有限公司总监杨哲雅检查次数施工单位记录监理单位记录临空栏杆1无异常情况玻璃样板2无异常情况冲击情况3无异常情况试验表示图临空栏杆玻璃冲击试验表示图施工单位监理单位建设单位质量检查员:项目经理:监理工程师:项目负责人:年月日年月日年月日工程名称XXDG-2003-28地块 A2 地块 3#楼建设单位无锡深港国际服务外包产业发展有限公司施工单位江苏无锡二建建设公司有限公司项目经理董幸发监理单位浙江江南工程管理股份有限公司总监杨哲雅检查次数施工单位记录监理单位记录临空栏杆1无异常情况玻璃样板2无异常情况冲击情况3无异常情况试验表示图临空栏杆玻璃冲击试验表示图施工单位监理单位建设单位质量检查员:项目经理:监理工程师:项目负责人:年月日年月日年月日工程名称XXDG-2003-28地块 A2 地块 4#楼建设单位无锡深港国际服务外包产业发展有限公司施工单位江苏无锡二建建设公司有限公司项目经理董幸发监理单位浙江江南工程管理股份有限公司总监杨哲雅检查次数施工单位记录监理单位记录临空栏杆1无异常情况玻璃样板2无异常情况冲击情况3无异常情况试验表示图临空栏杆玻璃冲击试验表示图施工单位监理单位建设单位质量检查员:项目经理:监理工程师:项目负责人:年月日年月日年月日工程名称XXDG-2003-28地块 A2 地块 5#楼建设单位无锡深港国际服务外包产业发展有限公司施工单位江苏无锡二建建设公司有限公司项目经理董幸发监理单位浙江江南工程管理股份有限公司总监杨哲雅检查次数施工单位记录监理单位记录临空栏杆1无异常情况玻璃样板2无异常情况冲击情况3无异常情况试验表示图临空栏杆玻璃冲击试验表示图施工单位监理单位建设单位质量检查员:项目经理:监理工程师:项目负责人:年月日年月日年月日工程名称XXDG-2003-28地块 A2 地块 6#楼建设单位无锡深港国际服务外包产业发展有限公司施工单位江苏无锡二建建设公司有限公司项目经理董幸发监理单位浙江江南工程管理股份有限公司总监杨哲雅检查次数施工单位记录监理单位记录临空栏杆1无异常情况玻璃样板2无异常情况冲击情况3无异常情况试验表示图临空栏杆玻璃冲击试验表示图施工单位监理单位建设单位质量检查员:项目经理:监理工程师:项目负责人:年月日年月日年月日工程名称XXDG-2003-28地块 A2 地块 7#楼建设单位无锡深港国际服务外包产业发展有限公司施工单位江苏无锡二建建设公司有限公司项目经理董幸发监理单位浙江江南工程管理股份有限公司总监杨哲雅检查次数施工单位记录监理单位记录临空栏杆1无异常情况玻璃样板2无异常情况冲击情况3无异常情况试验表示图临空栏杆玻璃冲击试验表示图施工单位监理单位建设单位质量检查员:项目经理:监理工程师:项目负责人:年月日年月日年月日工程名称XXDG-2003-28地块 A2 地块 8#楼建设单位无锡深港国际服务外包产业发展有限公司施工单位江苏无锡二建建设公司有限公司项目经理董幸发监理单位浙江江南工程管理股份有限公司总监杨哲雅检查次数施工单位记录监理单位记录临空栏杆1无异常情况玻璃样板2无异常情况冲击情况3无异常情况试验表示图临空栏杆玻璃冲击试验表示图施工单位监理单位建设单位质量检查员:项目经理:监理工程师:项目负责人:年月日年月日年月日工程名称XXDG-2003-28地块 A2 地块 9#楼建设单位无锡深港国际服务外包产业发展有限公司施工单位江苏无锡二建建设公司有限公司项目经理董幸发监理单位浙江江南工程管理股份有限公司总监杨哲雅检查次数施工单位记录监理单位记录临空栏杆1无异常情况玻璃样板2无异常情况冲击情况3无异常情况试验表示图临空栏杆玻璃冲击试验表示图施工单位监理单位建设单位质量检查员:项目经理:监理工程师:项目负责人:年月日年月日年月日工程名称XXDG-2003-28地块 A2 地块 10#楼建设单位无锡深港国际服务外包产业发展有限公司施工单位江苏无锡二建建设公司有限公司项目经理董幸发监理单位浙江江南工程管理股份有限公司总监杨哲雅临空检查次数施工单位记录监理单位记录栏杆1无异常情况玻璃样板2无异常情况冲击情况3无异常情况试验表示图临空栏杆玻璃冲击试验表示图施工单位监理单位建设单位质量检查员:项目经理:监理工程师:项目负责人:年月日年月日年月日工程名称XXDG-2003-28地块 A2 地块 11#楼建设单位无锡深港国际服务外包产业发展有限公司施工单位江苏无锡二建建设公司有限公司项目经理董幸发监理单位浙江江南工程管理股份有限公司总监杨哲雅临空检查次数施工单位记录监理单位记录栏杆1无异常情况玻璃样板2无异常情况冲击情况3无异常情况试验表示图临空栏杆玻璃冲击试验表示图施工单位监理单位建设单位质量检查员:项目经理:监理工程师:项目负责人:年月日年月日年月日工程名称XXDG-2003-28地块 A2 地块 12#楼建设单位无锡深港国际服务外包产业发展有限公司施工单位江苏无锡二建建设公司有限公司项目经理董幸发监理单位浙江江南工程管理股份有限公司总监杨哲雅临空检查次数施工单位记录监理单位记录栏杆1无异常情况玻璃样板2无异常情况冲击情况3无异常情况试验表示图临空栏杆玻璃冲击试验表示图施工单位监理单位建设单位质量检查员:项目经理:监理工程师:项目负责人:年月日年月日年月日工程名称XXDG-2003-28地块 A2 地块 13#楼建设单位无锡深港国际服务外包产业发展有限公司施工单位江苏无锡二建建设公司有限公司项目经理董幸发监理单位浙江江南工程管理股份有限公司总监杨哲雅临空检查次数施工单位记录监理单位记录栏杆1无异常情况玻璃样板2无异常情况冲击情况3无异常情况试验表示图临空栏杆玻璃冲击试验表示图施工单位监理单位建设单位质量检查员:项目经理:监理工程师:项目负责人:年月日年月日年月日工程名称XXDG-2003-28地块 A2 地块 14#楼建设单位无锡深港国际服务外包产业发展有限公司施工单位江苏无锡二建建设公司有限公司项目经理董幸发监理单位浙江江南工程管理股份有限公司总监杨哲雅临空检查次数施工单位记录监理单位记录栏杆1无异常情况玻璃样板2无异常情况冲击情况3无异常情况试验表示图临空栏杆玻璃冲击试验表示图施工单位监理单位建设单位质量检查员:项目经理:监理工程师:项目负责人:年月日年月日年月日工程名称XXDG-2003-28地块 A2 地块 15#楼建设单位无锡深港国际服务外包产业发展有限公司施工单位江苏无锡二建建设公司有限公司项目经理董幸发监理单位浙江江南工程管理股份有限公司总监杨哲雅临空检查次数施工单位记录监理单位记录栏杆1无异常情况玻璃样板2无异常情况冲击情况3无异常情况试验表示图临空栏杆玻璃冲击试验表示图施工单位监理单位建设单位质量检查员:项目经理:监理工程师:项目负责人:年月日年月日年月日工程名称XXDG-2003-28地块 A2 地块 16#楼建设单位无锡深港国际服务外包产业发展有限公司施工单位江苏无锡二建建设公司有限公司项目经理董幸发监理单位浙江江南工程管理股份有限公司总监杨哲雅临空检查次数施工单位记录监理单位记录栏杆1无异常情况玻璃样板2无异常情况冲击情况3无异常情况试验表示图临空栏杆玻璃冲击试验表示图施工单位监理单位建设单位质量检查员:项目经理:监理工程师:项目负责人:年月日年月日年月日工程名称XXDG-2003-28地块 A2 地块 17#楼建设单位无锡深港国际服务外包产业发展有限公司施工单位江苏无锡二建建设公司有限公司项目经理董幸发监理单位浙江江南工程管理股份有限公司总监杨哲雅临空检查次数施工单位记录监理单位记录栏杆1无异常情况玻璃样板2无异常情况冲击情况3无异常情况试验表示图临空栏杆玻璃冲击试验表示图施工单位监理单位建设单位质量检查员:项目经理:监理工程师:项目负责人:年月日年月日年月日工程名称XXDG-2003-28地块 A2 地块 18#楼建设单位无锡深港国际服务外包产业发展有限公司施工单位江苏无锡二建建设公司有限公司项目经理董幸发监理单位浙江江南工程管理股份有限公司总监杨哲雅临空检查次数施工单位记录监理单位记录栏杆1无异常情况玻璃样板2无异常情况冲击情况3无异常情况试验表示图临空栏杆玻璃冲击试验表示图施工单位监理单位建设单位质量检查员:项目经理:监理工程师:项目负责人:年月日年月日年月日工程名称XXDG-2003-28地块 A2 地块 19#楼建设单位无锡深港国际服务外包产业发展有限公司施工单位江苏无锡二建建设公司有限公司项目经理董幸发监理单位浙江江南工程管理股份有限公司总监杨哲雅临空检查次数施工单位记录监理单位记录栏杆1无异常情况玻璃样板2无异常情况冲击情况3无异常情况试验表示图临空栏杆玻璃冲击试验表示图施工单位监理单位建设单位质量检查员:项目经理:监理工程师:项目负责人:年月日年月日年月日工程名称XXDG-2003-28地块 A2 地块 20#楼建设单位无锡深港国际服务外包产业发展有限公司施工单位江苏无锡二建建设公司有限公司项目经理董幸发监理单位浙江江南工程管理股份有限公司总监杨哲雅临空检查次数施工单位记录监理单位记录栏杆1无异常情况玻璃样板2无异常情况冲击情况3无异常情况试验表示图临空栏杆玻璃冲击试验表示图施工单位监理单位建设单位质量检查员:项目经理:监理工程师:项目负责人:年月日年月日年月日工程名称XXDG-2003-28地块 A2 地块 21#楼建设单位无锡深港国际服务外包产业发展有限公司施工单位江苏无锡二建建设公司有限公司项目经理董幸发监理单位浙江江南工程管理股份有限公司总监杨哲雅临空检查次数施工单位记录监理单位记录栏杆1无异常情况玻璃样板2无异常情况冲击情况3无异常情况试验表示图临空栏杆玻璃冲击试验表示图施工单位监理单位建设单位质量检查员:项目经理:监理工程师:项目负责人:年月日年月日年月日工程名称XXDG-2003-28地块 A2 地块 22#楼建设单位无锡深港国际服务外包产业发展有限公司施工单位江苏无锡二建建设公司有限公司项目经理董幸发监理单位浙江江南工程管理股份有限公司总监杨哲雅临空检查次数施工单位记录监理单位记录栏杆1无异常情况玻璃样板2无异常情况冲击情况3无异常情况试验表示图临空栏杆玻璃冲击试验表示图施工单位监理单位建设单位质量检查员:项目经理:监理工程师:项目负责人:年月日年月日年月日工程名称XXDG-2003-28地块 A2 地块 23#楼建设单位无锡深港国际服务外包产业发展有限公司施工单位江苏无锡二建建设公司有限公司项目经理董幸发监理单位浙江江南工程管理股份有限公司总监杨哲雅临空检查次数施工单位记录监理单位记录栏杆1无异常情况玻璃样板2无异常情况冲击情况3无异常情况试验表示图临空栏杆玻璃冲击试验表示图施工单位监理单位建设单位质量检查员:项目经理:监理工程师:项目负责人:年月日年月日年月日工程名称XXDG-2003-28地块 A2 地块 24#楼建设单位无锡深港国际服务外包产业发展有限公司施工单位江苏无锡二建建设公司有限公司项目经理董幸发监理单位浙江江南工程管理股份有限公司总监杨哲雅临空检查次数施工单位记录监理单位记录栏杆1无异常情况玻璃样板2无异常情况冲击情况3无异常情况试验表示图临空栏杆玻璃冲击试验表示图施工单位监理单位建设单位质量检查员:项目经理:监理工程师:项目负责人:年月日年月日年月日工程名称XXDG-2003-28地块 A2 地块 25#楼建设单位无锡深港国际服务外包产业发展有限公司施工单位江苏无锡二建建设公司有限公司项目经理董幸发监理单位浙江江南工程管理股份有限公司总监杨哲雅临空检查次数施工单位记录监理单位记录栏杆1无异常情况玻璃样板2无异常情况冲击情况3无异常情况试验表示图临空栏杆玻璃冲击试验表示图施工单位监理单位建设单位质量检查员:项目经理:监理工程师:项目负责人:年月日年月日年月日工程名称XXDG-2003-28地块 A2 地块 26#楼建设单位无锡深港国际服务外包产业发展有限公司施工单位江苏无锡二建建设公司有限公司项目经理董幸发监理单位浙江江南工程管理股份有限公司总监杨哲雅临空检查次数施工单位记录监理单位记录栏杆1无异常情况玻璃样板2无异常情况冲击情况3无异常情况试验表示图临空栏杆玻璃冲击试验表示图施工单位监理单位建设单位质量检查员:项目经理:监理工程师:项目负责人:年月日年月日年月日工程名称XXDG-2003-28地块 A2 地块 27#楼建设单位无锡深港国际服务外包产业发展有限公司施工单位江苏无锡二建建设公司有限公司项目经理董幸发监理单位浙江江南工程管理股份有限公司总监杨哲雅临空检查次数施工单位记录监理单位记录栏杆1无异常情况玻璃样板2无异常情况冲击情况3无异常情况试验表示图临空栏杆玻璃冲击试验表示图施工单位监理单位建设单位质量检查员:项目经理:监理工程师:项目负责人:年月日年月日年月日工程名称XXDG-2003-28地块 A2 地块 28#楼建设单位无锡深港国际服务外包产业发展有限公司施工单位江苏无锡二建建设公司有限公司项目经理董幸发监理单位浙江江南工程管理股份有限公司总监杨哲雅临空检查次数施工单位记录监理单位记录栏杆1无异常情况玻璃样板2无异常情况冲击情况3无异常情况试验表示图临空栏杆玻璃冲击试验表示图施工单位监理单位建设单位质量检查员:项目经理:监理工程师:项目负责人:年月日年月日年月日工程名称XXDG-2003-28地块 A2 地块 29#楼建设单位无锡深港国际服务外包产业发展有限公司施工单位江苏无锡二建建设公司有限公司项目经理董幸发监理单位浙江江南工程管理股份有限公司总监杨哲雅临空检查次数施工单位记录监理单位记录栏杆1无异常情况玻璃样板2无异常情况冲击情况3无异常情况试验表示图临空栏杆玻璃冲击试验表示图施工单位监理单位建设单位质量检查员:项目经理:监理工程师:项目负责人:年月日年月日年月日工程名称XXDG-2003-28地块 A2 地块 30#楼建设单位无锡深港国际服务外包产业发展有限公司施工单位江苏无锡二建建设公司有限公司项目经理董幸发监理单位浙江江南工程管理股份有限公司总监杨哲雅临空检查次数施工单位记录监理单位记录栏杆1无异常情况玻璃样板2无异常情况冲击情况3无异常情况试验表示图临空栏杆玻璃冲击试验表示图施工单位监理单位建设单位质量检查员:项目经理:监理工程师:项目负责人:年月日年月日年月日工程名称XXDG-2003-28地块 A2 地块 31#楼建设单位无锡深港国际服务外包产业发展有限公司施工单位江苏无锡二建建设公司有限公司项目经理董幸发监理单位浙江江南工程管理股份有限公司总监杨哲雅临空检查次数施工单位记录监理单位记录栏杆1无异常情况玻璃样板2无异常情况冲击情况3无异常情况试验表示图临空栏杆玻璃冲击试验表示图施工单位监理单位建设单位质量检查员:项目经理:监理工程师:项目负责人:年月日年月日年月日工程名称XXDG-2003-28地块 A2 地块 32#楼建设单位无锡深港国际服务外包产业发展有限公司施工单位江苏无锡二建建设公司有限公司项目经理董幸发监理单位浙江江南工程管理股份有限公司总监杨哲雅临空检查次数施工单位记录监理单位记录栏杆1无异常情况玻璃样板2无异常情况冲击情况3无异常情况试验表示图临空栏杆玻璃冲击试验表示图施工单位监理单位建设单位质量检查员:项目经理:监理工程师:项目负责人:年月日年月日年月日工程名称XXDG-2003-28地块 A2 地块 33#楼建设单位无锡深港国际服务外包产业发展有限公司施工单位江苏无锡二建建设公司有限公司项目经理董幸发监理单位浙江江南工程管理股份有限公司总监杨哲雅临空检查次数施工单位记录监理单位记录栏杆1无异常情况玻璃样板2无异常情况冲击情况3无异常情况试验表示图临空栏杆玻璃冲击试验表示图施工单位监理单位建设单位质量检查员:项目经理:监理工程师:项目负责人:年月日年月日年月日工程名称XXDG-2003-28地块 A2 地块 34#楼建设单位无锡深港国际服务外包产业发展有限公司施工单位江苏无锡二建建设公司有限公司项目经理董幸发监理单位浙江江南工程管理股份有限公司总监杨哲雅临空检查次数施工单位记录监理单位记录栏杆1无异常情况玻璃样板2无异常情况冲击情况3无异常情况试验表示图临空栏杆玻璃冲击试验表示图施工单位监理单位建设单位质量检查员:项目经理:监理工程师:项目负责人:年月日年月日年月日工程名称XXDG-2003-28地块 A2 地块 35#楼建设单位无锡深港国际服务外包产业发展有限公司施工单位江苏无锡二建建设公司有限公司项目经理董幸发监理单位浙江江南工程管理股份有限公司总监杨哲雅临空检查次数施工单位记录监理单位记录栏杆1无异常情况玻璃样板2无异常情况冲击情况3无异常情况试验表示图临空栏杆玻璃冲击试验表示图施工单位监理单位建设单位质量检查员:项目经理:监理工程师:项目负责人:年月日年月日年月日工程名称XXDG-2003-28地块 A2 地块 36#楼建设单位无锡深港国际服务外包产业发展有限公司施工单位江苏无锡二建建设公司有限公司项目经理董幸发监理单位浙江江南工程管理股份有限公司总监杨哲雅临空检查次数施工单位记录监理单位记录栏杆1无异常情况玻璃样板2无异常情况冲击情况3无异常情况试验表示图临空栏杆玻璃冲击试验表示图施工单位监理单位建设单位质量检查员:项目经理:监理工程师:项目负责人:年月日年月日年月日工程名称XXDG-2003-28地块 A2 地块 37#楼建设单位无锡深港国际服务外包产业发展有限公司施工单位江苏无锡二建建设公司有限公司项目经理董幸发监理单位浙江江南工程管理股份有限公司总监杨哲雅临空检查次数施工单位记录监理单位记录栏杆1无异常情况玻璃样板2无异常情况冲击情况3无异常情况试验表示图临空栏杆玻璃冲击试验表示图施工单位监理单位建设单位质量检查员:项目经理:监理工程师:项目负责人:年月日年月日年月日工程名称XXDG-2003-28地块 A2 地块 38#楼建设单位无锡深港国际服务外包产业发展有限公司施工单位江苏无锡二建建设公司有限公司项目经理董幸发监理单位浙江江南工程管理股份有限公司总监杨哲雅临空检查次数施工单位记录监理单位记录栏杆1无异常情况玻璃样板2无异常情况冲击情况3无异常情况试验表示图临空栏杆玻璃冲击试验表示图施工单位监理单位建设单位质量检查员:项目经理:监理工程师:项目负责人:年月日年月日年月日工程名称XXDG-2003-28地块 A2 地块 39#楼建设单位无锡深港国际服务外包产业发展有限公司施工单位江苏无锡二建建设公司有限公司项目经理董幸发监理单位浙江江南工程管理股份有限公司总监杨哲雅临空检查次数施工单位记录监理单位记录栏杆1无异常情况玻璃样板2无异常情况冲击情况3无异常情况试验表示图临空栏杆玻璃冲击试验表示图施工单位监理单位建设单位质量检查员:项目经理:监理工程师:项目负责人:年月日年月日年月日。
表A.0.1 临空栏杆玻璃样板抗冲击性能检验表
工程名称XXDG-2003-28地块A2地块1#
楼
建设单位国际服务外包产业发展施工单位建设集团项目经理董幸发
监理单位江南工程管理股份总监哲雅
临空栏杆玻璃样板冲击情况检查次数施工单位记录监理单位记录
1 无异常情况
2 无异常情况
3 无异常情况
试验
示意图
临空栏杆玻璃冲击试验示意图
试验
示意图
临空栏杆玻璃冲击试验示意图
施工单位
质量检查员:
项目经理:
年月日监理单位
监理工程师:
年月日
建设单位
项目负责人:
年月日
表A.0.1 临空栏杆玻璃样板抗冲击性能检验表
工程名称XXDG-2003-28地块A2地块3#
楼
建设单位国际服务外包产业发展施工单位建设集团项目经理董幸发
监理单位江南工程管理股份总监哲雅
临空栏杆检查次数施工单位记录监理单位记录
1 无异常情况
玻璃样板冲击情况2 无异常情况
3 无异常情况
试验
示意图
临空栏杆玻璃冲击试验示意图
施工单位
质量检查员:
项目经理:
年月日监理单位
监理工程师:
年月日
建设单位
项目负责人:
年月日
表A.0.1 临空栏杆玻璃样板抗冲击性能检验表
工程名称XXDG-2003-28地块A2地块4#
楼
建设单位国际服务外包产业发展
施工单位建设集团项目经理董幸发监理单位江南工程管理股份总监哲雅
临空栏杆玻璃样板冲击情况检查次数施工单位记录监理单位记录
1 无异常情况
2 无异常情况
3 无异常情况
试验
示意图
临空栏杆玻璃冲击试验示意图
试验
示意图
临空栏杆玻璃冲击试验示意图
施工单位
质量检查员:
项目经理:
年月日监理单位
监理工程师:
年月日
建设单位
项目负责人:
年月日
表A.0.1 临空栏杆玻璃样板抗冲击性能检验表
工程名称XXDG-2003-28地块A2地块6#
楼
建设单位国际服务外包产业发展施工单位建设集团项目经理董幸发
监理单位江南工程管理股份总监哲雅
临空栏杆检查次数施工单位记录监理单位记录
1 无异常情况。