现代电源技术实验
- 格式:doc
- 大小:394.50 KB
- 文档页数:20
三相电路实验报告三相电路实验报告引言:电力是现代社会不可或缺的能源之一,而三相电路作为电力传输和供应的重要方式,具有高效、稳定的特点,被广泛应用于工业和家庭用电。
本实验旨在通过搭建三相电路并进行相关测量,深入了解三相电路的原理和特性。
一、实验目的本实验的主要目的是通过实际操作,掌握三相电路的搭建方法,熟悉三相电路的测量方法,理解三相电路的特性以及相电压和线电压之间的关系。
二、实验仪器与材料1. 三相交流电源2. 电压表3. 电流表4. 电阻箱5. 实验导线三、实验步骤1. 搭建三相电路首先,将三相交流电源与电压表、电流表以及电阻箱连接起来。
确保连接正确无误后,打开电源,使电流通过电路。
2. 测量相电压和线电压使用电压表分别测量三相电路中的相电压和线电压。
记录下每个相电压和线电压的数值。
3. 测量电流使用电流表测量三相电路中的电流。
记录下电流的数值。
4. 计算功率和功率因数根据测得的电压和电流数值,计算三相电路中的功率和功率因数。
功率可以通过电压和电流的乘积得出,功率因数可以通过功率除以视在功率得出。
五、实验结果与分析根据实验测量所得的数据,我们可以得出以下结论:1. 相电压和线电压之间的关系在三相电路中,相电压和线电压之间的关系是根号3。
也就是说,线电压是相电压的根号3倍。
2. 三相电路的功率和功率因数三相电路的功率可以通过电压和电流的乘积得出,而功率因数可以通过功率除以视在功率得出。
功率因数是衡量电路效率的重要指标,它的数值越接近1,表示电路的效率越高。
六、实验总结通过本次实验,我们深入了解了三相电路的原理和特性。
我们学会了搭建三相电路的方法,并掌握了测量相电压、线电压和电流的技巧。
同时,我们还了解到了相电压和线电压之间的关系以及功率和功率因数的计算方法。
三相电路作为一种高效、稳定的电力传输和供应方式,在工业和家庭用电中有着广泛的应用。
通过深入学习和实践,我们可以更好地理解和应用三相电路,为电力传输和供应提供更可靠、高效的解决方案。
实验一半桥型开关稳压电源的性能研究实验时间:(10月13日)一、实验目的(1)熟悉典型开关电源主电路的结构,元器件和工作原理。
(2)了解 PWM 控制与驱动电路的原理和常用的集成电路。
二、实验所需挂件及附件序号型号备注1HK01电源控制屏该控制屏包含“三相电源输出”等几个模块。
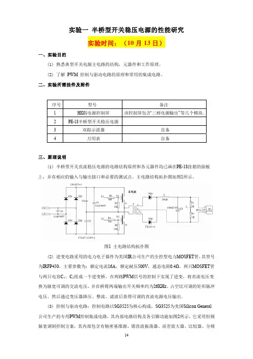
2PE-18半桥型开关稳压电源3双踪示波器自备4万用表自备三、原理说明(1)半桥型开关直流稳压电源的电路结构原理和各元器件均已画在PE-18挂箱的面板上,并有相应的输入与输出接口和必要的测试点。
主电路结构拓扑图如图1所示。
图1 主电路结构拓扑图(2)逆变电路采用的电力电子器件为美国IR公司生产的全控型电力MOSFET管,其型号为IRFP450,主要参数为:额定电流16A,额定耐压500V,通态电阻0.4Ω。
两只MOSFET管与两只电容C1、C2组成一个逆变桥,在两路PWM信号的控制下实现了逆变,将直流电压变换为脉宽可调的交流电压,并在桥臂两端输出开关频率约为26KHz、占空比可调的矩形脉冲电压。
然后通过变压器降压、整流、滤波后获得可调的直流电源电压输出。
(3)控制与驱动电路:控制电路以SG3525为核心构成,SG3525为美国Silicon General 公司生产的专用PWM控制集成电路,其内部电路结构及各引脚功能如图2所示,它采用恒频脉宽调制控制方案,其内部包含有精密基准源、锯齿波振荡器、误差放大器、比较器、分频器和保护电路等。
调节Vref的大小,在A、B两端可输出两个幅度相等、频率相等、相位相互错开180度、占空比可调的矩形波(即PWM信号)。
它适用于各开关电源、斩波器的控制。
图2 SG3525引脚分布图四、预习思考题(1)开关稳压电源的工作原理是什么?有什么优点?答:开关稳压电源的主要构成部分是一个变压器和一个充当“开和关”功能的开关管,变压器和开关管串联于电路中,直流电经过开关管的“开和关”状态在电路上形成脉冲电压,这个脉冲电压在变压器的磁芯上面形成瞬间变化的磁场,然后在同一个磁场里的另一个线圈上就感应出了脉冲电压,这个脉冲电压经过整流和滤波,即输出直流电压。
亚龙YL-158-G电工现代技术实验指导手册亚龙科技集团目录实验一转换开关与电压表连接测量三相电压 (1)实验二交流异步电动机的点动控制电路连接 (2)实验三交流异步电动机的单向连续转动的控制电路连接 (3)实验四接触器联锁的三相交流异步电动机正、反转控制电路的连接 (4)实验五按钮联锁的三相交流异步电动机正、反转控制电路的连接 (5)实验六按钮、接触器联锁的三相交流异步电动机正、反转控制电路的连接 (6)实验七万能转换开关控制三相异步电动机的正反转 (7)实验八三相交流异步电动机Y-△(手动切换)启动控制电路的连接 (8)实验九三相交流异步电动机Y-△(时间继电器切换)启动控制电路的连接 (9)实验十、定子绕组串联电阻启动控制电路连接 (10)实验十一、电动机半波整流能耗制动控制电路连接 (11)实验十二两地控制电路的连接 (13)实验十三、离心开关配合的反接制动控制电路的连接 (14)实验十四、电动机全波整流能耗制动控制线路 (16)实验十五、三相交流异步电动机反接制动控制电路连接 (18)实验十六、电动机往返行程控制电路连接 (20)实验十七、直流电机的直接启停控制 (22)实验十八、直流电动机正反转控制 (23)实验十九直流电动机调速实验 (24)实验二十、普通车床控制电路的连接 (25)实验二十一、电动葫芦控制电路的连接 (26)实验二十二、点动与连续转动电路连接 (29)实验二十三、按钮切换的双速电动机调速控制电路连接 (30)实验二十四、时间继电器切换的双速电动机调速控制电路的连接 (31)实验二十五、多台(3台电动机)电动机的顺序控制电路的连接 (32)实验二十六、X62W铣床电气控制单元常见故障检实验查与排除 (33)实验二十七、T68镗床电气控制单元常见故障的检查与排除 (37)实训二十八、编制三台电动机顺序控制程序并上机调试 (40)实验二十九、变频器功能参数设置和操作实验 (44)实验三十、变频器对电机点动控制、启停控制 (46)实验三十一、电机转速多段控制 (47)实验三十二、工频、变频切换控制 (49)实验三十三、基于模拟量控制的电机开环调速 (52)实验三十四、基于面板操作的电机开环调速 (53)实验三十五、变频器的保护和报警功能实训 (54)实验三十六、基于PLC的变频器开环调速 (55)实验三十七、PLC的交通灯控制实训 (57)实验三十八、PLC控制电机顺序启动 (61)实验三十九、PLC控制三相异步电动机Y-△启动电路 (64)实验四十、触摸屏的参数设置 (67)实验四十一、触摸屏的编程 (68)实验四十二、触摸屏、变频器、PLC的综合实训 (69)实验四十三、两相混合式步进电机的控制 (71)实验四十四、交流伺服电机的控制 (73)实验一 转换开关与电压表连接测量三相电压一、实验目的1、通过对万能转换开关与电压表的接线,掌握原理图及安装接线的技能。
篇一:直流稳压电源实验报告实验报告——直流稳压电源班级:计应学号:姓名:陈萍103 1008143342一、课程内容的概述各种电子电路和电子设备都需要稳定的直流电源,但电网提供的是50hz的正弦交流电,这就需要将电网的交流电转换稳定的直流电,直流稳压电路就是实现这种转换的电子电路。
当今社会人们极大的享受着电子设备带来的便利,但是任何电子设备都有一个共同的电路--电源电路。
大到超级计算机、小到袖珍计算器,所有的电子设备都必须在电源电路的支持下才能正常工作。
当然这些电源电路的样式、复杂程度千差万别。
超级计算机的电源电路本身就是一套复杂的电源系统。
通过这套电源系统,超级计算机各部分都能够得到持续稳定、符合各种复杂规范的电源供应。
袖珍计算器则是简单多的电池电源电路。
不过你可不要小看了这个电池电源电路,比较新型的电路完全具备电池能量提醒、掉电保护等高级功能。
可以说电源电路是一切电子设备的基础,没有电源电路就不会有如此种类繁多的电子设备。
由于电子技术的特性,电子设备对电源电路的要求就是能够提供持续稳定、满足负载要求的电能,而且通常情况下都要求提供稳定的直流电能。
提供这种稳定的直流电能的电源就是直流稳压电源。
直流稳压电源在电源技术中占有十分重要的地位。
直流稳压电源的技术指标可以分为两大类:一类是特性指标,反映直流稳压电源的固有特性,如输入电压、输出电压、输出电流、输出电压调节范围;另一类是质量指标,反映直流稳压电源的优劣,包括稳定度、等效内阻(输出电阻)、纹波电压及温度系数等。
二、电路的设计框图及概述1、直流稳压电源设计思路①电网供电电压交流220v(有效值)50hz,要获得低压直流输出,首先必须采用电源变压器将电网电压降低获得所需要交流电压。
②降压后的交流电压,通过整流电路变成单向直流电,但其幅度变化大(即脉动大)。
③脉动大的直流电压须经过滤波、稳压电路变成平滑,脉动小的直流电,即将交流成分滤掉,保留其直流成分。
电力电子技术实验报告电力电子技术实验报告引言电力电子技术是现代电力系统中不可或缺的一部分。
通过电力电子技术,我们可以实现电能的高效转换、传输和控制,提高能源利用效率,减少能源浪费。
本实验报告旨在介绍电力电子技术的基本原理和实验结果,以及对现代电力系统的应用。
一、整流电路实验整流电路是电力电子技术中最基本的电路之一。
通过整流电路,我们可以将交流电转换为直流电,以满足不同电器设备的电源要求。
在实验中,我们使用了半波和全波整流电路进行测试。
半波整流电路通过单个二极管将交流电信号的负半周去除,只保留正半周。
实验中,我们使用了一个变压器将220V的交流电降压为12V,然后通过一个二极管进行半波整流。
实验结果显示,输出电压为正半周的峰值。
全波整流电路通过两个二极管将交流电信号的负半周转换为正半周,实现了更高的电压转换效率。
实验中,我们使用了一个中心引线变压器将220V的交流电降压为12V,然后通过两个二极管进行全波整流。
实验结果显示,输出电压为正半周的峰值,且相较于半波整流电路,输出电压更加稳定。
二、逆变电路实验逆变电路是电力电子技术中另一个重要的电路。
通过逆变电路,我们可以将直流电转换为交流电,以满足不同电器设备的电源要求。
在实验中,我们使用了单相逆变电路和三相逆变电路进行测试。
单相逆变电路通过一个开关管和一个滤波电感将直流电转换为交流电。
实验中,我们使用了一个12V的直流电源,通过一个开关管和一个滤波电感进行逆变。
实验结果显示,输出电压为交流电信号,频率与输入直流电源的频率相同。
三相逆变电路是现代电力系统中常用的逆变电路。
它通过三个开关管和三个滤波电感将直流电转换为三相交流电。
实验中,我们使用了一个12V的直流电源,通过三个开关管和三个滤波电感进行逆变。
实验结果显示,输出电压为三相交流电信号,频率与输入直流电源的频率相同。
三、PWM调制实验PWM调制是电力电子技术中常用的一种调制方式。
通过改变脉冲宽度的方式,可以实现对输出电压的精确控制。
电力电子技术实验报告电力电子技术实验报告引言:电力电子技术是现代电力系统中不可或缺的一部分。
它涉及到电力的转换、控制和传输等方面,对于提高电力系统的效率、稳定性和可靠性具有重要意义。
本实验报告将介绍我所参与的电力电子技术实验,并对实验结果进行分析和总结。
实验一:直流电源的设计与实现在这个实验中,我们设计并搭建了一个直流电源电路。
通过选择合适的电路元件,我们成功地将交流电转换为稳定的直流电。
在实验过程中,我们注意到电路中的电容和电感元件对于滤波和稳压起到了关键作用。
通过实验,我们进一步理解了直流电源的工作原理和设计方法。
实验二:交流电压调节器的性能测试在这个实验中,我们测试了不同类型的交流电压调节器的性能。
通过改变输入电压和负载电流,我们测量了调节器的输出电压和效率。
实验结果表明,稳压调节器能够在不同负载条件下保持稳定的输出电压,而开关调压器则具有更高的效率和更好的调节性能。
这些结果对于电力系统的稳定运行和节能优化具有重要意义。
实验三:功率因数校正电路的设计和优化在这个实验中,我们设计了一个功率因数校正电路,并对其进行了优化。
通过使用功率因数校正电路,我们能够降低电力系统中的谐波失真和电能浪费。
实验结果显示,优化后的功率因数校正电路能够有效地提高功率因数,并减少电网对谐波的敏感性。
这对于提高电力系统的能效和稳定性具有重要意义。
实验四:逆变器的设计与应用在这个实验中,我们设计并搭建了一个逆变器电路,并将其应用于太阳能发电系统中。
通过将直流电能转换为交流电能,逆变器可以实现电力的输送和利用。
实验结果表明,逆变器能够稳定地将太阳能发电系统的输出电能转换为适用于家庭和工业用电的交流电。
这对于推广和应用太阳能发电技术具有重要意义。
结论:通过参与电力电子技术实验,我们深入了解了电力电子技术的原理和应用。
实验结果表明,电力电子技术在提高电力系统的效率、稳定性和可靠性方面具有重要作用。
我们还通过实验掌握了电力电子电路的设计和优化方法,为今后从事相关工作奠定了基础。
电力电子技术实验报告一、实验背景电力电子技术作为一个新兴的学科领域,已经逐渐成为电力系统的重要组成部分和关键技术之一。
随着电力电子技术的不断发展和进步,电力电子设备的种类和应用范围也在不断扩大,特别是在实现电力系统的高效、可靠、智能化方面具有至关重要的作用。
因此,掌握电力电子技术的基本原理和实验操作技能,对于打造应用型电力电子专业人才具有十分重要的意义。
本次实验主要涉及了电力电子技术的基础实验内容,包括单相桥式整流电路、单相半控桥整流电路、交流调压电路、直流稳压电源实验等。
通过实验,学生不仅能够加深对电力电子技术的理论知识的深入理解,也能够掌握实际操作技能和实验数据分析方法,培养学生的综合实际应用能力和创新能力。
二、实验原理(1)单相桥式整流电路单相桥式整流电路是电力电子技术最常见的电路之一。
其工作原理是通过控制四个二极管的导通和截止,将单相交流电转化为直流电,然后提供给直流负载使用。
这种电路结构简单、可靠性高、输出电压稳定等特点,被广泛应用于各种电力电子设备中。
(2)单相半控桥整流电路单相半控桥整流电路和单相桥式整流电路类似,不同之处在于只有一个晶闸管是可控的,其余三个二极管均为正向导通二极管。
这种电路可以实现对直流输出电压的连续调节,具有输出电压稳定、反向截止和可靠性高等特点,被广泛应用于变频调速、直流电动机控制等领域。
(3)交流调压电路交流调压电路是将变压器输出的交流电进行调制,通过控制可控硅的导通和截止,实现输出电压可调的电路。
这种电路在电力电子设备中广泛应用于电炉、电化学等领域,具有输出电压稳定、可靠性高、精度高等特点。
(4)直流稳压电源实验直流稳压电源实验是通过对不同的调节电路与稳压电路进行结合,实现直流电源输出电压、电流稳定的实验。
在电子学、通信、电力电子等领域中应用广泛,能够满足各种直流负载的需要。
三、实验步骤(1)单相桥式整流电路1. 将单相电源接入电路,调节电压调节器,使输出电压稳定。
最新电路研究性实验报告在本次研究性实验中,我们专注于探索和分析最新的电路设计技术及其在现代电子设备中的应用。
实验的主要目标是提高电路的能效比、减小尺寸以及增强信号处理能力。
以下是实验的主要步骤和发现:1. 高效能量转换电路设计我们首先研究了基于新型功率半导体材料的高效能量转换电路。
通过对比硅(Si)和氮化镓(GaN)材料的性能,我们发现GaN在高频高功率应用中展现出更低的能量损耗和更高的热稳定性。
实验结果表明,采用GaN技术的电路能效提升了约20%。
2. 微型化电路集成技术随后,我们探索了微型化电路集成技术,特别是针对移动和可穿戴设备的应用。
通过采用3D集成电路设计和先进的封装技术,我们成功地将电路板面积缩小了30%,同时保持了电路的性能和可靠性。
3. 信号处理与噪声抑制在信号处理方面,我们开发了一种新型的噪声抑制算法,能够有效地减少模拟信号中的噪声成分。
通过在电路中集成该算法,我们实现了信号对噪声比(SNR)的显著提升,从而改善了数据传输的质量和准确性。
4. 电路的可靠性与寿命测试为了确保电路的长期稳定性,我们对新设计的电路进行了一系列的可靠性和寿命测试。
通过高温、高湿和连续工作等极端条件下的测试,我们验证了电路设计的稳健性,并提出了改进措施以延长电路的使用寿命。
5. 应用案例分析最后,我们通过几个应用案例来展示新电路技术的实际效果。
包括在智能家居系统中的能源管理、移动通信设备中的信号增强以及医疗设备中的精确监测等场景,新电路技术都展现出了显著的优势。
总结而言,本次实验不仅推动了电路设计领域的技术进步,也为未来的电子产品提供了更高效、更紧凑、更可靠的电路解决方案。
我们期待这些研究成果能够促进相关产业的发展,并为用户带来更好的产品体验。
电力电子实验报告一、实验目的本实验旨在通过搭建电力电子电路和测量电路参数,深入理解电力电子的基本原理和应用。
二、实验装置与仪器1. 稳压直流电源2. 功率电子器件(如二极管、晶闸管、MOS管等)3. 示波器4. 变压器5. 整流电路、逆变电路等电力电子实验电路板6. 电阻、电容、电感等元件7. 其他必要的实验器材和配件三、实验内容1. 实验一:整流器的实验a. 搭建并测量单相半波和全波整流电路的输出电压波形、输出电压和电流的平均值、有效值等参数。
b. 分析和比较两种整流电路的性能差异,并讨论其应用特点和限制。
2. 实验二:逆变器的实验a. 搭建并测量单相半桥和全桥逆变电路的输出电压波形、输出电压和电流的平均值、有效值等参数。
b. 分析和比较两种逆变电路的性能差异,并讨论其应用特点和限制。
3. 实验三:电力电子开关功率调节实验a. 搭建开关转换器或斩波电路实验电路,测量不同调节方式下的输出电压、电流和效率等参数。
b. 讨论开关功率调节的优缺点,以及不同调节方式的适用场景。
4. 实验四:PWM调制电路的实验a. 搭建简单的PWM调制电路,测量输出电压的调节范围、带宽等参数。
b. 分析PWM调制电路的工作原理和调节性能,探讨其在电力电子中的应用前景。
5. 实验五:电力电子控制系统的实验a. 搭建基于微控制器的电力电子控制系统,实现对某一电力电子器件的自动控制。
b. 测试并分析控制系统的稳定性、响应速度等性能指标,并讨论控制系统的设计考虑因素。
四、实验步骤与结果根据实验内容,按照以下步骤进行实验并记录实验结果:1. 记录实验所使用的电路和元件的连接方式和参数设置。
2. 使用示波器等仪器测量电路各个节点的电压和电流,并记录数据。
3. 分析实验结果,计算输出电压的平均值、有效值、波形畸变率等参数。
4. 对比实验数据,进行数据处理和性能比较。
5. 撰写实验结果报告并进行讨论。
五、实验结果分析根据实验结果,对各个实验内容进行数据分析和讨论,包括:1. 整流电路的性能比较:比较半波和全波整流电路的输出电压波形、平均值、有效值等参数,分析其差异和应用场景。
数字电路实验基础数字电路是现代电子技术的重要组成部分,通过运用一系列逻辑门和触发器等基本数字元件,能够完成数字信号的处理和控制。
数字电路实验是培养学生的实际动手能力和对数字电路原理的理解的重要环节。
本文将介绍数字电路实验的基础知识和实验过程。
一、实验目的数字电路实验的目的是通过实际动手操作,让学生掌握数字电路的基本理论知识,培养学生的实际应用能力和创新思维,提高学生解决问题的能力。
二、实验原理1. 二进制系统数字电路采用二进制系统进行计算和控制。
二进制系统使用两个数码0和1表示数值,是一种离散的数学方法。
在实验中,学生需掌握二进制数的加减乘除运算,以及二进制数与十进制数之间的相互转换。
2. 逻辑门逻辑门是数字电路的基本组成元件,根据输入信号的不同,会产生特定的输出信号。
常见的逻辑门有与门、或门、非门、与非门等。
实验中,学生需要熟悉各种逻辑门的真值表和逻辑关系,能够正确地连接逻辑门,并观察输出信号的变化。
3. 组合逻辑电路组合逻辑电路是由逻辑门组合而成的电路,其输出信号仅取决于当前输入信号的组合。
在实验中,学生需要根据给定的逻辑表达式或真值表,搭建相应的组合逻辑电路,并验证电路的正确性。
4. 时序逻辑电路时序逻辑电路是由触发器和组合逻辑电路组成的,其输出信号不仅取决于当前输入信号的组合,还受到前一时刻的状态影响。
在实验中,学生需要学习各种类型的触发器的工作原理,能够正确地使用触发器搭建时序逻辑电路。
三、实验步骤1. 硬件准备在进行数字电路实验前,需要准备实验箱、电源、逻辑门和触发器等实验器材。
确保实验器材的正常工作状态和连接正确。
2. 实验设计根据实验要求,设计数字电路的逻辑表达式或真值表。
绘制电路原理图,确定所需逻辑门和触发器的种类和数量。
3. 搭建电路根据电路原理图,依次连接逻辑门和触发器。
注意连接电路时的引脚和极性,确保电路的正确连接。
4. 电路验证给定输入信号,观察输出信号的变化。
与预期的输出进行对比,验证电路的正确性。
直流稳压电源实验报告模拟电子技术实验报告:直流稳压电源实验一、实验目的:1.理解直流稳压电源的原理;2.掌握直流稳压电源的各部分组成和功能;3.学会使用电源模块搭建直流稳压电源的方法;4.掌握使用示波器测量电源输出波形的方法。
二、实验原理:变压器:将交流电的电压变换为合适的低压交流电;整流电路:通过二极管等元件将交流电转换为纯直流电;滤波电路:通过电容等元件对整流电路输出的脉动电压进行滤波,得到相对稳定的直流电;稳压器:对滤波后的直流电进行稳压控制,使输出电压可以稳定在设定值。
三、实验器材:示波器、直流稳压电源模块、电阻箱、电表等。
四、实验步骤:1.将直流稳压电源模块通过插座连接到交流电源;2.调节直流稳压电源模块的输出电压为所需值;3.使用示波器测量稳压电源的输出电压波形;4.在负载端接入适当的电阻,并测量输出电压随负载变化的情况;5.调节直流稳压电源模块的输出电压,并观察输出波形的变化情况。
五、实验结果与分析:1.实验测量得到的直流稳压电源输出电压波形如下所示(示波器截图插入);2.在不同负载下,测量得到的输出电压如下表所示:负载电阻(Ω)输出电压(V)----------------------------------------105.00224.95334.90474.85684.80由上表可知,直流稳压电源能够在负载变化时保持输出电压稳定,且稳定性较好。
六、实验总结:通过本次实验,我深刻理解了直流稳压电源的原理和各部分组成,并学会了使用直流稳压电源模块搭建直流稳压电源的方法。
通过测量输出波形和输出电压随负载变化的情况,我发现直流稳压电源具有较好的稳定性和负载适应性。
在今后的实际应用中,直流稳压电源将有广泛的应用价值。
现代电源技术教学大纲一、课程简介本课程是关于现代电源技术的教学大纲。
本课程旨在向学生传授现代电源技术的基本理论和实践知识,包括电源设计方法、功率转换技术、电源管理技术、开关电源技术、线性电源技术、交流电源技术等内容。
通过本课程的学习,学生将能够掌握现代电源技术的基本概念、原理和方法,能够独立进行电源的设计和应用。
二、课程目标1. 理解电源的基本原理和电源设计的基本流程。
2. 熟悉各种类型的电源,并了解各种电源的特点和应用。
3. 掌握功率转换技术、电源管理技术、开关电源技术、线性电源技术、交流电源技术等技术。
4. 能够独立进行电源的设计和应用。
5. 培养学生创新意识和团队合作精神,具有良好的职业道德和实验守则意识。
三、课程大纲第一章电源基础知识1.1 电源概述1.2 电源的基本特性1.3 电源分类1.4 电源设计的基本流程第二章功率转换技术2.1 变压器基础知识2.2 开关电源工作原理2.3 开关电源设计基本原则2.4 均衡磁联机构设计与应用第三章电源管理技术3.1 电源管理技术概述3.2 电源管理电路的设计3.3 电源管理芯片的应用第七章现代电源技术应用7.1 电源在通讯、医疗、工业等领域的应用7.2 电源技术在新能源领域的应用7.3 电源技术在智能家居、物联网等领域的应用四、教学方法1. 讲授内容通过讲授课程内容,传达电源技术的基本理论和实际应用经验。
2. 实验教学通过设计和实现电源的实验,让学生掌握电源技术的应用技能。
3. 项目实践组织学生分组进行电源项目的设计、开发和实现,培养学生的团队合作精神和实践能力。
4. 网络教学采用网络教学平台,提供教学课件和多媒体资源,方便师生交流和学习。
五、考核办法本课程的考核主要以实验、课堂考试和课程设计为主要内容,占总评成绩的60%;平时表现、课堂作业和互动讨论为其余40%。
要求课堂考试成绩在60分以上,其他各环节达到规定要求。
高中物理电源实验讲解教案实验目的:通过本实验,学生能够了解并掌握电源的工作原理和使用方法。
实验器材:电源、导线、灯泡、开关、电阻等实验步骤:1. 将电源插头插入电源插座,打开电源开关,待指示灯点亮后表示电源已经通电。
2. 将一根导线的一端连接到电源的正极,另一端连接到灯泡的一端。
3. 将另一根导线的一端连接到电源的负极,另一端连接到灯泡的另一端。
4. 按下开关,观察灯泡是否发光。
5. 可以通过调节电源的电压和电阻的大小,来改变灯泡的亮度和功率。
实验原理:电源是一种将机械能、化学能或其他形式的能量转化为电能的装置。
在电路中,电源将电荷移动起来,产生电流,从而驱动电器件工作。
实验注意事项:1. 谨慎使用电源,避免发生电路短路或其他危险事故。
2. 在操作过程中,保持手部干燥,避免触及电源的金属部分。
3. 实验结束后,将电源开关关闭,并拔出电源插头,以确保安全。
实验结果:通过实验,学生可以观察到灯泡的发光情况,并了解到不同电压和电阻对灯泡功率的影响。
实验延伸:学生可以尝试用不同的电阻和灯泡进行实验,观察不同条件下灯泡的亮度和功率变化。
也可以尝试使用串联和并联电路,探究电路中电流和电压的关系。
教师引导问题:1. 你知道电源是如何将其他形式的能量转化为电能的吗?2. 电路中的电流是怎么形成的?3. 如何利用电阻和电压来控制电路中电器件的工作状态?参考答案:1. 电源通过内部的转换机制,将其他形式的能量转化为电能,然后输出给电路中的器件使用。
2. 电路中的电流是电荷的流动,当电路中存在电压时,导致了电荷的移动形成电流。
3. 调节电源的电压和电阻的大小,可以控制电路中的电流大小,从而控制电器件的工作状态。
电源供电实验技术使用注意事项总结电源供电是电子实验中不可或缺的一环,正确的供电技术使用能够保障实验的准确性、稳定性和安全性。
然而,许多人在进行电源供电实验时常常忽略了一些关键的注意事项,导致实验结果不准确或者出现安全隐患。
本文将总结一些电源供电实验技术使用的注意事项,帮助读者更好地进行实验。
1. 选择合适的电源在进行电源供电实验之前,首先需要选择合适的电源。
不同实验可能需要不同的电源电压和电流。
因此,在选择电源时应仔细阅读实验手册或说明书,确保选用的电源能够满足实验要求。
此外,还需要注意电源的稳定性和可靠性,以避免因电源不稳定而影响实验结果或损坏实验设备。
2. 确保电源地线连接正确在连接电源时,务必确保电源地线连接正确。
电源地线通常为绿色或黄绿色,在连接时应与设备的地线相连接。
正确连接电源地线能够有效地减少电源噪声和干扰,提高实验的信号质量和准确性。
3. 注意电源的输出电压和电流设置在进行电源供电实验时,需要根据实验要求设置合适的电源输出电压和电流。
输出电压和电流设置过高可能会导致实验设备的损坏,设置过低又不能满足实验需求。
因此,在设置输出电压和电流时,应先了解实验设备的额定电压和电流要求,并根据实际情况进行调整。
4. 注意电源的稳定性和纹波电源的稳定性和纹波对实验结果有着重要的影响。
稳定性指的是电源输出的稳定程度,纹波则是指输出电压或电流中存在的交流波动。
在进行对精度要求较高的实验时,需要选择稳定性和纹波较小的电源。
此外,还可以采用滤波技术来减小纹波的干扰,提高实验的准确性。
5. 注意电源线的长度和材质电源线的长度和材质也会对实验结果产生影响。
电源线过长会导致线路阻抗增加,从而影响电源输出的稳定性和准确性。
因此,应尽量选择合适长度的电源线,并采用优质的导电材料,以确保电源供电的稳定性和可靠性。
6. 避免过载和短路在进行电源供电实验时,应避免过载和短路。
过载可能导致电源烧毁或设备损坏,短路则可能引发火灾或电击事故。
实验一反激式电流控制开关稳压电源一、实验目的(1)了解单管反激式开关电源的主电路结构、工作原理。
(2)测试工作波形,了解电流控制原理。
二、实验所需挂件及附件序号型号备注1 DJK01 电源控制屏该控制屏包含“三相电源输出”等几个模块。
2 DJK09 单相调压与可调负载3 DJK23 单端反激式隔离开关电源4 双踪示波器自备5 万用表自备三、实验线路及原理单管反激式开关电源原理电路如图4-10所示。
图4-10 单管反激式开关电源原理图交流输入经二极管整流后的直流电压U dc经变压器初级绕加到功率三极管Q1之C极,同时经电阻R9、R10加到Q1之b极使Q1开通。
Udc电压加到变压器初级使磁通逐渐上升,初级电流也线性增大,变压器反馈绕组3-4上的感应电势的极性使Q1的b-e之间正向偏置增大,使Q1完全饱和导通,这是一个正反馈自激过程。
Q1饱和导通之后变压器初级承受Udc电压,变压器磁路中的磁通Φ正比于U dc*t中的伏秒积分,t是Q1开通的时间长度。
在变压器磁通达到饱和值之前,Φ是线性增长,Q1中的电流是线性增长。
为了保证Q1中的电流不超过其元件最大值,因此必须将此电流在适当的时候进行切断,这个电流峰值的控制由三极管Q2实现。
当R7中的电流大到一定允许值Q2导通,强迫将Q1之b极变为零电平,使Q1关断,而Q2的通断受三极管Q4的通断来控制;而Q4的通断由三极管Q3和4N35中的三极管的导通情况来决定。
Q3的通断由来自电流C端R反馈采样电阻R 7上的电压来控制。
当R 7上的电流大到一定值,使Q 3的b-e 极正偏加大,使Q 3导通。
本线路对 5V 直流输出电压有自动稳压调节功能,当负载减小5V 输出电压增大时,输出电压的采样电阻分压后加到TL431的R 端的电压增大。
由TL431的作用原理可知其C 端电压会自动下降,结果造成4N35的二极管中电流增大,从而使4N35的三极管的等效内阻减小,结果使Q 4提前导通最终使Q 1提前关断,即负载减小时Q 1的开通/关断占空比减小,这从Q 1-e 极的波形可以明显看到。
当输入交流电压减小,Udc 下降时,Q 1导通后变压器中的磁通上升速率减小,结果Q 1的开断周期延长。
开关频率下降,例如从180V AC 输入时的62KHz 下降到100V AC 输入时的44.8KHz 。
当Q 1中的电流被切断之后,变压器电感贮能释放,磁通下降,变压器副边绕组的感应电势经整流滤波后输出。
这就是一般反激式(Fly back )的原理。
TL431的原理框图如下:的原理图C 3R 5D 1R 8为缓冲电路,减小Q 1关断时Q 1管c-e 极的电压。
四、实验内容(1)电路波形的测试。
(2)输入电压变化时主电路波形的测试。
(3)输出负债电流变化时主电路波形的测试。
(4)开关电源稳压特性的测试。
五、思考题(1) 什么叫反激式开关电源,它与正激式有何区别? (2)什么叫自激式与他激式开关电源?(3)变压器的磁路在制作时为什么必须留有气隙? (4)开关管的选择原则是什么? 六、实验方法 (1)系统接线:①将DJK09的交流调压输出接至DJK23的交流输入端。
②将DJK09上的两个电阻并接成可调负载电阻。
(2)波形观察①接入DJK09单相自藕调压器的220V 交流电源,并开启DJK01控制屏的电源开关。
②调节DJK09的交流输出为180V ,并调节DJK09上的负载电阻,使DJK23上5V 直流输出的电流为2A 。
③用示波器观测电路相应各点的波形。
Q 1的e 极(即电流采样电阻R 7两端)的波形 三极管Q 1的b 级波形变压器反馈绕组3-4端的电压波形 三极管Q 2的b 级波形 三极管Q 3的b 级波形三极管Q3的C级波形开关频率与占空比的测定并记录数据④改变交流输入电压为100V,负载不变,重复步骤③。
⑤令5V直流输出负载电流为0.3A,交流输入为180V,重复步骤③。
(3)开关电源稳压特性的测试①保持负载不变(5V、2A;±12V,0.5A),改变DJK23的交流输入电压,从70V~250V,测定5V和12V直流输出电压的变化及纹波系数。
②保持DJK23交流输入电压不变,改变负载从(5V,0.15A~2.6A;±12V,0.15~0.5A),测定5V和12V直流输出电压的变化及纹波系数。
七、实验报告(1)整理典型情况下的各点波形。
(2)说明电流控制原理。
(3)分析5V直流输出负载变化时输出电压不变的原理?(4)当12V直流输出的负载改变时,输出12V电压能够保持不变吗?为什么?(5)分析交流输入电压改变时,5V直流输出电压保持不变的原理?八、注意事项(1)交流输入电压必须大于60V,小于250V。
(2)用示波器观察电路波形时,必须要注意共地问题。
(3)+5V的最大负载电流为5A,±12V的最大负载电流为1A。
实验二 PS-ZVS-PWM软开关技术实验一、实验目的(1)熟悉移相控制零电压开关PWM(PS-ZVS-PWM)的结构与工作原理。
(2)了解全桥软开关电源移相PWM控制芯片的使用方法和工作原理。
三、实验线路及原理RL图4-31 实验线路图实验线路主要有控制电路、驱动电路、移相控制零电压开关PWM (PS-ZVS-PWM)变换器和稳压反馈电路组成。
1、PS-ZVS-PWM变换器简介PS-ZVS-PWM变换器利用变压器的漏感或原边串联电感和功率管的寄生电容或外接电容来实现零电压开关,它的电路结构及主要波形如图4-32所示。
图4-32 主电路结构和主要波形其中,D 1∽D 4分别是Q 1∽Q 4的内部寄生二极管,C 1∽C 4分别是Q 1∽Q 4的寄生电容或外接电容。
L r 是谐振电感,它包括了变压器的漏感。
每个桥臂的两个功率管(Q 1、Q 3和Q 4、Q 2)成180°互补导通,两个桥臂的导通角相差一个相位,即移相角,通过调节移相角的大小来调节输出电压。
Q 1和Q 3分别超前于Q 4和Q 2一个相位,称Q 1和Q 3组成的桥臂为超前桥臂,Q 4和Q 2组成的桥臂为滞后桥臂。
在一个开关周期中,PS-ZVS-PWM 全桥变换器有12种开关状态。
假设: ①所有元器件均为理想器件; ②C 1=C 3=C lead ,C 2=C 4=C lag ;③L f 》L r /K 2,K 是变压器原副边匝比, L f 为输出电感。
图4-33到图4-39给出了该变换器在不同开关状态下的等效电路。
各开关状态的工作情况描述如下。
(1)开关模态0在t 0时刻,对应于图4-33。
Q 1和Q 4导通。
原边电流由电源正经Q 1、变压器原边绕组、谐振电感L r 以及Q 4,最后回到电源负。
副边电流回路由副边绕组L s1的正端,经整流管DR1、输出滤波电感L f 、输出滤波电容C f 与负载R L ,回到L s1的负端。
(2) 开关模态1[t 0∽t 1],对应于图4-34。
在t 0时刻关断Q 1,原边电流从Q 1中转移到C 3和C 1支路中,C 1充电,C 3放电。
由于C 1的存在,Q 1是零电压关断。
在这个时段里,谐振电感L r 和滤波电感L f 是串联的,而且L f 很大,因此可以认为原边电流i p 近似不变,类似于一个恒流源。
R LdQ1Q2Q3Q4Q1Q4012345678910111213t t t t t t t t t t t t t t i PV AB 0V rectV INI 2V INV /K INI 1QttttR L在t 1时刻,C 3的电压下降到零,Q 3的反并二极管D 3自然导通,从而结束开关模态1。
图4-34 开关模态1(3)开关模态2[t 1∽t 2],对应于图4-35。
D 3导通后,开通Q 3。
虽然这时候Q 3被开通,但并没有电流流过,原边电流由D 3流通。
由于是在D 3导通时开通Q 3,所以Q 3是零电压开通。
Q 3&Q 1驱动信号之间的死区时间t d(lead)>t o1。
在这段时间里,原边电流等于折算到原边的滤波电感电流。
在t 2时刻,原边电流下降到I 2。
图4-35 开关模态2(4)开关模态3[t 2∽t 3],对应于图4-36。
在t 2时刻,关断Q 4,原边电流i p 由C 2和C 4两条路径提供,也就是说,原边电流i p 用来抽走C 2上的电荷,同时又给C 4充电。
由于C 4的存在,Q 4是零电压关断。
此时,V AB =-V C4, V AB 的极性自零变为负,变压器副边绕组电势下正上负,整流二极管DR2导通,副边绕组L s2中开始流过电流。
整流管DR1和DR2同时导通,将变压器副边绕组短接,这样变压器副边绕组电压为零,原边绕组电压也为零,V AB 直接加在谐振电感L r 上。
因此在这段时间里实际上谐振电感和C 2 、C 4在谐振工作。
R LR L图4-36 开关模态3在t 3时刻,当C 4的电压上升到V IN ,D 2自然导通,结束这一开关模态。
(5)开关模态4[t 3∽t 4],对应于图4-37。
在t 3时刻,D 2自然导通,将Q 2的电压箝位在零电位,此时就可以开通Q 2,Q 2是零电压开通。
Q 2&Q 4驱动信号之间的死区时间t d(lag)>t 23,虽然此时Q 2已开通,但Q 2不流过电流,原边电流由D 2流通。
原边谐振电感的储能回馈给输入电源。
由于副边两个整流管同时导通,因此变压器副边绕组电压为零,原边绕组电压也为零,这样电源电压V IN 加在谐振电感两端,原边电流线性下降。
图4-37 开关模态4到t 4时刻,原边电流从I p (t 3)下降到零,二极管D 2和D 3自然关断,Q 2和Q 3中将流过电流。
(6)开关模态5[t 4∽t 5],对应于图4-38。
在t 4时刻,原边电流由正值过零,并且向负方向增加,此时Q 2和Q 3为原边电流提供通路。
由于原边电流仍不足以提供负载电流,负载电流仍由两个整流管提供回路,因此原边绕组电压仍然为零,加在谐振电感两端的电压为电源电压V IN ,原边电流反向增加。
到t 5时刻,原边电流达到折算到原边负载电流-I Lf (t 5)/K 值,该开关模态结束。
此时,整流管DR1关断,DR2流过全部负载电流。
R LR L图4-38 开关模态5(7)开关模态6[t 5∽t 6],对应于图4-39,在这段时间里,电源给负载供电。
在t 6时刻,Q 3关断,变换器开始另一半个周期的工作,其工作情况类似于上述的半个周期。
图4-39 开关模态62、UCC3895简介图4-40 UCC3895引脚排列图Q1Q3TRC1C3R D1D3Q2Q4C2C4D2D4LrDR1DR2L C ffLLs1Ls2V INi PABQ1Q3TRC1C3R D1D3Q2Q4C2C4D2D4LrDR1DR2L C ffLLs1Ls2V INi PAB图4-41 UCC3895内部功能框图UCC3895的各引脚功能(引脚排列见图4-40)ADS :自适应延迟时间设置端。