双氧水(过氧化氢)危险化学品安全周知卡
- 格式:pdf
- 大小:97.97 KB
- 文档页数:1
双氧水安全技术周知卡一:成分/组成信息化学品名称:过氧化氢化学品英文名称:hydrogen peroxide化学品俗称:双氧水CAS No.:7722-84-1 分子式:H2O2 分子量:34.01有害物成分含量:过氧化氢,27.5% 35% CAS No.:7722-84-1二:危险性概述危险性类别:强氧化性、有腐蚀性侵入途径:食入、皮肤接触健康危害:吸入本品蒸气或雾对呼吸道有强烈刺激性。
眼直接接触液体可致不可逆损伤甚至失明。
口服中毒出现腹痛、胸口痛、呼吸困难、呕吐、一时性运动和感觉障碍、体温升高等。
个别病例出现视力障碍、癫痫样痉挛、轻瘫。
长期接触本品可致接触性皮炎。
燃爆危险:本品助燃,具强刺激性。
环境危害:无三:急救措施皮肤接触:脱去污染的衣着,用大量流动清水冲洗。
眼睛接触:立即提起眼睑,用大量流动清水或生理盐水彻底冲洗至少15 分钟。
就医。
吸入:迅速脱离现场至空气新鲜处。
保持呼吸道通畅。
如呼吸困难,给输氧。
如呼吸停止,立即进行人工呼吸。
就医。
食入:饮足量温水,催吐。
就医。
四:消防措施危险特性:爆炸性强氧化剂。
过氧化氢本身不燃,但能与可燃物反应放出大量热量和氧气而引起着火爆炸。
过氧化氢在pH 值为3.5~4.5 时最稳定,在碱性溶液中极易分解,在遇强光,特别是短波射线照射时也能发生分解。
当加热到100℃以上时,开始急剧分解。
它与许多有机物如糖、淀粉、醇类、石油产品等形成爆炸性混合物,在撞击、受热或电火花作用下能发生爆炸。
过氧化氢与许多无机化合物或杂质接触后会迅速分解而导致爆炸,放出大量的热量、氧和水蒸气。
大多数重金属(如铁、铜、银、铅、汞、锌、钴、镍、铬、锰等)及其氧化物和盐类都是活性催化剂,尘土、香烟灰、碳粉、铁锈等也能加速分解。
浓度超过74%的过氧化氢,在具有适当的点火源或温度的密闭容器中,能产生气相爆炸。
有害燃烧产物:本身不燃烧,分解助燃。
灭火方法:消防人员必须穿全身防火防毒服,在上风向灭火。
双氧水安全技术周知卡一:成分/组成信息化学品名称:过氧化氢化学品英文名称:hydrogen peroxide化学品俗称:双氧水CAS No.:7722-84-1 分子式:H2O2 分子量:34.01有害物成分含量:过氧化氢,27.5% 35% CAS No.:7722-84-1二:危险性概述危险性类别:强氧化性、有腐蚀性侵入途径:食入、皮肤接触健康危害:吸入本品蒸气或雾对呼吸道有强烈刺激性。
眼直接接触液体可致不可逆损伤甚至失明。
口服中毒出现腹痛、胸口痛、呼吸困难、呕吐、一时性运动和感觉障碍、体温升高等。
个别病例出现视力障碍、癫痫样痉挛、轻瘫。
长期接触本品可致接触性皮炎。
燃爆危险:本品助燃,具强刺激性。
环境危害:无三:急救措施皮肤接触:脱去污染的衣着,用大量流动清水冲洗。
眼睛接触:立即提起眼睑,用大量流动清水或生理盐水彻底冲洗至少15 分钟。
就医。
吸入:迅速脱离现场至空气新鲜处。
保持呼吸道通畅。
如呼吸困难,给输氧。
如呼吸停止,立即进行人工呼吸。
就医。
食入:饮足量温水,催吐。
就医。
四:消防措施危险特性:爆炸性强氧化剂。
过氧化氢本身不燃,但能与可燃物反应放出大量热量和氧气而引起着火爆炸。
过氧化氢在pH 值为3.5~4.5 时最稳定,在碱性溶液中极易分解,在遇强光,特别是短波射线照射时也能发生分解。
当加热到100℃以上时,开始急剧分解。
它与许多有机物如糖、淀粉、醇类、石油产品等形成爆炸性混合物,在撞击、受热或电火花作用下能发生爆炸。
过氧化氢与许多无机化合物或杂质接触后会迅速分解而导致爆炸,放出大量的热量、氧和水蒸气。
大多数重金属(如铁、铜、银、铅、汞、锌、钴、镍、铬、锰等)及其氧化物和盐类都是活性催化剂,尘土、香烟灰、碳粉、铁锈等也能加速分解。
浓度超过74%的过氧化氢,在具有适当的点火源或温度的密闭容器中,能产生气相爆炸。
有害燃烧产物:本身不燃烧,分解助燃。
灭火方法:消防人员必须穿全身防火防毒服,在上风向灭火。
危险化学品安全周知卡(氧化剂)
定义和特点
- 氧化剂是指能够与其他物质发生氧化反应,促使其他物质失去电子或增加氧原子的物质。
- 氧化剂常见的特点包括易燃、易爆和具有强氧化性。
使用注意事项
- 使用氧化剂时,必须佩戴个人防护装备,如防护眼镜、手套和防护服等。
- 氧化剂应与易燃物、可燃物、还原剂等分开储存,在储存过程中要注意防止摩擦、碰撞和高温等因素。
- 在使用氧化剂时,要保持通风良好的工作环境,并避免与其他物质混合使用。
- 不得将氧化剂接触皮肤、眼睛和呼吸道,避免吸入氧化剂的气体或粉尘。
应急措施
- 如氧化剂泄漏,应立即远离泄漏地点,并采取适当的措施,如使用防护服、呼吸器和防护眼镜等。
- 在氧化剂泄漏事故中,如有人员受伤,应立即拨打急救电话,并进行相应的急救措施。
以上是关于危险化学品安全周知卡(氧化剂)的重要信息,希望
能够加强人们对氧化剂使用的安全认知,避免事故的发生。
> 注意:本文档所提供的内容仅供参考,使用者在使用危险化
学品时应遵守相关法律法规和安全操作规程,并根据具体情况进行
合理的判断和决策。
过氧化氢(双氧水)化学品安全技术说明书
第二部分:成分/组成信息
有害物成分含量CAS No. 过氧化氢35% 7722-84-1
第六部分:泄漏应急处理
应急处理:迅速撤离泄漏污染区人员至安全区,并进行隔离,严格限制出入。
建议应急处理
人员戴自给正压式呼吸器,穿防毒服。
尽可能切断泄漏源。
防止流入下水道、排
洪沟等限制性空间。
小量泄漏:用砂土、蛭石或其它惰性材料吸收。
也可以用大
量水冲洗,洗水稀释后放入废水系统。
大量泄漏:构筑围堤或挖坑收容。
喷雾状
水冷却和稀释蒸汽、保护现场人员、把泄漏物稀释成不燃物。
用泵转移至槽车或
专用收集器内,回收或运至废物处理场所处置。
危险化学品危害安全告知卡:过氧化氢过氧化氢(H2O2)UN NO.2015危险性类别CN NO. 51001 腐蚀性、氧化性熔点(℃):-0.89℃(无水)沸点(℃):152.1℃(无水)相对密度(水=1):1.46(无水)●是强氧化剂并具有腐蚀性,在碱性液,本身不燃烧,但能与可燃物反应放出大量热量和气氛而引起着火爆炸。
遇强光、受热与许多无机化合物或杂质等存在条件下易加速分解,甚至爆炸,与许多有机物接触易形成爆炸性混合物。
●吸入该品蒸气或雾对呼吸道有强烈刺激性。
眼直接接触液体可致不可逆损伤甚至失明。
口服中毒出现腹痛、胸口痛、呼吸困难、呕吐、一时性运动和感觉障碍、体温升高等。
个别病例出现视力障碍、癫痫样痉挛、轻瘫。
●储存于阴凉、干燥、通风处。
●应与易燃、可燃物,碱类、金属粉末等分开存放。
不可混储混运。
●搬运时要轻装轻卸,防止包装及容器损坏。
●分装和搬运作业要注意个人防护。
运输按规定路线行驶,勿在居民区和人口稠密区停留。
●用大量水、雾状水、干粉、砂土灭火剂闷熄。
●疏迅速撤离泄漏污染人员至安全区,并进行隔离,严格限制出入。
建议应急处理人员戴自给正压式呼吸器,穿防酸碱工作服。
●尽可能切断泄漏源,防止进入下水道、排洪沟等限制性空间。
●喷水雾能减少蒸发但不要使水进入储存容器内。
小量泄漏:用砂土、蛭石或其它惰性材料吸收。
也可以用大量水冲洗,洗水稀释后放入废水系统。
大量泄漏:构筑围堤或挖坑收容;喷雾状水冷却和稀释蒸汽、保护现场人员、把泄漏物稀释成不燃物。
用泵转移至槽车或专用收集器内,回收或到家至废物处理场所处置。
●皮肤接触:脱去被污染的衣着,用大量流动清水冲洗。
●眼睛接触:立即提起眼睑,用大量流动清水或生理盐水彻底冲洗至少15分钟。
就医。
●吸入:迅速脱离现场至空气新鲜处。
保持呼吸道通畅。
如呼吸困难,给输氧。
如呼吸停止,立即进行人工呼吸。
就医。
●食入:饮足量温水,催吐,就医。
危险性储运要求泄漏处置急救灭火方法接触后症状防护措施。
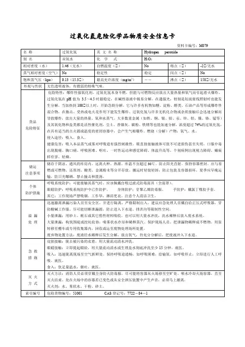
精品文档.危险化学品安全周知卡危险性类别强氧化性、腐蚀性、品名、英文名及分子式、CC码及CAS号双氧水(过氧化氢)Hydrogen peroxideH2O2CAS号:7722-84-1危险性标志危险性理化数据主要成分:工业级分为27.5%、35%两种。
外观与性状:无色透明液体,有微弱的特殊气味。
熔点(℃):-2(无水) 沸点(℃):158(无水)相对密度(水=1): 1.46(无水)溶解性:溶于水、醇、醚,不溶于苯、石油醚。
危险特性爆炸性强氧化剂。
本身不燃,但能与可燃物反应放出大量热量和氧气而引起着火爆炸。
与许多有机物如糖、淀粉、醇类、石油产品等形成爆炸性混合物,在撞击、受热或电火花作用下能发生爆炸。
过氧化氢与许多无机化合物或杂质接触后会迅速分解而导致爆炸,放出大量的热量、氧和水蒸气。
浓度超过74%的过氧化氢,在具有适当的点火源或温度的密闭容器中,能产生气相爆炸。
接触后表现吸入本品蒸气或雾对呼吸道有强烈刺激性。
眼直接接触液体可致不可逆损伤甚至失明。
口服中毒出现腹痛、胸口痛、呼吸困难、呕吐、一时性运动和感觉障碍、体温升高等。
个别病例出现视力障碍、癫痫样痉挛、轻瘫。
长期接触本品可致接触性皮炎。
现场急救措施皮肤接触:脱去污染的衣着,用大量流动清水冲洗。
眼睛接触:立即提起眼睑,用大量流动清水或生理盐水彻底冲洗至少15分钟。
就医。
吸入:迅速脱离现场至空气新鲜处。
保持呼吸道通畅。
如呼吸困难,给输氧。
如呼吸停止,立即进行人工呼吸。
就医。
食入:饮足量温水,催吐。
就医。
身体防护措施泄漏处理措施应急处理:迅速撤离泄漏污染区人员至安全区,并进行隔离,严格限制出入。
建议应急处理人员戴自给正压式呼吸器,穿防毒服。
尽可能切断泄漏源。
防止流入下水道、排洪沟等限制性空间。
小量泄漏:用砂土、蛭石或其它惰性材料吸收。
也可以用大量水冲洗,洗水稀释后放入废水系统。
大量泄漏:构筑围堤或挖坑收容。
喷雾状水冷却和稀释蒸汽、保护现场人员、把泄漏物稀释成不燃物。
双氧水CAS :7722-84-1 危险货物编号51001氧化剂●熔点:-0.89℃●相对密度(水=1):1.46●溶解性:溶于水、醇、醚,不溶于苯、石油醚。
吸入该品蒸气或雾对呼吸道有强烈刺激性。
眼直接接触液体可致不可逆损伤甚至失明。
口服中毒出现腹痛、胸口痛、呼吸困难、呕吐、一时性运动和感觉障碍、体温升高等。
个别病例出现视力障碍、癫痫样痉挛、轻瘫●皮肤接触:立即脱去污染的衣着,用2%硼酸溶液或大量水冲洗,就医。
●眼睛接触:立即提起眼险,用大量流动清水或生理盐水彻底冲洗至少15分钟,就医。
●吸入:迅速脱离现场至空气新鲜处,就医。
●食入:用水漱口,给饮牛奶或蛋青,就医。
●危险特性:爆炸性强氧化剂。
本身不燃,但能与可燃物反应放出大量热量和氧气而引起着火爆炸。
●灭火方法:必须穿全身防火防毒服,在上风向灭火。
●灭火剂:雾状水、抗溶性泡沫、二氧化碳、砂土。
●提供安全淋浴和洗眼设备。
操作人员必须经过专门培训,严格遵守操作规程。
工作现场禁止吸烟、进食和饮水。
工作完毕,淋浴更衣。
单独存放被毒物污染的衣服,洗后备用。
保持良好的卫生习惯。
●小量泄漏:用砂土、蛭石或其它惰性材料吸收。
也可以用大量水冲洗,洗水稀释后放入废水系统。
大量泄漏:构筑围堤或挖坑收容;喷雾状水冷却和稀释蒸汽、保护现场人员、把泄漏物稀释成不燃物。
用泵转移至槽车或专用收集器内,回收至废物处理场所处置防护措施应急办:xxx急救:120 火警:119健康危害危 险理化特性急救措施危险特性泄漏处置操作注意事项氢氧化钠CAS :7732-18-5 危险货物编号82001有毒物品●熔点:13℃●相对密度(水=1):1.53 ●溶解性:与水任意比互溶。
●操作人员必须经过专门培训,严格遵守操作规程,操作人员佩戴防护面罩及耐酸碱手套。
●皮肤接触:立即用水冲洗至少15分钟,若有灼伤,就医治疗。
●眼睛接触:立即提起眼睑,用流动清水或生理盐水冲洗至少15分钟,或用3%硼酸溶液冲洗,就医。