管道风速计算表格
- 格式:xls
- 大小:24.50 KB
- 文档页数:3
镀锌板风管摩擦阻力表室风管风速选择表1、低速风管系统的推荐和最大流速m/s2、低速风管系统的最大允许速m/s注:民用住宅≤35dB(A),商务办公≤45dB(A)。
四、室风口风速选择表1、送风口风速m/s2、以噪音标准控制的允许送风流速4、送风口之最大允许流速m/s5、回风口风速6、回风格栅的推荐流速m/s百叶窗的推荐流速m/s8、逗留区流速与人体感觉的关系9、顶棚散流器送风量10、侧送风口送风量五、通风系统设计1、送风口布置间距回风口应根据具体情况布置一般原则:(1)人不经常停留的地方; (2)房间的边和角; (3)有利于气流的组织。
2、标准型号风盘所接散流器的尺寸表-办公室注:办公室推荐送风口流速:2.5-4.0m/s风机盘管接风管的风速:通常为1.5—2.0m/s之间,不能大于2.5m/s,否则会将冷凝水带出来。
3、散流器布置散流器平送时,宜按对称布置或者梅花型布置,散流器中心与侧墙的距离不宜小于1000mm;圆形或方形散流器布置时,其相应送风围(面积)的长宽比不宜大于1:1.5,送风水平射程与垂直射程(平顶至工作区上边界的距离)的比值,宜保持在0.5~1.5之间。
实际上这要看装饰要求而定,如250*250的散流器,间距一般在3.5米左右,320*320在4.2米左右。
4、空调房间允许最大送风温差℃舒适性空调的送风温差送风高度H小于等于5m,送风温差小于等于10度;送风高度H大于5m,送风温差小于等于15度。
为防止出风口结露,应使送风干球温度高于室空气的露点温度2-3度。
5、工艺性空气调节空调房间允许最大送风温差.注:生活区或工作区处于下送气流的扩散区时,送风温差应通过计算确定。
民用建筑最小新风量《空调通风工程系统运行管理规》(征求意见稿):空调通风系统运行期间,新风量宜满足下表的规定值,或者满足空气调节房间二氧化碳浓度小于0.1%。
民用建筑主要房间人员所需新风量〔m3/(h·P)〕《采暖通风与空气调节设计规》(报批稿)第3.1.9条:(强制性条文)建筑物室人员所需最小新风量,应符合以下规定:①民用建筑人员所需最小新风量按现行有关卫生标准确定;②工业建筑应保证每人少于30 m3/h的新风量。
镀锌板风管摩擦阻力表矩型风管mm风量(m3/h)/摩擦阻力(Pa)v=2m/s v=3 m/s v=4 m/s v=5 m/s v=6 m/s120x120104/156/207/259/311/ 160x120138/207/277/346/415/ 160x160184/277/369/461/553/ 200x120173/259/346/432/734/ 200x160230/346/461/576/691/ 250x120216/324/432/540/648/ 250x160288/432/576/720/864/ 250x200360/540/720/900/1080/ 320x120269/403/537/672/806/ 320x160369/553/737/922/1106/ 320x200461/691/9221/1152/1382/ 320x250576/864/1152/1440/1728/ 400x120336/504/673/841/1009/ 400x160461/691/922/1152/1382/ 400x200576/864/1152/1440/1728/ 400x250720/1080/1440/1800/2160/ 500x160576/ 864/1152/1440/1728/ 500x200720/1080/1440/1800/2160/500x250900/1350/1800/2250/2700/ 500x3201152/1728/2304/2880/3456/ 500x4001440/2160/2880/3600/4320/ 630x160726/1089/1452/1814/2177/ 630x200907/1361/1814/2268/2722/ 630x2501134/1701/2268/2835/3402/ 630x3201452/2177/2903/3629/4355/ 630x4001814/2722/3629/4536/5443/ 630x5002268/3402/4536/5670/6804/ 800x160922/1382/1843/2304/2765/ 800x2001152/1728/2304/2880/3456/ 800x2501440/2160/2880/3600/4320/ 800x3201843/2765/3686/4608/5530/ 1000x2001440/2160/2880/3600/4320/ 1000x2501800/2700/3600/4500/5400/ 1000x3202304/3456/4608/5760/6912/室内风管风速选择表1、低速风管系统的推荐和最大流速m/s应用场所住宅公共建筑工厂推荐最大推荐最大推荐最大室外空气入口空气过滤器加热排管冷却排管淋水室风机出口主风管支风管(水平)支风管(垂直)2、低速风管系统的最大允许速m/s应用场所以噪声控制主风管以摩擦阻力控制送风主管回风主管送风支管回风支管住宅公寓、饭店房间办公室、图书馆大礼堂、戏院银行、高级餐厅百货店、自助餐厅工厂室内允许噪声dB(A)主管风速m/s支管风速m/s25-353-4≤235-504-62-3注:民用住宅≤35dB(A),商务办公≤45dB(A)。
(整理)风速风道及风口风速表用于各类场所的低速风管流速(m/s )风速部位低速风道民用建筑公共建筑工厂新风入口 3.5 4.0 5.0 风机入口3.5 4.0 5.0 风机出口5.0~8.0 6.5~10.0 8.0~12.0 主管道3.5~4.5 5.0~6.5 6.0~9.0 水平支管道3.0 3.0~4.5 4.0~5.0 立支管道2.5 3.0~3.5 4.0 送风口 1.0~2.0 1.5~3.5 3.0~4.0 回风管道低于送风低于送风低于送风低速风管系统的推荐值和最大流速 m/s应用场所住宅公共建筑工厂推荐最大推荐最大推荐最大室外空气入口 2.5 4.0 2.5 4.5 2.5 8.0 空气过滤器 1.3 1.5 1.5 1.8 1.8 1.8 加热排管 2.3 2.5 2.5 3.0 3.0 3.5 冷却排管 2.3 2.3 2.5 2.5 3.0 3.0 淋水室 2.5 2.5 2.5 2.5 2.5 2.5 风机出口 6.0 8.5 9.0 11.0 10.8 14.8 主风管4.0 6.0 6.0 8.0 9.0 11.0 支风管(水平) 3.0 5.0 4.0 6.5 5.0 9.0 支风管(垂直)2.54.03.56.04.08.0表6 -3 低速风管系统的最大允许流速(m/s)应用场所以噪声控制主风管以摩擦阻力控制送风主管回风主管送风支管回风支管住宅 3.0 5.0 4.0 3.0 3.0 公寓、饭店房间 5.0 7.0 6.5 6.0 5.0 办公室、图书馆 6.0 10.0 7.5 8.0 6.0 大礼堂、戏院 4.0 6.5 5.5 5.0 4.0 银行、高级餐厅7.5 10.0 7.5 8.0 6.0 百货店、自助餐厅9.0 10.0 7.5 8.0 6.0工厂12.5 15.0 9.0 11.0 7.5表6-4 以噪声标准控制的允许风速(m/s)应用场所流速m/s以噪音标准控制的允许送风流速图书馆、广播室1.75~2.5 住宅、公寓、私人办公室、医院房间2.5~4.0 银行、戏院、教室、一般办公室、商店、餐厅4.0~5.0 工厂、百货公司、厨房 5.0~7.5推荐的送风口流速播音室 1.5~2.5戏院 2.5~3.5 住宅、公寓、饭店房间、教室 2.5~3.8私人办公室 2.5~4.0一般办公室 5.0~6.0电影院 5.0百货店、上层7.5百货店、地下10.0表6-5 逗留区的送风流速(m/s)人体感觉或环境状况流速m/s逗留区流速不舒适、停滞空气的感觉0~0.06 理想、舒适0.127 基本舒适0.127~0.25 不舒适、可以吹动薄纸0.33对站立者为舒适感之上限0.38对于工厂和局部空调0.38~1.52逗留区最大允许流速长时间坐办公室冷却0.10 长时间坐办公室加热0.20 短时间坐餐厅冷却0.15 短时间坐餐厅加热0.30 商店轻工作冷却0.20 商店轻工作加热0.35重工作冷却0.30重工作加热0.45低压风管尺寸选择支风管主风管圆形风管直径mm短形风管尺寸mm 风速m/s 风量m 3/h 风速m/s 风量m 3/h 2.5 110 3.0 140 127 152 178 203 229 254 200×75 200×75 275×100 375×100 500×100 625×100125×100 200×100 200×125 275×125 375×125 475×125 120×125 150×125 175×150 225×150 300×150 375×150 200×175 250×175 300×175200×200 275×200 225×225 3.0 170 265 4.0 220 340 4.0 380 520 700480 660 880 5.0 900 1140 1400 17005.0 1140 280 305 330 356 381 406575×125 550×150675×150 650×175 775×175 900×175 450×150 450×175 550×175 550×200 650×200 750×200375×175 400×200 450×200 475×225 550×225 625×225325×200 350×225 400×225 425×250 475×250 550×250275×225 300×250 350×250 350×300400×300 450×300250×250 275×275 300×300 325×325 350×350 375×3506.01410 1770 21602040 2410 2620 3060 6.0 2890 3400 3830 7.5 3930 4250 4850 432 457 483 508 533 559 850×200 975×200 950×225 1075×225 1050×250 1175×280 725×225 825×225 825×250 925×250 800×300 900×300 625×250 725×250 650×300 725×300 675×350 750×350 525×300 575×300 550×350 625×350 575×400 650×400 425×350 500×350 475×400 525×400 525×450 575×450 400×375 425×400 450×425 475×400 475×475 500×5004380 5020 56105470 6290 7170 7.5 6290 7720 8070 8920 9770 10700 9.0 7990 9000 10200 11200 584 610 635 660 686 771 1000×300 1100×300 1225×300 1100×350 1175×350 1300×350 825×350 900×350 1000×350 925×400 1000×400 1075×400 700×400 775×400 850×400 800×450 875×450 950×450 625×450 675×450 725×450 725×500 775×500 825×500 550×500 600×500 650×500 650×550 700×550 750×550 525×525 550×550 600×500 625×575 650×600 700×600 12300 13600 11900 13200 14100 15500 17000 18300 10.0 15000 16600 737 762 787 813 838 864 1425×350 1275×400 1375×400 1475×400 1600×400 1725×400 1175×400 1100×450 1175×450 1275×450 1350×450 1450×450 1025×450 975×500 1225×500 1100×500 1200×500 1275×500 750×500 875×550 925×550 1000×550 1075×550 1125×550 800×550 800×600 850×600 900×600 975×600 1025×600 750×600 725×650 775×650 825×650 900×650 950×65017700 19200 20700 22800 9.019700 21100 22400 24500 26500 28700 11.0 25000 2720028900 20400 33600 36700 889 914 940 965 991 1016 1825×400 1950×400 2075×400 2200×400 2375×400 2150×450 1550×450 1675×450 1775×450 1875×450 2000×450 1850×500 1350×500 1450×500 1550×500 1650×500 1750×500 1650×550 1225×500 1300×550 1375×550 1450×550 1525×550 1475×600 1075×600 1175×600 1225×600 1300×600 1375×600 1350×650 1000×650 1050×650 1125×650 1200×350 1250×650 1125×750 10.0 30900 39400 1040 1070 1090 1120 1140 2250×450 2400×450 2550×450 2350×500 2450×500 2000×500 2100×500 2200×500 2025×550 2150×550 1725×550 1825×550 1925×550 1825×600 1900×600 1600×600 1650×600 1750×600 1650×650 1725×650 1400×650 1475×650 1550×650 1500×700 1575×700 1200×750 1250×750 1300×750 1375×750 1450×750 33200 42100 35400 37700 40000 44700 47400 50200 11.0 41700 44400 4660052900 55600 58300 61000 638001170 1190 1220 1240 12702275×500 2700×500 2900×500 3000×500 2750×550.2275×550 2375×550 2525×550 .2750×550 2450×600 2000×600 2100×600 2200×600 2350×600 2200×650 1800×650 1900×650 2000×650 2075×650 2000×700 1650×700 1750×700 1850×700 1900×700 1850×750 1525×750 1575×750 1675×750 1750×750 1700×8004800 5100。
用于各类场所的低速风管流速(m/s )风速部位低速风道 民用建筑 公共建筑 工厂 新风入口 3.5 4.0 5.0 风机入口 3.5 4.0 5.0 风机出口 5.0~8.0 6.5~10.0 8.0~12.0 主管道 3.5~4.5 5.0~6.5 6.0~9.0 水平支管道 3.0 3.0~4.5 4.0~5.0 立支管道 2.5 3.0~3.5 4.0 送风口 1.0~2.0 1.5~3.5 3.0~4.0 回风管道低于送风低于送风低于送风低速风管系统的推荐值和最大流速 m/s应用场所住宅 公共建筑 工厂 推荐 最大 推荐 最大 推荐 最大 室外空气入口 2.5 4.0 2.5 4.5 2.5 8.0 空气过滤器 1.3 1.5 1.5 1.8 1.8 1.8 加热排管 2.3 2.5 2.5 3.0 3.0 3.5 冷却排管 2.3 2.3 2.5 2.5 3.0 3.0 淋水室 2.5 2.5 2.5 2.5 2.5 2.5 风机出口 6.0 8.5 9.0 11.0 10.8 14.8 主风管 4.0 6.0 6.0 8.0 9.0 11.0 支风管(水平) 3.0 5.0 4.0 6.5 5.0 9.0 支风管(垂直)2.54.03.56.04.08.0表6 -3 低速风管系统的最大允许流速(m/s)应用场所以噪声控制主风管以摩擦阻力控制送风主管回风主管送风支管回风支管住宅 3.0 5.0 4.0 3.0 3.0 公寓、饭店房间 5.0 7.0 6.5 6.0 5.0 办公室、图书馆 6.0 10.0 7.5 8.0 6.0 大礼堂、戏院 4.0 6.5 5.5 5.0 4.0 银行、高级餐厅7.5 10.0 7.5 8.0 6.0 百货店、自助餐厅9.0 10.0 7.5 8.0 6.0工厂12.5 15.0 9.0 11.0 7.5表6-4 以噪声标准控制的允许风速(m/s)应用场所流速m/s以噪音标准控制的允许送风流速图书馆、广播室 1.75~2.5 住宅、公寓、私人办公室、医院房间 2.5~4.0 银行、戏院、教室、一般办公室、商店、餐厅 4.0~5.0 工厂、百货公司、厨房 5.0~7.5推荐的送风口流速播音室 1.5~2.5戏院 2.5~3.5 住宅、公寓、饭店房间、教室 2.5~3.8私人办公室 2.5~4.0一般办公室 5.0~6.0电影院 5.0百货店、上层7.5百货店、地下10.0表6-5 逗留区的送风流速(m/s)人体感觉或环境状况流速m/s逗留区流速不舒适、停滞空气的感觉0~0.06 理想、舒适0.127基本舒适0.127~0.25 不舒适、可以吹动薄纸0.33对站立者为舒适感之上限0.38对于工厂和局部空调0.38~1.52逗留区最大允许流速长时间坐办公室冷却0.10 长时间坐办公室加热0.20 短时间坐餐厅冷却0.15 短时间坐餐厅加热0.30 商店轻工作冷却0.20 商店轻工作加热0.35重工作冷却0.30重工作加热0.45低压风管尺寸选择支风管 主风管 圆形风管直径mm短形风管尺寸 mm 风速m/s 风量m 3/h 风速m/s 风量m 3/h 2.5 110 3.0 140 127 152 178 203 229 254 200×75 200×75 275×100 375×100 500×100 625×100125×100 200×100 200×125 275×125 375×125 475×125 120×125 150×125 175×150 225×150 300×150 375×150 200×175 250×175 300×175200×200 275×200 225×225 3.0 170 265 4.0 220 340 4.0 380 520 700480 660 880 5.0 900 1140 1400 17005.0 1140 280 305 330 356 381 406575×125 550×150675×150 650×175 775×175 900×175 450×150 450×175 550×175 550×200 650×200 750×200375×175 400×200 450×200 475×225 550×225 625×225325×200 350×225 400×225 425×250 475×250 550×250275×225 300×250 350×250 350×300 400×300 450×300250×250 275×275 300×300 325×325 350×350 375×3506.01410 1770 21602040 2410 2620 3060 6.0 2890 3400 3830 7.5 3930 4250 4850 432 457 483 508 533 559 850×200 975×200 950×225 1075×225 1050×250 1175×280 725×225 825×225 825×250 925×250 800×300 900×300 625×250 725×250 650×300 725×300 675×350 750×350 525×300 575×300 550×350 625×350 575×400 650×400 425×350 500×350 475×400 525×400 525×450 575×450 400×375 425×400 450×425 475×400 475×475 500×5004380 5020 56105470 6290 7170 7.5 6290 7720 8070 8920 9770 10700 9.0 7990 9000 10200 11200 584 610 635 660 686 771 1000×300 1100×300 1225×300 1100×350 1175×350 1300×350 825×350 900×350 1000×350 925×400 1000×400 1075×400 700×400 775×400 850×400 800×450 875×450 950×450 625×450 675×450 725×450 725×500 775×500 825×500 550×500 600×500 650×500 650×550 700×550 750×550 525×525 550×550 600×500 625×575 650×600 700×600 12300 1360011900 13200 14100 15500 17000 18300 10.0 15000 16600 737 762 787 813 838 864 1425×350 1275×400 1375×400 1475×400 1600×400 1725×400 1175×400 1100×450 1175×450 1275×450 1350×450 1450×450 1025×450 975×500 1225×500 1100×500 1200×500 1275×500 750×500 875×550 925×550 1000×550 1075×550 1125×550 800×550 800×600 850×600 900×600 975×600 1025×600 750×600 725×650 775×650 825×650 900×650 950×65017700 19200 20700 22800 9.019700 21100 22400 24500 26500 28700 11.0 25000 27200 28900 20400 33600 36700 889 914 940 965 991 1016 1825×400 1950×400 2075×400 2200×400 2375×400 2150×450 1550×450 1675×450 1775×450 1875×450 2000×450 1850×500 1350×500 1450×500 1550×500 1650×500 1750×500 1650×550 1225×500 1300×550 1375×550 1450×550 1525×550 1475×600 1075×600 1175×600 1225×600 1300×600 1375×600 1350×650 1000×650 1050×650 1125×650 1200×350 1250×650 1125×750 10.0 3090039400 1040 1070 1090 1120 1140 2250×450 2400×450 2550×450 2350×500 2450×500 2000×500 2100×500 2200×500 2025×550 2150×550 1725×550 1825×550 1925×550 1825×600 1900×600 1600×600 1650×600 1750×600 1650×650 1725×650 1400×650 1475×650 1550×650 1500×700 1575×700 1200×750 1250×750 1300×750 1375×750 1450×750 33200 4210035400 37700 40000 44700 47400 50200 11.0 41700 44400 4660052900 55600 58300 61000 638001170 1190 1220 1240 12702275×500 2700×500 2900×500 3000×500 2750×550.2275×550 2375×550 2525×550 .2750×550 2450×600 2000×600 2100×600 2200×600 2350×600 2200×650 1800×650 1900×650 2000×650 2075×650 2000×700 1650×700 1750×700 1850×700 1900×700 1850×750 1525×750 1575×750 1675×750 1750×750 1700×8004800 5100。
用于各类场所的低速风管流速(m/s )风速部位低速风道 民用建筑 公共建筑 工厂 新风入口 3.5 4.0 5.0 风机入口 3.5 4.0 5.0 风机出口 5.0~8.0 6.5~10.0 8.0~12.0 主管道 3.5~4.5 5.0~6.5 6.0~9.0 水平支管道 3.0 3.0~4.5 4.0~5.0 立支管道 2.5 3.0~3.5 4.0 送风口 1.0~2.0 1.5~3.5 3.0~4.0 回风管道低于送风低于送风低于送风低速风管系统的推荐值和最大流速 m/s应用场所住宅 公共建筑 工厂 推荐 最大 推荐 最大 推荐 最大 室外空气入口 2.5 4.0 2.5 4.5 2.5 8.0 空气过滤器 1.3 1.5 1.5 1.8 1.8 1.8 加热排管 2.3 2.5 2.5 3.0 3.0 3.5 冷却排管 2.3 2.3 2.5 2.5 3.0 3.0 淋水室 2.5 2.5 2.5 2.5 2.5 2.5 风机出口 6.0 8.5 9.0 11.0 10.8 14.8 主风管 4.0 6.0 6.0 8.0 9.0 11.0 支风管(水平) 3.0 5.0 4.0 6.5 5.0 9.0 支风管(垂直)2.54.03.56.04.08.0表6 -3 低速风管系统的最大允许流速(m/s)应用场所以噪声控制主风管以摩擦阻力控制送风主管回风主管送风支管回风支管住宅 3.0 5.0 4.0 3.0 3.0 公寓、饭店房间 5.0 7.0 6.5 6.0 5.0 办公室、图书馆 6.0 10.0 7.5 8.0 6.0 大礼堂、戏院 4.0 6.5 5.5 5.0 4.0 银行、高级餐厅7.5 10.0 7.5 8.0 6.0 百货店、自助餐厅9.0 10.0 7.5 8.0 6.0工厂12.5 15.0 9.0 11.0 7.5表6-4 以噪声标准控制的允许风速(m/s)应用场所流速m/s以噪音标准控制的允许送风流速图书馆、广播室 1.75~2.5 住宅、公寓、私人办公室、医院房间 2.5~4.0 银行、戏院、教室、一般办公室、商店、餐厅 4.0~5.0 工厂、百货公司、厨房 5.0~7.5推荐的送风口流速播音室 1.5~2.5戏院 2.5~3.5 住宅、公寓、饭店房间、教室 2.5~3.8私人办公室 2.5~4.0一般办公室 5.0~6.0电影院 5.0百货店、上层7.5百货店、地下10.0表6-5 逗留区的送风流速(m/s)人体感觉或环境状况流速m/s逗留区流速不舒适、停滞空气的感觉0~0.06 理想、舒适0.127基本舒适0.127~0.25 不舒适、可以吹动薄纸0.33对站立者为舒适感之上限0.38对于工厂和局部空调0.38~1.52逗留区最大允许流速长时间坐办公室冷却0.10 长时间坐办公室加热0.20 短时间坐餐厅冷却0.15 短时间坐餐厅加热0.30 商店轻工作冷却0.20 商店轻工作加热0.35重工作冷却0.30重工作加热0.45低压风管尺寸选择支风管 主风管 圆形风管直径mm短形风管尺寸 mm 风速m/s 风量m 3/h 风速m/s 风量m 3/h 2.5 110 3.0 140 127 152 178 203 229 254 200×75 200×75 275×100 375×100 500×100 625×100125×100 200×100 200×125 275×125 375×125 475×125 120×125 150×125 175×150 225×150 300×150 375×150 200×175 250×175 300×175200×200 275×200 225×225 3.0 170 265 4.0 220 340 4.0 380 520 700480 660 880 5.0 900 1140 1400 1700 5.0 1140 280 305 330 356 381 406 575×125 550×150 675×150 650×175 775×175 900×175 450×150 450×175 550×175 550×200 650×200 750×200 375×175 400×200 450×200 475×225 550×225 625×225 325×200 350×225 400×225 425×250 475×250 550×250 275×225 300×250 350×250 350×300 400×300 450×300 250×250 275×275 300×300 325×325 350×350 375×3506.0 1410 1770 21602040 24102620 3060 6.0 2890 3400 3830 7.5 3930 4250 4850 432 457 483 508 533 559 850×200 975×200 950×225 1075×225 1050×250 1175×280 725×225 825×225 825×250 925×250 800×300 900×300 625×250 725×250 650×300 725×300 675×350 750×350 525×300 575×300 550×350 625×350 575×400 650×400 425×350 500×350 475×400 525×400 525×450 575×450 400×375 425×400 450×425 475×400 475×475 500×500 4380 5020 56105470 6290 7170 7.5 6290 7720 8070 8920 9770 10700 9.0 7990 9000 10200 11200 584 610 635 660 686 771 1000×300 1100×300 1225×300 1100×350 1175×350 1300×350 825×350 900×350 1000×350 925×400 1000×400 1075×400 700×400 775×400 850×400 800×450 875×450 950×450 625×450 675×450 725×450 725×500 775×500 825×500 550×500 600×500 650×500 650×550 700×550 750×550 525×525 550×550 600×500 625×575 650×600 700×600 12300 1360011900 13200 14100 15500 17000 18300 10.0 15000 16600 737 762 787 813 838 864 1425×350 1275×400 1375×400 1475×400 1600×400 1725×400 1175×400 1100×450 1175×450 1275×450 1350×450 1450×450 1025×450 975×500 1225×500 1100×500 1200×500 1275×500 750×500 875×550 925×550 1000×550 1075×550 1125×550 800×550 800×600 850×600 900×600 975×600 1025×600 750×600 725×650 775×650 825×650 900×650 950×65017700 19200 20700 22800 9.019700 21100 22400 24500 26500 28700 11.0 25000 27200 28900 20400 33600 36700 889 914 940 965 991 1016 1825×400 1950×400 2075×400 2200×400 2375×400 2150×450 1550×450 1675×450 1775×450 1875×450 2000×450 1850×500 1350×500 1450×500 1550×500 1650×500 1750×500 1650×550 1225×500 1300×550 1375×550 1450×550 1525×550 1475×600 1075×600 1175×600 1225×600 1300×600 1375×600 1350×650 1000×650 1050×650 1125×650 1200×350 1250×650 1125×750 10.0 3090039400 1040 1070 1090 1120 1140 2250×450 2400×450 2550×450 2350×500 2450×500 2000×500 2100×500 2200×500 2025×550 2150×550 1725×550 1825×550 1925×550 1825×600 1900×600 1600×600 1650×600 1750×600 1650×650 1725×650 1400×650 1475×650 1550×650 1500×700 1575×700 1200×750 1250×750 1300×750 1375×750 1450×750 33200 4210035400 37700 40000 44700 47400 50200 11.0 41700 44400 4660052900 55600 58300 61000 638001170 1190 1220 1240 12702275×500 2700×500 2900×500 3000×500 2750×550.2275×550 2375×550 2525×550 .2750×550 2450×6002000×600 2100×600 2200×600 2350×600 2200×6501800×650 1900×650 2000×650 2075×650 2000×7001650×700 1750×700 1850×700 1900×700 1850×7501525×750 1575×750 1675×750 1750×750 1700×8004800 5100。
镀锌板风管摩擦阻力表矩型风管mm风量(m3/h)/摩擦阻力(Pa)v=2m/s v=3 m/s v=4 m/s v=5 m/s v=6 m/s120x120 104/0.61 156/1.27 207/2.15 259/3.25 311/14.57 160x120 138/0.51 207/1.07 277/1.8 346/2.75 415/3.86 160x160 184/0.42 277/0.78 369/1.49 461/2.26 553/3.17 200x120 173/0.46 259/0.95 346/1.62 432/2.45 734/3.44 200x160 230/0.36 346/0.77 461/1.3 576/1.79 691/2.78 250x120 216/0.41 324/0.87 432/1.47 540/2.23 648/ 250x160 288/0.32 432/0.69 576/1.17 720/1.77 864/2.48 250x200 360/0.27 540/0.58 720/0.99 900/1.50 1080/2.11 320x120 269/0.38 403/0.79 537/1.34 672/2.03 806/2.86 320x160 369/0.29 553/0.61 737/1.04 922/1.58 1106/2.22 320x200 461/0.25 691/0.51 9221/0.87 1152/1.31 1382/1.85 320x250 576/0.21 864/0.43 1152/0.74 1440/1.12 1728/1.57 400x120 336/0.35 504/0.74 673/1.25 841/1.90 1009/2.67 400x160 461/0.27 691/0.56 922/0.95 1152/1.45 1382/2.03 400x200 576/0.22 864/0.46 1152/0.78 1440/1.20 1728/1.68 400x250 720/0.19 1080/0.38 1440/0.66 1800/1.00 2160/1.40 500x160 576/ 0.25 864/0.52 1152/0.89 1440/1.34 1728/1.89 500x200 720/0.21 1080/0.42 1440/0.73 1800/1.1 2160/1.54500x250 900/0.17 1350/0.35 1800/0.60 2250/0.90 2700/1.28 500x320 1152/0.14 1728/0.28 2304/0.49 2880/0.75 3456/1.05 500x400 1440/0.12 2160/0.25 2880/0.42 3600/0.64 4320/0.89 630x160 726/0.22 1089/0.48 1452/0.84 1814/1.12 2177/1.98 630x200 907/0.19 1361/0.39 1814/0.67 2268/1.02 2722/1.43 630x250 1134/0.16 1701/0.32 2268/0.55 2835/0.83 3402/0.19 630x320 1452/0.13 2177/0.26 2903/0.44 3629/0.67 4355/0.94 630x400 1814/0.11 2722/0.22 3629/0.37 4536/0.56 5443/0.79 630x500 2268/0.1 3402/0.19 4536/0.31 5670/0.48 6804/0.68 800x160 922/0.20 1382/0.42 1843/0.67 2304/1.02 2765/2.15 800x200 1152/0.18 1728/0.37 2304/0.63 2880/0.95 3456/1.34 800x250 1440/0.14 2160/0.3 2880/0.51 3600/0.77 4320/1.08 800x320 1843/0.1 2765/0.23 3686/0.40 4608/0.60 5530/0.85 1000x200 1440/0.16 2160/0.35 2880/0.60 3600/0.90 4320/1.30 1000x250 1800/0.13 2700/0.28 3600/0.48 4500/0.72 5400/1.02 1000x320 2304/0.11 3456/0.23 4608/0.37 5760/0.57 6912/0.80室内风管风速选择表1、低速风管系统的推荐和最大流速m/s应用场所住宅公共建筑工厂推荐最大推荐最大推荐最大室外空气入口空气过滤器加热排管冷却排管淋水室风机出口主风管支风管(水平)支风管(垂直)2.51.32.32.32.56.04.03.02.54.01.52.52.32.58.56.05.04.02.51.52.52.52.59.06.04.03.54.51.83.02.52.511.08.06.56.02.51.83.03.02.510.09.05.04.08.01.83.53.02.514.011.09.08.02、低速风管系统的最大允许速m/s应用场所以噪声控制主风管以摩擦阻力控制送风主管回风主管送风支管回风支管住宅公寓、饭店房间办公室、图书馆大礼堂、戏院银行、高级餐厅百货店、自助餐厅工厂3.05.06.04.07.59.012.55.07.510.06.510.012.015.04.06.57.55.57.57.59.03.06.08.05.08.08.011.03.05.06.14.06.06.07.5室内允许噪声dB(A)主管风速m/s支管风速m/s25-35 3-4 ≤235-50 4-6 2-3 注:民用住宅≤35dB(A),商务办公≤45dB(A)。
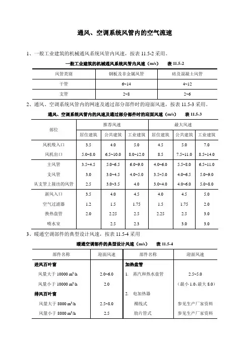
通风、空调系统风管内的空气流速1、一般工业建筑的机械通风系统风管内风速,按表11.5-2采用。
一般工业建筑的机械通风系统风管内风速(m/s)表11.5-22、通风、空调系统风管内的网速及通过部分部件时的迎面风速,按表11.5-3采用。
通风、空调系统风管内的风速及通过部分部件时的迎面风速(m/s)表11.5-33、暖通空调部件的典型设计风速,按表11.5-4采用暖通空调部件的典型设计风速(m/s)表11.5-44、根据所服务房间的允许噪声级,通风空调风管和出风口的最大允许风速,按表11.5-5采用。
通风空调风管和出风口的最大允许风速(m/s)表11.5-5注:①百叶风口叶片间的气流速度增加10%,噪声的声功率级将增加2dB,若流速增加一倍,噪声的声功率级约增加16dB。
②对于出口处无障碍敞开风口,表中的出风口速度可以提高1.5~2.0倍。
5、高速送风系统中风管的最大允许风速,按表11.5-6采用。
高速送风系统中风管的最大允许风速表11.5-66、推荐的送风机静压值,见表11.5-7推荐的送风机静压值表11.5-77、空调系统冷凝水管管径选择推荐值,见表11.5-8冷凝水管管径选择推荐值表11.5-6注:(1)DN=15mm的管道,不推荐使用。
(2)立管的公称直径,就与水平干管的直径相同。
风机盘管机组、整体式空调器、组合式空调机组等运行过程中产生的冷凝水,必须及时予以排走。
排放冷凝水管道的设计,应注意以下事项:沿水流方向,水平管道应保持不小于千分之一的坡度;且不允许有积水部位。
当冷凝水盘位于机组负压区段时,凝水盘的出水口处必须设置水封,水封的高度应比凝水盘处的负压(相当于水柱温度)大50%左右。
水封的出口,应与大气相通。
注:(1)采用聚氯乙烯塑料管时,一般可以不必进行防结露的保温和隔汽处理。
(2)采用镀锌钢管时,一般应进行结露验算,通常应设置保温层。
冷凝水立管的顶部,应设计通向大气的透气管。
设计和布置冷凝水管路时,必须认真考虑定期冲洗的可能性,并应设计安排必要的设施。