各专业工程取费费率表
- 格式:docx
- 大小:12.34 KB
- 文档页数:3
建设工程费用标准
附M表1 施工企业管理费及利润表
注:计费基础中的人工费及机械费中的人工费均60元/工日计算。
定额库人工基价是70,取费是60,PKPM软件中取费模版已经减去了10块钱的人工费,软件已经处理好了,不需要再设置。
附M表2 安全文明施工增加费表
附M表3规费
注:1.其他规费栏包括失业保险费、医疗保险费、工伤保险费、生育保险费、住房公积金等五项。
2.安全生产责任险分低风险工程、一般风险工程与高风险工程。
(1) 高风险工程包括:
①高度100m以上(含100m)或单跨跨度30m以上(含30m)的建筑物及构筑物;
②高度50m以上(含50m),100m以下的地质条件、周边环境复杂(周
边人流密集、施工场地狭窄的建筑物及构筑物;
③目前尚无技术标准的新型结构体系或结构体系非常复杂的建筑物或构筑物;
④多孔跨径总长>1000m,单孔跨径总长>150m的桥梁工程或多孔跨
径总长≥100m,单孔跨径≥40m的涉水桥梁工程;
⑤隧道工程;
⑥地铁工程。
(2)低风险工程包括:
①高度24m以下(不含24m)的建筑物及构筑物;
②小型桥梁(8m≤多孔跨径≤30m,5m≤单孔跨径<20m);
③市政道路工程;
④建筑装饰装修;
⑤园林古建筑工程;
⑥电梯安装工程、消防设施T程、机电设备安装工程。
(3)除以上(1)、(2)条规定的范围之外的均属于一般风险工程。
以上分类仍无法确认的,请看:湘建价安[2015]16号关于进一步明确安装工程安全生产责任险等级划分的通知
附M表4 税金。
附表一工程清单计价(控制价)取费费率(具体参见安徽省建设工程造价管理总站发《关于营业税改征增值税调整现行计价依据的实施意见》定额编号项目名称计算基数市政工程备注(一)工程不可竞争费费率(%)01 环境保护费定额人工费+定额机械费0.702 文明施工费 3.003 安全施工费 2.104 临时设施费 3.505 工程排污费(二)工程措施项目费费率(%)01 夜间施工增加费定额人工费+定额机械费0.502 二次搬运费 1.203 冬雨季施工增加费0.804 已完工程及设备保护费0.105 工程定位复测费0.906 临时保护设施费0.107 行车、行人干扰增加费0.208 赶工措施费 1.8 (三)企业管理费、利润费费率01 企业管理费费率(%)定额人工费+定额机械费1102 利润费费率(%)12 (四)税金01 税金税前工程造价10附表二工程量清单计价造价计算程序序号费用项目计算方法一分部分项工程项目费∑[分部分项工程量×(人工费+材料费+机械费+综合费)]1.1其中定额人工费∑(分部分项工程量×定额人工消耗量×定额人工单价)1.2 定额机械费∑(分部分项工程量×定额机械消耗量×定额机械单价)1.3 综合费(1.1+1.2)×综合费费率二措施项目费(1.1+1.2)×措施项目费费率三不可竞争费 3.1+3.23.1 安全文明施工费(1.1+1.2)×安全文明施工费定额费率3.2 工程排污费按工程实际情况计列四其他项目费 4.1+4.2+4.3+4.44.1 暂列金额按工程量清单中列出的金额填写4.2 专业工程暂估价按工程量清单中列出的金额填写4.3 计日工计日工单价×计日工数量4.4 总承包服务费按工程实际情况计列五税金(一+二+三+四)×10%六工程造价一+二+三+四+五。
工程规费是“建筑安装工程费用”中“间接费”的组成部分。
建筑安装工程费用=直接费+间接费+利润+税金直接费=直接工程费+ 措施费直接工程费:1、人工费;2、材料费;3、施工机构使用费措施费:1、环境保护费;2、文明施工费;3、安全施工费;4、临时设施费5、夜间施工费;6、二次搬运费;7、大型机械设备进出场及安拆费;8、混凝土、钢筋混凝土模板及支架费;9、脚手架费;10、已完工程及设备保护费;11、施工排水、降水费间接费=施工管理费+规费施工管理费: 1、管理人员工资2、办公费3、交通差旅费4、固定资产使用费5、工具用具使用费6、劳动保险、财产保险费7、财务费8、税金9、工会经费、职工教育经费及其他规费: 1、工程排污费2、工程定额测定费3、社会保险统筹基金4、住房公积金5、危险作业意外伤害保险附件一:建设工程施工取费费率表一、建筑工程施工取费费率1.建筑工程施工组织措施费费率注:单独装饰及专业工程安全文明施工费费率乘以系数0.6。
2.建筑工程企业管理费费率注:建筑工程施工取费费率表中的专业工程仅适用于单独承包的专项施工工程。
其他专业工程指本定额所列专业工程项目以外的,需具有专业工程施工资质施工的工程。
3.建筑工程利润费率4.建筑工程规费费率二、安装工程施工取费费率1.安装工程施工组织措施费费率注:建筑设备安装工程和民用建筑或构筑物合并为单位工程的,安装工程的安全文明施工费费率乘系数0.7。
2.安装工程企业管理费费率注:安装工程施工取费费率表中的设备及工艺金属结构安装工程包括其他非单独承包的专业工程,单独消防及单独智能化仅适用于单独承包的安装工程。
3.安装工程利润费率4.安装工程规费费率三、市政工程施工取费费率1.市政工程施工组织措施费费率注:1.专业土石方工程安全文明施工费费率乘系数0.6。
2.路灯及交通设施工程施工组织措施费按安装工程费率及相应规定计算。
2.市政工程企业管理费费率注:市政工程施工取费费率表中的专业土石方工程仅适用于单独承包的土石方工程,非单独承包的排水工程并入相应工程内计算。
三类工程取费标准费率表很多工程项目对于工程造价的管理要求很高,这就导致我们对造价计算方法的认识并不完全正确,甚至有些人对造价计算存在误解。
导致我们不知道定额取费是根据项目是否能够完成整个工程进度的情况制定的,而是根据具体情况、在预算的基础上进行编制。
定额取费是将工程中必须完成并投入使用、造价必须控制在预算范围内的部分工程,按一定比例计算出该定额中所有建设项目全部完成所需要消耗的成本费用总额后,乘以每个项目所需投资总额确定其取费费率。
从定额取费表来看,主要分为:总投资、建设费用以及相关建设期内费用三部分。
总投资是指单项工程或单项专业工程量发生额及金额构成所必须花费而又不包括已完工项目在竣工结算中的资金占用和费用。
如不计利息、税金、利润、亏损等一般为管理费或者概算。
根据招标文件规定和工程项目实际情况编制工程量清单后应按规定进行审核,在合同签订后30日内完成复核,经复核后双方应按招标文件所规定比例分摊工程量和合理的费用。
1.总投资采用定额取费法时需将一个建设项目投入全部完成所需花费和其所产生费用折算为总投资,并按一定比例进行分摊。
目前建筑工程定额取费法只适用于新建工程,特别是一些大中型建设工程及特殊工程,如地下建筑工程和钢结构建筑工程中对一些较大建设工程可采用单项金额法,在计算工程量时应注意项投资包含在总投资里面。
对于单项金额法或单项计价方法在计价时,其费用清单应包括:建筑工程价款调整后的增加额及结算金额调整后的增加额等项目;设计工程价款调整后或已完工项目所产生的部分费用(含利息等);其他费用(含工程变更费)。
对于单项金额方法时应注意:该方法适用于规模较大、造价较高、难以核算、可多次使用、工程变更频繁的建筑工程(包括特殊工程除外)。
施工企业应根据招标文件计算出相应工程量清单并经施工企业签收(除已完工工程外),编制单项工程和单项专业工程量清单,经监理单位审核确认后予以发布施工合同,作为结算的依据和参考。
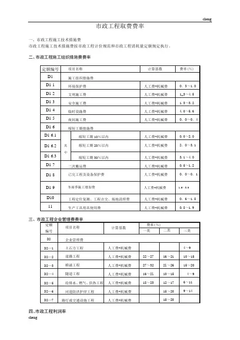
市政工程取费费率一、市政工程施工技术措施费市政工程施工技术措施费按市政工程计价规范和市政工程消耗量定额规定执行。
二、市政工程施工组织措施费费率四、市政工程利润率五、一、市政工程取费工程类别划分表二、工程类别划分说明(一)土石方工程附属于一个单位工程内挖或填方量不超过5000m2的土石方工程,按土石方工程类别执行;单独编制工程量清单计价的或一个单位工程内挖方或填方分别超过5000m2的土石方T程执行专业土石方工程。
(二)道路工程道路工程按道路交通功能分类:1.高速干道:城市道路设有中央分隔带,具有四条以上车道,全部或部分采用立体交叉与控制出入,供车辆高速行驶的道路。
2.主干道:在城市道路网中起骨架作用的道路。
3.次干道:在城市道路网中的区域性干路,与主干路相连接,构成完整的城市干路系统。
4.支路:在城市道路网中的干路以外联系次干路或供区域内部使用的道路。
5.街道:在城市范围全部或大部分地段两侧建有各式建筑物,设有人行道和各种市政公用设施的道路。
6.居民(厂)区道路:以住宅(厂房)建筑为主体的区域内道路。
(三)桥涵工程1.单独桥涵工程按桥涵分类,附属于道路工程的桥涵,按道路工程分类。
2.单独立交桥工程按立交桥层数进行分类;与高架路相连的立交桥,执行立交桥类别。
(四)隧道工程隧道工程按隧道类型及隧道截面宽度进行分类。
隧道截面宽度指隧道内截面的净宽度。
(五)河道防洪及护岸工程河道防洪及护岸工程按单独排洪工程、单独护岸、护坡及土堤工程分类。
1.单独防洪工程包括明渠、暗渠及截洪沟。
2.单独护岸护坡包括抛石、石笼、砌护底、护脚、台阶以及附属于本类别的土方附属工程等。
(六)给排水工程给排水工程按管径大小分类。
1.顶管工程包括挤压顶进。
2.在一个给水或排水工程中有两种及其以上不同管径时,按最大管径取定类别。
3.给、排水管道包括附属于本类别的挖土和管道附属构筑物及设备安装。
(七)燃气、供热工程燃气工程按管径大小分类。
工程规费是“建筑安装工程费用”中“间接费”的组成部分。
建筑安装工程费用=直接费+间接费+利润+税金直接费=直接工程费+措施费直接工程费:1、人工费;2、材料费;3、施工机构使用费措施费:1、环境保护费;2、文明施工费;3、安全施工费;4、临时设施费5、夜间施工费;6、二次搬运费;7、大型机械设备进出场及安拆费;8、混凝土、钢筋混凝土模板及支架费;9、脚手架费;10、已完工程及设备保护费;11、施工排水、降水费间接费=施工管理费+规费施工管理费:1、管理人员工资2、办公费3、交通差旅费4、固定资产使用费5、工具用具使用费6、劳动保险、财产保险费7、财务费8、税金9、工会经费、职工教育经费及其他规费:1、工程排污费2、工程定额测定费3、社会保险统筹基金4、住房公积金5、危险作业意外伤害保险附件一:建设工程施工取费费率表一、建筑工程施工取费费率1.建筑工程施工组织措施费费率注:单独装饰及专业工程安全文明施工费费率乘以系数0.6。
2.建筑工程企业管理费费率注:建筑工程施工取费费率表中的专业工程仅适用于单独承包的专项施工工程。
其他专业工程指本定额所列专业工程项目以外的,需具有专业工程施工资质施工的工程。
3.建筑工程利润费率4.建筑工程规费费率二、安装工程施工取费费率1.安装工程施工组织措施费费率注:建筑设备安装工程和民用建筑或构筑物合并为单位工程的,安装工程的安全文明施工费费率乘系数0.7。
2.安装工程企业管理费费率注:安装工程施工取费费率表中的设备及工艺金属结构安装工程包括其他非单独承包的专业工程,单独消防及单独智能化仅适用于单独承包的安装工程。
3.安装工程利润费率4.安装工程规费费率三、市政工程施工取费费率1.市政工程施工组织措施费费率注:1.专业土石方工程安全文明施工费费率乘系数0.6。
2.路灯及交通设施工程施工组织措施费按安装工程费率及相应规定计算。
2.市政工程企业管理费费率注:市政工程施工取费费率表中的专业土石方工程仅适用于单独承包的土石方工程,非单独承包的排水工程并入相应工程内计算。
建设工程清单计价取费费率第一节建筑工程取费费率一、建筑工程施工技术措施费建筑工程施工技术措施费按建筑工程计价规范和建筑工程消耗量定额规定执行。
注:专业工程施工组织措施费费率乘以系数 0。
6.三、建筑工程企业管理费费率四、建筑工程利润率五、建筑工程规费费率六、建筑工程税金费率注 : 税费包括营业税、城市建设维护税及教育费附加. 第二节装饰装修工程取费费率一、装饰装修工程施工技术措施费装饰装修工程施工技术措施费按装饰装修工程计价规范和装饰装修工程消耗量定额规定执行。
二、装饰装修工程施工组织措施费费率注:专业工程施工组织措施费费率乘以系数 0.6。
三、装饰装修工程企业管理费费率注:1。
专业幕墙工程适用于单独承包的工程项目。
2。
幕墙的试验费未包括,设计有要求时另行计算。
四、装饰装修工程利润率注:1。
专业幕墙工程适用于单独承包的工程项目.2。
幕墙的试验费未包括,设计有要求时另行计算。
五、装饰装修工程规费费率六、装饰装修工程税金费率注:税费包括营业税、城市建设维护税及教育费附加。
第三节第三节安装工程取费费率一、安装工程施工技术措施费安装工程施工技术措施费按安装工程计价规范和安装工程消耗量定额规定执行。
二、安装工程施工组织措施费费率三、安装工程企业管理费费率四、安装工程利润率五、安装工程规费费率六、安装工程税金费率注:税费包括营业税、城市建设维护税及教育费附加.第四节市政工程取费费率一、市政工程施工技术措施费市政工程施工技术措施费按市政工程计价规范和市政工程消耗量定额规定执行。
二、市政工程施工组织措施费费率三、市政工程企业管理费费率四、市政工程利润率五、市政工程规费费率六、市政工程税金费率注:税费包括营业税、城市建设维护税及教育费附加。
第五节园林绿化及仿古建筑工程取费费率一、园林绿化及仿古建筑工程施工技术措施费园林绿化及仿古建筑工程技术措施费按园林绿化及仿古建筑工程计价规范和消耗量定额规定执行.二、园林绿化及仿古建筑工程组织措施费费率三、园林绿化及仿古建筑工程企业管理费费率四、园林绿化及仿古建筑工程利润率五、园林绿化及仿古建筑工程规费费率六、园林绿化及仿古建筑工程税金费率。
监理取费标准费率表
序号,工程类型,工程规模,监理费率
----,--------,--------,--------
1,建筑工程,1000平方米以下,3%
2,建筑工程,1000-5000平方米,2.5%
8,水利工程,5000立方米以下,2%
备注:以上费率为参考值,具体费率可以根据实际情况进行调整。
监理费率的制定主要考虑以下几个因素:
1.工程类型:不同类型的工程监理服务需要投入不同的人力、物力和经济成本,因此监理费率应根据工程类型的不同进行调整。
2.工程规模:工程规模越大,监理服务的难度和风险越大,因此监理费率应根据工程规模的大小进行调整。
3.监理服务内容:监理服务的内容包括质量监理、进度监理、成本监理等,不同的监理服务内容需要不同的专业知识和技能,因此监理费率应根据监理服务内容的不同进行调整。
4.市场行情:监理费率也受市场供求关系的影响,如果市场上监理资源供大于求,监理费率可能会下降;如果市场上监理资源供小于求,监理费率可能会上升。
以上是一个示例的监理取费标准费率表,具体费率应根据实际情况进行调整,同时还应遵循市场竞争原则,确保监理费用合理、公平。
此外,
监理机构和业主之间在签订合同时,应明确监理费率以及费用支付方式、标准等相关内容,以确保双方利益的平衡。
建设工程清单计价取费费率
第一节建筑工程去费费率
一、建筑工程施工技术措施费
建筑工程施工技术措施费按建筑工程计价规范和建筑工程消耗量定额规定执行。
二、建筑工程施工组织措施费费率
注:专业工程施工组织措施费费率乘以系数0.6。
三、建筑工程企业管理费费率
A2-7其他专业工程人工费+机械
——14~19——
费
注:税费包括营业税、城市建设维护税及教育费附加。
注:专业工程施工组织措施费费率乘以系数0.6。
注:1、专业幕墙工程适用于单独承包的工程项目。
2、幕墙的试验费未包括,设计有要求时另行计算。
注:1、专业幕墙工程适用于单独承包的工程项目。
2、幕墙的试验费未包括,设计有要求时另行计算。
注:税费包括营业税、城市建设维护税及教育费附加。
第三节安装工程取费费率
一、安装工程施工技术措施费
安装工程施工技术措施费按安装工程计价规范和安装工程消耗量定额规定执行。
六、安装工程税金费率
注:税费包括营业税、城市建设维护税及教育费附加。
注:税费包括营业税、城市建设维护税及教育费附加。
市政工程取费费率一、市政工程施工技术措施费市政工程施工技术措施费按市政工程计价规范和市政工程消耗量定额规定执行。
二、市政工程施工组织措施费费率四、市政工程利润率五、一、市政工程取费工程类别划分表二、工程类别划分说明(一)土石方工程附属于一个单位工程内挖或填方量不超过5000m2的土石方工程,按土石方工程类别执行;单独编制工程量清单计价的或一个单位工程内挖方或填方分别超过5000m2的土石方T程执行专业土石方工程。
(二)道路工程道路工程按道路交通功能分类:1.高速干道:城市道路设有中央分隔带,具有四条以上车道,全部或部分采用立体交叉与控制出入,供车辆高速行驶的道路.2.主干道:在城市道路网中起骨架作用的道路。
3.次干道:在城市道路网中的区域性干路,与主干路相连接,构成完整的城市干路系统。
4.支路:在城市道路网中的干路以外联系次干路或供区域内部使用的道路.5.街道:在城市范围全部或大部分地段两侧建有各式建筑物,设有人行道和各种市政公用设施的道路。
6.居民(厂)区道路:以住宅(厂房)建筑为主体的区域内道路。
(三)桥涵工程1.单独桥涵工程按桥涵分类,附属于道路工程的桥涵,按道路工程分类。
2.单独立交桥工程按立交桥层数进行分类;与高架路相连的立交桥,执行立交桥类别.(四)隧道工程隧道工程按隧道类型及隧道截面宽度进行分类。
隧道截面宽度指隧道内截面的净宽度.(五)河道防洪及护岸工程河道防洪及护岸工程按单独排洪工程、单独护岸、护坡及土堤工程分类。
1.单独防洪工程包括明渠、暗渠及截洪沟。
2.单独护岸护坡包括抛石、石笼、砌护底、护脚、台阶以及附属于本类别的土方附属工程等。
(六)给排水工程给排水工程按管径大小分类.1.顶管工程包括挤压顶进。
2.在一个给水或排水工程中有两种及其以上不同管径时,按最大管径取定类别。
3.给、排水管道包括附属于本类别的挖土和管道附属构筑物及设备安装.(七)燃气、供热工程燃气工程按管径大小分类。