实收资本审计程序表(doc 7页)
- 格式:docx
- 大小:28.86 KB
- 文档页数:5
被审计单位提供工程竣工结算审计资料清单工程竣工结算委托审计工作衔接单XXXX(咨询单位全称或者规范简称):重庆两江新区开发投资集团有限公司委托你单位对XXXX(工程名称)工程进行竣工结算审计,审计天数为XX 天,审计起止时间自XXXX 年XX 月XX 日起至XXXX 年XX 月XX 日止。
你单位应在规定时间内,在遵守行业规定的前提下,按下列委托人要求完成委托审计任务。
你单位接受委托审计的履职情况将记入年度履职档案中并按两江新区中介机构预先库管理办法进行考核。
一、工程竣工结算审计具体要求(一)在收到竣工结算资料后的XX 工作日内,向两江集团监察审计部(以下简称监审部)提交《建设工程结算审核实施方案》和《承诺书》。
竣工结算审核实施方案中必须明确各审核阶段的起止时间、工作内容、人员安排、审核步骤和方法等。
你单位及其相关人员竣工结算审核该工程所需的全部资料均由监审部移交,不得直接向建设方、施工方索取任何审计所需资料。
(二)向监审部提交对送审资料的初步审核结果和现场踏勘方案,经监审部审核后方可进行现场踏勘。
审核过程中的每次现场踏勘、量价核对等,由监审部负责统一组织和管理,你单位及有关人员不得私自与被审核单位及施工单位联系。
现场踏勘前需提交“建设工程现场踏勘方案及记录表”。
(三)你单位根据现场踏勘情况修改审计初步结果提交两江集团监审部存档和审核,监审部通知三方进行量、价核对工作。
你单位与施工单位核对过程中,应在核对当日提交双方签字确认的工程量、价审核调整表。
(四)审核过程中的每一阶段性审核成果,在与被审核单位交换意见前,你单位应先将审核成果电子文档发送监审部审查存档。
(五)在审核过程中发现被审核单位内部控制制度有重大缺陷或者有重大违法违纪问题时,应当及时书面报告监审部,不得擅自处理或隐瞒不报。
(六)在审核过程中,对有较大争议或分歧的问题,你单位应及时向监审部提出书面报告,不得擅自处理。
(七)你单位应当实施必要的审核程序,重点关注审核风险发生的可能性,以及审核风险对审核目标的实现产生影响的严重程度。
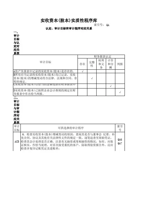
XXX公司GA实收资本(股本)2012年12月31日张三李四目录表被审计单位:索引号: 项目:财务报表截止日/期间:编制人:复核人:日期:日期:实收资本(股本)实质性程序表被审计单位:XXX公司编制人:张三日期:2013/1/1索引号: GA 财务报表截止日/期间:2012年12月31日复核人:李四日期:2013/1/2一、审计目标与审计计划的衔接:二、审计目标与审计程序对应关系表:实收资本(股本)审定表被审计单位:XXX公司编制人:张三日期:2013/1/1索引号: GA1财务报表截止日/期间:2012年12月31日复核人:李四日期:2013/1/2CON:(1)年初数复核加计正确,与上年审定数相符。
(2)年末数复核加计正确,并与明细账及合计数、总账数、未审报表数核对相符。
2、股本变动情况检查:本期实收资本(股本)无变动;本期实收资本(股本)发生变动,其原因是:(1)本期公司经批准后进行增资。
(2)…………………….本期实收资本(股本)发生变动,已经公司股东会(董事会)决议并经有关部门批准(相关决议、批文已取得,详见……)。
本次公司实收资本(股本)增减变动,与公司章程、董事会纪要、补充合同、协议及其他有关法律性文件的规定一致。
3、验资情况:本期公司实收资本(股本)无变动;公司股本已经XX会计师事务所XX号验资报告验证,前期审计已取得验资报告,详见……。
本期公司实收资本(股本)变动已经XX会计师事务所XX号验资报告验证,已取得验资报告,详见……。
经核对,公司本期实收资本(股本)变动及变动后金额与验资报告确认数一致。
4、检查外币资本汇率折算是否正确:5、实收资本期末较期初增加(负数为减少):#DIV/0!构成项目变动分析如下:构成项目变动分析撰写要求:a:对各明细核算反映的主要内容进行总体描述;b:对主要构成明细的变动进行说明,分析说明时请先列明该明细变化系主要由于什么性质构成,然后说明哪个项目的变化所构成,需要具体说明项目名c:最后如果需要可以补充说明我们取得可以支持该变化的重要资料的名称。
、审计目标:1、确定货币资金是否存在;2、确定货币资金的收支记录是否完整;3、确定库存现金、银行存款及其他货币资金的余额是否正确;4、确定货币资金在会计报表上的披露是否恰当。
页次:索引号:检查人:日期:复核人:日期:被审计单位名称:会计报表截止日期:编制人:日期:标识说明:"--适用X --不适用审计工作底稿应收账款审计程序表、审计目标1、确定应收账款是否存在;2、确定应收账款是否归被审计单位所有;3、确定应收账款的增减变动的记录是否完整;4、确定应收账款是否可收回,坏账准备的计提是否完整;5、确定应收账款年末余额是否正确;6、确定应收账款在会计报表上的披露是否恰当;标识说明:"--适用--不适用审计工作底稿其他应收款审计程序表页次:索引号:被审计单位名称: 编制人: 检查人: 复核人:、审计目标1、确定其他应收款是否存在;2、确定其他应收款是否归被审计单位所有;3、确定其他应收款增减变动的记录是否完整;4、确定其他应收款是否可收回;5、确定其他应收款年末余额是否正确;6、确定其他应收款在会计报表上的披露是否恰当;标识说明:"--适用--不适用审计工作底稿页次:索引号:被审计单位名称: 编制人: 检查人: 复核人:预付账款审计程序表页次:索引号:被审计单位名称: 编制人: 检查人: 复核人:、审计目标1、确定预付账款是否存在;2、确定预付账款是否归被审计单位所有;3、确定预付账款的增减变动的记录是否完整;4、确定预付账款是否可收回,坏账准备的计提是否恰当;5、确定预付账款年末余额是否正确;6、确定预付账款在会计报表上的披露是否恰当;标识说明:"--适用--不适用审计工作底稿页次:索引号:被审计单位名称: 编制人: 检查人: 复核人:存货审计程序表页次:索引号:被审计单位名称: 编制人: 检查人: 复核人:、审计目标1、确定存货是否存在;2、确定存货是否归被审计单位所有;3、确定存货增减变动的记录是否完整;4、确定存货的品质状况,存货跌价的计提是否合理;5、确定存货的计价方法是否恰当;6、确定存货年末余额是否正确;7、确定存货在会计报表上的披露是否恰当。
1项目资本审计程序表表4-46 索引号:(审计机关名称)项目资本审计程序表审计期间____项目名称:项目执行单位:审计程序执行情况说明工作底稿索引号1.取得或编制项目资本明细表,检查:(1)年初余额是否与上年度的财务报表及相关审计工作底稿的记录一致。
(2)年末余额是否与财务报表.总分类账,以及明细账的数额一致。
(3)记录上述核对中发现的差异,结合对具体明细项目的审查对这些差异进行调查分析。
2.查阅贷款协定(或转贷协定).项目协定和项目评估报告等立项文件,了解对投资者拨入资金的要求,对照项目资本的总账和明细账记录,检查各有关投资者投入的资金是否按规定及时.足额到位,对于不一致的情况,应查明原因,并予以分析和记录。
3.执行以下审计步骤,检查项目资本投入的真实性:(1)对项目资本经法定验资机构验证的,应索取验资报告并作适当的复核,审查其与账面记录是否相符.正确。
(2)对实收资本未经法定验资机构验证的,应审查:①出资方式.出资币种是否符合有关规定。
②投入现金是否已确实存入项目的开户银行,并收到银行的收款通知。
③投入的实物是否业经法定机构进行价值评估或质量鉴定.是否办理了验收手续,投入时投资方确有所有权。
④投入的无形资产是否具有相应的证明文件,有关的技术资料是否已办妥接收手续。
⑤如果项目资本是以外币形式投入的,所用汇率是否合规。
4.对照项目资本明细账,对本年度增加和减少的项目,应取得相关记账凭证和所附原始凭证,执行以下审计步骤:(1)审阅明细账.记账凭证的摘要栏和金额栏,检查是否有异常的项目。
(2)将记账凭证与所附原始凭证进行核对,检查所附原始凭证是否齐全,内容.数量.单价和金额等是否一致。
(3)对当年增加的项目,对照“银行存款”.“固定资产”.“器材(存货)”和“无形资产”等明细账,检查所附原始凭证的真实性和合法性。
(4)对当年减少或冲转的项目,检查所附原始凭证,查明减少或冲转的原因,验证其是否合规,手续是否齐备,有无抽逃项目资金的情况。
所有者权益01实收资本审计程序一、引言实收资本是指企业从股东或股东的代理人那里获得的实际投入资金,是企业所有者权益的一部分。
实收资本的审计程序对于保障企业所有者权益的真实性和合法性具有重要意义。
本文将对实收资本审计程序进行详细探讨。
二、确定审计目标审计程序首先需要明确审计的目标。
对于实收资本审计程序而言,审计目标主要包括以下几个方面:1. 验证实收资本的金额是否正确,与相关合同、协议和法律规定相符;2. 确认实收资本的来源是否合法,并进行相关调查核实;3. 了解实收资本的资金流动过程和使用情况,确保其合理性和有效性。
三、审计程序的具体步骤1. 风险评估在进行实收资本审计程序之前,需要进行风险评估,确定潜在的风险因素。
例如,企业可能存在虚增实收资本的情况,或者存在未经授权的实收资本转移等。
风险评估有助于审计师确定审计程序的重点和范围。
2. 调查所有者权益证明文件审计师需要调查企业提供的所有者权益证明文件,例如股东登记册、股东会议纪要、股权转让协议等。
通过仔细核对这些文件,审计师可以了解实收资本的来源和变动情况,并与相关的合同和法律规定进行比对。
3. 确认实收资本的真实性和合法性审计师需要与企业的股东、股东的代理人或其他相关方进行沟通,了解实收资本的具体来源和投入过程。
同时,审计师还需要查阅相关的财务记录和银行对账单,对实收资本的流动路径进行追溯,以确认实收资本的真实性和合法性。
4. 核实实收资本与法律规定的一致性实收资本的数量和性质应符合法律规定和相关法规的要求。
审计师需要仔细研究相关的法律法规,对实收资本的金额、资金来源和证明文件进行检查,确保其与法律规定一致。
5. 评估实收资本的使用情况审计师还需要评估实收资本的使用情况,包括资金的投资方向和项目的进展情况。
通过对企业财务报表和相关文件的审阅,审计师可以判断实收资本是否依法用于企业经营,并进行合理的投资。
6. 编制审计报告最后,审计师需要根据审计程序的结果编制审计报告,详细陈述实收资本的审计过程、结果和意见。
投资收益实质性程序审计表 (doc 5 页)投资收益实质性程序被审计单位: 项目: 投资收益 编制: 日期:索引号:SI财务报表截止日/期间:复核:日期:第一部分 认定、审计目标和审计程序对应关系一、审计目标与认定对应关系表财务报表认定审计目标截分 列 发生 完整性 准确性止类 报A 利润表中记录的投资收益已发生,且与被审 √计单位有关。
B 所有应当记录的投资收益均已记录。
√C 与投资收益有关的金额及其他数据已恰当记 √录。
D 投资收益已记录于正确的会计期间。
√E 投资收益已记录于恰当的账户。
√F 投资收益已按照企业会计准则的规定在财务√报表中作出恰当列报。
二、审计目标与审计程序对应关系表审计 目标可供选择的审计程序1. 获取或编制投资收益分类明细表:(1) 复核加计是否正确,并与报表数、总账数和明细账合计数 C核对是否相符;(2) 检查非记账本位币投资收益的折算汇率及折算是否正确。
2.确定投资收益的金额是否准确:(1) 与交易性金融资产、可供出售金融资产、持有至到期投资、CBDE长期股权投资、交易性金融负债等的相关审计结合, 验证 确定投资收益的记录是否充分、准确;(2)对于重大的投资收益项目,审阅相关文件,复核其计算的准确性。
并确定其应为投资收益。
D3.结合投资和银行存款等的审计,确定投资收益被记入正确的索引号 SI2 略略审计 目标 AFF可供选择的审计程序会计期间。
4.检查投资协议等文件,确定国外的投资收益汇回是否存在重 大限制,若存在重大限制,应说明原因,并作出恰当披露。
5.根据评估的舞弊风险等因素增加的审计程序。
6.检查投资收益是否已按照企业会计准则的规定在财务报表中作出恰当列报。
索引号 略 略第二部分 计划实施的实质性程序项目财务报表认定发 生完整性准确性截 止分 类列 报评估的重大错报风险水平(注 1)从控制测试获取的保证程度(注 2)需从实质性程序获取的保证程度计划实施的实质性程序(注 3) 索引号 执行人1.2.3.4.5.6.7.8.9.10.……注: 1.结果取自风险评估工作底稿。
公司审计程序表一、审计目的本审计旨在评估公司财务状况、业务流程和内部控制的有效性,为管理层提供决策依据,同时为公司利益相关者提供可靠的信息。
二、审计流程1.审计准备阶段:确定审计范围、制定审计计划、通知被审计单位、收集相关资料和法律法规。
2.审计实施阶段:进行现场检查、核对账目、询问员工、观察工作流程、评估内部控制有效性。
3.审计报告阶段:编写审计报告、征求被审计单位意见、完成报告定稿、发布审计结果。
三、审计范围本次审计范围包括公司所有业务部门、子公司及分支机构,重点关注财务会计制度建设、业务流程合规性、内部控制有效性等方面。
四、审计方法1.实地观察:对现场工作场所进行实地观察,了解业务开展情况。
2.查阅资料:查阅公司财务报表、账簿、凭证等资料,了解财务状况。
3.询问员工:与员工进行面谈,了解业务流程、内部控制及存在的问题。
4.测试控制:对内部控制进行测试,评估其有效性。
五、审计内容1.财务会计制度:检查财务会计制度是否健全、会计记录是否合规、财务报表是否真实反映公司财务状况。
2.收入确认:审查收入确认流程是否合规,是否存在提前或延迟确认收入的情况。
3.成本核算:检查成本核算方法是否正确,是否存在成本不实、虚报成本的情况。
4.存货管理:评估存货管理制度是否健全,是否存在存货积压、丢失等问题。
5.内部控制:评估内部控制制度是否健全、有效,是否存在漏洞和不足之处。
6.子公司及分支机构:对子公司及分支机构进行专项审计,确保其财务状况合规、业务开展正常。
六、审计结果经过审计,发现以下问题:1.财务会计制度不完善,部分账目记录不清晰。
2.收入确认流程存在不合规现象,存在提前确认收入的情况。
3.成本核算不准确,存在虚报成本的情况。
4.存货管理制度存在漏洞,部分存货积压严重。
5.部分子公司的内部控制制度不完善,存在风险隐患。
针对以上问题,提出以下改进建议:1.加强财务会计制度建设,完善账目记录。
2.规范收入确认流程,确保合规。
实收资本审计程序表
被审计单位名称编制人及日期索引号F1
被审会计报表属期复核人及日期页次
审计目标:1. 确定实收资本的增减变动是否符合法律、法规和合同、章程的规定,记录是否完整;
2. 确定实收资本的期末余额是否正确;
序
号
审计程序执行情况说明底稿索引号
1 2 3 审查上期期末数是否完整、无误地结转至期初数。
审查实收资本本期增减变动是否真实、合法、完整。
根据被审计单位的实际情况,应增加审计程序。
项目经理复核意见:
被审计单位名称编制人及日期索引号F2
被审会计报表属期复核人及日期页次
审计目标:1. 确定资本公积的增减变动是否符合法律、法规和合同、章程的规定,记录是否完整;
2. 确定资本公积的期末余额是否正确;
序
号
审计程序执行情况说明底稿索引号
1 2 3 审查上期期末数是否完整、无误地结转至期初数。
审查本期的增砬变动是否真实、合法、完整。
根据被审计单位的实际情况,应增加审计程序。
项目经理复核意见:
被审计单位名称编制人及日期索引号F3
被审会计报表属期复核人及日期页次
审计目标:1. 确定盈余公积的增减变动是否符合法律、法规和合同、章程的规定,记录是否完整;
2. 确定盈余公积的期末余额是否正确;
序
号
审计程序执行情况说明底稿索引号
1 2 3 审查上期期末数是否完整、无误地结转至期初数。
审查本期增减变动是否真实、合法、完整。
根据被审计单位的实际情况,应增加审计程序。
项目经理复核意见:
被审计单位名称编制人及日期索引号F4
被审会计报表属期复核人及日期页次
审计目标:1. 确定未分配利润增减变动的记录是否完整;
2. 确定未分配利润的期末余额是否正确;
序
号
审计程序执行情况说明底稿索引号
1 2 3 审查期初数是否正确。
检查本期利润分配是否合理、合法。
根据被审计单位的实际情况,应增加审计程序。
项目经理复核意见:
知识改变命运。