喷射混凝土检查记录表
- 格式:doc
- 大小:59.00 KB
- 文档页数:1
说明主控项目1.喷射混凝土应优先采用硅酸盐水泥、普通硅酸盐水泥。
水泥进场时,必须按批对其品种、级别、包装或散装仓号、出厂日期等进行验收,并对其强度、凝结时间、安定性进行试验,其质量必须符合现行国家标准《硅酸盐水泥、普通硅酸盐水泥》(GB175)等的规定。
当在使用中对水泥质量有怀疑或水泥出厂日期超过3个月(快硬硅酸盐水泥逾一个月)时,必须再次进行强度试验,并按试验结果使用。
检验数量和检验方法见《铁路隧道工程施工质量验收标准》(TB10417—2003)第6.2.1条的规定。
2.喷射混凝土所用的细骨料,应按批进行检验,其颗粒级配、坚固性指标应符合国家现行标准《普通混凝土用砂质量标准及检验方法》(JGJ52)的规定,细度模数应大于2.5,泥块含量应符合铁道部现行《铁路混凝土与砌体工程施工质量验收标准》(TB10424)附录B的规定,含泥量不应大于3%。
检验数量:同一产地、同一品种、同一规格且连续进场的细骨料,每400 m3或600 t为一批,不足400 m3或600 t也按一批计。
施工单位每批抽检一次。
监理单位见证取样检测,抽检次数为施工单位抽检次数的20%,但至少一次。
检验方法:施工单位现场取样试验。
监理单位检查全部试验报告,见证取样检测。
3.喷射混凝土所用的粗骨料,应按批进行检验,其颗粒级配、压碎指标值、针片状颗粒含量应符合现行铁道行业标准《铁路混凝土与砌体工程施工质量验收标准》(TB10424)附录C的规定。
粗骨料最大粒径不宜大于16 mm,并宜采用连续粒级,含泥量不应大于1%。
检验数量和检验方法同细骨料。
4.混凝土外加剂进场时,必须按批对减水率、凝结时间差、抗压强度比进行检验,其质量必须符合《混凝土外加剂》(GB8076)、《混凝土外加剂应用技术规范》(GB50119)等现行国家标准和其它有关环境保护的规定。
检验数量和检验方法见《铁路隧道工程施工质量验收标准》TB10417—2003第7.3.4条的规定。
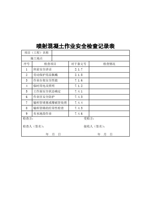
喷射混凝土作业安全检查记录表
2.1.7作业班组负责人在每班开工前,应进行班前安全讲话,向作业人员强调安全注意事项。
2.1.8进入施工现场的所有人员,必须按规定佩戴相应的劳动防护用品。
7.1.6施工作业台(支)架应按要求设计、检算与审核;台架应牢固可靠,四周应设置安全栏杆、安全网和上下工作梯,经验收合格后方可使用。
7.1.2隧道支护施工作业面用电应符合临时用电的要求,其照明应满足安全作业的需要。
7.4.1.喷射混凝土作业前应清除工作面松动的岩石,确认作业区无塌方、落石等危险源存在。
7.4.3非施工人员不得进入正在进行喷射混凝土的作业区,施工中喷嘴前严禁站人。
7.4.4喷射混凝土作业中如发生输料管路堵塞或爆裂时,必须依次停止投料、送水和供风。
7.4.5喷射混凝土施工中应经常检查输料管、接头的使用情况,当有磨损、击穿或松脱时应及时处理。
7.4.6在有水地段喷射混凝土前应对渗漏水进行处理,应将分散的渗水集中引出,严禁采用防水布或铁皮等遮盖材料大面积引水,造成喷射混凝土与岩面分离。
喷射混凝土中采用特殊添加材料在有水地段直接作业时,应先进行试验,满足要求后方可推广使用。
成都第二绕城高速公路东段项目
喷射混凝土检查记录表
施工单位:合同号:
监理单位:编号:
路基记录表28 工程名称砌筑防护工程施工时间
桩号及部位K**+***-K**+***段喷射混凝土防护检验时间
施工部位喷射混凝土防护喷射混凝土
标号
C20
速凝剂及掺量
项次检查项目允许值检查频率设计值实测数据或偏差值
1
喷层厚度
(全部检查孔处的厚度60%以上不应小于
设计厚度;最小值不应小于设计厚度的
一半)
平均值
≮设计值
7点/10m 10cm
7点/10m 10cm
7点/10m 10cm
7点/10m 10cm
7点/10m 10cm
7点/10m 10cm
7点/10m 10cm
7点/10m 10cm
7点/10m 10cm
7点/10m 10cm
2 配
合
比
水泥与砂石符合设计205、210、208、212
砂率符合设计
水灰比符合设计
检查质检负责人
监理
意见签字:年月日。
成都至南部高速公路工程项目混凝土施工检查记录表承包单位:合同号:监理单位:编号:桥梁记录表1试验室主任:质检负责人:监理员:钻孔桩终孔后灌注混凝土前现场检查记录表承包单位:合同号:监理单位:编号:桥梁记录表2检查人:质检负责人:技术负责人: 监理员:灌注桩水下混凝土灌注现场记录表承包单位:合同号:监理单位:编号:桥梁记录表3检查人:质检负责人:技术负责人: 监理员:成都至南部高速公路工程项目桥涵基坑现场检测记录表承包单位:合同号:监理单位:编号:桥梁记录表4检查人:质检负责人:技术负责人: 监理员:模板、支架及拱架安装检查记录表承包单位:合同号:监理单位:编号:检查人:质检负责人:技术负责人: 专业监理工程师:模板、支架及拱架制作检查记录表承包单位:合同号:监理单位:编号:检查人:质检负责人:技术负责人: 专业监理工程师:成都至南部高速公路工程项目预应力孔道压浆记录表承包单位:合同号:监理单位:编号:记录:操作:质检负责人:技术负责人:监理员:成都至南部高速公路工程项目预应力孔道压浆记录表(真空压浆)承包单位:合同号:监理单位:编号:记录:操作:质检负责人:技术负责人:监理员:成都至南部高速公路工程项目预应力管道检查记录表承包单位:合同号:监理单位:编号:检查人:质检负责人:技术负责人:监理员:成都至南部高速公路工程项目预应力张拉质量现场记录表操作:记录:质检负责人:技术负责人:监理员:成都至南部高速公路工程项目封端检查记录表承包单位:合同号:监理单位:编号:检查人:质检负责人:技术负责人:监理员:成都至南部高速公路工程项目预制构件底座记录表承包单位:合同号:监理单位:编号:检查人:质检负责人:技术负责人:监理员:成都至南部高速公路工程项目桥(涵)台背回填检查记录表承包单位:合同号:监理单位:编号:检查人:质检负责人:技术负责人:监理员:成都至南部高速公路工程项目钻孔记录表承包单位:合同号:监理单位:编号:桥梁记录表14记录人:施工班长:质检负责人:技术负责人:监理员:成都至南部高速公路工程项目人工挖孔桩挖孔记录表承包单位:合同号:监理单位:编号:记录表15检查人:质检负责人:技术负责人:监理员:。
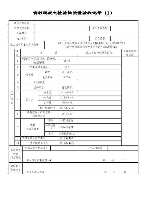
适用范围:本表适用于喷锚暗挖法喷射混凝土分项工程质量的验收。
检验批的划分:每一喷射段。
主控项目1. 水泥进场时应对其品种、级别、包装或散装仓号、出厂日期等进行检查,并应对其强度、安定性及其他必要的性能指标进行复验,其质量必须符合现行国家标准《硅酸盐水泥、普通硅酸盐水泥》GB175等的规定。
当在使用中对水泥质量有怀疑或水泥出厂超三个月(快硬硅酸盐水泥超过一个月)时,应进行复验,并按复验结果使用。
钢筋混凝土结构、预应力混凝土结构中,严禁使用含氯化物的水泥。
检查数量:按同一生产厂家、同一等级、同一品种、同一批号且连续进场的水泥,袋装不超过200t 为一批,散装不超过500t为一批,每批抽样不少于一次。
检验方法:检查产品合格证、出厂检验报告和进场复验报告。
2. 细骨料:采用中砂或粗砂,细度模数应大于2.5。
检验方法:检查砂试验报告或混凝土配合比通知单。
3. 粗骨料:采用卵石或碎石,粒径不应大于15㎜,骨料级配符合规范GB50299-1999表7.6.7的要求。
检验方法:检查碎(卵)石试验报告。
检查数量:按进场的批次和产品的抽样方案确定。
每个工作班抽查不应少于一次。
检验方法:复称。
4. 混凝土中掺用外加剂的质量及应用技术应符合现行国家标准《混凝土外加剂》GB8076、《混凝土外加剂应用技术规范》GB50119等和有关环境保护的规定。
预应力混凝土结构中,严禁使用含氯化物的外加剂。
钢筋混凝土结构中,当使用含氯化物的外加剂时,混凝土中的氯化物的总含量应符合现行国家标准《混凝土质量控制标准》GB50146的规定。
检查数量:按进场的批次和产品的抽样检验方法确定。
检验方法:检查产品的合格证、出厂检验报告和进场复验报告。
5. 搅拌混凝土宜采用饮用水;当采用其他水源时,水质应符合国家现行标准《混凝土拌合用水标准》JGJ63规定。
检查数量:同一水源检查不应少于一次。
检验方法:检查水质试验报告。
6. 混凝土必须按国家现行标准《普通混凝土配合比设计规程》JGJ55的有关规定,根据混凝土的强度等级、耐久性和工作性等要求进行配合比设计。
.喷射混凝土厚度检测第一节喷射混凝土厚度喷射混凝土支护的作用主要有两个, 一是加固围岩, 阻止其碎胀变形, 保持工程稳定; 二是及时封闭围岩, 防止其风化, 保持工程围岩自持能力. 要达到上述目的关键是确保喷射混凝土支护的施工质量. 质量检验指标除了前述喷射土单向抗压强度外,喷射混凝土的厚度也是一个重要指标.喷射混凝土指混凝土喷层至工程围岩接触界面间的距离.根据工程围岩稳定性, 断面面积, 工程性质和服务年限等因素, 喷射混凝土的设计厚为50~200mm;喷砂浆的设计厚度为10~30mm。
实际工程中,如果喷射混凝土的厚度达不到设计要求,会引起喷层开裂和剥落,甚至影响工程的安全使用. 从喷射混凝土施工枝术和施工管理方面分析有以下3个原因;(1)光爆效果差, 巷道断面形成不好, 导致超挖处混凝土喷层过厚, 而欠挖处喷层又过薄.(2)由于向巷道顶部喷射混凝土时回弹量大,施工操作困难, 导致顶部混凝土喷层达不到厚度.(3)施工管理严, 没有采取诸如拉线复喷,埋设标桩等严格控制喷厚的措施.此外, 缺乏方便, 可告靠的喷层厚度检测手段和方法, 难以对喷层厚度进行有效的质量监督和控制, 也是喷射混凝土厚度质量失控的一个重要原因.因此, 锚喷工程中喷射混凝土厚度的检测是控制喷射混凝土施工质量的重要环节. 在《煤矿井巷工程质量检验评定标准》中, 喷层厚度检测被例为质量等级评定的基本项目. 也是保证工程质量的主要检查项目.第二节喷射混凝土厚度检测方法喷射混凝土厚度是反映其工程质量的重要指标之一. 迄今为止, 国内外尚没有一个有效的方法解决现厂施工中喷射混凝土厚度的检测问题. 目前, 被例入《煤矿井巷工程质量检验评定标准》以及《锚杆喷射混凝土支护枝术规范》中的测厚方法有针探法和打孔尺量法. 铁道, 水利等系统对电测法, 中子测厚法, 超声波测厚法等无损检测方法进行了研究. 但要在煤矿井下这此方法, 还有许多枝术问题难以解决. 鉴于此, 山东矿业学院研究人员提出了两种新的喷射混凝土厚度检测枝术, 即取芯法测厚和对比法测厚. 该测厚枝术是山东矿业学院课题组承担和完成的“八五”国家科枝攻关项目“描喷支护施工质量检测枝术”的主要研究成果之一.一, 取芯法测厚取芯法测厚指用ZQH6混凝土取样钻机在喷层上钻取直径为Ф25mm或Ф300mm的芯样, 直接量取芯样长度, 依此作为检查喷射混凝土厚度的依据.一, 取芯法测厚具有下列优点;(1)取芯法测厚可以在进行点荷载法检测喷射混凝土强度的同时获得厚度数据 , 不需要其他专门机具.(2)ZQH6混凝土取样钻机具有防爆, 重量轻, 手持操作等特点, 取芯快速, 完整.(3)取芯法测厚属微破损检测,量取混凝土芯样长度作为喷层厚度, 直观, 准确.ZQH6混凝土取样钻机的性能, 技术参数和钻机操作方法等内容在第三章第二节中已有详细说明, 这里不再赘述.二, 针深法测厚针深法测厚是在喷射混凝土凝结前将一金属探针打至混凝土喷层与岩石界面, 量测探针打入深度以确定喷层厚度的方法.由于喷射混凝土初凝和终凝时间短, 混凝土一旦凝固后, 探针很难打入喷层中, 所以, 针探法时间性很强, 只能作为班组对喷厚现场自检的一种方法, 不能作于喷射混凝土工程中间验收和竣工验收时的厚度检测.三, 打孔尺量法测厚打孔尺量法测厚是先用凿岩机向喷层打眼, 估计透至岩层即止, 然后用尺子量取其深度, 作为喷层厚度.打孔尺量法测厚, 当测点位于较低的位置, 借助于矿灯灯光, 仅凭质检人员的眼睛, 很难确准判断喷层深处混凝土与围岩接触界面的位置, 也就很难量出喷层的准确深度, 当测点位置较高时, 则用木棍深入孔中拧转一下, 视棍端沾染上的岩粉印痕估计深度. 这种测量喷层厚度的方法显然是不科学的, 也难保证检测结果的准确性.四, 对比法测厚在喷射混凝土前, 用 GCL-1超声波断面量测仪器量测工程断面尺寸, 并绘出荒断面图 .喷射混凝土后, 在相应断面处, 用上述仪器量测断面尺寸, 并在原荒断面图上绘出喷射混凝土后的断面轮廓, 将两个不同的断面尺寸, 进行比较, 或进行定点比效, 即可知道喷射混凝土厚度状况.GCL-1超声波断面量测仪, 根据井巷工程规格检测的实际需要,除主机外,配套设置量测仪的定位, 调整装置, 能准确快速, 可靠的对各种类型的井巷工程断面进行全方位的测距. 借助于该议器, 在工程同一位置, 进行喷射混凝土前后的两次量测, 经比较, 应能迅速得知该工程断面周边上任一点的喷射混凝土的厚度. 因此, 超声测距是一种先进而科学的测厚方法, 尤其是对大断面地下工程的喷层测厚更显示出其迅速, 准确的优点.由于对比法测厚的两次测距必须在工程的同一位置进行, 因此, 难以实现对喷射混凝土喷层厚度的随机抽样检验.综上所述, 检测喷射混凝土厚度的取芯法, 针探法, 打孔尺量法和对比法各有其优缺点. 实践表明, 取芯法是上述4种方法中最为准确, 可靠, 方便实用的井下喷射混凝土测厚方法.第三节喷射砼厚度检测程序喷射砼厚度检测包括确定检查点数量, 检查点所在位置, 确定检查点内测点数极其位置. 厚度检测试验等4个步骤.一, 确定喷射混凝土厚度检测的检查点数检查点数量的多少与检查结果的代表性, 检测效率和成本有直接关系. 检查点数量大少, 难以全面反映待检工程实际喷厚状况. 反之, 数量过多, 会大大增加检测工作量的成本. 因此, 必须合理确定待检工程喷层厚度检查点数量. 可按表4-1确定喷射混凝土厚度检测的检查点数量.表4-1 喷射混凝土厚度检查点的数量二, 确定检查点所在位置为排除确定检查点位置时人的主观因素干优喷射混凝土喷层厚度检查点的位置一般应采取随机抽样方法来确定. 其作法是; 用系统随机抽样的方法, 将比较长的待检工程分成若干较短的检查段, 在每个检查段中用单纯随机抽样法确定该检查段内的检查点位置.用随机抽样方法, 使检查点能相对均匀地分布在待检工程的整个长度上, 这对于厚度不均匀的喷射混凝土工程来说是一种较为理想的确定检查点位置的方式.三. 确定检查点内测点数及其位置,]根据《锚喷支护工程质量检测规程》规定, 检测喷射混凝土厚度时, 应在检查点断面内均匀选3个测点.四, 喷射混凝土厚度检测试验进行混凝土喷层厚度检测实验时, 可选用前述的取芯法, 外探法, 打孔尺量法, 对比法等4种方法其中一种, 一般应优先采用取芯法测厚. 检测数据填人记录表4-2.表4-2 喷射混凝土厚度检测记录表工程名称; 施工单位; 施工日期:2007年6月20日审核; 检测日期年月日第四节喷射混凝土厚度质量评判喷射混凝土厚度是其质量等级评定的基本项目, 也是保证工程质量的主要检查项目, 分为“合格”和“优良”两个等级. 待检工程喷射混凝土厚度质量等级根据检查点质量等级判定. 而检查点质量等级又是根据检查点内测点的质量等级评判. 评判等级如下;(1)喷层厚度不小于设计值的90﹪的测点判为合格, 不小于设计值的测点判为优良(2)检查点中有75﹪及以上的测点的喷层厚度符合合格规定, 其余测点的喷层厚度不影响安全使用, 且最不厚度不小于设计值的50﹪及其以上的测点符合优良规定, 该检查点为优良.(3)每个检查点的喷层厚度均符合合格规定,则将该待检工程喷射混凝土厚度判为合格; 若有50﹪及其以上的检查点的喷层厚度符合优良规定, 则将该待检工程喷射混凝土厚度判为优良.(4)喷射混凝土厚度检测情况应随时记录, 记录表的内容应符合表4-2的要求.。
喷射混凝土作业安全检查记录表1. 检查时间和地点
1.1 时间
•检查时间:2021年10月10日
•检查开始时间:上午9:00
•检查结束时间:上午10:30
1.2 地点
•检查地点:XX大厦一期工程施工现场
2. 检查人员
2.1 建设单位
•建设单位:XX公司
•检查人员:张三、李四
2.2 施工单位
•施工单位:XX建筑工程有限公司
•检查人员:王五、赵六
3.1 安全生产许可证
•施工单位是否具备喷射混凝土作业资质;•安全生产许可证是否在有效期内。
3.2 现场安全
•施工现场是否设立了安全警示标志;•施工现场是否布置了警戒线;
•作业人员是否穿戴了安全防护用品;•施工现场是否存在安全隐患。
4. 检查结果
4.1 安全生产许可证
•施工单位具备喷射混凝土作业资质;•安全生产许可证在有效期内。
4.2 现场安全
•施工现场设立了安全警示标志;
•施工现场布置了警戒线;
•作业人员穿戴了安全防护用品;
•施工现场不存在安全隐患。
经检查,喷射混凝土作业的施工现场安全情况良好,作业人员穿着合格的安全防护用品,施工单位具备喷射混凝土作业资质,安全生产许可证在有效期内。
检查结束后,建议工程负责人继续加强对施工现场的安全管理,确保施工现场一直保持良好的安全状态。