混凝土配比表[专题]
- 格式:doc
- 大小:24.50 KB
- 文档页数:7
混凝土配比表混凝土按强度分成若干强度等级,混凝土的强度等级是按立方体抗压强度标准值fcu,k划分的。
立方体抗压强度标准值是立方抗压强度总体分布中的一个值,强度低于该值得百分率不超过5%,即有95%的保证率。
混凝土的强度分为C7.5、C10、C15、C20、C25、C30、C35、C40、C45、C50、C55、C60等十二个等级。
混凝土配合比是指混凝土中各组成材料(水泥、水、砂、石)之间的比例关系。
有两种表示方法:一种是以1立方米混凝土中各种材料用量,如水泥300千克,水180千克,砂690千克,石子1260千克;另一种是用单位质量的水泥与各种材料用量的比值及混凝土的水灰比来表示,例如前例可写成:C:S:G=1:2.3:4.2,W/C=0.6。
常用等级C20水:175kg水泥:343kg 砂:621kg 石子:1261kg配合比为:0.51:1:1.81:3.68C25水:175kg水泥:398kg 砂:566kg 石子:1261kg配合比为:0.44:1:1.42:3.17C30水:175kg水泥:461kg 砂:512kg 石子:1252kg配合比为:0.38:1:1.11:2.72. .普通混凝土配合比参考:水泥品种混凝土等级配比(单位)Kng 塌落度mm 抗压强度N/mm2水泥砂石水7天28天P.C32.5 C20 300 734 1236 195 35 21.0 29.0 1 2.45 4.12 0.65C25 320 768 1153 208 45 19.6 32.1 1 2.40 3.60 0.65C30 370 721 1127 207 45 29.5 35.2 1 1.95 3.05 0.56C35 430 642 1094 172 44 32.8 44.1 1 1.49 2.54 0.40C40 480 572 1111 202 50 34.6 50.7 1 1.19 2.31 0.42 P.O 32.5 C20 295 707 1203 195 30 20.2 29.1 1 2.40 4.08 0.66C25 316 719 1173 192 50 22.1 32.4 1 2.28 3.71 0.61C30 366 665 1182 187 50 27.9 37.6 1 1.82 3.23 0.51C35 429 637 1184 200 60 30.***6.2 1 1.48 2.76 0.47C40 478 *** 1128 210 60 29.4 51.0 1 1.33 2.36 0.44P.O 32.5R C25 321 749 1173 193 50 26.6 39.1 1 2.33 3.65 0.60C30 360 725 1134 198 60 29.4 44.3 1 2.01 3.15 0.55C35 431 643 1096 190 50 39.0 51.3 1 1.49 2.54 0.44C40 480 572 1111 202 40 39.3 51.0 1 1.19 2.31 0.42P.O 42.5(R) C30 352 676 1202 190 55 29.***5.2 1 1.92 3.41 0.54C35 386 643 1194 197 50 34.5 49.5 1 1.67 3.09 0.51C40 398 649 1155 199 55 39.5 55.3 1 1.63 2.90 0.50C50 496 606 1297 223 45 38.4 55.9 1 1.22 2.61 0.45 PII 42.5R C30 348 652 1212 188 50 31.***6.0 1 1.87 3.48 0.54C35 380 639 1187 194 50 35.0 50.5 1 1.68 3.12 0.51C40 398 649 1155 199 55 39.5 55.3 1 1.63 2.90 0.50C45 462 618 1147 203 4***2.7 59.1 1 1.34 2.48 0.44C50 480 633 1115 192 25 45.7 62.8 1 1.32 2.32 0.40 P.O 52.5R C40 392 645 1197 196 53 40.2 55.8 1 1.64 3.05 0.50C45 456 622 1156 19***2 43.5 59.5 1 1.36 2.53 0.43C50 468 626 1162 192 30 45.2 61.6 1 1.33 2.47 0.41 此试验数据为标准实验室获得,砂采用中砂,细度模数为2.94,碎石为5~31.5mm 连续粒级。
混凝土配合比表(2)中国混凝土网中国混凝土与水泥制品网[2009-8-7]
混凝土配合比表(3)
水泥砂浆配合比表单位:立方米
石灰砂浆配合比表单位:立方米
混合砂浆配合比表单位:立方米
混合砂浆配合比续表单位:立方米
其它灰浆浆比表单位:立方米
其它灰浆浆比续表单位:立方米
水泥石碴(豆石)浆配合比表单位:立方米
豆石砼及灰土配合比表单位:立方米
水泥蛭石(珍珠岩)配合比表单位:立方米
水泥焦渣配合比表
单位:立方米
陶粒砼配合比表单位:立方米
普通砼配合比续表单位:立方米
特种砂浆、砼配合比表单位:立方米
特种砂浆、砼配合比续表 1 单位:立方米
特种砂浆、砼配合比续表 2 单位:立方米
特种砂浆、砼配合比续表 3 单位:立方米
特种砂浆、砼配合比续表 4 单位:立方米
摘自北京市建设工程概算定额建筑工程第一册土建(下册)。
普通水泥混凝土配合比参考表水泥的标号是水泥“强度”的指标。
水泥的强度是表示单位面积受力的大小,是指水泥加水拌和后,经凝结、硬化后的坚实程度(水泥的强度与组成水泥的矿物成分、颗粒细度、硬化时的温度、湿度、以及水泥中加水的比例等因素有关).水泥的强度是确定水泥标号的指标,也是选用水泥的主要依据。
测定水泥强度的方法用前是“软练法”。
目录此法是将1:3的水泥、标准砂(福建平潭白石英砂)及规定的水,按照规定的方法与水泥拌制成软练胶砂,制成7.07 X 7.07 X 7.07厘米的立方体抗压试块与8字形抗拉试块,在标准条件下进行养护,分别测定其3天、7天及28天的抗压强度和抗拉强度,以分组试块的28天平均抗压强度来确定水泥的标号,但3天、7天的技压强度也必须满足规定的要求。
目前我国生产的水泥一般有225#、325#、425#、525#等几种标号。
生产不同标号的水泥,是为了适应制做不同标号的混凝土的需要.标准水泥的标号是水泥强度大小的标志,测定水泥标号的抗压强度,系指水泥砂浆硬结28d后的强度。
例如检测得到28d后的抗压强度为310 kg/cm2,则水泥的标号定为300号。
抗压强度为300-400 kg/cm2者均算为300号.普通水泥有:200、250、300、400、500、600六种标号。
200号—300号的可用于一些房屋建筑。
400号以上的可用于建筑较大的桥梁或厂房,以及一些重要路面和制造预制构件。
关于水泥标号的用法,其实并没有非常精细的规定,一般来说,设计图纸中会给出明确的规定。
在民用建筑工程中,一般用的比较多的是普通硅酸盐水泥和矿渣硅酸盐水泥。
标号一般常用的有P。
O 32.5/42。
5,P.S 32.5/42。
5。
有325的和425的 325的250元-—300元 425的360—-450元品牌,地区不一样价格就不一样关于水泥标号通用水泥新标准是:GB175-1999《硅酸盐水泥、普通硅酸盐水泥》、GB1344—1999《矿渣硅酸盐水泥、火山灰硅酸盐水泥及粉煤灰硅酸盐水泥》、GB12958-1999《复合硅酸盐水泥》.从2001年4月1日起正式实施。
水泥混凝土配合比参考表
单位:1m3混凝土
续上表单位:1m3混凝土
续上表单位:1m3混凝土
续上表单位:1m3混凝土
续上表单位:1m3混凝土
注:
(1)采用细砂配制混凝土时,每立方米混凝土的水泥用量增加4%;
(2)表列各种混凝土标号的水泥用量,系按机器捣固计算,如果用人工捣固时,每立方米混凝土应增加水泥用量25kg;
(3)材料消耗数量已包括场内运输及操作损耗在内;
(4)公路水下构造物每立方米混凝土水泥用量机械捣固不应少于240kg,人工捣固不应少于265kg;
(5)采用输送泵输送混凝土时,混凝土的运输与操作损耗按4%计算;
(6)采用输送泵输送混凝土时,每10m3混凝土拌和与养生用水为:
现浇混凝土基础 18m3 现浇混凝土上部构造 21m3
现浇混凝土下部构造 18m3 预制混凝土 22m3。
水泥混凝土配合比参考表U我公司同时生产不同强度等级的不同品种水泥,除早期强度.施工性能和工性能有所区别外,28天强度指标基本相同,故本参考配合比没有区分。
2、当掺和掺合料时,采用内掺法可等量或超量取代,最大取代量应根据掺合料性能进行强度对比实驶结果而定。
3、配制流态性混眾土时,参考配比试验所采用的是减水率在15$以上的高效减水剂。
k参考配比试验所有砂石为丨丨区中砂,石子为5-31. 5m(n的连续级配的碎石。
水泥标号百科名片水泥的标号是水泥“强度”的指标。
水泥的强度是表示单位面积受力的大小,是指水泥加水拌和后,经凝结、硬化后的坚实程度(水泥的强度与组成水泥的矿物成分、颗粒细度、硬化时的温度、湿度、以及水泥中加水的比例等因素有关)。
水泥的强度是确定水泥标号的指标,也是选用水泥的主要依据。
测定水泥强度的方法用前是“软练法”。
目录基本信息水泥的标号常见问题基本信息水泥的标号常见问题展开编辑本段基本信息此法是将1: 3的水泥、标准砂(福建平潭白石英砂)及规定的水,按照规定的方法与水泥拌制成软练胶砂,制成7. 07 X 7. 07 X 7. 07厘米的立方体抗压试块与8字形抗拉试块,在标准条件下进行养护,分别测定其3天、7天及28天的抗压强度和抗拉强度,以分组试块的28天平均抗压强度来确定水泥的标号,但3天、7天的技压强度也必须满足规定的要求。
目前我国生产的水泥一般有225#、325#、425#、525#等几种标号。
生产不同标号的水泥,是为了适应制做不同标号的混凝土的需要。
编辑本段水泥的标号标准水泥的标号是水泥强度大小的标志,测定水泥标号的抗压强度,系指水泥砂浆硬结28d后的强度。
例如检测得到28d后的抗压强度为310kg/cm2, 则水泥的标号定为300号。
抗压强度为300-400 kg/cm2者均算为300号。
普通水泥有:200、250、300、400、500、600六种标号。
200号-300号的可用于一些房屋建筑。
混凝土配比表混凝土按强度分成若干强度等级,混凝土的强度等级是按立方体抗压强度标准值fcu,k划分的。
立方体抗压强度标准值是立方抗压强度总体分布中的一个值,强度低于该值得百分率不超过5%,即有95%的保证率。
混凝土的强度分为C7.5、C10、C15、C20、C25、C30、C35、C40、C45、C50、C55、C60等十二个等级。
混凝土配合比是指混凝土中各组成材料(水泥、水、砂、石)之间的比例关系。
有两种表示方法:一种是以1立方米混凝土中各种材料用量,如水泥300千克,水180千克,砂690千克,石子1260千克;另一种是用单位质量的水泥与各种材料用量的比值及混凝土的水灰比来表示,例如前例可写成:C:S:G=1:2.3:4.2,W/C=0.6。
常用等级C20水:175kg水泥:343kg 砂:621kg 石子:1261kg配合比为:0.51:1:1.81:3.68C25水:175kg水泥:398kg 砂:566kg 石子:1261kg配合比为:0.44:1:1.42:3.17C30水:175kg水泥:461kg 砂:512kg 石子:1252kg配合比为:0.38:1:1.11:2.72. .普通混凝土配合比参考:水泥品种混凝土等级配比(单位)Kng 塌落度mm 抗压强度N/mm2水泥砂石水7天28天P.C32.5 C20 300 734 1236 195 35 21.0 29.0 1 2.45 4.12 0.65C25 320 768 1153 208 45 19.6 32.1 1 2.40 3.60 0.65C30 370 721 1127 207 45 29.5 35.2 1 1.95 3.05 0.56C35 430 642 1094 172 44 32.8 44.1 1 1.49 2.54 0.40C40 480 572 1111 202 50 34.6 50.7 1 1.19 2.31 0.42 P.O 32.5 C20 295 707 1203 195 30 20.2 29.1 1 2.40 4.08 0.66C25 316 719 1173 192 50 22.1 32.4 1 2.28 3.71 0.61C30 366 665 1182 187 50 27.9 37.6 1 1.82 3.23 0.51C35 429 637 1184 200 60 30.***6.2 1 1.48 2.76 0.47C40 478 *** 1128 210 60 29.4 51.0 1 1.33 2.36 0.44P.O 32.5R C25 321 749 1173 193 50 26.6 39.1 1 2.33 3.65 0.60C30 360 725 1134 198 60 29.4 44.3 1 2.01 3.15 0.55C35 431 643 1096 190 50 39.0 51.3 1 1.49 2.54 0.44C40 480 572 1111 202 40 39.3 51.0 1 1.19 2.31 0.42P.O 42.5(R) C30 352 676 1202 190 55 29.***5.2 1 1.92 3.41 0.54C35 386 643 1194 197 50 34.5 49.5 1 1.67 3.09 0.51C40 398 649 1155 199 55 39.5 55.3 1 1.63 2.90 0.50C50 496 606 1297 223 45 38.4 55.9 1 1.22 2.61 0.45 PII 42.5R C30 348 652 1212 188 50 31.***6.0 1 1.87 3.48 0.54C35 380 639 1187 194 50 35.0 50.5 1 1.68 3.12 0.51C40 398 649 1155 199 55 39.5 55.3 1 1.63 2.90 0.50C45 462 618 1147 203 4***2.7 59.1 1 1.34 2.48 0.44C50 480 633 1115 192 25 45.7 62.8 1 1.32 2.32 0.40 P.O 52.5R C40 392 645 1197 196 53 40.2 55.8 1 1.64 3.05 0.50C45 456 622 1156 19***2 43.5 59.5 1 1.36 2.53 0.43C50 468 626 1162 192 30 45.2 61.6 1 1.33 2.47 0.41 此试验数据为标准实验室获得,砂采用中砂,细度模数为2.94,碎石为5~31.5mm 连续粒级。
混凝土配比表混凝土按强度分成若干强度等级,混凝土的强度等级是按立方体抗压强度标准值 fcu,k 划分的。
立方体抗压强度标准值是立方抗压强度总体分布中的一个值, 强度低于该值得百分率不超过5%,即有95%的保证率。
混凝土的强度分为 C7.5、C10、C15、C20、C25、C30、C35、C40、C45、C50、C55、C60 等十二个等级。
混凝土配合比是指混凝土中各组成材料(水泥、水、砂、石)之间的比例关系。
有两种表示方法:一种是以 1立方米混凝土中各种材料用量,如水泥 300千克,水180千克, 砂690千克,石子1260千克;另一种是用单位质量的水泥与各种材料用量的比值及混凝土 的水灰比来表示,例如前例可写成:C:S:G=1:2.3:4.2,W/C=0.6 。
水:175kg 水泥:398kg 砂:566kg 石子:1261kg 配合比为:0.44:1:1.42:3.17 C30水:175kg 水泥:461kg 砂:512kg 石子:1252kg 配合比为:0.38:1:1.11:2.72普通混凝土配合比参考: 水泥品种混凝土等级 配比(单位)Kng 塌落度mm 抗压强度 N/mm2 水泥砂石水7天28天 P.C32.5 C20 300 734 1236 195 35 21.0 29.01 2.45 4.12 0.65C25 320 768 1153 208 45 19.6 32.1 C30 370 721 1127 207 45 29.5 35.21 2.40 3.60 0.651 1.95 3.05 0.56C35 430 642 1094 172 44 32.8 44.11 1.49 2.54 0.40 C40 480 572 1111 202 50 34.6 50.71 1.19 2.31 0.42P.O 32.5 C20 295 707 1203 195 3020.2 29.1 1 2.404.08 0.66C25 316 719 1173 192 50 22.1 32.4 1 2.28 3.71 0.61C30 366 665 1182 187 50 27.9 37.61 1.82 3.23 0.51C35 429 637 1184 200 60 30.***6.2 1 1.48 2.76 0.47C40 478 *** 1128 210 60 29.4 51.01 1.33 2.360.44P.O 32.5R C25 321 749 1173 193 50 26.6 39.11 2.33 3.65 0.60C30 360 725 1134 198 60 29.4 44.31 2.01 3.15 0.55C35 431 643 1096 190 50 39.0 51.3 1 1.49 2.54 0.44C40 480 572 1111 202 40 39.3 51.01 1.19 2.31 0.42C45 456 622 1156 19***2 43.5 59.5 1 1.36 2.53 0.43C50 468 626 1162 192 30 45.2 61.6 1 1.33 2.47 0.41 此试验数据为标准实验室获得,砂采用中砂,细度模数为2.94 ,碎石为5〜31.5mm连续粒级。
单位:1m3混凝土
注:
(1)采用细砂配制混凝土时,每立方米混凝土的水泥用量增加4%;
(2)表列各种混凝土标号的水泥用量,系按机器捣固计算,如果用人工捣固时,每立方米混凝土应增加水泥用量25kg;(3)材料消耗数量已包括场内运输及操作损耗在内;
(4)公路水下构造物每立方米混凝土水泥用量机械捣固不应少于240kg,人工捣固不应少于265k g;
(5)采用输送泵输送混凝土时,混凝土的运输与操作损耗按4%计算;
(6)采用输送泵输送混凝土时,每10m3混凝土拌和与养生用水为:
现浇混凝土基础 18m3 现浇混凝土上部构造 21m3
现浇混凝土下部构造 18m3 预制混凝土 22m3
精品文档word文档可以编辑!谢谢下载!。
混凝土配比表混凝土按强度分成若干强度等级,混凝土的强度等级是按立方体抗压强度标准值fcu,k划分的。
立方体抗压强度标准值是立方抗压强度总体分布中的一个值,强度低于该值得百分率不超过5%,即有95%的保证率。
混凝土的强度分为C7.5、C10、C15、C20、C25、C30、C35、C40、C45、C50、C55、C60等十二个等级。
混凝土配合比是指混凝土中各组成材料(水泥、水、砂、石)之间的比例关系。
有两种表示方法:一种是以1立方米混凝土中各种材料用量,如水泥300千克,水180千克,砂690千克,石子1260千克;另一种是用单位质量的水泥与各种材料用量的比值及混凝土的水灰比来表示,例如前例可写成:C:S:G=1:2.3:4.2,W/C=0.6。
常用等级C20水:175kg水泥:343kg 砂:621kg 石子:1261kg配合比为:0.51:1:1.81:3.68C25水:175kg水泥:398kg 砂:566kg 石子:1261kg配合比为:0.44:1:1.42:3.17C30水:175kg水泥:461kg 砂:512kg 石子:1252kg配合比为:0.38:1:1.11:2.72普通混凝土配合比参考:水泥品种混凝土等级配比(单位)Kng 塌落度mm 抗压强度N/mm2水泥砂石水7天28天P.C32.5 C20 300 734 1236 195 35 21.0 29.0 1 2.45 4.12 0.65C25 320 768 1153 208 45 19.6 32.1 1 2.40 3.60 0.65C30 370 721 1127 207 45 29.5 35.2 1 1.95 3.05 0.56C35 430 642 1094 172 44 32.8 44.1 1 1.49 2.54 0.40C40 480 572 1111 202 50 34.6 50.7 1 1.19 2.31 0.42P.O 32.5 C20 295 707 1203 195 30 20.2 29. 1 1 2.40 4.08 0.66C25 316 719 1173 192 50 22.1 32.4 1 2.28 3.71 0.61C30 366 665 1182 187 50 27.9 37.6 1 1.82 3.23 0.51C35 429 637 1184 200 60 30.***6.2 1 1.48 2.76 0.47C40 478 *** 1128 210 60 29.4 51.0 1 1.33 2.36 0.44P.O 32.5R C25 321 749 1173 193 50 26.6 39.1 1 2.33 3.65 0.60C30 360 725 1134 198 60 29.4 44.3 1 2.01 3.15 0.55C35 431 643 1096 190 50 39.0 51.3 1 1.49 2.54 0.44C40 480 572 1111 202 40 39.3 51.0 1 1.19 2.31 0.42P.O 42.5(R) C30 352 676 1202 190 55 29.***5.2 1 1.92 3.41 0.54C35 386 643 1194 197 50 34.5 49.5 1 1.67 3.09 0.51 C40 398 649 1155 199 55 39.5 55.3 1 1.63 2.90 0.50 C50 496 606 1297 223 45 38.4 55.9 1 1.22 2.61 0.45 PII 42.5R C30 348 652 1212 188 50 31.***6.0 1 1.87 3.48 0.54C35 380 639 1187 194 50 35.0 50.5 1 1.68 3.12 0.51C40 398 649 1155 199 55 39.5 55.3 1 1.63 2.90 0.50 C45 462 618 1147 203 4***2.7 59.1 1 1.34 2.48 0.44 C50 480 633 1115 192 25 45.7 62.8 1 1.32 2.32 0.40 P.O 52.5R C40 392 645 1197 196 53 40.2 55.8 1 1.64 3.05 0.50C45 456 622 1156 19***2 43.5 59.5 1 1.36 2.53 0.43 C50 468 626 1162 192 30 45.2 61.6 1 1.33 2.47 0.41 此试验数据为标准实验室获得,砂采用中砂,细度模数为2.94,碎石为5~31.5mm连续粒级。
混凝土配比表混凝土按强度分成若干强度等级,混凝土的强度等级是按立方体抗压强度标准值fcu,k划分的。
立方体抗压强度标准值是立方抗压强度总体分布中的一个值,强度低于该值得百分率不超过5%,即有95%的保证率。
混凝土的强度分为C7.5、C10、C15、C20、C25、C30、C35、C40、C45、C50、C55、C60等十二个等级。
混凝土配合比是指混凝土中各组成材料(水泥、水、砂、石)之间的比例关系。
有两种表示方法:一种是以1立方米混凝土中各种材料用量,如水泥300千克,水180千克,砂690千克,石子1260千克;另一种是用单位质量的水泥与各种材料用量的比值及混凝土的水灰比来表示,例如前例可写成:C:S:G=1:2.3:4.2,W/C=0.6。
常用等级:C20水:175kg;水泥:343kg;砂:621kg;石子:1261kg配合比为:0.51:1:1.81:3.68C25水:175kg;水泥:398kg;砂:566kg;石子:1261kg配合比为:0.44:1:1.42:3.17C30水:175kg;水泥:461kg;砂:512kg;石子:1252kg配合比为:0.38:1:1.11:2.72普通混凝土配合比参考:注:(1)采用细砂配制混凝土时,每立方米混凝土的水泥用量增加4%;(2)表列各种混凝土标号的水泥用量,系按机器捣固计算,如果用人工捣固时,每立方米混凝土应增加水泥用量25kg;(3)材料消耗数量已包括场内运输及操作损耗在内;(4)公路水下构造物每立方米混凝土水泥用量机械捣固不应少于240kg,人工捣固不应少于265kg;(5)采用输送泵输送混凝土时,混凝土的运输与操作损耗按4%计算;(6)采用输送泵输送混凝土时,每10m3混凝土拌和与养生用水为:●现浇混凝土基础18m3现浇混凝土上部构造21m3●现浇混凝土下部构造18m3预制混凝土22m3。
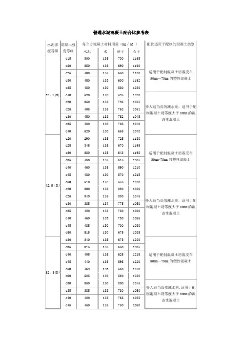
配比适用于配制的混凝土类别水泥水砂子石子c153001857301165c203501856901160c254001856501180c304501836001192c354801805801230c405201785251220c203501857951055c254051857681061c304501837521045c354801807051040c405201806551070c202901857251180c253451856701195c303801856481198c354301856151205c404601855901210c454801805701215c505101785451220c203001858301056c253401858001045c303851847751050c354201857501060c404601837301065c454851807001080c505151806751085c303401856751200c353751856501205c404051856251215c454401855951220c504681835601240c605251805301250c303501908001045c353851887801050c404201857651055c454501857501060c504801807301080c605251786751100水泥混凝土配合比参考表4、参考配比试验所有砂石为||区中砂,石子为5-31.4mm 的连续级配的碎石。
52.5(R)适用于配制混凝土坍落度在30mm-70mm 的塑性混凝土掺入适当高效减水剂,适用于配制混凝土坍落度大于80mm 的流态性混凝土备注除早期强度、施工性能和工性能有所区别外,28天强度指标基本相同,故本参考配合比没有区分。
2、当掺和掺合料时,采用内掺法可等量或超量取代,最大取代量应根据掺合料性能进行强度对比实验结果而定。
混凝土配比表[专题]混凝土配比表混凝土按强度分成若干强度等级,混凝土的强度等级是按立方体抗压强度标准值fcu,k划分的。
立方体抗压强度标准值是立方抗压强度总体分布中的一个值,强度低于该值得百分率不超过5%,即有95%的保证率。
混凝土的强度分为C7.5、C10、C15、C20、C25、C30、C35、C40、C45、C50、C55、C60等十二个等级。
混凝土配合比是指混凝土中各组成材料(水泥、水、砂、石)之间的比例关系。
有两种表示方法:一种是以1立方米混凝土中各种材料用量,如水泥300千克,水180千克,砂690千克,石子1260千克;另一种是用单位质量的水泥与各种材料用量的比值及混凝土的水灰比来表示,例如前例可写成:C:S:G=1:2.3:4.2,W/C=0.6。
常用等级C20水:175kg水泥:343kg 砂:621kg 石子:1261kg配合比为:0.51:1:1.81:3.68C25水:175kg水泥:398kg 砂:566kg 石子:1261kg配合比为:0.44:1:1.42:3.17C30水:175kg水泥:461kg 砂:512kg 石子:1252kg配合比为:0.38:1:1.11:2.72. .普通混凝土配合比参考:水泥品种混凝土等级配比 (单位)Kng 塌落度mm 抗压强度 N/mm2水泥砂石水 7天 28天P.C32.5 C20 300 734 1236 195 35 21.0 29.0 1 2.45 4.12 0.65C25 320 768 1153 208 45 19.6 32.1 1 2.40 3.60 0.65C30 370 721 1127 207 45 29.5 35.2 1 1.95 3.05 0.56C35 430 642 1094 172 44 32.8 44.1 1 1.49 2.54 0.40C40 480 572 1111 202 50 34.6 50.7 1 1.19 2.31 0.42P.O 32.5 C20 295 707 1203 195 30 20.2 29.1 1 2.404.08 0.66C25 316 719 1173 192 50 22.1 32.4 1 2.28 3.71 0.61C30 366 665 1182 187 50 27.9 37.6 1 1.82 3.23 0.51C35 429 637 1184 200 60 30.***6.2 1 1.48 2.76 0.47C40 478 *** 1128 210 60 29.4 51.0 1 1.33 2.360.44P.O 32.5R C25 321 749 1173 193 50 26.6 39.1 1 2.33 3.65 0.60 C30 360 725 1134 198 60 29.4 44.3 1 2.01 3.15 0.55C35 431 643 1096 190 50 39.0 51.3 1 1.49 2.54 0.44C40 480 572 1111 202 40 39.3 51.0 1 1.19 2.31 0.42P.O 42.5(R) C30 352 676 1202 190 55 29.***5.2 1 1.92 3.41 0.54 C35 386 643 1194 197 50 34.5 49.5 1 1.67 3.09 0.51C40 398 649 1155 199 55 39.5 55.3 1 1.63 2.90 0.50C50 496 606 1297 223 45 38.4 55.9 1 1.22 2.61 0.45PII 42.5R C30 348 652 1212 188 50 31.***6.0 1 1.87 3.48 0.54 C35 380 639 1187 194 50 35.0 50.5 1 1.68 3.12 0.51C40 398 649 1155 199 55 39.5 55.3 1 1.63 2.90 0.50C45 462 618 1147 203 4***2.7 59.1 1 1.34 2.48 0.44C50 480 633 1115 192 25 45.7 62.8 1 1.32 2.32 0.40P.O 52.5R C40 392 645 1197 196 53 40.2 55.8 1 1.64 3.05 0.50C45 456 622 1156 19***2 43.5 59.5 1 1.36 2.530.43C50 468 626 1162 192 30 45.2 61.6 1 1.33 2.47 0.41此试验数据为标准实验室获得,砂采用中砂,细度模数为2.94,碎石为5,31.5mm连续粒级。
各等级混凝土配比也可以通过掺加外加剂来调整。
1 混凝土标号与强度等级长期以来,我国混凝土按抗压强度分级,并采用“标号”表征。
1987年GBJ107-87标准改以“强度等级”表达。
DL/T5057-1996《水工混凝土结构设计规范》,DL/T5082-1998《水工建筑物抗冰冻设计规范》,DL5108-1999《混凝土重力坝设计规范》等,均以“强度等级”表达,因而新标准也以“强度等级”表达以便统一称谓。
水工混凝土除要满足设计强度等级指标外,还要满足抗渗、抗冻和极限拉伸值指标。
不少大型水电站工程中重要部位混凝土,常以表示混凝土耐久性的抗冻融指标或极限拉伸值指标为主要控制性指标。
过去用“标号”描述强度分级时,是以立方体抗压强度标准值的数值冠以中文“号”字来表达,如200号、300号等。
根据有关标准规定,混凝土强度等级应以混凝土英文名称第一个字母加上其强度标准值来表达。
如C20、C30等。
水工混凝土仅以强度来划分等级是不够的。
水工混凝土的等级划分,应是以多指标等级来表征。
如设计提出了4项指标C9020、W0.8、F150、εp0.85×10-4,即90 d抗压强度为20 MPa、抗渗能力达到0.8 MPa下不渗水、抗冻融能力达到150次冻融循环、极限拉伸值达到0.85×10-4。
作为这一等级的水工混凝土这4项指标应并列提出,用任一项指标来表征都是不合适的。
作为水电站枢纽工程,也有部分厂房和其它结构物工程,设计只提出抗压强度指标时,则以强度来划分等级,如其龄期亦为28 d,则以C20、C30表示。
2 混凝土强度及其标准值符号的改变在以标号表达混凝土强度分级的原有体系中,混凝土立方体抗压强度用“R”来表达。
根据有关标准规定,建筑材料强度统一由符号“f”表达。
混凝土立方体抗压强度为“fcu”。
其中,“cu”是立方体的意思。
而立方体抗压强度标准值以“fcu,k”表达,其中“k”是标准值的意思,例如混凝土强度等级为C20时,fcu,k=20N/mm2(MPa),即立方体28d抗压强度标准值为20MPa。
水工建筑物大体积混凝土普遍采用90d或180d龄期,故在C符号后加龄期下角标,如C9015,C9020指90d龄期抗压强度标准值为15MPa、20MPa的水工混凝土强度等级,C18015则表示为180d龄期抗压强度标准值为15MPa。
3 计量单位的变化过去我国采用公制计量单位,混凝土强度的单位为kgf/cm2。
现按国务院已公布的有关法令,推行以国际单位制为基础的法定计量单位制,在该单位体系中,力的基本单位是N(牛顿),因此,强度的基本单位为1 N/m2,也可写作1Pa。
标号改为强度等级后,混凝土强度计量单位改以国际单位制表达。
由于N/m2(Pa),数值太小,一般1N/mm2=106N/m2(MPa)作为混凝土强度的实际使用的计量单位,读作“牛顿每平方毫米”或“兆帕”。
单位:1m3混凝土普通混凝土碎(砾)石最大粒径(mm)20混凝土标号序号项目单位 15 20 25 30 35 40 45 50水泥标号325 325 425 325 425 325 425 425 525 425 525 525 5251 2 3 4 5 6 7 8 9 10 11 12 13 1 水泥 kg 294 354 297 412 343 474 390 436 383 482 424 464 504 2 中(粗)砂 m3 0.50 0.48 0.50 0.46 0.49 0.44 0.47 0.46 0.48 0.45 0.47 0.46 0.44 3 碎(砾)石 m3 0.88 0.84 0.88 0.80 0.850.77 0.82 0.80 0.84 0.79 0.81 0.79 0.77 4 片石 m3 —————————————续上表单位:1m3混凝土普通混凝土碎(砾)石最大粒径(mm)40混凝土标号序号项目单位 10 15 20 25 30 35 40水泥标号325 325 425 325 425 325 425 325 425 425 525 425 52514 15 16 17 18 19 20 21 22 23 24 25 26 1 水泥 kg 255 282 255 338 273 390 318 432 365 406 350 447 387 2 中(粗)砂 m3 0.52 0.51 0.52 0.49 0.52 0.47 0.50 0.46 0.49 0.48 0.50 0.47 0.49 3 碎(砾)石 m3 0.91 0.890.91 0.85 0.90 0.82 0.87 0.81 0.85 0.83 0.87 0.82 0.854 片石 m3 —————————————续上表单位:1m3混凝土普通混凝土水下混凝土防水混凝土泵送混凝土片石混凝土碎(砾)石最大粒径(mm)40 80 40 20 80混凝土标号序号项目单位 45 50 10 15 20 20 25 25 15 20 15水泥标号525 525 325 325 325 325 425 325 425 425 325 325 32527 28 29 30 31 32 33 34 35 36 37 38 39 1 水泥 kg 424 461 255 277 331 446 360 515 420 365 344 411 235 2 中(粗)砂 m3 0.47 0.46 0.52 0.52 0.49 0.47 0.53 0.45 0.50 0.49 0.60 0.57 0.44 3 碎(砾)石 m3 0.83 0.81 0.91 0.90 0.86 0.69 0.78 0.66 0.74 0.85 0.73 0.70 0.77 4 片石 m3 ———————————— 0.21 续上表单位:1m3混凝土泵送混凝土碎(砾)石最大粒径(mm)20 40混凝土标号序号项目单位 20 25 30 35 40 45 50 10 15水泥标号425 325 425 325 425 425 525 425 525 525 525 325 32540 41 42 43 44 45 46 47 48 49 50 51 52 1 水泥 kg 345 474 395 531 437 484 425 530 466 506 544 300 330 2 中(粗)砂 m3 0.60 0.55 0.58 0.53 0.57 0.56 0.58 0.54 0.56 0.55 0.54 0.62 0.61 3 碎(砾)石 m3 0.73 0.67 0.71 0.65 0.70 0.68 0.70 0.66 0.69 0.67 0.65 0.75 0.74 4 片石 m3 —————————————续上表单位:1m3混凝土泵送混凝土碎(砾)石最大粒径(mm)40混凝土标号序号项目单位 15 20 25 30 35 40 45 50水泥标号425 325 425 325 425 325 425 425 525 425 525 525 52553 54 55 56 57 58 59 60 61 62 63 64 65 1 水泥 kg 298 392 317 449366 484 409 451 389 492 426 462 4982 中(粗)砂 kg 0.62 0.58 0.61 0.56 0.60 0.56 0.58 0.57 0.59 0.56 0.58 0.57 0.563 碎(砾)石 m3 0.76 0.71 0.75 0.69 0.73 0.68 0.71 0.70 0.730.68 0.71 0.69 0.68 4 片石 m3 —————————————注:(1)采用细砂配制混凝土时,每立方米混凝土的水泥用量增加4%;(2)表列各种混凝土标号的水泥用量,系按机器捣固计算,如果用人工捣固时,每立方米混凝土应增加水泥用量25kg;(3)材料消耗数量已包括场内运输及操作损耗在内; (4)公路水下构造物每立方米混凝土水泥用量机械捣固不应少于240kg,人工捣固不应少于265kg;(5)采用输送泵输送混凝土时,混凝土的运输与操作损耗按4%计算;(6)采用输送泵输送混凝土时,每10m3混凝土拌和与养生用水为:现浇混凝土基础 18m3 现浇混凝土上部构造 21m3 现浇混凝土下部构造 18m3预制混凝土 22m3。