2021年最新最全混凝土配比表
- 格式:doc
- 大小:158.01 KB
- 文档页数:4
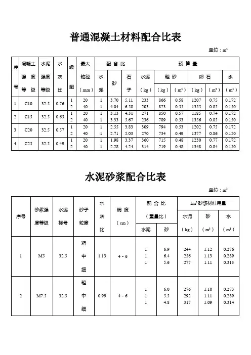
水泥混凝土配合比参考表水泥强度等级混凝土强度等每立方米混凝土材料用量(KG/m2 )配比适用于配置的混凝土类别级水泥水沙子石子32.5 32.5RC 1165C2 160适用于配料混凝土坍落度在30mm-70mm 的塑性混凝土C25 4 0C3 192C35 48C4 220C2 055C25 4 1C3 045掺入适当高效减水剂,适用于配置混凝土坍落度大于80mm 流态性混凝土C35 48C4 07042.5 42.5R C2 180适用于配料混凝土坍落度在30mm-70mm 的C25 345 185 670 1195C3 198塑性混凝土C35 43C4 210C45 48C5 220C2 056掺入适当高效减水剂,适用于配置混凝土坍落度大于80mm 流态性混凝土C25 34C3 050C35 42C4 065单位:1m3混凝土续上表单位:1m3混凝土续上表单位:1m3混凝土续上表单位:1m3混凝土续上表单位:1m3混凝土注:(1)采用细砂配制混凝土时,每立方米混凝土的水泥用量增加4%;(2)表列各种混凝土标号的水泥用量,系按机器捣固计算,如果用人工捣固时,每立方米混凝土应增加水泥用量25kg;(3)材料消耗数量已包括场内运输及操作损耗在内;(4) 公路水下构造物每立方米混凝土水泥用量机械捣固不应少于240kg,人工捣固不应少于265kg;(5) 采用输送泵输送混凝土时,混凝土的运输与操作损耗按4%计算;(6) 采用输送泵输送混凝土时,每10m3混凝土拌和与养生用水为:现浇混凝土基础18m3 现浇混凝土上部构造21m3 现浇混凝土下部构造18m3 预制混凝土22m3。
浇地面混凝土配方比例表1.常规地面混凝土配方比例表:
-水泥:1份(约为10-12%)
-砂:2份(约为20-25%)
-骨料:4份(约为40-45%)
-水:0.4-0.6份(约为4-6%)
2.高强度地面混凝土配方比例表:
-水泥:1份(约为15-20%)
-砂:1.5份(约为15-20%)
-骨料:3份(约为30-40%)
-水:0.3-0.4份(约为3-4%)
-粉煤灰:0.2-0.3份(约为2-3%)
3.耐磨地面混凝土配方比例表:
-水泥:1份(约为10-12%)
-砂:1.5份(约为15-20%)
-骨料:3份(约为30-40%)
-水:0.3-0.4份(约为3-4%)
-磨料(如石英砂):0.3-0.5份(约为3-5%)4.防水地面混凝土配方比例表:
-水泥:1份(约为10-12%)
-砂:2份(约为20-25%)
-骨料:3份(约为30-40%)
-水:0.3-0.4份(约为3-4%)
-防水剂:根据需要添加
需要注意的是,以上配方比例仅作为参考,实际使用时应根据具体的工程要求和材料特性进行调整。
另外,还可以根据特定的环境条件和混凝土应用的需求,添加一些特殊的添加剂,如增塑剂、减水剂、膨胀剂、缩微剂等,以提升混凝土的性能和耐久性。
此外,选择合适的水泥类型(如普通硅酸盐水泥、耐磨水泥、高强度水泥等)、砂和骨料的规格(如粗砂、中砂、碎石等)以及严格控制配制过程中的水胶比和施工工艺等都是确保地面混凝土质量的重要因素。
最后,为了保证混凝土配方的质量,建议在实际施工之前进行小样试验和质态检测,以确保所配制的混凝土具备所需的强度、耐久性和施工性能。
最新最全混凝土配比表(精选可编辑).docx 混凝土可按表观密度分为:重混凝土、普通混凝土、轻混凝土。
也可以按强度等级进行划分,如果我们常听到的C20、C30即是指强度等级,C60以下可以称为普通混凝土,C60~C100为高强度混凝土,C100以上为称为超高强度混凝土。
一般的工程中常用的十四个强度等级为C15、C20、C25、C30、C35、C40、C45、C50、C55、C60、C65、C70、C75和C80。
强度的等级按立方体抗压强度标准值确定。
混凝土的强度等级也是混凝土结构设计、施工质量控制和工程验收的重要依据。
不同的工程结构和建筑不同的部位应该需求选用不同强度等级的混凝土。
普通水泥混凝土配合比参考表百科名片水泥的标号是水泥“强度”的指标。
水泥的强度是表示单位面积受力的大小,是指水泥加水拌和后,经凝结、硬化后的坚实程度(水泥的强度与组成水泥的矿物成分、颗粒细度、硬化时的温度、湿度、以及水泥中加水的比例等因素有关)。
水泥的强度是确定水泥标号的指标,也是选用水泥的主要依据。
测定水泥强度的方法用前是“软练法”。
目录编辑本段此法是将1:3的水泥、标准砂(福建平潭白石英砂)及规定的水,按照规定的方法与水泥拌制成软练胶砂,制成7.07 X 7.07 X 7.07厘米的立方体抗压试块与8字形抗拉试块,在标准条件下进行养护,分别测定其3天、7天及28天的抗压强度和抗拉强度,以分组试块的28天平均抗压强度来确定水泥的标号,但3天、7天的技压强度也必须满足规定的要求。
目前我国生产的水泥一般有225#、325#、425#、525#等几种标号。
生产不同标号的水泥,是为了适应制做不同标号的混凝土的需要。
标准水泥的标号是水泥强度大小的标志,测定水泥标号的抗压强度,系指水泥砂浆硬结28d后的强度。
例如检测得到28d后的抗压强度为310 kg/cm2,则水泥的标号定为300号。
抗压强度为300-400 kg/cm2者均算为300号。
普通水泥有:200、250、300、400、500、600六种标号。
200号-300号的可用于一些房屋建筑。
400号以上的可用于建筑较大的桥梁或厂房,以及一些重要路面和制造预制构件。
关于水泥标号的用法,其实并没有非常精细的规定,一般来说,设计图纸中会给出明确的规定。
在民用建筑工程中,一般用的比较多的是普通硅酸盐水泥和矿渣硅酸盐水泥。
标号一般常用的有P.O 32.5/42.5,P.S 32.5/42.5。
有325的和425的 325的250元--300元 425的360--450元品牌,地区不一样价格就不一样关于水泥标号通用水泥新标准是:GB175-1999《硅酸盐水泥、普通硅酸盐水泥》、GB1344-1999《矿渣硅酸盐水泥、火山灰硅酸盐水泥及粉煤灰硅酸盐水泥》、GB12958-1999《复合硅酸盐水泥》。
砼混凝土配合比大全最全什么是砼混凝土砼混凝土是一种由水泥、砂子、碎石和水经过搅拌而成的建筑材料。
它具有优异的耐久性、强度和耐火性,在建筑和工程中被广泛使用。
然而,实际上有很多种配合比适用于不同的应用场景和工程要求。
在本文中,我们将介绍一些常用的砼混凝土配合比。
常用的砼混凝土配合比1. C15砼配合比•水泥:1号水泥•砂子:1:2.5•碎石:1:3.5•水:按需添加C15砼是一种常用的低强度混凝土,适用于一些轻度负荷的建筑结构,如楼板、梁柱等。
2. C20砼配合比•水泥:1号水泥•砂子:1:2.3•碎石:1:2.8•水:按需添加C20砼具有中等强度,适用于一些一般负荷的建筑结构,如地板、屋顶等。
3. C25砼配合比•水泥:1号水泥•砂子:1:2.2•碎石:1:2.7•水:按需添加C25砼具有较高的强度,适用于一些承受较大荷载的建筑结构,如桥梁、大型建筑物等。
4. C30砼配合比•水泥:1号水泥•砂子:1:2.1•碎石:1:2.6•水:按需添加C30砼具有更高的强度,适用于一些要求严格的工程,如高速公路、机场跑道等。
5. C35砼配合比•水泥:1号水泥•砂子:1:2.0•碎石:1:2.5•水:按需添加C35砼具有较高的强度和耐久性,适用于一些特殊要求的工程,如海洋工程、防护工程等。
6. C40砼配合比•水泥:1号水泥•砂子:1:1.9•碎石:1:2.4•水:按需添加C40砼具有更高的强度和耐久性,适用于一些特殊要求的工程,如核电站、高耸建筑等。
以上是一些常用的砼混凝土配合比,根据工程的要求和结构的特点,可以选择适合的配合比,以确保建筑物的稳定和安全。
在实际施工过程中,还需要注意搅拌比例的准确控制和与设计要求的一致性。
请注意,本文提供的配合比仅供参考,并非具体工程的施工指南。
在实际施工中,应遵循相关的设计规范和标准,由专业人士进行具体设计和施工操作。
希望本文对您了解和应用砼混凝土配合比有所帮助!。
一方混凝土配比表摘要:1.混凝土基础知识概述2.一方混凝土的配比概念3.一方混凝土的配比详细说明4.混凝土配合比的选择与影响因素5.结论正文:一、混凝土基础知识概述混凝土是由水泥、砂、石子和水等材料按一定比例混合而成的建筑材料,具有高强度、耐久性和经济性等优点,广泛应用于建筑工程中。
混凝土的性能与配合比、施工工艺以及养护条件等因素密切相关。
二、一方混凝土的配比概念一方混凝土是指混凝土中各种组成材料的重量比,通常以水泥、砂、石子和水的重量比来表示。
例如,C25 混凝土的配合比为水泥:砂:石:水=1:1.40:2.85:0.47(重量比),表示每1kg 水泥需要搭配1.40kg 砂、2.85kg 石子和0.47kg 水。
三、一方混凝土的配比详细说明以下是几种常见混凝土配合比的示例:1.C25 混凝土配合比:水泥:砂:石:水=1:1.40:2.85:0.47(重量比)材料用量(kg/m3):水泥:415kg;砂子:583kg;石子:1184kg;水:195kg2.C30 混凝土配合比:水泥:砂:石:水=1:1.18:2.63:0.41(重量比)材料用量(kg/m3):水泥:459kg;砂子:542kg;石子:1206kg;水:188kg3.C35 混凝土配合比(必须使用42.5 级以上水泥):水泥:砂:石:水=1:1.37:2.78:0.46(重量比)材料用量(kg/m3):水泥:424kg;砂子:581kg;石子:1179kg;水:195kg4.C40 混凝土配合比(必须使用42.5 级以上水泥):水泥:砂:石:水=1:1.08:2.41:0.40(重量比)材料用量(kg/m3):水泥:488kg;砂子:528kg;石子:1176kg;水:195kg四、混凝土配合比的选择与影响因素混凝土配合比的选择应根据工程特点、设计要求和施工条件等因素综合考虑。
主要影响因素包括:混凝土强度等级、耐久性要求、工程部位、施工条件等。