钢结构屋架设计
- 格式:doc
- 大小:575.50 KB
- 文档页数:13
钢结构刚屋架课程设计一、教学目标本课程旨在让学生掌握钢结构刚屋架的基本概念、设计原理和计算方法,培养学生运用理论知识分析和解决实际问题的能力。
具体目标如下:1.知识目标:(1)了解钢结构刚屋架的结构特点及分类。
(2)掌握刚屋架的基本设计原理和计算方法。
(3)熟悉刚屋架的施工工艺和验收标准。
2.技能目标:(1)能够运用理论知识分析和解决钢结构刚屋架设计中的实际问题。
(2)具备一定的钢结构刚屋架计算和绘图能力。
(3)学会对钢结构刚屋架施工过程进行质量控制和验收。
3.情感态度价值观目标:(1)培养学生对钢结构的兴趣和认识,提高学生对钢结构的审美观念。
(2)培养学生勤奋学习、勇于创新的精神风貌。
(3)增强学生的团队协作能力和责任感。
二、教学内容本课程主要教学内容如下:1.钢结构刚屋架的基本概念、分类及特点。
2.刚屋架的设计原理和计算方法,包括:荷载分析、内力计算、截面设计、稳定性分析等。
3.刚屋架的施工工艺、质量控制和验收标准。
4.典型工程案例分析,提高学生运用理论知识解决实际问题的能力。
三、教学方法为了提高教学效果,本课程将采用以下教学方法:1.讲授法:系统地传授钢结构刚屋架的基本概念、设计原理和计算方法。
2.案例分析法:分析典型工程案例,使学生更好地理解和运用理论知识。
3.讨论法:学生就钢结构刚屋架的设计、施工等方面的问题进行讨论,培养学生的思辨能力和团队协作精神。
4.实验法:安排学生进行钢结构的实验操作,提高学生的动手能力和实践能力。
四、教学资源为确保教学质量,本课程将充分利用以下教学资源:1.教材:选用权威、实用的教材,为学生提供系统、全面的学习资料。
2.参考书:推荐学生阅读相关参考书籍,丰富学生的知识体系。
3.多媒体资料:制作精美的课件,运用动画、图片等形式展示钢结构刚屋架的设计和施工过程。
4.实验设备:为学生提供充足的实验设备,确保实验教学的顺利进行。
5.网络资源:引导学生利用网络资源,了解钢结构刚屋架的最新发展动态。
钢结构课程设计24m屋架中国的建筑市场正在经历着前所未有的发展,特别是在钢结构方面。
凭借先进的技术,钢结构可以设计出耐久、经久耐用的建筑结构,满足日益增长的建筑需求。
本文通过对钢结构主要组成结构的分析,结合实际项目对24米钢结构屋架进行了介绍和设计。
首先,在设计24米钢结构屋架之前,要对钢结构的主要组成结构进行分析。
钢结构由支撑系统,桁架系统和骨架系统组成,其中支撑系统主要由框架、柱、梁、支架和跨度等组成,桁架系统主要由纵向小梁、之字形小梁和横向小梁组成,骨架系统主要由梁骨架和柱骨架组成。
在此基础上,针对24米钢结构屋架的设计探讨如下:首先,24米钢结构屋架的支撑系统主要采用框架形式,即通过立柱、梁和支架相连,构成柔性结构,以对抗外力和负荷作用,实现支撑屋架的目的。
其次,根据各部件的功能,24米钢结构屋架的桁架系统主要由纵向小梁、之字形小梁和横向小梁组成,其中纵向小梁的作用是将支撑系统上的梁或立柱拉伸成比较稳定的框架结构,之字形小梁的作用是与纵向小梁相结合,在支撑系统上形成相对稳定的框架结构,而横向小梁的作用是将横向荷载转移到支撑系统上,以及与纵向小梁相结合形成更稳定的框架结构。
此外,24米钢结构屋架的骨架系统由梁骨架和柱骨架组成,其中梁骨架的作用是消除支撑系统上的梁的跨度,从而大大提高屋架的承载能力;而柱骨架的作用则是用于分散支撑系统上柱的荷载,从而改善屋架的承载能力。
本文介绍了钢结构主要组成结构的分析和24米钢结构屋架的设计,以满足现有建筑需求。
根据钢结构的主要组成结构,24米钢结构屋架的支撑系统主要采用框架形式,桁架系统主要由纵向小梁、之字形小梁和横向小梁组成,而骨架系统则由梁骨架和柱骨架组成。
最后,利用这种设计方法,可以实现24米钢结构屋架结构的有效抵抗外力和负荷作用,保证建筑物的稳定性。
建筑钢结构屋架课程设计一、课程目标知识目标:1. 让学生掌握建筑钢结构屋架的基本概念、分类及特点;2. 让学生了解建筑钢结构屋架的设计原则和主要受力构件;3. 使学生了解建筑钢结构屋架施工过程中的关键技术和注意事项。
技能目标:1. 培养学生运用所学知识,对建筑钢结构屋架进行设计和计算的能力;2. 培养学生运用专业软件进行建筑钢结构屋架建模、分析和优化的技能;3. 提高学生解决实际工程问题的能力,能够根据实际情况调整设计方案。
情感态度价值观目标:1. 培养学生对建筑钢结构屋架设计及施工的兴趣,激发学生的学习热情;2. 培养学生严谨的科学态度,注重团队合作,养成良好的职业道德;3. 增强学生对我国建筑事业的认同感,树立为我国建筑行业贡献力量的信心。
分析课程性质、学生特点和教学要求,本课程将目标分解为以下具体学习成果:1. 能够描述建筑钢结构屋架的基本概念、分类及特点;2. 能够阐述建筑钢结构屋架的设计原则,掌握主要受力构件的计算方法;3. 能够运用专业软件进行建筑钢结构屋架的建模、分析及优化;4. 能够根据实际工程情况,提出合理的设计方案,并进行调整;5. 能够在团队合作中发挥积极作用,遵循职业道德,关注我国建筑事业的发展。
二、教学内容本课程教学内容围绕以下几方面进行组织:1. 建筑钢结构屋架基本知识:- 钢结构屋架的概念、分类及特点;- 钢结构屋架的材料、连接方式及构造要求。
2. 建筑钢结构屋架设计原则:- 设计原理及设计规范;- 受力分析及主要受力构件的计算方法;- 稳定性和刚度的考虑。
3. 建筑钢结构屋架设计计算:- 荷载及作用力分析;- 桁架、梁、柱等主要受力构件的设计计算;- 节点设计及连接计算。
4. 建筑钢结构屋架施工技术:- 施工准备及工艺流程;- 钢结构屋架的安装、焊接与涂装;- 施工质量控制及验收标准。
5. 建筑钢结构屋架案例分析:- 分析典型工程案例,了解实际工程中的应用;- 结合案例进行设计计算和施工技术的实践。
一丶设计资料厂房总长60m,跨度为24m,屋架间距b=6m,端部高度H=1990mm,中部高度H=3190mm1、结构形式:钢筋混凝土柱,梯形钢屋架。
柱的混凝土强度等级为C20,屋面坡度为i=1:10;L为屋架跨度。
地区计算温度高于—20℃,无需抗震设防。
2、屋架形式及荷载屋架形式、几何尺寸及内力系数(节点荷载P=1.0作用下杆件的内力)如附表图所示。
屋架采用的钢材为Q235钢,焊条为E43型,手工焊3、屋盖结构及荷载采用无檩体系。
用1.5×6.0预应力混凝土屋板。
荷载:①屋架及支撑自重:q=0.384KN/m²②屋面活荷载:活荷载标准值为0.7 KN/m²,雪荷载的基本雪压标准值为 =0.7 KN/m²,活荷载标准值与雪荷载不同时考虑,而是取两者的较大值③屋面个构造层的恒荷载标准值:水泥砂浆找平层0.4KN/m²保温层 0.4KN/m²预应力混凝土屋面板 1.6KN/m²永久荷载总和=2.784KN/㎡,活荷载总和=0.7 KN/㎡4、荷载组合。
一般按全跨永久荷载和全跨可变荷载计算。
节点荷载设计值:按可变荷载效应控制的组合计算(永久荷载:荷载分项系数γg=1.2;屋面活荷载活雪荷载:γq=1.4,组合值系数φ=0.7)F=(1.2×2.7844+0.7×1.4)×1.5×6=37.2 KN按永久荷载效应控制的组合计算(永久荷载:荷载分项系数γg=1.35;屋面活荷载活雪荷载:γq=1.4,组合值系数φ=0.7)F=(1.35×2.784+0.7×1.4×0.7)×1.5×6=38.2KN故取节点荷载设计值为F=38.2 KN,支座反力R=8F=305.6 KN二丶屋架形式和几何尺寸屋面材料为大型屋面板,故采用无檩体系平破梯形屋架。
屋面坡度i=1/10;=24000-300=23700mm;端部高度取H=1990mm,跨中高度取屋架计算跨度L3190mm,下端起拱50mm。
21m钢结构屋架课程设计一、课程目标知识目标:1. 学生能理解21m钢结构屋架的基本概念,掌握其结构类型及特点;2. 学生能掌握钢结构屋架设计的基本原理,包括受力分析、材料选择和连接方式;3. 学生了解钢结构屋架施工过程中的注意事项,如防锈、防火等。
技能目标:1. 学生能够运用所学知识,对21m钢结构屋架进行简单的受力分析;2. 学生能够根据实际情况,选择合适的材料和连接方式,完成钢结构屋架的设计;3. 学生能够运用绘图软件,绘制出清晰、准确的钢结构屋架施工图。
情感态度价值观目标:1. 学生培养对建筑结构工程的兴趣,提高对工程设计的热情;2. 学生树立安全意识,关注钢结构屋架施工过程中的安全问题;3. 学生培养团队合作精神,学会与他人共同完成设计任务。
课程性质分析:本课程为工程专业课程,旨在培养学生对钢结构屋架设计的基本知识和技能,提高学生在实际工程中的应用能力。
学生特点分析:高二年级学生,具有一定的物理和数学基础,具备一定的空间想象能力和动手能力。
教学要求:1. 教师应注重理论与实践相结合,提高学生的实际操作能力;2. 教师应关注学生的个体差异,因材施教,提高学生的自信心;3. 教师应注重培养学生的团队合作精神,提高学生的沟通与协作能力。
二、教学内容1. 钢结构屋架基本概念:- 钢结构屋架的定义、分类及特点;- 钢结构屋架在我国建筑行业中的应用。
2. 钢结构屋架设计原理:- 受力分析:了解钢结构屋架的受力特点,学习如何进行受力分析;- 材料选择:掌握常用钢材的种类、性能及选用原则;- 连接方式:了解钢结构屋架的连接方法及其适用场合。
3. 钢结构屋架施工技术:- 施工准备:熟悉施工前的准备工作,如材料验收、施工图纸审核等;- 施工过程:了解钢结构屋架的施工流程,包括焊接、拼装、吊装等;- 注意事项:学习施工过程中的安全防护、防锈、防火等技术要求。
4. 钢结构屋架设计实例:- 结合21m钢结构屋架,进行设计实践;- 运用绘图软件,绘制钢结构屋架施工图。
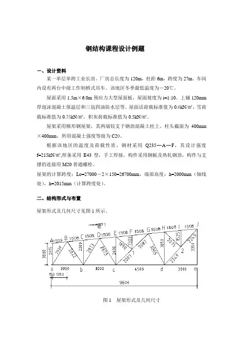
钢结构课程设计例题-、设计资料某一单层单跨工业长房。
厂房总长度为120m,柱距6m,跨度为27m。
车间内设有两台中级工作制桥式吊车。
该地区冬季最低温度为-20℃。
屋面采用1.5m×6.0m预应力大型屋面板,屋面坡度为i=1:10。
上铺120mm 厚泡沫混凝土保温层和三毡四油防水层等。
屋面活荷载标准值为0.6kN/㎡,雪荷载标准值为0.75kN/㎡,积灰荷载标准值为0.5kN/㎡。
屋架采用梯形钢屋架,其两端铰支于钢劲混凝土柱上。
柱头截面为400mm ×400mm,所用混凝土强度等级为C20。
根据该地区的温度及荷载性质,钢材采用Q235―A―F,其设计强度f=215kN/㎡,焊条采用E43型,手工焊接。
构件采用钢板及热轧钢劲,构件与支撑的连接用M20普通螺栓。
屋架的计算跨度:Lo=27000-2×150=26700mm,端部高度:h=2000mm(轴线处),h=2015mm(计算跨度处)。
二、结构形式与布置屋架形式及几何尺寸见图1所示。
图1 屋架形式及几何尺寸屋架支撑布置见图2所示。
符号说明:GWJ-(钢屋架);SC-(上弦支撑):XC-(下弦支撑); CC-(垂直支撑);GG-(刚性系杆);LG-(柔性系杆)图2 屋架支撑布置图三、荷载与内力计算1.荷载计算荷载与雪荷载不会同时出现,故取两者较大的活荷载计算。
永久荷载标准值放水层(三毡四油上铺小石子)0.35kN/㎡找平层(20mm厚水泥砂浆)0.02×20=0.40kN/㎡保温层(120mm厚泡沫混凝土)0.12*6=0.70kN/㎡预应力混凝土大型屋面板 1.40kN/㎡钢屋架和支撑自重0.12+0.011×27=0.417kN/㎡管道设备自重0.10 kN/㎡总计 3.387kN/㎡可变荷载标准值雪荷载0.75kN/㎡积灰荷载0.50kN/㎡总计 1.25kN/㎡永久荷载设计值 1.2×3.387=4.0644 kN/㎡(由可变荷载控制)可变荷载设计值 1.4×1.25=1.75kN/㎡2.荷载组合设计屋架时,应考虑以下三种组合:组合一全跨永久荷载+全跨可变荷载屋架上弦节点荷载P=(4.0644+1.75) ×1.5×6=52.3296 kN组合二全跨永久荷载+半跨可变荷载P=4.0644×1.5×6=36.59 kN屋架上弦节点荷载1P=1.75×1.5×6=15.75 kN2组合三全跨屋架及支撑自重+半跨大型屋面板重+半跨屋面活荷载P=0.417×1.2×1.5×6=4.5 kN屋架上弦节点荷载3P=(1.4×1.2+0.75×1.4) ×1.5×6=24.57 kN43.内力计算本设计采用程序计算杆件在单位节点力作用下各杆件的内力系数,见表1。
钢结构课程设计钢屋架设计钢结构屋架设计,乍一听是不是觉得好像很复杂?其实也不一定,听我慢慢道来。
你想,钢屋架嘛,就是钢铁架构的“骨架”,它能撑起一个建筑物的屋顶、支撑起它的重量,让整个结构稳稳当当地立在那里。
好比人的骨骼,没有它,哪能有站得住的身体?所以说,钢屋架其实是在幕后默默“扛”起了很大的责任。
你看看那些大商场、体育馆、工业厂房,哪一个不是钢屋架在撑着它的“天空”?没钢屋架,盖个房子都不容易。
钢屋架的设计并不是随便就可以搞定的。
你要考虑到的不仅是屋架本身的强度和稳定性,还得留心它和其他建筑结构的配合。
钢材是硬实的好东西,但也不是万能的,它有时候会有点脆,特别是在高温或者潮湿的环境下。
如果你把屋架的设计搞得不太合适,轻轻一震,可能就“嘎吱嘎吱”作响,谁还敢在下面待着?所以说,设计时的每一根钢梁、每一个连接点,都得仔细推敲。
哎,你也别觉得我在吓你,这其实就是一门技术活,设计师就是要通过这些精密的计算,把每一个可能的风险都考虑进去。
你看,那些钢屋架的设计图纸,简直能让你头大。
不过呢,图纸上有个“曲线”图,大家是不是都觉得像极了写字的小字母?其实它是在帮助你计算负载、受力点的变化。
你得想,屋架不是一成不变的,它受风、受雪、受雷,啥都可能影响它的“脾气”。
比如说,一场大风吹过,钢屋架就得能顶住;再比如说,屋顶上堆积的积雪,它也得支撑得住。
这些都得通过反复的计算,确保不出问题。
别小看这些计算,虽然数学公式可能有点多,但这些都是为了让你的设计更稳妥,毕竟咱不能拿自己的安全开玩笑。
你还得考虑钢屋架的“美感”。
说白了,屋架的设计不仅要结实,还得好看,对吧?谁不喜欢高大上、造型别致的建筑呢?尤其是在一些大型场馆里,钢结构屋架本身就是一种视觉的亮点。
屋架的每一根梁柱,都是建筑的“脊梁”。
不过,这美感和实用性之间还是要找到一个平衡点,不能为了好看就牺牲了安全性。
这就像穿衣服一样,既要穿得舒适,也得穿得得体,不能太随便。
钢结构课程设计21m梯形屋架
钢结构课程设计21m梯形屋架
设计概述:
本设计为一座21m梯形屋架的钢结构课程设计。
屋架采用梯形结构形式,主要由主梁、次梁、剪力墙和支撑系统组成。
设计要求满足屋顶承受风、雪、自重等荷载的要求,并确保结构的稳定性和安全性。
设计步骤:
1. 确定屋架结构形式:本设计采用梯形结构形式,其中主梁跨度为21m,次梁根据需求进行设置。
2. 计算屋架荷载:根据工程要求和设计标准,计算风、雪和自重等荷载,并确定设计荷载。
3. 选取钢材和连接方式:根据荷载计算结果,选取适当的钢材规格和连接方式,保证结构的强度和刚度。
4. 进行结构模型分析:利用结构分析软件,建立屋架的三维模型,并进行荷载分析、刚度分析和稳定分析,确保结构的安全性和稳定性。
5. 进行结构设计:根据分析结果,进行结构设计,包括确定材料尺寸、梁柱截面尺寸、连接件尺寸和布置等。
6. 绘制结构施工图:根据设计结果,绘制结构施工图,包括平面布置图、节点图和详图等,用于施工实施。
7. 进行结构检验:对设计结果进行结构检验,确认设计的合理性和安全性。
8. 编写设计报告:整理设计过程和结果,编写设计报告,包括设计说明、结构计算和绘图等内容。
以上为钢结构课程设计21m梯形屋架的主要步骤,具体的设
计过程需要根据实际条件和要求进行调整和细化。
在设计过程中,需要合理应用结构分析软件、设计规范和工程经验,保证设计的科学性和合理性。
同时,还要注意施工工艺和质量控制,确保设计方案的顺利实施和结构的安全可靠。
1.设计资料某车间厂房总长度约为108米,跨度为18m。
车间设有两台30吨中级工作制吊车。
车间无腐蚀性的介质。
该车间为单跨双坡封闭式厂房,屋架采用三角形豪式钢屋架。
屋面坡度为1:3,屋架间距为6m,屋架下弦标高为9米,其两端铰支于钢筋混凝土柱上,上柱截面尺寸为,混泥土强度等级为C20。
屋面采用彩色压型钢屋板加保温层屋面,C型檩条,檩距为1.5~2。
1米。
结构的重要度系数为,屋面的恒荷载的标准值为。
屋面的活荷载为,雪荷载为,不考虑积灰荷载、风荷载,不考虑全跨荷载积雪不均匀分布状况.屋架采用Q235B,焊条采用E43型.2.屋架形式及几何尺寸屋架形式及几何尺寸如图檩条支承于屋架上弦节点。
屋架坡角为,檩距为1。
866m。
图1 屋架形式和几何尺寸3.支撑的布置上、下弦横向水平支撑设置在厂房两端和中部的同一柱间,并在相应开间的屋架跨中设置垂直支撑,在其余开间的屋架上弦跨中设置一道通长的刚性细杆,下弦跨中设置一道通长的柔性细杆。
在下弦两端设纵向水平支撑。
支撑的布置见图2。
图2 支撑的布置图4.檩条布置檩条设置在屋架上弦的每个节点上,间距1。
866m.因屋架间距为6m,所以在檩条跨中设一道直拉条。
在屋脊和屋檐分别设置斜拉条和撑杆.5.荷载标准值上弦节点恒荷载标准值上弦节点雪荷载标准值由檩条传给屋架上弦节点的恒荷载如图3图3上弦节点恒荷载由檩条传给屋架上弦节点的雪荷载如图4图4上弦节点雪荷载6.内力组合内力组合见表—1杆件名称杆件编号恒荷载及雪荷载半跨雪荷载内力组合最不利荷载(kN) 内力系数恒载内力(kN)雪载内力(kN)内力系数半跨雪载内力(kN)1。
2恒+1。
4雪(kN)1.2恒+1.4半跨雪(kN)1 2 3 452+32+5上弦杆1-2—14.23-75.56—52.94-10。
28—38.24—164。
78-144.21—164。
78 2—3-12.65—67。
17-47。
06-8.7-32.36—146。
钢结构屋盖课程设计计算书一、设计说明1、设计某一检修厂房屋盖,跨度为27m,长度为80m,柱距为6m,三角形屋架,钢材为Q235—B,焊条采用E43型,屋面为压型钢板,屋面坡度i=1:2.5,屋架铰接于钢筋混凝土柱顶,无吊车,外檐口采用自由排水,采用槽钢檩条,檩条间距为2827.25mm。
2、基本风压为0.4KN/m²,屋面离地面高度为12 m,不上人屋面。
雪荷载0.6KN/m²二、檩条设计1、檩条采用轻型槽钢檩条2、屋面材料为压型钢板,屋面坡度为1:2.5(α=21.80°)檩条跨度为6m,于跨中设置一道拉条,水平檩距2396.4×cos21.80°=2396.4×0.93=2228.65mm,坡向斜距2396.4mm3、荷载标准值(对水平投影面)⑴永久荷载:压型钢板(不保温)自重为0.1 KN/m²,檩条(包括拉条和支撑)自重设为0.11 KN/m²⑵可变荷载:屋面雪荷载ω=0.6KN/m²,基本风压ωo=0.40 KN/m²4、内力计算⑴永久荷载于屋面活荷载组合檩条线荷载pK=(0.21+0.6)×2.229=1.805 KN/mp=(1.2×0.21+1.4×0.6)×2.229=2.434 KN/mpX=psin21.80=2.434×0.37=0.901 KN/mpY=pcos21.80=2.434×0.93=2.264 KN/m弯矩设计值: MX= pY l2/8=2.264×62/8=10.188KN·mMy= pX l2/32=0.901×62/32=1.014KN·m⑵永久荷载和风荷载的吸力组合按《建筑结构荷载规范》GB50009—2001房屋高度为12m 取μz=1.0按《门式钢架轻型房屋钢结构技术规程》CECS102:2002附录A,风荷载体型系数为:1.5㏒A-2.9=-1.211 A=2.22865m ×6m=13.72m2垂直于屋面的风荷载标准值ωk=μSμzω0=-1.211×1.0×(1.05×0.4)=-0.509 KN/m²檩条线荷载pXY=(0.509-0.21×cos21.80)×2.22865=0.314×2.22865=0.070KN/mpX =0.21×2.229×sin21.8o=0.174 KN/mpY =1.4×1.211×2.229-0.21×2.229×cos21.80=3.344 KN/m 弯矩设计值 MX= pYl2/8=3.344×62/8=15.048KN/mMy= pXl2/8=0.174×62/8=0.783KN/m⑶截面选择选用选用轻型槽钢【20 W=152.2 cm3 Wynmax=54.9 cm3 Wynmin=20.5 cm3IX=152.20 cm4 ix=8.07 cm iy=2.20 cm计算截面有孔洞削弱,考虑0.9的折减系数,则净截面模量为:WNX=0.9×152.2=136.98cm3 Wynmax=0.9×54.9=49.41 cm3 Wynmin=0.9×20.5=18.45 cm3⑷屋面能阻止檩条失稳和扭转,截面的塑性发展系数γx=1.05 γy=1.20,按公式计算截面a、b点的强度为(见图)бx = Mx/(γx WNX)+My/(γy Wynmin)=15.048×106/(1.05×136.98×103)+0. 783×106/(1.2×18.45×103)=139.99<215N/mm2бy = Mx/(γx WNX)+My/(γy Wynmax)=15.048×106/(1.05×136.98×103)+0.783×106/(1.2×49.41×103)=117.83<215N/mm2⑸挠度计算因为支撑压型钢板金属板,有积灰的瓦楞铁和石棉等金属面者,容许挠度为L/200当设置拉条时,只须计算垂直于屋面方向的最大挠度vy=(5/384)×(3.344×cos21.80×60004)/(206×103×1522×104)=16.7mm<L/200=30mm构造要求λx=600/8.07=74.35<200 λy=300/2.20=136.36<200故此檩条在平面内外均满足要求三、屋架设计⑴屋架结构的几何尺寸如图檩条支撑于屋架上弦节点。
普通钢屋架设计--------焊接梯形钢屋架设计-、设计资料1、某一单层单跨工业厂房,总长度为102m,跨度为24m。
2、厂房柱距6m,钢筋混凝土柱,混凝土的强度等级C20,柱头截面为400mm×400mm,屋架采用梯形钢屋架,其两端铰支于钢劲混凝土柱上。
3、车间设有两台中级工作制桥式吊车,一台150T,一台30T,吊车平台标高+12.000m。
4、荷载标准值(按水平投影面计):(1)永久荷载:二毡三油(上铺绿豆砂)防水层0.4 KN/ m水泥砂浆找平层0.4 KN/ m2保温层0.5 KN/ m2一毡二油隔气层0.05 KN/ m2预应力混凝土大型屋面板 1.4 KN/ m2屋架及支撑自重0.384KN/m2(2)可变荷载:屋面活荷载标准值0.7KN/ m2荷载标准值 0.35 K N/ m2积灰荷载标准值 1.3KN/ m25.屋架计算跨度,几何尺寸及屋面坡度如图所示由上图可知:屋架的计算跨度:Lo=24000-2×150=23700mm,端部高度:h=1990mm(轴线处)。
6、钢材Q235钢、角钢、钢板各种规格齐全;有各种类型的焊条和C级螺栓可供用。
7、钢屋架的制造、运输和安装条件:在金属结构厂制造,运往工地安装,最大的运输长度16m,运输高度3.85m,工地有足够的起重安装条件。
二、设计内容一)、屋盖的支撑系统布置(1)屋架上弦支撑系统的具体布置对上弦平面,横向支撑应设置在房屋两端的第一个柱间内,为了增加屋盖的刚性,两道横向支撑的间距不宜超过60m。
所以在屋盖中间应设置一道横向支撑,由于屋架跨度L≤30m应在屋架中坚和两端设置垂直支撑,无垂直支撑的其他柱间的屋架点间应设纵向系杆与之相连。
上弦支撑具体布置图如下(2)下弦平面支撑系统布置同上弦平面支撑一样,设置相应的横向支撑、垂直支撑和系杆,加之纵向支撑一般设在屋架两端的节点间处,仅当房屋的跨度和高度较大、或房屋为厂房并设有壁行吊车或有较大震动设备,因而对房屋的整体刚度要求较高时设置之,对梯形屋架一般设置在下弦平面。
其具体支撑布置如下:1——1剖面图如下:注:sc —屋架上弦横向水平支撑 xc —屋架下弦横向水平支撑 LG —系杆 zc —屋架上弦纵向水平支撑 cc —垂直支撑 GWJ —钢屋架 二) 荷载计算三)荷载组合组合一:全跨的永久荷载+全跨可变荷载(如图a)P=(3.7608+2.8)×1.6×5=52.4864 K N/ m2 组合二:全跨的永久荷载+半跨可变荷载(如图b)P1=(3.7608+2.8) ×1.6×5=52.4864 K N/ m2P2=3.7608×1.6×5=30.0864 K N/ m2P2=0.4608×1.5×6=4.1472 K N/ m2四) 内力计算表内力图如下(杆件轴线长度mm):五)杆件截面选择和检算1、节点板厚最大腹板内力N=-466.60KN,查表9—1并考虑构造要求,选用节点板厚t=12mm,支座节点板厚t=14mm。
2、上弦杆整个屋架上弦采用一种杆件截面,按上弦FG、GH的最大内力设计。
计算内力:N=-800.94KN计算长度:屋架平面内取节点中心间轴线长度l ox =1508mm屋架平面外根据屋盖支撑布置和上弦杆内力变化,取l oy =3 l ox =1508×3=4524mm截面选择:由于l oy =3 l ox ,选用不等边角钢,短边相接。
设,70=λ查表得751.0=ϕ,需要的界面尺寸A=N/f ϕ=800940/(0.751×215)=49.60cm 2。
46.670/4524/15.270/1508/======λλoy y ox x l i l i根据需要的A ,y x i i ,,由型钢表,选用2L180×110×10 ,其截面特性:A=56.8cm 2,70.8,13.3==y x i i 截面验算:5270.8/4524/2.4813.3/1508/======y oy y x ox x i l i l λλ由y λ=52,查表得847.0=y ϕ,所以2/21548.166)0.5680*847.0/(800940/mm N f A N Y =<===ϕσ3、下弦杆整个屋架下弦杆采用同一截面,按下弦杆gi 得最大计算内力设计。
计算内力:N=796.22KN=895750N 计算长度:cm L l cm l oy ox 11852/,300=== 截面选择:A=N/f=796220/215=3703=37.03cm 2,选用2L140×90×10不等边角钢,短边相连,截面特性:A=44.6cm 2,84.6,56.2==y x i i截面验算:350][17384.6/1185/11756.2/300/=<======λλλy oy y x ox x i l i l2/2151794460/796220/mm N f A N =<===σ4、端斜杆aB计算内力: N =-466.60KN=-466600N 计算长度: cm mm l l oy ox 5.2532535===选用长度2L140×90×10 ,长边相连,A=44.522cm 2,81.3,47.4==y x i i 截面验算:6781.3/5.253/5747.4/5.253/======y oy y x ox x i l i l λλ查表得 ,769.0=y ϕ2/215136)4460*769.0/(466600/mm N f A N y =<===ϕσ5、腹杆Bc计算内力: N=360.58KN=360580N 计算长度: cml l cm l l oy ox 8.26064.20826088.08.0===⨯==截面选择:A=N/f=360580/215=16.77cm 2 选用2L100×10,,截面特性为:A=19.261cm 2,06.4,05.3==y x i i截面验算:575/9.285/6805.3/64.208/======x oy y x ox x i l i l λλ所以2/2151871926/360580/mm N f A N =<===σ 6、腹杆cD计算内力: N=-268.05KN=-268050N计算长度:cml cm l oy ox 9.285285972.22828598.0===⨯= 选用2L110×10,截面特性:A=21.261cm 2,5,38.3==y x i i 截面验算:575/9.285/6838.3/72.228/======y oy y x ox x i l i l λλ 查表得 763.0=x ϕ所以 2/215165)1.2126763.0/(268050/mm N f A N x =<=⨯==ϕσ竖杆Aa 和Ii 按构造要求,分别选用2L110×10T 型截面和十字形截面,所有杆件的截面选择如下表:140x90x10100x10 110x10100x10六) 节点设计设计的节点为D 、C 两个节点(如下图),其余节点设计类同。
1、下弦节点C先计算腹杆焊缝长度,然后定出节点板的形状和尺寸,最后计算下弦杆与节点板之间的连接焊缝。
(1)Bc 焊缝计算 N=360.58KN,角焊缝的设计值,/1602mm N f w f =由构造要求设焊缝h f =7mm,则焊缝所需长度为 肢背mmf he N l wf w 161)16077.02/(3605807.0)2/(7.0'=⨯⨯⨯⨯=⨯⨯=取mm l w 180=肢尖 ()mm hef N l wfw6916077.02/3605803.02/3.0'=⨯⨯⨯⨯== 取mm l w 90= (2)Dc 杆焊缝计算N=-3286.05KN ,同上设mm h f 7=,以下f h 都取7mm 。
肢背 mm hef N l wfw1282/7.0'== 取 mm l w 140=肢尖 mm hef N l wfw 55)16077.02/(2860503.02/3.0'=⨯⨯⨯⨯== 取mm l w 70= (3)Cc 杆件焊缝计算N=-52.49KN, 肢背()mml mml w w 452316077.02/524907.0'==⨯⨯⨯⨯= 取肢尖()mml mml w w 301016077.02/524903.0'==⨯⨯⨯⨯= 取(4)下弦杆焊缝验算下弦杆与节点连接焊缝承受两相邻下弦杆内力之差。
KN N 91.35626.24817.605=-=∆ 根据节点放样得节点板尺寸为 600×400 肢背焊缝验算:()2/16062.45)1260077.02/(35691075.07.02/75.0mmN f l h N wf w f f=<=-⨯⨯⨯⨯=⨯∆=τ其节点图如下:2、上弦节点DDc 杆焊缝计算与下弦节点“c ”相同。
(1)De 杆焊缝计算N=194.20KN,设mm h f 7=,肢背 mmfh N l wff w8116077.0219420065.07.0265.0'=⨯⨯⨯⨯=⨯⨯=取mm l w 110=肢尖 mm l mm f h N l w wf f w70,437.0235.0'==⨯=取 (2)上弦杆焊缝验算肢背处用槽焊缝连接,槽焊缝按两条焊缝计算,mm t h f 62/122/'===,焊缝设计强度应乘折减系数0.8。
节点板尺寸为380×310,设肢尖焊缝f h =7mm,假设集中荷载P 与上弦杆垂直,忽略屋架上弦坡度影响。
肢背焊缝验算:()()2322''221'/1288.06.86)101)12380(67.02()22.1)2/4864.52()35691075.0(7.0222.12/mmN f l h P N K wf wf f=<=⨯-⨯⨯⨯⨯+⨯=⨯⨯+∆=τ肢尖焊缝验算:()[]2322'/16017.44101)12380(77.0222.12/4864.52)35691025.0(mmN f wf f=<=⨯-⨯⨯⨯⨯+⨯=τ其节点图如下:零件号截面长度(mm)数量重量(Kg)正反每米小计共计1 L180×110×10 120302 2 52.928 636.7238 1273.4482 L140×90×10 11830 2 2 34.95 413.4585 826.9173 L110 ×10 18654 16.69 31.12685 124.50744 L140×90×40 2202 2 2 34.95 76.9599 153.91985 L100×10 2334 4 15.12 35.29008 141.16036 L100×10 2100 4 15.12 31.752 127.0087 L110×10 2539 4 16.69 42.37591 169.50368 L100×10 2533 4 15.12 38.29896 153.19589 L100×10 2400 4 15.12 36.288 145.15210 L110×10 2819 4 16.69 47.04911 188.196411 L100×10 2789 4 15.12 42.16968 168.678712 L110×10 2700 4 16.69 45.063 180.25213 L110×10 3126 4 16.69 52.17294 208.691814 L110×10 2990 4 16.69 49.9031 199.612415 L110×10 3000 2 16.69 50.07 100.1416 L110×10 600 1 1 16.69 10.014 10.01417 L180×110×10 800 1 1 52.928 42.3424 42.342418 -120×12 300 8 11.3 3.39 27.1219 -70×12 120 30 6.59 0.7908 23.72420 -70×12 100 2 6.59 0.659 1.31821 -70×12 110 16 6.59 0.7249 11.598422 -70×12 120 14 6.59 0.7908 11.071223 -70×12 100 8 6.59 0.659 5.272。