C30水下混凝土配合比设计报告
- 格式:doc
- 大小:39.00 KB
- 文档页数:5
C30水下混凝土配合比设计说明一、设计依据1、《**********************改建工程设计文件》2、《公路桥涵施工技术规范》JTG/T F50-20113、《普通混凝土配合比设计规程》JGJ55-2011二、使用部位及技术要求1、使用部位:水下灌注桩2、技术要求:①设计标号:C30;②施工坍落度:180-220mm。
三、原材料说明:1、水泥:全椒海螺水泥有限公司,P.0 42.5级“海螺”水泥。
2、碎石:文庄石料厂生产的16-31.5mm:10-16mm:5-10mm=30:50:20掺配成的5-31.5mm连续级配碎石3、砂:南京六合中砂4、水:地下水5、外加剂:合肥东坤建材有限公司生产的DK-100(A)聚羧酸高效减水剂(液体)四、计算步骤1、试配强度fcu,0≥ fcu,k+1.645σ=30+1.645×5=38.2 MPa其中:fcu,0——混凝土配制强度,MPa;fcu,k——混凝土立方体抗压强度标准值,MPa;σ——混凝土强度标准差,MPa。
2、水灰比W/C=(αa·fce)/(fcu,0+αa·αb ·fce)=(0.53×1.15×42.5)/(38.2+0.53×0.20×1.15×42.5)=0.60式中:αa,αb——回归系数fce=γc ·fce,g:γc——水泥强度等级值的富余系数,取1.15;fce,g——水泥强度等级值,MPa。
3、确定用水量mw0=230 kg(查普通混凝土配合比设计规程中表4.0.1-1塌落度在75-90 mm时用水量为205 kg,据此每增加20mm塌落度增加5 kg水推算在塌落度180-220mm时应加水230kg);4、确定水泥用量:C=230/0.60=384 kg5、砂率:βs =43%6、外加剂掺量:按胶凝材料的1.2%,减水率为25%,实际每立方混凝土用水量为230*(1-0.25)=173kg7、粗细骨料用量确定采用重量法由下式计算mc0+mg0+ms0+mw0=mcpβs =ms0/(ms0+mg0)×100%mc0——每立方米混凝土的水泥用量(kg)mg0——每立方米混凝土的碎石用量(kg)ms0——每立方米混凝土的砂用量(kg)mw0——每立方米混凝土的水用量(kg)mcp——每立方米混凝土拌和物的假定重量(kg),这里取2418 kg/m3计算后的结果为:ms0=800 kg /m3,mg0=1061 kg /m38、确定基准配合比,计算每立方米混凝土材料用量:mc0=384kg /m3;ms0=800kg /m3;mg0=1061kg /m3;mw0=173 kg /m3;外加剂=4.608 kg /m3 ,质量比为:mc0 :ms0:mg0:mw0 :外加剂 =1:2.08:2.76:0.45:0.0129、拌和物和易性调整按初步配合比试拌40L砼拌和料,各种材料用量为:水泥:15.360 kg砂:32.000 kg碎石:42.440 kg水:6.920 kg外加剂:0.184 kg经实测坍落度210mm,符合设计值180-220mm,和易性良好,无离析现象,实测容重为Ph=2410(Kg/m3),不需要调整.五、试验室配合比确定1、按基准配合比水灰比W/C=0.45,分别增加和减少0.05;砂率各上下浮动1%,计算出另外两组配合比,即W/C=0.40、W/C=0.50,具体如下表。
C30水下桩混凝土配合比设计书一、设计依据:1、设计图纸2、JGJ55-2011普通混凝土配合比设计规程3、JTG/TF50-2011《公路桥涵施工技术规范》4、JTGF60-2009《公路隧道施工技术规范》5、JTG/TF60-2009《公路隧道施工技术细则》6、GB/T50081-2002《普通混凝土力学性能试验方法》7、GB/T50080-2016《普通混凝土拌合物性能试验方法标准》8、JTGE30-2005《公路工程水泥及水泥混凝土试验规程》9、JTGF80/1-2004《公路工程质量检验评定标准》第一册(土建工程)二、设计说明:1、设计强度等级:C30。
2、设计混凝土坍落度:180~220mm。
3、水泥:海螺水泥P.O42.5。
细骨料:选用泾川0~4.75mm天然中砂。
粗骨料:选用策底坡石料厂5~31.5mm碎石。
(注:该配合比所用粗集料为三级级配,5~10mm:10~20mm:20~31.5mm碎石按2:5:3比例掺配)外加剂:采用咸宁天安新型材料有限公司聚羧酸系高性能减水剂,按胶凝材料用量0.8%掺配。
拌合水:饮用水。
4、拟使用工程部位:桥梁水下桩桩基。
5、原材料主要技术指标及试验结论(1:水泥)材料名称规格主要试验检测项目备注细度80μm筛余标准稠度凝结时间安定性抗压强度MPa 抗折强度MPa水泥P.O42.5 初凝终凝试饼法雷式夹法3d强度28d强度3d强度28d强度后附检测报告规定值≤10%/ ≥45min≤600min 无弯曲无裂缝<5 ≥17 ≥42.5 ≥3.5 ≥6.5实测测0.9 131.5g 150 185 合格 1.0 30.4 47.6 5.5 7.6(2:粉煤灰) 材料名称 规格 主要试验检测项目备注粉煤灰Ⅱ级细度45μm 筛余 烧失量 需水量比 三氧化硫 含水量 游离氧化钙安定性雷氏夹法后附检测报告规定值 ≤25% ≤8% ≤105%≤3.0% ≤1.0%≤1.0%≤5%实测测21.93.6(3:粗集料)材料名称主要试验检测项目备注粗集料 表观密度吸水率 含泥量 针片状含量压碎值 坚固性 后附检测报告规定值 >2500kg/m3≤1.0% ≤1.5% ≤20% ≤20% ≤12% 实测测27130.490.98.016.87.0(4:细集料) 材料名称 规格主要试验检测项目备注细集料0-4.75mm 细度模数 表观密度 堆积密度 空隙率含泥量坚固性后附检测报告规定值 2.3-3.0 >2500kg/m3 >1350kg/m3<47% <3.0% <8% 实测测2.762521 149240.82.7/三、混凝土基准配合比设计1、计算配制强度σ----混凝土强度标准差,取5.0MPa 。
依七高速公路建设项目A1合同段30砼配合比设计(K16+000-K32+000)(水下砼掺缓凝剂)施工单位:黑龙江嘉昌路桥建筑有限责任公司监理单位:黑龙江省公路工程监理咨询公司2010年4月一、设计情况:砼抗压强度等级为C30。
使用部位:K16+000-K32+000段桥钻孔桩基础。
二、原材料情况:1.水泥宾西水泥厂生产的虎鼎牌PO42.5普通硅酸盐水泥。
经试验各项物理力学指标符合规范GB175-2007要求。
2.碎石:依兰县道台桥镇镇江石场生产,该石材质地坚硬,强度完全能满足设计要求,其主要技术指标如下:⑴筛分:掺配后符合4.75-31.5mm连续级配(其中4.75-16mm占 70%、16-26.5mm占30%),满足规范要求。
⑵压碎值:试验结果满足规范要求。
⑶含泥量:试验结果满足规范要求。
⑷针片状:试验结果满足规范要求。
3.砂:依兰县平安砂场生产,该砂洁净、无杂质,含泥量、级配符合规范要求。
4.外掺剂:1.5%。
三、配合比计算本设计中C30水下混凝土为桥基础钻孔桩用,考虑到施工特殊环境,在水灰比、水泥用量、坍落度、砂率等指标按照JGJ55-2000«普通砼配合设计规程»要求的计算方法和步骤,同时参照JTJ041-2000«桥涵施工技术规程»有关技术要求进行设计。
(一)初步配合比计算:1.配制强度f cuf cu=f cu K-T.δ=30+1.645×5=38.2MPa式中 f cu砼施工中配制强度 MPa.T 置信度界限,P=95%时T=1.645.δ砼强度标准差,当强度等级为C25-C40时, δ取5.0。
2.选取水灰比(W/C)按JTJ041-2000«桥涵施工技术规程»对水灰比的要求应在0.5-0.6之间选用,但实际中使用缓凝减水剂,水灰比选用,初选W/C=0.47。
3.确定单位用水量(Mw)。
按JTJ041-2000«桥涵施工技术规程»的要求,施工时坍落度必须满足180-220mm,因此依据以往施工经验初选单位用水量:220kg/m3。
C30 水下混凝土配合比设计书配合比设计说明:本配合比严格按照《现代普通混凝土配合比设计手册》的要求进行设计。
设计强度fcu.k=30Mpa,坍落度180〜220mm。
强度保证率为95%,强度保证系数t=1.645,标准差a =5,采用机械搅拌。
材料说明:1. 水泥:采用广元海螺水泥有限公司PO42.5R普通硅酸盐水泥,各项指标均符合要求。
2 .砂:选用利川鸿达石场粗砂,自检合格。
3. 碎石:选用方石砂石场5〜31.5mm 碎石。
掺配比例:5〜10mm 占65%,16~31.5mm 占35%。
4. 水:符合混凝土用水要求。
5. 外加剂:山西凯迪高效减水剂.减水率15%混凝土配合比设计步骤如下:一.初步计算配合比1. 确定试配强度:f cu.o=f cu.k+t X a =30+1.645 X 5=38.2Mpa2. 计算水灰比:w/c= a a X f ce/(f cu.o+ a a X a b X f ce)=0.46 X 1X 42.5/(38.2+0.46 X 0.07 X 42.5)=0.49(式中:a a=0.46 a b=0.07 f ce= Y c • f ce- g=42.5)3. 选定用水量:碎石最大粒径31.5mm,坍落度在180-220mm,查表得用水量n wo=215Kg,掺外加剂后用水量为:m wo, = m wo X (1-0.15 ) = 205 X 0.85 = 183 Kg4. 计算水泥用量:m co=m wo/(w/c)=183/0.49=373Kg5. 确定减水剂用量:373 X 0.01 = 3.73Kg6. 确定砂率:按规范查表得p s=45%7. 确定粗集料用量(假定混凝土容重为2400Kg/m3)m co+m so+m Go+m wo=2400m so/(m so+m GO)= 45%解此方程组得:m so= 830Kg m Go= 1014Kg8. 确定初步配合比C:S:G:W:减水剂=373:830:1014:183 : 3.73=1:2.22:2.72:0.49 :0.019. 试拌并确定基准配合比按照初步配合比进行试拌调整:当水泥用量增至436Kg,W/C=0.48, p s=43%寸,坍落度满足设计要求,并且粘聚性、保水性都较好,满足施工和易性的要求。
C30普通混凝土配合比设计一、原材料1、水泥:黄石华新水泥厂产堡垒;2、粉煤灰:阳逻电厂产Ⅰ级粉煤灰;3、砂:巴河产Ⅱ区中砂;4、碎石:侏儒檀居石料厂产5~16mm和16~31.5mm二级配碎石,掺配比例为40:60;5、水:洁净水;6、外加剂:上海三瑞化学有限公司产VIVID-500聚羧酸高效减水剂,掺量为胶凝材料用量的0.9%。
二、技术要求1、坍落度:120±20mm2、设计强度:C30三、配合比设计(一)基准配合比1、计算试配强度:f ce=30+1.645×5=38.2MPa2、计算水胶比:水泥强度的富裕系数考虑为1.05.W/C=0.46×42.5×1.05/(38.2+0.46×0.07×42.5×1.05)=0.52取W/C=0.503、选取用水量:根据减水剂的减水率,用水量取150 kg / m3.4、计算胶凝材料用量:胶凝材料用量为:150/0.50=300kg/m3.5、计算水泥用量和粉煤灰用量:综合考虑验收标准要求和施工实际,粉煤灰掺量取为28%。
则:水泥用量C=300×(1-28%)=216 kg/m3粉煤灰用量F=300×28%=84 kg/m36、选取砂率:砂率取38%。
7、计算砂、石用量:假定混凝土密度为2400 kg/m3则:216+84+S+G+150=2400 (1)S/(S+G)=38% (2)综合(1)和(2),得砂用量S=818kg/m3石用量G=1040kg/m3,其中:5~16mm碎石416 kg/m3,16~31.5mm624 kg/m3 8、计算外加剂用量:外加剂掺量为0.9%则外加剂用量为360×0.9%=3.24kg/m3则基准配合比为水泥:粉煤灰:砂:石:水:减水剂=270:90:818:1040:162:3.24 (二)水胶比下调0.04,为0.41用水量为162kg/m3则胶凝材料用量为395 kg/m3,水泥用量为296kg/m3,粉煤灰用量为99kg/m3。
C30水下砼配合比设计报告一、设计依据1.施工图纸。
2.招标文件。
3.JGJ55-2000《普通混凝土配合比设计规程》;4.JTG E30-2005《公路工程水泥及水泥混凝土试验规程》;5.JTJ041-2000《公路桥涵施工技术规范》;6.JTG E42-2005《公路工程集料试验规程》;7.GB 50119-2003《混凝土外加剂应用技术规范》;二、试验材料1.水泥:新疆天山水泥厂生产的42.5高抗硫硅酸盐水泥;2.砂:三台镇创业砂石料厂,经试验细度模数M x=3.2属于粗砂;3.卵石:三台镇创业砂石料厂,最大粒径31.5mm,采用5~31.5mm连续级配。
4.75~19mm:19~31.5mm=65%:35%;4.水:生活饮用水;5.外加剂:新疆中材精细化工有限责任公司生产的FDN高效减水剂;三、工艺要求拌合站集中拌和,精密电子控制计量。
设计坍落度180-220mm。
四、初步配合比1.确定混凝土配制强度f cu.0=f cu.k+1.645σ=30+1.645×5=38.2MPa2.确定水灰比根据JGJ55-2000《普通混凝土配合比设计规程》的要求,选择水灰比为0.45。
3.选定单位用水量a)选择用水量m w0=211kg,采用新疆中材集团精细化工有限责任公司FDN高效减水剂,掺量为水泥用量的0.8 %时,减水率为15.6% 。
b)故用水量为211×(1-15.6%)=178kg4.计算单位水泥用量m c0=m w0/(W/C)=178/0.45=396kg5.选择砂率βs=45%6. 计算粗、细集料单位用量采用质量法:假定砼表观密度2400kg/m3由公式:m s0+m g0=m cp-m c0-m w0m s0 /(m s0+m g0)=βs计算得:m s0=822kg m g0=1004kg6.确定初步配合比为:水泥:砂:卵石:水:外加剂=396:822:1004:178: 3.168= 1:2.076:2.535:0.45:0.008五、试拌、调整与确定1. 试拌30L各种材料用量(kg)水泥:396×0.03=11.88砂:822×0.03= 24.66卵石:1004×0.03=30.12水:178×0.03=5.34外加剂:3.168×0.03=0.09502. 经试拌实测坍落度为200mm,粘聚性、保水性、流动性良好满足设计与施工要求。
C30水下混凝土配合比设计
水下混凝土配合比设计是指根据具体工程要求和材料性能要求,确定
混凝土中水泥、砂、骨料、水和掺合料的合理配合比例,以达到设计强度
和耐久性的要求。
水下混凝土配合比设计的目标是通过优化配合比,保证
混凝土的施工性能和力学性能,同时确保混凝土的抗水侵蚀和抗冲刷性能,以适应水下工程作业的特殊环境。
水下混凝土配合比设计需要考虑以下几个方面:
1.施工性能要求:混凝土在水下施工时需要具备一定的流动性和可塑性,以便于泥浆泵输送和均匀浇筑。
此外,由于施工条件复杂,施工时的
自制坍落度需要有较好的保持性能。
2.强度要求:根据水下工程的具体要求,确定混凝土的设计强度。
一
般情况下,水泥的掺量应该适当较高,同时掺入一定量的矿物掺合料,以
提高混凝土的力学性能。
3.耐久性要求:考虑水下环境对混凝土的侵蚀和冲刷,需要采取一些
措施来提高混凝土的耐久性,如适当增加配筋率、使用高性能掺合料和加
入耐磨材料等。
4.海洋环境的特殊性:海水中的盐分、潮湿气候等因素对混凝土结构
的长期耐久性产生较大影响,需要针对这些特殊因素进行合理的设计。
在进行水下混凝土配合比设计时,可以采用试验室试验和实际工程试
验相结合的方法,通过控制水胶比、选择合适的砂料级配、优化骨料和添
加剂的配比等方式来进行调整。
总之,水下混凝土配合比设计需要根据具体工程要求和环境特点进行综合考虑,以达到既满足工程建设要求,又能提高施工效率和保证长期耐久性的目标。
C30(水下)混凝土配合比设计书试验编号: BP-010一、工程名称:大广高速公路(粤境段)S15合同段二、使用部位.桩基三、设计强度等级:C30四、设计混凝土坍落度:180-220mm五、设计要求1.设计依据大广高速公路(粤境段)设计文件要求JTG/TF50-2011《公路桥涵施工技术规范》JTG E30-2005《公路工程水泥及水泥混凝土试验规程》JTG E42-2005《公路工程集料试验规程》JGJ55-2011《普通混凝土配合比设计规程》2.所用原材料的产地以及规格型号(1)水:新丰江河水.(2)减水剂:山西黄腾化工有限公司生产的HT-HPC聚羧酸高性能减水剂,选用掺量为0.7%。
(3)水泥:广东省惠州市光大水泥企业有限公司,生产的“凯城”牌P•O42.5R 水泥。
(4)细集料:新丰县横坑砂场生产的河砂(Ⅱ区中砂)(5)粗集料:韶关市新丰县回龙镇鸿金碎石场生产的碎石规格三档分别为5-10mm 10-20mm 16-31.5mm,经试验检测各项指标均符合规范要求,其掺配比例为20%:38%:42%,经试验符合5-31.5mm连续级配要求。
六、水泥混凝土配合比计算过程1.计算试配强度f cu,o =f cu,k+1.645σ=30+1.645*5=38.2Mpa(σ=5)2.计算水胶比:W/B= αa×f b /( f cu,o+αa×αb×f b)=0.53×1.16×42.5/ (38.2+0.53×0.2×1.16×42.5)=0.602(f ce---水泥28实测强度,因实测强度值,水泥富余系数取1.16)。
校核水胶比:根据JGJ55-2011、JTG/TF50-2011规定符合最大水胶比不大于0.6的要求,并且综合考虑施工现场的施工工艺及以往实际经验取水胶比W/B=0.4393.确定单位用水量依据JGJ55-2011《普通混凝土配合比设计规程》规定,并经试拌确定用水量为181Kg/m3 .4.计算单位水泥用量:C=181 /0.439=412 Kg/m35.选取砂率:依据JGJ55-2011配合比设计规程,现场细集料为河砂,且中砂偏粗,砂率适当加大,取为β=44%。
关于C30桩基水下混凝土配合比设计说明1、配合比设计要求:(1)、设计强度等级:C30(2)、要求坍落度:180~220mm(3)、最大水灰比:0.62、配合比设计依据(1)、《公路桥涵工程施工技术规范》(2)、《普通砼配合比设计规程》3、原材料情况(1)、水泥:重庆金九水泥P.O42.5R;(2)、细集料:资阳临江砂石厂,细度模数2.76;(3)、粗集料:资阳临江砂石厂;堆积密度为1.65;(4)、水:饮用水;(5)、外加剂:四川柯帅KS缓凝高效减水剂4、配合比计算:(1)、试配强度:fcu.o=fcu.k+1.645σ,σ取5.0,fcu.o =30+1.645×5.0=38.2(Mpa)(2)、水灰比计算:W/C=(0.46×42.5)/(38.2+0.46×0.07×42.5)=0.49 按规范规定,该部位混凝土水灰比应不大于0.6,所以满足要求。
(3)、确定用水量:查表后计算得:W=205+(200-90)÷20×5≈232 (Kg/m3)掺减水剂1.0%,减水率为18.0%。
W=232×(1-18.0%)=190(Kg/m3)(4)、水泥用量:C=190÷0.49≈388(Kg/m3)水泥用量满足规范要求(≥350Kg/m3)。
为了提高混凝土的和易性,减小水化热,采用等量代替法添加Ⅰ级粉煤灰来改善其工作性能,掺量约为水泥用量的15%,其用量为:F=(388÷(1+15%)〕×15%≈51(Kg/m3)C=388-51=337(Kg/m3)(5)、粗细集料计算:按砂率表查询并结合本合同段细集料实际情况(细度模数为2.76)取砂率为42%。
假定混凝土容重:ρ=2350 (Kg/m3)细集料用量:S=(2350-337-51-190)×42%≈744粗集料用量:G=2350-337-51-190-744=1028(6)、试拌调整,确定基准配合比:经试拌,混凝土坍落度为210mm,混凝土粘聚性良好,工作性能满足施工需要。
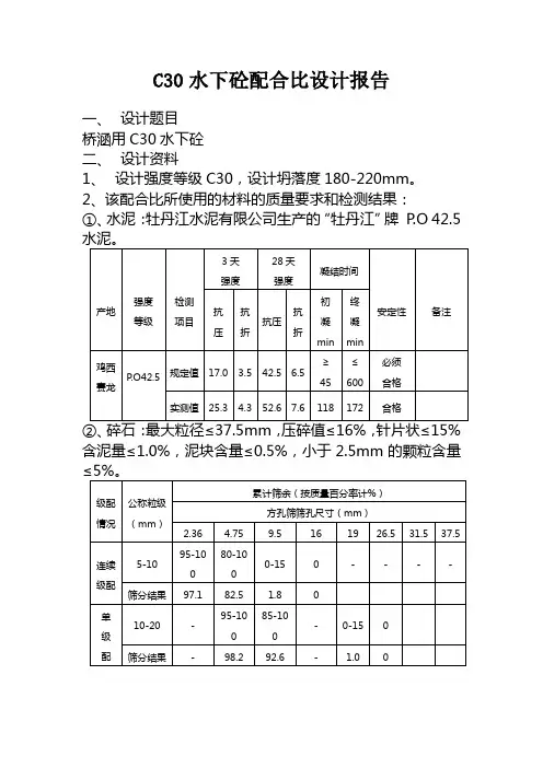
C30水下砼配合比设计报告一、设计题目桥涵用C30水下砼二、设计资料1、设计强度等级C30,设计坍落度180-220mm。
2、该配合比所使用的材料的质量要求和检测结果:①、水泥:牡丹江水泥有限公司生产的“牡丹江”牌 P.O 42.5②、碎石:最大粒径≤37.5mm,压碎值≤16%,针片状≤15%含泥量≤1.0%,泥块含量≤0.5%,小于2.5mm的颗粒含量≤碎石的技术指标:三种碎石5-10mm、10-20mm、16-31.5mm按1:5:4的比例合成后的通过率:③、砂:细度模数:2.3-3.0,实测值2.97;含泥量≤3.0%,实测值1.9%;泥块含量≤1.0%,实测值0.1%。
产地:小莫砂场生产的中砂。
砂的筛分:④、外加剂:菏泽联强建筑材料有限公司生产的LQ-Ⅱ型减水剂,掺量为0.9%。
⑤、水为饮用水。
⑥、粉煤灰:牡丹江电厂生产Ⅱ级粉煤灰。
三、设计步骤(一)计算初步配合比1、确定砼配制强度(f cu0)f cu,0 =f cu,k+1.645б=30+1.645×5=38.2MPaf cu,k:砼设计强度б:标准差取5.0Mpa(二)计算水灰比(W/C)1)按强度要求计算水灰比W/C=аa f ce/(f cu,o+аaаb f ce)=0.46×42.5×1.13/(38.2+0.46×0.07×42.5×1.13)=0.56аa=0.46 аb:=0.07 f ce=42.5×1.13Mpa2)按耐久性校核水灰比规范要求寒冷地区允许最大水灰比为0.6,符合耐久性要求,所以采用水灰比0.563)选定单位用水量(m wo)因为所需砼坍落度为180-220mm,碎石最大粒径为31.5mm,所以用水量决定采用m wo=205 kg/m3。
4)选定单位胶结料用量(m co)m co= m wo/(W/C)=205/0.52=394 kg/m3,单位水泥用量符合耐久性、经济性要求。
C30(S6)防水混凝土配合比设计报告一、设计依据:1、普通混凝土配合比设计规程(JGJ55-2011)2、《汽车加油加气站设计和施工规范》(GB50156-2002C2006版)3、现代混凝土配合比设计手册(张应力主编人民交通出版社出版)4、补偿收缩混凝土应用技术规程(JGJ/T 178-2009)5、中石化惠水城南加油站工程施工图设计二、工程要求:1、强度等级:C30(S6)2、拌合方法:机械3、坍落度:120-160mm4、部位:油罐池自防水钢筋砼底板三、试验目的:通过试验,确定该配合比的材料和最佳配合比例。
四、材料选用:1、水泥:采用贵州豪龙水泥厂生产的“豪龙”牌P.C42.5水泥2、粗集料:采用惠水县城南鸡肠坡石料厂生产的碎石,粒径2.36-31.5mm。
3、细集料:采用惠水鸡肠坡石料厂生产的中砂,通过该砂各项技术测定,均满足C30砼用砂要求。
4、水:自来水,符合砼用水要求。
5、高效减水剂:采用武汉武钢实业浩源化工有限公司生产的“浩源”牌FDN-1型高效减水剂。
(掺量为0.9%)6、膨胀剂:采用山西黄河外加剂厂生产的“黄腾”牌AEA型膨胀剂。
(掺量为10%)五、材料要求:根据技术规范,C30砼的材料应符合下列要求。
1、粗集料:碎石①、粗集料的技术要求:②、粗集料的颗粒级配:2、细集料:石砂①、砂中杂质含量限值:②、砂的级配范围(Ⅱ区中砂)六、砼配合比设计步骤:1、基准配合比(C30-B)⑴、试配强度:f cu,o=f cu,k+1.645σ=30+1.645×5=38.2⑵、计算水灰比:W/C=a a●fce/fcu,o+a a●a b●fce=0.46×36.7/38.2+0.46×0.07×36.7=0.43fce=rc●fce,g=1.13×32.5=36.7(MPa)根据以往施工经验水灰比取:W/C=0.41⑶、依据JGJ55-2000规范,查表4.0.1-2。
C30水下混凝土配合比设计
首先,水下混凝土的配合比设计需要根据工程要求确定混凝土的强度等级。
C30表示混凝土的设计抗压强度为30MPa。
根据这一要求,可以选择适当的水泥、细骨料、粗骨料等原材料,以及掺合料和外加剂。
在设计配合比时,需要考虑到水下施工对混凝土流动性的要求。
为了保证混凝土能够顺利地流动并填充到所需的位置,可以通过调整胶凝材料的含水量和外加剂的类型和用量来改善混凝土的流动性。
常用的外加剂包括减水剂、增粘剂和减粘剂等。
减水剂可降低混凝土的黏性,增粘剂可增加混凝土的黏性,减粘剂可降低混凝土的黏性。
另外,水下混凝土的抗渗性也是需要考虑的重要因素。
水下施工环境中存在较高的水压和水流速度,因此混凝土需要具备良好的抗渗性以防止水的渗透。
提高混凝土的抗渗性可以采用以下措施:适当控制水灰比,增加胶凝材料的用量,采用高活性矿物掺合料等。
此外,为了保证水下混凝土的耐久性,还需要对配合比进行考虑。
耐久性指混凝土在长期的水下环境中不受侵蚀或破坏的能力。
为了提高混凝土的耐久性,可以选用高性能的水泥和掺合料,减少混凝土中的空隙,并进行适当的养护等措施。
综上所述,C30水下混凝土的配合比设计需要考虑到流动性、抗渗性和耐久性等因素。
通过选择合适的材料和外加剂,并进行适当的调整,可以设计出满足水下施工要求的混凝土配合比。
混凝土配合比设计报告书C30水下桩基中铁十四局穗莞深城际SZH-5A标中心试验室2014年07月一、设计说明根据设计图纸,我标段C30水下桩基配合比环境作用等级为H1、L1 Y1,按100年使用年限设计。
二、依据规范标准《铁路混凝土结构耐久性设计规范》TB 10005-2010《铁路混凝土工程施工质量验收标准》TB10424-2010《普通混凝土配合比设计规程》JGJ 55-2011《普通混凝土力学性能试验方法标准》GB/T50081-2002《普通混凝土拌合物性能试验方法标准》GB/T50080-2002《普通混凝土长期性能和耐久性能试验方法标准》GB/T50082-2009三、原材料水泥:中材亨达水泥有限公司郁南分公司,中材牌P.O42.5;细集料:东江砂场,中砂;粗集料:清远晟兴石场,5~25mm连续级配(16~25mm:5~16mm:=70:30);粉煤灰:广州运宏粉煤灰综合开发有限公司,F类Ⅱ级;外加剂:深圳市迈地砼外加剂有限公司,PCA聚羧酸高性能减水剂;拌合水:饮用水。
四、设计步骤1、确定配制强度根据《普通混凝土配合比设计规程》(JGJ 55-2011)混凝土的配制强度采用下式确定:f cu,0=f cu,k+1.645σ混凝土C30配制强度,根据《普通混凝土配合比设计规程》(JGJ 55-2011)规定,σ取值为5.0Mpa,则C30配制强度为:f cu,0=(30+1.645×5.0)×1.15=43.9MPa2、计算水灰比:W/C=a a.fce/(f cu,0+a a.a b.fce),式中:a a=0.53,ab=0.20,fce=42.5×1.16=49.3Mpa得出ω/C=0.48,根据TB10424-2010《铁路混凝土工程施工质量验收标准》取水灰比ω/C=0.41,符合要求。
3、用水量根据设计规程,查表4.0.1-2和通过试配,取用水量m wo= 230Kg,为了提高混凝土的密实度和耐久性采取掺外加剂;外加剂减水率为32%,则:m wa=230×(1-0.32)=156.4Kg,取用水量为158Kg/m34、砂率的确定根据《普通混凝土配合比设计规程》要求,砂率取βs=40%5、材料用量的确定a 、胶凝材料总用量:mc=m wa/w/c=158/0.41=385Kg;取水泥用量为385Kg/m3b 、砂、石:(按假定容重法定计算)设定砼容重m cp= 2360Kg/m3c 、用下面联立方程式计算砂石用量:m so+m go=m cp-m co- m wam so/m so+m go=βs式中:m Co = 385Kg/m3m wa =158Kg/m3βs= 41% 得:m so=741Kg/m3m go = 1066Kg/m3d 、每立方砼材料重量比的初步确定水泥:水:砂:碎石:外加剂385Kg :158Kg :741Kg :1066Kg :3.85 Kg1 :0.41 : 1.92 :2.77 :0.01e、根据《铁路混凝土结构耐久性设计规范》TB 10005-2010规定,为提高混凝土的施工性能和耐久性,应在混凝土中掺加掺量适宜粉煤灰。
混凝土配合比设计报告书C30水下桩基中铁十四局穗莞深城际SZH-5A标中心试验室2014年07月一、设计说明根据设计图纸,我标段C30水下桩基配合比环境作用等级为H1、L1 Y1,按100年使用年限设计。
二、依据规范标准《铁路混凝土结构耐久性设计规范》TB 10005-2010《铁路混凝土工程施工质量验收标准》TB10424-2010《普通混凝土配合比设计规程》JGJ 55-2011《普通混凝土力学性能试验方法标准》GB/T50081-2002《普通混凝土拌合物性能试验方法标准》GB/T50080-2002《普通混凝土长期性能和耐久性能试验方法标准》GB/T50082-2009三、原材料水泥:中材亨达水泥有限公司郁南分公司,中材牌P.O42.5;细集料:东江砂场,中砂;粗集料:清远晟兴石场,5~25mm连续级配(16~25mm:5~16mm:=70:30);粉煤灰:广州运宏粉煤灰综合开发有限公司,F类Ⅱ级;外加剂:深圳市迈地砼外加剂有限公司,PCA聚羧酸高性能减水剂;拌合水:饮用水。
四、设计步骤1、确定配制强度根据《普通混凝土配合比设计规程》(JGJ 55-2011)混凝土的配制强度采用下式确定:f cu,0=f cu,k+1.645σ混凝土C30配制强度,根据《普通混凝土配合比设计规程》(JGJ 55-2011)规定,σ取值为5.0Mpa,则C30配制强度为:f cu,0=(30+1.645×5.0)×1.15=43.9MPa2、计算水灰比:W/C=a a.fce/(f cu,0+a a.a b.fce),式中:a a=0.53,ab=0.20,fce=42.5×1.16=49.3Mpa得出ω/C=0.48,根据TB10424-2010《铁路混凝土工程施工质量验收标准》取水灰比ω/C=0.41,符合要求。
3、用水量根据设计规程,查表4.0.1-2和通过试配,取用水量m wo= 230Kg,为了提高混凝土的密实度和耐久性采取掺外加剂;外加剂减水率为32%,则:m wa=230×(1-0.32)=156.4Kg,取用水量为158Kg/m34、砂率的确定根据《普通混凝土配合比设计规程》要求,砂率取βs=40%5、材料用量的确定a 、胶凝材料总用量:mc=m wa/w/c=158/0.41=385Kg;取水泥用量为385Kg/m3b 、砂、石:(按假定容重法定计算)设定砼容重m cp= 2360Kg/m3c 、用下面联立方程式计算砂石用量:m so+m go=m cp-m co- m wam so/m so+m go=βs式中:m Co = 385Kg/m3m wa =158Kg/m3βs= 41% 得:m so=741Kg/m3m go = 1066Kg/m3d 、每立方砼材料重量比的初步确定水泥:水:砂:碎石:外加剂385Kg :158Kg :741Kg :1066Kg :3.85 Kg1 :0.41 : 1.92 :2.77 :0.01e、根据《铁路混凝土结构耐久性设计规范》TB 10005-2010规定,为提高混凝土的施工性能和耐久性,应在混凝土中掺加掺量适宜粉煤灰。
C30水下灌注桩混凝土配合比优化设计目录1.引言 (1)2.原材料与实验方法 (1)2. 1.原材料 (1)3. 2.实验方法 (2)3.混凝土配合比优化设计 (2)3. 1.1原材料分析 (2)3. 2.C30配合比优化设计 (3)4. 3.C30水下混凝土试配与确定 (4)5.结语 (5)1.引言水下灌注桩的施工工艺决定了其对混凝土技术要求较高。
良好的灌注性能是水下灌注桩混凝土必须具备的。
水下灌注桩混凝土的灌注性能,是指混凝土由搅拌车卸到料斗,经导管完成水下桩基浇筑的难易程度。
灌注性能良好的水下灌注桩混凝土,不仅具有大的流动性,同时混凝土的粘聚性合适。
这就要求混凝土流动性经时损失小,运送到施工现场时还有较大坍落度(218Cm)和扩展度(250cm),以便利用自身重量沉实。
其次是粘聚性合适即有抵抗泌水、离析的稳定性,当混凝土过粘时,混凝土料沉上翻难,灌桩速度慢需要多次拆管;反之混凝土有离析倾向,容易造成堵管断桩。
本文考虑工程实际情况,对原材料进行分析,充分考虑水下灌注桩混凝土设计特点,对C30水下灌注桩混凝土配合比进行优化设计。
2.原材料与实验方法2. 1.原材料(1)胶结材:福建炼石水泥厂生产的P-0.42.5水泥;华能电厂生产的∏级粉煤灰。
(2)骨料:细骨料闽江河砂;粗骨料为石灰石碎石,由小、中、大按一定比例配置而成。
(3)外加剂:保坍型聚较酸高性能减水剂,掺量0.8%~1.2%,减水率225%o(4)拌合水:自来水。
2.2.实验方法(1)原材料分析实验方法。
水泥分析实验依据GB1346-2011《水泥标准稠度用水量凝结时间安定性》和GB/T17671-1999《水泥胶砂强度检验方法》。
粉煤灰分析实验依据GB∕T∙1596∙2017《用于水泥和混凝土中的粉煤灰》。
骨料分析实验依据GB14684∙2011《建筑用砂》,GB14685-2011《建筑用卵石、碎石》。
(2)配合比设计。
C30水下灌注桩混凝土配合比优化设计依据JGJ55-2011《普通混凝土设计规程》。
C30水下混凝土配合比设计书中铁十四局张唐铁路项目部中心试验室二〇一三年五月十三日C30混凝土配合比设计说明一、工程名称张唐铁路ZTSG-7标桥梁桩基。
二、环境条件等级碳化环境T1。
三、设计目的和用途1、目的保证混凝土强度及耐久性满足设计要求,工作性能满足施工工艺要求,经济合理。
2、用途桩基四、技术指标1、强度等级: C30,配制强度:42.7MPa;2、坍落度要求: 180~220mm;3、胶凝材料用量:280~550kg/m3;4、水胶比:≤0.555、56d电通量:<1200C;6、含气量:≥2.0%;7、泌水率(%):不泌水。
六、原材料技术标准七、混凝土配合比设计参数八、所用原材料C30混凝土配合比设计计算书一、 确定试配强度(f cu,0)1、根据《TB 10415-2003铁路桥涵工程施工质量验收标准》采用水下混凝土灌注工艺时,混凝土设计强度应提高1.15倍。
f cu,0 =30×1.15=34.5(MPa )2、根据《JGJ55-2011普通混凝土配合比设计规程》,混凝土试配强度采用下式确定:f cu,0≥f cu,k +1.645σ =30×1.15+1.645×5.0=42.7(MPa ) 式中:f cu,0——混凝土配制强度(MPa );f cu,k ——混凝土立方体抗压强度标准值(MPa ); σ ——混凝土强度标准差(MPa )。
取5.0 二、计算水胶比(W/(C+f+k ) )根据TB10424-2010《铁路混凝土工程施工质量验收标准》及TB/T3275-2011《铁路混凝土》要求,设计使用年限100年碳化侵蚀环境T1等级时,最低混凝土强度等级C30,最大水胶比为0.55,最小胶凝材料为280kg/m 3。
取水胶比0.39。
三、计算1m 3混凝土各项材料用量1、根据TB10424-2010《铁路混凝土工程施工质量验收标准》要求,每立方混凝土中胶凝材料用量为380kg ,外加剂结合经验,掺量为1.05%,即3.99kg ,混凝土中粉煤灰掺量为胶凝材料总量的15%,矿粉掺量为胶凝材料总量的20%,则粉煤灰在混凝土中用量为380kg ×15%=57kg 矿粉在混凝土中用量为380kg ×20%=76kg ,水泥用量为380-57-76=247kg,用水量为150kg 。
xx二期工程
C30水下混凝土配合比
设
计
报
告
xx试验检测有限公司
2020年x月x日
C30水下混凝土配合比设计
一、设计依据
1、《普通混凝土配合比设计规程》(JGJ55-2011) ;
2、《公路工程水泥及水泥混凝土试验规程》(JTG E30-2005 ) ;
3、《混凝土外加剂应用技术规范》(GB50119-2013) ;
4、《公路工程桥涵施工技术规范》(JTG/T F50-2011) ;
5、二期工程施工图
二、设计说明
1.验证混凝土设计强度为C30;
2.本标段C30水下混凝土使用部位为钻孔灌注桩;拌和物的坍
落度选定为180~220mm;
3.运输方式为砼罐车直接运输;
4.按照相关规范规程及施工需要,将在C30基准配比的基础上调
整砂率和水灰比进行进行试验,选择合适的配比。
三、料源说明:
1、水泥:各项技术指标符合规范要求;采用P.O 42.5级水泥;
厂家为xx水泥有限责任公司
2、碎石:各项技术指标符合规范要求;
碎石规格为5~10mm 、10~25mm;
参配比例5~10mm :10~25mm=30:70;
料场为xx
3、砂:各项技术指标符合规范要求;Ⅱ类,中砂;
料场为xx砂厂
4、粉煤灰:各项技术指标符合规范要求;Ⅱ级
厂家为xx粉煤灰厂
5、外加剂:聚羧酸高效减水剂
厂家为xx有限公司
6、水:生活用水
四、配制强度:
1、计算式:ƒcu,0=ƒcu,k+1.645σ
ƒcu,0——试配强度,MPa;
ƒcu,k——设计强度等级,MPa;
σ——施工单位近期同类混凝土施工强度标准差取5.0
t ——保证率系数,t=1.645
2、C30配制强度为ƒcu,0= ƒcu,k+1.645σ
=30+1.645*5=38.225(Mpa)
五、C30水下砼配合比:
5.1 C30水下砼配合比:
5.1.1确定水灰比:
w/c=Afce/(fcu,o+ABfce)
=0.53*42.5/(38.2+0.53*0.20*42.5)=0.53
为了保证工程质量,考虑耐久性能特取水灰比w/c=0.51;
5.1.2根据T=16~20cm,减水剂减水率为14%,
m w =175 kg
5.1.3水泥用量为:
m c=345kg/ m3;
5.1.4砂率:
根据粗骨料品种、最大粒径和混凝土拌和物的水灰比,
确定Sp=40%;假定容重为2352 kg/ m3;
砂用量:m s =720kg/ m3;碎石用量:m G =1060 kg/m3。
5.1.5减水剂用量为:
AE= m w*4.6%=7.8kg
5.1.6由此计算,则试验室基准配合比为:
水泥:砂:碎石:粉煤灰:水:外加剂
345:720:1060:45 :175:7.8
5.1.7根据以上基准配比,经试拌验证并经水灰比与砂率调
整,得出以下系列试拌待选配合比:(单位:kg/m3)
1)W/C=0.56,砂率选用41%
水泥:砂:碎石:粉煤灰:水:外加剂
313:737:1060:45 :175:7.8
2)W/C=0.51,砂率选用40%
水泥:砂:碎石:粉煤灰:水:外加剂
345:720:1060:45 :175:7.8
3)W/C=0.46,砂率选用39%
水泥:砂:碎石:粉煤灰:水:外加剂
380:678:1060:45 :175:7.8
六、混凝土配合比确认:
1、按初步计算的混凝土配合比进行试配,其拌合物的性能均
满足设计要求。
2、由试验室配合比验证,得出检验强度,均符合规范要求,
其28d强度见下表:
3、本次试验结果为目标配合比使用,综合考虑混凝土强度、
和易性、经济性确认配合比为:
C30水下砼配合比:(单位:㎏/m3)
水泥:砂:碎石:粉煤灰:水:外加剂
345:720:1060:45 :175 :7.8
七、建议:
1、施工前应检验相关材料指标的质量,考虑到混凝土的和易性
和耐久性可适当进行微调。
2、施工前应根据现场砂、石实际含水率的变化,将试验室配合
比换算为施工配合比。
xx试验检测有限公司
2020年x月x日。