装饰装修隐蔽工程质量验收标准
- 格式:doc
- 大小:47.50 KB
- 文档页数:6
50210 建筑装饰装修工程质量验收规范之南宫帮珍创作1 总则为了加强建筑工程质量管理,统一建筑装饰装修工程的质量验收,保证工程质量,制定本规范.本规范适用于新建、扩建、改建和既有建筑的装饰装修工程的质量验收.建筑装饰装修工程的承包合同、设计文件及其他技术文件对工程质量验收的要求不得低于本规范的规定.本规范应与国家标准《建筑工程施工质量验收统一标准》(GB 50300—2001)配套使用.建筑装饰装修工程的质量验收除应执行本规范外,尚应符合国家现行有关标准的规定.2 术语建筑装饰装修 building decoration为呵护建筑物的主体结构、完善建筑物的使用功能和美化建筑物,采纳装饰装修资料或饰物,对建筑物的内外概况及空间进行的各种处置过程.基体 primary structure建筑物的主体结构或围护结构.基层 base course直接接受装饰装修施工的面层.细部 detail建筑装饰装修工程中局部采纳的部件或饰物.3 基本规定3.1 设计建筑装饰装修工程必需进行设计,并出具完整的施工图设计文件. 3.承当建筑装饰装修工程设计的单元应具备相应的资质,并应建立质量管理体系.由于设计原因造成的质量问题应由设计单元负责.建筑装饰装修设计应符合城市规划、消防、环保、节能等有关规定.承当建筑装饰装修工程设计的单元应对建筑物进行需要的了解和实地勘察,设计深度应满足施工要求.建筑装饰装修工程设计必需保证建筑物的结构平安和主要使用功能.当涉及主体和承重结构改动或增加荷载时,必需由原结构设计单元或具备相应资质的设计单元核查有关原始资料,对既有建筑结构的平安性进行核验、确认.建筑装饰装修工程的防火、防雷和抗震设计应符合现行国家标准的规定.当墙体或吊顶内的管线可能发生冰冻或结露时,应进行防冻或防结露设计.3.2 资料建筑装饰装修工程所用资料的品种、规格和质量应符合设计要求和国家现行标准的规定.当设计无要求时应符合国家现行标准的规定.严禁使用国家明令淘汰的资料.建筑装饰装修工程所用资料的燃烧性能应符合现行国家标准《建筑内部装修设计防火规范》(GB 50222) 、《建筑设计防火规范》(GBJ 16)和《高层民用建筑设计防火规范》(GB50045)的规定.建筑装饰装修工程所用资料应符合国家有关建筑装饰装修资料有害物质限量标准的规定.所有资料进场时应对品种、规格、外观和尺寸进行验收.资料包装应完好,应有产物合格证书、中文说明书及相关性能的检测陈说;进口产物应按规定进行商品检验.进场后需要进行复验的资料种类及项目应符合本规范各章的规定.同一厂家生产的同一品种、同一类型的进场资料应至少抽取一组样品进行复验,当合同另有约按时应按合同执行.当国家规定或合同约定应对资料进行见证检测时,或对资料的质量发生争议时,应进行见证检测.承当建筑装饰装修资料检测的单元应具备相应的资质,并应建立质量管理体系.建筑装饰装修工程所使用的资料在运输、贮存和施工过程中,必需采用有效办法防止损坏、蜕变和污染环境.建筑装饰装修工程所使用的资料应按设计要求进行防火、防腐和防虫处置.现场配制的资料如砂浆、胶粘剂等,应按设计要求或产物说明书配制.3.3 施工承当建筑装饰装修工程施工的单元应具备相应的资质,并应建立质量管理体系.施工单元应编制施工组织设计并应经过审查批准.施工单元应按有关的施工工艺标准或经审定的施工技术方案施工,并应对施工全过程实行质量控制.承当建筑装饰装修工程施工的人员应有相应岗位的资格证书.建筑装饰装修工程的施工质量应符合设计要求和本规范的规定,由于违反设计文件和本规范的规定施工造成的质量问题应由施工单元负责.建筑装饰装修工程施工中,严禁违反设计文件擅自改动建筑主体、承重结构或主要使用功能;严禁未经设计确认和有关部份批准擅自拆改水、暖、电、燃气、通讯等配套设施.施工单元应遵守有关环境呵护的法律法规,并应采用有效办法控制施工现场的各种粉尘、废气、废弃物、噪声、振动等对周围环境造成的污染和危害.施工单元应遵守有关施工平安、劳动呵护、防火和防毒的法律法规,应建立相应的管理制度,并应配备需要的设备、器具和标识.建筑装饰装修工程应在基体或基层的质量验收合格后施工.对既有建筑进行装饰装修前, 应对基层进行处置并到达本规范的要求.建筑装饰装修工程施工前应有主要资料的样板或做样板间(件), 并应经有关各方确认.墙面采纳保温资料的建筑装饰装修工程, 所用保温资料的类型、品种、规格及施工工艺应符合设计要求.管道、设备等的装置及调试应在建筑装饰装修工程前完成, 当必需同步进行时, 应在饰面层施工前完成.装饰装修工程不得影响管道、设备等的使用和维修.涉及燃气管道的建筑装饰装修工程必需符合有关平安管理的规定.建筑装饰装修工程的电器装置应符合设计要求和国家现行标准的规定.严禁不经穿管直接埋设电线.室内外装饰装修工程施工的环境条件应满足施工工艺的要求.施工环境温度不应低于5℃.当必需在低于5℃气温下施工时, 应采用保证工程质量的有效办法.建筑装饰装修工程施工过程中应做好半制品、制品的呵护, 防止污染和损坏.建筑装饰装修工程验收前应将施工现场清理干净.4 抹灰工程4.1 一般规定本章适用于一般抹灰、装饰抹灰和清水砌体勾缝等分项工程的质量验收.抹灰工程验收时应检查下列文件和记录:1 抹灰工程的施工图、设计说明及其他设计文件.2 资料的产物合格证书、性能检测陈说、进场验收记录和复验陈说.3 隐蔽工程验收记录.4 施工记录.抹灰工程应对水泥的凝结时间和安宁性进行复验.抹灰工程应对下列隐蔽工程项目进行验收:1 抹灰总厚度年夜于或即是35mm时的加强办法.2 分歧资料基体交接处的加强办法.各分项工程的检验批应按下列规定划分:1 相同资料、工艺和施工条件的室外抹灰工程每500~1000m2应划分为一个检验批, 缺乏500m2也应划分为一个检验批.2 相同资料、工艺和施工条件的室内抹灰工程每50个自然间(年夜面积房间和走廊按抹灰面积30m2为一间)应划分为一个检验批, 缺乏50间也应划分为一个检验批.检查数量应符合下列规定:1 室内每个检验批应至少抽查10%, 其实不得少于3间;缺乏3间时应全数检查.2 室外每个检验批每100m2应至少抽查一处, 每处不得小于10m2.外墙抹灰工程施工前应先装置钢木门窗框、护栏等, 并应将墙上的施工孔洞梗塞密实.抹灰用的石灰膏的熟化期不应少于15d;罩面用的磨细石灰粉的熟化期不应少于3d.室内墙面、柱面和门洞口的阳角做法应符合设计要求.设计无要求时, 应采纳1:2水泥砂浆做暗护角, 其高度不应低于2m, 每侧宽度不应小于50mm.当要求抹灰层具有防水、防潮功能时, 应采纳防水砂浆.各种砂浆抹灰层, 在凝结前应防止快干、水冲、撞击、振动和受冻, 在凝结后应采用办法防止玷辱和损坏.水泥砂浆抹灰层应在湿润条件下养护.外墙和顶棚的抹灰层与基层之间及各抹灰层之间必需粘结牢固.4.2 一般抹灰工程本节适用于石灰砂浆、水泥砂浆、水泥混合砂浆、聚合物水泥砂浆和麻刀石灰、纸筋石灰、石膏灰等一般抹灰工程的质量验收.一般抹灰工程分为普通抹灰和高级抹灰, 当设计无要求时, 按普通抹灰验收.主控项目抹灰前基层概况的灰尘、污垢、油渍等应清除干净, 并应洒水润湿.检验方法:检查施工记录.一般抹灰所用资料的品种和性能应符合设计要求.水泥的凝结时间和安宁性复验应合格.砂浆的配合比应符合设计要求.检验方法:检查产物合格证书、进场验收记录、复验陈说和施工记录.抹灰工程应分层进行.当抹灰总厚度年夜于或即是35mm时, 应采用加强办法.分歧资料基体交接处概况的抹灰, 应采用防止开裂的加强办法, 当采纳加强网时, 加强网与各基体的搭接宽度不应小于100mm.检验方法:检查隐蔽工程验收记录和施工记录.抹灰层与基层之间及各抹灰层之间必需粘结牢固, 抹灰层应无脱层、空鼓, 面层应无爆灰和裂缝.检验方法:观察;用小锤轻击检查;检查施工记录.一般项目一般抹灰工程的概况质量应符合下列规定:1 普通抹灰概况应光滑、洁净、接槎平整, 分格缝应清晰.2 高级抹灰概况应光滑、洁净、颜色均匀、无抹纹, 分格缝和灰线应清晰美观.检验方法:观察;手摸检查.护角、孔洞、槽、盒周围的抹灰概况应整齐、光滑;管道后面的抹灰概况应平整.检验方法:观察.抹灰层的总厚度应符合设计要求;水泥砂浆不得抹在石灰砂浆层上;罩面石膏灰不得抹在水泥砂浆层上.检验方法:检查施工记录.抹灰分格缝的设置应符合设计要求, 宽度和深度应均匀, 概况应光滑, 棱角应整齐.检验方法:观察;尺量检查.有排水要求的部位应做滴水线(槽).滴水线(槽)应整齐顺直, 滴水线应内高外低, 滴水槽的宽度和深度均不应小于10mm.检验方法:观察;尺量检查.一般抹灰工程质量的允许偏差和检验方法应符合表4.2.11的规定.2)顶棚抹灰, 本表第2项概况平整度可不检查, 但应平顺.4.3 装饰抹灰工程本节适用于水刷石、斩假石、干粘石、假面砖等装饰抹灰工程的质量验收.主控项目抹灰前基层概况的灰尘、污垢、油渍等应清除干净, 并应洒水润湿.检验方法:检查施工记录.装饰抹灰工程所用资料的品种和性能应符合设计要求.水泥的凝结时间和安宁性复验应合格.砂浆的配合比应符合设计要求.检验方法:检查产物合格证书、进场验收记录、复验陈说和施工记录.抹灰工程应分层进行.当抹灰总厚度年夜于或即是35mm时, 应采用加强办法.分歧资料基体交接处概况的抹灰, 应采用防止开裂的加强办法, 当采纳加强网时, 加强网与各基体的搭接宽度不应小于100mm.检验方法:检查隐蔽工程验收记录和施工记录.各抹灰层之间及抹灰层与基体之间必需粘接牢固, 抹灰层应无脱层、空鼓和裂缝.检验方法:观察;用小锤轻击检查;检查施工记录.一般项目装饰抹灰工程的概况质量应符合下列规定:1 水刷石概况应石粒清晰、分布均匀、紧密平整、色泽一致, 应无失落粒和接槎痕迹.2 斩假石概况剁纹应均匀顺直、深浅一致, 应无漏剁处;阳角处应横剁并留出宽窄一致的不剁边条, 棱角应无损坏.3 干粘石概况应色泽一致、不露浆、不漏粘, 石粒应粘结牢固、分布均匀, 阳角处应无明显黑边.4 假面砖概况应平整、沟纹清晰、留缝整齐、色泽一致, 应无失落角、脱皮、起砂等缺陷.检验方法:观察;手摸检查.装饰抹灰分格条(缝)的设置应符合设计要求, 宽度和深度应均匀, 概况应平整光滑, 棱角应整齐.检验方法:观察.有排水要求的部位应做滴水线(槽).滴水线(槽)应整齐顺直, 滴水线应内高外低, 滴水槽的宽度和深度均不应小于10mm.检验方法:观察;尺量检查.装饰抹灰工程质量的允许偏差和检验方法应符合表4.3.9的规定.本节适用于清水砌体砂浆勾缝和原浆勾缝工程的质量验收.主控项目清水砌体勾缝所用水泥的凝结时间和安宁性复验应合格.砂浆的配合比应符合设计要求.检验方法:检查复验陈说和施工记录.清水砌体勾缝应无漏勾.勾缝资料应粘结牢固、无开裂.检验方法:观察.一般项目清水砌体勾缝应横平竖直, 交接处应平顺, 宽度和深度应均匀, 概况应压实抹平.检验方法:观察;尺量检查.灰缝应颜色一致, 砌体概况应洁净.检验方法:观察.5 门窗工程5.1 一般规定本章适用于木门窗制作与装置、金属门窗装置、塑料门窗装置、特种门装置、门窗玻璃装置等分项工程的质量验收.门窗工程验收时应检查下列文件和记录:1 门窗工程的施工图、设计说明及其他设计文件.2 资料的产物合格证书、性能检测陈说、进场验收记录和复验陈说.3 特种门及其附件的生产许可文件.4 隐蔽工程验收记录.5 施工记录.门窗工程应对下列资料及其性能指标进行复验:1 人造木板的甲醛含量.2 建筑外墙金属窗、塑料窗的抗风压性能、空气渗透性能和雨水渗漏性能.门窗工程应对下列隐蔽工程项目进行验收:1 预埋件和锚固件.2 隐蔽部位的防腐、填嵌处置.各分项工程的检验批应按下列规定划分:1 同一品种、类型和规格的木门窗、金属门窗、塑料门窗及门窗玻璃每100樘也应划分为一个检验批.2 同一品种、类型和规格的特种门每50樘应划分为一个检验批, 缺乏50樘也应划分为一个检验批.检查数量应符合下列规定:1 木门窗、金属门窗、塑料门窗及门窗玻璃, 每个检验批应至少抽查5%, 其实不得少于3樘, 缺乏3樘时应全数检查;高层建筑的外窗, 每个检验批应至少抽查10%,其实不得少于6樘, 缺乏6樘时应全数检查.2 特种门每个检验批应至少抽查50%, 其实不得少于10樘, 缺乏10樘时应全数检查.门窗装置前, 应对门窗洞口尺寸进行检验.金属门窗和塑料门窗装置应采纳预留洞口的方法施工, 不得采纳边装置边砌口或先装置后砌口的方法施工.木门窗与砖石砌体、混凝土或抹灰层接触处应进行防腐处置并应设置防潮层;埋入砌体或混凝土中的木砖应进行防腐处置.当金属窗或塑料窗组合时, 其拼樘料的尺寸、规格、壁厚应符合设计要求.建筑外门窗的装置必需牢固.在砌体上装置门窗严禁用射钉固定.特种门装置除应符合设计要求和本规范规定外, 还应符合有关专业标准和主管部份的规定.5.2 木门窗制作与装置工程本节适用于木门窗制作与装置工程的质量验收.主控项目木门窗的木材品种、材质品级、规格、尺寸、框扇的线型及人造木板的甲醛含量应符合设计要求.设计未规定材质品级时, 所用木材的质量应符合本规范附录A的规定.检验方法:观察;检查资料进场验收记录和复验陈说.木门窗应采纳烘干的木材, 含水率应符合《建筑木门、木窗》(JG/T 122)的规定.检验方法:检查资料进场验收记录.木门窗的防火、防腐、防虫处置应符合设计要.检验方法:观察;检查资料进场验收记录.木门窗的结合处和装置配件处不得有木节或已填补的木节.木门窗如有允许限值以内的死节及直径较年夜的虫眼时, 应用同一材质的木塞加胶填补.对清漆制品, 木塞的木纹和色泽应与制品一致.检验方法:观察.门窗框和厚度年夜于50mm的门窗扇应用双连接.槽应采纳胶料严密嵌合, 并应用胶楔加紧.检验方法:观察;手扳检查.胶合板门、纤维板门和模压门不得脱胶.胶合板不得刨透表层单板, 不得有槎.制作胶合板门、纤维板门时, 边框和横楞应在同一平面上, 面层、边框及横楞应加压胶结.横楞和上、下冒头应各钻两个以上的透气孔, 透气孔应通畅.检验方法:观察.木门窗的品种、类型、规格、开启方向、装置位置及连接方式应符合设计要求.检验方法:观察;尺量检查;检查制品门的产物合格证书.木门窗框的装置必需牢固.预埋木砖的防腐处置、木门窗框固定点的数量、位置及固定方法应符合设计要求.检验方法:观察;手扳检查;检查隐蔽工程验收记录和施工记录.木门窗扇必需装置牢固, 并应开关灵活, 关闭严密, 无倒翘.检验方法:观察;开启和关闭检查;手扳检查.木门窗配件的型号、规格、数量应符合设计要求, 装置应牢固, 位置应正确, 功能应满足使用要求.检验方法:观察;开启和关闭检查;手扳检查.5.3 金属门窗装置工程金属门窗的品种、类型、规格、尺寸、性能、开启方向、装置位置、连接方式及铝合金门窗的型材壁厚应符合设计要求.金属门窗的防腐处置及填嵌、密封处置应符合设计要求.检验方法:观察;尺量检查;检查产物合格证书、性能检测陈说、进场验收记录和复验陈说;检查隐蔽工程验收记录.金属门窗扇必需装置牢固, 并应开关灵活、关闭严密, 无倒翘.推拉门窗扇必需有防脱落办法.检验方法:观察;开启和关闭检查;手扳检查.目铝合金门窗推拉门窗扇开关力应不年夜于100N.检验方法:用弹簧秤检查.金属门窗扇的橡胶密封条或毛毡密封条应装置完好, 不得脱槽.检验方法:观察;开启和关闭检查.钢门窗装置的留缝限值、允许偏差和检验方法应符合表 5.3.11的规定.铝合金门窗装置的允许偏差和检验方法应符合表5.3.12的规定.本节适用于塑料门窗装置工程的质量验收.主控项目塑料门窗的品种、类型、规格、尺寸、开启方向、装置位置、连接方式及填嵌密封处置应符合设计要求, 内衬增强型钢的壁厚及设置应符合国家现行产物标准的质量要求.检验方法:观察;尺量检查;检查产物合格证书、性能检测陈说、进场验收记录和复验陈说;检查隐蔽工程验收记录.塑料门窗框、副框和扇的装置必需牢固.固定片或膨胀螺栓的数量与位置应正确, 连接方式应符合设计要求.固定点应距窗角、中横框、中竖框150~200mm, 固定点间距应不年夜于600mm.检验方法:观察;手扳检查:检查隐蔽工程验收记录.塑料门窗拼樘料内衬增强型钢的规格、壁厚必需符合设计要求, 型钢应与型材内腔紧密吻合, 其两端必需与洞口固定牢固.窗框必需与拼樘料连接紧密, 固定点间距应不年夜于600mm.检验方法:观察;手扳检查;尺量检查;检查进场验收记录.塑料门窗扇应开关灵活、关闭严密, 无倒翘.推拉门窗扇必需有防脱落办法.检验方法:观察;开启和关闭检查;手扳检查.塑料门窗配件的型号、规格、数量应符合设计要求, 装置应牢固, 位置应正确, 功能应满足使用要求.检验方法:观察;手扳检查;尺量检查.塑料门窗框与墙体间缝隙应采纳闭孔弹性资料填嵌丰满, 概况应采纳密封胶密封.密封胶应粘结牢固, 概况应光滑、顺直、无裂纹.检验方法:观察;检查隐蔽工程验收记录.一般项目塑料门窗概况应洁净、平整、光滑, 年夜面应无划痕、碰伤.检验方法:观察.塑料门窗扇的密封条不得脱槽.旋转窗间隙应基本均匀.塑料门窗扇的开关力应符合下列规定:1 平开门窗扇平铰链的开关力应不年夜于80N;滑撑铰链的开关力应不年夜于80N, 其实不小于30N.2 2 推拉门窗扇的开关力应不年夜于100N.检验方法:观察;用弹簧秤检查.玻璃密封条与玻璃及玻璃槽口的接缝应平整, 不得卷边、脱槽.检验方法:观察.排水孔用疏通, 位置和数量应符合设计要求.检验方法:观察.塑料门窗装置的允许偏差和检验方法应符合表5.4.13的规定.本节适用于防火门、防盗门、自动门、全玻门、旋转门、金属卷帘门等特种门装置工程的质量验收.主控项目特种门的质量和各项性能应符合设计要求.检验方法:检查生产许可证、产物合格证书和性能检测陈说.特种门的品种、类型、规格、尺寸、开启方向、装置位置及防腐处置应符合设计要求.检验方法:观察;尺量检查;检查进场验收记录和隐蔽工程验收记录.带有机械装置、自动装置或智能化装置的特种门, 其机械装置、自动装置或智能化装置的功能应符合设计要求和有关标准的规定.检验方法:启念头械装置、自动装置或智能化装置, 观察.特种门的装置必需牢固.预埋件的数量、位置、埋设方式、与框的连接方式必需符合设计要求.检验方法:观察;手扳检查;检查隐蔽工程验收记录.特种门的配件应齐全, 位置应正确, 装置应牢固, 功能应满足使用要求和特种门的各项性能要求.检验方法:观察;手扳检查;检查产物合格证书、性能检测陈说和进场验收记录.一般项目特种门的概况装饰应符合设计要求.检验方法:观察.特种门的概况应洁净, 无划痕、碰伤.检验方法:观察.推拉自动门装置的留缝限值、允许偏差和检验方法应符合表5.5.9的规定.表 5.5.9 推拉自动门装置的留缝限值、允许偏差和本节适用于平板、吸热、反射、中空、夹层、夹丝、磨砂、钢化、压花玻璃等玻璃装置工程的质量验收.主控项目玻璃的品种、规格、尺寸、色彩、图案和涂膜朝向应符合设计要求.单块玻璃年夜于1.5m2时应使用平安玻璃.检验方法:观察;检查产物合格证书、性能检测陈说和进场验收记录.门窗玻璃裁割尺寸应正确.装置后的玻璃应牢固, 不得有裂纹、损伤和松动.检验方法:观察;轻敲检查.玻璃的装置方法应符合设计要求.固定玻璃的钉子或钢丝卡的数量、规格应保证玻璃装置牢固.检验方法:观察;检查施工记录.镶钉水压条接触玻璃处, 应与裁口边缘平齐.水压条应互相紧密连接, 并与裁口边缘紧贴, 割角应整齐.检验方法:观察.密封条与玻璃、玻璃槽口的接触应紧密、平整.密封胶与玻璃、玻璃槽口的边缘应粘结牢固、接缝平齐.检验方法:观察.带密封条的玻璃压条, 其密封条必需与玻璃全部贴紧, 压条与型材之间应无明显缝隙, 压条接缝应不年夜于0.5mm.检验方法:观察;尺量检查.一般项目5.6.8玻璃概况应洁净, 不得有腻子、密封胶、涂料等污渍.中空玻璃内外概况均应洁净, 玻璃中空层内不得有灰尘和水蒸气.检验方法:观察.门窗玻璃不应直接接触型材.单面镀膜玻璃的镀膜层及磨砂玻璃的磨砂面应朝向室内.中空玻璃的单面镀膜玻璃应在最外层, 镀膜层应朝向室内.检验方法:观察.腻子应填抹丰满、粘结牢固;腻子边缘与裁口应平齐.固定玻璃的卡子不应在腻子概况显露.检验方法:观察.6 吊顶工程6.1 一般规定本章适用于暗龙骨吊顶、明龙骨吊顶等分项工程的质量验收.吊顶工程验收时应检查下列文件和记录:1 吊顶工程的施工图、设计说明及其他设计文件.2 资料的产物合格证书、性能检测陈说、进场验收记录和复验陈说.3 隐蔽工程验收记录.4 施工记录.吊顶工程应对人造木板的甲醛含量进行复验.吊顶工程应对下列隐蔽工程项目进行验收:1 吊顶内管道、设备的装置及水管试压2 木龙骨防火、防腐处置.3 预埋件或拉结筋.4 吊杆装置.5 龙骨装置.。
50210 建筑装饰装修工程质量验收规范1 总则1.0.1为了加强建筑工程质量管理,统一建筑装饰装修工程的质量验收,保证工程质量,制定本规范。
1.0.2本规范适用于新建、扩建、改建和既有建筑的装饰装修工程的质量验收。
1.0.3 建筑装饰装修工程的承包合同、设计文件及其他技术文件对工程质量验收的要求不得低于本规范的规定。
1.0.4 本规范应与国家标准《建筑工程施工质量验收统一标准》(GB 50300—2001)配套使用。
1.0.5 建筑装饰装修工程的质量验收除应执行本规范外,尚应符合国家现行有关标准的规定。
2 术语2.0.1建筑装饰装修building decoration为保护建筑物的主体结构、完善建筑物的使用功能和美化建筑物,采用装饰装修材料或饰物,对建筑物的内外表面及空间进行的各种处理过程。
2.0.2基体primary structure建筑物的主体结构或围护结构。
2.0.3 基层base course直接承受装饰装修施工的面层。
2.0.4 细部detail建筑装饰装修工程中局部采用的部件或饰物。
3 基本规定3.1 设计3.1.1 建筑装饰装修工程必须进行设计,并出具完整的施工图设计文件。
3.1.2 承担建筑装饰装修工程设计的单位应具备相应的资质,并应建立质量管理体系。
由于设计原因造成的质量问题应由设计单位负责。
3.1.3 建筑装饰装修设计应符合城市规划、消防、环保、节能等有关规定。
3.1.4 承担建筑装饰装修工程设计的单位应对建筑物进行必要的了解和实地勘察,设计深度应满足施工要求。
3.1.5 建筑装饰装修工程设计必须保证建筑物的结构安全和主要使用功能。
当涉及主体和承重结构改动或增加荷载时,必须由原结构设计单位或具备相应资质的设计单位核查有关原始资料,对既有建筑结构的安全性进行核验、确认。
3.1.6建筑装饰装修工程的防火、防雷和抗震设计应符合现行国家标准的规定。
3.1.7 当墙体或吊顶内的管线可能产生冰冻或结露时,应进行防冻或防结露设计。
隐蔽工程验收对工程质量验收的参考依据引言隐蔽工程验收是指在工程建设过程中,对通过建设所完成的各项工程内容进行质量验收的一项重要环节。
隐蔽工程验收是工程质量验收工作的关键步骤之一,通过对隐蔽工程的验收,可以确保工程质量的合格和可靠。
本文将介绍隐蔽工程验收对工程质量验收的参考依据,包括检查的重点内容、验收标准和程序等方面。
检查的重点内容隐蔽工程验收的检查内容主要包括以下几个方面:1.施工过程中的工艺控制:包括基础施工、结构施工、装饰装修施工等各个环节的工艺控制情况。
例如,基础施工是否符合设计要求,结构施工是否满足各项规范,装饰装修施工是否按照图纸要求进行等。
2.施工材料的选择和使用:对施工材料的选择和使用情况进行检查。
包括对材料的合格证明、供货商的合法合规情况进行核查,以及对材料施工时的质量控制情况进行检查。
3.施工现场的管理和组织:对施工现场的管理和组织情况进行检查。
包括施工现场是否符合环境、安全、文明施工的要求,施工现场是否进行了适当的警示标示,施工人员是否熟悉施工工艺等。
4.质量控制记录的完备性:对各个施工环节的质量控制记录进行检查。
包括对质量检查记录、验收记录、材料进场检验记录等进行核查,确保记录的完整性和真实性。
验收标准隐蔽工程验收的标准是根据相关技术规范和设计要求来确定的。
在进行验收时,应根据项目的特点和工程的实际情况来制定验收标准,以确保工程的质量达到预期要求。
隐蔽工程验收的标准主要包括以下几个方面:1.工程质量:即工程所涉及的各项参数和指标是否符合设计要求和相关技术规范。
2.工程施工工艺:即施工过程中采用的工艺是否符合施工图纸和相关技术规范的要求。
3.材料选择与使用:即施工过程中所使用的材料是否符合设计要求和相关技术规范。
4.施工现场管理:即施工现场是否符合环境、安全、文明施工的要求。
验收程序隐蔽工程验收的程序一般包括以下几个步骤:1.验收前准备:包括准备相关文件和资料,制定验收方案,确定验收人员等。
住宅装饰装修工程施工规范及验收标准一、基本要求01.施工时应在业主的住户面积范围内进行, 不得占有公共空间, 不得影响邻居房屋的安全及使用环境。
02.施工中必须执行有关安全、防火、环保、电气、给排水等现行标准和技术规程。
必须确保建筑物原有的安全性, 不得破坏建筑物外立面。
03.施工前, 项目经理、工长、专职质检员和业主必须对材料进行验收(签字), 合格后方可进行施工。
04.厨房装修时严禁移动燃气表具, 燃气管道不得暗敷, 穿越吊顶内的燃气管道不得有接头, 不得随意改变排水立管、给水管道、地漏、坐便器的位置。
05.施工人员严禁擅自改变设计方案, 如果变更方案(尺寸), 须报请业主和设计师同意。
06.使用经有关部门检测合格的符合绿色环保要求的材料进行施工。
07、每道工序完工后, 施工人员、工程项目经理应先自检(签字)合格后, 及时报请专职质检人员、业主验收。
前道工序不验收(验收不合格), 不准进行下道工序的施工。
08、严禁将煤气热水器排气管接在公共烟道上。
二、开工前准备工作01.工程项目经理、专职质检员和工长应先认真检查原始图是否与房屋实际尺寸相符。
再检查施工图有无不到位或矛盾之处。
如有问题, 应立即修正施工方案。
02.在墙面上弹划水平基准线, 并检查地坪、楼板顶面是否平整、有无裂纹现象, 墙面垂直偏差如超过3CM以上, 则应考虑修改施工方案。
03.检查原电路, 给排水管是否有异常情况。
如有问题则应及时向物业部门反映并解决。
04.检查天花、屋面、外门窗台、外墙、露台、阳台是否有渗漏现象。
05.设置施工人员专用坐便器和垃圾箱(袋)。
06.悬挂工程质量跟踪检测管理性文件(如: 甲、乙方材料进场验收单, 跟踪检测验收标准, 工程变更单, 施工进度单, 工程施工管理条例等)。
三、水电管线铺设工程01.对排水管道作临时封口处理, 避免杂物进入管道。
02.检查水电线路排设的内容和材料是否符合要求。
03.管线槽须用机械切割, 然后手工凿除。
装饰装修隐蔽工程验收制度一、制度目的本制度旨在明确装饰装修隐蔽工程的验收标准和程序,确保工程质量符合国家及行业标准,保障业主利益,提升居住安全和舒适度。
二、验收范围隐蔽工程包括但不限于水电改造、防水处理、墙体基础、地面基层、吊顶结构等不易在装修后检查到的部分。
三、验收标准1. 水电改造:管线走向应横平竖直,接口牢固无渗漏,电线容量符合国家标准,配电箱内线路分明,标识清晰。
2. 防水处理:防水层无破损,涂抹均匀,边缘上翻高度符合要求,经过闭水试验无渗漏现象。
3. 墙体基础:墙面平整,无空鼓、裂缝,垂直度和平整度符合规定标准。
4. 地面基层:地面平整坚实,无起砂、裂缝,坡度符合排水要求。
5. 吊顶结构:吊筋安装牢固,主龙骨、副龙骨间距合理,无变形、松动现象。
四、验收程序1. 施工单位在隐蔽工程施工完成后,应自行进行初步检查,并整理相关验收资料。
2. 通知业主或其代表进行隐蔽工程验收,并提供相应的施工记录和质量检验报告。
3. 业主或其代表应在接到通知后及时到场参与验收,如有疑问可委托专业第三方进行检测。
4. 验收合格后,双方应签署隐蔽工程验收记录,作为后续工程继续进行的依据。
5. 如验收不合格,施工单位应及时整改至合格标准,并重新进行验收。
五、责任与义务1. 施工单位必须按照国家及行业标准执行隐蔽工程的施工和验收工作。
2. 业主有权监督隐蔽工程的施工过程,并对完成的工程进行验收。
3. 双方应本着公正、客观的原则,确保验收工作的公开透明。
六、后续服务1. 施工单位应提供完善的售后服务,对于验收合格的隐蔽工程提供一定期限的质保。
2. 在质保期内,如发现隐蔽工程存在质量问题,施工单位应负责无偿修复。
装饰装修隐蔽工程质量验收标准一、电路质量验收标准1、强弱电分别布管穿线,线管内无接头、扭结,接头在接线盒内,如需分线,必须用分线盒;导线连接坚固,接线不受拉力,包扎紧密,不露线芯;2、目测无裸线、线路规整、横平竖直、PVC管间接头处用胶连接紧密、固定稳固、标准,每隔1200mm加固定卡1个,水平、垂直交叉处应采用过桥弯;吊顶内布线走管应顺顶、顺墙固定或排扎在吊挂杆上;3、尽量少用弯头、使用冷弯技术;尽量少用黄蜡管,能用PVC管处坚决不用黄蜡管;尽量沿墙面、顶面布线,线管入底盒必须使用锁扣固定,线头用绝缘胶布包扎并绕圈入盒;4、线路敷设严禁出现扭绞、死弯、绝缘层损坏、护套线断裂等缺陷,严禁直接埋入抹灰层大等碱性材料内敷设特殊部位除外,需用胶带缠绕;如损伤严重,必须重新更换线路;5、电路、冷热水管、气管不允许同槽敷设,必须分槽敷设,且须保持一定间距;6、电源线配线时,所用导线截面积应满足用电设备的最大输出功率; mm2铜芯线可承受2900W的负荷, mm2铜芯线可承受4900W左右的负荷,4 mm2铜芯线可承受7000W的负荷,6 mm2铜芯线可承受9000W的负荷;7、柜机空调专用6mm2、调、挂机空调、厨房、卫生间插座使用4mm2、普通插座 mm2、照明主线 mm2、灯控制线 mm2;8、回路设置:各空调分别为1个回路,照明1个回路、插座1个回路、厨房及卫生间分别为1个回路,如卫生间内要单独安装电热水器、按摩浴缸、蒸汽浴房等大功率物件除外,此时各需单独设置回路;9、同一回路电线应穿入同一套管内,电线总截面积包括绝缘外皮不应超过管内截面积的40%,直径16 mmPVC管内可穿 mm2线6根, mm2线4根,4 mm2线3根,直径20mmPVC管内可穿 mm2线9根, mm2线7根,4 mm2线5根;10、厨房、卫生间地面不允许进行电路开槽敷设,应在墙体和顶面敷设;11、安装电源插座时, 应符合”左零右相、接地在上”的规定,三线插座接地线,地线截面积必须与零线、相线的截面积保持一致;12、灯具开关、插座安装牢固、灵活有效、位置正确,上沿标高一致,面板端正,紧贴墙面无缝隙,表面洁净;13、电源线与暖气、热水、煤气管之间的平行距离不小于300mm包括插座与燃气表的距离,交叉距离不应小于100mm;14、一般情况下,地插座下口离地高度为完成后地面300㎜;开关下口离地1300㎜,空调插座下口离地1800㎜,厨房插座下口离地1000㎜,卫生间插座下口离地1300㎜,卫生间应使用防水插座;二、水路质量验收标准1、管道安装应横平竖直,紧贴墙体、顶面走,铺设牢固、无晃动,每隔800 mm加固定卡1个或吊杆1个;2、暗管安装时开槽处要先做防水后固定水管,但不能在防水地面进行开槽埋管;明管安装时,管径在25mm以下的给水安装,管道必须在转弯、水表、闸阀处100mm加固定卡;3、水管终端出口应遵循“左热右冷”;冷热水管平行时,应遵循上热下冷的基本原则,并且平行间距不小于20mm;4、冷热水管表面应无损伤,如有损伤需要更换水管;5、冷水管采用25 mm管径,热水管采用20 mm管径;6、排水管道应畅通、无倒坡、无堵塞、无渗漏,地漏应略低于地面,走水畅通;7、地漏排水管与主排水管为平行安装时,应事先将地漏排水管接入主排水管的上口位,以免走水反方向遗漏;8、水管水平、垂直交叉处应采用过桥弯,所有管道接口均需双面涂抹专用封闭胶;9、沉式卫生间施工时,每一排水支管入水口后部应增设S弯管后再与主排水管道连接,以便沉水密闭浊气,做防臭处理;10、下水管横管要保证3‰-8‰的坡度,洗手盆、浴缸等下水管必须使用直径50mm的管材;11、水管安装完毕后将冷热水管用高压管连通进行打压试验,标准为:PP-R管,保持压力2小时无泄漏,气压不下降或降幅保持在 MPa以内为合格;三、防水验收标准1、用防水涂料先将墙角四周和管口进行涂刷一遍,然后再进行大面积涂刷三遍,要先刷墙面后刷地面,涂刷接口地压墙,涂刷要均匀,每遍涂刷时都必须在前一遍干燥后进行;2、应平整,不得有空鼓、起砂、开裂等缺陷,基层含水率应符合防水材料的施工要求;3、防水层表面平整,不起泡、不流淌,与管件、洁具地脚、地漏、排水口接缝严密,过渡圆滑,不得有渗漏现象;4、防水层应从地面延伸到墙面,高出地面300mm,淋浴处地面的防水层高度不得低于1800mm;5、地面不平整,需做保护层时,水泥砂浆厚度、强度必须符合设计要求,操作时严禁破坏防水层,根据设计要求做好地面泛水坡度、排水要畅通,不得有积水倒坡现象;6、防水工程完工后,必须做不低于24小时蓄水试验,楼下无滴漏、渗水现象,方可进行下一步施工;。
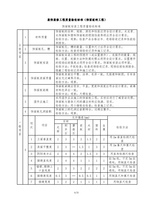
装饰装修工程质量验收标准(饰面板砖工程)饰面板安装工程质量验收标准主控项目1材料质量饰面板的品种、规格、颜色和性能应符合设计要求,木龙骨、木饰面板和塑料饰面板的燃烧性能等级应符合设计要求。
检验方法:观察;检查产品合格证书、进场验收记录和性能检测报告。
2饰面板孔、槽饰面板孔、槽的数量、位置和尺寸应符合设计要求。
检验方法:检查进场验收记录和施工记录。
3饰面板安装饰面板安装工程的预埋件(或后置埋件)、连接件的数量、规格、位置、连接方法和防腐处理必须符合设计要求。
后置埋件的现场拉拔强度必须符合设计要求。
饰面板安装必须牢固。
检验方法:手扳检查;检查进场验收记录、现场拉拔检测报告、隐蔽工程验收记录和施工记录。
一般项目1饰面板表面质量饰面板表面应平整、洁净、色泽一致,无裂痕和缺损。
石材表面应无泛碱等污染。
检验方法:观察。
2饰面板嵌缝饰面板嵌缝应密实、平直,宽度和深度应符合设计要求,嵌填材料色泽应一致。
检验方法:观察;尺理检查。
3湿作业施工采用湿作业法施工的饰面板工程,石材应进行了碱背涂处理。
饰面板与基体之间的灌注材料应饱满、密实。
检验方法:用小锤轻击检查;检查施工记录。
4饰面板孔洞套割饰面板上的孔洞应套割吻合,边缘应整齐。
检验方法:观察。
5项次项目允许偏差(mm)检验方法石材瓷板木材塑料金属光面剁斧石蘑菇石1立面垂直度2332 1.522用2m垂直检测尺检查2表面平整度23─ 1.5133用2m靠尺和塞尺检查3阴阳角方正2442 1.533用直角检测尺检查4接缝直线度2441111拉5m线,不足5m拉通线,用钢直尺检查5墙裙、勒脚上口直线度2332222拉5m线,不足5m拉通线,用钢直尺检查6接缝高低差0.53─0.50.511用钢直尺和塞尺检查7接缝宽度1221111用钢直尺检查饰面砖粘贴工程质量验收标准主控项目1饰面砖质量饰面砖的品种、规格、图案颜色和性能应符合设计要求。
检验方法:观察;检查产品合格证书、进场验收记录、性能检测报告和复验报告。
装饰装修隐蔽工程验收制度一、总则隐蔽工程是装饰装修项目中的关键环节,其质量直接影响着整体工程的质量和安全,因此隐蔽工程的验收非常重要。
为了规范和明确隐蔽工程验收的要求和程序,制定本隐蔽工程验收制度。
二、验收范围1. 本制度适用于所有装饰装修项目的隐蔽工程验收。
2. 隐蔽工程包括但不限于电气、水暖、燃气、防水、隔墙、吊顶等工程。
三、验收标准1. 隐蔽工程验收应符合国家相关标准和规范的要求。
2. 隐蔽工程验收应符合设计图纸和施工方案的要求。
3. 隐蔽工程验收应符合建筑工程质量检验评定标准的要求。
四、验收程序1. 施工前备料:施工单位应根据设计要求提前备料,确保施工进程不受物料的缺失影响。
2. 施工过程:施工单位应按照设计图纸和施工方案要求进行施工,并在每个工序完成后进行自检。
3. 隐蔽验收:隐蔽工程完工后,施工单位应申请隐蔽验收,业主代表、监理工程师和相关部门负责人组成验收小组进行验收。
4. 验收记录:验收小组应制定验收记录,并在验收报告上签字确认。
五、验收内容1. 施工图纸:隐蔽工程验收时应核对施工图纸与实际施工情况的一致性。
2. 施工质量:验收时应检查隐蔽工程的施工质量是否合格。
3. 施工进度:验收时应检查施工进度是否符合设计要求。
4. 安全隐患:验收时应检查隐蔽工程中的安全隐患是否全部处理。
5. 验收标准:验收时应按照相关标准和规范进行验收。
六、验收标准1. 电气工程:验收时应检查电线接头是否牢固,电缆是否损坏,线路是否齐全。
2. 水暖工程:验收时应检查水管连接是否严密,管道是否有渗漏现象,水龙头和马桶是否正常使用。
3. 燃气工程:验收时应检查燃气管道是否密封,是否有漏气现象。
4. 防水工程:验收时应检查防水层是否完好,是否存在渗漏现象。
5. 隔墙工程:验收时应检查隔墙的墙体是否垂直、平整,是否有开裂现象。
6. 吊顶工程:验收时应检查吊顶的平整度、垂直度,吊顶是否牢固。
七、验收结果1. 合格:若隐蔽工程验收合格,则可以进行下一步的装饰装修工程。
50210 建筑装饰装修工程质量验收规范1 总则1.0.1为了加强建筑工程质量管理,统一建筑装饰装修工程的质量验收,保证工程质量,制定本规范。
1.0.2本规范适用于新建、扩建、改建和既有建筑的装饰装修工程的质量验收。
1.0.3 建筑装饰装修工程的承包合同、设计文件及其他技术文件对工程质量验收的要求不得低于本规范的规定。
1.0.4 本规范应与国家标准《建筑工程施工质量验收统一标准》(GB 50300—2001)配套使用。
1.0.5 建筑装饰装修工程的质量验收除应执行本规范外,尚应符合国家现行有关标准的规定。
2 术语2.0.1建筑装饰装修 building decoration为保护建筑物的主体结构、完善建筑物的使用功能和美化建筑物,采用装饰装修材料或饰物,对建筑物的内外表面及空间进行的各种处理过程。
2.0.2基体 primary structure建筑物的主体结构或围护结构。
2.0.3 基层 base course直接承受装饰装修施工的面层。
2.0.4 细部 detail建筑装饰装修工程中局部采用的部件或饰物。
3 基本规定3.1 设计3.1.1 建筑装饰装修工程必须进行设计,并出具完整的施工图设计文件。
3.1.2 承担建筑装饰装修工程设计的单位应具备相应的资质,并应建立质量管理体系。
由于设计原因造成的质量问题应由设计单位负责。
3.1.3 建筑装饰装修设计应符合城市规划、消防、环保、节能等有关规定。
3.1.4 承担建筑装饰装修工程设计的单位应对建筑物进行必要的了解和实地勘察,设计深度应满足施工要求。
3.1.5 建筑装饰装修工程设计必须保证建筑物的结构安全和主要使用功能。
当涉及主体和承重结构改动或增加荷载时,必须由原结构设计单位或具备相应资质的设计单位核查有关原始资料,对既有建筑结构的安全性进行核验、确认。
3.1.6建筑装饰装修工程的防火、防雷和抗震设计应符合现行国家标准的规定。
3.1.7 当墙体或吊顶内的管线可能产生冰冻或结露时,应进行防冻或防结露设计。
装饰装修工程隐蔽验收一、楼地面工程:检查各构造层(垫层、找平层、隔离层、填充层)的材料品种、规格、铺设厚度、铺设方式、坡度、标高、表面情况、节点密封处理等情况;变形缝的处理;防净电地板的接地处理。
二、浴厕工程:检查基层含水率、地漏、套管、卫生器具根部、阴阳角等部位的处理情况,防水层墙面的涂刷情况。
三.抹灰工程:界面剂情况,抹灰厚度大于或等于35mm时的加强措施;不同材料基体交接处的加强措施,抹灰前基层表面的清洁度;当底灰抹平后,暖气、电气设备的箱、槽、孔洞口周边的抹灰情况;外墙和顶棚抹灰层与基层之间,各抹灰层之间的黏结质量情况等。
四、门窗工程:1.预埋件和锚固件的埋设:数量、位置、间距、防腐处理、埋设方式、与框和墙体的连接方式等。
2、门窗安装:安装位置、与墙体连接方式;缝隙防腐、填嵌及密封处理等。
3、固定玻璃的钉子或钢丝卡的数量、规格、位置及玻璃垫块的设置,数量、规格、位置安装方法以及橡胶垫的设置应符合有关标准的规定。
4、木门窗与砖石砌体、混凝土或抹灰层接触处应进行防腐处理并应设防潮层;埋入砌体或混凝土中的木砖的防腐处理。
5、金属门窗防雷装置的设置应符合设计和有关标准的规定。
五、吊顶工程:木龙骨防火、防腐处理;预埋件或拉结筋;吊杆安装;龙骨安装;填充材料设置。
六、轻质隔墙工程:1、预埋件、连墙件、拉结筋埋设:数量、位置、间距、与周边墙体(基体结构)的连接方法及牢固性、铁件防锈防腐处理等。
2、龙骨安装:龙骨材质、规格、安装间距、连接方式,门窗洞口等部位加强龙骨安装;边框龙骨安装与基体结构连接;木龙骨防火、防腐处理等。
3、填充材料的铺置:品种、规格、铺设厚度、固定情况等。
4、轻质隔墙与顶棚和其他墙体交接处的防开裂措施。
七、饰面板(砖)工程:1.连接节点:连接件之间的连接、连接件与墙体的连接、连接件与饰面板的连接、防腐处理等。
2、预埋件(后置埋件)、连接件:品种、规格、数量、位置、连接方法和防腐、防锈、防火处理等。
GB50210-2023住宅建筑装饰装修工程质量验收规定一、前言根据《住宅建筑装饰装修工程质量验收规范》(GB-2023)的要求,本文档旨在详细阐述住宅建筑装饰装修工程质量验收的具体规定,以保障住宅建筑装饰装修工程质量,提高住宅使用功能和居住环境质量。
二、术语和定义1. 住宅建筑装饰装修工程:指对住宅建筑进行内部和外部装饰装修的活动,包括土建工程、水电安装工程、装饰工程和配套工程等。
2. 质量验收:指在住宅建筑装饰装修工程完成后,对工程质量进行评价、检查和确认的过程。
3. 验收合格:指住宅建筑装饰装修工程满足设计文件、规范和合同要求,具备使用功能和安全性能。
三、验收要求3.1 一般规定1. 住宅建筑装饰装修工程应按照设计文件、规范和合同要求进行施工。
2. 施工过程中,应加强质量控制,确保工程质量符合相关要求。
3. 工程验收应由建设、设计、施工、监理等各方共同参与,形成验收意见。
3.2 材料验收1. 材料应符合国家相关标准和合同要求,具备产品质量证明文件。
2. 材料应进行现场验收,验收内容包括品种、规格、型号、数量、外观质量等。
3. 材料应进行复试检验,复试检验内容包括性能、安全性等。
3.3 施工过程验收1. 施工过程中,应按照设计文件和规范要求进行施工,确保工程质量。
2. 施工过程中,应定期对工程质量进行检查,对发现的问题及时整改。
3. 施工过程中,应进行隐蔽工程验收,隐蔽工程验收合格后方可继续施工。
3.4 工程验收1. 工程验收应在施工单位自检合格的基础上进行。
2. 工程验收应按照验收规范要求进行,包括观感质量、使用功能、安全性等检查。
3. 验收不合格的工程,应进行整改,整改合格后重新进行验收。
四、验收组织及程序4.1 验收组织1. 住宅建筑装饰装修工程验收应由建设单位组织,监理、设计、施工等单位参加。
2. 验收组应由具有相应资质的人员组成,不少于3人。
3. 验收组应推举组长,负责组织、协调和指挥验收工作。
装修隐蔽工程验收内容一、前言装修隐蔽工程验收是整个装修过程中非常重要的一个环节,它关系到整个房屋的安全性和使用寿命。
因此,对于业主来说,必须要认真对待隐蔽工程验收这个环节。
接下来,本文将从验收内容、验收标准以及验收注意事项三个方面进行详细介绍。
二、验收内容1.电路隐蔽工程电路隐蔽工程包括线管铺设、线管固定、导线敷设等方面,其中需要注意以下几点:(1)线管铺设:线管应该按照设计图纸上的要求进行铺设,并且应该保证线管的长度和弯曲度符合国家标准。
(2)线管固定:在进行固定时,需要确保每个接口处都有防水措施,并且固定件需要牢固可靠。
(3)导线敷设:导线应该按照设计图纸上的要求进行敷设,并且需要检查每个接头处是否牢固可靠。
2.给排水隐蔽工程给排水隐蔽工程包括水管铺设、排水管道安装等方面,其中需要注意以下几点:(1)水管铺设:水管应该按照设计图纸上的要求进行铺设,并且需要保证水管的长度和弯曲度符合国家标准。
(2)排水管道安装:排水管道需要按照设计图纸上的要求进行安装,并且需要检查每个接头处是否牢固可靠。
3.防水隐蔽工程防水隐蔽工程主要包括卫生间、厨房等区域的防水处理,其中需要注意以下几点:(1)防水材料:防水材料必须符合国家标准,并且需要检查每个接头处是否牢固可靠。
(2)施工质量:施工过程中需要保证每个环节都符合国家标准,特别是在拐角处和接缝处需要加强处理。
三、验收标准1.电路隐蔽工程电路隐蔽工程验收标准主要包括线管铺设是否规范、线管固定是否牢固、导线敷设是否正确等方面。
2.给排水隐蔽工程给排水隐蔽工程验收标准主要包括水管铺设是否规范、排水管道安装是否正确等方面。
3.防水隐蔽工程防水隐蔽工程验收标准主要包括防水材料是否符合国家标准、施工质量是否合格等方面。
四、验收注意事项1.验收时间:隐蔽工程验收需要在施工过程中进行,不能等到装修完毕再进行验收。
2.验收人员:业主需要选择专业的验收人员进行验收,以确保结果的准确性。
最新实施的GB50210-2023建筑装饰装修工程质量验收要求1. 总则根据《建筑装饰装修工程质量验收标准》(GB-2023)的要求,本文档旨在明确建筑装饰装修工程的质量验收要求,确保工程质量满足设计及使用功能需求。
2. 一般规定2.1 工程验收的分类建筑装饰装修工程验收分为单位工程验收、分部工程验收、分项工程验收和检验批验收。
2.2 验收人员验收人员应具备相应的专业技术资格,熟悉相关法律法规和技术规范,并对工程质量负责。
2.3 验收程序验收程序应按照施工顺序进行,包括材料验收、过程验收和最终验收。
3. 材料验收3.1 材料合格证材料供应商应提供材料合格证明文件,包括产品质量合格证、产品性能检测报告等。
3.2 材料验收标准材料验收应按照设计文件和产品标准的要求进行,主要包括材料的品种、规格、性能等。
4. 过程验收4.1 施工过程质量控制施工过程中应进行质量控制,确保施工质量符合设计要求。
主要检查内容包括:- 施工工艺是否符合标准要求;- 施工过程中是否存在质量问题;- 施工记录是否完整。
4.2 隐蔽工程验收隐蔽工程验收应在施工完成后进行,主要检查内容包括:- 工程实体是否符合设计要求;- 工程安全性能是否符合规定;- 工程使用功能是否满足要求。
5. 最终验收5.1 验收条件建筑装饰装修工程完成后,应进行最终验收。
验收条件包括:- 工程符合设计文件和标准要求;- 施工记录和验收资料齐全;- 工程质量无重大质量问题。
5.2 验收内容最终验收应包括以下内容:- 检查工程实体质量,包括墙面、地面、天花板等;- 检查工程使用功能,包括防水、防火、隔音等;- 检查工程安全性能,包括电气、机械设备等;- 检查工程环保性能,包括材料、施工过程等。
6. 验收判定建筑装饰装修工程质量验收判定应符合以下规定:- 工程质量应符合设计文件和标准要求;- 工程质量应无重大质量问题;- 工程质量应满足使用功能和安全性能要求。
家装隐蔽工程是指在装修过程中被后续装饰材料覆盖的工程,包括电气、给水排水、燃气等。
这些隐蔽工程的施工质量直接关系到家庭生活的安全和舒适,因此,严格遵守施工标准至关重要。
一、电气工程1. 电线电缆敷设电线电缆的敷设应符合《电线电缆安装规程》(GB 50217)的要求。
电线电缆应横平竖直,固定牢固,不得有接头。
在潮湿、有腐蚀气体的地方应采用防潮、防腐的电线电缆。
2. 配电箱安装配电箱应符合《住房建筑设计规范》(GB 50096)的要求,并应设置漏电保护器。
配电箱内线路应整齐,标识清楚,接触良好。
3. 电气设备电气设备应符合国家强制性认证标志要求,如CCC认证、CE认证等。
家用电器应接入符合国家安全标准的电源插座,不得使用非标准电源插座。
二、给水排水工程1. 水管敷设水管敷设应符合《建筑给水排水设计规范》(GB 50015)的要求。
给水管应使用符合国家标准的PPR管,主管用6分管,支管用4分管。
水管应横平竖直,固定牢固,管内无杂质。
2. 排水管敷设排水管应使用符合国家标准的PVC管。
排水管的坡度应符合设计要求,保证排水畅通。
排水管应短距离连至出口,管道长时,坡度应相应加大。
3. 防水层施工厨卫及背墙面防水层应符合设计要求,防水涂料应刷到规定高度。
防水层应均匀、连续,无空鼓、无裂缝。
三、燃气工程1. 燃气管道敷设燃气管道应符合《建筑燃气设计规范》(GB 50028-2016)的要求。
燃气管道应横平竖直,固定牢固,不得有接头。
燃气管道应远离电源、热源,防止燃气泄漏。
2. 燃气设备燃气设备应符合国家强制性认证标志要求,如CCC认证等。
燃气灶具应安装稳定,排气通道畅通。
四、施工注意事项1. 施工前勘测设计施工前应对现场进行勘测和设计,制定详细的施工方案。
确保施工过程中顺利进行,避免后期出现问题。
2. 施工现场管理施工现场应保持整洁,尽量减少施工垃圾和扬尘。
施工过程中应严格按照标准进行施工,确保安全可靠。
3. 施工验收施工完成后应进行验收,验收合格后再进行封闭和装修。
地面砖及石材面层隐蔽工程验收工程名称施工单位分项工程名称隐蔽工程项目施工标准名称及代号地面砖或者石材面层工程地面砖或者石材装饰装修工程质量验收规范GB50210-2001质量要求专业工长项目经理施工图纸名称及编号施工单位自查记录监理、物业、建设单位验收记录隐蔽工程部位:施工单位自查结论监理单位验收结论物业公司验收结论建设单位验收结论面层所用的板块的品种、质量必须符合设计要求。
面层与下一层的结合 (粘结) 应坚固,无空鼓。
面砖或者石材面层的表面应洁净、图案清晰,色泽一致,接缝平整,深浅一致,周边顺直。
板块无裂纹、掉角和缺楞等缺陷。
面层邻接处的镶边用料及尺寸应符合设计要求,边角整齐、光滑。
踢脚线表面应洁净、高度一致、结合坚固、出墙厚度一致。
楼梯踏步和台阶板块的缝隙宽度应一致、齿角整齐;楼层梯段相邻踏步高度差不应大于 10mm;防滑条顺直。
项目经理:年月日专业工程师:总监:年月日物业主管:年月日专业工程师:主管工程师:年月日管线敷设隐蔽工程验收记录工程名称分项工程名称隐蔽工程项目施工标准名称及代号管线敷设工程管线敷设装饰装修工程质量验收规范GB50210-2001质量要求施工单位专业工长项目经理施工图纸名称及编号施工单位自查记录监理、物业、建设单位验收记录敷设用的管材管件符合合同及规范要求。
管材固定可靠接头处理符合规范要求。
隐蔽工程部位:线缆的品种、规格、型号符合会同及规范的要求。
敷设方式正确。
各种检测达到验收规范要求。
项目部自查结论工程监理验收结论技术部验收结论客户验收结论项目经理:年月日工程监理:年月日设计师:年月日客户或者委托负责人:年月日饰面板安装隐蔽工程验收记录工程名称施工单位分项工程名称隐蔽工程项目施工标准名称及代号饰面板工程墙面木骨架、基层板制作安装装饰装修工程质量验收规范GB50210-2001质量要求专业工长项目经理施工图纸名称及编号施工单位自查记录监理、物业、建设单位验收记录木龙骨的燃烧性能等级应符合设计要求。
GB50210-2023装修装饰建筑工程质量验收规则1. 总则根据《建筑装饰装修工程质量验收标准》(GB50210-2023)的要求,本文档详细阐述了装修装饰建筑工程质量验收的规则与方法,以保障工程质量,满足使用功能和审美需求。
2. 验收项目与要求2.1 材料验收2.1.1 材料品种、规格、性能等应符合设计要求和国家现行有关标准的规定。
2.1.2 材料应具有出厂合格证书和质量保证书,并进行复试检验。
2.1.3 严禁使用国家明令淘汰的材料。
2.2 施工质量验收2.2.1 施工应符合设计文件和施工技术标准的要求。
2.2.2 施工过程应做好隐蔽工程验收记录,并留存相关施工资料。
2.2.3 工程质量应满足使用功能和审美需求,表面应平整、美观、牢固。
2.3 验收方法2.3.1 观察法:通过目测检查工程表面的平整度、垂直度、阴阳角方正等。
2.3.2 测量法:使用测量工具和仪器检查尺寸、垂直度、水平度等。
2.3.3 试验法:对材料和工程进行必要的试验,如强度试验、防水试验等。
3. 验收程序与组织3.1 验收程序3.1.1 施工单位自检:完成施工后,施工单位应进行自检,确保工程质量。
3.1.2 监理单位验收:监理单位对施工单位的自检结果进行审核,并提出验收意见。
3.1.3 建设单位验收:建设单位根据监理单位的验收意见,组织相关人员进行验收。
3.2 验收组织3.2.1 建设单位应组织施工单位、监理单位、设计单位等有关人员进行验收。
3.2.2 验收人员应具备相应的专业技术资格和经验。
4. 验收判定标准工程质量验收应符合以下标准:4.1 合格:工程质量满足设计要求和标准,无严重质量问题。
4.2 不合格:工程质量不满足设计要求和标准,存在严重质量问题。
5. 验收文件与资料验收过程中产生的相关文件和资料应留存,并按照相关规定进行归档,包括:5.1 设计文件:包括设计图纸、施工说明等。
5.2 施工资料:包括施工方案、施工记录、施工图纸等。
装饰装修隐蔽工程质量验收标准
一、电路质量验收标准
1、强弱电分别布管穿线,线管内无接头、扭结,接头在接线盒内,如需分线,必须用分线盒。
导线连接坚固,接线不受拉力,包扎紧密,不露线芯;
2、目测无裸线、线路规整、横平竖直、PVC管间接头处用胶连接紧密、固定稳固、标准,每隔1200mm加固定卡1个,水平、垂直交叉处应采用过桥弯。
吊顶内布线走管应顺顶、顺墙固定或排扎在吊挂杆上;
3、尽量少用弯头、使用冷弯技术;尽量少用黄蜡管,能用PVC管处坚决不用黄蜡管;尽量沿墙面、顶面布线,线管入底盒必须使用锁扣固定,线头用绝缘胶布包扎并绕圈入盒;
4、线路敷设严禁出现扭绞、死弯、绝缘层损坏、护套线断裂等缺陷,严禁直接埋入抹灰层大等碱性材料内敷设(特殊部位除外,需用胶带缠绕)。
如损伤严重,必须重新更换线路;
5、电路、冷热水管、气管不允许同槽敷设,必须分槽敷设,且须保持一定间距;
6、电源线配线时,所用导线截面积应满足用电设备的最大输出功率。
1.5 mm2
铜芯线可承受2900W的负荷,2.5 mm2铜芯线可承受4900W左右的负荷,4 mm2铜芯线可承受7000W的负荷,6 mm2铜芯线可承受9000W的负荷;
7、柜机空调专用6mm2、调、挂机空调、厨房、卫生间插座使用4mm2、普通插座2.5 mm2、照明主线2.5 mm2、灯控制线1.5 mm2;
8、回路设置:各空调分别为1个回路,照明1个回路、插座1个回路、厨房及卫生间分别为1个回路,如卫生间内要单独安装电热水器、按摩浴缸、蒸汽浴房等大功率物件除外,此时各需单独设置回路;
9、同一回路电线应穿入同一套管内,电线总截面积(包括绝缘外皮)不应超过管内截面积的40%,直径16 mmPVC管内可穿1.5 mm2线6根,2.5 mm2线4根,4 mm2线3根,直径20mmPVC管内可穿1.5 mm2线9根,2.5 mm2线7根,4 mm2线5根;
10、厨房、卫生间地面不允许进行电路开槽敷设,应在墙体和顶面敷设;
11、安装电源插座时,应符合”左零右相、接地在上”的规定,三线插座接地线,地线截面积必须与零线、相线的截面积保持一致;
12、灯具开关、插座安装牢固、灵活有效、位置正确,上沿标高一致,面板端正,紧贴墙面无缝隙,表面洁净;
13、电源线与暖气、热水、煤气管之间的平行距离不小于300mm(包括插座与燃气表的距离),交叉距离不应小于100mm。
14、一般情况下,地插座下口离地高度为完成后地面300㎜。
开关下口离地1300㎜,空调插座下口离地1800㎜,厨房插座下口离地1000㎜,卫生间插座下口离地1300㎜,卫生间应使用防水插座。
二、水路质量验收标准
1、管道安装应横平竖直,紧贴墙体、顶面走,铺设牢固、无晃动,每隔800 mm 加固定卡1个或吊杆1个;
2、暗管安装时开槽处要先做防水后固定水管,但不能在防水地面进行开槽埋管。
明管安装时,管径在25mm以下的给水安装,管道必须在转弯、水表、闸阀处100mm加固定卡;
3、水管终端出口应遵循“左热右冷”;冷热水管平行时,应遵循上热下冷的基本原则,并且平行间距不小于20mm;
4、冷热水管表面应无损伤,如有损伤需要更换水管;
5、冷水管采用25 mm管径,热水管采用20 mm管径;
6、排水管道应畅通、无倒坡、无堵塞、无渗漏,地漏应略低于地面,走水畅通;
7、地漏排水管与主排水管为平行安装时,应事先将地漏排水管接入主排水管的上口位,以免走水反方向遗漏;
8、水管水平、垂直交叉处应采用过桥弯,所有管道接口均需双面涂抹专用封闭胶。
9、沉式卫生间施工时,每一排水支管入水口后部应增设S弯管后再与主排水管道连接,以便沉水密闭浊气,做防臭处理;
10、下水管横管要保证3‰-8‰的坡度,洗手盆、浴缸等下水管必须使用直径50mm 的管材;
11、水管安装完毕后将冷热水管用高压管连通进行打压试验,标准为:PP-R管0.8-1MPa,保持压力2小时无泄漏,气压不下降或降幅保持在0.05 MPa以内为合格。
三、防水验收标准
1、用防水涂料先将墙角四周和管口进行涂刷一遍,然后再进行大面积涂刷三遍,要先刷墙面后刷地面,涂刷接口地压墙,涂刷要均匀,每遍涂刷时都必须在前一遍干燥后进行;
2、应平整,不得有空鼓、起砂、开裂等缺陷,基层含水率应符合防水材料的施工要求;
3、防水层表面平整,不起泡、不流淌,与管件、洁具地脚、地漏、排水口接缝严密,过渡圆滑,不得有渗漏现象;
4、防水层应从地面延伸到墙面,高出地面300mm,淋浴处地面的防水层高度不得低于1800mm;
5、地面不平整,需做保护层时,水泥砂浆厚度、强度必须符合设计要求,操作时严禁破坏防水层,根据设计要求做好地面泛水坡度、排水要畅通,不得有积水倒坡现象;
6、防水工程完工后,必须做不低于24小时蓄水试验,楼下无滴漏、渗水现象,方可进行下一步施工。
感谢您的支持与配合,我们会努力把内容做得更好!。