条形基础计算书
- 格式:doc
- 大小:932.50 KB
- 文档页数:12
1. 工程概况及设计资料某柱下条形基础,所受外荷载大小及位置如图1.1所示。
柱采用C40混凝土,截面尺寸800800mm mm ⨯。
地基为均质粘性土,地基承载力特征值160ak a f KP =,土的重度319/KN m γ=。
地基基础等级:乙级。
地下防水等级:二级。
2. 基础宽度计算基础埋深定为2m 。
总竖向荷载值1000180014004000kiNKN KN KN KN =++=∑180********.5 5.334000N KN m KN me m KN⨯+⨯==假设两端向外延伸总长度为3m ,则 4.56313.5L m m m m =++= 地基底面以上土的加权重度319/m KN m γ=查得《地基规范》中对于粘性土: 1.6d η=,0.3b η= 持力层经深度修正后的地基承载力特征值3(0.5)160 1.619/(20.5)205.6a ak d m a af f d m KP KN m m m KP ηγ=+-=+⨯⨯-=()()34000 1.789205.620/ 2.013.5kia G a NKNb m f d lKP KN m m mγ≥==--⨯⨯∑取 2.0b m =3. 两端外伸长度验算即地基承载力验算320/ 2.013.5 2.01044k G KN m m m m KN =⨯⨯⨯=400010445044kik NG KN KN KN +=+=∑ 80kiMKN m =⋅∑800.0155244N G KN me m KN+⋅==113.5 5.445 1.3052l m m ⎛⎫=-= ⎪⎝⎭213.5 5.055 1.6952l m m ⎛⎫=-= ⎪⎝⎭5244194.22205.62.013.5kikk a a a NG KNp KP f KP blm m +===<=⨯∑,max ,min6195.58 1.2246.7524460.015(1)(1)2.013.513.5192.860kikk N G a a ak a NG p e KP f KP KN p bll m m KP ++>=⨯=±=±=⨯>∑图1.24. 计算基础内力(倒梁法)(1)求基地净反力基础高度定为1.5m ,1.516.04i h l ==,满足要求。
辅助用房柱下条基翼缘配筋计算书基本资料:±0.000相当于高程4.200。
本工程基础持力层为2号粘土层,地基承载力特征值90kPa 。
回填土至室内地坪,基底标高-3.0,基础混凝土强度等级为C25,地基梁受力筋采用HRB400钢筋,条基翼缘受力筋采用HRB400钢筋,箍筋采用HPB235钢筋。
混凝土保护层厚度为40mm ,室外地坪-0.300, 埋深d=3.0-0.3=2.7米,现自然地坪埋深1.0米。
进入②号土层:粘土层,液性指数85.0606.0<=l I ,于是3.0=b η,6.1=d η进行深度修正()()4.1045.00.1186.1905.0=-⨯⨯+=-+=d f f m d ak a γη24.503184.104m KN f d a =⨯-=-γ一、条基翼缘配筋计算:条基类型1:翼缘根部高度250m m h =,条基宽度2000m m B =,肋梁mm mm 700300⨯252.653.14.05p m kN =⨯=m B b 85.015.020.215.02=-=-= kN pb V 85.2785.052.652121m ax =⨯⨯== KN V kN bh f t h 85.277.18621.01027.10.17.07.0m ax 30=>=⨯⨯⨯⨯=β,满足要求m KN pb M ⋅=⨯⨯==7.2385.052.65212122 m mm A s 2348=,配筋为HRB40012@200,m mm A s 2565=二、软弱下卧层验算53.31=s E ,79.22=s E ,327.121<=s s E E ,5.065.023.1>==b z ,︒=0θ 20.73203208.153002530m KN A G F p k k k =÷⎪⎭⎫ ⎝⎛⨯++⨯=+= ()()20.1903.1223180.732tan 2m KN z b p p b p c k z =⨯⨯+⨯-⨯=+-=θ ()()200.723.17.218m KN z d z d p cz =+⨯=+='+=γγγ()()224.925.03.2180.1605.0m KN d f f m d ak az =-⨯⨯+=-+=γη224.920.910.720.19m KN f m KN p p az cz z =<=+=+,软弱下卧层满足。
项目名称_____________构件编号_____________日期_____________ 设计者_____________校对者_____________一、设计资料基础类型:墙下条基计算形式:验算截面尺寸已知尺寸:B1 = 1000(mm), B = 400(mm)H1 = 200(mm), H2 = 200(mm)埋深d = 2000(mm)材料特性:混凝土:C25 钢筋:HPB235(Q235)荷载数据(每延长米):竖向荷载F = 300.00kN土自重G = 108.00kNM = 0.00kN·m V = 0.00kN二、作用在基础底部的弯矩设计值M0 = M + V×h = 0.00 + 0.00×2.00 = 0.00kN·m三、修正地基承载力修正后的地基承载力特征值f a = 118.00 kPa四、轴心荷载作用下地基承载力验算按《建筑地基基础设计规范》(GB 50007--2002)p k = F k + G kA(5.2.2-1)其中:A = 1.00⨯2.00 = 2.00m2F k = F/K s = 300.00/1.35 = 222.22kNG k = G/1.35 = 108.00/1.35 = 80.00kNp k = (F k + G k)/A = ( 222.22 + 80.00 ) / 2.00 = 151.11 kPa > f a = 118.00 kPa不满足要求五、受弯计算结果计算公式:按《建筑地基基础设计规范》(GB 50007--2002)下列公式验算:M I = 112a12⎝⎛⎭⎫(2l + a' )(p max + p -2GA) + (p max - p)l(8.2.7-4)其中:a1 = (2.00 - 0.40)/2 = 0.80m l = a' = 1mp = p max = p min = FA=300.002.00= 150.00kPaM I = 112⨯0.802⨯⎝⎛⎭⎫(2⨯1.00 + 1.00)⨯(150.00 + 150.00 -2⨯108.002.00) + (150.00 - 150.00)⨯1.00= 30.72kN·m受力钢筋计算面积:463.06mm2/m主筋计算结果:计算面积:463.06 mm2/m采用方案:A10@200实配面积:392.70 mm2/m分布钢筋计算结果:计算面积:0.00 mm2/m采用方案:A8@200实配面积:251.33 mm2/m。
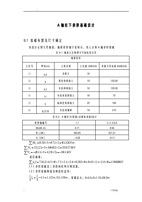
A 轴柱下条形基础设计9.1 基础布置及尺寸确定本设计采用天然地基,地质资料如下表所示,本人计算A 轴条形基础表9-1 地基土层物理力学指标综合表表9-2 A 轴柱力(恒载+活载标准值)统计∑=⨯+⨯=m kN Mk·32.61271.6558.9∑=⨯+⨯=kN N k 75.3335285.364521.521∑-=⨯+⨯-=kN V k11.39)228.4511.6(底层墙重:KN l g k89.15964.21.245.06285.04.21.25.765.4812.7=⨯⨯⨯+⨯⨯⨯⨯-⨯⨯=∑(1)条形基础沿三条纵向柱列分别设置。
(2)条形基础两端各伸出柱边外:m m l 150.1,125.15.441410取=⨯=,基础总长:6×4.5+2×1.15=29.3m(3)基础高度1125mm ~75041~61=⎪⎭⎫⎝⎛=l h ,取h=800 mm (4)基础梁宽mm b 500100400100=+=+=柱宽(5)基础埋深m d 7.18.05.04.0=++=(6)基础底宽()2/59.127.145.0101925.019)5.02/4.0(18m kN r m =⨯-+⨯++⨯=查规,因为 e>0.85,得0=b η,0.1=d η2/11.1455.07.159.120.1130)5.0()3(m kN d r b r f f m d b ak a =-⨯⨯+=-+-+=)(ηη()()m d r f l N B G a k 03.145.01025.12011.1453.2989.15975.3335=⨯-⨯-⨯+=-+≥∑底层墙重 取B=2m9.2 基础承载力验算9.2.1 A 轴持力层承载力验算基底平均压力: 22/11.145/80.8945.01025.12023.2989.15975.3335m kN f m kN A G F p a k k k =<=⨯+⨯+⨯+=+=()()222/13.1742.1/481.10023.298.011.3932.61680.896m kN f m kN lB h V M A G F w M A G F p a k k k k k k k kMax =<=⨯⨯+⨯+=+++=++=∑∑综上,持力层地基承载力满足。
一、设计资料:1、本设计的任务是设计一多层办公楼的钢筋混凝土柱下条形基础,框架柱的截面尺寸均为b×h=500mm×600mm,柱的平面布置如下图所示:2、办公楼上部结构传至框架柱底面的荷载值标准值如下表所示:注:表中轴力的单位为KN,弯矩的单位为;所有1、2、3轴号上的弯矩方向为逆时针、4、5、6轴号上的弯矩为顺时针,弯矩均作用在h方向上。
3、该建筑场地地表为一厚度为1.5m的杂填土层(容重为17kN/m3),其下为粘土层,粘土层承载力特征值为F ak=110kPa,地下水位很深,钢筋和混凝土的强度等级自定请设计此柱下条形基础并绘制施工图。
二、确定基础地面尺寸:1、确定合理的基础长度:设荷载合力到支座A的距离为x,如图1:则:x=∑∑∑+i iiiF Mx F=300700700700700350)5.17300147005.1070077005.37000(++++++⨯+⨯+⨯+⨯+⨯+=8.62mG图1因为x=〈21=⨯, 所以,由《建筑地基基础设计规范》(GB50007-2002)8.3.1第2条规定条形基础端部应沿纵向从两端边柱外伸,外伸长度宜为边跨跨距的倍取a 2=(与41l=⨯相近)。
为使荷载形心与基底形心重合,使基底压力分布较为均匀,并使各柱下弯矩与跨中弯矩趋于均衡以利配筋,得条形基础总长为:L=2(a+a 2-x)=2⨯+19.36m ≈19.4m 121.1m 、确定基础底板宽度b : 竖向力合力标准值:∑KiF=350+700+700+700+700+300=3450kN选择基础埋深为,则m γ=(⨯+⨯)÷=m 3深度修正后的地基承载力特征值为:()5.0-+=d f f m d ak a γη=110+⨯⨯由地基承载力得到条形基础b 为: b ≥)20(d f L Fa Ki-∑=)8.120529.132(4.193450⨯-⨯=1.842m取b=2m ,由于b 〈3m ,不需要修正承载力和基础宽度。
条形基础受力计算考虑临时最不利时由2个千斤顶受力,故在将支反力除以2作为单根千斤顶的支撑反力,如表-1所示。
表-1 千斤顶受力计算表(一)型钢局部承压计算条形基础由C30混凝土浇筑而成,上部放置3×I25a 型钢及50t 千斤顶,其结构如图11.3.2-1所示。
图-1 条形基础结构示意图(单位:cm )钢梁的局部承压强度计算公式为:c w z=Ft l ϕσ式中:F ——集中荷载,=219.8kN F ;ϕ——集中荷载增大系数,此处取1.0;w t ——型钢腹板高度,I25a 型钢腹板厚度为8mm ; z l ——集中荷载在腹板计算高度边缘的假定分布长度,此处取20cm 。
采用3×25I25a 型钢作为分配梁,仅计2根型钢受力,故有:c w z1219.8kN===68.7MPa<=215MPa 28mm 200mmFf t l ϕσ⨯⨯⨯,满足要求。
(二)基础计算基础采用C30混凝土,尺寸横断面设计为1m ×0.2m ,根据地勘报告,在清除表土后,基底岩石抗压强度设计值为300kPa 。
(1)混凝土抗剪切计算钢管柱基础上部钢管桩传递的最大荷载为219.8kN (单桩承载力最大设计值),混凝土扩散角为45°,其受力如图11.3.2-2所示。
图-2 条形基础受力示意图(单位:cm )冲切破坏椎体最不利一侧计算长度,()m 0.2m 0.4m 1==0.47m 22a π⨯+⨯ 故有:hp t m 00.7=0.71 1.43MPa 0.47m 0.2m 1000=94.1kN f a h β⨯⨯⨯⨯⨯()()2l j l 219.8kN 1==1m =78.8kN 94.1kN 1m 1m 2F p A π⨯⨯-⨯<⨯0.3,满足要求。
(2)地基承载力计算钢管柱基础混凝土自重为1×1×0.2×26=5.2kN (计算1m 长度内的混凝土自重)钢管柱基础上部钢管桩传递的最大荷载为219.8kN (单桩承载力最大设计值),因此,基底总荷载为F=219.8+1.35×5.2=226.82kN 。
条形基础计算方法(1)素土垫层工程量外墙条基素土工程量=外墙素土中心线的长度×素土的截面积内墙条基素土工程量=内墙素土净长线的长度×素土的截面积(2)灰土垫层工程量外墙条基灰土工程量=外墙灰土中心线的长度×灰土的截面积内墙条基灰土工程量=内墙灰土净长线的长度×灰土的截面积(3)砼垫层工程量外墙条基砼垫层基础=外墙条形基础砼垫层的中心线长度×砼垫层的截面积内墙条基砼垫层基础=内墙条形基础砼垫层的净长线长度×砼垫层的截面积(4)条形基础工程量外墙条形基础的工程量=外墙条形基础中心线的长度×条形基础的截面积内墙条形基础的工程梁=内墙条形基础净长线的长度×条形基础的截面积注意:净长线的计算①砖条形基础按内墙净长线计算②砼条形基础按分层净长线计算有些地区(天津)计算规则规定,条形基础以地圈梁顶为分界线,这就造成了计算墙体时候必须加上+-0.000以下的高度;而且一个工程条形基础同时出现不同标高的圈梁时候,计算墙体时候必须区分出墙的底标高,对手工造成了麻烦。
(5)、砼垫层模板①计算方法之一:天津2004年建筑工程预算基价砼垫层模板按砼垫层以体积计算。
②计算方法之二:有的地区定额规则的砼垫层模板=砼垫层的侧面净长×砼垫层高度(6)、砼条基模板①计算方法之一:天津2004年建筑工程预算基价砼条基模板按砼条基以体积计算。
②计算方法之二:有的地区定额规则的砼条基模板=砼条基侧面净长×砼条基高度 .(7)、地圈梁工程量外墙地圈梁的工程量=外墙地圈梁中心线的长度×地圈梁的截面积内墙地圈梁的工程梁=内墙地圈梁净长线的长度×地圈梁的截面积(8)、地圈梁模板①计算方法之一:天津2004年建筑工程预算基价地圈梁模板按地圈梁以体积计算。
②计算方法之二:有的地区定额规则的地圈梁模板=地圈梁侧面净长×地圈梁高度(9)基础墙工程量外墙基础墙的工程量=外墙基础墙中心线的长度×基础墙的截面积内墙基础墙的工程梁=内墙基础墙净长线的长度×基础墙的截面积(10)基槽的土方体积基槽的土方体积=基槽的截面面积×基槽的净长度外墙地槽长度按外墙槽底中心线计算,内墙地槽长度按内墙槽底净长计算,槽宽按图示尺寸加工作面的宽度计算,槽深按自然地坪至槽底计算。
一、结构自重及风荷载计算1. 已知条件:一围网高H=3.06m,底部为500高钢筋混凝土基座,采用扩展条形基础。
2.恒荷载计算:假设基础面标高为-0.5m,其上部混凝土基座重为:G1=1.0m×0.2m×25kN/m3 =5kN/m围网重:G2=(3.06-0.5m)×0.10kN/m3 =0.26kN/m结构自重:G=G1+G2=5.26kN/m3.水平风荷载计算:根据《建筑结构荷载规范》GB 50009--2001(2006 年版):垂直于建筑物表面上的风荷载标准值,当计算围护结构时,应按下述公式计算W k=βgzμs1μzωo式中:ωo——基本风压,取ωo=0.7 kN/m2;βgz——风振系数,取βgz=1.0;μs——风荷载体型系数,根据建筑风荷载体型系数表查得μs=1.3;μz——风压变化系数,取μz=1.0;W k =1.0×1.3×1.0×0.7=0.91kN/m。
基础面弯矩:M k=W k H2/2=0.91×3.062/2=4.26kN/m2二、扩展条形基础设计1. 已知条件:(1)控制信息:墙数:单墙墙竖向力:F k=5.26kN/m 墙弯矩M k=4.26kN·m/m(2)设计信息:基础类型:阶型一阶混凝土等级:C25受力筋级别:HRB335 保护层厚度:40 mm基础宽度:800 mm 高度:200 mm轴线左边宽度:400 mm 轴线右边宽度:400 mm垫层挑出宽度:100 mm 垫层厚度:100 mm荷载的综合分项系数γz=1.35(3)地基信息:基础埋置深度:0.7 m地坪高差:0.000 m修正后的地基承载力特征值:80.00 kPa2. 基础自重和基础上的土重:基础混凝土的容重γc=25.00kN/m基础顶面以上土的容重γs=18.00kN/m顶面上覆土厚度 d s=700mmG k=V jcγc+(A-b c×h c)×d s×γs=13.6kN3. 反力计算:(1)荷载标准值时基底全反力-用于验算地基承载力p k=(F k+G k)/A=23.58 kPa偏心矩:e= M k/(F k+G k)= 4.26/(5.26+13.6)=0.226m>l/6=0.167m基础底面抵抗矩W=lb2/6=1.000×0.800×0.800/6=0.107mp Kmax=2(F k+G k)/3la=2×18.86/[3×1.0×(0.4-0.226)]=93.83kPap Kmin=0kPa(2)荷载设计值时基底全反力p=(F+G)/A=31.83kPap max=2(F+G)/3la=126.67kPap min=0kPa(3)荷载设计值时基底净反力-用于验算基础剪切和冲切承载力p j=F/A=8.88 kPap maxj=p max-G/A=103.72kPap minj=p min-G/A=0-22.92kPa<0 ,取p minj=04. 地基承载力验算:p k=25.46kPa<f a=80.00kPa 满足!p kmax=93.83kPa<1.2f a=96.00kPa 满足!地基承载力验算满足要求!5. 基础冲切承载力验算:p max=γz×93.83=126.67kPap j=p max-G/A=126.67-18.36/0.80=103.72kPa因 b>b c+2×H o、b>h c+2×H o且l-h c>1-b c有:A l=0.5×(b+h c+2×H o)×(b-h c-2×H o)/2+b×(l-b c-b+h c)/2=0.5×(0.800+0.200+2×0.150)×(0.800-0.200-2×0.150)/2 +0.800×(1.000-0.200-0.800+0.200)/2=0.18ma b= Min{b c+2×H o,l}= Min{0.200+2×0.150,1.000} = 0.500ma m=(b c+a b)/2=(0.200+0.500)/2=0.350mF l = p j×A l=103.72×0.18=18.67kN0.7βhp f t a m H o/γRE=0.7×1.000×1271×0.350×0.150/0.85=54.9kN≥F l=18.67kN 满足!基础冲切承载力验算满足要求!6.基础抗剪承载力验算:计算宽度 B o=800mmV=p j×A=p j×(l-b c)×b/2=103.72×(1.000-0.200)×0.800/2=33.19kN0.7βh f t B o H o/γRE =0.7×1.00×1271×0.800×0.150/0.85= 125.6kN≥V=33.19kN,满足要求。
砖混结构条形基础设计计算书一、总则本工程为北京某校内的集体宿舍,拟定层数为五层砖混结构建筑物。
根据建筑地基勘察报告初步确定基础类型及相关的设计。
二、基础类型简明勘察报告资料:a)地形地物概述:现场为空地,地形较平坦,地面标高39。
15m~39.60m。
b)地下水概述:1、勘察时实测水位:本次钻探深10m,标高为29。
20m,未见到地下水。
2、历年最高水位:1959年最高水位为38。
20m。
3、地下水水质侵蚀性:根据附近已有资料,水质无侵蚀性。
c)土质土层概述:表层为杂填土①层,γ=18kN/3m,含大量砖块灰渣及生活垃圾,疏松,稍湿,厚约2。
0m。
其下为粉质粘土②层,黄褐色,其物理力学性质指标见附表,厚约4。
5m,f ak=180kPa。
第三层为细砂③,本次勘探做了标准贯入试验,指标详见地质剖面图,f ak=250kPa.由此确定基础类型为:浅埋天然条形基础。
三、基础埋深根据勘察报告中的土质土层概述,①层土为疏松的杂填土,属于软弱土层,其厚约2m,而下部②层土为良好土层,应选取下部良好土层作为持力层,因此将基础埋深设为2.1m。
(d=2.1m)四、确定地基承载力由土质土层概述知:fak=180kPa,且基础埋置深度大于0。
5m,可算fa= fak+ηbγ(b—3)+ηdγm(d—0。
5)由于②层土的e大于0.85,经查表得ηb的大小为0,ηd的大小为1.0。
γm=(18*2+18.06*0.1)/2.1=18 kPa因此fa=180+1。
0*18(2。
1-0.5)=208.8 kPa五、基础底面尺寸设计。
墙下条形基础计算书一、设计资料基础类型:墙下条基计算形式:验算截面尺寸已知尺寸:B1 = 300(mm), B = 200(mm)H1 = 300(mm), H2 = 0(mm)埋深d = 3200(mm) 室外地坪-0.300m材料特性:混凝土:C30 钢筋:HPB400荷载数据(每延长米):-0.300以上墙体高度h1=3.9m(最高点)-0.300以下墙体高度h2=2.7m-0.300以上墙体荷载F1= 13kN-0.300以下墙体荷载F2= 12kN基础上方墙体荷载F k= F1+F2=25 kN土容重r=19kN/m3,自重G k=45.6kNM = 0.00kN·m V = 0.00kN二、作用在基础底部的弯矩设计值M0 = M + V×h = 0.00 + 0.00×0.300 = 0.00kN·m三、修正地基承载力修正后的地基承载力特征值f a = 80+1*19*(1.2-0.5)=93.3kPa 四、轴心荷载作用下地基承载力验算按《建筑地基基础设计规范》(GB 50007--2002)p k = F k + G kA(5.2.2-1)其中:A = 1.00⨯0.60 = 0.60m2p k = (F k + G k)/A = ( 25+45.6) / 0.6 = 117.7kPa<f a =250kPa 满足要求五、受弯计算结果计算公式:按《建筑地基基础设计规范》(GB 50007--2002)下列公式验算:M I = 112a12⎝⎛⎭⎫(2l + a' )(p max + p -2GA) + (p max - p)l(8.2.7-4)其中:a1 = (0.6-0.2)/2 = 0.2ml = a' = 1mF=1.35 (F k + G k)=1.35*(25+45.6)=95.31 kNp = p max = p min = FA=58/0.6=158.85kN代入公式(8.2.7-4)得M I= 1.657kN·mh0=300-40-5=255mmAs=M/0.9fyh0=20 mm2/m受力钢筋计算面积:20mm2/m,同时应按构造要求配筋,即最小配筋率为0.15%,计算结果为234mm2/m分布钢筋计算面积:按构造要求配筋,每延米分布钢筋的面积不应小于受力钢筋面积的15%,且不得小于A8@200主筋计算结果:计算面积:234.00mm2/m采用方案:A10@200实配面积:393.00 mm2/m分布钢筋计算结果:计算面积:35.1mm2/m采用方案:A8@200实配面积:251.33 mm2/m。
条形基础计算范例5.1设计资料已知底层柱组合内力如下表所示:5。
2埋深的确定根据上部结构要求柱截面尺寸拟采用400×400mm.初选基础埋深为d=2。
5m。
5。
3确定地基承载力地下水位取-1.50m γm=(18×1.5+0.45×14+0。
55×18)/ 2 。
5=17。
3kN/m3先假定b≤3m 则fa =fak+ηdγm(d—0.5)=103+1.2×17。
3×(2。
5-0。
5)=144。
5kPa5.4确定底板尺寸1)外伸长度:C左=C右=7000×1/4=1750mmL=2×1750+3×7000=24500mm2)宽度B:B≥∑F k/(fa-20d+10h w)L=(1426+1839+1927+1329)/(144。
5-20×2.5+10×1)×24.5=2。
55m取B=2.70m设计由于偏心荷载较小,故不考虑偏心荷载作用.即使考虑偏心荷载Pmax =(∑Fk+Gk+Gwk)/ lb+6∑Mk/bl2= (6521+24。
5×2.7×2。
5×20+10×24。
5×2。
7×1)/(24.5×2.7)+(1329×10。
5+1927×3。
5-1426×10。
5-1839×3.5—2。
5-1)/(2。
7×24。
52)= 136kPa<1。
2 f a 满足要求5。
5按构造要求选取翼板尺寸初选翼板厚度为500mm,采用变厚度翼板,坡度取1/45。
6基础梁尺寸h=1/6×L=1/6×7000≈1200mmb=1/2。
4×h=500mm翼板及肋梁尺寸见下图5。
7验算底板厚度基础采用C20混凝土,f t =1。
10N/ mm2P j=F/bl=(1927+1426+1839+1329)×1.35/(2。
TJ-1条基计算一、设计依据《建筑地基基础设计规范》 (GB50007-2011)①《混凝土结构设计规范》 (GB50010-2010)②二、示意图三、计算信息构件编号: TJ-1 计算类型: 验算截面尺寸1. 几何参数墙宽bo=700mm基础水平长度B1=500mm B2=500mm基础端部高度h1=300mm基础根部高度h2=100mm基础总高度H=400mmas=40mmho=360mm2. 材料信息墙体材料: 混凝土基础砼等级: C30 ft=1.43N/mm2fc=14.3N/mm2基础钢筋级别: HRB400 fy=360N/mm23. 计算信息结构重要性系数: γo=1.0基础埋深: dh=0.500m基础及其上覆土的平均容重: γ=1.000kN/m3最小配筋率ρmin=0.150%4. 作用在基础顶部荷载标准值Fgk=42.200kN Fqk=100.000kNMgk=0.000kN*m Mqk=0.000kN*mVgk=0.000kN Vqk=0.000kN永久荷载分项系数rg=1.20可变荷载分项系数rq=1.00Fk=Fgk+Fqk=42.200+100.000=142.200kNMk=Mgk+Mqk=0.000+(0.000)=0.000kN*mVk=Vgk+Vqk=0.000+(0.000)=0.000kNF1=rg*Fgk+rq*Fqk=1.20*42.200+1.00*100.000=150.640kNM1=rg*Mgk+rq*Mqk=1.20*(0.000)+1.00*(0.000)=0.000kN*mV1=rg*Vgk+rq*Vqk=1.20*(0.000)+1.00*(0.000)=0.000kNF2=1.35*Fk=1.35*142.200=191.970kNM2=1.35*Mk=1.35*(0.000)=0.000kN*mV2=1.35*Vk=1.35*(0.000)=0.000kNF=max(|F1|, |F2|)=max(|150.640|, |191.970|)=191.970kNM=max(|M1|, |M2|)=max(|0.000|, |0.000|)=0.000kN*mV=max(|V1|, |V2|)=max(|0.000|, |0.000|)=0.000kN5. 修正后的地基承载力特征值fa=150.000kPa四、计算参数1. 基础计算长度 By=1m2. 基础总宽 Bx=B1+B2=0.500+0.500=1.000m3. 基础底面积 A=Bx*By=1.000*1.000=1.000m24. Gk=γ*Bx*By*dh=1.000*1.000*1.000*0.500=0.500kNG=1.35*Gk=1.35*0.500=0.675kN五、计算作用在基础底部弯矩值Mdk=Mk+Vk*H=0.000+(0.000)*0.400=0.000kN*mMd=M+V*H=0.000+(0.000)*0.400=0.000kN*m六、验算地基承载力1. 验算轴心荷载作用下地基承载力pk=(Fk+Gk)/A=(142.200+0.500)/1.000=142.700kPa因γo*pk=1.0*142.700=142.700kPa≤fa=150.000kPa轴心荷载作用下地基承载力满足要求因Mdk=0 Md=0 不用验算偏心荷载七、基础受弯计算1. 计算exen=(B2+B1)/2-B2=(0.500+0.500)/2-0.500=0.000mex=(Md+(F+G)*en)/(F+G)=(0.000+(191.970+0.675)*0.000)/(191.970+0.675)=0.000m2. 计算地基承载力因|ex|≤Bx/6小偏心Pmax=(F+G)/A*(1+6*|ex|/Bx)=(191.970+0.675)/1.000*(1+6*|0.000|/1.000)=192.645kPaPmin=(F+G)/A*(1-6*|ex|/Bx)=(191.970+0.675)/1.000*(1-6*|0.000|/1.000)=192.645kPa因ex<0P=Pmin+(B2+bo/2)*(Pmax-Pmin)/Bx=192.645+(0.500+0.700/2)*(192.645-192.645)/1.000)=192.645kPa3. 计算弯矩墙体材料为混凝土a1=B1-bo/2=0.500-0.700/2=0.150ma2=B2-bo/2=0.500-0.700/2=0.150ma=max(a1,a2)=max(0.150,0.150)=0.150mMI=1/6*a2*(2*Pmax+P-3*G/A)=1/6*0.1502*(2*192.645+192.645-3*0.675/1.000)=2.160kN*m八、基础受剪计算1. 计算剪力pk=(Fk+Gk)/B=(142.2+0.5)/1.0=142.70kN/mVs=1m*pk=1m*142.70=142.70kN2. 计算截面高度影响系数βhsβhs=(800/h0)1/4=(800/800.0)1/4=1.03. 剪切承载力验算Bz=B1+B2=500+500=1000mmAo=Bz*(h1+h2-as)=1000*(300+100-40)=360000.00mm2γo*Vs=1.0*142.70=142.70kN≤0.7βhs ftAo=0.7*1.0*1.43*360000.0=360.4kN 受剪承载力验算满足要求!九、配筋计算1. 计算基础底板X方向钢筋Asx=γo*MI/(0.9*ho*fy)=1.0*2.16*106/(0.9*360*360)=18.5mm2Asxmin=ρmin*By*H=0.150%*1000*400=600.0mm2Asx=max(Asx, Asxmin)=max(18.5, 600.0)=600mm2Asx1=Asx/By=600/1000=600mm2/m选择钢筋18@250, 实配面积为1272.5mm2/m。
A 轴柱下条形基础设计基础布置及尺寸确定本设计采用天然地基,地质资料如下表所示,本人计算A 轴条形基础表9-1 地基土层物理力学指标综合表表9-2 A 轴柱内力(恒载+活载标准值)统计∑=⨯+⨯=m kN M k·32.61271.6558.9 ∑=⨯+⨯=kN N k 75.3335285.364521.521 ∑-=⨯+⨯-=kN V k11.39)228.4511.6(底层墙重:KN l g k89.15964.21.245.06285.04.21.25.765.4812.7=⨯⨯⨯+⨯⨯⨯⨯-⨯⨯=∑(1)条形基础沿三条纵向柱列分别设置。
(2)条形基础两端各伸出柱边外:m m l 150.1,125.15.441410取=⨯=,基础总长:6×+2×=29.3m (3)基础高度1125mm ~75041~61=⎪⎭⎫⎝⎛=l h ,取h=800 mm (4)基础梁宽mm b 500100400100=+=+=柱宽(5)基础埋深m d 7.18.05.04.0=++= (6)基础底宽()2/59.127.145.0101925.019)5.02/4.0(18m kN r m =⨯-+⨯++⨯=查规范,因为 e>,得0=b η,0.1=d η2/11.1455.07.159.120.1130)5.0()3(m kN d r b r f f m d b ak a =-⨯⨯+=-+-+=)(ηη ()()m d r f l N B G a k 03.145.01025.12011.1453.2989.15975.3335=⨯-⨯-⨯+=-+≥∑底层墙重取B=2m基础承载力验算9.2.1 A 轴持力层承载力验算基底平均压力:22/11.145/80.8945.01025.12023.2989.15975.3335m kN f m kN A G F p a k k k =<=⨯+⨯+⨯+=+=()()222/13.1742.1/481.10023.298.011.3932.61680.896m kN f m kN lB h V M A G F w M A G F p a k k k k k k k kMax =<=⨯⨯+⨯+=+++=++=∑∑综上,持力层地基承载力满足。
9.3 A 轴基础梁设计9.3.1 基础梁荷载计算表9-3 A 轴内力(恒+活设计值)统计框架轴编号 1,7(×恒载+××活载)2 , 3,4,5,6 (×恒载+××活载)M (kN·m) N(kN) V(kN)∑=⨯+⨯=m kN M ·32.77508.12246.8 ∑=⨯+⨯=kN N 55.4308521.673225.471 ∑=⨯+⨯=kN V 28.4957.7239.5m kN L N P a/05.1473.2955.4308===∑ 9.3.2 基础梁内力计算按连续梁求基础梁的内力,又由于基础梁及柱下竖向荷载均为对称,故在计算中利用其对称性,以加速计算过程。
按规范规定,在比较均匀的地基上,上部结构刚度较好,荷载分布较均匀,条形基础梁的高度不小于1/6柱距时,地基反力可按直线分布,条形基础梁的内力可按倒置的连续梁计算,即倒梁法。
(1)固端弯矩计算m KN ql M .24.9715.105.1472/12/12212-=⨯⨯-=-=m KN M ql M .60.32324.972/15.405.1478/12/18/1212221=⨯-⨯⨯=⨯-⨯= m KN ql M M M M .15.2485.405.1471211212243343223-=⨯⨯-=-=-==-= (2)弯矩分配计算按连续梁计算基础梁内力的过程列于下表中。
表9-4 基础梁内力计算表计算简图支座 1 234分配系数μ固端弯距Mg(kN ·m)运 算→支座弯矩(kN ·m )跨中弯矩 (kN ·m )弯矩图 (kN ·m )(3)求支座剪力支座剪力计算剪力位置剪力值L V 1 11.16915.105.1471-=⨯-=L VR V 1 31.2882/5.405.1475.4/)74.28824.97(1=⨯+-=R V L V 2 []13.4032/2.47.1715.4/)24.9774.288(2-=⨯+--=L V R V 2 44.3422/5.405.1475.4/)58.23668.288(2=⨯+-=R V L V 3 []28.3192/5.405.1475.4/)68.28858.236(3-=⨯+--=L V R V 301.3272/5.405.1475.4/)92.25357.236(3=⨯+-=R V L V 4[]72.3342/5.405.1475.4/)57.23692.253(3-=⨯+--=R V(4)求支座反力)(221KN lM M pl V +±=支座反力计算42.45731.28811.1691=+=R57.74544.34213.4032=+=R 29.64601.32728.3193=+=R44.669272.3344=⨯=R(5)初步计算剪力图(6)弯矩调整计算计算“支座反力”与原柱传来的竖向力相差超过5%,边榀柱相差,中榀柱相差 kN ,把该差值均布分布在相应柱的两侧各1/3跨内作为调整反力,按连续梁计算调整内力q 1== kN/m (↓);q 2=3= kN/m (↓); q 3=3=m (↑); q 4=3=m (↑) 固端弯矩:m KN M .41.1015.116.152/1210=⨯⨯=m KN M .41.1012-=mKN M l b qb l a qa M .89.3401.506.2184.182/1)/2(8/1)/2(8/112222221=-+=+-+-= m KN l a l a qa l l a qa M .90.1458.1668.1))/(3/86(12/112/)/34(22323-=-=+-+-=m KN l a l a qa l l a qa M .66.117.652.4))/(3/86(12/112/)/34(22332-=-=+-+-= m KN l a l a qa l l a qa M .41.617.624.0))/(3/86(12/112/)/34(22334=+=+-+-=m KN l a l a qa l l a qa M .54.287.067.1))/(3/86(12/112/)/34(22343-=--=+-+-=表9-5 基础梁内力调整表计算简图支座 1 234分配系数μ固端弯距Mg(kN ·m)运 算→支座弯矩弯矩图梁端剪力 (KN )剪力图m KN M .83.8641.1024.97'1-=+-=,m KN M .40.26030.2870.288'2-=+-= m KN M .58.24400.858.236'3-=--=,m KN M .98.25294.092.253'4-=+-=各支座剪力:m KN V L .00.14911.1811.167'1=-=,m KN V R .55.26876.1931.288'1-=+-= m KN V L .14.37599.2713.403'2=-=,m KN V R .07.31637.2644.342'2-=+-= m KN V L .50.33022.1128.319'3=+=,m KN V R .78.33277.501.327'3-=--=m KN V L .18.33946.472.334'4=+=各支座反力:m KN R .55.41755.26800.149'1=+=,m KN R .21.69107.31614.375'2=+= m KN R .28.66378.33250.330'3=+=,m KN R .36.678218.339'4=⨯=所得结果与原轴力相比相差不大,均不超过5%,满足要求,无需再调整。
(7)最终内力图根据规范规定,当按倒梁法进行计算时,此时边跨跨中弯矩及第一内支座的弯矩值宜乘以系数。
得到最终内力图如下:86.83238.33312.48119.73244.58123.44252.98(198.61)(260.40)图9-1 倒梁法求得最终弯矩图(kN ·m )316.07268.55375.14330.50339.18332.78149.00图9-2 倒梁法求得最终剪力图(kN )9.3.3 基础梁配筋计算(1) 正截面配筋计算基础梁截面尺寸取为500mm×800mm ; 有效高度h 0=h-αs =800-40=760mm ;混凝土强度等级C30;钢筋为HPB400级钢筋。
表9-6 基础梁配筋表正截面配筋率:%2.0/45.0%,2.0max %3.0800500min ==>=⨯=y t f f ρρ,满足要求。
(2)斜截面配筋箍筋采用φ8,四肢箍。
452.1500/760/<==b h w ,KN V KN bh f c c 14.37513597605003.140.125.025.0max 0=>=⨯⨯⨯⨯=β,截面尺寸满足要求。
KN V KN bh f t 14.37538.39176050043.17.07.0max 0=>=⨯⨯⨯=,按构造配筋即可。
取3min ,1027.1/24.0/-⨯====yv t sv sv sv f f bs A ρρ, 得191.0/,762.0/1==s A s A sv sv 。
因此,配置φ8@200(近支座处加密φ8@100),此时191.0252.0200/30.50/1>==s A sv 。
9.3.4 翼板的承载力计算计算基底净反力,取竖向最大的一个单元进行计算。
∑=⨯+⨯=m kN M ·32.77508.12246.8 ∑=⨯+⨯=kN N 55.4308521.673225.471 ∑=⨯+⨯=kN V 28.4957.7239.5 KN l g 85.21589.15935.1=⨯=∑()()()()2222/23.71223.298.028.4932.7763.29285.21555.43086/19.83223.298.028.4932.7763.29285.21555.43086M KN LB VH M BLglN P MKN LBVH M BL gl N P Min Max =⨯⨯⨯+⨯-⨯+=+⨯-+==⨯⨯⨯+⨯+⨯+=+⨯++=∑∑∑∑9.3.5 计算翼板根部的内力及配筋计算翼板根部内力计算 (1)翼板根部的剪力:2min max /71.78200075023.712000125019.83200075020001250m KN p p p x =⨯+⨯=⨯+⨯= KN P P V x71.60175.02/)71.7819.83(175.02/)(max=⨯⨯+=⨯⨯+=(2) 翼板根部的最大弯矩:m KN P P M x .77.2212/75.02/)71.7819.83(12/75.02/)(22max =⨯⨯+=⨯⨯+=9.3.6翼板底部受力钢筋配置翼板为250mm-400mm 变截面板,翼板根部高度为400mm ,有效高度mm h h 360400=-=,所需钢筋面积:26022.1953603609.01077.229.0mm h f M A y s =⨯⨯⨯==,实际配筋2222.195393mm mm >9.3.6 翼板斜截面承载力验算KN V KN bh f c 71.6036.360360100043.107.007.00=>=⨯⨯⨯=,根部高度满足要求。