常见贴片电阻封装
- 格式:docx
- 大小:24.28 KB
- 文档页数:6
贴片电阻规格、封装、尺寸(总4页)-CAL-FENGHAI.-(YICAI)-Company One1-CAL-本页仅作为文档封面,使用请直接删除贴片电阻常见封装有9种,用两种尺寸代码来表示。
一种尺寸代码是由4位数字表示的EIA(美国电子工业协会)代码,前两位与后两位分别表示电阻的长与宽,以英寸为单位。
我们常说的0603封装就是指英制代码。
另一种是米制代码,也由4位数字表示,其单位为毫米。
下表列出贴片电阻封装英制和公制的关系及详细的尺寸:英制(inch)公制(mm)长(L)(mm)宽(W)(mm)高(t)(mm)a(mm)b(mm)020106030.60±0.050.30±0.050.23±0.050.10±0.050.15±0.05 04021005 1.00±0.100.50±0.100.30±0.100.20±0.100.25±0.10 06031608 1.60±0.150.80±0.150.40±0.100.30±0.200.30±0.20 08052012 2.00±0.201.25±0.150.50±0.100.40±0.200.40±0.20 12063216 3.20±0.201.60±0.150.55±0.100.50±0.200.50±0.20 12103225 3.20±0.202.50±0.200.55±0.100.50±0.200.50±0.20 18124832 4.50±0.203.20±0.200.55±0.100.50±0.200.50±0.20 20105025 5.00±0.202.50±0.200.55±0.100.60±0.200.60±0.20 25126432 6.40±0.203.20±0.200.55±0.100.60±0.200.60±0.20一、零件规格:(a)、零件规格即零件的外形尺寸,SMT发展至今,业界为方便作业,已经形成了一个标准零件系列,各家零件供货商皆是按这一标准制造。
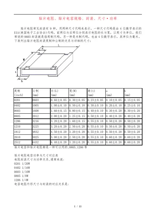
贴片电阻、贴片电容规格、封装、尺寸·功率贴片电阻常见封装有9种,用两种尺寸代码来表示。
一种尺寸代码是由4位数字表示的EIA(美国电子工业协会)代码,前两位与后两位分别表示电阻的长与宽,以英寸为单位。
我们常说的0603封装就是指英制代码。
另一种是米制代码,也由4位数字表示,其单位为毫米。
下表列出贴片电阻封装英制和公制的关系及详细的尺寸:英制(inch) 公制(mm)长(L)(mm)宽(W)(mm)高(t)(mm)a(mm)b(mm)0201 0603 0.60±0.050.30±0.050.23±0.050.10±0.050.15±0.05 0402 1005 1.00±0.100.50±0.100.30±0.100.20±0.100.25±0.10 0603 1608 1.60±0.150.80±0.150.40±0.100.30±0.200.30±0.20 0805 2012 2.00±0.20 1.25±0.150.50±0.100.40±0.200.40±0.20 1206 3216 3.20±0.20 1.60±0.150.55±0.100.50±0.200.50±0.20 1210 3225 3.20±0.20 2.50±0.200.55±0.100.50±0.200.50±0.20 1812 4832 4.50±0.20 3.20±0.200.55±0.100.50±0.200.50±0.20 2010 5025 5.00±0.20 2.50±0.200.55±0.100.60±0.200.60±0.20 2512 6432 6.40±0.20 3.20±0.200.55±0.100.60±0.200.60±0.20贴片电阻电容功率与尺寸对应表电阻封装尺寸与功率关系,通常来说:0201 1/20W0402 1/16W0603 1/10W0805 1/8W1206 1/4W电容电阻外形尺寸与封装的对应关系是:0402=1.0x0.50603=1.6x0.80805=2.0x1.21206=3.2x1.61210=3.2x2.51812=4.5x3.22225=5.6x6.5常规贴片电阻(部分)常规的贴片电阻的标准封装及额定功率如下表:英制(mil) 公制(mm) 额定功率(W)@ 70°C0201 0603 1/200402 1005 1/160603 1608 1/100805 2012 1/81206 3216 1/41210 3225 1/31812 4832 1/22010 5025 3/42512 6432 1国内贴片电阻的命名方法:1、5%精度的命名:RS-05K102JT2、1%精度的命名:RS-05K1002FTR -表示电阻S -表示功率0402是1/16W、0603是1/10W、0805是1/8W、1206是1/4W、 1210是1/3W、1812是1/2W、2010是3/4W、2512是1W。
贴片电阻常见封装有9种,用两种尺寸代码来表示。
一种尺寸代码是由4位数字表示的EIA(美国电子工业协会)代码,前两位与后两位分别表示电阻的长与宽,以英寸为单位。
我们常说的0603封装就是指英制代码。
另一种是米制代码,也由4位数字表示,其单位为毫米。
下表列出贴片电阻封装英制和公制的关系及详细的尺寸:贴片元件的封装一、零件规格:(a)、零件规格即零件的外形尺寸,SMT发展至今,业界为方便作业,已经形成了一个标准零件系列,各家零件供货商皆是按这一标准制造。
标准零件之尺寸规格有英制与公制两种表示方法,如下表英制表示法1206 0805 0603 0402公制表示法3216 2125 1608 1005含义L:1.2inch(3.2mm)W:0.6inch(1.6mm)L:0.8inch(2.0mm)W:0.5inch(1.25mm)L:0.6inch(1.6mm)W:0.3inch(0.8mm)L:0.4inch(1.0mm)W:0.2inch(0.5mm)注:a、L(Length):长度; W(Width):宽度; inch:英寸b、1inch=25.4mm(b)、在(1)中未提及零件的厚度,在这一点上因零件不同而有所差异,在生产时应以实际量测为准。
(c)、以上所讲的主要是针对电子产品中用量最大的电阻(排阻)和电容(排容),其它如电感、二极管、晶体管等等因用量较小,且形状也多种多样,在此不作讨论。
(d)、SMT发展至今,随着电子产品集成度的不断提高,标准零件逐步向微型化发展,如今最小的标准零件已经到了0201。
二、常用元件封装1)电阻:最为常见的有0805、0603两类,不同的是,它可以以排阻的身份出现,四位、八位都有,具体封装样式可参照MD16仿真版,也可以到设计所内部PCB库查询。
注:ABCD四类型的封装形式则为其具体尺寸,标注形式为L X S X H1210具体尺寸与电解电容B类3528类型相同0805具体尺寸:2.0 X 1.25 X 0.5(公制表示法)1206具体尺寸:3.0 X 1.5 0X 0.5(公制表示法)2)电阻的命名方法1、5%精度的命名: RS – 05 K 102 JT2、1%精度的命名:RS – 05 K 1002 FTR -表示电阻S -表示功率0402是1/16W、0603是1/10W、0805是1/8W、1206是1/4W、1210是1/3W、1812是1/2W、2010是3/4W、2512是1W。
贴片电阻常见封装有9种,用两种尺寸代码来表示。
一种尺寸代码是由4位数字表示的EIA(美国电子工业协会)代码,前两位与后两位分别表示电阻的长与宽,以英寸为单位。
我们常说的0603封装就是指英制代码。
另一种是米制代码,也由4位数字表示,其单位为毫米。
下表列出贴片电阻封装英制和公制的关系及详细的尺寸:英制(inch) 公制(mm)长(L)(mm)宽(W)(mm)高(t)(mm)a(mm)b(mm)0201 0603 0.60±0.05 0.30±0.05 0.23±0.05 0.10±0.05 0.15±0.050402 1005 1.00±0.10 0.50±0.10 0.30±0.10 0.20±0.10 0.25±0.100603 1608 1.60±0.15 0.80±0.15 0.40±0.10 0.30±0.20 0.30±0.200805 2012 2.00±0.20 1.25±0.15 0.50±0.10 0.40±0.20 0.40±0.201206 3216 3.20±0.20 1.60±0.15 0.55±0.10 0.50±0.20 0.50±0.201210 3225 3.20±0.20 2.50±0.20 0.55±0.10 0.50±0.20 0.50±0.201812 4832 4.50±0.20 3.20±0.20 0.55±0.10 0.50±0.20 0.50±0.202010 5025 5.00±0.20 2.50±0.20 0.55±0.10 0.60±0.20 0.60±0.202512 6432 6.40±0.20 3.20±0.20 0.55±0.10 0.60±0.20 0.60±0.20贴片元件的封装一、零件规格:(a)、零件规格即零件的外形尺寸,SMT发展至今,业界为方便作业,已经形成了一个标准零件系列,各家零件供货商皆是按这一标准制造。
SMT贴片电子元器件封装尺寸汇总贴片电子元器件是一种常见的表面安装技术(SMT)组装之外,广泛应用于各种电子产品中。
贴片电子元器件封装尺寸的选择对于组装和排布电路板具有重要的影响。
在这篇文章中,我们将汇总常见的贴片电子元件封装尺寸,并对其应用领域和特点进行简要介绍。
1.贴片电阻(0805、0603、0402、0201等):贴片电阻是最常见的贴片电子元件之一,尺寸包括0805(2.0mm x1.25mm)、0603(1.6mm x 0.8mm)、0402(1.0mm x 0.5mm)和0201(0.6mm x 0.3mm)等等。
较大尺寸的贴片电阻通常用于电源线路和信号线路,较小尺寸的贴片电阻适用于高密度电子产品。
2.贴片电容(0805、0603、0402、0201等):贴片电容与贴片电阻类似,尺寸也包括0805、0603、0402和0201等等。
贴片电容主要用于储存和释放电荷,广泛应用于电源滤波、信号耦合和信号处理等电路。
3.贴片二极管(SOD-323、SOD-523等):贴片二极管是一种小尺寸的电子元件,尺寸包括SOD-323(1.8mm x 1.25mm)和SOD-523(1.0mm x 0.6mm)等等。
它们通常用于电路的整流、保护和信号处理等方面。
4.贴片三极管(SOT-23、SOT-323等):贴片三极管是一种常用的功率放大器,尺寸包括SOT-23(3.0mm x1.78mm)和SOT-323(1.3mm x 1.0mm)等等。
它们通常用于音频放大、电源管理和电压调节等应用中。
5.贴片集成电路(SOT-23、SOT-363、QFN等):贴片集成电路是封装了多个功能的电子组件,尺寸和引脚布局因不同的集成电路类型而异。
常见的尺寸包括SOT-23、SOT-363和QFN等等。
它们广泛应用于数据处理、通信系统、嵌入式系统和功率管理等领域。
6.贴片场效应管(SOT-23、SOT-223、QFN等):贴片场效应管是一种广泛应用于功率开关、电源管理和放大器等应用的电子元件,尺寸包括SOT-23、SOT-223和QFN等等。
贴片电阻、贴片电容规格、封装、尺寸·功率贴片电阻常见封装有9种,用两种尺寸代码来表示。
一种尺寸代码是由4位数字表示的EIA(美国电子工业协会)代码,前两位与后两位分别表示电阻的长与宽,以英寸为单位。
我们常说的0603封装就是指英制代码。
另一种是米制代码,也由4位数字表示,其单位为毫米。
下表列出贴片电阻封装英制和公制的关系与详细的尺寸:英制(inch) 公制(mm)长(L)(mm)宽(W)(mm)高(t)(mm)a(mm)b(mm)0201 0603 0.60±0.050.30±0.050.23±0.050.10±0.050.15±0.05 0402 1005 1.00±0.100.50±0.100.30±0.100.20±0.100.25±0.10 0603 1608 1.60±0.150.80±0.150.40±0.100.30±0.200.30±0.20 0805 2012 2.00±0.20 1.25±0.150.50±0.100.40±0.200.40±0.20 1206 3216 3.20±0.20 1.60±0.150.55±0.100.50±0.200.50±0.20 1210 3225 3.20±0.20 2.50±0.200.55±0.100.50±0.200.50±0.20 1812 4832 4.50±0.20 3.20±0.200.55±0.100.50±0.200.50±0.20 2010 5025 5.00±0.20 2.50±0.200.55±0.100.60±0.200.60±0.20 2512 6432 6.40±0.20 3.20±0.200.55±0.100.60±0.200.60±0.20贴片电阻电容功率与尺寸对应表电阻封装尺寸与功率关系,通常来说:0201 1/20W0402 1/16W0603 1/10W0805 1/8W1206 1/4W电容电阻外形尺寸与封装的对应关系是:常规贴片电阻(局部)常规的贴片电阻的标准封装与额定功率如下表:英制(mil) 公制(mm) 额定功率(W) 70°C0201 0603 1/2004021005 1/160603 1608 1/100805 2012 1/81206 3216 1/41210 3225 1/31812 4832 1/22010 5025 3/42512 6432 1国贴片电阻的命名方法:1、5%精度的命名:RS-05K102JT2、1%精度的命名:RS-05K1002FTR -表示电阻S -表示功率0402是1/16W、0603是1/10W、0805是1/8W、1206是1/4W、 1210是1/3W、1812是1/2W、2010是3/4W、2512是1W。
贴片电阻、贴片电容规格、封装、尺寸、功率贴片电阻、贴片电容规格、封装、尺寸贴片电阻常见封装有9种,用两种尺寸代码来表示。
一种尺寸代码是由4位数字表示的eia(美国电子工业协会)代码,前两位与后两位分别表示电阻的长与宽,以英寸为单位。
我们常说的0603封装就是指英制代码。
另一种是米制代码,也由4位数字表示,其单位为毫米。
下表列出贴片电阻封装英制和公制的关系及详细的尺寸:英制 (inch) 公制 (mm) 长(L) (mm) 宽(W) (mm) 高(t) (mm) a (mm) b (mm) 0201 0603 0.60±0.05 0.30±0.05 0.23±0.05 0.10±0.05 0.15±0.05 0402 1005 1.00±0.10 0.50±0.10 0.30±0.10 0.20±0.10 0.25±0.10 0603 1608 1.60±0.15 0.80±0.15 0.40±0.10 0.30±0.20 0.30±0.20 0805 2012 2.00±0.20 1.25±0.15 0.50±0.10 0.40±0.20 0.40±0.20 1206 3216 3.20±0.20 1.60±0.15 0.55±0.10 0.50±0.20 0.50±0.20 1210 3225 3.20±0.20 2.50±0.20 0.55±0.10 0.50±0.20 0.50±0.20 1812 4832 4.50±0.20 3.20±0.20 0.55±0.10 0.50±0.20 0.50±0.20 2010 5025 5.00±0.20 2.50±0.20 0.55±0.10 0.60±0.20 0.60±0.20 2512 64326.40±0.20 3.20±0.20 0.55±0.10 0.60±0.20 0.60±0.20贴片电容和贴片电阻都是一样可以用的,0805,1206等 贴片电阻电容功率与尺寸对应表 电阻封装尺寸与功率关系,通常来说: 0201 1/20w 0402 1/16w0603 1/10w0805 1/8w1206 1/4w电容电阻外形尺寸与封装的对应关系是: 0402=1.0x0.50603=1.6x0.80805=2.0x1.21206=3.2x1.61210=3.2x2.51812=4.5x3.22225=5.6x6.5常规贴片电阻(部分)常规的贴片电阻的标准封装及额定功率如下表:英制(mil) 公制(mm) 额定功率(w)@ 70°c 0201 0603 1/200402 1005 1/160603 1608 1/100805 2012 1/81206 3216 1/41210 3225 1/31812 4832 1/22010 5025 3/42512 6432 1国内贴片电阻的命名方法:1、5%精度的命名:RS-05K102JT2、1%精度的命名:RS-05K1002FTR -表示电阻S -表示功率0402是1/16W、0603是1/10W、0805是1/8W、1206是1/4W、1210是1/3W、1812是1/2W、2010是3/4W、2512是1W。
常用贴片元件封装1 电阻:最为常见的有0201、0402、0805、0603、1206、1210、1812、2010、2512几类1)贴片电阻的封装与尺寸如下表:英制(mil) 公制(mm) 长(L)(mm) 宽(W)(mm) 高(t)(mm)0201 0603 0.60±0.05 0.30±0.050.23±0.050402 1005 1.00±0.10 0.50±0.100.30±0.100603 1608 1.60±0.15 0.80±0.15 0.40±0.100805 2012 2.00±0.20 1.25±0.15 0.50±0.101206 3216 3.20±0.20 1.60±0.15 0.55±0.101210 3225 3.20±0.20 2.50±0.200.55±0.101812 4832 4.50±0.20 3.20±0.200.55±0.102010 5025 5.00±0.20 2.50±0.200.55±0.102512 6432 6.40±0.20 3.20±0.20 0.55±0.102)贴片电阻的封装、功率与电压关系如下表:英制(mil)公制(mm)额定功率@ 70°C 最大工作电压(V)0201 0603 1/20W 25 0402 1005 1/16W 50 0603 1608 1/10W 50 0805 2012 1/8W 150 **** **** 1/4W 200 1210 3225 1/3W 200 1812 4832 1/2W 200 2010 5025 3/4W 200 2512 6432 1W 200 3)贴片电阻的精度与阻值贴片电阻阻值误差精度有±1%、±2%、±5%、±10%精度,J -表示精度为5%、F-表示精度为1%。
贴片电阻、贴片电容规格、封装、尺寸、功率贴片电阻、贴片电容规格、封装、尺寸贴片电阻常见封装有9种,用两种尺寸代码来表示。
一种尺寸代码是由4位数字表示的eia(美国电子工业协会代码,前两位与后两位分别表示电阻的长与宽,以英寸为单位。
我们常说的0603封装就是指英制代码。
另一种是米制代码,也由4位数字表示,其单位为毫米。
下表列出贴片电阻封装英制和公制的关系及详细的尺寸:英制(inch 公制(mm长(L(mm宽(W(mm高(t(mma(mmb(mm020106030.60±0.050.30±0.050.23±0.050.10±0.050.15±0.05 04021005 1.00±0.100.50±0.100.30±0.100.20±0.100.25±0.10 06031608 1.60±0.150.80±0.150.40±0.100.30±0.200.30±0.20 08052012 2.00±0.20 1.25±0.150.50±0.100.40±0.200.40±0.2012063216 3.20±0.20 1.60±0.150.55±0.100.50±0.200.50±0.20 12103225 3.20±0.20 2.50±0.200.55±0.100.50±0.200.50±0.20 18124832 4.50±0.20 3.20±0.200.55±0.100.50±0.200.50±0.20 20105025 5.00±0.20 2.50±0.200.55±0.100.60±0.200.60±0.20 25126432 6.40±0.20 3.20±0.200.55±0.100.60±0.200.60±0.20贴片电容和贴片电阻都是一样可以用的,0805,1206等贴片电阻电容功率与尺寸对应表电阻封装尺寸与功率关系,通常来说: 0201 1/20w0402 1/16w0603 1/10w0805 1/8w1206 1/4w电容电阻外形尺寸与封装的对应关系是: 0402=1.0x0.50603=1.6x0.80805=2.0x1.21206=3.2x1.61210=3.2x2.51812=4.5x3.22225=5.6x6.5常规贴片电阻(部分常规的贴片电阻的标准封装及额定功率如下表:英制(mil 公制(mm 额定功率(w@ 70°c 0201 0603 1/20 0402 1005 1/16 0603 1608 1/10 0805 2012 1/8 1206 3216 1/4 1210 3225 1/31812 4832 1/2 2010 5025 3/4 2512 6432 1 国内贴片电阻的命名方法:1、5%精度的命名:RS-05K102JT2、1%精度的命名:RS-05K1002FTR -表示电阻S -表示功率0402是1/16W、0603是1/10W、0805是1/8W、1206是1/4W、1210是1/3W、1812是1/2W、2010是3/4W、2512是1W。
简述我们常说的贴片电阻(SMD Resistor)叫"片式固定电阻器"(Chip Fixed Resistor),又叫"矩形片状电阻"(Rectangular Chip Resistors),是由ROHM公司发明并最早推出市场的。
特点是耐潮湿,耐高温,可靠度高,外观尺寸均匀,精确且温度系数与阻值公差小。
按生产工艺分厚膜(Thick Film Chip Resistors)、薄膜(Thin Film Chip Resistors )两种。
厚膜是采用丝网印刷将电阻性材料淀积在绝缘基体(例如玻璃或氧化铝陶瓷)上,然后烧结形成的。
我们通常所见的多为厚膜片式电阻,精度范围±0.5% ~ 10%,温度系数:±50PPM/℃~ ±400PPM/℃。
薄膜是在真空中采用蒸发和溅射等工艺将电阻性材料淀积在绝缘基体工艺(真空镀膜技术)制成,特点是低温度系数(±5PPM/℃),高精度(±0.01%~±1%)。
封装有:0201,0402,0603,0805,1206,1210,1812,2010,2512。
其常规系列的精度为5%,1%。
阻值范围从0.1欧姆到20M欧姆。
标准阻值有E24,E96系列。
功率有1/20W、1/16W、1/8W、1/10W、1/4W、1/2W、1W。
特性:•体积小,重量轻•适合波峰焊和回流焊•机械强度高,高频特性优越•常用规格价格比传统的引线电阻还便宜•生产成本低,配合自动贴片机,适合现代电子产品规模化生产使用状况:由于价格便宜,生产方便,能大面积减少PCB面积,减少产品外观尺寸,现在已取代绝大部分传统引线电阻。
除一些小厂或不得不使用引线电阻的设计,各种电器上几乎都在使用。
目前绝大部分电子产品,以0603、0805器件为主;以手机,PDA为代表的高密度电子产品多使用0201、0402的器件;一些要求稳定和安全的电子产品,如医疗器械、汽车行驶记录仪、税控机则多采用1206、1210等尺寸偏大的电阻。
贴片电阻常见封装有9种,用两种尺寸代码来表示。
一种尺寸代码是由4位数字表示的EIA(美国电子工业协会)代码,前两位与后两位分别表示电阻的长与宽,以英寸为单位。
我们常说的0603封装就是指英制代码。
另一种是米制代码,也由4位数字表示,其单位为毫米。
下表列出贴片电阻封装英制和公制的关系及详细的尺寸:英制(inch)公制(mm)长(L)(mm)宽(W)(mm)高(t)(mm)a(mm)b(mm)020106030.60±0.050.30±0.050.23±0.050.10±0.050.15±0.05 04021005 1.00±0.100.50±0.100.30±0.100.20±0.100.25±0.10 06031608 1.60±0.150.80±0.150.40±0.100.30±0.200.30±0.20 08052012 2.00±0.201.25±0.150.50±0.100.40±0.200.40±0.20 12063216 3.20±0.201.60±0.150.55±0.100.50±0.200.50±0.20 12103225 3.20±0.202.50±0.200.55±0.100.50±0.200.50±0.20 18124832 4.50±0.203.20±0.200.55±0.100.50±0.200.50±0.20 20105025 5.00±0.202.50±0.200.55±0.100.60±0.200.60±0.20 25126432 6.40±0.203.20±0.200.55±0.100.60±0.200.60±0.20一、零件规格:(a)、零件规格即零件的外形尺寸,SMT发展至今,业界为方便作业,已经形成了一个标准零件系列,各家零件供货商皆是按这一标准制造。
贴片电阻常见封装有9种,用两种尺寸代码来表示。
一种尺寸代码是由4位数字表示的EIA(美国电子工业协会)代码,前两位与后两位分别表示电阻的长与宽,以英寸为单位。
我们常说的0603封装就是指英制代码。
另一种是米制代码,也由4位数字表示,其单位为毫米。
下表列出贴片电阻封装英制和公制的关系及详细的尺寸:英制(inch) 公制(mm)长(L)(mm)宽(W)(mm)高(t)(mm)a(mm)b(mm)0201 0603 0.60±0.05 0.30±0.05 0.23±0.05 0.10±0.05 0.15±0.050402 1005 1.00±0.10 0.50±0.10 0.30±0.10 0.20±0.10 0.25±0.100603 1608 1.60±0.15 0.80±0.15 0.40±0.10 0.30±0.20 0.30±0.200805 2012 2.00±0.20 1.25±0.15 0.50±0.10 0.40±0.20 0.40±0.201206 3216 3.20±0.20 1.60±0.15 0.55±0.10 0.50±0.20 0.50±0.201210 3225 3.20±0.20 2.50±0.20 0.55±0.10 0.50±0.20 0.50±0.201812 4832 4.50±0.20 3.20±0.20 0.55±0.10 0.50±0.20 0.50±0.202010 5025 5.00±0.20 2.50±0.20 0.55±0.10 0.60±0.20 0.60±0.202512 6432 6.40±0.20 3.20±0.20 0.55±0.10 0.60±0.20 0.60±0.20贴片元件的封装一、零件规格:(a)、零件规格即零件的外形尺寸,SMT发展至今,业界为方便作业,已经形成了一个标准零件系列,各家零件供货商皆是按这一标准制造。
贴片电阻封装英制和公制的关系及详细的尺寸展开全文贴片电阻封装英制和公制的关系及详细的尺寸贴片电阻常见封装有9种,用两种尺寸代码来表示。
一种尺寸代码是由4位数字表示的EIA(美国电子工业协会)代码,前两位与后两位分别表示电阻的长与宽,以英寸为单位。
我们常说的0603封装就是指英制代码。
另一种是米制代码,也由4位数字表示,其单位为毫米。
下表列出贴片电阻封装英制和公制的关系及详细的尺寸:英制(inch) 公制(mm)长(L)(mm) 宽(W)(mm) 高(t)(mm) a(mm) b(mm)0201 0603 0.60±0.050.30±0.050.23±0.050.10±0.050.15±0.05 0402 1005 1.00±0.100.50±0.100.30±0.100.20±0.100.25±0.10 0603 1608 1.60±0.150.80±0.150.40±0.100.30±0.200.30±0.20 0805 2012 2.00±0.201.25±0.150.50±0.100.40±0.200.40±0.20 1206 3216 3.20±0.201.60±0.150.55±0.100.50±0.200.50±0.20 1210 3225 3.20±0.202.50±0.200.55±0.100.50±0.200.50±0.20 1812 4832 4.50±0.203.20±0.200.55±0.100.50±0.200.50±0.20 2010 5025 5.00±0.202.50±0.200.55±0.100.60±0.200.60±0.20 2512 6432 6.40±0.203.20±0.200.55±0.100.60±0.200.60±0.20贴片电容和贴片电阻都是一样可以用的,0805,1206等贴片电阻电容功率与尺寸对应表电阻封装尺寸与功率关系,通常来说:0201 1/20W0402 1/16W0603 1/10W0805 1/8W1206 1/4W电容电阻外形尺寸与封装的对应关系是:0402=1.0x0.50603=1.6x0.80805=2.0x1.21206=3.2x1.61210=3.2x2.51812=4.5x3.22225=5.6x6.5常规贴片电阻(部分)常规的贴片电阻的标准封装及额定功率如下表:英制(mil) 公制(mm) 额定功率(W)@ 70°C0201 0603 1/200402 1005 1/160603 1608 1/100805 2012 1/81206 3216 1/41210 3225 1/31812 4832 1/22010 5025 3/42512 6432 1国内贴片电阻的命名方法:1、5%精度的命名:RS-05K102JT2、1%精度的命名:RS-05K1002FT 有线电视工程有线电视器材户户通R -表示电阻S -表示功率0402是1/16W、0603是1/10W、0805是1/8W、1206是1/4W、1210是1/3W、1812是1/2W、2010是3/4W、2512是1W。
贴片电阻常见封装有9种
贴片电阻是电子元器件中最常见的元件之一,我们可以在各种电子设备中都能看到它的身影。
贴片电阻封装有多种类型,不同类型的电阻可以适用于不同的场合,可以根据需要选择不同的封装类型。
本文将介绍贴片电阻的9种常见封装类型,以及它们的特点和应用场合。
1. 0603封装
0603封装是贴片电阻中的标准尺寸之一,其尺寸为0.063英寸*0.031英寸(1.6毫米*0.8毫米),高度为0.022英寸(0.55毫米)。
0603封装的最大功率通常为1/8瓦特,其容量范围为1欧姆至1兆欧姆,电压等级可达200伏特。
0603封装具有小巧、轻便、性价比高等优点,适用于移动设备、笔记本电脑、通信设备、数码相机等电子设备。
9. CSP封装
CSP封装是芯片级封装技术中的一种,是贴片电阻应用于一个芯片上的特殊封装。
CSP 封装将焊点从封装的底部移到顶部,提高了PCB板的布线密度,使电路板的空间更加可利用。
CSP封装的优点是体积小、重量轻、容易实现通孔的布线、密度高等等,适用于手持式电子设备和电子模块。
总之,贴片电阻封装有多种类型,分别适用于不同的场合,可以根据需要进行选择。
在选择封装类型时,应根据电子器件的功率、电容、电压等参数进行选择,以确保电器能够正常工作。
贴片电阻规格贴片电阻常见封装有9种,用两种尺寸代码来表示。
一种尺寸代码是由4位数字表示的EIA(美国电子工业协会)代码,前两位与后两位分别表示电阻的长与宽,以英寸为单位。
我们常说的0603封装就是指英制代码。
另一种是米制代码,也由4位数字表示,其单位为毫米。
下表列出贴片电阻封装英制和公制的关系及详细的尺寸:英制(inch) 公制(mm)长(L)(mm)宽(W)(mm)高(t)(mm)a(mm)b(mm)0201 0603 0.60±0.05 0.30±0.05 0.23±0.05 0.10±0.05 0.15±0.050402 1005 1.00±0.10 0.50±0.10 0.30±0.10 0.20±0.10 0.25±0.100603 1608 1.60±0.15 0.80±0.15 0.40±0.10 0.30±0.20 0.30±0.200805 2012 2.00±0.20 1.25±0.15 0.50±0.10 0.40±0.20 0.40±0.201206 3216 3.20±0.20 1.60±0.15 0.55±0.10 0.50±0.20 0.50±0.201210 3225 3.20±0.20 2.50±0.20 0.55±0.10 0.50±0.20 0.50±0.201812 4832 4.50±0.20 3.20±0.20 0.55±0.10 0.50±0.20 0.50±0.202010 5025 5.00±0.20 2.50±0.20 0.55±0.10 0.60±0.20 0.60±0.202512 6432 6.40±0.20 3.20±0.20 0.55±0.10 0.60±0.20 0.60±0.20一、零件规格:(a)、零件规格即零件的外形尺寸,SMT发展至今,业界为方便作业,已经形成了一个标准零件系列,各家零件供货商皆是按这一标准制造。
常用贴片电阻规格
常用贴片电阻规格以欧姆为单位的常见参数有以下几种:
1. 1/8W(0.125W):适用于一般电子设备,如小型仪器和家用电子产品。
2. 1/4W(0.25W):适用于中等功率的电子设备,如电视机、音响等。
3. 1/2W(0.5W):适用于需要较大功率的电子设备,如功放器、机箱等。
4. 1W:适用于大功率设备,如电源、变频器等。
此外,贴片电阻还有一些常见的规格参数,如阻值、公差和封装尺寸等。
阻值通常以欧姆(Ω)为单位,常见规格有10Ω、100Ω、1kΩ、10kΩ、100kΩ等。
公差表示电阻器的阻值与标称阻值之间的允许偏差范围,常见的公差有±1%、±5%等。
封装尺寸通常以英寸为单位,常见规格有0402、0603、0805、1206等。
这些规格通常用来描述贴片电阻的尺寸大小。
需要注意的是,具体使用哪种规格的贴片电阻需要根据实际的电路设计需求来确定。
不同的电子设备对电阻的功率、阻值和封装尺寸等要求都不尽相同,因此在选购的时候需要根据具体的应用需求进行选择。
贴片电阻常见封装有9种,用两种尺寸代码来表示。
一种尺寸代码是由4位数字表示的EIA(美国电子工业协会)代码,前两位与后两位分别表示电阻的长与宽,以英寸为单位。
我们常说的0603封装就是指英制代码。
另一种是米制代码,也由4位数字表示,其单位为毫米。
下表列出贴片电阻封装英制和公制的关系及详细的尺寸:贴片元件的封装一、零件规格:(a)、零件规格即零件的外形尺寸,SMT发展至今,业界为方便作业,已经形成了一个标准零件系列,各家零件供货商皆是按这一标准制造。
标准零件之尺寸规格有英制与公制两种表示方法,如下表英制表示法1206 0805 0603 0402公制表示法3216 2125 1608 1005含义L:1.2inch(3.2mm)W:0.6inch(1.6mm)L:0.8inch(2.0mm)W:0.5inch(1.25mm)L:0.6inch(1.6mm)W:0.3inch(0.8mm)L:0.4inch(1.0mm)W:0.2inch(0.5mm)注:a、L(Length):长度;W(Width):宽度;inch:英寸b、1inch=25.4mm(b)、在(1)中未提及零件的厚度,在这一点上因零件不同而有所差异,在生产时应以实际量测为准。
(c)、以上所讲的主要是针对电子产品中用量最大的电阻(排阻)和电容(排容),其它如电感、二极管、晶体管等等因用量较小,且形状也多种多样,在此不作讨论。
(d)、SMT发展至今,随着电子产品集成度的不断提高,标准零件逐步向微型化发展,如今最小的标准零件已经到了0201。
二、常用元件封装1)电阻:最为常见的有0805、0603两类,不同的是,它可以以排阻的身份出现,四位、八位都有,具体封装样式可参照MD16仿真版,也可以到设计所内部PCB库查询。
注:ABCD四类型的封装形式则为其具体尺寸,标注形式为L X S X H1210具体尺寸与电解电容B类3528类型相同0805具体尺寸:2.0 X 1.25 X 0.5(公制表示法)1206具体尺寸:3.0 X 1.5 0X 0.5(公制表示法)2)电阻的命名方法1、5%精度的命名:RS – 05 K 102 JT2、1%精度的命名:RS – 05 K 1002 FTR -表示电阻S -表示功率0402是1/16W、0603是1/10W、0805是1/8W、1206是1/4W、1210是1/3W、1812是1/2W、2010是3/4W、2512是1W。
L:1.2inch(3.2mm)W:0.6inch(1.6mm)
L:0.8inch(2.0mm)W:0.5inch(1.25mm)
L:0.6inch(1.6mm)W:0.3inch(0.8mm)
L:0.4inch(1.0mm)W:0.2inch(0.5mm)
注:
a、L(Length):长度;W(Width):宽度;inch:英寸
b、1inch=25.4mm
(b)、在(1)中未提及零件的厚度,在这一点上因零件不同而有所差异,在生产时应以实际量测为准。
(c)、以上所讲的主要是针对电子产品中用量最大的电阻(排阻)和电容(排容),其它如电感、二极管、晶体管等等因用量较小,且形状也多种多样,在此不作讨论。
(d)、SMT发展至今,随着电子产品集成度的不断提高,标准零件逐步向微型化发展,如今最小的标准零件已经到了0201。
二、常用元件封装
1)电阻:
最为常见的有0805、0603两类,不同的是,它可以以排阻的身份出现,四位、八位都有,具体封装样式可参照MD16仿真版,也可以到设计所内部PCB库查询。
注:
ABCD四类型的封装形式则为其具体尺寸,标注形式为L X S X H
1210具体尺寸与电解电容B类3528类型相同
0805具体尺寸:2.0 X 1.25 X 0.5(公制表示法)
1206具体尺寸:3.0 X 1.5 0X 0.5(公制表示法)
2)电阻的命名方法
1、5%精度的命名:RS – 05 K 102 JT
2、1%精度的命名:RS – 05 K 1002 FT
R -表示电阻
S -表示功率
0402是1/16W、
0603是1/10W、
0805是1/8W、
1206是1/4W、
1210是1/3W、
1812是1/2W、
2010是3/4W、
2512是1W。
05 -表示尺寸(英寸):
02表示0402、
03表示0603、
05表示0805、
06表示1206、
1210表示1210、
1812表示1812、
10表示1210、
12表示2512。
K -表示温度系数为100PPM。
102 -5%精度阻值表示法:
前两位表示有效数字,第三位表示有多少个零,基本单位是Ω,102=1000Ω=1KΩ。
1002 是1%阻值表示法:
前三位表示有效数字,第四位表示有多少个零,基本单位是Ω,1002=10000Ω=10KΩ。
J -表示精度为5%、
F-表示精度为1%。
T -表示编带包装
3)电容:
可分为无极性和有极性两类:
无极性电容下述两类封装最为常见,即0805、0603;
有极性电容也就是我们平时所称的电解电容,一般我们平时用的最多的为铝电解电容,由于其电解质为铝,所以其温度稳定性以及精度都不是很高,而贴片元件由于其紧贴电路版,所以要求温度稳定性要高,所以贴片电容以钽电容为多,根据其耐压不同,贴片电容又可分为A、B、C、D四个系列,具体分类如下:类型封装形式耐压
A 3216 10V
B 3528 16V
C 6032 25V
D 7343 35V
贴片钽电容的封装是分为
A型(3216),
B型(3528),
C型(6032),
D型(7343),
E型(7845)。
有斜角的是表示正极
4)、钽质电容(Tantalum)
钽质电容已经越来越多应用于各种电子产品上,属于比较贵重的零件,发展至今,也有了一个标准尺寸系列,用英文字母Y、A、X、B、C、D来代表。
其对应关系如下表
型号Y A X B C D
规格
L(mm)3.2 3.8 3.5 4.7 6.0 7.3
W (mm) 1.6 1.9 2.8 2.6 3.2 4.3
T (mm)1.6 1.6 1.9 2.1 2.5 2.8
注意:电容值相同但规格型号不同的钽质电容不可代用。
如:10UF/16V”B”型与10UF/16V”C”型不可相互代用。
二极管:
根据所承受电流的的限度,封装形式大致分为两类,
小电流型(如1N4148)封装为1206,
大电流型(如IN4007)暂没有具体封装形式,只能给出具体尺寸:5.5 X 3 X 0.5
发光二极管:颜色有红、黄、绿、蓝之分,亮度分普亮、高亮、超亮三个等级,
常用的封装形式有三类:0805、1206、1210
元件代号封装备注
电阻 R AXIAL0.3
电阻 R AXIAL0.4
电阻 R AXIAL0.5
电阻 R AXIAL0.6
电阻 R AXIAL0.7
电阻 R AXIAL0.8
电阻 R AXIAL0.9
电阻 R AXIAL1.0
电容 C RAD0.1 方型电容电容 C RAD0.2 方型电容电容 C RAD0.3 方型电容电容 C RAD0.4 方型电容电容 C RB.2/.4 电解电容
电容 C RB.3/.6 电解电容
电容 C RB.4/.8 电解电容
电容 C RB.5/1.0 电解电容保险丝 FUSE FUSE
二极管 D DIODE0.4 IN4148 二极管 D DIODE0.7 IN5408 三极管 Q T0-126
三极管 Q TO-3 3DD15
三极管 Q T0-66 3DD6
三极管 Q TO-220 TIP42 电位器 VR VR1
电位器 VR VR2
电位器 VR VR3
电位器 VR VR4
电位器 VR VR5
元件代号封装备注
插座 CON2 SIP2 2脚
插座 CON3 SIP3 3
插座 CON4 SIP4 4
插座 CON5 SIP5 5
插座 CON6 SIP6 6
DIP
插座 CON16 SIP16 16
插座 CON20 SIP20 20
整流桥堆D D-37R 1A直角封装
整流桥堆D D-38 3A四脚封装
整流桥堆D D-44 3A直线封装
整流桥堆D D-46 10A四脚封装
集成电路U DIP8(S) 贴片式封装
集成电路U DIP16(S) 贴片式封装
集成电路U DIP8(S) 贴片式封装
集成电路U DIP20(D) 贴片式封装
集成电路U DIP4 双列直插式集成电路U DIP6 双列直插式集成电路U DIP8 双列直插式集成电路U DIP16 双列直插式集成电路U DIP20 双列直插式集成电路U ZIP-15H TDA7294 集成电路U ZIP-11H
Dual In-line Package
双列直插封装
QFP
Quad Flat Package
四边引出扁平封装
PQFP
Plastic Quad Flat Package
塑料四边引出扁平封装
SQFP
Shorten Quad Flat Package
缩小型细引脚间距QFP
BGA
Ball Grid Array Package
球栅阵列封装
PGA
Pin Grid Array Package
针栅阵列封装
CPGA
Ceramic Pin Grid Array
陶瓷针栅阵列矩阵
PLCC
Plastic Leaded Chip Carrier
塑料有引线芯片载体
CLCC
Ceramic Leaded Chip Carrier
塑料无引线芯片载体
SOP
Small Outline Package
小尺寸封装
TSOP
Thin Small Outline Package
薄小外形封装
SOT
Small Outline Transistor
小外形晶体管
SOJ
Small Outline J-lead Package
J形引线小外形封装
SOIC
Small Outline Integrated Circuit Package 小外形集成电路封装。