贴片电阻常见封装有9种
- 格式:doc
- 大小:145.00 KB
- 文档页数:13
贴片电阻封装英制和公制的关系及详细的尺寸贴片电阻常见封装有9种,用两种尺寸代码来表示。
一种尺寸代码是由4位数字表示的EIA(美国电子工业协会)代码,前两位与后两位分别表示电阻的长与宽,以英寸为单位。
我们常说的0603封装就是指英制代码。
另一种是米制代码,也由4位数字表示,其单位为毫米。
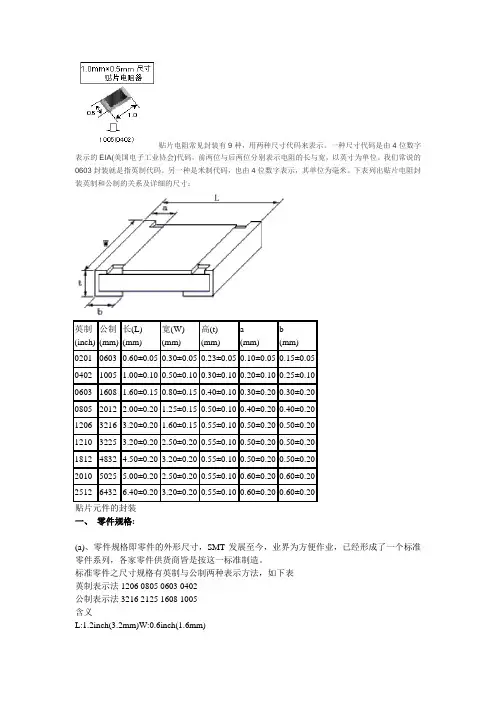
下表列出贴片电阻封装英制和公制的关系及详细的尺寸:英制(inch) 公制(mm) 长(L)(mm) 宽(W)(mm) 高(t)(mm) a(mm) b(mm) 0201 0603 ±±±±±0402 1005 ±±±±±0603 1608 ±±±±±0805 2012 ±±±±±1206 3216 ±±±±±1210 3225 ±±±±±1812 4832 ±±±±±2010 5025 ±±±±±2512 6432 ±±±±±贴片电容和贴片电阻都是一样可以用的,0805,1206等贴片电阻电容功率与尺寸对应表电阻封装尺寸与功率关系,通常来说:0201 1/20W0402 1/16W0603 1/10W0805 1/8W1206 1/4W电容电阻外形尺寸与封装的对应关系是:0402=0603=0805=1206=1210=1812=2225=常规贴片电阻(部分)常规的贴片电阻的标准封装及额定功率如下表:英制(mil) 公制(mm) 额定功率(W)@ 70°C0201 0603 1/200402 1005 1/160603 1608 1/100805 2012 1/81206 3216 1/41210 3225 1/31812 4832 1/22010 5025 3/42512 6432 1国内贴片电阻的命名方法:1、5%精度的命名:RS-05K102JT2、1%精度的命名:RS-05K1002FT??? 有线电视工程有线电视器材户户通R -表示电阻S -表示功率0402是1/16W、0603是1/10W、0805是1/8W、1206是1/4W、1210是1/3W、1812是1/2W、2010是3/4W、2512是1W。
贴片电阻封装英制和公制的关系及详细的尺寸文稿归稿存档编号:[KKUY-KKIO69-OTM243-OLUI129-G00I-FDQS58-贴片电阻封装英制和公制的关系及详细的尺寸贴片电阻常见封装有9种,用两种尺寸代码来表示。
一种尺寸代码是由4位数字表示的EIA(美国电子工业协会)代码,前两位与后两位分别表示电阻的长与宽,以英寸为单位。
我们常说的0603封装就是指英制代码。
另一种是米制代码,也由4位数字表示,其单位为毫米。
下表列出贴片电阻封装英制和公制的关系及详细的尺寸:英制(inch) 公制(mm) 长(L)(mm) 宽(W)(mm)高(t)(mm)a(mm)b(mm)020106030.60±0.050.30±0.050.23±0.050.10±0.050.15±0.05040210051.00±0.10.50±0.10.30±0.100.20±0.100.25±0.10060316081.60±0.150.80±0.150.40±0.100.30±0.200.30±0.20080520122.00±0.21.25±0.150.50±0.100.40±0.200.40±0.20120632163.20±0.21.60±0.150.55±0.100.50±0.200.50±0.20121032253.20±0.22.50±0.20.55±0.100.50±0.200.50±0.20181248324.50±0.23.20±0.20.55±0.100.50±0.200.50±0.20201050255.00±0.22.50±0.20.55±0.100.60±0.200.60±0.20251264326.40±0.23.20±0.20.55±0.100.60±0.200.60±0.20贴片电容和贴片电阻都是一样可以用的,0805,1206等贴片电阻电容功率与尺寸对应表电阻封装尺寸与功率关系,通常来说:0201 1/20W0402 1/16W0603 1/10W0805 1/8W1206 1/4W电容电阻外形尺寸与封装的对应关系是:0402=1.0x0.50603=1.6x0.80805=2.0x1.21206=3.2x1.61210=3.2x2.51812=4.5x3.22225=5.6x6.5常规贴片电阻(部分)常规的贴片电阻的标准封装及额定功率如下表:英制(mil) 公制(mm) 额定功率(W)@ 70°C0201 0603 1/200402 1005 1/160603 1608 1/100805 2012 1/81206 3216 1/41210 3225 1/31812 4832 1/22010 5025 3/42512 6432 1国内贴片电阻的命名方法:1、5%精度的命名:RS-05K102JT2、1%精度的命名:RS-05K1002FT??? 有线电视工程有线电视器材户户通R -表示电阻S -表示功率0402是1/16W、0603是1/10W、0805是1/8W、1206是1/4W、 1210是1/3W、1812是1/2W、2010是3/4W、2512是1W。
SMD贴片元件的封装尺寸2010-09-29 11:28贴片电阻常见封装有9种,用两种尺寸代码来表示。
一种尺寸代码是由4位数字表示的EIA(美国电子工业协会)代码,前两位与后两位分别表示电阻的长与宽,以英寸为单位。
我们常说的0603封装就是指英制代码。
另一种是米制代码,也由4位数字表示,其单位为毫米。
下表列出贴片电阻封装英制和公制的关系及详细的尺寸:【SMD贴片元件的封装尺寸】公制:3216——2012——1608——1005——0603——0402英制:1206——0805——0603——0402——0201——01005注意:0603有公制,英制的区分公制0603的英制是英制0201,英制0603的公制是公制1608还要注意1005与01005的区分,1005也有公制,英制的区分英制1005的公制是公制2512公制1005的英制是英制0402像在ProtelDXP(Protel2004)及以后版本中已经有SMD贴片元件的封装库了,如CC1005-0402:用于贴片电容,公制为1005,英制为0402的封装CC1310-0504:用于贴片电容,公制为1310,英制为0504的封装CC1608-0603:用于贴片电容,公制为1608,英制为0603的封装CR1608-0603:用于贴片电阻,公制为1608,英制为0603的封装,与CC16-8-0603尺寸是一样的,只是方便识别。
【贴片电阻规格、封装、尺寸】(a)、零件规格即零件的外形尺寸,SMT发展至今,业界为方便作业,已经形成了一个标准零件系列,各家零件供货商皆是按这一标准制造。
标准零件之尺寸规格有英制与公制两种表示方法,如下表英制表示法1206 0805 0603 0402公制表示法3216 2125 1608 1005含义L:1.2inch(3.2mm)W:0.6inch(1.6mm)L:0.8inch(2.0mm)W:0.5inch(1.25mm)L:0.6inch(1.6mm)W:0.3inch(0.8mm)L:0.4inch(1.0mm)W:0.2inch(0.5mm)注:a、L(Length):长度;W(Width):宽度;inch:英寸b、1inch=25.4mm(b)、在(1)中未提及零件的厚度,在这一点上因零件不同而有所差异,在生产时应以实际量测为准。
SMD贴片元件的封装尺寸贴片电阻常见封装有9种,用两种尺寸代码来表示。
一种尺寸代码是由4位数字表示的EIA(美国电子工业协会)代码,前两位与后两位分别表示电阻的长与宽,以英寸为单位。
我们常说的0603封装就是指英制代码。
另一种是米制代码,也由4位数字表示,其单位为毫米。
下表列出贴片电阻封装英制和公制的关系及详细的尺寸:【SMD贴片元件的封装尺寸】公制:3216——2012——1608——1005——0603——0402英制:1206——0805——0603——0402——0201——01005注意:0603有公制,英制的区分公制0603的英制是英制0201,英制0603的公制是公制1608还要注意1005与01005的区分,1005也有公制,英制的区分英制1005的公制是公制2512公制1005的英制是英制0402像在ProtelDXP(Protel2004)及以后版本中已经有SMD贴片元件的封装库了,如CC1005-0402:用于贴片电容,公制为1005,英制为0402的封装CC1310-0504:用于贴片电容,公制为1310,英制为0504的封装CC1608-0603:用于贴片电容,公制为1608,英制为0603的封装CR1608-0603:用于贴片电阻,公制为1608,英制为0603的封装,与CC16-8-0603尺寸是一样的,只是方便识别。
【贴片电阻规格、封装、尺寸】【0201元器件的焊盘图形和间距】0201元器件的焊盘图形和间距有14种独特的0201元器件的焊盘图形和间距的组合形式,每一种用一系列数字来表示。
装配● 模板设计例如用一个0.127mm (5 mil) 厚梯型激光切割的电抛光模板来满足电路板上的焊膏筛网印刷。
因为焊膏的释放特性还不知道,一些焊盘的设计中包含有盘中孔,对其进行确定完全取决于常规的模板设计试验。
结果所有的0201器件的孔隙被设计成:孔隙与焊盘的比例为1:1。
因为在这块电路板上还包含有其它的元器件包括CCGA器件,一个0.127mm (5 mil)厚的模板可能是最薄的模板,没有设计成分级模板(step stencil)是为了防止损害到在板上的其它元器件的焊点。
贴片电阻、贴片电容规格、封装、尺寸、功率贴片电阻、贴片电容规格、封装、尺寸贴片电阻常见封装有9种,用两种尺寸代码来表示。
一种尺寸代码是由4位数字表示的eia(美国电子工业协会代码,前两位与后两位分别表示电阻的长与宽,以英寸为单位。
我们常说的0603封装就是指英制代码。
另一种是米制代码,也由4位数字表示,其单位为毫米。
下表列出贴片电阻封装英制和公制的关系及详细的尺寸:英制(inch 公制(mm长(L(mm宽(W(mm高(t(mma(mmb(mm020106030.60±0.050.30±0.050.23±0.050.10±0.050.15±0.05 04021005 1.00±0.100.50±0.100.30±0.100.20±0.100.25±0.10 06031608 1.60±0.150.80±0.150.40±0.100.30±0.200.30±0.20 08052012 2.00±0.20 1.25±0.150.50±0.100.40±0.200.40±0.2012063216 3.20±0.20 1.60±0.150.55±0.100.50±0.200.50±0.20 12103225 3.20±0.20 2.50±0.200.55±0.100.50±0.200.50±0.20 18124832 4.50±0.20 3.20±0.200.55±0.100.50±0.200.50±0.20 20105025 5.00±0.20 2.50±0.200.55±0.100.60±0.200.60±0.20 25126432 6.40±0.20 3.20±0.200.55±0.100.60±0.200.60±0.20贴片电容和贴片电阻都是一样可以用的,0805,1206等贴片电阻电容功率与尺寸对应表电阻封装尺寸与功率关系,通常来说: 0201 1/20w0402 1/16w0603 1/10w0805 1/8w1206 1/4w电容电阻外形尺寸与封装的对应关系是: 0402=1.0x0.50603=1.6x0.80805=2.0x1.21206=3.2x1.61210=3.2x2.51812=4.5x3.22225=5.6x6.5常规贴片电阻(部分常规的贴片电阻的标准封装及额定功率如下表:英制(mil 公制(mm 额定功率(w@ 70°c 0201 0603 1/20 0402 1005 1/16 0603 1608 1/10 0805 2012 1/8 1206 3216 1/4 1210 3225 1/31812 4832 1/2 2010 5025 3/4 2512 6432 1 国内贴片电阻的命名方法:1、5%精度的命名:RS-05K102JT2、1%精度的命名:RS-05K1002FTR -表示电阻S -表示功率0402是1/16W、0603是1/10W、0805是1/8W、1206是1/4W、1210是1/3W、1812是1/2W、2010是3/4W、2512是1W。
贴片电阻、贴片电容规格、封装、尺寸·功率贴片电阻常见封装有9种,用两种尺寸代码来表示。
一种尺寸代码是由4位数字表示的EIA(美国电子工业协会)代码,前两位与后两位分别表示电阻的长与宽,以英寸为单位。
我们常说的0603封装就是指英制代码。
另一种是米制代码,也由4位数字表示,其单位为毫米。
下表列出贴片电阻封装英制和公制的关系及详细的尺寸:英制(inch) 公制(mm)长(L)(mm)宽(W)(mm)高(t)(mm)a(mm)b(mm)0201 0603 0.60±0.050.30±0.050.23±0.050.10±0.050.15±0.05 0402 1005 1.00±0.100.50±0.100.30±0.100.20±0.100.25±0.10 0603 1608 1.60±0.150.80±0.150.40±0.100.30±0.200.30±0.20 0805 2012 2.00±0.20 1.25±0.150.50±0.100.40±0.200.40±0.20 1206 3216 3.20±0.20 1.60±0.150.55±0.100.50±0.200.50±0.20 1210 3225 3.20±0.20 2.50±0.200.55±0.100.50±0.20 0.50±0.20 1812 4832 4.50±0.20 3.20±0.200.55±0.100.50±0.200.50±0.20 2010 5025 5.00±0.20 2.50±0.200.55±0.100.60±0.200.60±0.20 2512 6432 6.40±0.20 3.20±0.200.55±0.100.60±0.200.60±0.20贴片电阻电容功率与尺寸对应表电阻封装尺寸与功率关系,通常来说:0201 1/20W0402 1/16W0603 1/10W0805 1/8W1206 1/4W电容电阻外形尺寸与封装的对应关系是:0402=1.0x0.50603=1.6x0.80805=2.0x1.21206=3.2x1.61210=3.2x2.51812=4.5x3.22225=5.6x6.5常规贴片电阻(部分)常规的贴片电阻的标准封装及额定功率如下表:英制(mil) 公制(mm) 额定功率(W)@ 70°C0201 0603 1/200402 1005 1/160603 1608 1/100805 2012 1/81206 3216 1/41210 3225 1/31812 4832 1/22010 5025 3/42512 6432 1国内贴片电阻的命名方法:1、5%精度的命名:RS-05K102JT2、1%精度的命名:RS-05K1002FTR -表示电阻S -表示功率0402是1/16W、0603是1/10W、0805是1/8W、1206是1/4W、 1210是1/3W、1812是1/2W、2010是3/4W、2512是1W。
贴片电阻常见封装有9种,用两种尺寸代码来表示。
一种尺寸代码是由4位数字表示的EIA(美国电子工业协会)代码,前两位与后两位分别表示电阻的长与宽,以英寸为单位。
我们常说的0603封装就是指英制代码。
另一种是米制代码,也由4位数字表示,其单位为毫米。
下表列出贴片电阻封装英制和公制的关系及详细的尺寸:英制(inch)公制(mm)长(L)(mm)宽(W)(mm)高(t)(mm)a(mm)b(mm)020106030.60±0.050.30±0.050.23±0.050.10±0.050.15±0.05 04021005 1.00±0.100.50±0.100.30±0.100.20±0.100.25±0.10 06031608 1.60±0.150.80±0.150.40±0.100.30±0.200.30±0.20 08052012 2.00±0.201.25±0.150.50±0.100.40±0.200.40±0.20 12063216 3.20±0.201.60±0.150.55±0.100.50±0.200.50±0.20 12103225 3.20±0.202.50±0.200.55±0.100.50±0.200.50±0.20 18124832 4.50±0.203.20±0.200.55±0.100.50±0.200.50±0.20 20105025 5.00±0.202.50±0.200.55±0.100.60±0.200.60±0.20 25126432 6.40±0.203.20±0.200.55±0.100.60±0.200.60±0.20一、零件规格:(a)、零件规格即零件的外形尺寸,SMT发展至今,业界为方便作业,已经形成了一个标准零件系列,各家零件供货商皆是按这一标准制造。
公制长(L) 宽(W) 高(t) a0402 1/16W0603 1/10W0805 1/8W1206 1/4W电容电阻外形尺寸与封装的对应关系是:0402=1.0x0.50603=1.6x0.80805=2.0x1.21206=3.2x1.61210=3.2x2.51812=4.5x3.22225=5.6x6.5常规贴片电阻(部分)常规的贴片电阻的标准封装及额定功率如下表:英制(mil) 公制(mm) 额定功率(W)@ 70°C 0201 0603 1/200402 1005 1/160603 1608 1/100805 2012 1/81206 3216 1/41210 3225 1/31812 4832 1/22010 5025 3/42512 6432 1国内贴片电阻的命名方法:2、1%精度的命名:RS-05K1002FTR -表示电阻S -表示功率0402是1/16W、0603是1/10W、0805是1/8W、1206是1/4W、1210是1/3W、1812是1/2W、2010是3/4W、2512是1W。
05 -表示尺寸(英寸):02表示0402、03表示0603、05表示0805、06表示1206、1210表示1210、1812表示1812、10表示1210、12表示2512。
K -表示温度系数为100PPM,102-5%精度阻值表示法:前两位表示有效数字,第三位表示有多少个零,基本单位是Ω,102=10000Ω=1KΩ。
1002是1%阻值表示法:前三位表示有效数字,第四位表示有多少个零,基本单位是Ω,1002=100000Ω=10KΩ。
J -表示精度为5%、F-表示精度为1%。
T -表示编带包装1:0402(1/16W) 2:0603(1/10W) 3:0805(1/8W) 4:1206(1/4W) 5:1210(1/3W)6:2010(1/2W) 7:2512(1W)1206 20欧1/4 *4 5欧1w120贴片电阻各参数说明国内贴片电阻的命名方法:1、5%精度的命名:RS-05K102JTR -表示电阻S -表示功率0402是1/16W、0603是1/10W、0805是1/8W、1206是1/4W、1210是1/3W、1812是1/2W、2010是3/4W、2512是1W。
贴片电阻常见封装有9种,用两种尺寸代码来表示。
一种尺寸代码是由4位数字表示的EIA(美国电子工业协会)代码,前两位与后两位分别表示电阻的长与宽,以英寸为单位。
我们常说的0603封装就是指英制代码。
另一种是米制代码,也由4位数字表示,其单位为毫米。
下表列出贴片电阻封装英制和公制的关系及详细的尺寸:英制(inch) 公制(mm)长(L)(mm)宽(W)(mm)高(t)(mm)a(mm)b(mm)0201 0603 0.60±0.05 0.30±0.05 0.23±0.05 0.10±0.05 0.15±0.050402 1005 1.00±0.10 0.50±0.10 0.30±0.10 0.20±0.10 0.25±0.100603 1608 1.60±0.15 0.80±0.15 0.40±0.10 0.30±0.20 0.30±0.200805 2012 2.00±0.20 1.25±0.15 0.50±0.10 0.40±0.20 0.40±0.201206 3216 3.20±0.20 1.60±0.15 0.55±0.10 0.50±0.20 0.50±0.201210 3225 3.20±0.20 2.50±0.20 0.55±0.10 0.50±0.20 0.50±0.201812 4832 4.50±0.20 3.20±0.20 0.55±0.10 0.50±0.20 0.50±0.202010 5025 5.00±0.20 2.50±0.20 0.55±0.10 0.60±0.20 0.60±0.202512 6432 6.40±0.20 3.20±0.20 0.55±0.10 0.60±0.20 0.60±0.20贴片元件的封装一、零件规格:(a)、零件规格即零件的外形尺寸,SMT发展至今,业界为方便作业,已经形成了一个标准零件系列,各家零件供货商皆是按这一标准制造。
贴片电阻常见封装有9种
贴片电阻是电子元器件中最常见的元件之一,我们可以在各种电子设备中都能看到它的身影。
贴片电阻封装有多种类型,不同类型的电阻可以适用于不同的场合,可以根据需要选择不同的封装类型。
本文将介绍贴片电阻的9种常见封装类型,以及它们的特点和应用场合。
1. 0603封装
0603封装是贴片电阻中的标准尺寸之一,其尺寸为0.063英寸*0.031英寸(1.6毫米*0.8毫米),高度为0.022英寸(0.55毫米)。
0603封装的最大功率通常为1/8瓦特,其容量范围为1欧姆至1兆欧姆,电压等级可达200伏特。
0603封装具有小巧、轻便、性价比高等优点,适用于移动设备、笔记本电脑、通信设备、数码相机等电子设备。
9. CSP封装
CSP封装是芯片级封装技术中的一种,是贴片电阻应用于一个芯片上的特殊封装。
CSP 封装将焊点从封装的底部移到顶部,提高了PCB板的布线密度,使电路板的空间更加可利用。
CSP封装的优点是体积小、重量轻、容易实现通孔的布线、密度高等等,适用于手持式电子设备和电子模块。
总之,贴片电阻封装有多种类型,分别适用于不同的场合,可以根据需要进行选择。
在选择封装类型时,应根据电子器件的功率、电容、电压等参数进行选择,以确保电器能够正常工作。
贴片电阻常见封装有9种,用两种尺寸代码来表示。
一种尺寸代码是由4位数字表示的EIA(美国电子工业协会)代码,前两位与后两位分别表示电阻的长与宽,以英寸为单位。
我们常说的0603封装就是指英制代码。
另一种是米制代码,也由4位数字表示,其单位为毫米。
下表列出贴片电阻封装英制和公制的关系及详细的尺寸:一、零件规格:(a)、零件规格即零件的外形尺寸,SMT发展至今,业界为方便作业,已经形成了一个标准零件系列,各家零件供货商皆是按这一标准制造。
标准零件之尺寸规格有英制与公制两种表示方法,如下表英制表示法1206 0805 0603 0402公制表示法3216 2125 1608 1005含义L:1.2inch(3.2mm)W:0.6inch(1.6mm)L:0.8inch(2.0mm)W:0.5inch(1.25mm)L:0.6inch(1.6mm)W:0.3inch(0.8mm)L:0.4inch(1.0mm)W:0.2inch(0.5mm)注:a、L(Length):长度;W(Width):宽度;inch:英寸b、1inch=25.4mm(b)、在(1)中未提及零件的厚度,在这一点上因零件不同而有所差异,在生产时应以实际量测为准。
(c)、以上所讲的主要是针对电子产品中用量最大的电阻(排阻)和电容(排容),其它如电感、二极管、晶体管等等因用量较小,且形状也多种多样,在此不作讨论。
(d)、SMT发展至今,随着电子产品集成度的不断提高,标准零件逐步向微型化发展,如今最小的标准零件已经到了0201。
二、常用元件封装1)电阻:最为常见的有0805、0603两类,不同的是,它可以以排阻的身份出现,四位、八位都有,具体封装样式可参照MD16仿真版,也可以到设计所内部PCB库查询。
注:ABCD四类型的封装形式则为其具体尺寸,标注形式为L X S X H1210具体尺寸与电解电容B类3528类型相同0805具体尺寸:2.0 X 1.25 X 0.5(公制表示法)1206具体尺寸:3.0 X 1.5 0X 0.5(公制表示法)2)电阻的命名方法1、5%精度的命名:RS – 05 K 102 JT2、1%精度的命名:RS – 05 K 1002 FTR -表示电阻S -表示功率0402是1/16W、0603是1/10W、0805是1/8W、1206是1/4W、1210是1/3W、1812是1/2W、2010是3/4W、2512是1W。
贴片电阻规格贴片电阻常见封装有9种,用两种尺寸代码来表示。
一种尺寸代码是由4位数字表示的EIA(美国电子工业协会)代码,前两位与后两位分别表示电阻的长与宽,以英寸为单位。
我们常说的0603封装就是指英制代码。
另一种是米制代码,也由4位数字表示,其单位为毫米。
下表列出贴片电阻封装英制和公制的关系及详细的尺寸:英制(inch) 公制(mm)长(L)(mm)宽(W)(mm)高(t)(mm)a(mm)b(mm)0201 0603 0.60±0.05 0.30±0.05 0.23±0.05 0.10±0.05 0.15±0.050402 1005 1.00±0.10 0.50±0.10 0.30±0.10 0.20±0.10 0.25±0.100603 1608 1.60±0.15 0.80±0.15 0.40±0.10 0.30±0.20 0.30±0.200805 2012 2.00±0.20 1.25±0.15 0.50±0.10 0.40±0.20 0.40±0.201206 3216 3.20±0.20 1.60±0.15 0.55±0.10 0.50±0.20 0.50±0.201210 3225 3.20±0.20 2.50±0.20 0.55±0.10 0.50±0.20 0.50±0.201812 4832 4.50±0.20 3.20±0.20 0.55±0.10 0.50±0.20 0.50±0.202010 5025 5.00±0.20 2.50±0.20 0.55±0.10 0.60±0.20 0.60±0.202512 6432 6.40±0.20 3.20±0.20 0.55±0.10 0.60±0.20 0.60±0.20一、零件规格:(a)、零件规格即零件的外形尺寸,SMT发展至今,业界为方便作业,已经形成了一个标准零件系列,各家零件供货商皆是按这一标准制造。
1.0mrn>:0.5mm 尺寸贴片电咀缪1 005(0402)贴片电阻常见封装有9种,用两种尺寸代码来表示。
一种尺寸代码是由4位数字表示的EIA(美国电子工业协会)代码,前两位与后两位分别表示电阻的长与宽,以英寸为单位。
我们常说的0603封装就是指英制代码。
另一种是米制代码,也由4位数字表示,其单位为毫米。
下表列出贴片电阻封装英制和公制的关系及详细的尺寸:贴片元件的封装一、零件规格:(a)、零件规格即零件的外形尺寸,SMT发展至今,业界为方便作业,已经形成了一个标准零件系列,各家零件供货商皆是按这一标准制造。
标准零件之尺寸规格有英制与公制两种表示方法,如下表英制表示法1206 0805 0603 0402公制表示法3216 2125 1608 1005含义L:1.2inch(3.2mm)W:0.6inch(1.6mm)L:0.8inch(2.0mm)W:0.5inch(1.25mm)L:0.6inch(1.6mm)W:0.3inch(0.8mm)L:0.4inch(1.0mm)W:0.2inch(0.5mm)注:a、L (Length):长度;W (Width):宽度;inch:英寸b、1inch=25.4mm(b)、在(1)中未提及零件的厚度,在这一点上因零件不同而有所差异,在生产时应以实际量测为准。
(c)、以上所讲的主要是针对电子产品中用量最大的电阻(排阻)和电容(排容),其它如电感、二极管、晶体管等等因用量较小,且形状也多种多样,在此不作讨论。
(d)、SMT发展至今,随着电子产品集成度的不断提高,标准零件逐步向微型化发展,如今最小的标准零件已经到了0201。
二、常用元件封装1)电阻:最为常见的有0805、0603两类,不同的是,它可以以排阻的身份出现,四位、八位都有,具体封装样式可参照MD16仿真版,也可以到设计所内部PCB库查询。
注:ABCD四类型的封装形式则为其具体尺寸,标注形式为L X S X H1210具体尺寸与电解电容B类3528类型相同0805具体尺寸:2.0 X 1.25 X 0.5 (公制表示法)1206具体尺寸:3.0 X 1.5 0X 0.5 (公制表示法)2)电阻的命名方法1、5%精度的命名:RS - 05 K 102 JT2、1 % 精度的命名:RS - 05 K 1002 FTR 一表示电阻S 一表示功率0402 是1/16W、0603 是1/10W、0805 是1/8W、1206 是1/4W、1210 是1/3W、1812 是1/2W、2010 是3/4W、2512 是1W。
贴片电阻、贴片电容规格、封装、尺寸、功率贴片电阻常见封装有9种,用两种尺寸代码来表示。
一种尺寸代码是由4位数字表示的eia(美国电子工业协会)代码,前两位与后两位分别表示电阻的长与宽,以英寸为单位。
我们常说的0603封装就是指英制代码。
另一种是米制代码,也由4位数字表示,其单位为毫米。
下表列出贴片电阻封装英制和公制的关系及详细的尺寸:贴片电容和贴片电阻都是一样可以用的,0805,1206等贴片电阻电容功率与尺寸对应表电阻封装尺寸与功率关系,通常来说:0201 1/20w0402 1/16w0603 1/10w0805 1/8w1206 1/4w电容电阻外形尺寸与封装的对应关系是: 0402=1.0x0.50603=1.6x0.80805=2.0x1.21206=3.2x1.61210=3.2x2.51812=4.5x3.22225=5.6x6.5常规贴片电阻(部分)常规的贴片电阻的标准封装及额定功率如下表:英制(mil) 公制(mm) 额定功率(w)@ 70°c 0201 0603 1/200402 1005 1/160603 1608 1/100805 2012 1/81206 3216 1/41210 3225 1/31812 4832 1/22010 5025 3/42512 6432 1国内贴片电阻的命名方法:1、5%精度的命名:RS-05K102JT2、1%精度的命名:RS-05K1002FTR -表示电阻S -表示功率0402是1/16W、0603是1/10W、0805是1/8W、1206是1/4W、1210是1/3W、1812是1/2W、2010是3/4W、2512是1W。
05 -表示尺寸(英寸):02表示0402、03表示0603、05表示0805、06表示1206、1210表示1210、1812表示1812、10表示1210、12表示2512。
K -表示温度系数为100PPM,102-5%精度阻值表示法:前两位表示有效数字,第三位表示有多少个零,基本单位是Ω,102=10000Ω=1KΩ。
英制(inch) 公制(mm) 长(L)(mm) 宽(W)(mm) 高(t)(mm) a(mm) b(mm) 0201 0603 0.60±0.05 0.30±0.05 0.23±0.05 0.10±0.05 0.15±0.05 0402 1005 1.00±0.10 0.50±0.10 0.30±0.10 0.20±0.10 0.25±0.10 0603 1608 1.60±0.15 0.80±0.15 0.40±0.10 0.30±0.20 0.30±0.20 0805 2012 2.00±0.20 1.25±0.15 0.50±0.10 0.40±0.20 0.40±0.20 1206 3216 3.20±0.20 1.60±0.15 0.55±0.10 0.50±0.20 0.50±0.20 1210 3225 3.20±0.20 2.50±0.20 0.55±0.10 0.50±0.20 0.50±0.20 1812 4832 4.50±0.20 3.20±0.20 0.55±0.10 0.50±0.20 0.50±0.20 2010 5025 5.00±0.20 2.50±0.20 0.55±0.10 0.60±0.20 0.60±0.20 2512 6432 6.40±0.20 3.20±0.20 0.55±0.10 0.60±0.20 0.60±0.20贴片电容和贴片电阻都是一样可以用的,0805,1206等贴片电阻电容功率与尺寸对应表电阻封装尺寸与功率关系,通常来说:0201 1/20W0402 1/16W0603 1/10W0805 1/8W1206 1/4W电容电阻外形尺寸与封装的对应关系是:0402=1.0x0.50603=1.6x0.80805=2.0x1.21206=3.2x1.61210=3.2x2.51812=4.5x3.22225=5.6x6.5常规贴片电阻(部分)常规的贴片电阻的标准封装及额定功率如下表:英制(mil) 公制(mm) 额定功率(W)@ 70°C0201 0603 1/200402 1005 1/160603 1608 1/100805 2012 1/81206 3216 1/41210 3225 1/31812 4832 1/22010 5025 3/42512 6432 1国内贴片电阻的命名方法:1、5%精度的命名:RS-05K102JT2、1%精度的命名:RS-05K1002FT 有线电视工程有线电视器材户户通R -表示电阻S -表示功率0402是1/16W、0603是1/10W、0805是1/8W、1206是1/4W、1210是1/3W、1812是1/2W、2010是3/4W、2512是1W。
贴片电阻、贴片电容规格、封装、尺寸、功率贴片电阻、贴片电容规格、封装、尺寸贴片电阻常见封装有9种,用两种尺寸代码来表示。
一种尺寸代码是由4位数字表示的eia(美国电子工业协会代码,前两位与后两位分别表示电阻的长与宽,以英寸为单位。
我们常说的0603封装就是指英制代码。
另一种是米制代码,也由4位数字表示,其单位为毫米。
下表列出贴片电阻封装英制和公制的关系及详细的尺寸:英制(inch公制(mm长(L(mm宽(W(mm高(t(mma(mmb(mm 020106030.60±0.050.30±0.050.23±0.050.10±0.050.15±0.05 04021005 1.00±0.100.50±0.100.30±0.100.20±0.100.25±0.10 06031608 1.60±0.150.80±0.150.40±0.100.30±0.200.30±0.20 08052012 2.00±0.20 1.25±0.150.50±0.100.40±0.200.40±0.2012063216 3.20±0.20 1.60±0.150.55±0.100.50±0.200.50±0.20 12103225 3.20±0.20 2.50±0.200.55±0.100.50±0.200.50±0.20 18124832 4.50±0.20 3.20±0.200.55±0.100.50±0.200.50±0.20 20105025 5.00±0.20 2.50±0.200.55±0.100.60±0.200.60±0.20 25126432 6.40±0.20 3.20±0.200.55±0.100.60±0.200.60±0.20贴片电容和贴片电阻都是一样可以用的,0805,1206等贴片电阻电容功率与尺寸对应表电阻封装尺寸与功率关系,通常来说: 0201 1/20w0402 1/16w0603 1/10w0805 1/8w1206 1/4w电容电阻外形尺寸与封装的对应关系是: 0402=1.0x0.50603=1.6x0.80805=2.0x1.21206=3.2x1.61210=3.2x2.51812=4.5x3.22225=5.6x6.5常规贴片电阻(部分常规的贴片电阻的标准封装及额定功率如下表:英制(mil 公制(mm 额定功率(w@ 70°c 0201 0603 1/20 0402 1005 1/16 0603 1608 1/10 0805 2012 1/8 1206 3216 1/4 1210 3225 1/31812 4832 1/2 2010 5025 3/4 2512 6432 1 国内贴片电阻的命名方法:1、5%精度的命名:RS-05K102JT2、1%精度的命名:RS-05K1002FTR -表示电阻S -表示功率0402是1/16W、0603是1/10W、0805是1/8W、1206是1/4W、1210是1/3W、1812是1/2W、2010是3/4W、2512是1W。
贴片电阻、贴片电容规格、封装、尺寸贴片电阻常见封装有9种,用两种尺寸代码来表示。
一种尺寸代码是由4位数字表示的EIA(美国电子工业协会)代码,前两位与后两位分别表示电阻的长与宽,以英寸为单位。
我们常说的0603封装就是指英制代码。
另一种是米制代码,也由4位数字表示,其单位为毫米。
下表列出贴片电阻封装英制和公制的关系及详细的尺寸:贴片电容和贴片电阻都是一样可以用的,0805,1206等贴片电阻电容功率与尺寸对应表电阻封装尺寸与功率关系,通常来说:0201 1/20W0402 1/16W0603 1/10W0805 1/8W1206 1/4W电容电阻外形尺寸与封装的对应关系是:0402=1.0x0.50603=1.6x0.80805=2.0x1.21206=3.2x1.61210=3.2x2.51812=4.5x3.22225=5.6x6.5常规贴片电阻(部分)常规的贴片电阻的标准封装及额定功率如下表:英制(mil) 公制(mm) 额定功率(W)@ 70°C0201 0603 1/200402 1005 1/160603 1608 1/100805 2012 1/81206 3216 1/41210 3225 1/31812 4832 1/22010 5025 3/42512 6432 1国内贴片电阻的命名方法:1、5%精度的命名:RS-05K102JT2、1%精度的命名:RS-05K1002FTR -表示电阻S -表示功率0402是1/16W、0603是1/10W、0805是1/8W、1206是1/4W、 1210是1/3W、1812是1/2W、2010是3/4W、2512是1W。
05 -表示尺寸(英寸):02表示0402、03表示0603、05表示0805、06表示1206、1210表示1210、1812表示1812、10表示1210、12表示2512。
K -表示温度系数为100PPM,102-5%精度阻值表示法:前两位表示有效数字,第三位表示有多少个零,基本单位是Ω,102=10000Ω=1KΩ。
贴片电阻常见封装有9种,用两种尺寸代码来表示。
一种尺寸代码是由4位数字表示的EIA(美国电子工业协会)代码,前两位与后两位分别表示电阻的长与宽,以英寸为单位。
我们常说的0603封装就是指英制代码。
另一种是米制代码,也由4位数字表示,其单位为毫米。
下表列出贴片电阻封装英制和公制的关系及详细的尺寸:一、零件规格:(a)、零件规格即零件的外形尺寸,SMT发展至今,业界为方便作业,已经形成了一个标准零件系列,各家零件供货商皆是按这一标准制造。
标准零件之尺寸规格有英制与公制两种表示方法,如下表英制表示法1206 0805 0603 0402公制表示法3216 2125 1608 1005含义L:1.2inch(3.2mm)W:0.6inch(1.6mm)L:0.8inch(2.0mm)W:0.5inch(1.25mm)L:0.6inch(1.6mm)W:0.3inch(0.8mm)L:0.4inch(1.0mm)W:0.2inch(0.5mm)注:a、L(Length):长度;W(Width):宽度;inch:英寸b、1inch=25.4mm(b)、在(1)中未提及零件的厚度,在这一点上因零件不同而有所差异,在生产时应以实际量测为准。
(c)、以上所讲的主要是针对电子产品中用量最大的电阻(排阻)和电容(排容),其它如电感、二极管、晶体管等等因用量较小,且形状也多种多样,在此不作讨论。
(d)、SMT发展至今,随着电子产品集成度的不断提高,标准零件逐步向微型化发展,如今最小的标准零件已经到了0201。
二、常用元件封装1)电阻:最为常见的有0805、0603两类,不同的是,它可以以排阻的身份出现,四位、八位都有,具体封装样式可参照MD16仿真版,也可以到设计所内部PCB库查询。
注:ABCD四类型的封装形式则为其具体尺寸,标注形式为L X S X H 1210具体尺寸与电解电容B类3528类型相同0805具体尺寸:2.0 X 1.25 X 0.5(公制表示法)1206具体尺寸:3.0 X 1.5 0X 0.5(公制表示法)2)电阻的命名方法1、5%精度的命名:RS – 05 K 102 JT2、1%精度的命名:RS – 05 K 1002 FTR -表示电阻S -表示功率0402是1/16W、0603是1/10W、0805是1/8W、1206是1/4W、1210是1/3W、1812是1/2W、2010是3/4W、2512是1W。
05 -表示尺寸(英寸):02表示0402、03表示0603、05表示0805、06表示1206、1210表示1210、1812表示1812、10表示1210、12表示2512。
K -表示温度系数为100PPM。
102 -5%精度阻值表示法:前两位表示有效数字,第三位表示有多少个零,基本单位是Ω,102=1000Ω=1KΩ。
1002 是1%阻值表示法:前三位表示有效数字,第四位表示有多少个零,基本单位是Ω,1002=10000Ω=10KΩ。
J -表示精度为5%、F-表示精度为1%。
T -表示编带包装3)电容:可分为无极性和有极性两类:无极性电容下述两类封装最为常见,即0805、0603;有极性电容也就是我们平时所称的电解电容,一般我们平时用的最多的为铝电解电容,由于其电解质为铝,所以其温度稳定性以及精度都不是很高,而贴片元件由于其紧贴电路版,所以要求温度稳定性要高,所以贴片电容以钽电容为多,根据其耐压不同,贴片电容又可分为A、B、C、D四个系列,具体分类如下:类型封装形式耐压A 3216 10VB 3528 16VC 6032 25VD 7343 35V贴片钽电容的封装是分为A型(3216),B型(3528),C型(6032),D型(7343),E型(7845)。
有斜角的是表示正极4)、钽质电容(Tantalum)钽质电容已经越来越多应用于各种电子产品上,属于比较贵重的零件,发展至今,也有了一个标准尺寸系列,用英文字母Y、A、X、B、C、D来代表。
其对应关系如下表型号Y A X B C D规格L(mm)3.2 3.8 3.5 4.7 6.0 7.3W (mm) 1.6 1.9 2.8 2.6 3.2 4.3T (mm)1.6 1.6 1.9 2.1 2.5 2.8注意:电容值相同但规格型号不同的钽质电容不可代用。
如:10UF/16V”B”型与10UF/16V”C”型不可相互代用。
二极管:根据所承受电流的的限度,封装形式大致分为两类,小电流型(如1N4148)封装为1206,大电流型(如IN4007)暂没有具体封装形式,只能给出具体尺寸:5.5 X 3 X 0.5发光二极管:颜色有红、黄、绿、蓝之分,亮度分普亮、高亮、超亮三个等级,常用的封装形式有三类:0805、1206、1210元件代号封装备注电阻 R AXIAL0.3电阻 R AXIAL0.4电阻 R AXIAL0.5电阻 R AXIAL0.6电阻 R AXIAL0.7电阻 R AXIAL0.8电阻 R AXIAL0.9电阻 R AXIAL1.0电容 C RAD0.1 方型电容电容 C RAD0.2 方型电容电容 C RAD0.3 方型电容电容 C RAD0.4 方型电容电容 C RB.2/.4 电解电容电容 C RB.3/.6 电解电容电容 C RB.4/.8 电解电容电容 C RB.5/1.0 电解电容保险丝 FUSE FUSE二极管 D DIODE0.4 IN4148 二极管 D DIODE0.7 IN5408 三极管 Q T0-126三极管 Q TO-3 3DD15三极管 Q T0-66 3DD6三极管 Q TO-220 TIP42 电位器 VR VR1电位器 VR VR2电位器 VR VR3电位器 VR VR4电位器 VR VR5元件代号封装备注插座 CON2 SIP2 2脚插座 CON3 SIP3 3插座 CON4 SIP4 4插座 CON5 SIP5 5插座 CON6 SIP6 6DIP插座 CON16 SIP16 16插座 CON20 SIP20 20整流桥堆D D-37R 1A直角封装整流桥堆D D-38 3A四脚封装整流桥堆D D-44 3A直线封装整流桥堆D D-46 10A四脚封装集成电路U DIP8(S) 贴片式封装集成电路U DIP16(S) 贴片式封装集成电路U DIP8(S) 贴片式封装集成电路U DIP20(D) 贴片式封装集成电路U DIP4 双列直插式集成电路U DIP6 双列直插式集成电路U DIP8 双列直插式集成电路U DIP16 双列直插式集成电路U DIP20 双列直插式集成电路U ZIP-15H TDA7294 集成电路U ZIP-11HDual In-line Package双列直插封装QFPQuad Flat Package四边引出扁平封装PQFPPlastic Quad Flat Package 塑料四边引出扁平封装SQFPShorten Quad Flat Package 缩小型细引脚间距QFP BGABall Grid Array Package球栅阵列封装PGAPin Grid Array Package针栅阵列封装CPGACeramic Pin Grid Array陶瓷针栅阵列矩阵PLCCPlastic Leaded Chip Carrier塑料有引线芯片载体CLCCCeramic Leaded Chip Carrier塑料无引线芯片载体SOPSmall Outline Package小尺寸封装TSOPThin Small Outline Package薄小外形封装SOTSmall Outline Transistor小外形晶体管SOJSmall Outline J-lead PackageJ形引线小外形封装SOICSmall Outline Integrated Circuit Package 小外形集成电路封装1、尺寸:毫米 0603 1005 1608 2012 3216 3225 4520 4532 5025 6432英寸 0201 0402 0603 0805 1206 1210 1808 1812 2010 25122、通用电压表示:5代表6.3V;6代表10V,7代表16V;8代表25V;9代表50V;0代表100V;A代表200V;B代表500V;C代表1KV;D代表2KV;E代表3KV;H代表4KV;Y代表250V日本产品、欧美电压表示:OG代表4V;OJ代表6.3V;1A代表10V;1C代表16V;1E代表25V;1V代表35V;1H代表50V3、精度表示代码:电阻-R:B±0.1%,C±0.25%,D±0.5%;电容-C:A±0.05PF,B±0.1PF,C±0.25PF,D±0.5PF;其他精度表示方法相同:F±1%,G±2%,J±5%,K±10%,L±15%,M±20%, N±25%,S-20%+50%, Z+80%-20%, P±100%,4、单位表示法:电阻单位:欧姆Ω,1M=103K=106Ω;或1Ω=10-3KΩ=10-6MΩ电容单位:法拉F, 1UF=103NF=106PF;或1F=103mF=106uF=109nF=1012Pf电感单位:亨利H,1UH=103NH;或1nH=10-3uH=10-6mH5、最小包装:7″REEL贴片电阻:R0402 10K/REEL,R0603 5K/REELR0805 5K/REELR1206 5K/REELR1210 5K/REELR8P4R-0402 10K/REELR8P4R-0603 5K/REEL各种精度陶瓷电容:C0402≤1UF 电压V≤50V 10K/REEL C0603≤2.2UF 电压V≤50V 4K/REEL C0805<1UF 电压V≤50V 4K/REEL C0805=1UF 电压V=25V 3K/REEL C0805=1UF 电压V=16V 4K/REEL C0805>1UF 电压V≤50V 3K/REEL C1206<1UF 电压V≤50V 4K/REEL C1206≥1UF 电压V≤50V 3K/REEL 贴片钽电容:2012(P型) 3K/ REEL3216(A型) 2K/REEL3528(B型) 2K/REEL6032(C型) 500/REEL7343(D型) 500/REEL7343H(E型) 500/REEL贴片电感和磁珠:磁珠 0603/0805 0R~600R M 4K/REEL磁珠 1206 0R~600R M 3K/REEL电感 0603 ≤22UH M 4K/REEL电感 0805 ≥10UH M 4K/REEL电感 0805 >10UH M 3K/REEL电感 1206 ≤10UH M 3K/REEL贴片二、三极管:圆柱型 2K5/REEL其他 3K/REELCHIP-ALU-铝电解电容:?4*5.4 2K/REEL?5*5.4 1K/REEL?6.3*5.4 1K/REEL?8*6.5 500/REEL?10*10 500/REEL6、阻容器含铅代码:一般情况,电阻带“LFP”、“Lead Free”字样,表示不含铅,不带“LFP”字样,表示含铅;华新电容带“C***”或“L***”字样为不含铅,带为“N***”或“B***”字样为含铅,其他电容带“Pb”标志的表示含铅,带“Pb”标志的表示不含铅。