竖直角观测计算
- 格式:docx
- 大小:116.76 KB
- 文档页数:3
竖直角测量实验报告一、实验目的1、理解竖直角测量的原理和方法。
2、掌握经纬仪测量竖直角的操作步骤。
3、学会记录和处理竖直角测量数据。
4、提高实际操作能力和团队协作能力。
二、实验仪器和工具1、经纬仪一台。
2、脚架一个。
3、记录板一块。
4、铅笔、橡皮擦等文具。
三、实验原理竖直角是指在同一竖直面内,目标视线与水平线之间的夹角。
其取值范围为-90°至+90°。
当视线在水平线之上时,竖直角为正;当视线在水平线之下时,竖直角为负。
经纬仪测量竖直角的原理是通过读取竖直度盘的读数,计算出目标视线与水平线之间的夹角。
竖直度盘的刻度通常为顺时针方向注记,读数时需要注意指标差的影响,并进行相应的改正。
四、实验步骤1、安置仪器将经纬仪安置在测站点上,对中、整平。
确保仪器的中心与测站点重合,并且仪器处于水平状态。
调整脚架的高度和位置,使仪器的稳定性良好。
2、盘左观测瞄准目标,用望远镜的十字丝横丝切准目标的顶部。
转动竖直度盘指标水准管微动螺旋,使指标水准管气泡居中。
读取竖直度盘的读数 L。
3、盘右观测纵转望远镜,使仪器处于盘右位置。
瞄准同一目标,同样使指标水准管气泡居中。
读取竖直度盘的读数 R。
4、记录与计算将观测数据记录在表格中,包括测站、目标、盘左读数 L、盘右读数 R 等。
计算竖直角α,公式为:盘左:α左= 90° L盘右:α右= R 270°计算指标差 x,公式为:x =(L + R 360°)/ 2取盘左、盘右竖直角的平均值作为最终的竖直角α,公式为:α =(α左+α右)/ 25、重复观测为了提高测量精度,对每个目标进行多次观测,取平均值作为最终结果。
五、实验数据记录与处理以下是本次实验的观测数据记录和处理结果:|测站|目标|盘左读数 L|盘右读数 R|竖直角α左|竖直角α右|指标差x|竖直角α|||||||||||1|A|78°15′30″|281°44′30″|11°44′30″|-11°44′30″|0°|11°44′30″||1|B|65°30′00″|294°30′00″|24°30′00″|-24°30′00″|0°|24°30′00″||2|C|82°00′00″|278°00′00″|7°60′00″|-7°60′00″|0°|7°60′00″||2|D|58°15′00″|301°45′00″|31°45′00″|-31°45′00″|0°|31°45′00″|六、实验误差分析1、仪器误差经纬仪的度盘刻划不均匀、仪器的三轴误差等会对测量结果产生影响。
竖直角测量实验报告摘要:本实验主要通过利用测量角度的原理,设计竖直角测量方案,使用经纬仪进行实验测量,通过数据处理与比较,得出实验测量结果。
关键词:竖直角;经纬仪;测量一、引言测量学是一门研究测量现象与测量方法的学科,测量是一种精确的技术,被广泛应用于各种领域。
本实验通过测量竖直角的方法,检验经纬仪测量角度的准确性。
二、实验原理1.竖直角的特点竖直角是一个角度大小为90°的角,其特点是对边相交,相对边平行,且与水平面垂直。
本实验通过经纬仪测量竖直角,其步骤如下:(1)设置经纬仪,校正气泡管,使其水平。
(2)将经纬仪放置于要测量的两个位置,分别测量两个位置的水平角和垂直角。
(3)计算两个水平角之差,并取其一半,即为竖直角的度数大小。
三、实验器材及仪器经纬仪、三角架、直尺、铅笔、计算器等。
四、实验步骤1.仔细检查实验仪器的状态,确认正常使用。
3.测量两个位置的水平角和垂直角,记录数据。
4.计算竖直角的大小。
五、实验数据处理与结果比较实验测量数据如下:(1)第一位置水平角:90°48′,垂直角:89°20′通过计算,得到竖直角大小为:89°59′经比较,实验测量结果与理论值相差较小,经纬仪测量角度的准确性得到了验证。
六、实验结论七、实验思考题1.经纬仪的常用误差有哪些?答:经纬仪的常用误差有:刻度误差、气泡管误差、环形仪凸度误差等。
2.如何提高竖直角测量的精度?答:(1)仔细校正仪器,使其精度达到最高。
(2)尽量选取平整稳定的地面进行实验。
(3)在测量时,保持仪器水平、稳定,尽量避免外界因素的影响。
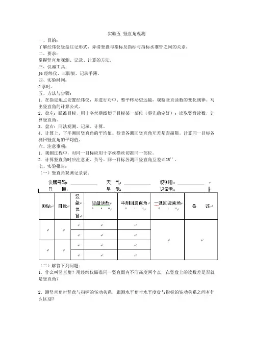
实验五竖直角观测
一、目的:
了解经纬仪竖盘注记形式,弄清竖盘与指标及指标与指标水准管之间的关系。
二、要求:
掌握竖直角观测、记录、计算的方法。
三、仪器工具:
J6经纬仪、三脚架、记录手簿。
四、实验时间:
2学时。
五、方法与步骤:
1.在指定地点安置经纬仪,并进行对中、整平转动望远镜,观察竖直读数的变化规律。
写出竖直角的计算公式。
2.盘左:瞄准目标,用十字丝横线切于目标某一部位(事先确定好);读取竖盘读数,计算竖直角。
3.盘右:同法观测、记录、计算。
4.计算上、下半测回竖直角的平均值。
检查各测回竖直角互差是否超限。
计算同一目标各测回竖直角的平均值。
六、注意事项:
1.观测过程中,对同一目标应用十字丝横丝切准同一部位。
2.计算竖直角时应注意正、负号。
同一目标各测回竖直角互差≤25''。
七、实验报告:
(一)竖直角观测记录表:
(二)解答下列问题:
1.什么叫竖直角?用经纬仪瞄准同一竖直面内不同高度两个点,在竖盘上的读数差是否就是竖直角?
2.测竖直角时竖盘与指标的转动关系,跟测水平角时水平度盘与指标的转动关系之间有什么区别?。
一、实习背景随着我国基础设施建设的大力推进,工程测量在各个领域中的应用日益广泛。
竖直角观测作为工程测量中的一项基本技能,对于确保工程建设的精度和安全具有重要意义。
为了提高自身的实际操作能力,增强对工程测量理论知识的理解,我于20xx年x月参加了为期一周的竖直角观测实习。
二、实习目的1. 掌握竖直角观测的基本原理和方法;2. 熟悉全站仪的使用技巧;3. 培养团队协作精神和实际操作能力;4. 提高对工程测量理论知识的理解。
三、实习内容1. 竖直角观测原理及计算方法竖直角观测是测量两点之间垂直距离和高差的重要手段。
其原理是利用全站仪的竖盘指标差,通过计算得到竖直角,进而求得两点之间的高差。
竖直角观测的计算公式如下:tanα = (D2 - D1) / (D1 cosβ + D2 cosγ)式中,α为竖直角,D1、D2分别为两点之间的水平距离,β、γ分别为两点之间的大地坐标差。
2. 全站仪的使用技巧全站仪是一种集测量、定位、数据处理于一体的现代测量仪器。
在竖直角观测中,全站仪的使用技巧主要包括:(1)对中:将全站仪的三脚架放置在观测点,调整三脚架的稳定性,使全站仪的圆水准器气泡居中。
(2)整平:调整全站仪的基座,使全站仪的水平度盘气泡居中。
(3)瞄准:瞄准目标点,调整全站仪的望远镜,使目标点成像清晰。
(4)测量:读取竖盘读数,记录观测数据。
3. 团队协作与实际操作在实习过程中,我们分为若干小组,每个小组负责一个观测点。
在观测过程中,大家互相协作,确保观测数据的准确性和完整性。
实际操作过程中,我们遇到了以下问题:(1)观测过程中,由于地形复杂,部分观测点难以瞄准,导致观测数据误差较大。
(2)部分同学对全站仪的使用不熟练,导致观测数据不准确。
针对以上问题,我们及时调整观测策略,提高观测精度。
四、实习成果通过一周的实习,我们取得了以下成果:1. 掌握了竖直角观测的基本原理和方法;2. 熟悉了全站仪的使用技巧;3. 培养了团队协作精神和实际操作能力;4. 提高了工程测量理论知识的理解。
竖直角观测计算
集团文件发布号:(9816-UATWW-MWUB-WUNN-INNUL-DQQTY-
一、解析:(楠楠,要学会自己能做,一定要学懂了,看完后自己用草稿纸做一遍,不要看我的答案,自己做了再跟我对。
其实很简单的,主要是理解定义概念,然后就好做了)
左盘半测回竖直角
1.竖直角计算{a左=90°- L ↗;a右=R-270°}
↓
右盘半测回竖直角
2.竖盘指标差:x =(L+R-360°)/2
3.一测回竖直角:两个半测回竖直角的平均值(所谓半测回即用经纬仪左盘
或者右盘所测竖直角)【一个测回=两个半测回】
二、计算步骤;(单位:°′″)
1.半测回:
a左(1)=90°-72° 18′ 18 ″=17 °41′ 42″
a右(1)=287°42° 00 ″-270°=17° 42 ′00″
a左(2)=90°-96 °32′ 48 ″= -6 °32′ 48″
a右(2)=263°27′30″ -270°= -6°32′30″
2.指标差:
x(1)=(72°18′ 18″+287°42′00″-360°)/2=+9 x(2)=(96°32′48″+263°27′00″ -360°)/2=+9 3.一测回竖直角:
(17 °41′42″+17°42′00″)/2=17°41′51″{-6°32 ′48 ″- 6′32′30″}/2=-6 °32′39″。