文件管理程序【最新版】
- 格式:docx
- 大小:309.36 KB
- 文档页数:15
质量程序文件程序名称:文件管理程序版本:2.0程序编号:拟制:审核:批准:会签部门会签人/日期会签部门会签人/日期品质部人事行政部生产部PMC部SMT部采购部技术部研发部塑胶部商务部体系管理部版本号更改部门更改人/日期审核人/日期批准人/日期生效日期更改内容1.0 文控中心1.1 体系管理部2.01目的为了对与质量体系有关的文件和资料(质量记录除外,质量记录的控制见《质量记录控制程序》)进行控制,确保其正确性、有效性和可追溯性,防止使用失效或作废的文件,特制定本程序文件。
2适用范围本程序适用于xx科技实业(深圳)有限公司和深圳市xx科技有限公司。
3职责3.1体系管理部文控中心:负责公司体系文件的编号、发放、更改控制和管理;负责外来文件的发放、更改控制和管理;3.2文件接收使用部门:负责接收文控中心发至的各类体系文件,并作签收登记,按照要求对各类体系文件进行传阅登记、建立目录检索;3.3各部门相关岗位人员:负责与本部门质量职责相关的各类质量体系文件的编制;4名词解释4.1质量体系文件质量体系文件是指质量体系实施中所涉及和形成的质量文件。
分三个层次:一级质量手册、二级质量程序文件和三级质量文件。
4.2质量手册质量手册是指阐述组织质量方针,并描述其质量体系的文件。
包括质量方针的陈述、引用的程序文件、与质量有关人员的岗位职责、权限,以及对手册的评审、修改和控制的规定等。
4.3质量程序文件是指为完成质量体系要求的某项质量活动所规定的途径。
它是针对一组相关的质量活动而制定的,它是质量手册的支持性文件,在结构上包含程序部分、流程图和相关表式。
4.4 三级质量文件详细的作业文件,如:检验规范、设计文件、工艺文件、工作指引、作业指导书、质量记录、测试软件等。
4.5 受控(质量)文件在质量体系中,从制定到作废的整个过程受文件管理控制的文件为受控文件,以“受控文件”章或文件编号作为受控文件的标识(文件正本在文件背面盖“正本文件”章)。
1.目的
公司业务计划是公司各项业务活动的指导书文件,以竞争产品和行业内外同类厂家及本公司产品的分析为基础,根据当关前和未来顾客的愿望,,提出分阶段目标及任务,并确定计划得到贯彻和实施.
2.范围
业务计划分年度计划和长期规划(3年或更长)
业务计划的内容
2.2.1与市场相关的事项,预期销售额,顾客满意计划.
2.2.2 财务策划与成本、目标成本、预算和已有拨款的课题。
2.2.3 增长预测
2.2.4 事业部/设施计划,研究与开发计划
2.2.5 人力资源开发
2.2.6 质量目标、关键的内部质量和运行效果的可测参数。
2.2.7 健康及环境、安全事项
3 职责
由总经理主持业务计划的制订和发布.
总经办组织业务计划编写、修订、评审及实施检查。
各相关部门负责有关计划内容的编写与实施
3.3.1 营销部负责及3.3.2 财务部负责3.3.3 各事业部负责3.3.4 人力资源部负责及3.3.5 管理者代表负责定义
无
5.流程
见附页
6 作业内容
业务计划在以前目标的基础上应有下一年度的营销目标、市场占有率、本公司产品在市场上的定位(开发方向)等方面的内容;长期规划应有产品的推向市场、及创名牌目标。
包括以下内容:营销目标
质量目标
市场目标
管理部负责做好公司级数据和资料的采集、分析和使用。
编制业务计划应达到以下要求。
文件管理流程文件管理是组织和管理文件的过程,包括创建、保存、分类、检索和销毁文件等环节。
一个高效的文件管理流程对于一个组织或个人来说至关重要,可以提高工作效率,减少时间浪费并确保文件的安全性和易查性。
本文将介绍一个简单有效的文件管理流程,以提供指导和操作建议。
1. 文件创建文件创建是文件管理流程的第一步。
当一个新的文件需要被创建时,用户应该选择一个恰当的文件名并在合适的位置创建该文件。
文件名应该简明扼要,能够准确描述文件的内容和用途。
同时,文件应该被保存在一个易于访问和备份的位置,以免遗失或损坏。
2. 文件分类文件分类是文件管理流程中的关键步骤之一。
通过为文件设定合适的分类标签,可以帮助用户快速找到需要的文件并确保文件的整理有序。
文件分类可以根据不同的标准进行,如文件类型、日期、项目、部门等。
用户需要为每个文件选择一个或多个适当的分类标签,并在文件名或文件夹名称中加以标识。
3. 文件存储文件存储是文件管理流程中的另一个关键步骤。
选择合适的存储介质,如硬盘、云存储等,并建立清晰的存储结构。
用户应该根据文件的重要性和访问频率,将文件保存在适当的位置。
同时,确保文件的备份和安全性是至关重要的。
定期备份文件,并采取必要的安全措施,如文件加密、访问权限设置等。
4. 文件检索文件检索是文件管理流程中的一个重要环节。
当用户需要找到一个特定的文件时,他们应该能够迅速准确地检索到文件。
为此,用户需要在文件创建时使用恰当的关键词和标签,并建立详细的索引。
除了文件名和分类标签外,还可以使用文件内容、修改日期等方式进行检索。
使用专业的文件检索工具可以提高检索效率。
5. 文件更新与共享在文件管理流程中,文件可能需要被更新和共享给其他人。
每当文件发生变化时,用户应该及时记录并更新文件。
通过维护正确的版本控制,可以避免文件混乱和错误。
同时,用户应该定期清理和归档不再需要的文件,以保持文件库的整洁。
对于需要共享的文件,使用合适的共享平台或工具,并为共享文件设置适当的权限。
文件控制程序GS-QP-001编制人:时间:审核人:时间:批准人:时间:发布日期:2020年7月日版本/修订号:A01目的对与质量管理体系等有关的文件及资料进行管控,确保在文件的各使用现场使用文件的可获取有效且适用版本。
2适用范围本程序适用于与质量管理体系有关的文件和资料(包括外来文件)的管理和控制。
3术语定义管理性文件:实验室体系管理手册、程序文件以及其他有关的制度、细则、办法等文件技术性文件:包括作业指导书、操作规范、应急计划等特殊文件:包括方案、计划及会议纪要等4风险识别与控制4.1成文信息控制的主要风险a)文件不符合要求。
文件在编写过程时,没有充分识别和考虑质量管理体系标准、上级单位、以及内部相关规定,导致“文文不符”,或要求不充分。
b)文件可行性不足。
文件编制没有与实际情况结合,没有将相关的要求与实际结合,造成“文实不符”。
c)文件的非预期使用。
没有及时修改或回收旧版文件并发放新版文件,导致要求与实际不符,或工作无据可依。
4.2风险应对措施a)文件发布前,文件的制定人员应确定相关文件列表,根据相关文件列表,检查文件要求是否一致;并根据实际情况对文件或相关文件进行修订。
b)文件发布前,须进行评审,并由相关部门进行会签。
c)文件发布实施后,相关活动的责任部门,定期对过程绩效进行考核,根据需要对文件进行修订。
d)关注并理解内外部环境、监视相关方的需求和期望,并在此基础上对风险进行识别和应对;据此组织对文件的评审和修订。
5职责分工5.1质量部职责说明a) 实验室质量管理体系文件的发放、统一管理。
b) 根据管理体系要求协助其他部门完成体系文件的编制和发放。
c) 与HSE(OHSMS、EMS)共同识别有关法律法规和其它要求,以及本部门与质量管理体系有关的文件的编制。
5.2最高管理者负责批准发布管理手册、质量方针。
5.3管理者代表负责审核管理手册、质量方针,批准相关目标、程序文件等。
5.4其他相关部门负责本部门职责范围内的运作、管理等相关文件的编制、评审、更改、发布,并监督检查和评价。
修改记录1目的建立符合本公司质量管理体系、环境管理体系的文件,确保所有现行使用文件在各个场所具有效性、充分性和适宜性,使公司管理体系文件得到有效控制和管理。
2适用范围本程序适用于长沙悦翼模塑科技有限公司体系文件的有效控制和管理。
3定义3.1文件和资料:管理体系文件和外来文件的合称;管理体系文件包括第一层次:质量手册;第二层次:程序文件;第三层次管理制度、检验标准、工艺文件等作业指导文件;第四层次:形成文件的记录。
外来文件包括外来技术文件和外来管理文件两类。
主要包括:国际标准、国标、行标、相关方(客户或供应商)提供的文件与资料、相关法律法规、地方政策法规等。
3.2文件要素:指文件必须具备的基本信息,如:文件编号、文件名称、生效日期、版本号、编制、审核、批准人、内容组成、版面格式等。
3.3受控文件:与管理体系有关的管理、技术性文件和资料。
3.4非受控文件:指受控范围之外的文件。
1.6适用性审核:审核文件是否具有可执行的特性。
如:确实性、可理解、可操作、可指导、可检查、可协调、可保证性。
1.7标准化审核:对文件的版本、格式、内容组成标准化的审核。
如:版面的符合性、标题的正确性、文件编码的规则性、正文内容组成部分的规范性,以及版本标识、生效日期、编制、会签、审批人员的正确性。
3.7其它定义见管理体系标准与国家/地方环境法律法规等。
4职责4.1质量部文控中心:负责公司受控文件的登记、分发、归档、保管、回收、作废和销毁处理及控制工作;监督检查各场所受控文件的有效使用情况。
4.2公司各职能部门:根据顾客要求、质量体系方面标准、环境体系方面标准的要求以及管理的需求,负责本部门相关文件的编制和修订,确保文件的适宜性、有效性和充分性;必要时参与相关部门的文件评审工作。
负责组织本部门人员对相关文件进行内部培训和宣贯。
负责按本程序过程要求执行,负责本部门文件与资料的管理。
4.3项目工程部:负责试制过程中技术文件的编号、登记、更改控制和监督管理。
文件管理操作规程一、概述文件管理是组织、保管和使用各种文件的活动,对于一个组织或企业的正常运作至关重要。
为了确保文件的安全性、完整性和便捷性,制定并遵守文件管理操作规程是必不可少的。
本文将就文件管理的操作步骤、要求和注意事项进行详细介绍。
二、文件归档1. 文件分类文件应按照内容、形式或用途进行分类,如行政类文件、财务类文件、项目类文件等。
确保分类合理、准确、清晰。
2. 文件编号每个文件应有唯一的编号,编号格式应规范并易于管理。
文件编号可以采用年份+序号的形式,如2022-001,2022-002等。
3. 文件标识文件应有明确的标识,标识应包括文件名称、编制部门、编制日期等关键信息,以提高查阅效率。
4. 文件装订文件应采用合适的装订方式,如文件夹、文件夹夹片等,确保文件整洁、易于存取。
5. 文件存放位置文件宜存放在专门的文件柜或书架中,并按照分类和编号进行规整,避免混乱和错位。
三、文件借阅1. 借阅申请借阅人应填写借阅申请表,并注明借阅的具体文件名称、编号、借阅目的和借阅期限等信息。
2. 审批程序借阅申请应经相关主管部门或责任人审批后方可借阅。
3. 借阅登记借阅人借阅文件后,应在借阅登记簿上填写借阅日期、借阅期限等相关信息,并经过相关工作人员确认。
4. 文件查阅借阅人应妥善保管借阅文件,防止遗失或损坏,并在借阅期满后及时归还文件。
在借阅期间,借阅人应尽量避免私自更改文件内容。
四、文件保管1. 文件保密性根据文件内容的重要性和保密等级,确定文件的保密措施。
对于机密文件,应采取相应的加密和存储措施。
2. 文件备份重要文件应进行定期备份,并存放在安全可靠的地方,以防止意外情况导致文件丢失。
3. 文件销毁对于已失效或无用的文件,应及时进行销毁处理。
文件销毁应记录销毁日期、销毁数量及销毁方式等信息。
五、文件传输1. 电子传输对于电子文件的传输,应采用安全可靠的网络,并且要确保传输过程中文件不被篡改或泄露。
2. 纸质传输纸质文件的传输应采取安全可靠的方式,如使用专车或快递,确保文件的完整性和安全性。
文件管理流程一、文件分类。
在进行文件管理之前,首先需要对文件进行分类。
文件分类的目的是为了方便管理和查找文件,提高工作效率。
一般来说,可以按照文件的性质、用途、部门等因素进行分类。
比如按照文件的性质可以分为合同文件、报告文件、会议文件等;按照用途可以分为参考文件、执行文件、归档文件等;按照部门可以分为人事文件、财务文件、市场文件等。
二、文件命名规范。
文件命名规范是文件管理的重要一环。
合理的命名规范可以使文件更易于查找和识别。
在进行文件命名时,需要注意以下几点,首先,文件名应该简洁明了,能够准确反映文件内容;其次,避免使用过长的文件名,一般来说,文件名不宜超过30个字符;最后,建议在文件名中加入日期或版本号,以便区分不同时间或不同版本的文件。
三、文件存储位置。
确定文件的存储位置是文件管理流程中的关键一环。
在选择文件存储位置时,需要考虑文件的安全性、便捷性和可访问性。
一般来说,可以选择在本地硬盘、网络共享盘或云端存储中进行文件存储。
在确定存储位置后,需要建立清晰的目录结构,将文件按照分类进行存放,并确保每个人都能够方便地访问到所需的文件。
四、文件备份与归档。
文件备份与归档是文件管理流程中的重要环节。
定期对重要文件进行备份,可以避免文件丢失或损坏的风险。
同时,对于一些长期不再需要的文件,需要进行归档处理,以释放存储空间并保留历史记录。
在进行备份和归档时,需要制定清晰的标准和流程,并确保备份和归档的文件能够及时找回和恢复。
五、文件权限管理。
文件权限管理是保障文件安全的关键一环。
在进行文件权限管理时,需要根据不同人员的职责和需求,对文件进行合理的权限设置。
一般来说,可以分为只读、编辑、删除等不同的权限级别。
同时,需要建立完善的权限审批流程,确保权限的合理分配和有效管理。
六、文件查找与检索。
在文件管理流程中,文件的查找与检索是必不可少的环节。
建议使用专业的文件管理工具或软件进行文件的索引和检索,以提高查找效率。
文件管理程序在当今数字化和信息化的时代,文件管理成为了我们日常工作和生活中不可或缺的一部分。
无论是企业的重要商业文件,还是个人的珍贵资料,都需要一个高效、可靠的文件管理程序来保障其安全性、有序性和便捷性。
文件管理程序,简单来说,就是一套用于组织、存储、检索和处理文件的规则和流程。
它就像是一个无形的管家,默默地为我们打理着文件的方方面面。
首先,一个好的文件管理程序要明确文件的分类标准。
这就像是给不同的文件安排不同的房间,让它们各得其所。
比如,在企业中,可以按照部门、项目、时间等维度进行分类;对于个人来说,可以根据工作、学习、生活等方面来划分。
分类的目的是为了让我们在需要的时候能够迅速找到对应的文件,而不是在茫茫的文件海洋中迷失方向。
有了分类标准,接下来就是制定合理的文件命名规则。
文件的名字就像是它的身份证,清晰、准确、有意义的文件名能够让我们一眼就知道文件的大致内容。
例如,“2023 年销售报告华北地区第一季度”这样的文件名,就比“报告1”要清晰得多。
同时,为了避免混淆,还应该统一命名的格式,比如使用日期、关键词、版本号等元素。
存储位置也是文件管理程序中至关重要的一环。
我们需要选择合适的存储介质,如硬盘、云盘等,并根据文件的重要性和使用频率来决定存储的位置。
经常使用的文件可以放在容易访问的地方,而重要但不常用的文件可以进行备份存储。
在文件的创建和编辑过程中,也要遵循一定的规范。
比如,使用统一的文档模板、格式设置,以及标注作者、创建时间等信息。
这样不仅能够保证文件的美观和专业性,还方便后续的管理和追踪。
检索功能是文件管理程序的核心之一。
一个强大的检索系统能够让我们通过关键词、日期、作者等条件快速找到所需的文件。
这就好比在图书馆中,通过索引能够迅速找到想要的书籍。
同时,还应该支持模糊检索和高级检索选项,以满足不同的需求。
权限管理也是不容忽视的部分。
不同的人员对于文件可能有不同的操作权限,比如只读、编辑、删除等。
文件管理流程文件管理是指对文件的整理、分类、存储、查询和处理等工作过程。
在日常办公中,常常需要处理各种文件,合理的文件管理流程能够提高工作效率和信息管理的质量。
下面将介绍一种常用的文件管理流程。
首先,文件管理流程的第一步是文件收集。
在办公中,文件来源众多,可能是通过邮件、传真、邮寄等途径收到的文件,也可能是通过各种软件生成的电子文件。
在收到文件时需要及时进行登记,明确文件的来源、接收时间和重要性等信息,以便后续的处理。
接下来,文件管理流程的第二步是文件分类。
对于不同类型的文件,应该进行合理的分类,便于后续的管理和查找。
一般可以根据文件内容、文件形式、文件主题等方面进行分类。
常见的文件分类方式有按照文件类型、按照时间顺序、按照部门或项目等进行分类。
第三步是文件存储。
对于电子文件,可以通过网络存储、云存储或本地存储等方式进行存储,确保文件的安全和可靠性。
对于纸质文件,可以使用文件夹、文件柜等工具进行存储,同时需要注意要保持文件的整洁和防潮。
第四步是文件查询。
在文件管理过程中,随着文件数量的增加,文件的查找变得越来越重要。
因此,要对文件进行合理的标记和索引,方便进行快速的查询。
可以创建文件索引表格,记录文件名称、分类、存储位置等信息,或者使用专门的文件管理软件进行查询。
第五步是文件处理。
根据文件的需要,可以进行复印、打印、归档、发送等处理操作。
在处理文件时,需要注意保护文件的安全和机密性,采取措施防止文件丢失、泄露或损坏。
最后,文件管理流程的最后一步是文件销毁。
在文件管理的过程中,难免会有一些过期的文件或者无用的文件。
对于这些文件,需要进行及时的销毁,避免占用存储空间和引发安全隐患。
可以通过碎纸机进行纸质文件的销毁,或者使用专门的软件进行电子文件的删除。
综上所述,文件管理流程包括文件收集、文件分类、文件存储、文件查询、文件处理和文件销毁等步骤。
合理的文件管理流程可以提高工作效率,减少文件丢失和错误,保护信息的安全性和机密性,提升信息管理的质量。
文件管理流程图文件管理流程图是指在企业、机构或个人进行文件管理时,按照一定的步骤和程序进行的管理流程。
下面是一个简单的文件管理流程图:文件管理流程图1. 收集文件- 由相关部门或个人将需要管理的文件收集起来- 包括电子文件和纸质文件2. 分类整理- 对收集到的文件进行分类,可以按照文件类型、文件内容、文件日期等进行分类- 根据分类,将文件进行整理并放置到相应的位置,可以使用标签、文件夹或文件柜等方式进行标识和存放3. 创建文件索引- 对所有的文件进行编号或标识,以便快速查找和管理- 创建文件索引,包括文件名称、编号、存放位置等信息,并将索引存储在数据库或电子表格中4. 存储文件- 将纸质文件存放到文件柜或文件夹中,确保文件的安全和完整性- 将电子文件存储在计算机或服务器中,根据不同的文件类型选择合适的存储方式,如硬盘、云存储或备份设备5. 文件检索- 当需要查找某个文件时,通过文件索引进行检索- 输入文件名称、编号或关键词等进行搜索,可以根据不同的条件进行筛选和排序6. 文件借阅与归还- 当需要借阅某个文件时,填写文件借阅单,并由相关人员审批和签字- 借阅人在规定的时间内使用文件,并在使用完毕后归还文件7. 文件更新与维护- 当文件内容有更新或有需要删除的文件时,进行相应的修改或删除操作- 在文件更新和维护过程中,及时更新文件索引和存储位置8. 文件销毁与归档- 当某些文件不再需要保留时,按照相关规定进行文件销毁 - 对于一些需要长期保留的文件,可以进行归档,将文件存放到专门的存储区域,并做好相应的标识和记录9. 定期审查与整理- 定期对文件进行审查和整理,及时处理过期文件或冗余文件,以保持文件管理的高效和精确以上是一个简单的文件管理流程图,可以根据不同的组织和个人需求进行调整和优化。
文件管理流程图可以帮助提高文件管理的效率和准确性,优化工作流程,并能确保文件的安全和易于使用。
文件管理程序1. 合用范围本标准合用于本公司药品生产质量管理的所有文件的管理。
2. 职责文件编制者:依照该程序有关规定制订文件;各级生产质量管理人员:执行该程序的有关规定;档案管理员:按该程序的有关规定进行归档、复制、保存、借阅、回收和销毁文件;质量部QA:监督检查本程序的执行。
3. 内容3.1. 定义3.1.1. 文件文件是指一切涉及药品生产质量管理的书面标准和实施中的记录结果。
批准使用的文件是行为的准则,任何人无权任意修改。
3.1.2. 文件管理文件管理是指文件的设计、制订、审核、批准、复制、分发、培训、执行、归档、变更、保存和销毁的一系列过程的管理活动。
3.2. 文件类型文件分为两大类:标准和记录。
3.2.1. 标准:标准是在药品生产质量管理过程中预先制订的书面要求。
分为技术标准、管理标准、操作标准三大类。
3.2.1.1. 技术标准:是指药品生产技术活动中,由国家、地方、行业及企业颁布和制订的技术性规范、准则、规定、办法、标准、规程和程序等书面要求。
3.2.1.2. 管理标准:是指企业为了行使生产计划、指挥、控制等管理职能而使管理过程标准化、规范化而制订的制度、规定、标准、办法等书面要求。
3.2.1.3. 操作标准:是指以人或者人群的工作为对象,对工作范围职责、权限、工作方法及工作内容考核等所制订的规定、标准、程序等书面要求。
3.2.2. 记录:记录是反映药品生产质量管理过程中执行标准情况的结果。
分为过程记录、台帐记录和凭证三大类。
3.2.2.1. 过程记录:批生产记录、检验记录、校验记录等。
3.2.2.2. 台帐记录:各类台帐、编码表、定额表等。
3.2.2.3. 凭证:各类状态卡、标记等。
3.2.3. 标准与记录的关系3.2.3.1. 记录的依据是标准,即记录类文件的使用往往在标准中已做了详细规定。
3.2.3.2. 记录必须与标准保持一致,即如何使用记录类文件、记录的内容、记录样张的审核、批准等应与标准要求一致。
内部文件管理程序(一)引言概述:内部文件管理程序是一种用于组织、存储和管理组织内部文件的软件工具。
通过该程序,用户可以方便地查找、共享和更新文件,提高工作效率和协作性。
本文将详细介绍内部文件管理程序的五个主要方面。
正文:一、文件分类和组织1. 创建文件分类体系,根据业务需求和文件属性划分不同的类别,如销售、财务、人力资源等。
2. 确定每个分类下的文件存储结构,建立有效的文件夹和子文件夹,使文件组织结构清晰可见。
3. 设定文件命名规则,以便用户能够快速定位和识别文件。
二、权限管理和文件访问1. 分配不同用户或用户组的访问权限,确保只有授权用户可以查看、编辑或删除文件。
2. 支持细粒度权限控制,允许在文件夹、文件和功能级别上设置权限,以满足不同角色和职责的用户需求。
3. 提供版本控制功能,记录文件的修改历史,并可回滚到之前的版本,保证数据完整性和可追溯性。
三、文件搜索和检索1. 提供全文搜索功能,使用户能够通过关键词快速定位文件和相关信息。
2. 支持高级搜索选项,如按文件类型、日期、作者等进行过滤和排序,提供更精确的搜索结果。
3. 开放API接口,与其他工具或系统集成,实现跨平台文件搜索和检索。
四、文件共享和协作1. 允许用户在内部共享文件夹或项目组中分享文件,提高协作效率和信息共享。
2. 支持版本同步和冲突解决,确保团队成员可以同时访问和编辑文件,避免数据丢失或冲突。
3. 提供评论和讨论功能,在文件中留言、建议、讨论信息,方便团队内部交流和反馈。
五、安全和备份1. 设定文件管理程序的系统级安全策略,包括用户身份验证、访问日志记录、加密传输等,保证文件的安全性。
2. 定期进行备份,避免数据丢失和灾难恢复困难。
3. 提供灾难恢复功能,使用户能够在系统崩溃或故障后快速恢复文件,保护组织数据的可用性。
总结:内部文件管理程序在组织内部文件的分类和组织、权限管理和访问、文件搜索和检索、文件共享和协作、安全和备份等方面发挥重要作用。
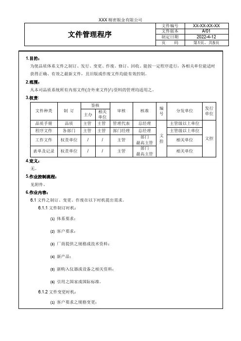
文件管理程序1. 目的:为使文件与资料处理迅速、正确流通、应用及管理,以确保各相关单位能适时获得适当且有效之最新文件。
2. 范围:本厂内部外部联系或客户/供应商往来之有关品质及技术文件均适用之。
3. 权责:参阅〈文件审核权责表〉(如附件一)4. 定义:本厂文件类别区分四阶4.1 文件阶码如下:M:一阶文件P:二阶文件WI:三阶文件FR:四阶文件E:外来文件( 客户检验标准、客户技术图纸(也称技术性文件)等。
4.2 系统文件: 环境手册、质量健康安全手册为本厂第一阶文件。
4.3 程序文件: 管理审查、内部品质稽核、品质制度、文件管理等,依品质手册所订之各项程序,为本厂第二阶文件。
4.4 指导书文件: 作业标准书、作业细则、作业办法、规范、通则,为本厂第三阶文件。
4.5 制造文件: 制造工程图、承认资料、模具资料、治具资料、作业指导书、检具资料,作业工艺卡、操作规范、检验规范等凡在制程上需使用之资料文件皆属之,为本厂第三阶文件。
4.6 记录:校验记录、检验记录、测试记录及执行第二、三阶所衍生的记录资料等为本厂第四阶文件。
4.7 外来文件与资料:从天成以外获得技术标准性文件、规范或文件及设备相关说明书、操作介绍、客户原图等。
4.8 承认资料:本厂客户承认资料,或零件承认资料,及其它书面(如正式订单即代表已承认)、书面改写等项。
4.9 治具资料:本厂生产用治具制作的图面及相关等资料。
4.10 作业指导书:生产作业所依据的操作方法及动作流程之标准资料。
4.11 检具资料:客户要求实际装配之检具及检查用量具或相关资料、图面等。
4.12 质量过程管理体系文件均按该程序控制执行。
4.13 字体要求:各阶文件的题目英文和数字统一使用中文简体宋体20 号,文件内容用字体12 号,行距用固定值20 磅。
5. 作业内容:5.1 文件与资料管制程序流程(附件二)。
5.2 各阶文件编号5.2.1 手册编码原则:TC-M001 计7 码第1-2 码公司简称TC ;第3 码为中杠;第4 码手册简称M;第5 码-7 码文件流水码,由体系工程统一编号。
5.2.2 第二阶文件编码原则:TC-P001 计7 码第1-2 码公司简称TC ;第3 码为中杠;第4 码程序文件简称P;第5 码-7 码文件流水码,由体系工程统一编号。
5.2.3 第三阶文件(流程类)编码原则:TCQA -WI001 计10 码第1-2 码公司简称TC;第3-4 码为各部门(课室)代码,见附件三;第5 码为中杠;第6-7 码三阶文件简称WI;第8-10 码文件流水码,由体系工程统一编号。
5.2.4 第三阶文件(操作类)(如SOP、SIP、工艺参数表、工艺卡)编号,各个产品规格不一样,(文件)产品编号由技术担当可以按产品编号或图号或者能识别的编号自行决定,其格式不规定,由担当工程师自已确定,但所发放的文件必须要加盖文件管控章并要有清单记录。
5.2.4 第四阶文件编码原则:TCQA -FR001 计10 码第1-2 码公司简称TC;第3-4 码为部门(课室)代码,见附件三第5 码为中杠第6-7 码四阶文件简称FR;第8-10 码文件流水码,由体系统一编号。
5.2.5 外来文件编码原则:WL-QC-2-4-1 (外来文件客户秦川第二份资料共4 页的第一页)第1-2 码表示“外来”中文拼音;第3 码是中杠;第4-5 码表示“客户秦川”中文拼音简称;第 6 码是中杠;第7 码表示此客户来资料的先后顺序流水码;第8 码中杠;第9 码页数;第10 码中杠;第11 码表示页数中第几页。
5.3文件制定、修订、废止:5.3.1 管理手册由体系工程师负责组织编写,管理者代表审核,经总经理级以上批准后交总经办发行担当负责登记发放; 第二、三阶跨单位之文件制定、修订,由主办及相关单位人员或指定之人员以各类文件之标准格式拟案后,依照本程序编号规则进行编号并经体系工程师审核,再依〈文件审核权责表〉送审查及核准单位核准后,以<文件申请单>申请总经办发行实施。
5.3.2 文件修订:原有文件内容中有增加内容若删除内容时都定义为改版修订,修订内容由各相应单位指定专人进行修改,由单位主管审核和核准后,由修改单位填写<文件申请单>,经管理者代表审批后, 交总经办由依<文件申请单>发行。
5.3.3 第一、二、三阶文件版本管控:文件修改按以下版本跳版:A0→A1→A2→A3→A4,修订超过四次后,跳版英文字母如下:B0→B1→B2→B3→B4 ( 如此类推) 。
第四阶文件版本: 版次修订: 在原表单编号后加流水号例如:TCQA-FR00→1TCQA-FR001A0如A1→A2→A3, 以此类推,若一张表单需加附件才是完整的表单,附件编号在正表单后面加A,如TCQA-FR001-1A,0 若有几张附件-1 →-2 →-3 , 以此类推。
5.3.4 对于正在使用中的文件如发现错误需要修改的,可请原制作单位授权人员以手写形式修改,在错误的位置划上二横,如:使用中的文件,不能乱涂,并加签名方可有效. 但手改文件原制作单位应于20 个工作日内申请发行版。
5.3.5 作废文件时需填写<文件申请单>,由管理者代表批准,总经办按<文件分发/ 回收记录表>。
5.3.6 文件销毁依照《记录管理程序》执行。
5.4 文件发行、回收:5.4.1 经核准后之文件与资料,由总经办以E-Mail 知会各单位,正本于总经办留存,电子档公布于:公布栏天成ISO 目录下,体系文件的电子档发行于公布栏天成ISO 目录下,总经办处发行一份纸档,各单位根据本单位需求向总经办提出文件申请。
5.4.2 第四阶表单格式经核准后,原稿由总经办保存并发行一份给原申请单位,使用时由使用单位自行影印或请购印制;如表单发行新版时,依<文件申请单>上说明实施。
5.4.3 各单位临时发行之文件资料需入总经办时,以<文件申请单>申请入总经办,总经办应予以登录,并加盖< 临时文件> 章后依申请单位要求份数分发, 后续如没有正式文件发行,此暂时发行之文件保存一个月后自动废止。
5.4.4 入总经办之文件需跨部门执行时,需请各相关部门会签,同意后方可入总经办;不同意时需写明原因并由申请部门综合各意见进行修改,必要时可开会检讨,直至各相关单位会签同意后方可入总经办。
5.5 文件管理、登录/归档:5.5.1 正式文件有遗失、破损、缺页、字迹模糊或份数不够需补发时,需填写<文件申请单>,送审核管理代表核准后,向总经办申请补发,并缴回旧文件( 遗失免缴) 。
5.5.2 旧版文件或过期失效需作废之文件由总经办DCC收回盖「作废文件」章作废,图档SOP等制造文件予以销毁,各单位和个人都不得保留已失效或过期的文件,所有作废文件的正本由总经办DCC予以保留并标识「参考文件」章;不得作为作业之依据,保留期限三年以内,回收的影印副本销毁。
5.5.3 对外提供给客户、供应商等系统/ 程序/ 细则/ 外来文件,由获知单位或厂方代表填写“文件申请单”在备注栏注明客户或供应商厂名,报中心主任以上核准后从总经办DCC处领取相应份数的相应文件,总经办DCC加盖外来文件章始可带出厂外,但仅限对外使用。
制造类文件申请对外提供时,总经办DCC需将发行的文件登录在<文件分发/ 回收记录表>上由获知单位或厂方代表签收. 改版时由权责单位主动更新。
5.5.4 使用单位不得自行影印正式文件,若有需要须填〈文件申请单〉,向总经办DCC申请增发. 公司内不得使用未加盖“附件四”印章之文件复印件,一经发现,由质量部收回,并追究其责任。
5.5.5 任何人不得在受控文件上乱涂乱画,不得私自外借,确保文件的清晰、整洁和完好。
5.5.6 各单位必须以文件专用档案夹收藏发行文件,以利翻阅查询并设定保管人员负责保管发行文件,总经办DCC不定期对各单位查核保管文件之正确性,全公司之各级主管应负责督导文件之推行。
5.5.7 文件发行盖受控文件章于每页文件空白位置。
5.5.8 「受控文件」、「作废文件」、「临时发行」、「外来文件」的标准格式见附件四。
5.6 特殊作业按以下办理:5.6.1 客户原图作业:5.6.1.1 接获客户图面或客户技术性文件等,须加盖「外来文件」并由开发部审查、开发部主管核准后登录后入总经办DCC.总经办DCC加盖文件管制章在<文件分发/ 回收记录表>上登记后作分发需要的部门(课室),电子档要保存到开发部,技术性文件要保密不可外泄。
5.6.1.2 「客户原图」不可涂改或损毁,并保持其完整性。
5.6.1.3 客户原图如系感热纸传真时,则需拷备管理之。
5.6.2 制造工程图作业:5.6.2.1 接获客户图面后,须加盖「外来文件」并由开发部审查、开发部长核准后入总经办DCC.总经办DCC加盖文件管制章在<文件分发/ 回收记录表>上登记后作分发。
5.6.2.2 「制造工程图」要目表" ♂" 重点管制尺寸及注意事项等列为品质检验之依据,如须增减则依《设计、工程变更管理程序》。
5.6.2.3 总经办DCC需将接收图面建立清单,便于后续查找核对。
5.6.3 传真收发管理:5.6.3.1 收客户图面传真件依5.6.2.1 办理。
5.6.3.2 收到之订单、联络单或其它文件等传真件, 由收文者分发相关单位。
5.6.4 外来文件作业:5.6.4.1 各单位接收到的外部文件,提供电子档给总经办DCC存档,加盖「外来文件」章,并登录于<外来文件一览表>中管理。
5.6.4.2 总经办DCC收到外来文件转PDF档转发给相关单位下,由各责任单位自行更新相应标准及规范。
5.7 电子媒体之控制:5.7.1 文件经发行程序完成后由总经办DCC整理,并建立文件目录以供查询。
5.7.2 文件中之表单,使用前务必确认其与最新版本之内容符合,为使表单正确使用,所有最新版本之表单亦在申请核准后更新目录。
5.7.3 总经办DCC应对公司内部网络上之资料与留存之记录予以定期备份及更新,重点如下: A. 定期备份及更新: 每月一次;B. 不定期备份及更新: 遇有大量文件变更或系统需求者;C.总经办DCC应设定适当之管理权限以预防资料被修改,除非主管授权,原则上各资料之变动权仅开放给资料维持人员,其它人员一律仅能只读。
5.7.4 文件生效( 发布) 同时,总经办DCC应以E-MAIL 或其它内部沟通方式知会各单位,相关人员均有了解之责任。
5.7.5 注意事项: 公司资料属于公司机密文件,任何人员不可私自拷贝带出公司,若有发现按照情节轻重进行处罚,严重者公司进行上诉,请求法律制裁。