6-精装修施工样板确认表(参考模板)
- 格式:doc
- 大小:42.50 KB
- 文档页数:1
精装修装饰验收表格
项目信息
- 项目名称:
- 项目地址:
- 建筑面积:
- 开始日期:
- 完工日期:
验收标准
1. 外墙装饰
- 外墙涂料是否均匀、无刷痕和破损的情况
- 外墙瓷砖是否粘贴牢固、无空鼓、无脱落和划痕的情况- 外墙部件是否完整,如窗户、门等
2. 室内装修
- 地面是否平整、无起伏和空鼓的情况
- 墙面是否平整、无裂缝和涂料剥落的情况
- 天花板是否平整、无裂缝和脱落的情况
- 门窗是否完整,无损坏和漏风的情况
3. 水电安装
- 供水管道和设备是否正常工作
- 排水管道和设备是否正常工作
- 电路和电器设备是否正常工作
- 照明设备是否正常工作
4. 厨房和卫生间装修
- 厨房设备是否正常工作,如灶具、排风设备等
- 卫生间设备是否正常工作,如马桶、浴缸、花洒等- 装修材料是否符合卫生要求
5. 室内装饰
- 楼梯扶手、栏杆是否牢固
- 各种装饰材料是否符合设计要求
验收结果
- 合格
- 不合格
备注
{请输入验收时发现的问题和其他需要备注的事项} 验收人
- 验收人姓名:
- 验收日期:。
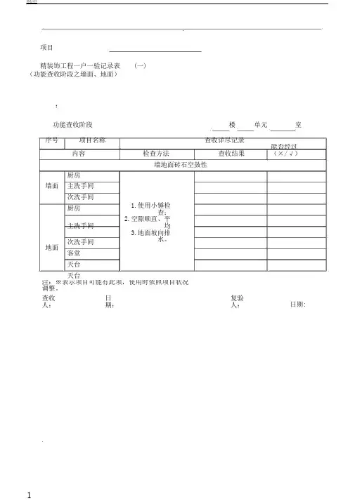
.项目精装饰工程一户一验记录表(一)(功能查收阶段之墙面、地面):功能查收阶段楼单元室序号项目名称查收详尽记录内容检查方法查收结果能否经过(×/√)墙地面砖石空鼓性厨房墙面主洗手间次洗手间厨房 1.使用小锤检查;主洗手间2.空隙顺直、平均次洗手间3.地面坡向排水。
地面客堂天台天台注:※表示项目可能有此项,使用时依照项目状况调整。
查收人:日期:复验人:日期:.精装饰工程一户一验记录表(一)(功能查收阶段之护窗栏杆、铝合金门窗)填表日期:年月日功能查收阶段楼单元室序号项目名称查收详尽记录内容检查方法查收结果能否经过(×/√)护窗、护栏栏杆客堂寝室1坚固性;护窗2顺直性;主寝室栏杆3表观完满性;书斋天台栏杆铝合金窗、门客堂寝室主寝室铝合金门开启顺铝合金畅;锁闭合书斋天台栏杆其余※注:※表示项目可能有此项,使用时依照项目状况调整。
查收人:日期:复验人:日期: .精装饰工程一户一验记录表(一)(功能查收阶段之开关、插座)功能查收阶段序号项目名称内容玄关厨房客堂寝室开关次寝室书斋主卫客卫天台玄关厨房客堂寝室插座次寝室书斋主卫客卫天台填表日期:年月日楼单元室查收详尽记录检查方法查收结果能否经过(×/√)电手动目测检查;开关顺畅:验电器检测;坚固;水平;注:※表示项目可能有此项,使用时依照项目状况调整。
查收人:日期:复验人:日期: .精装饰工程一户一验记录表(一)(功能查收阶段之电器)填表日期:年月日功能查收阶段楼单元室序号项目名称查收详尽记录内容检查方法查收结果能否经过(×/√)电器客堂餐厅1.开启测试风量;空调寝室 2.制冷、制热成效;噪音;主寝室3.冷凝水察看;书斋脱排油烟机档位、照明;噪声手动、察看噪音;(噪声仪)浴霸(暖风主卫开启检查供暖成效机)客卫热水器燃气、电源连结完好目测检查新风档位;噪声开启测试声音能否正常注:※表示项目可能有此项,使用时依照项目状况调整。
发包人:承包人:委托代理人: 委托代理人:
年月日
发包人:承包人:委托代理人: 委托代理人:
年月日
发包人:承包人:委托代理人:委托代理人:
年月日
发包人:承包人:委托代理人:委托代理人:
年月日
注:1。
若变更内容过多,请另附说明:
2.增加项目金额,减少项目金额后应将实付金额在签变更单认可时,将款一次付清。
发包人: 承包人:
委托代理人: 委托代理人:
年月日
发包人:承包人:
委托代理人:委托代理人:
年月日
备注:
(1)从竣工验收之日计算,保修期为年.
(2)本保修单对承包人所施工的项目进行保修.
(3)本保修单对承包人所提供的材料进行保修。
(4)保修期内由于承包人施工不当造成质量问题,乙方无条件地进行维修。
(5)保修期内如属发包人使用不当造成装饰面损坏,或不能正常使用,乙方酌情收费。
(6)保修期内发包人对工程成品任意修整,视为发包人放弃保修权。
(7)本保修单在发包人签字、承包人签章后方可生效。
(8)发包人未支付工程尾款的,承包人不承担保修责任。
发包人:承包人:
委托代理人:委托代理人:
签约日期:20年月日
签约地点:。
各工序验收表格
施工定位放线质量验收记录表(红色字体须填写)
木地板铺设(基层)质量验收记录表
木地板铺设(面层)质量验收记录表
墙(地)砖铺设质量验收记录表
石材铺设质量验收记录表
轻钢隔断(基层)质量验收记录表
轻钢隔断(面层)质量验收记录表
踢脚线制作与安装质量验收记录表
石膏线粘贴质量验收记录表
干挂石材质量验收记录表
干挂石材钢架质量验收记录表
乳胶漆(基层腻子)质量验收记录表
乳胶漆(底漆涂刷)质量验收记录表
乳胶漆(面漆)质量验收记录表
壁纸质量验收记录表
墙面基层质量验收记录表(硬包、镜面、墙板等)
软(硬)包质量验收记录表
橱柜质量验收记录表
给、排水安装质量验收记录表
线管、导线敷设质量验收记录表
防水工程质量验收记录表
防水工程质量(二次)验收记录表
开关、插座、灯具、配电箱安装质量验收记录表
卫浴安装质量验收记录表
室内木门及套线安装的质量验收记录表
抹灰工程质量验收记录表
浴室柜、衣柜、玄关柜质量验收记录表。
自助验房表格(精装房)工具:相位仪(如无可用充电器代替)、空鼓锤、打火机、锤子、卷尺、乒乓球、A4纸、小盆、2节5号电池备注,k规划部门出具的(XXX市建筑匸程规划5&收合格证3・2、雉设主管部门出具的(XXX市建设1:程竣工验收备*证明书》.农上每•项都必须报主管部门备案・如果缺少任何•项的话.这个楼盘还屈于“黑楼”・址不能入住的.3、区级以上质脸站梭发的《厉屋质fit合格证明》.一一必须具备-4、开发商提供的房屋的《住宅历显保证书》——必後取得•要帯走.5、开发商提供的《住宅使用说明书7 —一开发商iW此承担保修资任.必须臥彻・菱帯走.6、房产訝理局或区问宜属测绘队出具的《竣匸实测役7・正兀测绘报告:(XXX市房屋建筑而积测绘报告》・7、卫生防疫部门核发的生活供水系统了用水合格证》・8、公安消防部门HJH的《建筑工程消防轻收送见书3・9、民防部门出具的(XXX市民防工程竣工螫收证书Y •10、质就技术监督部门出具的<XXX市电梯(扶梯)脸收结果通知单》•lk环保部门出具的CXXX市堆设I:程环保骥收合修证》・12、燃气主管部门出具的<XXXT|r燃气工程豔收证书》・13、城建档案部门岀具的《XXX市I:程验收档案认可书》•聆收不合格的处理对戰1、对发现的何邀耍详细在Q楼单卜F以注明.如果确实楓「•不能收楼的.雯详细写明不予收楼的原丙井要求开发商签字.孟童.2、影响厨斥结构安全和设备使用安全的质J9问題・必須约定期限山建设单位负资进行加同补强维修・肖至合格.形响也邻厉屋的安全何越・由建设单位负负处理.3、对于不影响坍屋和设备使用安全的质孙问題・可約定期限山建设单位负责维修.也可采取费用补偿的好法.由樓管单位处理.4、如果发现何遞至少要在收楼文件1:注明“室悄况尚不汹楚”或“楼厉状况未明”等丫样.验房常用I:A:■、lit A: 5m 盒尺、25~33cm 自角尺、50—60c m 丁字尺• Im 宜尺二电曲匸民借两头和三头播头的插排《即带币承灯的播座〉:各种插头(•电视.宽话h万用表:橋发:赛用螺銓刀(“一”字和+字):5号电池2节.测电虧:T«:小锤:三.辅助I:A:镜几于电(2节1号电池)•瓏料袋多个.纸+火柴、卫生纸.逐子.纸+笔验房专用工照(质检站借)JZC・2型垂直检测尺=多功能外岂角检测尺:多功能垂宜校正话:游标進尺:对角检测R:反光曲忡缩杆:水电检测悽<50g):活动响鼓每(25g):钢计小锤(10g)答.验房自备工具1)1只处料洗脸金-用于鮒枚下水管道2)人字体••用干商度的顶恻鲁3) 1只计WJS-ffl干计軀数据4)1把扫幣••用干打扫室卫生5〉】只小発子和一些报纸.垠料带・包装绳一•用干时间长.可休息•下及検先封闭下水管«L6)有显承日期功能的相机(惜闪光灯〉收房陷阱ffipn -s证件不齐要交楼“小一证…炭”不齐全.转别足《建筑L程质fit认定书、9烯地产开发建设项II竣匸综介酚收介格iO・ttti:W为楼盘整体建炊未充成而根本无法鮒收.而为尽快回建资金・发娱商又急于交楼•何趣往往因此而起.对俄:遇到这种情况・购房人可选择不收楼・如果确实被要求收・也菱在HI关文件.如4住户购厉交接发3、0脸厉记录农》等HI关文件中写明"未见CXXXX农》”等字样井妥善保留好相关文件硼本.陪阱二:先签文件后齡楼I:文所述的先脸房后交费、签文件的牧樓程序E牧合理的正帘程用・但簡*大多数采取先交钱境农、签文件.再骏楼的伎俩・目的足让消费冇先签了收楼认可书再骥楼.卿发现何SS时购厉帝后悔己不及・而簡家的上动件更大资任更小.对斎:针对这种陷阱.购房右在定介何时就应该将先酗厉再收楼作为附加条款写在合同里.不鮒厉不收楼.如片初仟同未脊釣定.簡京耍求•定要先笏文件.则可采取变通方法・在毎份文件中注明“厉愴况未右”或“屋情况未明”、或“未验房”等?徉・齡房时如岀现什么悄况.也可灵活处理.陷阱三:微芳战——呵呵.口地通知咱2&29号试假去接房•佔计就址安的这个心.不要上肖!对斎:应对这种伎俩的方法足英被收楼现场的人山人海吓怕.垠好9发展簡另约时间:如没法再釣时间•可果取“人多好的战术. 请來多位老友亲威•起亲临现场・大家分工合作.分头卅队.发现的问題『I然会更多些.一举两紂.陪阱四:灰尘满枳因为这层土•你可能就忽略了好Affifi何国.对熹罚去土或往地面冲水.一方而可冲去泥层・石淸地板皈爪・另-•方面也可测测炮板的水平状态及H冰状况.陷阱五:大事化小无论你在验房时发现了什么问題.陆冋鲨房的人员第一句话总会说:“这没什么.小何趣啦・我K倒时让人整整就可以了. ”还直拍脚口让购厉人放心.不用写进鮒收文件里.换不管瞎同人员如何口舌如賛.如何信書旦.日.如何套交績.你XHSS持原则・只要发现问題・不管大小.都要在相关文件与农格中记录下•來・仙楼盘粮本就没准备於收联记我.则要自备纸虧・将有关何飓•一记录.并写淌自己的慰见.再9发展商交涉.陷阱六:巧立名目的收费嫩納费用按相关规定:除介同注明的煤气、右线电视及宽额网这]项开户费网自交外・兀它收费按相关规定交.不合理的收费不交.1、水电开户费.安装费.佶报箱费:属配盘设施.不网交.2、垃圾自运费.装修押金:按郴关规定单顼交.3、公共设施维护费、水电押金:不介理不应交.4、物业管理费’按相关規定交.从交付使用日计算.。
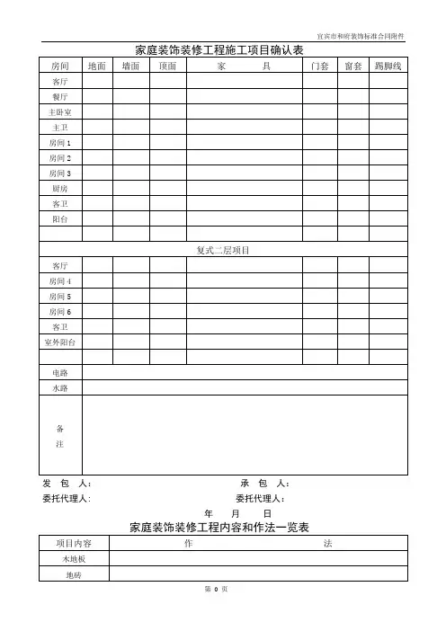
家庭居室装饰装修工程施工项目确认表最新一、项目基本信息1. 项目名称:2. 业主姓名:3. 联系电话:4. 装修地址:5. 预计施工时间:6. 施工面积:7. 装修风格:8. 施工费用预算:二、施工项目确认1. 墙面装饰:- 墙面材料选择:- 墙面颜色:- 墙面贴砖/贴壁纸/刷漆等:- 是否需要装饰画/挂饰等:2. 地面装饰:- 地板材料选择:- 地板颜色/纹理:- 是否需要地毯/地砖等:3. 天花板装饰:- 天花板材料选择:- 天花板颜色/纹理:- 天花板造型设计:- 是否需要吊顶/灯具等:4. 门窗装饰:- 门窗材料选择:- 门窗颜色/款式:- 是否需要防盗门/推拉门等: - 是否需要窗帘/百叶窗等:5. 灯具照明:- 灯具种类选择:- 灯具数量/位置:- 是否需要射灯/吊灯等:- 是否需要灯光调节系统:6. 厨房装修:- 橱柜材料选择:- 水槽/龙头选择:- 是否需要烟机/灶具等:7. 卫生间装修:- 卫生间瓷砖选择:- 卫生间洁具选择:- 淋浴房/浴缸选择:- 是否需要卫浴柜/镜子等:8. 客厅装修:- 客厅家具选择:- 墙面装饰品选择:- 是否需要电视/音响等: - 是否需要壁炉/酒柜等:9. 卧室装修:- 床/床垫选择:- 衣柜/梳妆台选择:- 是否需要书桌/书柜等: - 是否需要空调/风扇等:10. 其他装修项目:- 储物间装修:- 车库装修:- 花园/露台装修:三、施工要求1. 工期要求:2. 施工队伍要求:3. 施工质量要求:4. 施工安全要求:5. 施工噪音/污染控制要求:6. 施工材料/设备要求:四、费用支付方式1. 施工款支付方式:2. 预付款比例:3. 进度款支付比例:4. 完工验收款支付比例:5. 其他费用支付方式:五、项目变更与索赔1. 变更事项:- 变更费用:- 变更时间:- 变更原因:2. 索赔事项:- 索赔内容:- 索赔费用:- 索赔时间:- 索赔原因:六、施工合同与保修1. 施工合同签订时间:2. 施工合同有效期:3. 施工合同解除条款:4. 施工保修期限:5. 施工保修范围:七、其他事项1. 施工进度安排:2. 施工现场管理要求:3. 施工期间停水/停电安排:4. 施工期间业主配合事项:5. 其他特殊要求:以上为家庭居室装饰装修工程施工项目确认表最新的内容,希望能对装修工程的施工过程有所帮助。
项目
精装修工程一户一验记录表(一) (功能验收阶段之墙面、地面)
:
功能验收阶段楼单元室
验收人:日期:复验人:日期:
精装修工程一户一验记录表(一) (功能验收阶段之护窗栏杆、铝合金门窗)
填表日期:年月日
功能验收阶段楼单元室
验收人:日期:复验人:日期:
精装修工程一户一验记录表(一)
(功能验收阶段之开关、插座)
填表日期:年月日
功能验收阶段楼单元室
验收人:日期:复验人:日期:
项目
精装修工程一户一验记录表(一)
(功能验收阶段之电器)
填表日期:年月日
功能验收阶段楼单元室
验收人:日期:复验人:日期:
项目
精装修工程一户一验记录表(一)
(功能验收阶段之木制品门、柜、卫生间五金)
填表日期:年月日
功能验收阶段楼单元室
验收人:日期:复验人:日期:
项目
精装修工程一户一验记录表(一)
(功能验收阶段之上水、排水)
填表日期:年月日
功能验收阶段楼单元室
验收人:日期:复验人:日期:。
精装修施工样板确认表工程名称万科金域华府三、四期23#-25#栋合同名称万科金域华府三、四期23#-25#栋及公共部位合同编号施工单位湖南东方红建设集团有限公司样板施工部位吊顶样板施工时间2012年12 月20日施工样板做法:工艺流程、构造做法、做法说明1、弹线定位,构造做法:按设计要求的主、资助龙骨间距在已弹好的顶棚标高水平线上划龙骨分档线。
2、安装吊杆,构造做法:为保证骨架的稳定,按主龙骨位置及吊杆间距采用Φ8螺纹吊杆,内膨胀螺栓固定。
3、安装主龙骨,构造做法:在主龙骨上安装吊挂件,将主龙骨与吊杆通过吊挂件连接,再根据标高控制线使主龙骨就位。
4、固定中龙骨,构造做法:严格按图纸安装中龙骨,四边龙骨贴墙边,所有卡扣,配件位置要准确牢固。
5、安装罩面板,构造做法:罩面板必须与龙骨连接牢固,平整,缝隙均匀、正确、各种留洞留设正确。
6、细部处理,构造做法:轻钢骨架未做防腐处的表面,在各工序安装前须刷防锈漆,有防腐处理的表面无需刷防锈漆。
做法说明:1、邻墙主龙骨与墙面间距小于等于300mm。
2、沿主龙骨方向吊筋与吊筋间距小于等于1200mm,邻墙吊筋与墙面间距小于等于300mm。
3主龙骨与主龙骨间距小于等于1200mm,邻墙中龙骨与墙面间距小于等于300mm。
4、中龙骨与中龙骨间距小于等于300mm,横撑龙骨在石膏板接缝处设置。
检查重点:□施工样板房采用材料设备品牌、样式与销售样板房和交楼标准一致存在问题:数码照片:综合验收意见□不符合设计与规范要求,需返工整改□符合设计和规范验收要求,无变更,可以大面积展开施工□符合设计图纸,但有变更并由甲方设计部下发书面变更通知□整改/变更意见:验收签认施工单位监理单位万科项目部其它部门注:要求精装修单位进场后需按照交楼标准和交楼样板房施工一套施工样板房,并验收,验收通过后,方可大面积施工;精装修施工样板由监理组织验收,以一套户型为单位。
此样板验收记录和我方的精装修交楼标准一同存档。
室内装饰工程(设计、施工)
验
收
手
册
客户名称:
工程地址:
施工日期:
设计师:
监理:
项目经理:
施工单位:
工程原有状况登记表
施工单位:监表
设计图纸确认签收表
2.甲方必须应乙方要求按时验收材料
3.甲方确认应由甲方本人或委托人亲笔签字(甲方家属签字具有同等法律效力)
电路隐蔽工程施工验收记录单
(暖通、给排水)隐蔽工程施工验收记录单
水路试压情况验收记录单
木工基础结构隐蔽工程施工验收记录单
防水蓄水情况记录
饰面砖及石材(室内)检查记录
安装项目检查记录
工程竣工验收单
整改通知单
工程返修通知单
项目经理:
你所负责的工程(祥见下表),装修项目需返修。
公司通知你自接到本通知三日内前去返修,逾期
回执
工程变更单(增减项单)
客户综合评价表
尊敬的客户:
经过我们的共同努力和您的大力支持和协助,您的家装工程已圆满结束。
客户的意见是我们改善工作和服务的动力,客户满意是检验我们工作的唯一标准。
请您对我们的各项服务提出宝贵的意见,谢谢!。
室内装饰工程(设计、施工)验收手册客户名称:工程地址:施工日期:设计师:监理:项目经理:施工单位:工程原有状况登记表施工单位:监表此表格由监理填写,与合同文本共同存档。
设计图纸确认签收表施工单位:房屋基本结构改造确认表施工单位:房屋基本结构改造验收表施工单位:甲方采购装饰装修材料验收表乙方采购装饰装修材料验收表说明:1.乙方供材料验收时在确认的“□”内打√2.甲方必须应乙方要求按时验收材料3.甲方确认应由甲方本人或委托人亲笔签字(甲方家属签字具有同等法律效力)电路隐蔽工程施工验收记录单备注:(暖通、给排水)隐蔽工程施工验收记录单备注:水路试压情况验收记录单木工基础结构隐蔽工程施工验收记录单备注防水蓄水情况记录备注:饰面砖及石材(室内)检查记录涂刷工艺检查记录备注:安装项目检查记录备注:工程竣工验收单备注:。
整改通知单监表此表格由监理填写,第一联与合同文本共同存档,第二联留施工现场。
工程返修通知单项目经理:你所负责的工程(祥见下表),装修项目需返修。
公司通知你自接到本通知三日内前去返修,逾期每拖延一日,处以人民币500元罚款。
项目经理签收:回执此表格第一联与合同文本共同存档,第二联交由客户保工程变更单(增减项单)施工单位:监表此表格由质监填写,第一联与合同文本共同存档,第二联交由客户保存客户综合评价表尊敬的客户:经过我们的共同努力和您的大力支持和协助,您的家装工程已圆满结束。
客户的意见是我们改善工作和服务的动力,客户满意是检验我们工作的唯一标准。
请您对我们的各项服务提出宝贵的意见,谢谢!备注:。