钢板桩计算书2010520
- 格式:doc
- 大小:905.00 KB
- 文档页数:22
钢板桩围堰计算书(二)目录第一章设计条件 (1)1.1工程概况 (1)1.2设计概况 (1)1.3主要计算依据 (2)1.4荷载计算 (2)1.5 土体参数 (3)1.6材料特性 (4)第二章基坑支护结构受力计算 (4)2.1计算工况 (4)2.2钢板桩计算 (4)2.2. 1 工况一 (4)2.3围橡及支撑 (6)第三章基坑稳定性验算 (9)3.1钢板桩入土深度验算 (9)3.2基坑隆起稳定性计算 (9)3.3基坑渗流稳定性计算 (11)第一章设计条件1.1工程概况主线承台位于陆地上,开挖深度 3. 6m-7.8m,根据基坑开挖深度,拟定3种类型钢板桩围堰。
开挖6m以上,选用18m长钢板桩围堰,2层支撑;开挖5-6% 选用18nl长钢板桩,1层支撑;开挖5m以下,选用12nl长钢板桩,1层支撑。
本计算书验算ZX78# (开挖5.6m)承台围堰受力情况。
78#承台水文资料及设计参数计算,统计如下:(1)钢板桩顶标高:+6.5m(2)钢板桩底标高:_11.5m(3)承台顶标高:+4.5m(4)承台底标高:+0.7m(5)围楝标高:+5.5m(5)承台高度: 3.8m(6)地面标高:+6.2m(7)地下水位:+4.9m1.2设计概况承台尺寸12X12X3. 8m,钢板桩围堰内轮廓尺寸为15. 2X 15. 2m,高12m。
采用拉森一400X 170型钢板桩,承台为一次性浇筑,按照开挖深度设置一道围楝及支撑。
围楝采用2145,斜撑均采用2132。
施工工艺:插打钢板桩并合拢,开挖至第一层围楝标高位置,安装第一道围楝及支撑;开挖至基坑底;浇筑10cme20混凝土垫层;待垫层混凝土达到强度后,进行承台施工。
图1.1钢板桩围堰及内支撑平面图图1.2钢板桩围堰立面图L3主要计算依据(2)、《公路桥涵设计通用规范》(JTG D-60 2004);(3)、《公路桥涵施工技术规范》(JTJ041-2011);(4)、《建筑基坑支护技术规程》(JGJ120-2012);(5)、《钢结构设计标准》(GB 50017-2017);(6)、《土力学》第二版中国建筑工业出版社;(7)、《建筑地基基础设计规范》(GB 50007-2011)(8)、沪杭甬高速详细工程地质勘察报告;(9)、土工试验报告;L4荷载计算1、土压力的计算根据W.J.M 朗金(Ran King)理论可得: 主动土压力计算公式:p a = yh tan 2(45° — 2) — 2ctan(45°-2) = yhK a -2c 区其中,K 〃=tan2(45。
钢板桩支护计算书 The manuscript was revised on the evening of 2021支护计算书一.设计资料该项目的支护结构非主体结构的一部分;开挖深度为<10m;在等于开挖深度的水平距离内无临近建筑物。
故可以认为该坑的安全等级为二级。
重要性系数取γ= 。
地面标高:基础底面标高:开挖深度:地下水位:地面均布荷载:20kN/m2土层:地表层有1m厚的杂填土,其下为均质粉质粘土基坑外侧的粘土都看做饱和粘土;基坑内侧因为排水,看做有深含水量16%的粘土,其下为饱和粘土。
二.选择支护形式由于土质较好,水位较高,开挖深度一般,故选择钢板桩加单层土层锚杆支护。
三.土压力计算1.竖向土压力的计算公式:j mj rk z γσ=o ok q =σ ok rk ajk σσσ+= 基坑外侧:)7.9(193.2037.81938201182020032321-⨯+==⨯+==+⨯==+=h kPa kPakPa i σσσσσσ基坑内侧:)8.1(19''69.308.105.17'0'221-⨯+==⨯==h kPa j σσσσ 2.主动土压力的计算840.0)2545(21=︒-︒=tg K a 916.01=a K 490.0)22045(22=︒-︒=tg K a 700.02=a Kai ik ai ajk ajk K c K e 2-=σkPa e kPa e kPa e a a a 38.9700.0202490.038'75.22916.052840.03863.7916.052840.020221-=⨯⨯-⨯==⨯⨯-⨯==⨯⨯-⨯= 取0'2=a e 主动土压力零点:ml l 0.107.020249.0)1938(==⨯⨯-⨯⨯+kPa e a 62.7170.0202490.03.2033=⨯⨯-⨯=主动土压力示意图3.被动土压力的计算191.1)2545(21=︒+︒=tg K p 091.11=p K 040.2)22045(22=︒+︒=tg K p 428.12=p Kpi ik pi pjk pjk K c K e 2+=σkPae e kPa e p p p 73.119040.28.105.1712.57428.1202121=+⨯⨯==⨯⨯=4.土压力总和开挖面以上只有主动土压力。
钢板桩计算书计算美的一期排水沟槽钢板桩的设计书一、计算依据1.地质:现场砂性土的干溶重为1.5t/m3,饱和溶重为1.4t/m3.2.粘土的密度为2.74t/m,黏性角为3.63°。
3.钢板桩采用德国拉森Ⅳ型,截面模量为2037cm,弯曲允许应力为170MPa。
4.支撑材质为Q235钢,轴向允许应力为160MPa,弯曲允许应力为170MPa,允许剪应力为95MPa。
二、第一种支撑结构情况一在基坑开挖到沟槽设计标高约5.2米时,设一道水平支撑,支撑间距为4m。
1.钢板桩应力计算1) 支撑应力不计水平压力,作用于钢板桩的主动土压力为q主=1.4*9=12.6t/m2,被动土压力为q主=1.4*3.8=5.32t/m2.则E主=1/2*12.6*9=56.7t,E被=1/2*5.32*3.8=10.1t。
因此,E主=1/2*16.8*12.0=100.8t,E被=1/2*10.5*7.5=39.4t。
则ΣX=R-A=46.6t/m,ΣMc=R*A=15.6t。
2) 钢板桩应力假设钢板桩铰接于基坑底面以下3.0m处,L=6.0m,x=0.5774*6.0=3.46m。
则M=1/2*2.10*6.02+0.128*(10.30-2.10)*6.02-2/8*4.2*3.0*4.2*3.0*(3.0*3.46-(3.46-3.0)*23)/(6.03*3.0)=25.28t·m,σ=25.28*102/2037=1.24t/cm2.2.围檩应力计算1) 围檩应力2~3跨按简支梁计算,M2~3=1/2*61.4*3.02=69.08t·m,Q2~3=61.4*3.0*(1/2)=92.1t,N2~3=61.4*2.7*(1/2)=83.18t。
围檩断面为2Ⅰ56C,d=16.5mm,F=2*157.853=315.67cm2,I=1/12*2*15.7853*(2.56/10)^3=1.71*10^-3m4.The article is not XXX n of the article.1.524t/cm2 < [σ] = 1.6t/cm2XXX problematic paragraph。
钢板桩计算书一、设计资料:沟槽开挖深度在2m-4m采用6m拉森Ⅲ型钢板桩,沟槽深度在4m—4.9m之间的采用9m拉森Ⅲ型钢板桩。
设计图如下:(1)桩顶高程:3.5m(2)根据地勘报告可知,沟槽深度在2m—4m之间坑内外土的天然容重平均值r1=19.9kn/m³,内摩擦角平均值ϕ1=19.99°。
沟槽深度在4m—4.9m之间坑内外土的天然容重平均值r=19.6kn/m³,内摩擦角平均值ϕ2=17.35°。
(3)设计资料给出沟槽两边地面荷载q不大于20kn/㎡。
(4)拉森钢板桩采用拉森Ⅲ型钢板桩,钢板桩参数为容许弯曲应力[σw]=2000000kpa,弯曲截面系数Wz=0.002521m³。
二、验算6m钢板桩地面高程:3.5m,基坑底标高0.5m,开挖深度h1=4m1、计算最小入土深度y1是否符合要求。
主动土压力系数Ka1=tan((45°-ϕ1/2)*π/180)^2=0.49被动土压力系数kp1=tan((45°+ϕ1/2)*π/180)^2=2.04坑底距离弯矩为零处的距离为y弯矩为零处主动土压力和被动土压力相等。
r1*(h1+y1)*ka1+q*ka1= r1*y1*kp1求得y1=1.58m6m拉森钢板桩沟槽开挖深度为4m最小入土长度为:开挖深度4 m+入土深度1.58m=5.58m,故采用6m拉森Ⅲ型钢板桩支护满足2~4m 基槽开挖深度的要求。
2、验证钢板桩最大弯矩是否符合施工要求:(1)土最大侧压力Fmax=r1*(h1+y1)*Ka1+q*Ka1=64.21KN(2)土侧向压力产生的最大弯矩值Mmax=Fmax(h1+y1)/2=63.49*5.58/2=179.15KN·m(3)验算钢板桩的强度钢板桩选材为长度6m,厚度13mm的拉森Ⅲ型钢板桩,弯曲截面系数Wz=0.002521m³容许抗拉强【δ】=200000Kpa钢板桩能承受的最大弯矩M=Wz【δ】=504.2KN·m(4)验证土压力产生的侧向最大弯矩值Max≤小于钢板桩能承受的最大弯矩M,钢板桩结构安全稳定。
目录1设计资料 (1)2钢板桩入土深度计算 (1)2.1内力计算 (1)2.2入土深度计算 (2)3钢板桩稳定性检算 (3)3.1管涌检算 (3)3.2基坑底部隆起验算 (4)4围囹检算 (5)4.1工况分析与计算 (5)4.1.1工况一 (5)4.1.2工况二 (6)4.1.3工况三 (7)4.1.4工况四 (8)4.1.5工况五 (9)4.1.6工况七 (11)4.1.7工况八 (12)4.1.8工况九 (13)4.2围囹计算 (14)4.2.1顶层围囹 (15)4.2.2第一层围囹 (16)4.2.3第二层围囹 (17)4.2.4第三层围囹 (17)4.2.5第四层围囹 (18)5对撑和斜撑检算 (19)南淝河特大桥连续梁主墩承台 钢板桩围堰施工计算书1设计资料(1)桩顶高程H1:8.0m ,汛期施工水位:7.0m 。
(2)地面标高H 0:8m ;基坑底标高H3:-1.54m ;开挖深度H :9.54m 。
(3)封底混凝土采用C30混凝土,封底厚度为1m 。
(3)坑内、外土的天然容重加权平均值1r 、2r 均为:18.9KN/m 3;内摩擦角加权平均值 8.18=ϕ;粘聚力C :24KPa 。
(4)地面超载q :按70吨考虑,换算后为10KN/m 2。
(5)钢板桩采用国产拉森钢板桩,选用鞍IV 型(新)(见《施工计算手册》中国建筑工业出版社P290页)钢板桩参数 A=98.70cm 2,W=2043cm 3,[]δ=200Mpa ,桩长18m 。
2钢板桩入土深度计算 2.1内力计算(1)作用在钢板桩上的土压力强度及压力分部见图2.1根据《简明施工计算手册》中国建筑工业出版社,P284页(5-89、5-90)公式得:51.028.1845tg K o o2a =-=)(95.128.1845tg K oo2pi =+=)(钢板桩均布荷载换算土高度0h :m r q h 53.09.18/10/0===(2)支撑层数及间距按等弯矩布置确定各层支撑的间距,则拉森Ⅳ型钢板桩顶部悬臂端的最大允许跨度,根据《简明施工计算手册》中国建筑工业出版社,P284页(5-96)公式得:[]35351.09.182043102006r W 6h ⨯⨯⨯⨯==a K δ=2940mm=2.9mh1=1.11h=1.11*2.9=3.2m h2=0.88h=0.88*2.9=2.6m h3=0.77h=0.77*2.9=2.2m根据施工需要调整支撑布置h1=2.1m ,h2=2.1m ,h3=1.6层数为3层。
钢板桩支护计算书(总5页) -CAL-FENGHAI.-(YICAI)-Conipany One 1■CAL■本页仅作为文档封面,使用请直接删除钢板桩支护计算书以开挖深度米和宽度米为准计算一设计资料1桩顶高程Hi:施工水位H::管道沟2地面标咼Ho:开挖底面标高H3:开挖深度H:3 土的容重加全平均值Y讥m3土浮容重丫' :m3内摩擦角加全平均值①:°4均布荷q: m"5每段基坑开挖长基坑开挖宽b=二外力计算1作用于板桩上的土压力强度及压力分布图k=tg2(45° -4)/2)=tg22) =k P=tg:(45G +<t)/2)=tg=(45+2) =板桩外侧均布荷载换算填土高度h,h=q/r==桩顶以上土压力强度Pa xPa x=r X (h+Ka二X+ X=m2水位土压力强度Pa2Pa:=r X (h+ ) Ka=X4- ) X =m_开挖面土压力强度Pa3Pa3= [r X (h+ ) + (r~rw) +}Ka二[X+ )+ X+] X =m_三确定内支撑层数及间距按等弯距布置确定各层支撑的30#B型钢板桩能承受的最大弯距确定板桩顶悬臂端的最大允许跨度h:弯曲截而系Wn二,折减系数B二采用值W:0=X =容许抗拉强[。
]二由公式。
二M/Wz得:最大弯矩Mo二WzX [ o ]二*m1假定最上层支撐位置与水位同高,则支点处弯矩M'二Pa】* (H r H2) 72+ (Pa2-Pa2) (H厂HJ ‘人二*m〈Mo二*m故,支撑点可设置在水位下。
2根据上式判断可知,最大允许跨度h°由下式计算Mo=P ai ho72+ Y ka (Ht-Hz)2 [h02 (H-H2)/3]/2+ (P 出-Pa J [h。
—(H-H=) ]2 /2+( 丫▼+Y ') [h。
-(H厂HJ ]'/6代入数值得:= Xho2+X ( ) + ( ) 2+ ( ) 3整理得:++ 解方程得:h0=设置至少1道支撑。
钢板桩承台施工方案计算书钢板桩承台施工方案计算书1. 引言钢板桩承台是一种常见的基础结构,用于承受荷载和传递荷载到地基。
本施工方案计算书旨在提供钢板桩承台施工方案的计算过程和结果,以确保项目的安全和稳定性。
2. 施工材料2.1 钢板桩:使用符合国家标准的高质量钢板桩。
2.2 混凝土:使用符合国家标准的高强度混凝土。
2.3 钢筋:使用符合国家标准的钢筋。
3. 计算步骤此处列出了钢板桩承台施工方案的计算步骤:3.1 确定承台的负载要求和地质条件。
3.2 根据负载要求和地质条件计算桩的尺寸和数量。
3.3 计算承台的尺寸和配筋。
3.4 计算钢板桩的承载能力和桩身刚度。
3.5 根据计算结果选择合适的钢板桩型号和参数。
3.6 绘制承台和桩的结构图,并进行材料和构造检查。
4. 计算示例此处提供了一个钢板桩承台施工方案的计算示例:4.1 假设承台的负载要求为1000kN,地质条件为一般黄土。
4.2 根据负载要求和地质条件计算出桩的尺寸和数量,假设每根桩直径为500mm,间距为1m。
4.3 根据桩的数量和尺寸计算承台的尺寸和配筋,假设承台尺寸为4m × 4m,配筋为Φ32钢筋。
4.4 计算钢板桩的承载能力和桩身刚度,假设桩的承载能力为500kN,桩身刚度为1000kNm/度。
4.5 根据计算结果选择合适的钢板桩型号和参数,假设选择Φ600钢板桩。
4.6 绘制承台和桩的结构图,并进行材料和构造检查。
5. 结论钢板桩承台施工方案的计算结果满足负载要求和地质条件,符合安全和稳定的要求。
可以进行后续的施工工作。
以上是钢板桩承台施工方案计算书的一个简要范例,具体计算内容应根据实际工程情况进行。
施工前需进行详细的地质勘察和结构计算,确保施工方案的可行性和安全性。
目录1设计资料2钢板桩入土深度计算2.1内力计算2.2入土深度计算3钢板桩稳定性检算3.1管涌检算3.2基坑底部隆起验算4围囹检算4.1工况分析与计算54.1.1工况一 (5)4.1.2工况二............................64.1.3工况三 (7)4.1.4工况四 (8)4.1.5工况五 (9)4.1.6工况七 (11)4.1.7工况八............................124.1.8工况九 (13)4.2围囹计算 (14)4.2.1顶层围囹 (15)4.2.2第一层围囹.........................164.2.3第二层围囹 (17)424第三层围囹425第四层围囹5对撑和斜撑检算18192河特大桥连续梁主墩承台 钢板桩围堰施工计算书H 0: 8m 基坑底标高 H3: -1.54m ;开挖深度 H 9.54m 。
(3)封底混凝土采用C30混凝土,封底厚度为1m⑶ 坑内、外土的天然容重加权平均值 「1、「2均为:18.9KN/m 3;内摩擦角加权平均值w=18.8;粘聚力C: 24KPa⑷地面超载q :按70吨考虑,换算后为10KN/m 。
(5)钢板桩采用国产拉森钢板桩,选用鞍IV 型(新)(见《施工计算手 册》中国建筑工业出版社 P290页)钢板桩参数 A=98.70cm 1 2, W=2043c r mfe ]=200Mpa 桩长 18m 2钢板桩入土深度计算 2.1内力计算(1)作用在钢板桩上的土压力强度及压力分部见图 2.1中国建筑工业出版社,P284页(5-89、5-90 )公式得:K a =tg 2(45oK p i =tg 2(45) = 0.5121设计资料(1)桩顶咼程 H1: 8.0m ,汛期施工水位: 7.0m。
(2)地面标高 根据《简明施工计算手册》钢板桩均布荷载换算土高度h。
: h。
=q/r =10/18.9 =0.53m2(2)支撑层数及间距按等弯矩布置确定各层支撑的间距,则拉森W型钢板桩顶部悬臂端的最大允许跨度,根据《简明施工计算手册》中国建筑工业出版社,P284页(5-96) 公式得:h =3匡匝=曲亟亟3 =2940mm=2.9mV rK a 1 18.9x0.51hl = l.llh=1.11*2.9=3.2mh2=0.88h=0.88*2.9=2.6mh3=0.77h=0.77*2.9=2.2m根据施工需要调整支撑布置h1=2.1m, h2=2.1m, h3=1.6层数为3层。
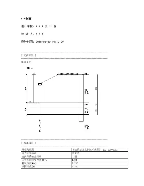
1-1剖面设计单位:X X X 设计院设计人:X X X设计时间:2016-05-30 10:10:09---------------------------------------------------------------------- [ 支护方案 ]---------------------------------------------------------------------- 排桩支护---------------------------------------------------------------------- [ 基本信息 ]---------------------------------------------------------------------- [ 放坡信息 ]---------------------------------------------------------------------- [ 超载信息 ]---------------------------------------------------------------------- [ 附加水平力信息 ]---------------------------------------------------------------------- [ 土层信息 ]---------------------------------------------------------------------- [ 土层参数 ]---------------------------------------------------------------------- [ 土压力模型及系数调整 ]----------------------------------------------------------------------弹性法土压力模型: 经典法土压力模型:---------------------------------------------------------------------- [ 工况信息 ]-------------------------------------------------------------------------------------------------------------------------------------------- [ 设计结果 ]-------------------------------------------------------------------------------------------------------------------------------------------- [ 结构计算 ]---------------------------------------------------------------------- 各工况:内力位移包络图:----------------------------------------------------------------------[ 冠梁选筋结果 ]-------------------------------------------------------------------------------------------------------------------------------------------- [ 截面计算 ]----------------------------------------------------------------------[ 截面验算 ]基坑内侧抗弯验算(不考虑轴力)σnei = Mn / Wx= 251.460/(2200.000*10-6)= 114.300(MPa) < f = 215.000(MPa) 满足基坑外侧抗弯验算(不考虑轴力)σwai = Mw / Wx= 161.036/(2200.000*10-6)= 73.198(MPa) < f = 215.000(MPa) 满足式中:σwai———基坑外侧最大弯矩处的正应力(Mpa);σnei———基坑内侧最大弯矩处的正应力(Mpa);Mw ———基坑外侧最大弯矩设计值(kN.m);Mn ———基坑内侧最大弯矩设计值(kN.m);Wx ———钢材对x轴的净截面模量(m3);f ———钢材的抗弯强度设计值(Mpa);----------------------------------------------------------------------[ 整体稳定验算 ]----------------------------------------------------------------------计算方法:瑞典条分法应力状态:总应力法条分法中的土条宽度: 0.40m滑裂面数据整体稳定安全系数 K s = 1.904圆弧半径(m) R = 12.149圆心坐标X(m) X = -2.113圆心坐标Y(m) Y = 7.764----------------------------------------------------------------------[ 抗倾覆稳定性验算 ]----------------------------------------------------------------------抗倾覆安全系数:p, 对于内支撑支点力由内支撑抗压力决定;对于锚杆或锚索,支点力为锚杆或锚索的锚固力和抗拉力的较小值。
钢板桩计算方法范文钢板桩是常用的基坑支护工程中的一种支护形式,它的特点是施工简便、效率高、重复使用等。
在设计和计算钢板桩时,需要考虑桩体的稳定性、承载力、变形以及桩与土壤的相互作用等因素。
下面将按照设计与计算的步骤,详细介绍钢板桩的计算方法。
一、桩体稳定性的计算方法桩体稳定性主要考虑桩体侧面稳定和桩尖稳定两个方面。
1.桩体侧面稳定计算方法:根据桩体的几何尺寸以及土壤参数,计算桩体在侧面稳定时所需要的抗滑力。
主要计算公式如下:F = 0.5 * γ * H * Σs * As * Sin(α +φ)其中,F为抗滑力,γ为土壤的容重,H为桩的深度,Σs为土壤的表观修正系数,As为桩的侧面积,α为土壤内摩擦角,φ为土壤与桩体之间的摩擦角。
2.桩尖稳定计算方法:桩尖在承受侧向力时需要具备足够的抗推承载力。
桩尖稳定计算主要考虑桩尖的静力平衡,计算方法如下:Fa = q * Ap + 0.5 * γ * H' * Ap * Sinφ其中,Fa为桩尖的抗推力,q为土压力,Ap为桩尖的横截面积,H'为土体高度,φ为土壤与桩体之间的摩擦角。
二、桩体承载力的计算方法桩体承载力的计算是指桩体在承受竖向荷载时所能够抵抗下沉或沉降的能力。
1.挤土桩承载力计算方法:挤土桩的承载力计算主要考虑挤土桩与土壤的拟静力摩擦力和基质土的桩侧土承载力。
主要计算公式如下:Qs = Σ(Ks * Ls * As)+ 0.5 * γ * H' * Ap * cos(φ - α)其中,Qs为挤土桩的承载力,Ks为基质土的桩侧土承载力系数,Ls 为桩体在土中的长度,As为挤土桩的横截面积,γ为土壤的容重,H'为土体高度,Ap为桩尖的横截面积,φ为土壤与桩体之间的摩擦角,α为土壤内摩擦角。
2.挡土墙承载力计算方法:挡土墙的承载力计算主要考虑桩体的弯曲强度和承载力。
主要计算公式如下:Qb=M/Ec+N/Es其中,Qb为挡土墙的承载力,M为挡土墙产生的弯矩,Ec为混凝土弹性模量,N为挡土墙产生的正常力,Es为钢板桩的弹性模量。
钢板桩设计计算书各工况钢板桩埋深及强度计算(根据《深基坑工程设计施工手册》计算) 各土层地质情况:天然容重31/1.17m KN =γ,粘聚力2.91=c ,内摩擦角016.2=ϕ,91.0)245(tan 121=-=ϕa K , 10.1)245(tan 121=+=ϕp K取1米宽钢板桩进行计算,所有设备均在预留平台施工,围堰顶部施工荷载忽略不计。
基坑开挖深度4m ,钢板桩外露1米。
拟选用16米长钢板桩,入土深度11米。
在+3m 位置设置第一道支撑。
围堰采用日本三菱钢板桩FSP-Ⅳ型钢板桩,其技术参数如下:截面尺寸400mm (宽度)×170mm (高度)×15.5mm (厚度),重量为76.1kg/m ,惯性矩为4670cm 4,截面模量362cm 3,板桩墙惯性矩为38600cm 4/m ,截面模量2270cm 3/m ,钢板桩平面布置、板桩类型选择,支撑布置形式,板桩入土深度、基底稳定性设计计算如下:(1)作用于板桩上的土压力强度及压力分布图 基坑底以上土压力强度Pa 1: Pa 1=r*4Ka=17.1×3.5×0.91 =54.5KN/m 2(2)确定内支撑层数及间距按等弯距布置确定各层支撑的间距,h=6[f]wrka3 = 391.0101.17102270350635⨯⨯⨯⨯⨯(简明施工计算手册公式3-28) =313cm=3.13mh :板桩顶部悬臂端的最大允许跨度 [f ]:板桩允许弯曲应力r :板桩墙后的土的重度 k a :主动土压力系数+4h 1=1.11h=1.11×3.13=3.47m (简明施工计算手册 图3-10支撑的等弯矩布置) h 2=0.88 h =0.88×3.13=2.75m (简明施工计算手册 图3-10支撑的等弯矩布置) A 、工况一第一道支撑已施工,开挖至+1m (开挖深度2m ),此时拉森钢板桩为单锚浅埋式钢板桩支护(第一道支撑设在+3.0位置)确定钢板桩埋深查深基坑工程设计施工手册表6.5-2,此时被动土压力放大系数为1.232.12.11==p p K Kt=(3E p -2E a )H/2(E a - E p ) 简明施工计算手册公式3-24 t=7.5m 实际埋深为12米, 计算支撑反力m KN h h h p E aD a /2.7025.95.978.7)(56.152121111=⨯⨯=⨯⨯=⨯=mKNhpEpDp/2.6352.15.75.741.921=⨯⨯⨯=⨯=根据水平力平衡,0=--REEpa得mKNR/67=即支撑反力为67KN/m 钢板桩弯矩113.3KM.m(B点位置)B、工况二第二道支撑已施工,开挖至-0.5m(开挖深度3.5m),此时拉森钢板桩此时拉森钢板桩为多锚式钢板桩支护(第二道支撑设在+1位置)根据盾恩法求桩的入土深度由公式γkaH(hi+t)=γ(Kp-Ka)t2整理得:(Kp-Ka)t2-Hkat-Hkahi=0代入相关数据得:(1.32-0.91)t2-3.5×0.91t-3.5×0.91×1.5=0解得:t=9.09m故要求钢板桩总长度:L=4.5+9.09=13.59m,取L=15m,入土深度10.5米,安全系数为1.17。
钢板桩计算书一、钢板桩的定义和用途钢板桩是一种常用的施工材料,它由厚度适中的钢板制成,用于土方工程中的围护结构。
钢板桩具有轻便、易安装、高强度等特点,在建筑施工中有着广泛的应用。
它可以用于河堤、围护墙、挡土墙等工程的建设和加固。
二、钢板桩的计算原理钢板桩的计算主要依据力学原理和钢材的强度性能进行。
一般来说,钢板桩的计算包括以下几个方面:钢板的稳定性计算、截面尺寸计算、连接方式计算以及施工过程中的变形控制等。
1. 钢板的稳定性计算:钢板桩在承受水平力和竖向力的作用下,需要满足一定的稳定性要求。
通过计算钢板桩的所受力矩、剪力和轴力等,可以确定其稳定性是否满足设计要求。
2. 截面尺寸计算:钢板桩的截面形状和尺寸对其受力性能有着重要的影响。
通过计算钢板桩的抗弯强度和承载力等指标,可以确定其截面尺寸是否满足要求。
3. 连接方式计算:钢板桩之间需要通过连接件进行连接,连接方式的选择和计算对整体结构的稳定性和安全性有着重要的影响。
通过计算连接件的强度和刚度等指标,可以确定连接方式是否满足设计要求。
4. 变形控制计算:钢板桩在施工过程中会受到一定的变形影响,为了保证其稳定性和使用寿命,需要进行变形控制计算。
通过计算和分析钢板桩在施工过程中的变形情况,可以确定控制变形的措施和方法。
三、钢板桩的计算步骤钢板桩的计算一般遵循以下步骤:1. 确定设计要求和受力情况:根据工程要求和具体情况,确定钢板桩的设计要求和受力情况。
2. 选择钢板桩尺寸和型号:根据受力情况和设计要求,选择合适的钢板桩尺寸和型号。
3. 进行稳定性计算:对钢板桩的稳定性进行计算,确定是否满足设计要求。
4. 进行截面尺寸计算:根据受力情况和设计要求,计算钢板桩的截面尺寸,并进行校核。
5. 进行连接方式计算:根据设计要求和连接件的性能,进行连接方式的计算和选择。
6. 进行变形控制计算:对钢板桩在施工过程中的变形进行计算和分析,确定采取的变形控制措施。
钢板桩的计算是工程设计中的重要部分,合理准确的计算可以保证钢板桩的稳定性、安全性和使用寿命。
钢板桩围堰复核计算(混凝土围檩)一、设计依据二、钢板桩围堰结构说明及施工工艺流程简单说明钢板桩采用拉森Ⅳ型钢板桩。
钢板桩设计长度24米,插入河床以下约18米,承台底面以下10.78米。
表3:拉森Ⅳ型钢板桩技术规格施工简单流程1、插打靠近围堰内壁的12根钢护筒,护筒壁厚10mm,长9米,入土深度3米,采用[20a作平联,连成稳定的框架。
2、安装[20a内、外围导向定位架,定位架与钢护筒之间连接牢靠,然后进行钢板桩插打,承台为圆形,钢板桩围堰为圆形,考虑预留1.5m的施工空间,钢板桩围堰内径定为φ23.5m。
3、先插打河上游的第1根钢板桩,余下钢板桩在第1根钢板桩两边插打,逐渐向两边分,将河中的钢板桩全部打完。
4、施工临时防护结构,拆除墩位处河堤。
5、测量放样,继续插打钢板桩围堰直到合拢。
6、安装外围檩对围堰进行加固。
7、堰内分层填土(约40cm一层),每层基本找平后再填上一层,采用透水性好的砂土,一边填土,一边抽水,确保堰内外压力基本平衡。
8、拆除钢平台桥面及纵梁。
9、将岛面填筑成中间比周边高1米的隆起,理顺排水,防止岛面积水,围堰填筑成型后,在填土顶面铺一层渣石以增强其承载能力。
10、进行钻孔施工11、桩基全部施工完成并全部检验合格后,进行承台开挖,大面开挖到标高+1.1m时,安装第一道围檩(0.4×0.4m双室钢箱)。
围檩安装在牛腿上。
第一层内围檩安装完毕后,进行内支撑安装,内支撑与围檩间采用焊接。
内支撑安装完毕,方可进行下层开挖。
12、边开挖边抽水,分层开挖,大面开挖到标高-2.25m时,安装钢筋、模板、焊锚固钢筋、安装塑料隔膜,浇注C40围檩混凝土(1.1×1.1m)。
13、大面开挖到标高-5.021m(6#墩-5.221m)时,安装钢筋、模板、焊锚固钢筋、安装塑料隔膜,浇注C40围檩混凝土(1.1×1.1m)。
14、5#墩大面开挖到标高-7.021m时(6#墩开挖到标高-7.221m),安装模板、钢筋、焊锚固钢筋、安装塑料隔膜,浇注1米高、1米宽C40砼(连续墙第一次浇筑)。
钢板桩围护安全计算书1、计算资料本设计的排水埋管深度在4m,拟采用钢板桩支护。
钢板桩选用30#槽型钢板桩,长度8m,有效入土深度按3.8m 计。
钢板桩采用28#a型槽钢,W=×10-6m3。
围檩采用30号H型钢参数:Wx。
钢板桩支撑采用直径219mm 的钢管支撑,水平间距约3m。
钢管支撑垂直间距。
钢材使用Q235,强度设计值fd=205N/mm2沟槽的安全等级为二级,重要性系数γ=1.0。
2、土压力计算(1)主动土压力计算计算假定:板桩背竖直、光滑,其后地表水平,并无限延伸,不计土与板桩间的摩擦力,采用朗金土压力理论计算。
本排水工程埋管最大埋深以算,并考虑周边有附加荷载如推土机和挖机荷载等影响,取30KN/2m计,即板桩面承受主动土压力,高4.0m和地基附加荷载q=30KN/m2。
附加荷载换算高度1.674m。
按m的加权平均值计算:γ=18.01KN/m;c=9.79;θ=17.50°主动和被动土压力系数分别为:Ka=tan2(45−θ2)=0.538;Kp=tan2(45+θ2)=1.860桩顶地表A点的土压力强度为:p aA=30×0.538−2×9.79×√0.538=1.78KPa 水位处土压力强度为:pa水=(30+1×18.01)×0.538−2×9.79×√0.538=11.47KPa 坑底 B点的土压力强度为:p aB=(30+18.01×1+8.01×3)×0.538−2×9.79×√0.538=24.40KPa 坑底 C点的土压力强度为:p aC=(30+18.01×1+8.01×6.8)×0.538−2×9.79×√0.538=40.77KPa 板桩背承重总主动土压力为:E a1=1.78+11.472×1=6.63KN/mE a2=11.47+24.402×3=53.81KN/mE a3=24.40+40.772×3.8=123.83KN/m计算简图如下:(2)被动土压力计算同样假设板桩背竖直、光滑,地表水平,不计土与板桩间摩擦力,已知条件同计算主动土压力。
钢板桩设计计算书各工况钢板桩埋深及强度计算(根据《深基坑工程设计施工手册》计算) 各土层地质情况:天然容重31/1.17m KN =γ,粘聚力2.91=c ,内摩擦角016.2=ϕ,91.0)245(tan 121=-=ϕa K , 10.1)245(tan 121=+=ϕp K取1米宽钢板桩进行计算,所有设备均在预留平台施工,围堰顶部施工荷载忽略不计。
基坑开挖深度4m ,钢板桩外露1米。
拟选用16米长钢板桩,入土深度11米。
在+3m 位置设置第一道支撑。
围堰采用日本三菱钢板桩FSP-Ⅳ型钢板桩,其技术参数如下:截面尺寸400mm (宽度)×170mm (高度)×15.5mm (厚度),重量为76.1kg/m ,惯性矩为4670cm 4,截面模量362cm 3,板桩墙惯性矩为38600cm 4/m ,截面模量2270cm 3/m ,钢板桩平面布置、板桩类型选择,支撑布置形式,板桩入土深度、基底稳定性设计计算如下:(1)作用于板桩上的土压力强度及压力分布图 基坑底以上土压力强度Pa 1: Pa 1=r*4Ka=17.1×3.5×0.91 =54.5KN/m 2(2)确定内支撑层数及间距按等弯距布置确定各层支撑的间距,h=6[f]wrka3 = 391.0101.17102270350635⨯⨯⨯⨯⨯(简明施工计算手册公式3-28) =313cm=3.13mh :板桩顶部悬臂端的最大允许跨度 [f ]:板桩允许弯曲应力r :板桩墙后的土的重度 k a :主动土压力系数+4h 1=1.11h=1.11×3.13=3.47m (简明施工计算手册 图3-10支撑的等弯矩布置) h 2=0.88 h =0.88×3.13=2.75m (简明施工计算手册 图3-10支撑的等弯矩布置) A 、工况一第一道支撑已施工,开挖至+1m (开挖深度2m ),此时拉森钢板桩为单锚浅埋式钢板桩支护(第一道支撑设在+3.0位置)确定钢板桩埋深查深基坑工程设计施工手册表6.5-2,此时被动土压力放大系数为1.232.12.11==p p K Kt=(3E p -2E a )H/2(E a - E p ) 简明施工计算手册公式3-24 t=7.5m 实际埋深为12米, 计算支撑反力m KN h h h p E aD a /2.7025.95.978.7)(56.152121111=⨯⨯=⨯⨯=⨯=mKNhpEpDp/2.6352.15.75.741.921=⨯⨯⨯=⨯=根据水平力平衡,0=--REEpa得mKNR/67=即支撑反力为67KN/m 钢板桩弯矩113.3KM.m(B点位置)B、工况二第二道支撑已施工,开挖至-0.5m(开挖深度3.5m),此时拉森钢板桩此时拉森钢板桩为多锚式钢板桩支护(第二道支撑设在+1位置)根据盾恩法求桩的入土深度由公式γkaH(hi+t)=γ(Kp-Ka)t2整理得:(Kp-Ka)t2-Hkat-Hkahi=0代入相关数据得:(1.32-0.91)t2-3.5×0.91t-3.5×0.91×1.5=0解得:t=9.09m故要求钢板桩总长度:L=4.5+9.09=13.59m,取L=15m,入土深度10.5米,安全系数为1.17。
钢板桩计算书(2010.5.20)目录1设计资料 (1)2钢板桩入土深度计算 (1)2.1内力计算 (1)2.2入土深度计算 (2)3钢板桩稳定性检算 (3)3.1管涌检算 (4)3.2基坑底部隆起验算 (4)4围囹检算 (5)4.1工况分析与计算 (5)4.1.1工况一 (5)4.1.2工况二 (6)4.1.3工况三 (7)4.1.4工况四 (8)4.1.5工况五 (9)4.1.6工况七 (11)4.1.7工况八 (12)4.1.8工况九 (14)4.2围囹计算 (14)4.2.1顶层围囹 (15)4.2.2第一层围囹 (17)4.2.3第二层围囹 (17)4.2.4第三层围囹 (18)4.2.5第四层围囹 (18)5对撑和斜撑检算 (19)南淝河特大桥连续梁主墩承台钢板桩围堰施工计算书1设计资料(1)桩顶高程H1:8.0m ,汛期施工水位:7.0m 。
(2)地面标高H 0:8m ;基坑底标高H3:-1.54m ;开挖深度H :9.54m 。
(3)封底混凝土采用C30混凝土,封底厚度为1m 。
(3)坑内、外土的天然容重加权平均值1r 、2r 均为:18.9KN/m 3;内摩擦角加权平均值ο8.18=ϕ;粘聚力C :24KPa 。
(4)地面超载q :按70吨考虑,换算后为10KN/m 2。
(5)钢板桩采用国产拉森钢板桩,选用鞍IV 型(新)(见《施工计算手册》中国建筑工业出版社P290页)钢板桩参数 A=98.70cm 2,W=2043cm 3,[]δ=200Mpa ,桩长18m 。
2钢板桩入土深度计算2.1内力计算(1)作用在钢板桩上的土压力强度及压力分部见图2.1根据《简明施工计算手册》中国建筑工业出版社,P284页(5-89、5-90)公式得:51.028.1845tg K oo2a =-=)( 95.128.1845tg K oo2pi =+=)( 钢板桩均布荷载换算土高度0h :m r q h 53.09.18/10/0===(2)支撑层数及间距按等弯矩布置确定各层支撑的间距,则拉森Ⅳ型钢板桩顶部悬臂端的最大允许跨度,根据《简明施工计算手册》中国建筑工业出版社,P284页(5-96)公式得: []35351.09.182043102006r W 6h ⨯⨯⨯⨯==a K δ=2940mm=2.9m h1=1.11h=1.11*2.9=3.2mh2=0.88h=0.88*2.9=2.6mh3=0.77h=0.77*2.9=2.2m根据施工需要调整支撑布置h1=2.1m ,h2=2.1m ,h3=1.6层数为3层。
---------------------------------------------------------------------- [ 支护方案 ]---------------------------------------------------------------------- 排桩支护---------------------------------------------------------------------- [ 基本信息 ]-------------------------------------------------------------------------------------------------------------------------------------------- [ 超载信息 ]-------------------------------------------------------------------------------------------------------------------------------------------- [ 土层信息 ]-------------------------------------------------------------------------------------------------------------------------------------------- [ 土层参数 ]-------------------------------------------------------------------------------------------------------------------------------------------- [ 结构计算 ]---------------------------------------------------------------------- 各工况:内力位移包络图:[ 截面计算 ]---------------------------------------------------------------------- [ 截面参数 ][ 内力取值 ]---------------------------------------------------------------------- [ 整体稳定验算 ]----------------------------------------------------------------------计算方法:瑞典条分法应力状态:总应力法条分法中的土条宽度: 0.40m滑裂面数据整体稳定安全系数 K s = 1.658圆弧半径(m) R = 7.390圆心坐标X(m) X = -1.062圆心坐标Y(m) Y = 4.073---------------------------------------------------------------------- [ 抗倾覆稳定性验算 ]---------------------------------------------------------------------- 抗倾覆安全系数:_M p——被动土压力及支点力对桩底的弯矩, 对于内支撑支点力由内支撑抗压力_ 决定;对于锚杆或锚索,支点力为锚杆或锚索的锚固力和抗拉力的较小值。
目录1设计资料 (1)2钢板桩入土深度计算 (1)2.1内力计算 (1)2.2入土深度计算 (2)3钢板桩稳定性检算 (3)3.1管涌检算 (3)3.2基坑底部隆起验算 (4)4围囹检算 (5)4.1工况分析与计算 (5)4.1.1工况一 (5)4.1.2工况二 (6)4.1.3工况三 (7)4.1.4工况四 (8)4.1.5工况五 (9)4.1.6工况七 (11)4.1.7工况八 (12)4.1.8工况九 (13)4.2围囹计算 (14)4.2.1顶层围囹 (15)4.2.2第一层围囹 (16)4.2.3第二层围囹 (17)4.2.4第三层围囹 (17)4.2.5第四层围囹 (18)5对撑和斜撑检算 (19)南淝河特大桥连续梁主墩承台钢板桩围堰施工计算书1设计资料(1)桩顶高程H1:8.0m ,汛期施工水位:7.0m 。
(2)地面标高H 0:8m ;基坑底标高H3:-1.54m ;开挖深度H :9.54m 。
(3)封底混凝土采用C30混凝土,封底厚度为1m 。
(3)坑内、外土的天然容重加权平均值1r 、2r 均为:18.9KN/m 3;内摩擦角加权平均值 8.18=ϕ;粘聚力C :24KPa 。
(4)地面超载q :按70吨考虑,换算后为10KN/m 2。
(5)钢板桩采用国产拉森钢板桩,选用鞍IV 型(新)(见《施工计算手册》中国建筑工业出版社P290页)钢板桩参数 A=98.70cm 2,W=2043cm 3,[]δ=200Mpa ,桩长18m 。
2钢板桩入土深度计算2.1内力计算(1)作用在钢板桩上的土压力强度及压力分部见图2.1根据《简明施工计算手册》中国建筑工业出版社,P284页(5-89、5-90)公式得:51.028.1845tg K oo2a =-=)( 95.128.1845tg K oo2pi =+=)( 钢板桩均布荷载换算土高度0h :m r q h 53.09.18/10/0===(2)支撑层数及间距按等弯矩布置确定各层支撑的间距,则拉森Ⅳ型钢板桩顶部悬臂端的最大允许跨度,根据《简明施工计算手册》中国建筑工业出版社,P284页(5-96)公式得: []35351.09.182043102006r W 6h ⨯⨯⨯⨯==a K δ=2940mm=2.9m h1=1.11h=1.11*2.9=3.2mh2=0.88h=0.88*2.9=2.6mh3=0.77h=0.77*2.9=2.2m根据施工需要调整支撑布置h1=2.1m ,h2=2.1m ,h3=1.6层数为3层。
受力简图见图2.1图2.1 钢板桩受力简图2.2入土深度计算用盾恩近似法计算钢板桩入土深度主动土压力系数,被动土压力系数从上可知:51.0K a =、95.1K p =图2.2 钢板桩计算简图根据假定作用在钢板桩AB 段上的荷载ABCD ,一半传至A 点上,另一半由坑底土压力EBF 承受,由图2.2所示,几何关系根据《简明施工计算手册》中国建筑工业出版社,P288页(5-99)公式得:0)(2=---HL K Hx K x K K a a a p084.023.951.023.951.0)51.095.1(2=⨯⨯-⨯--x xm x 023.6= 根据入土部分的固定点,被动土压力合力作用点在离坑底x 32处,所以钢板桩最下面一跨的跨度为0.84+4.012=4.852m 处。
故钢板桩的总长度至少为m l 563.15023.654.9=+=,即钢板桩长度为15.563m ,入土深度为6.032m 时能保证桩体本身的稳定性,选用18m 钢板桩,实际入土深度为8.46m 。
3钢板桩稳定性检算3.1管涌检算管涌的原因主要收水的作用影响,计算时考虑有水一侧,基坑抽水后水头差为h1=8.54m ,入土深度h2=x ,最短的渗流途径如图2-1所示为h1+h2×2,不产生管涌的安全条件,根据根据《简明施工计算手册》中国建筑工业出版社,P284页(5-107)公式得:b w r r i K ≤⨯⨯式中K 为安全系数取1.7;水容重取3/10m KN r w =;土的浮容重为3/9.8109.18m KN r b =-=;水力梯度)2(x H H i +÷=;计算得m x 89.3≥时,不会发生管涌。
所需桩长m l 43.1389.354.9=+=选用18m 钢板桩,则入土深度为8.46,反算抗管涌安全系数17.2=K ,不会发生管涌。
3.2基坑底部隆起验算基底抗隆起稳定性分析采用C ,q ,m h 53.9=抗隆验算方法。
根据《基础工程》中国建筑工业出版社P308页(8-30)公式:m x 46.8=、m H 54.9=、2/10m KN q =、 8.18=ϕ、KPa C 24=、安全系数7.1=K )245(2ϕϕπ+=tg e N tg q =5.69 ϕtg N N q c )1(-==13.7810)46.854.9(9.1878.132469.546.89.18)(12++⨯⨯+⨯⨯=+++=qx H r cN xN r K cq s =3.54>1.7 即钢板桩打入深度8.46m ,地基土稳定,不会发生隆起。
4围囹检算4.1工况分析与计算工况分析模型加载力按照主动土压力强度)(21h h r K p a a +=,被动土压力强度rh K p b b =4.1.1工况一参照《简明施工计算手册》中国建筑工业出版社P284,施作桩顶围囹和支撑后,开挖基坑至+4.6m ,即3.4m 深,未安装第一道支撑前,钢板桩为顶部简支的单锚浅埋板,则支撑受力为Ep Ea R a -=。
假定钢板桩所需入土深度为t ,222)4.3(82.451.0)4.3(9.1821)(21t t K t H r E a a +=⨯+⨯⨯=+= 22243.189.1895.12121t t rt K Ep p =⨯⨯⨯== 为使钢板桩保持稳定,在钢板桩顶部力矩应等于零因此最小入土深度)43.18)4.3(82.4(24.3))4.3(82.4243.183()a (2)23(2222t t t t Ep E H E E t a P -+⨯⨯⨯+⨯⨯-⨯=--= m t 81.2=KN E a 879.185)81.24.3(82.42=+⨯=KN Ep 525.14581.243.182=⨯=因此KN E E R p a a 354.40=-=剪力为零的点据支撑点的距离h rK R h rKK a a p +=取K=1.53,h=0.84m 。
MPa M 90.3384.0354.40=⨯=a 20059.1620431090.333MP MPa W M <=⨯==δa R V =a 5.110][08.4107.981035.4023MP f MPa A R a ==⨯⨯==<τ 故此工况下钢板桩能够满足要求。
4.1.2工况二安装好第一道支撑,开挖至标高+2.5,即5.5m 深,第二道支撑没有施作。
此时钢板桩可看作为在桩顶和第一道支撑处简支,基坑以下2m 处固结的连续梁结构。
则建模如下:受力布置图(KN/m )剪力图(KN )弯矩图(KN ·m )计算得钢板桩:KN V 51.88max =、m KN M •=5.88max ,最大支撑反力104.82KN 。
作用在第一层围囹和支撑处。
则此时钢板桩的应力为[]MPa MPa W M 2003.4310102043105.88363==⨯⨯⨯==--δδ< a 5.110][97.8107.981051.8823max MP f MPa A V ==⨯⨯==<τ 故此工况下钢板桩能够满足要求。
4.1.3工况三安装好第二道支撑,继续开挖至标高+0.4m 处,即基坑7.6m 深,此时钢板桩可看作为在桩顶、第一和第二道支撑处简支,在基底以下2m 处固结的连续梁结构,则建模如下:受力布置图(KN/m )剪力图(KN )弯矩图(KN ·m )计算得钢板桩:KN V 84.137max =、m KN M •=45.128max ,最大支撑反力161.45KN 。
作用在第二层围囹和支撑处。
则此时钢板桩的应力为[]MPa MPa W M 2009.62101020431045.128363==⨯⨯⨯==--δδ< a 5.110][97.13107.981084.13723max MP f MPa A V ==⨯⨯==<τ 故此工况下钢板桩能够满足要求。
4.1.4工况四安装好第三道支撑,继续开挖至基坑底,底标高-1.54m 处,即基坑9.54m 深,此时钢板桩可看作为在桩顶、第一道、第二道和第三道支撑处简支,在基底以下2m 处固结的连续梁结构,则建模如下:受力布置图(KN/m )剪力图(KN )弯矩图(KN ·m )计算得钢板桩:KN V 91.175max =、m KN M •=30.153max ,最大支撑反力223.79KN 。
作用在第三层围囹和支撑处。
则此时钢板桩的应力为[]MPa MPa W M 2000.75101020431030.153363==⨯⨯⨯==--δδ< a 5.110][82.17107.981091.17523max MP f MPa A V ==⨯⨯==<τ 故此工况下钢板桩能够满足要求。
4.1.5工况五安装好第四道围囹和支撑,继续开挖至封底混凝土底面,即标高为-2.54m ,此时钢板桩可看做为在桩顶、第一道到第四道支撑处简支,在基底以下2m 处固结的连续梁结构,则建模如下:受力布置图(KN/m )剪力图(KN )弯矩图(KN ·m )计算得钢板桩:KN V 12.168max =、m KN M •=16.126max ,最大支撑反力228.10KN 。
作用在第四层围囹和支撑处。
则此时钢板桩的应力为[]MPa MPa W M 2008.61101020431016.126363==⨯⨯⨯==--δδ< a 5.110][03.17107.981012.16823max MP f MPa A V ==⨯⨯==<τ 故此工况下钢板桩能够满足要求。
4.1.6工况六安装好第四道支撑,清基,灌注封底混凝土,待强度达到设计要求后,封底混凝土作为第一道支撑,拆除第四道支撑和围囹,拆除第三道支撑,围囹保留,此时钢板桩可视为在桩顶、第一道、第二道支撑和第三道围囹处简支,封底混凝土顶固结的连续梁结构,则建模如下:受力布置图(KN/m )剪力图(KN )弯矩图(KN ·m )计算得钢板桩:KN V 10.203max =、m KN M •=67.155max ,第三层最大反力为155.351KN ,作用在第三层围囹处、第二层支撑最大反力160.007KN 作用在第二层围囹和支撑处。