机械制图培训
- 格式:ppt
- 大小:3.64 MB
- 文档页数:4
机械制图基础知识培训一、培训范围主要讲述了机械制图中图纸幅面、比例、字体、图线、剖面符号、图样表达、尺寸标注、简单机械图样画法等的基本要求和规定。
二、培训目的了解机械制图中国家标准的有关规定,掌握识图中的各种注意事项,能够读懂基本的零件图、装配图,以及绘制简单的零件图。
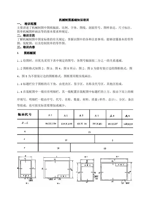
三、培训内容1 图纸幅面1.1绘图时,应优先采用下表中规定的图号,各图号幅面按二分之一的关系递减。
1.2图框格式如图2、图3、图4、图5所示,图2、图3为留有装订边的图框格式,图4、图5为不留装订边的图框格式。
图框要用粗实线画出。
1.3标题栏位于图框的右下角,由更改区、签字区、名称及代号区、其他区组成。
1.4在装配图中一般应有明细栏,其一般配置在装配图中标题栏的上方,按由下而上的顺序填写。
明细栏一般由序号、代号、名称、数量、材料、质量(单件、总计)、分区、备注等组成,也可按实际需要增加或减少。
2 比例2.1制图时所采用的比例为图样中机件要素的线性尺寸与实际机件相应要素的线性尺寸之比,即图形的大小与机件的实际大小之比。
2.2绘制图样应采用下表中规定的比例。
2.3注意:1)绘制同一机件的各个视图应采用相同的比例,并在标题栏的比例一栏中填写。
当某个视图需要采用不同的比例时,必须另行标注。
2)当图纸中孔的直径或板的厚度等于或小于2mm以及斜度和锥度较小时,可不按比例而夸大画出。
3)画图时比列不可随意确定,应按照上表选取,尽量采用1:1的比例画图。
4)图样不论放大或缩小,图样上标注的尺寸均为机件的实际大小,而与采用的比例无关。
3 字体3.1图样中书写的字体应做到:字体端正、笔画清楚、排列整齐、间隔均匀。
汉字应用长仿宋体书写。
3.2字体的号数,即字体的高度(单位为毫米),分为20、14、10、7、5、3.5、2.5七种。
字体的宽度约等于字体高度的三分之二。
3.3用作指数、分数、极限偏差、注脚等的数字及字母,一般采用小一号字体。
4 图线4.1各种图线的名称、型式、代号、宽度以及在图上的一般应用见下表。
机械制图培训
机械制图培训是针对机械设计与制造领域的培训课程,旨
在培养学员掌握机械制图的技能和知识。
机械制图培训的内容通常包括以下几个方面:
1. 机械制图基础知识:介绍机械制图的基本概念、符号、
标准等,让学员对机械制图有一个整体的了解。
2. 技术绘图:学习机械制图的基本技术,包括线条的画法、辅助线的使用、尺寸标注等。
3. 立体视图绘制:学习如何通过平面图绘制立体视图,包
括主视图、俯视图、侧视图等。
4. 零件绘图:学习如何绘制常见的机械零件,包括轴、孔、螺纹等;学习如何进行剖视图和断面图的绘制。
5. 装配图绘制:学习如何通过零件图进行装配图的绘制,
包括零件的位置、配合关系等。
6. 标准零件库应用:学习如何使用标准零件库进行零件的
选择和绘制,提高绘图的效率和准确性。
机械制图培训通常采用理论与实践相结合的方式进行,学
员可以通过课堂讲解、案例分析和实际操作等方式来学习。
为了提高学员的实际应用能力,还可以安排相关的实训项
目或实践活动。
机械制图培训适合机械设计工程师、制造工程师等从事机
械设计与制造工作的人员以及相关专业的学生。
通过机械
制图培训,学员可以提高自己的机械制图能力,为实际工
作和学习提供更好的支持。
机械制图基础知识培训引言:机械制图是机械工程中非常重要的一环,它为工程师提供了一个有效的沟通工具,能够将设计意图传达给制造工厂。
掌握机械制图的基础知识是每个机械工程师必备的技能。
本文将为大家介绍机械制图的基本原理、图纸标准、常用符号以及绘制流程,希望能够帮助大家理解和掌握机械制图基础知识。
一、机械制图的基本原理机械制图是将三维物体的形状、尺寸和位置关系用二维图形表达出来的一种方法。
它能够清晰地展示设计意图,并提供给制造工厂进行生产制造。
机械制图的基本原理包括以下几点:1. 正交投影:机械制图通常使用正交投影方法,将物体分别投影到三个相互垂直的平面上,即主视图、俯视图和左视图。
通过这三个视图,可以直观地了解物体的形状和尺寸。
2. 视图关系:机械制图中的不同视图之间存在一定的关系,主视图是其他视图的基础,其他视图是主视图的投影。
通过多个视图的组合,可以全面地表达物体的形状和尺寸。
3. 尺寸标注:机械制图中的尺寸标注是物体尺寸的重要信息之一。
尺寸标注需准确、清晰,并符合图纸标准要求。
尺寸标注既可以直接标注在视图上,也可以使用尺寸表进行标注。
二、图纸标准为了保证机械制图的统一性和规范性,制定了一系列的图纸标准,如国际标准ISO和国家标准GB。
常用的图纸标准包括以下几种:1. 标题栏:图纸的标题栏应包括图纸名称、图纸编号、图纸比例、图纸尺寸等基本信息。
2. 比例尺:图纸上的比例尺是表示图纸比例的一种方式,如1:1、1:2等。
比例尺可以帮助读者准确地了解图纸上的尺寸。
3. 尺寸标注:图纸上的尺寸标注应符合图纸标准要求,使用规范的尺寸标注符号,并保持清晰可读。
4. 视图布置:图纸上的视图应按照一定的规则进行布置,主视图应放在最显眼的位置,其他视图应按照次序排列。
三、常用符号机械制图中使用了许多常用符号,这些符号可以准确地表示不同的元素和特征。
下面介绍一些常用的机械制图符号:1. 直线和曲线:直线通常用实线表示,曲线通常用虚线表示。