接地网施工大样图
- 格式:dwg
- 大小:72.59 KB
- 文档页数:7
南方电网公司110kV~500kV变电站标准设计第三册接地系统部分第3册接地系统安装模块(G4-DQ-JDXT)示范目标:不同设备的接地方式统一;接地设置规范、可靠、美观。
3.1 质量目标地网埋深符合要求,回填土符合要求,接地网布置符合设计规范。
接地网施工符合标准要求;安装整齐、规格统一,符合规程规范。
3.2 设计要求(1)接地网的埋深一般采用0.8m。
电气设备上部接地引下线材质采用扁铜或多股铜绞线,全站应采用统一材质。
(2)主接地线在经过电缆沟、电缆隧道等都应在其下方绕过,不应断开,不得浇注在混凝土中。
(3)室内有设备的房间设明敷的环形接地线或临时接地端子,沿墙敷设的接地干线离地高度为0.2m,每隔1.5~2m固定一次。
(4)接地线由室外引入或在室内穿墙,过楼板处应用镀锌钢管保护。
(5)室内接地网可由站区接地网、电缆隧道、夹层及电缆沟的接地干线引入,但连接点不得少于两处。
(6)变电站内应敷设独立的二次接地网。
该接地网全网均由截面不小于100mm2的铜排构成,分为室内和室外二次接地网。
二次接地网应满足一下要求:a)沿二次电缆沟道敷设专用铜排,贯穿主控室、继保室至开关场地的就地端子箱、机构箱及保护用组合滤波器等处的所有二次电缆沟,形成室外二接地网。
该接地网在进入室内时,通过截面不小于100mm2的铜缆与室内二次接地网可靠连接,同时在室外场地二次电缆沟内,该接地网各末梢处分别用截面不小于50mm2的铜缆与主接地网可靠连接接地。
开关场地的端子箱内接地铜排应用截面不小于50mm2的铜缆与室外二次接地网连接。
b)在主控室、继电器室屏柜下层的电缆室内,按屏柜布置的方向敷设首末端连接的专用铜排,形成继电器室的二次接地网。
继电器室内的二次接地网经截面不小于100mm2的铜缆在控制室电缆夹层处一点与变电站主地网引下线可靠连接。
c)对于10kV保护下放于10kV高压室的,应在10kV高压室内的二次电缆沟中敷设截面不小于100mm2二次专用接地铜排,其末端在高压室内以截面不小于100mm2铜缆一点与变电站主地网引下线可靠连接,该铜排还应通过截面不小于100mm2铜缆与主控室、继电器室内二次接地网可靠连接,各10kV保护装置应用截面不小于4mm2的铜导线与该铜排可靠连接。
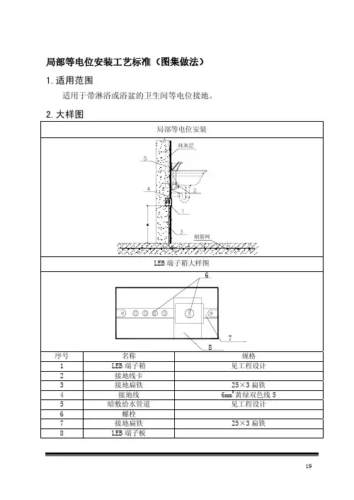
路灯灯杆接地工艺标准(图文+图集做法)
1.适用范围
适用于室外路灯灯杆接地。
2.大样图
3.工艺核心要义叙述
从就近的接地网或者接地极引出一条不小于25*3扁铁,引至路灯灯杆内。
灯柱、整流器、灯具均需单独与接地扁铁接地联结。
16
机电安装工程施工工艺标准----电气
金属立柱及灯具可接近裸露导体接地(PE)或接零(PEN)可靠。
接地线单设干线,干线沿庭院灯布置位置形成环网状,且不少于2处与接地装置引出线连接。
由干线引出支线与金属灯柱及灯具的接地端子连接,且有标识。
(GB50303-2002 21.1.5-3)
17。
监理单位施工单位交底部位交底日期交底人签字接收人签字(二)主要机具1.手动工具:电工组合工具、手锤、钢锯、压力案子、台钳、铁锹、铁镐等。
2.电动工具:电锤、冲击钻、电气焊机具等。
3.测试器具:小线、线坠、卷尺、粉线袋等。
4.其他工具:大绳、绞磨(或倒链)、紧线器等。
四、施工工艺(一)接地装置安装1.自然接地体的安装利用结构地板上层、下层各2根φ≥16相邻钢筋通长可靠焊接连通构成接地网。
横向纵向交叉部位可靠跨接,并在交叉处把上层、下层的接地钢筋网可靠焊接连通。
再将标有防雷引下线的柱内主筋(不少于2根)底部与底板筋接地网搭接焊好,并在室外地面以下将柱内主筋焊好连接板,并将两根主筋用色漆做好标记,便于引出和检查,做好隐蔽检查,填写隐检记录。
2.变电所接地系统监理单位施工单位交底部位交底日期交底人签字接收人签字所有电气装置的金属外壳,基础槽钢两端,电缆进户预埋钢管,配线钢管,电缆桥架,母线的金属外壳等正常情况下不带电的金属器件均应可靠接地;变压器柜的金属轨道采用100*5的热镀锌扁钢与基地网可靠焊接连通,变压器的中性点采用100*5的热镀锌扁钢与接地系统可靠连通;所有配电柜下方四周统长10#槽钢预埋件采用40*4的热镀锌扁钢与基地网可靠焊接连通,高、低压柜的金属外壳与10#槽钢预埋件可靠电气连通;为满足环保部门防电磁辐射要求,变电所、开关站。
柴油发电机房的顶板和四周侧墙内设置10*10mm的钢丝网,并在多处采用40*4热镀锌扁钢与变电所、开关站、柴油发电机房四周的接地装置可靠焊接连通。
3.弱电竖井工作接地弱电井在地下二层焊处一根40*4的扁钢至弱电井专用接地端子箱(箱底距地坪500mm),然后在竖井内沿墙向上明敷一根40*4扁铜,每层再用40*4变通从竖向干线引出至接地专用端子箱,套绝缘套(注:明敷扁铜在穿楼板处预埋PVC50管)监理单位施工单位交底部位交底日期交底人签字接收人签字弱电竖井工作接地4.弱电竖井防静电接地:同弱电竖井工作接地;5.弱电机房专用工作接地在地下三层距基础接地网高500mm处预埋150w*150h*80d的钢盒,钢盒与接地网之间采用40*4的扁钢焊接连通,在钢盒至弱电机房、网络机房及多媒体机房专用接地端子箱(距地面300mm)之间用WDZA-YJY-1*95的电缆穿沿墙暗敷PVC32管可靠连接(螺栓连接)。