光纤收发器说明书
- 格式:doc
- 大小:49.50 KB
- 文档页数:2
光纤收发器使用说明
哎呀,同学们,你们知道什么是光纤收发器吗?哈哈,估计好多人都不清楚呢!今天就让我这个好奇宝宝来给大家讲讲吧!
光纤收发器啊,就像是我们传递消息的小能手。
它的样子呢,方方正正的,有一些小接口和指示灯。
想象一下,我们在学校里给好朋友传纸条,纸条就是信息。
而光纤收发器呢,就像是那个能把我们的纸条又快又准地送到朋友手里的神奇工具。
我们先说怎么把它安装好吧!这就好比搭积木,得一步一步来。
首先,要找到一个合适的地方放它,要干净、干燥,不能有水,也不能有太多灰尘,不然它会“生病”的。
然后,把光纤线插进去,这可不能插错了,就像我们穿鞋子不能穿反一样。
在使用的时候,要注意看那些指示灯哦。
如果绿灯亮了,那就说明一切正常,它正在努力工作呢,就像我们考试考了满分一样开心。
要是红灯亮了,哎呀,那可能就出问题啦,这时候就得赶紧找找原因。
我有一次就碰到红灯亮了,急得我呀,像热锅上的蚂蚁。
我赶紧去问爸爸,爸爸说可能是线没插好。
我重新插了一下,嘿,绿灯亮了,可把我高兴坏了!
妈妈还跟我说,光纤收发器的作用可大了。
就像我们的眼睛能让我们看到美丽的世界一样,它能让我们的网络变得又快又稳,这样我们就能愉快地看动画片、玩游戏、和远方的亲人视频聊天啦!
你们说,这光纤收发器是不是很神奇?反正我觉得它可厉害啦!
我的观点就是:光纤收发器虽然看起来小小的,但是作用大大的,给我们的生活带来了好多便利!。
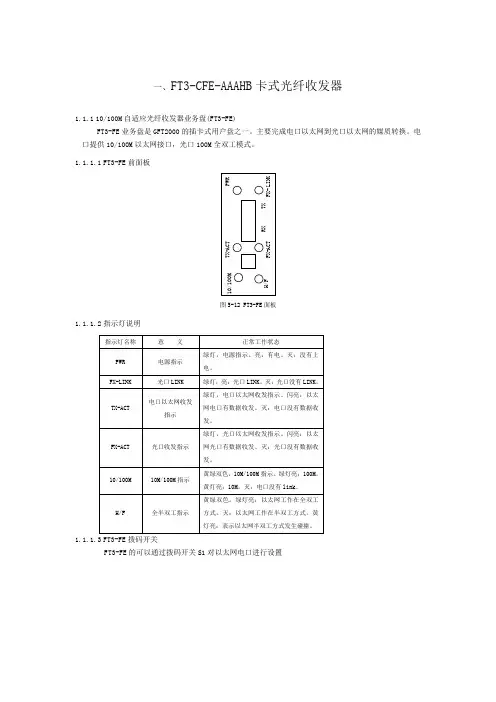
一、FT3-CFE-AAAHB卡式光纤收发器1.1.110/100M自适应光纤收发器业务盘(FT3-FE)FT3-FE业务盘是GFT2000的插卡式用户盘之一。
主要完成电口以太网到光口以太网的媒质转换。
电口提供10/100M以太网接口,光口100M全双工模式。
1.1.1.1FT3-FE前面板图5-12 FT3-FE面板1.1.1.2指示灯说明1.1.1.3FT3-FE拨码开关FT3-FE的可以通过拨码开关S1对以太网电口进行设置图5-13 拨码开关位置拨码开关含义□AutoEn/ AutoDis 拨到OFF时FT3-FE与连接设备通过自动协商确定速率和全半双工,此时开关2,3位无效。
当AutoEn/ AutoDis 拨到ON时通过2,3位开关确定FT3-FE的速率和全半双工。
□Full/Half设置以太网电接口的全双工□100M/10M设置以太网电接口的速率□Soft/ Hard拨到OFF时以太网电接口由网管软件配置,Soft/ Hard拨到ON时以太网电接口由第1-3位拨码开关配置。
注意:对于非网管型的FT3-FE第4位开关无效,以太网电接口的设置由第1-3位拨码开关配置。
拨码开关速查表1.1.1.4光接口安装FT3-FE的光口有双纤双向工作方式和单纤双向工作方式两种不同的光口,其连接方式略有不同。
双纤双向工作时,采用SC方式,其中,TX:光信号输出口;RX: 光信号输入口。
输入输出光纤不能接反,否则设备无常工作。
单纤双向工作时,采用SC直出方式,两端设备均应将光纤连接在标识为“TX”的光接口上,“RX”接口无效。
FT3-FE光接口为SC连接口。
安装时先拧下SC接口上的塑料保护帽,然后按SC接口下标注“TX”和“RX”连接相应的光纤,输入输出光纤不能接反。
光纤接头应保持清洁,否则会引入衰耗,影响设备传输距离。
如果传输光纤接头有污物,可用干净的棉花蘸无水乙醇擦拭。
注:激光对眼睛会造成伤害,安装设备时请不要正视光口和光纤插头。
以太网光纤收发器 以太网光纤收发器机架 说明书(使用前先阅本说明书) 简介:感谢您购买千兆光纤收发器!该千兆光纤收发器支持IEEE802.3Z/AB 1000Base-SX/LX协议,支持全双工或半双工工作模式,自适应直通线与交叉线功能。
本手册适用于1000 Base-T 自适应各型号的光纤收发器,请用户购买时按需要参照以下订购指南选购。
光纤收发器订购指南:型号 规格说明NT-2100 1000M,多模500米NT-2100S-10 1000M,单模0-10公里NT-2100S-20 1000M,单模0-20公里NT-2100S-50 1000M,单模0-50公里NT-2100S-80 1000M,单模0-80公里NT-2100F 卡式铝合金外壳1000M,多模500米NT-2100F-10 卡式铝合金外壳1000M,单模0-10公里NT-2100F-20 卡式铝合金外壳1000M,单模0-20公里NT-2100F-50 卡式铝合金外壳1000M,单模0-50公里NT-2100F-80 卡式铝合金外壳1000M,单模0-80公里NT-2100P 卡式1000M,多模500米NT-2100P-10 卡式1000M,单模0-10公里NT-2100P-20 卡式1000M,单模0-20公里NT-2100P-50 卡式1000M,单模0-50公里NT-2100P-80 卡式1000M,单模0-80公里NT-S2100-10 单纤双向1000M,单模0-10公里NT-S2100-20 单纤双向1000M,单模0-20公里NT-S2100-40 单纤双向1000M,单模0-40公里NT-S2100P10 卡式单纤双向1000M,单模0-10公里NT-S2100P20 卡式单纤双向1000M,单模0-20公里NT-S2100P50 卡式单纤双向1000M,单模0-50公里包装清单在安装收发器前,请确认包装内是否有以下物品。
产品名称: N-net 10/100M自适应以太网光纤收发器N-net 10/100M自适应以太网光纤收发器产品说明:N-net 10/100M自适应以太网光纤收发器概述NT-1100/NT-1100S 10/100M自适应以太网光纤收发器,可以将10/100Base-TX的双绞线电信号和100Base-FX的光信号进行相互转换。
它将网络的传输距离极限从铜线的100米扩展到100公里(单模光纤)。
典型应用是以太网距离互连,例如小区机房与城域网的连接。
由于具有自适应的功能,在与交换机连接时,交换机不需要任何设置。
新增防雷功能,保证了设备的安全性。
外置电源、内置电源可选交流220V、直流-48V 可选N-net 10/100M自适应以太网光纤收发器产品特性:自适应NT-1100/NT-1100S具有10/100M速率自适应,全/半双工自适应功能。
在网络升级时极大保护了原有的网络投资。
大容量缓存独有的缓存技术可以保证您的网络在数据传输及多媒体应用时表现得更为出色,缓存为2M。
N-net 10/100M自适应以太网光纤收发器性能:N-net 10/100M自适应以太网光纤收发器骨干特性符合:10Base-T标准符合:100Base-TX/FX标准符合:标准N-net 10/100M自适应以太网光纤收发器端口传输速率光口:100Mbps电口:10/100Mbps交叉线与直通线自动识别NT-1100/NT-1100S与交换机或服务器等设备相连时,既可以使用交叉线也可以用直通线。
TX LINK/ACT灯亮,表示链路连通正确。
N-net 10/100M自适应以太网光纤收发器双工支持NT-1100/NT-1100S支持全/半双工自适应,10/100M自适应。
N-net 10/100M自适应以太网光纤收发器网络线缆10/100Base-TX UTP 5类线100Base-FX:多模光纤50/125,125或100/140μm单模光纤125,125,9/125或10/125μmN-net 10/100M自适应以太网光纤收发器传输距离10/100Base-TX:100米100Base-FX:2公里(多模),25/40/60/100公里(单模)N-net 10/100M自适应以太网光纤收发器光接口特性:波长:1310nm(25公里、40公里、2公里)1550nm(100公里)1310nm(多模2公里)N-net 10/100M自适应以太网光纤收发器LED显示:PWR:电源指示灯FX LINK/ACT:光链路连接/活动状态指示灯TX LINK/ACT:电链路连接/活动状态指示灯FX100:光口速率指示灯TX100:电口速度指示灯FDX:全、半双工指示灯N-net 10/100M自适应以太网光纤收发器端口配置:1个RJ45 10/100Base-TX端口1个SC/ST 多模/单模双工连接头N-net 10/100M自适应以太网光纤收发器电源要求:外置电源:5VDC 1A功耗:<5W内置电源:220VAC、-48VDC功耗:<5WN-net 10/100M自适应以太网光纤收发器环境要求:工作温度范围:0℃~60℃储存温度范围:-40℃~85℃相对湿度:5%~90%尺寸:电源外置式:26mm×71mm×94mm电源内置式:40mm×110mm×140mm以太网光纤收发器以太网光纤收发器机架说明书(使用前先阅本说明书)目录第一章10/100M光纤收发器说明书.................. 错误!未定义书签。
一、FT3-CFE-AAAHB卡式光纤收发器1.1.110/100M自适应光纤收发器业务盘(FT3-FE)FT3-FE业务盘是GFT2000的插卡式用户盘之一。
主要完成电口以太网到光口以太网的媒质转换。
电口提供10/100M以太网接口,光口100M全双工模式。
1.1.1.1FT3-FE前面板图5-12 FT3-FE面板1.1.1.2指示灯说明1.1.1.3FT3-FE拨码开关FT3-FE的可以通过拨码开关S1对以太网电口进行设置图5-13 拨码开关位置拨码开关含义□AutoEn/ AutoDis 拨到OFF时FT3-FE与连接设备通过自动协商确定速率和全半双工,此时开关2,3位无效。
当AutoEn/ AutoDis 拨到ON时通过2,3位开关确定FT3-FE的速率和全半双工。
□Full/Half设置以太网电接口的全双工□100M/10M设置以太网电接口的速率□Soft/ Hard拨到OFF时以太网电接口由网管软件配置,Soft/ Hard拨到ON时以太网电接口由第1-3位拨码开关配置。
注意:对于非网管型的FT3-FE第4位开关无效,以太网电接口的设置由第1-3位拨码开关配置。
拨码开关速查表1.1.1.4光接口安装FT3-FE的光口有双纤双向工作方式和单纤双向工作方式两种不同的光口,其连接方式略有不同。
双纤双向工作时,采用SC方式,其中,TX:光信号输出口;RX: 光信号输入口。
输入输出光纤不能接反,否则设备无法正常工作。
单纤双向工作时,采用SC直出方式,两端设备均应将光纤连接在标识为“TX”的光接口上,“RX”接口无效。
FT3-FE光接口为SC连接口。
安装时先拧下SC接口上的塑料保护帽,然后按SC接口下标注“TX”和“RX”连接相应的光纤,输入输出光纤不能接反。
光纤接头应保持清洁,否则会引入衰耗,影响设备传输距离。
如果传输光纤接头有污物,可用干净的棉花蘸无水乙醇擦拭。
注:激光对眼睛会造成伤害,安装设备时请不要正视光口和光纤插头。
光纤收发器说明-回复关于光纤收发器的说明。
第一部分:光纤收发器的基本概念和原理(300-400字)光纤收发器是一种用于光传输的设备,它将光信号转换为电信号或者将电信号转换为光信号,以实现光纤之间的高速数据传输。
在光纤通信中,光纤收发器扮演着至关重要的角色,它能够在光纤之间建立起可靠的通信链路。
光纤收发器主要由光电转换器和电光转换器两部分组成。
光电转换器负责将光信号转换为电信号,它内部包含一个光电二极管或光电二极管阵列,当光信号照射到光电二极管上时,会产生电流。
电光转换器则负责将电信号转换为光信号,它内部包含一个激光器或发光二极管,当电信号输入到激光器或发光二极管中时,会产生一束可见光或红外光。
当光纤收发器用于光通信时,它首先将光信号转换为电信号,并经过调制和放大处理后,将电信号送入光纤中进行传输。
接收端的光纤收发器则将光信号转换为电信号,并经过解调和放大处理后,将信号发送到接收设备中。
当光纤收发器用于光网络时,它的工作原理与光通信类似,但通常需要更高的速度和更大的传输距离。
第二部分:光纤收发器的类型和应用领域(500-600字)根据应用场景和性能要求的不同,光纤收发器可以分为多种类型。
最常见的类型包括单模光纤收发器和多模光纤收发器。
单模光纤收发器适用于长距离高速传输,其工作波长通常为1310nm或1550nm,而多模光纤收发器适用于短距离传输,其工作波长通常为850nm或1300nm。
根据接口类型的不同,光纤收发器可以分为SC、FC、ST、LC等不同接口。
此外,还有一些特殊的光纤收发器,如BIDI收发器(单向收发器)、CWDM 收发器(波分复用收发器)等。
这些特殊的收发器在特定的应用场景中具有一定的优势。
光纤收发器的应用领域非常广泛。
在传统的有线通信系统中,光纤收发器被广泛应用于光纤通信、数据中心互联、光纤广播电视等领域,以提供高速、高质量的数据传输服务。
光纤收发器还被广泛应用于光网络、光传感、医疗设备、工业控制等领域,以满足不同领域的需求。
FOL-1系列光纤转换器说明书南京融瑞科技有限公司二○○九年八月*本说明书可能修改,请注意最新版本目录FOL-1M(S)光纤收发器 (1)一﹑总体说明 (1)1、一般介绍 (1)2、主要特点 (1)3、技术参数 (1)4、工作规格 (2)二﹑应用说明 (2)三﹑使用说明 (5)1、外观 (5)2、外部接线 (6)四、注意事项 (6)五、外形尺寸 (7)FOL-1N光纤网络转换器 (8)一、概述 (8)1、一般介绍 (8)2、主要参数和特点 (8)3、工作规格 (8)二、使用说明 (8)三、注意事项 (10)四、外形尺寸 (11)FOL-1M(S)光纤收发器一﹑总体说明1、一般介绍FOL-1M(S)光纤收发器由光信号的发送器、接收器以及电信号的转发、接口电路等单元构成,能借助光纤信道传送同步/异步串行数据,传输速率自动适应,无需调节。
FOL-1M(S)光纤收发器选用与光纤耦合效率较高的光发送器和动态范围较宽的光接收器,其它元件选用工业级器件。
为适应不同的数据终端使用,有多种数据接口可供用户选配,所有的输入、输出信号通过标准接插件和数据终端连接,采用输入、输出隔离的交/直流电源供电。
整机为卡式结构,可方便的安装在端子槽上。
FOL-1M(S)光纤收发器与光纤信道适配,可以组成点对点通信网,也可组成一点对多点环行通信网,具有强抗干扰,低误码率、速率高、功耗低、抗衰变、结构紧凑、操作简便等优点,特别适合站内通信系统和配网自动化系统使用。
经过多年的现场应用,FOL-1M(S)光纤收发器安装方便、接线牢固、性能可靠、运行稳定,完全满足用户的使用要求。
2、主要特点•异步寻址方式•可组成光纤环网通信,并能现场设定主站、从站•从站具有转发功能•FOL-1M(S)光纤单环路收发器可全双工/半双工方式工作•导轨安装3、技术参数光纤接口◆物理接口:单模FC型多模ST型◆工作模式及波长:单模 1.31um多模0.85um◆发射功率:单模-15~-8dBm多模-15dBm(30uw)◆接收灵敏度:单模-38~-35dBm多模-33dBm(0.5uw)◆光损耗:单模0.5dBm/Km多模 3.5 dBm/Km◆传输距离:单模≥20Km多模≥5km串行接口◆物理接口:phoenix端子◆符合标准:RS-485或RS-232,二选一◆传输速率:300~64000bit/s自适应◆误码率:优于10-54、工作规格供电电源交流85~265V,直流100~370V环境条件温度-40~+85℃相对湿度90%外型尺寸162X84.5X47.5mm二﹑应用说明与其它通信系统比较,由于光信号不受外界电磁干扰的影响,雷击、事故、开关冲击等对光纤系统无任何干扰,用光缆取代电缆可以大幅度降低噪声对蓄电池的干扰。
RS203千兆系列工业级光纤收发器使用说明书事先未征得深圳市源拓光电技术有限公司(以下简称源拓光电)的书面同意,任何人不得以任何方式拷贝或复制本文档中的任何内容。
源拓光电不做与本文档相关的任何保证,不做商业性、质量或特定用途适用性的任何隐含保证。
本文档中的信息随时可能变更,而不另行通知。
源拓光电保留对本出版物做修订而不通知任何个人或团体此类变更的权利。
深圳市源拓光电技术有限公司地址:深圳市宝安区石岩街道石龙仔社区森海诺科创大厦12楼网址:电话:+86-755-26641737传真:+86-755-26640197第1章产品介绍包装清单打开包装之后,请检查以下设备和附件,如有缺失,请与我们联系。
1.1.产品概述RS203千兆系列是针对风电,配网,交通,石油石化等工业领域需求而开发的导轨型工业级光纤收发器。
产品具有高速的包转发能力以及充裕的背板带宽,保证图像清晰,流畅的传输。
抗强振动的卡轨座,-40℃~+85℃极端环境温度适应能力及良好的EMC电磁兼容性能,使该系列产品具备在恶劣工业环境下稳定可靠工作的能力。
详细的机型配置表如下:机型配置表1.2.产品特点主要端口:提供千兆光口和千兆电口,电口支持10/100/1000Mbps自适应;电源特性:DC9-60V AC110-240V支持双电源输入,防反接保护功能;传输距离:电口0-100米;光口20km符合标准:IEEE802.3,IEEE802.3u,IEEE802.3z标准;安防抗扰:出色的防雷、防静电和抗电磁干扰能力,支持1路继电器告警输出;外观结构:IP40等级防护,高强度铝壳,DIN卡轨式安装,无风扇,低功耗设计;1.3.典型应用1.4.设备面板图正面板背面板和侧面板1:冗余电源输入端子和一组继电器端子2:DIN卡轨安装位置1.5.规格参数1.6.LED指示灯LED指示状态说明PWR 亮电源PWR连接运行正常灭电源PWR未连接或运行不正常L/A亮端口已建立有效的网络连接闪烁端口处于网络运行状态灭端口未建立有效的网络连接SPD10M/100/1000M 亮1000M工作模式(1000Base-T)灭10/100M工作模式第2章安装2.1.注意事项●在放置收发器时请注意稳定性,跌落将造成严重后果。
10/100M、10/100/1000M可远端管理型以太网光纤收发器用户使用手册安全注意事项在安装和使用本设备之前,请仔细阅读以下事项,我公司不对任何由于违反安全事项造成的损失承担责任。
光电转换器输出为不可见激光辐射,光口发射的激光可能对人眼造成一定的损害,任何时候不要向光口望去,不使用光口时,请插入光模块堵头。
光电转换器为集成化设备,内含精密器件,为避免严重冲击对其构成损害,请避免剧烈振动和碰撞,请自行拆卸或维修,在我公司技术人员同意和指导下需要拆卸或维修时,必须按照防静电程序进行操作。
为保护设备的安全与运行稳定性,在使用本设备时须提供良好的接地保护。
请勿擅自拆卸光电转换器,否则将可能造成不可恢复的损失。
我公司将擅自拆卸设备为自动放弃保修权力。
目录第一章 网管系统功能介绍--------------------------------------------------------------------1第二章 网管型光纤收发器硬件使用说明--------------------------------------------------2 一.网管卡使用说明------------------------------------------------------------------------2二.级联卡使用说明------------------------------------------------------------------------3三. 10M/100M光纤收发器卡使用说明-------------------------------------------------4四. 10M/100M/1000M光纤收发器卡使用说明---------------------------------------5五.网管机架使用说明---------------------------------------------------------------------6六.技术参数---------------------------------------------------------------------------------7第三章 网管型光纤收发器软件使用说明--------------------------------------------------8 一硬件平台及软件环境-------------------------------------------------------------------8二 安装管理软件---------------------------------------------------8三SNMP管理软件的使用说明----------------------------------------------------------11四WEB管理软件的使用说明-----------------------------------------------------------19五FTP使用说明 --------------------------------------------------------------------------22六CONSOLE使用说明 ------------------------------------------------------------------24第四章常见故障解答 --------------------------------------------------------------------------25第一章网管系统功能介绍10/100M、10/100/1000M可远端管理型光纤收发器是款高可靠、低成本的以太网传输媒体转换器,其作用是高效率地实现10M、100M、1000M以太网电口和光口之间的转换。
光纤收发器机架使用说明一.产品简介本机架系光纤收发器配套产品,共有三款:14槽机架、16槽插卡式机架和17槽插卡式机架。
14槽机架可将整台外置收发器带铁壳一起插入使用,一台机架最多可插14台收发器,而16槽机架和17槽机架需用配套的卡式收发器插入使用,可分别对应插入16块收发器卡;17槽机架可用于带网管的收发器机架,其中1个插槽用于安装网管卡。
图1 17槽卡式机架面板图本机架用来对多台光纤收发器集中供电,从而减少了连接线,简化了结构;具有工作稳定、适应电源电压范围大、供电容量大、操作方面、便于管理、易于维护等显著优点,适用于要求高可靠性、高容量、高集成度及高性能的工作环境。
本机架支持热插拔,可先用单电源或双电源供电方式,供电电压AC220V或DC48V可选,对机架电源进行维护和更换时不需要拔出光纤收发器,也不需要从机柜中拆下本机架,维护极为方便快捷,能为光纤网络系统提供高可靠性、高效率、易操作、易维护、经济实用的光纤网络中心解决方案。
用户在使用本机架前请仔细阅读本说明书,按照安装步骤作使用,以免对机架和收发器造成损害。
二.安装步骤1. 开箱后按装箱单清点机架和配件。
2. 将机架装入19"标准机柜固定。
3. 对14槽机架:将外置光纤收发器外壳靠RJ45插座这一边的侧面二颗固定螺丝拧下,将随机所附的小固定条用螺丝固定在收发器侧面,大头螺丝向前面。
将收发器后面的电源插座对准机架内插头板的插头,将收发器插入机架,完全插入后,将固定条上的大头螺丝拧紧在机架上。
然后依次将要装入机架的收发器按同样方法装好,将空余的插槽前面用挡板挡住。
然后进行第5步。
4. 对16槽机架:将配套的收发器卡插入选定槽的导轨,大头螺丝向上,待收发器板的金手指完全插入机架插座板的插座后,拧紧大头螺丝。
然后依次将要装入机架的收发器板按同样的方法装好,将空余的插槽前面用挡板挡住。
然后进行第5步。
5. 双绞线和光纤插入收发器前面机应的插座,然后将机架背面电源插座的AC(或DC)电源线插入接好,再开通机架电源上的电源开关,此时机架电源上的绿色指示灯亮,(14槽机架电源指示灯在背面,16槽机架电源指示灯前、后都有)。
理智兴华光纤收发器使用说明一、光纤收发器简介光纤收发器是一种将短距离的双绞线电信号和长距离的光信号进行互换的以太网传输媒体转换单元,在很多地方也被称之为光电转换器。
产品一般应用在以太网电缆无法覆盖、必须使用光纤来延长传输距离的实际网络环境中,且通常定位于宽带城域网的接入层应用;同时在帮助把光纤最后一公里线路连接到城域网和更外层的网络上也发挥了巨大的作用。
企业在进行信息化基础建设时,通常更多地关注路由器、交换机乃至网卡等用于节点数据交换的网络设备,却往往忽略介质转换这种非网络核心必不可少的设备。
特别是在一些要求信息化程度高、数据流量较大的政府机构和企业,网络建设时需要直接上连到以光纤为传输介质的骨干网,而企业内部局域网的传输介质一般为铜线,确保数据包在不同网络间顺畅传输的介质转换设备成为必需品。
二、光纤收发器使用方法由于我们常使用的网线(双绞线)的最大传输距离有很大的局限性,一般双绞线的最大传输距离为100米。
因此,当我们在布置较大的网络的时候,不得不使用中继设备。
当然,使用其他的种类的线路来传输。
光纤就是一种很好的选择,光纤的传输距离很远,一般来说单模光纤的传输距离在10千米以上,而多模光纤的传输距离最高也能达到2千米。
在使用光纤的时候,我们会经常使用到光纤收发器:要想知道光纤收发器怎么用,就要先知道光纤收发器有什么作用。
简单的来说,光纤收发器的作用就是光信号和电信号之间的相互转换。
从光口输入光信号,从电口(常见的RJ45水晶头接口)输出电信号,反之亦然。
其过程大概为:把电信号转换为光信号,通过光纤传送出去,在另一端再把光信号转化为电信号,再接入路由器、交换机等等设备。
因此,光纤收发器一般都是成对使用的。
比如,运营商(电信、移动、联通)的机房里面的光纤收发器(可能是其他的设备)和你家的光纤收发器。
如果你想用光纤收发器组建自己的局域网,那必须要成对使用。
一般光纤收发器和一般的交换机一样,通了电,插上就能用,不需要做什么配置。
双纤双向1000M光纤收发器说明书一、概述天津三格电子的FT1100GE 10/100/1000自适应以太网光纤收发器针对在5类线电缆的传输距离和覆盖范围方面已不能适应实际网络环境的需要,能让您的以太网络突破传统的局限,使传输距离不再受100米的限制。
能够实现10/100/1000双绞线与1000Base-SX/LX光缆之间数据通讯,不仅可以延长传输距离,而且还具有隔离保护、数据保密性好、工作稳定、易于维护等诸多优点。
由于具有自适应的功能,在与交换机连接时,交换机不需要任何设置。
本公司设计的收发器采用进口原装芯片,高质量光模块,性能稳定可靠。
二、规格与特性标准:IEEE802.3AB/Z,IEEE802.3u IEEE802.3x IEEE802.1Q 100Base-TX,1000Base-TX1000Base-SX 1000Base-LX。
接口:电口,RJ45 ;光口,SC。
传输速率:光口1.25Gbps;电口10/100/1000Mbps自适应。
通信方式、距离:全双工/ 半双工,30km网线:五类双绞线。
光纤:SC口,单模,双纤,1310nm。
电源:直流5V,1A。
环境温度:-10---60℃MB:130其二二零8083存储温度、湿度:-20---50℃,5%---90%湿度:体积:长120mm 宽85mm 高25mm三、安装方法1、连接光纤,光纤需要交叉连接,收发器A的RX接收发器B的TX,收发器A的TX接收发器B的RX。
2、接网线,网线可以是直连型,也可以是交叉型,电口可以自适应两种网线。
3、上电。
四、LED指示灯1000:表示电口速率,灯亮为1000Mbps连接成功,灯闪烁为数据传输;100:表示电口速率,灯亮为10/100Mbps连接成功,灯闪烁为数据传输;FDX:亮为双工,灭为半双工,闪烁为半双且有数据冲突。
FX:灯亮表示光口连接成功,灯灭表示连接失败;闪烁表示正在连接或者有数据正在传输。
双纤双向光纤收发器使用说明中性10/100M 多模系列中性10/100M 单模系列一.概述双纤双向光纤收发器是用来将以太网的电信号转换成光信号的光电信号转换器,它的特点是用一对(芯)光纤就可以同步进行光信号的发送和接收,由于信号是以光脉冲的形式在光千种传输信号所以其相对于铜导线有许多又优点:安全性,可靠性,传输速度,传输距离都非常适用于局域网,城域网组网。
中性10/100M多模系列和中性10/100M单模系列是10/100M自适应双纤双向光纤收发器,它完全符合IEEE802.3, IEEE802.3u,10BaseT,100BaseTX, 100Base-FX标准。
并已通过了信息产业部电信设备进网测试中性10/100M多模系列是多模百兆双纤收发器;中性10/100M单模系列是单模百兆双纤收发器。
双纤双向收发器有1个RJ45接口和1个SC单芯接口,分别用来连接双绞线和光纤。
单纤收发器有6个LED指示灯:POWER、TX100、FX100、FX Link/Act、TX Link/Act、Fdx。
二.规格与特性说明△:符合 IEEE 802.3 IEEE 802.3u IEEE 802.3X IEEE802.1Q 100BASE-TX,100BASE-TX, 100Base-FX 标准△:支持TCP/IP、PPPOE、DHCP、ICMP、NAT协议△:流控方式:全双工采用IEEE 802.3X,半双工采用Backpressure标准△:电端口支持自动协商功能,自动调整传输方式和传输速度△:端口支持Auto-MDI/MDIX自动翻转△:支持存储转发模式△:支持电口的10M,100M模式或自适应模式的切换△:提供状态指示灯,外置电源(输出5V~50HZ 1A)△:接口: 电气口: RJ45 光纤口: SC△:双绞线: 超5类,6类△:多模光纤: 50/125,62.5/125µm△:单模光纤: 8/125,8.3/125, 9/125µm△:工作温度: 0 ~ 50℃△:存储温度: -20 ~ 70℃△:湿度: 5% ~ 90%△:体积:电源外置式:26×70×94mm(高×宽×长)电源内置式:30×110×140mm(高×宽×长)三.安装和初始化请按以下步骤安装单纤双向光纤收发器:a)将光纤跳线或尾纤从同一对光纤两端的光纤终端盒分别连接到远端收发器的SC口。
四口10/100M光纤收发器用户手册○Z感谢阁下购买本公司产品,在使用之前请详细阅读本用户手册。
注意本手册任何部分不得复印,翻制或以任何形式在网络中发送,除非得到本公司的书面许可。
本公司有权随时更改产品性能及本手册说明而不事先通知客户。
本手册所提及的商标所有权由各商标持有人所有。
对于以任何形式修改产品及本手册说明而造成的产品功能不能实现,本公司将不负任何责任。
本公司对由合法渠道(包括授权代理)取得产品的用户提供壹年有限质保,但不包括由于操作不当,错误连接和其它人为损坏及自然灾害造成的产品损坏及人员伤害。
在质保期内由于产品本身质量而造成不能正常使用的,本公司负责回收换新。
回收的产品归本公司所有。
目录第一章概述1.1、产品概述1.2、性能特征1.3、外形尺寸1.4、电源与功率1.5、环境要求第二章开箱与安装2.1、开箱检查2.2、电源及连接2.3、安装与使用第三章机型说明3.1、发送(TV)机信号指示灯与功能接口定义3.2、接收(RV)机信号指示灯与功能接口定义3.3、机架插卡型接收机第四章典型应用第五章问题解答5.1、上电自检5.2、状态诊断5.3、故障及处理第一章概述1.1、产品概述四口10/100M光纤收发器是采用全数字无压缩技术,进行以太网传输的光通信设备。
本设备可将4路以太网等复用在同一光纤上传输。
可根据用户的实际需要进行配置,灵活实现各种组网方案,大大降低了组网成本,有效的保护了用户投资。
四口10/100M光纤收发器广泛适用于安防监控、高速公路、电子警察、自动化智能小区、海关、电力、水利、石油、化工等诸多领域。
接口功能快速浏览请见第三章。
四口10/100M光纤收发器分发送机与接收机2个系列,每个系列又各有1-4路以太网形成各种不同的具体机型,但所有机型基本外型相同,仅接口位置及数量有差异,请使用时注意辨认。
本手册以四口10/100M光纤收发器机型满配置为例加以描述,其他机型不再一一描述,均可参照本手册。
光纤收发器说明书
概述
HTB-1100VF系列是10/100M 自适应以太网光纤收发器,采用最新美国KENDIN 芯片,高品质光收发一体模块,性能稳定,质量优良。
适用于电信、广电、宽带网络等需要高性能、高可靠性的网络及一般光纤网络环境中。
主要特点
• 1 个RJ45 电口和1 个SC/ST/FC 光口,实现双绞线和光纤之间的光电信号转换;
•符合IEEE802.3 10Base-T 和IEEE802.3u 100Base-TX ,100Base-FX 标准;
•具有10M/100M 自适应能力;
•电口能自适应直通线/ 交叉线连接方式;
•支持全双工/ 半双工工作模式;
•支持IEEE802.3X 全双工流量控制和半双工背压流量控制;
•支持最大1916 Bytes 数据幀;
•支持防止广播风暴功能;
•内置防雷电路,可大大减少雷电感应造成的损坏;
•双绞线最长100 米, 多模光纤最长2 或 5 公里( 全双工), 单模光纤最长120 公里;
•有6 个LED 指示灯: Power ,TX 100 ,TX Link/Act ,FX 100 ,FX Link/Act ,FDX/Col ;便于监测收发器的工作状态和判断故障原因;
•有外置、内置电源两种类型:AC100 ~265V / DC5V 开关电源;
•工作环境温度:0 ~50 ℃;
•储存环境温度:- 40 ~70 ℃;
•收发器尺寸:电源外置式70 × 26 × 93mm ;内置式120 × 30 × 140mm 。
光纤部分参数
订货信息。