M40水泥净浆配合比设计说明书
- 格式:doc
- 大小:70.00 KB
- 文档页数:3
水泥净浆配合比设计工程名称:苏州市中环快速路北段合同号: ZH-LQ04 编号: 04JPB-001试表1-9水泥净浆配合比设计工程名称:苏州市中环快速路北段合同号: ZH-LQ04 编号: 04JPB-002试表1-9水泥净浆配合比设计工程名称:苏州市中环快速路北段合同号: ZH-LQ04 编号: 04JPB-003试表1-9水泥净浆试验记录表工程名称:苏州市中环快速路北段合同号: ZH-LQ04 编号: 04JPB-001水泥净浆试验记录表工程名称:苏州市中环快速路北段合同号: ZH-LQ04 编号: 04JPB-002水泥净浆试验记录表工程名称:苏州市中环快速路北段合同号: ZH-LQ04 编号: 04JPB-003水泥净浆抗压强度试验记录表工程名称:苏州市中环快速路北段合同号: ZH-LQ04 编号: 04JPB-001水泥净浆抗压强度试验记录表工程名称:苏州市中环快速路北段合同号: ZH-LQ04 编号: 04JPB-002水泥净浆抗压强度试验记录表工程名称:苏州市中环快速路北段合同号: ZH-LQ04 编号: 04JPB-003水泥净浆抗压强度试验记录表工程名称:苏州市中环快速路北段合同号: ZH-LQ04 编号: 04JPB-001水泥净浆抗压强度试验记录表工程名称:苏州市中环快速路北段合同号: ZH-LQ04 编号: 04JPB-002水泥净浆抗压强度试验记录表工程名称:苏州市中环快速路北段合同号: ZH-LQ04 编号: 04JPB-003水泥净浆抗压强度试验记录表工程名称:苏州市中环快速路北段合同号: ZH-LQ04 编号: 04JPB-001水泥净浆抗压强度试验记录表工程名称:苏州市中环快速路北段合同号: ZH-LQ04 编号: 04JPB-002水泥净浆抗压强度试验记录表工程名称:苏州市中环快速路北段合同号: ZH-LQ04 编号: 04JPB-003(本资料素材和资料部分来自网络,仅供参考。
水泥砂浆配合比设计计算说明书一、设计依据1、《公路桥涵施工技术规范》JTJ041-20002、《砌筑砂浆配合比设计规程》JGJ98-20003、招标文件和图纸设计要求二、设计要求及用途1、设计标号:M7.5。
2、稠度:30-50mm。
3、使用部位:桥涵及防护工程砌体。
三、原材料选择1、水泥:河南焦作水泥厂,“坚固”牌P.O32.5水泥。
2、细集料:泌阳产河砂,中砂。
3、水:地下饮用水。
四、配合比确定步骤1、计算砂浆的试配强度f m,o(Mpa)f m,o=f2+0.645σ=7.5+0.645×2.5=11.6Mpa2、水泥用量的计算每m3砂浆中的水泥用量Q c=1000(f m,o-β)/(α*f c,e)=1000/(11.6+15.09) /(3.03×32.5)=271Kg3、砂用量每m3砂浆中的砂用量以干燥状态下砂的堆积密度计算:m s=1530Kg4、每m3砂浆中用水量:m w=310Kg。
5、每m3砂浆中原材料的质量比为m c:m s:m w =1:4.71:0.956、配合比试配、调整及确定试配以计算得出的基准配合比及其他配合比的水泥用量按基准配合比分别增加及减少10%进行试配,测定砂浆强度,选定符合要求的理论配合比(Kg/m3)为:m c:m s:m w =325:1530:310质量比为:m c:m s:m w =1:4.71:0.95水泥砂浆配合比设计计算说明书一、设计依据1、《公路桥涵施工技术规范》JTJ041-20002、《砌筑砂浆配合比设计规程》JGJ98-20003、招标文件和图纸设计要求二、设计要求及用途1、设计标号:M10。
2、稠度:50-70mm。
3、使用部位:通道/涵洞工程砌体及防护工程。
三、原材料选择1、水泥:河南焦作水泥厂,“坚固”牌P.O32.5水泥。
2、细集料:泌阳产河砂,中砂。
3、水:地下饮用水。
四、配合比确定步骤1、计算砂浆的试配强度f m,o(Mpa)f m,o=f2+0.645σ=10+0.645×2.50=11.6Mpa2、水泥用量的计算每m3砂浆中的水泥用量Q c=1000(f m,o-β)/(α*f c,e)=1000/(11.6+15.09) /(3.03×32.5)=271Kg3、砂用量每m3砂浆中的砂用量以干燥状态下砂的堆积密度计算:m s=1530Kg4、每m3砂浆中用水量:m w=310Kg。
水泥净浆配合比设计工程名称:市中环快速路北段合同号:ZH-LQ04 编号:04JPB-001试表1-9水泥净浆配合比设计工程名称:市中环快速路北段合同号:ZH-LQ04 编号:04JPB-002水泥净浆配合比设计工程名称:市中环快速路北段合同号:ZH-LQ04 编号:04JPB-003试表1-9水泥净浆试验记录表工程名称:市中环快速路北段合同号:ZH-LQ04 编号:04JPB-001水泥净浆试验记录表工程名称:市中环快速路北段合同号:ZH-LQ04 编号:04JPB-002水泥净浆试验记录表工程名称:市中环快速路北段合同号:ZH-LQ04 编号:04JPB-003水泥净浆抗压强度试验记录表工程名称:市中环快速路北段合同号:ZH-LQ04 编号:04JPB-001水泥净浆抗压强度试验记录表工程名称:市中环快速路北段合同号:ZH-LQ04 编号:04JPB-002水泥净浆抗压强度试验记录表工程名称:市中环快速路北段合同号:ZH-LQ04 编号:04JPB-003水泥净浆抗压强度试验记录表工程名称:市中环快速路北段合同号:ZH-LQ04 编号:04JPB-001水泥净浆抗压强度试验记录表工程名称:市中环快速路北段合同号:ZH-LQ04 编号:04JPB-002水泥净浆抗压强度试验记录表工程名称:市中环快速路北段合同号:ZH-LQ04 编号:04JPB-003水泥净浆抗压强度试验记录表工程名称:市中环快速路北段合同号:ZH-LQ04 编号:04JPB-001水泥净浆抗压强度试验记录表工程名称:市中环快速路北段合同号:ZH-LQ04 编号:04JPB-002水泥净浆抗压强度试验记录表工程名称:市中环快速路北段合同号:ZH-LQ04 编号:04JPB-003。
水泥净浆配合比计算书Mix proportion calculation of cement paste试验编号Test number:一、设计说明Design instructions柬埔寨上丁湄公河大桥水泥净浆,设计稠度为14s~18s。
The design of cement paste of Takhmau Bridge over Tonle Bassac River and Its Connecting Road of Cambodia , designed consistency is 14s ~ 18s.二、设计依据Design basis三、设计要求Design requirement四、原材料说明Description of raw materials1、水泥Cement水泥名称:TPI-I型水泥样品描述:Portland Cement Type-I Cement name: TPI-I type cement Description: Portland Cement Type-I 产地:泰国密度(Kg/m3):3.1Place of origin: Thailand Density(Kg/m3):3.12、外加剂Admixture样品名称:上海麦斯特RP325高性能减水剂Sample name:RP-325from Shanghai3、膨胀剂样品名称:康备100Sample name:Conbex 100五、配合比设计1、计算初步配合比Calculation of the initial mix proportion1)计算水泥净浆土配置强度Calculated strength of cement paste fcu.0=50×1.15=57.5MPa2)水灰比取0.28Water-cement ratio is 0.283)经初步试拌选定单位用水量为450Kg/m3,Preliminary water amount: 450Kg/m3,4)计算单位胶凝材料用量=450/0.28=1610Kg/m3Cement amount: 450/0.28=1610Kg/m35)计算单位膨胀剂用量=1610×0.00454=7.3Kg/m3Sweller aggregate amount:1610×0.0454=7.3Kg/m3计算单位减水剂用量=1610×0.007=11.3Kg/m3Water reducer aggregate amount: 1610×0.007=11.3Kg/m3初步配合比为:Initial mix proportion水泥cement:水water:膨胀剂sweller:减水剂water reducer=1610:450:7.3:11.3=1:0.28:0.00454:0.0073、结论Conclusion试配1配合比28天强度达到55.5 MPa,为设计强度的111.0%Test 1 of 28d strength is 55.5 MPa, 111.0 % of design strength试配2配合比28天强度达到49.0 MPa,为设计强度的98.0%Test 2 of 28d strength is 49.0 MPa, 98.0% of design strength试配3配合比3天强度达到59.9 MPa,为设计强度的119.8%Test 3 of 28d strength is 59.9 MPa, 119.8% of design strength4、确定试验室配合比Final laboratory mix proportion经综合比较,我部认为试配1工作性、经济性最佳,拟选用试配1作为试验室配合比。
m40水泥浆配合比编制说明编制说明一、设计说明M40水泥浆配合比主要用于现浇箱梁孔道压浆,稠度设计为14S——18S。
二、原材料1、水泥——选用镇平中国联合水泥责任有限公司南阳分公司生产的“航天牌”P.O42.5级2、膨胀剂——选用江苏博特新材料有限公司生产的JM—HF膨胀剂,内掺10%3、水——饮用水三、确定水灰比依据JTJ040-2000《公路桥涵施工技术规范》要求:水灰比宜为0.40~0.45,掺入适量减水剂时,水灰比可减小到0.35。
取W/C=0.38四、初步确定配合比:初步确定配合比为:(膨胀剂+水泥):水=(0.10+0.90):0.38 按比例进行称重配制试拌膨胀剂:725 g水泥:6521 g饮用水:2754g3 用水泥浆稠度仪测稠度为16S,测容重为1900 kg/m拌和后观测水泥浆3h泌水率为0.6%,3h膨胀率为0.6%;泌水在24h内重新全部被浆吸回。
五、确定水泥浆配合比:确定水泥浆配合比为:(膨胀剂+水泥):水=(0.10+0.90):0.38则每方水泥浆各种材料用量为: 膨胀剂:138 (kg)水泥:1239(kg)饮用水:523 (kg)六、水泥浆试验结果汇总表试验项目要求结果备注稠度(S) 14——18 16 3h泌水率(%) ?2 0.6 3h膨胀率(%) ?10 0.6 24h泌水率(%) ?0 0 24h膨胀率(%) ?10 0.6 7d抗压强度33.5(MPa)28d抗压强度55.9(MPa)配合比设计参考资料:1、《公路桥涵施工技术规范》(JTJ041—2000)。
水泥净浆配合比设计书(LJl-CP-001)一、设计说明该水泥净浆配合比用于预制梁孔道压浆。
二、设计依据1、中华人民共和国临海高等级公路工程招标文件相关规定2、《桥涵施工技术规范》 JTG/T F50-2011三、设计技术要求1、水胶比宜为0.26~0.28,2、水泥浆的3小时泌水率为0,24小时泌水应在24h内重新全部被吸回,3小时自由膨胀率小于2,24小时自由膨胀率小于3。
3、通过试验后,水泥浆中可掺入适量灌浆剂和适量的减水剂。
4、水泥浆在25度时初始流动度10-17s, 30min流动度10-20s,60min流动度为10-25s,四、原材料情况(后附检验报告)1、水泥:P.Ⅱ 52.5级海门海螺水泥, 28天抗折强度8.7MPa,抗压强度55.2 MPa;2、减水剂:江苏苏博特SBTJM-10型3、灌浆剂:盐城索克赛思SCS-B型。
4、水:自来水;五、配合比设计及选定f=50x1.15= 57.5 (Mpa)1、试配强度,cu o2、确定水胶比W/C依据《桥涵施工技术规范》JTG/T F50-2011,根据经验选用水灰比W/C选定为0.27。
掺配比例为:水泥:灌浆剂:水:减水剂=2100:400:675:50。
1、试验室初步配合比为:2、确定基准配合比,按初步配合比试拌10L砂浆拌合物,各种材料用量为:经测定稠度值为15s,掺料后3h泌水率为0%,24h内重新被吸回,自由膨胀率为1.0%,满足施工要求;基准配合比为:3、检验强度,确定试验室配合比:(1)检验强度:适当调整后的水胶比为0.26和0.28。
A :W/C =0.26,B :W/C =0.27,C :W/C =0.28;水泥和灌浆剂用量保持不变,三组配合比分别为:4、实测流动度、泌水率、膨胀率如下:5、实测3天7天28 天抗折、抗压强度如下5、a)经测定A、 B、 C组水泥浆拌合物稠度、泌水率、膨胀率及抗折、抗压强度符合要求,在标准条件养护28天后,其抗压强度值为:A W/C=0.26,cu f= 62.1 MPa ,达到试配强度的108.0%;B W/C=0.27,cu f= 59.6 Mpa ,达到试配强度的 103.7%;C W/C=0.28,cu f= 56.1 Mpa ,达到试配强度的 100.0%。
1、本标段工程情况简介南水北调中线一期总干渠陶岔渠首至沙河南(中线建管局代建项目)叶县段施工3标(合同编号:ZXJ/SG/YXD-003)位于河南省叶县境内,渠段起点桩号201+500,终点桩号209+270,包括长7.77km的渠道及沿线布置的各类建筑物18座,包括:1座河渠交叉建筑物,5座左岸排水建筑物,3座渠渠交叉建筑物,6座公路桥,2座生产桥,1座下穿通道。
主要工作内容包括合同范围建筑工程、机电设备安装、金属结构设备安装、通信管道采购及敷设、水土保持工程及施工期环境保护工程,以及为完成上述工作所必须的临时工程或设施等。
主要工程量包括:土石方开挖约569万m3,土石方填筑约248万m3,混凝土约17万m3,钢筋约1.09万t,金结安装约578.50t,复合土工膜约63万m2。
2、主要仪器设备及环境3、预缩砂浆的技术要求依据中线据工﹝2011﹞157号文件,我部试验室对用于建筑物混凝土C35以下表面螺栓孔洞封堵的预缩砂浆进行了配合比设计。
技术要求见表1表1 预缩砂浆技术要求4、引用标准1、《通用硅酸盐水泥》GB 175-20072、《水工混凝土试验规程》SL 352-20063、《水工混凝土施工规范》DL/T5144-20014、《砌筑砂浆配合比设计规程》JGJ98-20005、《建筑砂浆基本性能试验方法》JGJ/T70-20096、招标文件(合同编号:ZXJ/SG/YXD-003)7、中线据工﹝2011﹞157号文件5、原材料试验结果5.1水泥水泥采用天瑞集团南召水泥有限公司生产的低碱P·O42.5水泥,水泥物理力学及化学成分试验结果见下表2。
表2水泥物理力学及化学成分试验成果表试验结果表明:水泥物理力学性能及化学成分均符合GB175-2007国家标准要求。
碱含量符合南水北调中线干线工程标准《预防混凝土工程碱骨料反应技术条例》中的标准要求。
5.2细集料细集料采用鲁山县张官营砂厂的中砂,其性能指标见表3试验结果表明:该砂符合DL/T5144-2001规范要求。
M40水泥浆配合比设计说明
一、主要设计依据及参考资料
1.1主要设计依据
本次设计及试验必须依据国家现行或行业标准规范,具体标准如下:
1.《公路桥涵施工技术规范》(JTJ041-2000),以下简称“规范”
2.《硅酸盐水泥、普通硅酸盐水泥》(GB175-2007)
3.《公路工程水泥及水泥混凝土试验规程》(JTG E30-2005)
4.施工设计图纸
1.2参考资料
1.《公路工程质量检验评定标准》(JTG F80/2-2004 )
1.3使用部位
桩基取芯注浆
二、原材料
2.1水泥
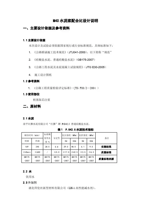
漳平红狮水泥有限公司“红狮”牌P.O42.5 普通硅酸盐水泥。
表1 P.O42.5水泥技术指标
2.2 水
饮用水
2.3外加剂
湖北拜伦丝新型材料有限公司(LH-1高性能减水剂)。
表5 外加剂各项技术指标
三、试配情况如下:
根据以上结果,编号为A的配合比在强度和工作性上均能满足设计要求,且较经济,故选择A组配合比为施工基准配合比。
五、相关资料及砼7天、28天抗压强度报告附后。
1:1水泥净浆配合比设计计算书
一、设计依据:
1、砌筑砂浆配合比设计规程 JGJ98-2010
2、公路工程水泥及水泥混凝土试验规程(JTG E30-2005)
二、设计要求:
1、使用部位:隧道注浆
2、设计稠度:水泥净浆稠度14s-18s
三、原材料情况:
1、水泥产地:鹿泉市曲寨水泥有限公司
规格:P·O4(试验结果附后)
2、水:饮用水
四、净浆试配
1. 水泥= 6kg
2. 水=6kg
3、实测稠度:14s-18s
4、实测密度为1930kg/m3
五、调整配合比
1. 配合比比例:水泥:水=1:1
2. 校正后配合比为:
水泥:水=965:965=1:1
六:实验结果
配合比
水泥:水 965:965
七、确定试验室配合比
1、合同段施工图纸设计要求,该净浆配合比符合设计要求。
2、确定水灰比为W/C=1的1:1净浆配合比为试验室配合比,比
例为:
水泥:水 =965:965=1:1。
中国铁建股份有限公司汉十铁路HSSG-4标四分部砂浆配合比申报资料工程名称:新建武汉至十堰铁路结构部位:拟用隧道、桥梁、路基部位强度等级: M40 申报单位:中国铁建股份有限公司汉十铁路HSSG-4标四分部试验室申报时间: 2016年01月12号新建武汉至十堰铁路混凝土/砂浆配合比报审表(TA1)工程项目名称:新建武汉至十堰铁路施工合同段:HSSG-4标编号:HSSG4-4-TA1SP-20160112-01注:本表一式3份,承包单位2份,监理1份。
一、工程名称新建武汉至十堰铁路二、结构环境图纸设计对M40砂浆使用无环境要求三、设计目的和用途1、目的保证砂浆强度满足结构设计要求,工作性满足施工工艺要求,确保工程质量且经济合理。
2、用途用于隧道、桥梁、路基锚孔注浆等施工部位。
四、设计要求1、设计强度等级:M402、设计稠度:100-130mm五、设计依据《铁路混凝土工程施工质量验收标准》 TB10424-2010《砌筑砂浆配合比设计规程》 JGJ/T98-2010《建筑砂浆基本性能试验方法标准》 JGJ/T70-2009《高速铁路隧道工程施工技术规程》 Q/CR9604-2015《高速铁路路基工程施工技术规程》 Q/CR9602-2015六、材料要求及产地1、水泥:葛洲坝老河口水泥有限公司P.042.5,袋装;2、细骨料:淅川砂场,细度模数M=2.6,使用时过2.5mm筛;X3、外加剂:中铁十一局集团桥梁公司抚州工业分公司4、水:地下水一、设计步骤1、确定配制强度根据《砌筑砂浆配合比设计规程》 JGJ/T98-2010砂浆配制强度根据下式确定:Fm,o =kf2根据《砌筑砂浆配合比设计规程》 JGJ/T98-2010,k取值为1.2,则:F=40 MPa、 Fm,o=40×1.2=48Mpa2、确定水灰比W/CW/C=(0.71×fce )/( Fm,o+0.71×0.91×fce)水泥强度fce=42.5MPaW/C=(0.71×42.5)/(48+0.71×0.91×42.5)=0.40根据《铁路混凝土工程施工质量验收标准》TB10424-2010、《砌筑砂浆配合比设计规程》 JGJ/T98-2010规定,考虑到原材料情况和现场施工水平,保证M40砂浆强度满足结构设计要求,工作性满足施工工艺要求,确保工程质量且经济合理,根据细集料的粒径、砂浆拌合物性能要求,故假定容重2000kg/m3,水胶比取0.38,外加剂掺量为0.7%。
M40水泥浆配合比设计说明书一、设计依据:JGJ/T98-2010 《砌筑砂浆配合比设计规程》JTG E30-2005 《公路工程水泥及水泥混凝土试验规程》JTG/T F50-2011 《公路桥涵施工技术规范》JTG F10-2006 《公路路基施工技术规范》GB 50330-2013 《建筑边坡工程技术规范》二、仪器设备:搅拌机、水泥抗折抗压试验机、电子天平、水泥浆流动度测定仪等。
三、原材料情况:四、配合比计算书:1、设计条件配合比使用部位:路基高边坡锚固工程设计标号:M40稠度:14S~18S2、确定试配强度:f m,0= kf2=1.20*30=48.0Mpa3、水泥浆配合比参考GB 50330-2013 《建筑边坡工程技术规范》:浆体配制的灰砂比宜为0.80~1.50,水灰比宜为0.38~0.50;基于水泥浆工作性能及强度的综合考虑,取水灰比为0.38,减水剂掺量为胶凝材料质量的1.2%。
4、用体积法计算配合比:C/3.1+W=1000计算得:C=1423 kg/m3W=541 kg/m3A=17.076 kg/m3则配合比如下水泥:水:外加剂:聚丙烯腈纤维=1423:541:17.076:2.05、以上述计算的配合比为基准,相应增减0.03水灰比,分别配制两个配合比。
(一)增加0.03水灰比,则水灰比为0.41,计算结果为:水泥:水:外加剂:聚丙烯腈纤维=1365:560:16.380:2.0(二)减少0.03水灰比,则水灰比为0.35,计算结果为:水泥:水:外加剂:聚丙烯腈纤维=1487:520:17.844:2.06、试验室配合比为:7天强度报告:218.37、231.06、234.81、220.36、228.82、224.53-0.38 185.96、183.37、192.60、195.82、190.06、182.65-0.41 254.55、251.63、267.82、263.26、258.12、263.79-0.35。
南平市顺昌至邵武高速公路
M40
水
泥
净
浆
配
合
比
设
计
书
顺邵高速公路第四项目部工地试验室
M40水泥净浆配合比计算书
一、施工说明
本配合比用于预应力锚索。
二、设计及施工要求
1、设计稠度:10-17s。
2、水胶比:0.45-0.50。
三、配合比试验依据
1、《砌筑砂浆配合比设计规程》JGJ/T 98-2010
2、《公路工程水泥及水泥混凝土试验规程》JTG E30-2005
3、《建筑砂浆基本性能试验方法标准》JGJ/T 70-2009
4、《锚杆喷射混凝土支护技术规范》GB50086-2015
5、《公路隧道施工技术细则》JTG /T F60-2009
6、《公路隧道施工技术规范》JTG F60-2009
7、《公路桥涵施工技术规范》JTG/T F50-2011
8、《南平市顺昌至邵武高速公路第四合同段两阶段施工图设计》
四、原材料及性能
1、水泥:福建金牛水泥有限公司金牛牌P.O 42.5水泥。
2、水:饮用水,各项指标具体见试验报告。
3、外加剂:山西康特尔精细化工有限责任公司,型号为KTPCA 聚
羧酸高性能减水剂,掺量为胶凝材料的0.1%。
五、试配
1、取W/B=0.45,水泥:水:外加剂=4000:1800:4(g),进行试拌。
2、各性能指标如下:
3、抗压强度
六、试验配合比确定
依据GB50086-2015《锚杆喷射混凝土支护技术规范》和试配结果,确定试验室配合比为:
顺邵高速公路第四项目部工地试验室 2016年9月9 日。
水泥净浆的配合比嘿,朋友们!今天咱就来唠唠水泥净浆的配合比这档子事儿。
你说这水泥净浆啊,就像是一道菜,各种材料就是那做菜的食材,配合比就是调味的秘方。
这要是比例没调好,那可就像盐放多了或者醋放少了的菜,味道可不咋地!咱先说说水泥吧,这可是主角儿呀!就像肉在一道荤菜里的地位一样。
水泥的质量和品种那可得好好挑,不然怎么能保证做出“美味”的水泥净浆呢?水呢,就像是做菜时加的水,不能太多也不能太少,多了稀了吧唧,少了干巴巴的没法搅拌均匀。
那还有啥呢?对啦,外加剂!这就像是给菜里加的特殊调料,能让水泥净浆有一些特别的性能呢。
比如让它更坚固呀,或者凝固得更快呀之类的。
咱打个比方,你要是想让水泥净浆凝固得快一点,就像你着急吃饭,想让菜快点熟一样,那你就得调整一下配合比,多加点能加速凝固的外加剂呗。
但你可别一股脑儿地乱加呀,就跟做菜不能乱加调料一样,得掌握好那个度。
你想想看,如果水泥加少了,那净浆能结实吗?就跟菜里肉放少了,吃起来能有满足感吗?要是水加太多了,那岂不是成了稀汤啦?这就好比做菜水放太多,都成汤菜了!而且啊,不同的用途对水泥净浆的配合比要求也不一样呢。
就像不同的菜需要不同的调料搭配一样。
比如建房子和修马路,那要求能一样吗?肯定不一样呀!所以啊,咱在弄水泥净浆配合比的时候,可得像个大厨一样,精心调配,多试验几次,找到最合适的那个比例。
这可不是随便糊弄就能行的事儿。
咱再说说实际操作中要注意啥。
搅拌的时候可得搅得匀匀的,不然有的地方水泥多,有的地方水多,那能行吗?这就像炒菜不翻炒均匀,有的地方咸了,有的地方没味道。
还有啊,环境也有影响呢。
热的时候和冷的时候,配合比可能就得稍微调整一下。
这就跟夏天做菜和冬天做菜,火候可能得有点不一样是一个道理。
总之啊,水泥净浆的配合比这事儿,看似简单,实则大有学问。
咱可得认真对待,不能马虎。
不然最后出来的东西不达标,那不就白折腾啦!咱要把每一次调配都当成一次创作,用心去做,才能做出高质量的水泥净浆来呀!大家说是不是这个理儿?。
水泥净浆配合比设计书
M50
一、使用部位:
孔道压浆设计稠度:14-18s
二、原材料名称:
1、水泥:渑池仰韶水泥有限公司P.O52.5普通硅酸盐水泥
2、压浆剂:华烁科技股份有限公司,压浆剂掺量为水泥用量的
10%
三、设计依据:
1、《公路桥涵施工技术规范》JTJ041-2000
2、《硅酸盐水泥、普通硅酸盐水泥》GB 175-2007
3、《混凝土外加剂应用技术规范》GBJ 119-88
四、配合比设计
1、单位用水量:
确定单位用水量为455Kg
2、确定水灰比:
根据经验采用0.35的水灰比进行试拌
3、确定每m3净浆水泥用量(mco):
按规范要求取每立方米净浆的水泥用量
mco= mwo /(W/C)=455/0.35=1300kg
4、基准净浆配合比:水泥1300Kg 水455Kg
五、试拌水泥浆拌和物,试拌10L水泥净浆所需各材料用量
1、分别按照0.3
2、0.35、0.38水灰比试拌10L水泥浆拌和物。
各材
料用量
2、工作性:
拌和物经测定,稠度、泌水率、膨胀率符合要求,
六、根据《公路桥涵施工技术规范》【JTJ041-2000】,净浆强度试验至少应采用三个不同的配合比,采用不变水量法,另外两个配合比的水灰比较基准配合比分别增加和减少0.03,进行调整:
抗压强度如下
七、根据试配情况,7d、28d
根据《公路桥涵施工技术规范》和设计要求,水泥浆拌和物的稠度为14-18s,拌和后3h的泌水率<3%,且24h内重新全部被浆收回,24h后测其膨胀率<10%的规定,水灰比为0.35的水泥净浆拌和物的各项性能均满足要求,且强度满足要求,稠度测定值为15s,泌水率为
0.5%,膨胀率为3.0%,保水性良好,满足施工要求。
确定配合比为(Kg/ m3)
水泥:水:压浆剂= 1300:455:130
=1:0.35:0.10
九、试验结论
根据以上试拌结果和强度检验结果,确定水泥浆配合比B为施工配合比
试验:计算:复核:审核
监理工程师:日期:。