建筑门窗空气声隔声性能分级表
- 格式:xlsx
- 大小:10.38 KB
- 文档页数:48
中华人民共和国国家标准建筑隔声评价标准Rating standard Of sound insulation in buildingsGB/T50121—2019主编部门:中华人民共和国建设部批准部门:中华人民共和国建设部施行日期:2 0 0 5年1 0月1日中国建筑工业出版社2005北京目次1 总则………2 术语、符号3 空气声隔声3.1 空气声隔声的单值评价量与频谱修正量…3.2 确定空气声隔声单值评价量的数值计算法3.3 确定空气声隔声单值评价量的曲线比较法3.4 频谱修正量计算方法3.5 结果表述………4撞击声隔声4.1 撞击声隔声的单值评价量………………4.2 确定撞击声隔声单值评价量的数值计算法4.3 确定撞击声隔声单值评价量的曲线比较法4.4 撞击声改善量的单值评价量………………4.5 结果表述5 建筑构件和建筑物隔声性能的评价分级”5.1 空气声隔声性能分级5.2 撞击声隔声性能分级附录A 空气声隔声频谱修正量的使用……………………附录B 空气声隔声扩展频率范围的频谱修正量…………附录C 撞击声隔声频谱修正量的计算……………………C.1 撞击声隔声的频谱修正量……………………………C. 2 楼板面层撞击声改善量的频谱修正量……………………附录D 光裸重质楼板铺设面层后计权规范化撞击声压级的计算方法…本标准用词说明…………条文说明………………………………………………………1 总则1.0.1 为了对建筑物和建筑构件的隔声性能进行评价,合理确定隔声性能等级,制定本标准。
1.0.2 本标准适用于建筑物和建筑构件的空气声隔声和撞击声隔声的单值评价和性能分级。
1.0.3 按本标准进行建筑物和建筑构件的空气声隔声和撞击声隔声评价,其所用原始数据的测量方法应按现行国家隔声测量标准执行。
1.0.4 隔声评价除应符合本标准外,尚应符合其他有关国家现行标准、规范的规定。
2 术语、符号2.0.1 测量量 measurement quantity测量得到的一组1/3倍频程或倍频程的空气声隔声或撞击声隔声数据,单位dB。
建筑外窗工程检测与评估规程前言为了控制建筑外窗工程旳施工质量,规范建筑外窗检测程序和措施,根据省住房城镇建设厅有关印发《2023年度江苏省工程建设原则和原则设计编制、修订计划》旳告知,苏建科(2023)256号文旳规定,江苏方建工程质量鉴定检测有限企业会同有关单位,编制本规程。
在规程编制过程中,编制组认真总结近年来本省建筑外窗检测过程中旳问题和经验,对外窗工程现场存在旳某些关键质量问题旳处理,在大量试验工作旳基础上,通过反复讨论、修改和完善,制定了本规程。
本规程共分8章,重要内容包括: 1、总则;2、术语;3、建筑外窗工程材料;4、建筑外窗产品;5、外窗工程安装质量检查检测;6、外窗工程现场检测;7、建筑外窗旳评估;8、汇报。
附录 A 建筑外窗抭风压、气密、水密性能检测措施;附录B 建筑外窗保温性能检测措施;附录C 建筑外窗现场气密性检测措施;附录D 建筑外窗隔声性能试验室检测;附录E 建筑外窗隔声性能现场检测;附录F 红外热像仪检测外窗密封缺陷;附录G经典外窗玻璃旳光学、热工性能参数。
目录1 总则 ...............................................................................................................错误!未定义书签。
2 术语..............................................................................................................错误!未定义书签。
3 建筑外窗工程材料........................................................................................错误!未定义书签。
3.1 一般规定............................................................................................错误!未定义书签。
声波的穿透力比较强,厚实的墙体其隔音性能较好,但门窗的玻璃往往成了阻挡噪音最薄弱的环节。
下表列出了一些市场产品的隔音性能对比数:不同玻璃的隔声性能比较:注:BER玻璃为全频段隔声材料中空玻璃其实不隔音一般人们常认为中空玻璃的隔音性能好,其实是一种误解.中空玻璃不是真空玻璃,常用的中空玻璃由两块3-6mm厚的玻璃相距5-12mm组成,小的中空玻璃使得两玻璃间的空气层呈现为较强的”刚性”,没有起到空气弹簧作用,丧失了一般双层板构造的优点.同时,由于双层结构存在共振,小的中空距离使共振现象产生在中﹑低频,致使隔音量有所下降.另外,目前市场上的中空玻璃在制作上多用铝条将两片玻璃粘在一起,铝条的”声桥”作用也使隔声性能变差.所以,中空玻璃结构的隔声性能比单层玻璃好不了多少.当然,不可否认,中空玻璃的保温性能是很好的,这一点在寒冷的北方地区有优势,但在炎热的南方地区,室内外温差不大的情况下,中空玻璃的保温功能就失去了其价值.各种平板玻璃平均透射损失:注:镶嵌方式:方木框,腻子固定。
(A为空气层)中空玻璃与墙体的隔音性能文案编辑词条B 添加义项?文案,原指放书的桌子,后来指在桌子上写字的人。
现在指的是公司或企业中从事文字工作的职位,就是以文字来表现已经制定的创意策略。
文案它不同于设计师用画面或其他手段的表现手法,它是一个与广告创意先后相继的表现的过程、发展的过程、深化的过程,多存在于广告公司,企业宣传,新闻策划等。
基本信息中文名称文案外文名称Copy目录1发展历程2主要工作3分类构成4基本要求5工作范围6文案写法7实际应用折叠编辑本段发展历程汉字"文案"(wén àn)是指古代官衙中掌管档案、负责起草文书的幕友,亦指官署中的公文、书信等;在现代,文案的称呼主要用在商业领域,其意义与中国古代所说的文案是有区别的。
在中国古代,文案亦作" 文按"。
公文案卷。
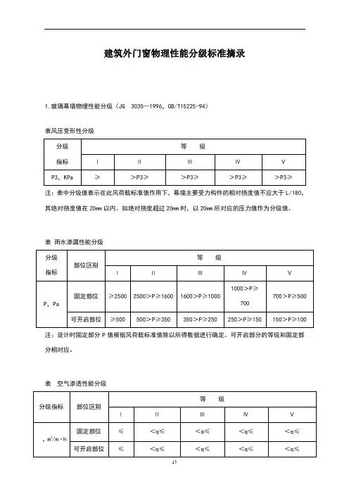
建筑外门窗物理性能分级标准摘录1.玻璃幕墙物理性能分级(JG 3035—1996,GB/T15225-94)表风压变形性分级注:表中分级值表示在此风荷载标准值作用下,幕墙主要受力构件的相对挠度值不应大于L/180,其绝对挠度值在20mm以内。
如绝对挠度超过20mm时,以20mm所对应的压力值作为分级值。
表雨水渗漏性能分级注:设计时固定部分P值根据风荷载标准值除以所得数据进行确定。
可开启部分的等级和固定部分相对应。
表空气渗透性能分级,m3/m·h表保温性能分级注:表中K值为幕墙中固定部分和可开启部分各占面积的加权平均值。
表隔声性能分级注:按不同构造单元分类进行隔声测量,然后通过传声量的计算求的整体幕墙的隔声量值。
表耐撞击性能分级注:F为撞击物体的运动量。
表平面内变形性能注:ґ =△/h,式△为层间位移量,h为层高。
在《建筑幕墙物理性能分级》(GB/T15225—94)中,只列表1~表5,数据与JG3035—1996相同,无表6、表7。
2.玻璃幕墙光学性能(GB/T 18091—2000)表幕墙玻璃的光学性能参数注:1.透射比:从物体透射出的光通量与入射到物体的光通量之比,符号τ;2.反射比:被物体表面反射的光通量与入射的物体表面的光通量之比,符号ρ。
表紫外线相对含量注:1.对有紫外线要求场合,幕墙玻璃的紫外线透射比宜小于;2.对于博物馆,光源透过幕墙玻璃后的紫外线含量应小于75μW/1m。
表透视指数注:Ra光源(D65)透过玻璃后的一般显色指数。
3.建筑外门窗物理性能分级,(铝合金门GB/T8478—2003,铝合金窗GB/T8479—2003)表抗风压性能分级(GB/T7106—2002)注:·X表示用≥的具体值,取代分级代号。
在各分级指标值中,门主要受力构件相对挠度:单层、夹层玻璃小于等于L/120;中空玻璃挠度小于等于L/180。
2.分级中括号内的罗马字为86标准。
表雨水渗漏性能分级(GB/T7108—2002)注:表示用≥700Pa的具体值取代分级代号,适用于热带风暴和台风袭击地区的建筑。
建筑门窗幕墙的隔声性能设计摘要:本文介绍了隔声量的定义,以及建筑门窗幕墙空气声隔声评价,并基于前两点内容论述了建筑门窗幕墙的隔声防噪设计要点。
关键词:隔声量;评价标准;隔声设计在门窗幕墙的设计工作中,我们会考虑建筑的抗风压、气密、水密、隔声和保温性能,隔声降噪以往是很容易被忽略的一个性能,特定情况下它却最能体现建筑的舒适度。
根据声波在建筑物和建筑构件中的传递方式可分为空气声传声和固体传声,相应的隔声就分为空气声隔声和撞击声隔声。
空气声隔声是利用墙体、门窗或其他屏障来隔离噪声在空气中的传播,而撞击声隔声是利用弹性阻尼材料进行减低或隔离由撞击或振动而产生的噪音在结构中的传播。
作为建筑围护结构使用的门窗幕墙及其玻璃来说,空气声隔声是评价其隔声性能的主要方面。
1.隔声量的定义建筑中的空气声传声过程中,入射声波疏密交替地投射到围护结构上,一部分发生反射现象,一部分被围护结构吸收,剩余声波使得围护结构产生一定的受迫振动,一旦受迫弯曲波顺着围护结构传播时,将引起另一侧空气做出同样振动,此时声音即传透过去,由此引出了声投射系数的概念τ:τ=Wt /Wi公式(1)Wt:透过试件的投射声功率,单位为(W);Wi:入射到试件上的入射声功率,单位为(W)。
由于隔声材料及构件声透射系数的变化范围很大,用声透射系数来表示隔声材料及构件的隔声性能很不方便。
因此需要采用一种比较简单实用方便的隔声量R(dB)来表示材料及构件的隔声性能:一般均质建筑材料的隔声量R的计算方法可以根据入射声波频率f(Hz)和材料单位面积质量MS计算。
研究表明,均质建筑材料隔声过程中会有一部分的隔声损失量,单向入射声波的隔声损失量可取经验值42.3dB,实际情况中声波的入射是无规则的,其隔声损失量可取经验值48dB。
M=ρt公式(3)S:材料单位面积质量(kg/m2);MSρ:材料的密度(kg/m3);t:材料厚度(m)。
假设声波垂直投射到隔声材料上,隔声量R:)-42.3 公式(4)R=20log(fMS假设声波与试件成角度α投射到隔声材料上,隔声量R:cosα)-42.3 公式(5)R=20log(fMS假设声波来自不同方向投射到隔声材料上,隔声量R:R=20log(fM)-48 公式(6)S如果一个围护结构由不同类型的均质材料叠加使用,那隔声量的计算就应该是一个叠加的数值。
门窗知识大全第一节:门窗的作用、定义及铝合金门窗执行的标准:一:门窗的作用:门窗是建筑外围护结构的开口部位,是抵御风雨尘虫,实现建筑热、声、光环境等物理性能的极其重要的功能性部件,并且具有建筑外立面和室内环境两重装饰效果,直接关系到建筑的使用安全、舒适节能和人民生活水平的提高。
它必须具有采光、通风、防风雨、保温、隔热、隔声、防尘、防虫、防火、防盗等多种使用功能,才能为人们提供安全舒适的室内居住环境,同时作为建筑外墙和室内装饰的一部分,其结构形式、材料质感、表面色彩等外观效果,对建筑物内外的美观协调起着十分重要的功能和装饰作用。
二:铝合金门窗的相关的定义:隔热材料:用以连接铝合金型材的低热导率的非金属材料隔热条的导热系数(W/m²·k):0.3铝合金的导热系数(W/m²·k):207隔热条和铝合金型材使用年限为20年隔热型材分为穿条式和浇注式穿条式:通过开齿、穿条、滚压工序,将条型隔热材料穿入铝合金型材穿条槽内,并使之被铝合金型材牢固咬合的复合方式浇注式:把液态隔热材料注入铝合金型材浇注槽内并固化,切除铝合型材浇注槽内的临时连接桥使之断开金属连接,通过隔热材料将铝合金型材断开的二部分结合在一起的复合方式隔热型材:以隔热材料连接铝合金型材而制成的具有隔热功能的复合型材铝合金窗:由铝合金建筑型材制做框、扇结构的窗铝合金门:由铝合金建筑型材制做框、扇结构的门外窗:有一个面朝向室外的窗外门:有一个面朝向室外的门平开门:合页(铰链)装于门侧面、向内或向外开启的门推拉门:单扇、双扇或多扇向左右推拉的门平开窗:合页(铰链)装于窗侧面、向内或向外开启的门上悬窗:合页(铰链)装于窗上侧,向内或向外开启的窗下悬窗:合页(铰链)装于窗下侧,向内或向外开启的窗落地窗:通至地面的长窗,开启扇可作门用百叶窗:用多片百页片组成的窗带形窗:多扇连续水平方向组合的窗三:铝合金门窗执行的标准:《建筑外门窗气密、水密、抗风压性能分级及检测方法》-----GB/T7106—2008第二节:主要门窗系列、及门窗的主要开启方式一:主要型材系列1:55系列:主要用于平开门、窗2:65系列:主要用于平开门、窗3:108系列:主要用于平开门、窗4:雅致系列:主要用于推拉窗5:米兰系列:主要用于推拉门6:重型系列:主要用于推拉门二:门窗的开启方式主要有:内平开窗、平开下悬窗、上悬窗、外平开窗、下悬窗、推拉窗、中悬窗、内平开门、外平开门、推拉门、提升推拉门、折叠门、平行推拉上悬门。
第四讲建筑隔声第一节建筑隔声概述一.建筑隔声的重要意义隔声是控制噪声的重要措施,效果十分显著。
但目前在很多场合对隔声还不够重视,以致对噪声控制不够。
例如轻型建筑的隔声已是当前发展建筑事业的主要矛盾,很多轻型墙组成的分户墙其隔声量只有30dB,这与人们对环境的要求相差很远。
(一)人们对室内安静程度的要求日常:理想水平,室内应≤40dB(A);如果≥50dB (A)会引起居住用户的普遍不满睡眠:理想水平,室内应≤35dB(A);如果≥45dB (A)会引起50%居住用户的不满例:住宅[A声级dB(A)],民用建筑室内允许噪声级标准如下表:(二)建筑隔声越来越引起人们的重视1996年,在南京、无锡、苏州、上海及北京等地调查中,住宅用户对墙面、地面、顶棚、隔热、保温、通风、朝向、采光隔声等住宅品质反映最强烈的是——隔声。
在瑞典,将分户墙做成200mm厚的钢筋混凝土墙,比结构的要求要厚,造价也高,目的是——隔声。
(三)当前建筑隔声中存在的诸多问题1、设计问题——建筑选址不合理,材料选用不当、施工存在问题等等。
最主要的原因是——建筑师。
2、材料不合格——墙体材料、楼板、门、窗等等隔声性能不足。
3、特别是近年来轻型隔墙材料的使用,以及人们生活水平提高后对建筑品质要求提高,提出了建筑隔声的新课题。
二.声波传入维护结构的三种途径:1.经由空气直接传播,即通过围护结构的缝隙和孔洞传播。
2.透过围护结构传播。
经由空气传播的声音遇到密实的墙壁时,在声波的作用下,墙壁将受到激发而产生振动,使声音透过墙壁而传到邻室去。
3.由于建筑物中机械的撞击或振动的直接作用,使围护结构产生振动而发声。
前两种情况,声音是在空气中传播的,称为“空气传声”。
而第三种情况,是振动直接撞击构件使构件发声,这种声音传播的方式称为“固体传声”,但最终仍是经空气传至接收者。
对空气传声与固体传声的控制方法是有区别的。
第二节墙体隔声材料(构造)围护结构对空气的隔声量公式:1=R10lgτ一.单层匀质密实墙的空气隔声(一)质量定律单层匀质密实墙的隔声量大小主要与入射频率,和墙的单位面积质量有关,刚度、材料内部阻尼及墙的边界条件对隔声量也有影响。
民用建筑隔声设计规范
4.1.1卧室、起居室(厅)内的噪声级,应符合表4.1.1的规定。
表4.1.1 卧室、起居室(厅)内的允许噪声级
允许噪声级(A 声级,dB) 房间名称 昼间 夜间
卧室 ≤45 ≤37
起居室(厅) ≤45
4.2.1分户墙、分户楼板及分隔住宅和非居住用途空间楼板的空气声隔声性能,应符合表4.2.1的规定。
表4.2.1 分户构件空气声隔声标准
构件名称 空气声隔声单值评价量+频谱修正量(dB)
分户墙、分户楼板 计权隔声量+粉红噪声频谱修正量 Rw+C
>45 分隔住宅和非居住 用途空间的楼板 计权隔声量+交通噪声频谱修正量 Rw+Ctr
>51 4.2.2相邻两户房间之间及住宅和非居住用途空间分隔楼板上下的房间之间的空气声隔声性能,应符合表4.2.2的规定。
表4.2.2 房间之间空气声隔声标准
房间名称 空气声隔声单值评价量+频谱修正量(dB) 卧室、起居室(厅) 与邻户房间之间 计权标准化声压级差+粉红噪声频谱修正量DnT,w+C
≥45住宅和非居住用途空间 分隔楼板上下的房间之间 计权标准化声压级差+交通噪声频谱修正量DnT,w+Ctr
≥514.2.5外窗(包括未封闭阳台的门)的空气声隔声性能,应符合表
4.2.5的规定。
表4.2.5 外窗(包括未封闭阳台的门)的空气声隔声标准
构件名称 空气声隔声单值评价量+频谱修正量(dB)
交通干线两侧卧室、起居室(厅)的窗计权隔声量+交通噪声频谱修正
量Rw+Ctr
≥30
其他窗 计权隔声量+交通噪声频谱修正
量Rw+Ctr
≥25。
建筑外门窗物理性能分级标准摘录1.玻璃幕墙物理性能分级(JG 3035—1996,GB/T15225-94)其绝对挠度值在20mm以内。
如绝对挠度超过20mm时,以20mm所对应的压力值作为分级值。
定部分相对应。
表 1.5 隔声性能分级注:按不同构造单元分类进行隔声测量,然后通过传声量的计算求的整体幕墙的隔声量值。
注:F为撞击物体的运动量。
在《建筑幕墙物理性能分级》(GB/T15225—94)中,只列表1~表5,数据与JG3035—1996相同,无表6、表7。
2。
玻璃幕墙光学性能(GB/T 18091-2000)注:1.透射比:从物体透射出的光通量与入射到物体的光通量之比,符号τ;2。
反射比:被物体表面反射的光通量与入射的物体表面的光通量之比,符号ρ。
表2.2紫外线相对含量2。
对于博物馆,光源透过幕墙玻璃后的紫外线含量应小于75μW/1m.注:Ra光源(D65)透过玻璃后的一般显色指数。
3.建筑外门窗物理性能分级,(铝合金门GB/T8478-2003,铝合金窗GB/T8479—2003)表3.1 抗风压性能分级(GB/T7106—2002)注:1。
X·X表示用≥5.0Kpa的具体值,取代分级代号.在各分级指标值中,门主要受力构件相对挠度:单层、夹层玻璃小于等于L/120;中空玻璃挠度小于等于L/180.2。
分级中括号内的罗马字为86标准。
表3。
2 雨水渗漏性能分级(GB/T7108-2002)注:1。
XXXX表示用≥700Pa的具体值取代分级代号,适用于热带风暴和台风袭击地区的建筑。
2。
分级中括号内的罗马字为86标准。
注:分级指标值中括号内数字为87标准.表3.5 空气隔声性能分级(GB/T8485—2002)4. 建筑外门物理性能分级表4。
1风压变形性能分级(GB/T13685-92)表4。
2 空气透透性能分级(GB/T 13686—92)表4。
3 雨水渗漏性能分级(GB/T13686—92)5.塑料门建筑物理性能分级(JG/T 3017—94)表5.1 抗风压性能W注:表中取值是建筑荷载规范中设计荷载的2。
幕墙主要性能指标1、基本三性能:①雨水渗透性能(水密性):·雨水渗透性能系指在风雨同时作用下幕墙透过雨水的能力;雨水渗透性能设计值以作用在幕墙表面的风压标准值除以 2.25作为幕墙固定部分的设计值,可开启部分与固定部分对应。
·雨水渗透性能分级值(KN/m2)·根据幕墙雨水渗透性能不应低于三级,本工程的幕墙雨水渗透性能确定为三级。
②空气渗透性能:·空气渗透性能系指在风压作用下,其开启部分为关闭状况的幕墙透过空气的性能。
以10Pa压差下空气渗透量作为分级值。
·空气渗透性能分级值(KN/m2)·在石材幕墙、玻璃幕墙中,密封胶及胶条形成双道环形密封,气密性良好;·根据与雨水渗透性能相当的原则确定为Ⅲ级。
③风压变形性能:·风压变形性能系指建筑幕墙在与其相垂直的风压作用下,保持正常性能不发生任何损坏的能力;·建筑幕墙性能分级值(KN/m2)·幕墙在风荷载标准值作用下,其主要受力构件中钢型材相对挠度不大于L/300,绝对挠度不大于15mm;铝材相对挠度不大于L/180,绝对挠度不大于20mm,且同时满足。
·本工程最大风压标准值为3KN/ m2,最大设计值为4.2 KN/ m2,根据要求,风压变形性能确定为Ⅱ级;2、其它性能:①耐冲击性能:·耐冲击性能表示幕墙对冰雹、大风时飞来物、飞鸟等撞击的能力;·耐冲击性能运动值分级·符合国家规范并满足本工程要求;根据钢化玻璃所能承受的运动量,本工程幕墙耐撞击性能达到Ⅲ级。
②平面内变形性能:·幕墙的平面内变形性能系指建筑幕墙在地震和大风作用下,建筑物各层之间产生相对位移时,幕墙构件产生水平方向的强制变形后,应予保持的性能。
作为分级依据的相对位移量用不导致构件损坏的位移量与幕墙层高之比(角变位值)表示。
·平面内变形性能根据框架剪力墙结构的层间弹性角变位值为3/650,确定为Ⅲ级。
设计说明中门窗的物理性能——各种性能的分级及选定根据《建筑工程设计文件编制深度规定》4.3.3(6)设计说明应有门窗性能(指外门窗)要求,从抗风压、水密性、保温性及隔声等方面考虑。
(KN/㎡=Kpa)一、抗风压性能分9级计算方法:1.计算围护结构风荷载标准值:W k = βgz μsl μz w o (建筑结构荷载规范7.1.1-2)式中:W k为风荷载标准值(KN/㎡)Βgz为高度z处的阵风系数(建筑结构荷载规范表7.5.1)μsl 为局部风压体型系数(建筑结构荷载规范41页取1.8最大值)μz为风压高度变化系数(建筑结构荷载规范表7.2.1)w o基本风压值(建筑结构荷载规范附表D4中50年一遇)2.作用在建筑玻璃上的风荷载设计值:W = y w W k (建筑玻璃应用技术规程5.1.1)式中:W为风荷载设计值(Kpa)(根据其计算结果查抗风压性能分级表,确定抗风压等级)y w为风荷载分项系数取1.4W k为风荷载标准值(根据1式计算的值)3.计算实例:如城市市区中18层高层住宅(约60米)1)先计算风荷载标准值W kΒgz为高度z处的阵风系数查表7.5.1C类地区60米取1.69μsl 为局部风压体型系数取1.8μz为风压高度变化系数查表7.2.1C类地区60米取1.35w o基本风压值查附表D-4(郑州地区)50年一遇0.45KN/m³W k=βgz μsl μz w o=1.69×1.8×1.35×0.45=1.8482)再算风荷载设计值WW = y w W k=1.4×1.848=2.58723)查抗风压等级2.5≤P3<3.0 故取4级附表1 郑州地区抗风压性能计算郑州市区按照C类地区计算高度高度z处阵风系数风荷载体形系数风压高度变化系数基本风压风荷载标准值风荷载设计值抗风压性能等级10 2.1000 1.8000 0.7400 0.4500 1.2587 1.7622 2.0000 20 1.9200 1.8000 0.8400 0.4500 1.3064 1.8289 2.0000 30 1.8300 1.8000 1.0000 0.4500 1.4823 2.0752 3.0000 40 1.7700 1.8000 1.1300 0.4500 1.6201 2.2681 3.0000 50 1.7300 1.8000 1.2500 0.4500 1.7516 2.4523 3.0000 60 1.6900 1.8000 1.3500 0.4500 1.8480 2.5872 4.0000 70 1.6600 1.8000 1.4500 0.4500 1.9497 2.7295 4.0000 80 1.6400 1.8000 1.5400 0.4500 2.0457 2.8640 4.0000 90 1.6200 1.8000 1.6200 0.4500 2.1258 2.9761 4.0000 100 1.6000 1.8000 1.7000 0.4500 2.2032 3.0845 5.0000附表2 郑州地区抗风压性能计算郑州郊区按照B类地区计算高度高度z处阵风系数风荷载体形系数风压高度变化系数基本风压风荷载标准值风荷载设计值抗风压性能等级10 1.7800 1.8000 1.0000 0.4500 1.4418 2.0185 3.0000 20 1.6900 1.8000 1.2500 0.4500 1.7111 2.3956 3.0000 30 1.6400 1.8000 1.4200 0.4500 1.8863 2.6409 4.0000 40 1.6000 1.8000 1.5600 0.4500 2.0218 2.8305 4.0000 50 1.5800 1.8000 1.6700 0.4500 2.1373 2.9922 4.0000 60 1.5600 1.8000 1.7700 0.4500 2.2366 3.1312 5.0000 70 1.5400 1.8000 1.8600 0.4500 2.3202 3.2482 5.0000 80 1.5300 1.8000 1.9500 0.4500 2.4166 3.3833 5.0000 90 1.5200 1.8000 2.0200 0.4500 2.4870 3.4818 5.0000 100 1.5100 1.8000 2.0900 0.4500 2.5563 3.5788 6.0000二、水密性能分为6级根据09技术措施195页,水密性不应低于3级,或按当地规定选定等级。
建筑隔声量计算建筑隔声计算根据《绿色建筑评价标准》GB/T50378-2006第4. 5.3条:4.5.3对建筑啊护结构采取有效的隔声、减噪措施,卧室、起居室的允许噪声级在关窗 状态卜•白天不大于45 dB (A 声级),夜间不大于35 dB (A 声级)。
楼板和分户墙的空 气声il •权隔声量不小于45dB,楼板的计权标准化撞击声声压级不大于70dB 。
外窗和户 门的空气声计权隔声量不小于30dBo墙体、门窗只需要计算空气声的隔声量即可,楼板则需同时分别 计算空气声及撞击声的隔声量。
所有的理论计算公式由于都是在许多不同假设条件下推导出来 的,所以计算值偏差普遍偏大,并不符合实际工程情况,无法直接应 用在工程实际中,《建筑隔声设计——空气声隔声技术》一书中,推 荐我们在工程中一般采用如下经验公式: R=23Logm-9 (适用于m^200kg/m 2, m 为构件的综合面密度)R=13. 5Logm+13 (适用于m^200kg/m 2, m 为构件的综合面密度) 面密度:指固定厚度的情况下,单位面积的重量,单位:kg/m 2o 综合面密度:指单位面积内,构件各构造材料的重量之和。
例,某建筑外墙的构造为:水泥砂浆(20mm )+轻质保温砂浆(30mm ) +砂加气制品(200mm ) +石灰水泥砂浆(20mm ),各构造层对应密度分 别为 1800kg/m\ 350kg/m\ 760kg/m\ 1700kg/m 3o则外墙的综合面密度为 m=20*l. 8+30*0. 35+200*0. 76+20*1. 7 =232. 5kg/m 2>200kg/m 2该外墙的综合面密度大于200kg/m 2,则釆用以下公司计算: R=23Logm-9=23Log (232.5) -9=45. 43dB玻璃窗及幕墙的隔声量计算(1):计算单层构件时釆用:m :构件的面密度;(2):计算中空或夹层构件时釆用:R=13. 5 Log (ml+m2)+13+ARl (公式二) 上面公式中:R=13. 5 Log m+13上面公式中:(公式一) R : 单层玻璃的隔声量;R :双层玻璃结构的隔声量;m1,m2 :组成构件的面密度;△R1 :双层构件中间层的附加隔声量:对于PVB膜,当膜厚为0.38时取4dB;当膜厚为0.76时取5.5dB ;当膜厚为1.14时取6dB;当膜厚为1.52时取7dB;对空气层,按“瑞典技术大学”试验测定参数曲线选取,在空气层为100mm以下时,附加隔声量近似等于空气层厚度的0.1 ;(3):计算中空+夹层构件时采用:R=13.5 Log (m1+m2+m3)+13+ △ R1+A R2 (公式三) 上面公式中:△R1:构件空气层的附加隔声量;△R2:构件PVB1的附加隔声量;其它参数可以参看双层玻璃构件;(4):计算三片双中空构件时采用:R=13.5 Log (m1+m2+m3)+13+ △ R1+A R2 (公式四) 上面公式中:△R1 :构件空气层1的附加隔声量;△R2:构件空气层2的附加隔声量;其它参数可以参看双层玻璃构件;示例:双层中空玻璃的规格为5+6A+5,则其隔声量计算采用公式二,即R=13.5 Log (m1+m2)+13+ △ R1= 13.5Log (2.5* (5+5)) +13+6*0.1=31.77dB组合构件的隔声量计算组合构件:是指墙上带有门、窗或楼板上有较大孔洞的构件。
塑钢门窗工程技术要求目录一、塑钢型材、玻璃与配件二、门窗设计及性能指标三、门窗制作安装四、其他五、附录附表1:塑钢门窗安装允许偏差和检验方法附表2:本标准规定试验检验项目一览表附录3:PVC塑钢门窗重点质量检查一览表沈阳万科彩色塑钢门窗工程技术要求一、塑钢型材、玻璃与配件(一) 塑钢型材注:当根据强度需采用拼接增强钢板时,钢板两侧应选用小规格框料;当采用45度拼接时,应注意框焊接后边框裁边后钢衬腔外露的密封。
(二)玻璃(5+9A+4+9A+4)1、玻璃选用标准要求:(1)玻璃底边离室内最终装饰地面高度≤900㎜,采用内片钢化中空玻璃.(2)2、玻璃垫块必须使用弹性良好的塑料垫块,玻璃中空铝条严禁高出型材可视面.3、玻璃应符合《建筑玻璃应用技术规程》(JGJ113-2003)要求。
选用秦皇岛耀华产品.4、以上表中对玻璃厚度及种类的要求为最低要求,所有玻璃厚度须由投标单位按照本附件进行玻璃抗风压计算设计、防热炸裂设计、镶嵌结构设计、隔声性能设计、保温性能设计。
5、中空玻璃为设置分子筛(干燥剂)、铝条及丁基胶和聚硫胶的双层胶封边的中空玻璃,丁基胶和聚硫胶选用郑州中原产品。
(三)五金配件1、五金配置(1)内平开窗注:楼梯间推拉窗采用国产优质月牙锁及滑轮,窗框滑道设置铝滑轨.(6)执手下移解决方案:外平开窗采用RA2000系列传动机构,必须满足执手距离地面的高度要求;内开窗采用N210/211A0X206传动器。
2、PVC型材应与增强型钢、五金件相适应。
4、根据门窗扇的重量选配五金配件(标称承载能力应大于实际荷载的1。
5培),活动五金应能满足使用5万次以上的A级产品。
5、平开门窗采用的传动多点锁:锁点离转角处不大于200mm,两锁点之间的距离不大于800mm;合页(或滑撑)一则,铰链之间距离大于800mm以上时,扇中部设置一个暗藏铰链;平开扇宽度大于800mm的,上下边也应设置锁点。
6、窗执手高度对于内开窗应满足高度不大于1800mm;对于外开窗应满足不大于1650mm的要求.7、宽度小于800mm的上悬窗可以采用七字执手,宽度大于800mm的按照上条执行。
窗户作为建筑外围护结构的开口部位,不但要满足人们采光、日照、通风、视野等基本要求,还要具有优良的保温、隔热、隔声性能,才能为人们提供舒适、宁静的室内环境,才能满足人们节约能源、保护环境,改善热舒适条件,提高生活水平,实现社会可持续发展的要求。
我国建筑能耗(包括建造能耗和使用能耗)约占全国能源消耗总量的1/4,建筑使用能耗占建筑能耗1/2以上,而采暖、空调能耗又占建筑使用能耗1/2左右。
建筑节能的重点就是采暖和降温能耗[1]。
窗户是薄壁的轻质构件,是建筑保温、隔热、隔声的薄弱环节。
普通单层玻璃窗的能量损失约占建筑物冬季保温或夏季降温能耗的一半以上,其隔声量25dB左右,只有厚重外墙隔声量的一半。
因此,窗户是改善室内热、声环境和建筑节能的重中之重。
我国地域广阔,从北方严寒的东三省到南国炎热的海南岛,从干燥的西北内陆到潮湿的东南沿海,气候环境差别巨大。
只有根据各地建筑气候特点与设计要求,才能正确进行建筑外窗的选择和节能工作的开展。
2 夏热冬暖地区建筑气候特点与基本要求夏热冬暖地区,即通常所谓华南地区,是《民用建筑热工设计规范》GB 50176—93(以下简称《热工规范》)规定的热工设计分区之一,属于我国《建筑气候区划标准》GB 50178—93规定的第IV建筑气候区。
该地区位于我国南部,包括海南、台湾全境;福建南部;广东、广西大部以及云南西南部和元江河谷地区,北回归线横贯其北部,属地理学中南亚热带至热带气候。
该区长夏无冬,温高湿重,气温年较差和日较差均小,由于有海陆风的调节,居民已习惯该地气候,不感到闷热。
该区最冷月(1月)平均气温高于10℃,最热月(7月)平均气温25~29℃,极端最高气温一般低于40℃,年日平均气温≥25℃的日数为100~200d,年平均相对湿度为80%。
该地区雨量充沛,是我国降水最多的地区,多热带风暴和台风袭击,易有大风暴雨天气;太阳高度角大,日照较少,太阳辐射强烈。
对夏热冬暖地区建筑的基本要求是:建筑物必须充分满足夏季防热、通风、防雨要求,冬季可不考虑防寒、保温。