锅炉用水要求
- 格式:doc
- 大小:21.00 KB
- 文档页数:11
锅炉用水水质标准锅炉用水是指用于蒸汽锅炉和热水锅炉的水。
锅炉用水的水质直接关系到锅炉的安全运行和使用寿命,因此对锅炉用水的水质标准有着严格的要求。
本文将就锅炉用水的水质标准进行详细介绍,以便广大用户更好地了解和掌握相关知识。
首先,锅炉用水的水质标准主要包括以下几个方面,水质化学成分、水质物理性质、水质微生物和有害物质。
其中,水质化学成分是指水中主要的化学成分,包括水硬度、氧化性、碱度、氯离子含量等;水质物理性质是指水的物理性质,包括水的颜色、浑浊度、气味等;水质微生物是指水中的微生物数量和种类,主要包括细菌、藻类等;有害物质是指水中的有害物质,如重金属、有机物等。
其次,根据锅炉用水的不同要求,水质标准也有所不同。
一般来说,对于蒸汽锅炉,水质要求更为严格,主要是因为蒸汽锅炉的工作条件更为苛刻。
蒸汽锅炉用水一般要求水质化学成分稳定,水质物理性质良好,水质微生物和有害物质含量低。
而对于热水锅炉,水质要求相对较低,但也需要保证水质的稳定和安全。
另外,锅炉用水的水质标准还受到地区和行业的影响。
不同地区的水质不同,因此对于锅炉用水的水质标准也会有所不同。
同时,不同行业对于锅炉用水的要求也有所不同,需要根据实际情况进行调整。
最后,为了保证锅炉用水的水质符合标准,用户在选择和使用锅炉用水时,需要进行水质检测和水质处理。
水质检测可以通过专业的水质检测机构进行,以确保水质符合标准;水质处理则可以通过水质处理设备进行,以达到水质标准要求。
综上所述,锅炉用水的水质标准是保证锅炉安全运行和使用寿命的重要因素。
用户在选择和使用锅炉用水时,需要了解和掌握相关的水质标准,以确保锅炉用水的水质符合要求,从而保证锅炉的安全运行和使用。
锅炉用水水质标准锅炉用水水质标准是指用于工业锅炉的水质要求,它直接关系到锅炉的安全运行和使用寿命。
合格的锅炉用水水质标准能够有效预防锅炉结垢、腐蚀、泄漏等问题,保证锅炉的高效、稳定运行。
因此,严格遵守锅炉用水水质标准,对于保障生产安全、节约能源、延长设备寿命具有重要意义。
锅炉用水水质标准主要包括以下几个方面:1. pH值,pH值是衡量水溶液酸碱度的指标。
对于工业锅炉来说,水的pH值应保持在8.5-12之间,过低或过高的pH值都会对锅炉造成腐蚀和结垢的危害。
2. 溶解氧,水中的溶解氧含量直接影响金属材料的腐蚀情况。
在锅炉用水中,溶解氧含量一般要求控制在0.1mg/L以下,以减少金属材料的腐蚀速度。
3. 硬度,水中的硬度主要由钙、镁等金属离子组成,硬度过高容易导致结垢,影响热交换效果。
因此,锅炉用水的硬度一般要求控制在100mg/L以下。
4. 渣沉积物含量,锅炉用水中的渣沉积物含量过高会导致锅炉管道堵塞、热效率降低等问题。
因此,渣沉积物含量一般要求控制在25mg/L以下。
5. 硅酸盐含量,水中的硅酸盐含量过高容易导致管道结垢、影响热交换效果。
因此,硅酸盐含量一般要求控制在150mg/L以下。
综上所述,锅炉用水水质标准是确保锅炉安全、高效运行的重要保障。
只有严格遵守水质标准,定期对水质进行监测和处理,才能有效预防锅炉结垢、腐蚀等问题,延长锅炉的使用寿命,保障生产安全。
因此,对于锅炉使用单位来说,建立健全的水质管理制度,加强对水质的监测和处理工作,是非常重要的。
同时,锅炉使用单位还应加强对锅炉操作人员的培训,提高其对水质管理的重视和处理能力,共同保障锅炉的安全、稳定运行。
锅炉的水质要求要点锅炉是一个用于将水加热成为蒸汽,并输出热量的设备。
在进行锅炉的设计、制造和运行时,水质是一个非常重要的因素,因为水质的好坏直接关系到锅炉的安全运行、能源消耗和使用寿命。
在本文档中,我们将介绍锅炉的水质要求要点。
锅炉的水质要求1. pH值pH值是衡量水质酸碱程度的指标,对于锅炉而言,水质的pH值应该介于7.0和12.0之间,通常应该维持在8.0-10.5的范围内。
如果水质的pH值过低或过高,都会对锅炉产生不良影响。
2. 溶解氧浓度溶解氧浓度是衡量水中含氧气的指标,对于锅炉而言,溶解氧浓度应该尽可能地降低,因为氧气会导致腐蚀和机械损坏。
一般来说,水质的溶解氧浓度应该低于0.1mg/L。
3. 总硬度锅炉水中的硬度主要来自于水中的钙、镁和铝等金属元素,硬度会对锅炉和锅炉管道产生不利影响,这是因为硬度会在锅炉内部形成水垢,降低热交换效率,增加燃料消耗。
一般锅炉的水质总硬度应该小于60mg/L。
4. 氯离子浓度氯离子是一种常见的阴离子,它会对锅炉产生腐蚀性影响。
因此,锅炉的水质中的氯离子浓度应该尽可能地降低,通常应该维持在低于50mg/L。
锅炉水质处理方法为了保持锅炉的安全运行和有效利用,需要对锅炉的水质进行处理。
处理水质的方法主要有以下几种:1. 化学处理化学处理是用化学反应来处理锅炉水质的方法,这种方法可以去除水中的杂质、溶解氧和硅砂等物质。
化学处理通常包括表面活性剂、消泡剂、清洁剂、除垢剂等,不同的处理方法会根据不同的水质情况采用不同的方法。
2. 热处理热处理是一种将水加热至一定温度,并将溶解物质溶解出来的方法。
这种方法主要用于清除水中的氧气、二氧化碳和有机物等。
通过热处理可以较好地保证锅炉的安全运行和使用寿命。
3. 离子交换离子交换是一种用于去除水中硬度离子的方法,工作原理是用一种具有离子选择性的树脂,通过交换作用去除水中的钙、镁等离子。
这种方法可以有效去除水垢,保证锅炉的热交换效率。
•要使锅炉给水达到或接近国家标准,使锅内不结垢或少结垢,减缓内部腐蚀,笔者建议采取以下措施加以防范:1、锅炉房应因炉、因水制宜选用水处理方法。
(1)小于2t/h、1MPa的锅炉、火管式锅炉,应尽量采用锅外化学处理。
(2)大于2t/h、1Mpa的锅炉、水管与水火管组合式锅炉,必须采用锅外化学处理,且应积极除氧。
(3)大于或等于10t/h、1.6Mpa的锅炉,除锅外化学处理外,锅炉应加磷酸盐补充处理,且必须除氧。
2、加强水质化验人员培训,完善管理体制。
对于水处理化验人员和锅炉房有关人员,必须严格要求,要进行水处理知识的普及教育,特别对水处理化验操作人员要实行持证上岗。
领导要尽量少调动他们的工作,便于他们学习技术,积累经验。
3、未经试验鉴定的各类药剂不要使用。
因为各单位水源水质不同,有些药剂在甲地可用,在乙地则不一定可用;因为压力不同,传热面结构和热负荷不同,在火管锅炉上能用,在水管锅炉上可能会发生事故,故在选择药剂方面要先作试验,经当地锅炉检验部门鉴定同意后再使用,这样才能做到安全可靠。
4、加强铁制罐体检查,保证软水质量。
采用锅外化学水处理的铁制罐体,特别是使用树脂交换剂时,必须作好防腐工作,定期检查设备,才能保证软水设备的正常运行。
发现树“铁中毒”,及时找出原因,同时用10%的盐酸对树脂进行复苏处理。
5、严格水质标准,化验项目齐全,数据准确。
结合自己的炉型,严格水质标准,对锅炉水处理不仅要控制给水硬度和锅水酸碱度,同时还要控制锅水含盐量。
凡利用锅内加药水处理方法的,必须坚持对锅水的日常化验分析。
6、制定正确的排污制度和排污方法。
(1)对于具有底部定期排污和表面连续排污两种装置的锅炉;底排每班至少一次,表排阀门保持一定开度。
每隔1-2小时取锅水样一次,分析总碱度、PH值、溶固物(或氯离子),与标准对照,如某项超标,则适当调整阀门开度,直至各项合格。
(2)对于具有底部排污耐我表面排污装置的锅炉:底排每班至少一次,分析总碱度、PH值、氯离子(代替溶固物),与标准对照比较。
1) 硬度mmol/L的基本单元为c(1/2Ca2+、1/2Mg2+),下同。
2) 碱度mmo1/L的基本单元为c(OH-、1/2CO32-、HCO3-),下同。
机构同意后,碱度指标上限值可适当放宽。
3) 当锅炉额定蒸发量大于等于6t/h时应除氧,额定蒸发量小于6t/h的锅炉如发现局部腐蚀时,给水应采取除氧措施,对于供汽轮机用汽的锅炉给水含氧量应小于等于0、05mg/L。
4) 如测定溶解固形物有困难时,可采用测定电导率或氯离子(Cl-)的方法来间接控制,但溶解固形物与电导率或与氯离子(Cl-)的比值关系应根据试验确定。
并应定期复试与修正此比值关系。
5) 全焊接结构锅炉相对碱度可不控制。
6) 仅限燃油、燃气锅炉2、额定蒸发量小于等于2t/h,且额定蒸汽压力小于等于1、0MPa的蒸汽锅炉与汽水两用锅炉(如对汽、水品质无特殊要求)也可采用锅内加药处理。
但必须对锅炉的结垢、腐蚀与溶解固形物,mg/L<50003 、承压热水锅炉给水应进行锅外水处理,对于额定功率小于等于4、2MW非管架式承压的热水锅炉与常压热水锅炉,可采用锅内加药处理,但必须对锅炉的结垢、腐蚀与水质加强监督,认真做好加药工作,其水质应符合表3的规定。
锅内加药处理锅外化学处理项目给水锅水给水锅水悬浮物,mg/L≤20≤5总硬≤6≤0、6度,mmol/LPH(25℃)1)≥710-12≥7溶解≤0、1氧,mg/L2)含油量,mg/L≤2≤21)通过补加药剂使锅水pH值控制在10-12。
2)额定功率大于等于4、2MW的承压热水锅炉给水应除氧,额定功率小于4、2MW 的承压热水锅炉与常压热水锅炉给水应尽量除氧。
4、直流(贯流)锅炉给水应采用锅外化学水处理,其水质按表1中额定蒸汽压力为大于1、6Mpa、小于等于2、5Mpa的标准执行。
5、余热锅炉及电热锅炉的水质指标应符合同类型、同参数锅炉的要求。
6、水质检验方法应按附录A(标准的附录)执行。
一、电力锅炉除盐水处理系统,锅炉除盐水系统锅炉是生产蒸汽或热水的换热设备。
随着经济的发展,锅炉越来越广泛的应用于生产和生活的各个部门。
水是锅炉的换热介质,锅炉给水的水质好坏,对于锅炉的安全运行、能源消耗和使用寿命有至关重要的影响。
电力锅炉除盐水处理系统,锅炉除盐水系统锅炉种类繁多,可按本体结构、压力、蒸发量、燃烧方式、燃料品种等划分为不同类别。
由于其容量、水容量、蒸发量、工作压力的不同,各类锅炉对给水和炉水水质要求各异。
一般情况下,容量越大,水容量越小,蒸发量越大,工作压力越高的锅炉对水质要求越高。
二、锅炉分类低压、中压、高压和超高压锅炉是由锅炉产生蒸汽的压力大小不同而划分的。
按照表压力分等级如下:低压锅炉:<2.45Mpa(<25kgf/cm2);中压锅炉:3.82-5.78Mpa(39-59kgf/cm2);高压锅炉:5.88-12.64Mpa(60-129kgf/cm2);超高压锅炉:12.74-15.58Mpa(130-159kgf/cm2);亚临界锅炉:15.68-18.62Mpa(160-190kgf/cm2);高临界锅炉:>22.45Mpa(>229kgf/cm2);由于锅炉的工作压力不同,对于水质要求以及控制方法上也有不同。
工作压力越高的锅炉,对水质的要求也越高,控制也越严。
水质控制的目的是防上锅炉及其附属水、汽系统中的结垢和腐蚀,确保蒸汽质量,汽轮机的安全运行,并在保证上述条件下,减少锅炉的排污损失,提高经济效益。
低压锅炉可以在炉内水处理,但目前一般是采用炉外水处理的方式以软化水作为补给水;中压锅炉及部分高压锅炉,通常采用脱碱、除硅、除盐和钠离子交换(中压锅炉)后的软化水作为补充水。
而在炉内主要采用磷酸盐处理。
对于高压及亚临界汽包锅炉,现在一般都是用化学除盐水补给,而在炉内采用磷酸盐处理或是挥发性处理。
对于直流锅炉必须采用挥发性处理。
此外,对给水处理中的溶解氧、炉水的含盐量、SiO2和pH值的调节等,也因锅炉压力的提高而要求更严。
锅炉用水标准
锅炉用水是指用于供热锅炉系统的水,其质量直接关系到锅炉
运行的安全性和效率。
因此,制定和执行锅炉用水标准是非常重要的。
本文将就锅炉用水标准的相关内容进行介绍和分析。
首先,锅炉用水标准应包括水质要求和水处理方法两个方面。
对于水质要求,首先应保证水中无杂质和有害物质,如铁、铜、氧、二氧化碳等。
其次,水中的硬度和碱度也需要符合规定的范围,以
防止在锅炉内部产生水垢和腐蚀。
对于水处理方法,应根据水质情
况选择合适的处理工艺,如软化、膜分离、离子交换等,以保证供
给锅炉的水质符合标准要求。
其次,锅炉用水标准还应包括水质监测和控制方法。
水质监测
是指定期对供给锅炉的水进行化验分析,以确定水质是否符合标准
要求。
水质控制是指根据监测结果采取相应的措施,如调整水处理
工艺、更换处理设备等,以保证水质符合标准要求。
另外,锅炉用水标准还应包括水质管理和应急处理措施。
水质
管理是指建立健全的水质管理制度,包括责任部门、管理程序、记
录和档案等,以保证水质长期稳定。
应急处理措施是指在水质突然
变坏或出现异常情况时,能够迅速采取相应的措施,以保证锅炉安全运行。
总之,锅炉用水标准是保证锅炉安全运行和提高能效的重要保障。
只有严格执行锅炉用水标准,才能有效预防因水质问题而引起的锅炉事故,保证供热系统的正常运行。
因此,各相关部门和企业应高度重视锅炉用水标准的制定和执行,以保证供热系统的安全、稳定和高效运行。
锅炉用水标准
锅炉用水标准是指在工业锅炉和生活锅炉中使用的水应符合的一系列物理化学指标和要求。
锅炉用水的质量直接关系到锅炉的安全运行和使用寿命,因此严格遵守锅炉用水标准至关重要。
首先,锅炉用水应符合一定的PH值要求。
PH值是衡量水的酸碱性的指标,对于不同类型的锅炉,PH值的要求也有所不同。
一般来说,工业锅炉要求PH值在8.5-9.5之间,而生活锅炉则要求在7-9之间。
PH值过高或过低都会对锅炉造成损害,因此严格控制水质的PH值至关重要。
其次,锅炉用水的硬度也是一个重要的指标。
硬度主要由水中的钙和镁离子所决定,硬度过高会导致水垢的产生,影响锅炉的热传导效果,增加能耗,甚至损坏锅炉设备。
因此,锅炉用水的硬度要符合相应的标准,一般来说,工业锅炉要求硬度在100-300mg/L之间,生活锅炉则要求在75-150mg/L之间。
除此之外,锅炉用水还应符合一定的溶解氧要求。
溶解氧是水中的重要指标之一,它直接关系到水的腐蚀性和锅炉的安全运行。
一般来说,溶解氧的含量应控制在0.1-0.3mg/L之间,过高或过低都会对锅炉造成损害,因此定期对锅炉用水进行溶解氧的监测和调节是十分必要的。
此外,锅炉用水还应符合一定的总硅含量和总铁含量要求。
总硅含量和总铁含量过高都会对锅炉造成损害,因此也需要严格控制水质的这两个指标。
综上所述,锅炉用水标准是确保锅炉安全运行和使用寿命的重要保障。
严格遵守锅炉用水标准,定期对锅炉用水进行监测和调节,是保证锅炉安全运行的关键之一。
希望各位操作人员能够严格执行锅炉用水标准,确保锅炉的安全运行和使用寿命。
锅炉水质相关标准锅炉水质相关标准:1. 悬浮物:普通水中的悬浮物主要是泥土、砂粒、腐殖质等,而锅炉用水中的悬浮物除了这些之外,还包括在水中不溶的呈悬浮状态存在的水垢和溶于水中的各种盐类。
这些悬浮物会降低锅炉的传热效率,甚至堵塞水循环系统,因此需要严格控制。
2. 含盐量:普通水中的含盐量较低,而锅炉用水中的含盐量较高。
这些盐类主要包括钙、镁、钠、钾等离子,它们在高温下会与水反应生成各种化合物,如水垢、氧化铁等,这些化合物附着在锅炉受热面上会降低锅炉的传热效率。
因此,需要限制锅炉用水的含盐量。
3. 含油量:普通水中的含油量较低,而锅炉用水中的含油量较高。
这些油脂会在高温下分解成各种有机物,附着在锅炉受热面上形成一层油垢,影响传热效率。
因此,需要限制锅炉用水的含油量。
4. pH值:普通水的pH值通常呈中性或弱酸性,而锅炉用水的pH值需要控制在一定范围内。
如果pH值过低,水呈酸性,会腐蚀锅炉受热面;如果pH值过高,水呈碱性,会产生水垢。
因此,需要将pH值控制在适当的范围内以避免对锅炉受热面造成损害。
锅炉用水与普通水的区别:1. 硬度:普通水的硬度较低,而锅炉用水一般硬度较高。
这是因为锅炉用水需要经过加热处理以软化水中的钙、镁等离子,防止水垢的形成。
2. 温度:普通水的温度一般较低,而锅炉用水的温度较高。
这是因为锅炉用水需要在高温下进行加热处理以达到一定的蒸汽压力。
3. 处理方式:普通水一般不需要经过特殊处理就可以使用,而锅炉用水则需要经过一系列的处理过程才能使用。
这些处理过程包括沉淀、过滤、除氧、软化、脱盐等,以去除水中的悬浮物、杂质、气体和盐类等有害物质。
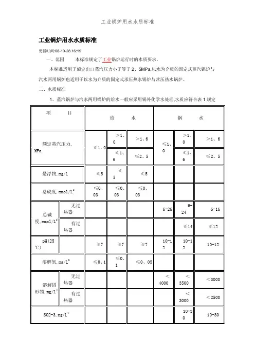
炉水质相关标准1. 范围本标准规定了工业锅炉水质指标及测试方法,适用于额定出口蒸汽压力小于2.5MPa,以水为介质的固定式蒸汽锅炉和汽水两用锅炉。
2. 引用标准下列标准所包含的条文,通过在本标准中引用而构成为本标准的条文。
本标准出版时,所示版本均为有效。
锅炉用水标准
锅炉是工业生产中常用的热能设备,它们使用水作为热媒介来
传递热能。
因此,锅炉用水的质量直接影响锅炉的安全运行和热效率。
为了保证锅炉的正常运行,我们需要严格遵守锅炉用水标准。
首先,锅炉用水应符合国家相关标准和规定。
国家对于锅炉用
水的质量有着严格的要求,其中包括水的化学成分、物理性质、微
生物指标等方面的标准。
我们在选用锅炉用水时,必须确保所选用
的水源符合国家相关标准,以保证锅炉的正常运行。
其次,锅炉用水的硬度应符合要求。
水的硬度是指水中溶解的
钙和镁离子的含量,硬度过高会导致锅炉结垢,影响传热效率,甚
至引起锅炉管道堵塞。
因此,在选择锅炉用水时,我们需要对水源
的硬度进行测试,并根据锅炉的要求进行适当的处理,以保证水的
硬度符合标准。
此外,锅炉用水的PH值也是一个重要指标。
PH值是衡量水的
酸碱度的指标,过高或过低的PH值都会对锅炉造成损害。
因此,我
们需要定期对锅炉用水的PH值进行检测,并根据检测结果进行调整,以保证水的PH值在合适的范围内。
最后,锅炉用水中的杂质和溶解氧也是需要重点关注的指标。
水中的杂质和溶解氧会影响水的清洁度和氧化腐蚀情况,因此我们
需要对水中的杂质和溶解氧进行定期检测,并采取相应的措施进行
处理,以保证锅炉用水的清洁度和氧化腐蚀指标符合标准。
总之,锅炉用水标准是保证锅炉安全运行和热效率的重要保障。
我们在选择和使用锅炉用水时,必须严格遵守相关标准和规定,确
保水质符合要求,以保证锅炉的正常运行和长期稳定运行。
锅炉循环水水质标准锅炉循环水水质标准是指锅炉在运行过程中循环水所需符合的一系列物理化学指标和要求。
锅炉循环水的水质标准直接关系到锅炉的安全运行和热效率,因此对于锅炉循环水的水质标准必须要有清晰的认识和严格的控制。
首先,锅炉循环水水质标准应包括以下几个方面的内容:1. pH值,锅炉循环水的pH值是指水的酸碱度,一般要求在8.5-9.5之间。
过低的pH值会导致锅炉金属腐蚀,过高的pH值则会影响水中的溶解氧含量,从而影响锅炉的热效率。
2. 溶解氧含量,溶解氧是导致锅炉腐蚀的主要原因之一,因此循环水中的溶解氧含量必须要控制在合理范围内,一般要求在0.1mg/L以下。
3. 盐度,循环水中的盐度过高会导致结垢和腐蚀,因此要求盐度不能超过一定的限制值。
4. 总硬度,锅炉循环水中的总硬度主要由水中的钙、镁离子组成,过高的总硬度会导致结垢和管道堵塞,因此需要进行适当的软化处理。
5. 游离氯含量,游离氯是导致锅炉腐蚀的另一个重要原因,因此需要对循环水中的游离氯含量进行严格控制。
在实际的锅炉运行中,为了保证循环水的水质符合标准,通常需要进行水质的监测和调节。
监测循环水的水质主要包括对各项指标的定期检测和分析,以及根据检测结果进行相应的调节和处理。
调节循环水的方法主要包括化学处理、物理处理和生物处理等。
化学处理是指向循环水中加入化学药剂,以调节水质的方法。
常用的化学药剂包括缓蚀剂、杀菌剂、缩小剂等,通过加入这些化学药剂可以有效地控制循环水的水质。
物理处理是指利用物理手段来改善循环水的水质,常见的物理处理方法包括过滤、软化、除氧等。
这些方法可以有效地去除循环水中的杂质和溶解气体,从而改善水质。
生物处理是指利用生物手段来控制循环水中微生物的生长和繁殖,常见的生物处理方法包括生物杀菌剂、生物除垢剂等。
这些方法可以有效地控制循环水中微生物的数量,从而减少对锅炉的影响。
总之,锅炉循环水的水质标准是保证锅炉安全运行和热效率的重要保障。
供热锅炉补水标准
一、水质要求
1.补给水应采用软化水或除盐水,以防止锅炉结垢和腐蚀。
2.水中不应含有悬浮物、胶体物、有机物、氯离子、硫酸根离子、硝酸根离子等杂质,以保证锅炉安全运行。
3.水质应满足《工业锅炉水质》GB1576的规定。
二、补水水量
1.锅炉补水量应与蒸发量保持相对平衡,一般控制在蒸发量的10%-15%之间。
2.补水量应考虑到排污、损失等因素,确保锅炉正常运行。
三、补水时间
1.补水应定时、定量,根据运行情况调整补水时间,确保水位稳定。
2.补水时应注意水压波动,避免水压过高或过低。
四、水压与温度
1.水压应保持在规定范围内,防止过高或过低影响正常运行。
2.水温应适宜,以防止水冷壁管内壁结垢或腐蚀。
一般应控制在50℃-100℃之间。
五、余氯含量
1.余氯含量应符合《工业锅炉水质》GB1576的规定。
2.余氯含量过高会影响锅炉的腐蚀和结垢,过低则无法有效杀灭水中的微生物和细菌。
六、水处理设备
1.应配备合适的水处理设备,如软水器、除氧器等,以保证水质符合要求。
2.水处理设备应定期检查和维护,确保正常运行。
七、锅炉水循环系统
1.锅炉水循环系统应保持畅通,防止水循环不良导致受热不均或结垢。
2.水循环系统应定期清洗和检修,以确保正常运行。
八、维护与保养
1.应定期对锅炉进行检查和维护,确保其正常运行。
2.对锅炉的维护和保养应做好记录,并存档备查。
锅炉用水水质标准锅炉是工业生产中常见的热能设备,其正常运行对水质有着严格的要求。
锅炉用水的水质标准直接影响着锅炉的安全运行和使用寿命,因此,合理选择和控制锅炉用水的水质是非常重要的。
首先,锅炉用水的水质应符合国家标准和行业规范。
国家标准对于锅炉用水的水质有着明确的规定,包括水质指标、水质等级、水质检测方法等内容。
在选择锅炉用水时,应当参照国家标准进行选择,并严格按照标准要求进行水质检测和控制。
其次,锅炉用水的水质应符合锅炉的要求。
不同类型的锅炉对水质的要求有所不同,例如,燃煤锅炉对水质的要求与燃气锅炉可能会有所差异。
在选择锅炉用水时,应当根据锅炉的类型和要求进行选择,并严格按照锅炉厂家的要求进行水质控制。
另外,锅炉用水的水质应符合现场水质的实际情况。
在实际生产中,不同地区的水质可能会有所差异,因此在选择锅炉用水时,应当充分考虑当地水质的情况,并根据实际情况进行水质调整和控制。
此外,锅炉用水的水质应符合环保要求。
随着环保意识的增强,对于工业生产中的废水排放也有着越来越严格的要求。
在选择锅炉用水时,应当考虑水质对环境的影响,并尽量选择符合环保要求的水质。
最后,锅炉用水的水质应符合经济性要求。
在选择锅炉用水时,除了考虑水质的安全性和环保性外,还应当考虑水质的经济性,选择经济合理的水质,以降低生产成本。
综上所述,合理选择和控制锅炉用水的水质对于锅炉的安全运行和使用寿命至关重要。
在选择锅炉用水时,应当综合考虑国家标准、锅炉要求、实际情况、环保要求和经济性要求,选择合适的水质,并严格按照标准要求进行水质检测和控制,以确保锅炉用水的水质符合要求,为锅炉的正常运行提供保障。
锅炉水排放标准
锅炉水排放标准主要包括以下几个方面:
1. 悬浮物:锅炉水中悬浮物的含量应符合国家和地方的相关标准,通常不应超过 50mg/L。
2. 总硬度:锅炉水中总硬度的含量应符合国家和地方的相关标准,通常不应超过 450mg/L。
3. pH 值:锅炉水的 pH 值应控制在 7.0-9.2 之间,以避免腐蚀和结垢。
4. 溶解氧:锅炉水中溶解氧的含量应符合国家和地方的相关标准,通常不应超过 0.1mg/L。
5. 含油量:锅炉水中含油量的含量应符合国家和地方的相关标准,通常不应超过 2mg/L。
6. 总碱度:锅炉水中总碱度的含量应符合国家和地方的相关标准,通常不应超过 2200mg/L。
需要注意的是,不同类型的锅炉对水质的要求也有所不同,具体的排放标准应根据锅炉的类型、使用环境和当地的环保要求来确定。
同时,为了确保锅炉的安全运行和环境保护,应定期对锅炉水进行监测和处理。
锅炉用水要求锅炉用水要求一、电力锅炉除盐水处理系统,锅炉除盐水系统锅炉是生产蒸汽或热水的换热设备。
随着经济的发展,锅炉越来越广泛的应用于生产和生活的各个部门。
水是锅炉的换热介质,锅炉给水的水质好坏,对于锅炉的安全运行、能源消耗和使用寿命有至关重要的影响。
电力锅炉除盐水处理系统,锅炉除盐水系统锅炉种类繁多,可按本体结构、压力、蒸发量、燃烧方式、燃料品种等划分为不同类别。
由于其容量、水容量、蒸发量、工作压力的不同,各类锅炉对给水和炉水水质要求各异。
一般情况下,容量越大,水容量越小,蒸发量越大,工作压力越高的锅炉对水质要求越高。
二、锅炉分类低压、中压、高压和超高压锅炉是由锅炉产生蒸汽的压力大小不同而划分的。
按照表压力分等级如下:低压锅炉:<2.45Mpa(<25kgf/cm2);中压锅炉:3.82-5.78Mpa(39-59kgf/cm2);高压锅炉:5.88-12.64Mpa(60-129kgf/cm2);超高压锅炉:12.74-15.58Mpa(130-159kgf/cm2);亚临界锅炉:15.68-18.62Mpa(160-190kgf/cm2);高临界锅炉:>22.45Mpa(>229kgf/cm2);由于锅炉的工作压力不同,对于水质要求以及控制方法上也有不同。
工作压力越高的锅炉,对水质的要求也越高,控制也越严。
水质控制的目的是防上锅炉及其附属水、汽系统中的结垢和腐蚀,确保蒸汽质量,汽轮机的安全运行,并在保证上述条件下,减少锅炉的排污损失,提高经济效益。
低压锅炉可以在炉内水处理,但目前一般是采用炉外水处理的方式以软化水作为补给水;中压锅炉及部分高压锅炉,通常采用脱碱、除硅、除盐和钠离子交换(中压锅炉)后的软化水作为补充水。
而在炉内主要采用磷酸盐处理。
对于高压及亚临界汽包锅炉,现在一般都是用化学除盐水补给,而在炉内采用磷酸盐处理或是挥发性处理。
对于直流锅炉必须采用挥发性处理。
此外,对给水处理中的溶解氧、炉水的含盐量、SiO2和pH值的调节等,也因锅炉压力的提高而要求更严。
锅炉水质标准锅炉水质是指在锅炉中使用的水的质量要求。
锅炉水质的标准受到各种条件的影响,例如锅炉设计、制造材料、水源地区、水质处理方式等。
因此,各个国家和地区都制定了相应的锅炉水质标准以确保锅炉的安全和高效运行。
在中国,锅炉水质标准由国家质量监督检验检疫总局和国家标准化管理委员会联合发布了《锅炉用水质量标准(GB1576-2001)》。
该标准主要包括以下几个方面:1. 总硬度:锅炉水中的总钙和镁离子浓度,通常以毫克每升(mg/L)来表示。
总硬度应控制在100 mg/L以下。
2. pH值:锅炉水的pH值是指水的酸碱程度,对于大多数锅炉来说,pH值应该控制在7-12之间。
3. 溶解氧:氧气是锅炉中的一个常见污染物,它会造成腐蚀和垢积。
溶解氧的含量应控制在0.1 mg/L以下。
4. 硅酸盐:硅酸盐是锅炉水中的另一个常见污染物,它会造成热管堵塞和锅炉管道的腐蚀。
硅酸盐的含量应控制在80 mg/L以下。
5. 氯离子:氯离子是一种常见的水中污染物,它可能会造成腐蚀和垢积,应该控制在50 mg/L以下。
6. 总碱度:锅炉水的总碱度是指水中碳酸盐和氢氧化物的浓度,通常用mg/L 来表示。
总碱度应控制在400 mg/L以下。
7. 硫酸盐:硫酸盐是锅炉水中的一种污染物,它可能会造成腐蚀和垢积。
硫酸盐的含量应控制在30 mg/L以下。
8. 氨氮:氨氮是锅炉水中的一种污染物,它可能会对锅炉管道造成腐蚀。
氨氮的含量应控制在0.5 mg/L以下。
以上是中国《锅炉用水质量标准(GB1576-2001)》的主要内容。
需要注意的是,不同的锅炉类型和使用条件可能需要不同的水质标准,因此在实际应用中需要根据具体情况进行合理的水质控制。
一、电力锅炉除盐水处理系统,锅炉除盐水系统二、锅炉是生产蒸汽或热水的换热设备。
随着经济的发展,锅炉越来越广泛的应用于生产和生活的各个部门。
水是锅炉的换热介质,锅炉给水的水质好坏,对于锅炉的安全运行、能源消耗和使用寿命有至关重要的影响。
三、四、电力锅炉除盐水处理系统,锅炉除盐水系统锅炉种类繁多,可按本体结构、压力、蒸发量、燃烧方式、燃料品种等划分为不同类别。
由于其容量、水容量、蒸发量、工作压力的不同,各类锅炉对给水和炉水水质要求各异。
一般情况下,容量越大,水容量越小,蒸发量越大,工作压力越高的锅炉对水质要求越高。
五、六、二、锅炉分类七、八、低压、中压、高压和超高压锅炉是由锅炉产生蒸汽的压力大小不同而划分的。
按照表压力分等级如下:九、十、低压锅炉:<2.45Mpa(<25kgf/cm2);十一、十二、中压锅炉:3.82-5.78Mpa(39-59kgf/cm2);十三、十四、高压锅炉:5.88-12.64Mpa(60-129kgf/cm2);十五、十六、超高压锅炉:12.74-15.58Mpa(130-159kgf/cm2);十七、十八、亚临界锅炉:15.68-18.62Mpa(160-190kgf/cm2);十九、二十、高临界锅炉:>22.45Mpa(>229kgf/cm2);二十一、二十二、由于锅炉的工作压力不同,对于水质要求以及控制方法上也有不同。
工作压力越高的锅炉,对水质的要求也越高,控制也越严。
水质控制的目的是防上锅炉及其附属水、汽系统中的结垢和腐蚀,确保蒸汽质量,汽轮机的安全运行,并在保证上述条件下,减少锅炉的排污损失,提高经济效益。
低压锅炉可以在炉内水处理,但目前一般是采用炉外水处理的方式以软化水作为补给水;中压锅炉及部分高压锅炉,通常采用脱碱、除硅、除盐和钠离子交换(中压锅炉)后的软化水作为补充水。
而在炉内主要采用磷酸盐处理。
对于高压及亚临界汽包锅炉,现在一般都是用化学除盐水补给,而在炉内采用磷酸盐处理或是挥发性处理。
对于直流锅炉必须采用挥发性处理。
此外,对给水处理中的溶解氧、炉水的含盐量、SiO2和pH值的调节等,也因锅炉压力的提高而要求更严。
二十三、电力锅炉除盐水处理系统,锅炉除盐水系统二十四、二十五、三、锅炉补给水需要控制的项目二十六、二十七、锅炉给水需要控制的项目有:二十八、二十九、1、悬浮物标准:当锅炉给水的原水来源于地表水时,视水中悬浮物和胶体含量的多少,可选取混凝、沉降和过滤技术;当原水为地下水时,一般只需过滤,其中铁含量高时,增加锰砂过滤除铁措施。
三十、三十一、2、硬度标准:主要是防止或控制结垢,脱除硬度的方法很多,有石灰软化法、药剂交换软化等,但目前最通用、处理效果最好的方法是离子交换软化法,更新的方法是钠滤膜法。
三十二、三十三、3、溶解固形物标准:当锅水的含盐量达到某一极限值时,就会产生汽水共腾,造成蒸汽品质的急剧恶化。
许多对水质要求很高的工业,如电子工业和备有高压锅炉的火力发电厂等,对水的溶解固形物有更严格的要求。
降低溶解固形物的方法一般称为脱盐,主要方法有:离子交换法、电渗析法、反渗透法等,传统工艺多采用离子交换法,更新的方法为反渗透膜法。
三十四、三十五、4、溶解氧标准:主要是防止溶解氧对炉体和管道的腐蚀,一般采用热力除氧,其它尚有化学除氧、电化学除氧、真空除氧等。
三十六、三十七、5、炉水PH值和碱度标准:当炉水呈碱性(PH10-12)时,才能使结垢物质变为水渣,以便清除。
一般采用投药法。
三十八、三十九、6、相对碱度标准:主要防止苛性脆化的产生。
四十、四十一、7、含油量标准:主要是防止炉水产生泡沫、形成带油质的水垢。
可采用油水分离器等技术除油。
在城镇中,一般锅炉给水的原水为自来水,按国家饮用水标准,其浊度不超过5,总溶解性固体<1000mg/l,PH=6.5-8.5,不含油,一般只有硬度标准不符合锅炉给水要求,对于低压工业锅炉和热水锅炉而言,仅需配置软化工艺。
四十二、四十三、电力、热力行业的大中型锅炉,由于运行参数高,原用锅炉爆管等原因停机造成的经济损失惨重,社会影响巨大,因此对锅炉补给水的水质要求特别高(电厂锅炉要求水质,电阻率>5MΩ.CM、SiO2<20μg/L)。
一般的电厂、热力中心均设立化水车间,对锅炉补给水进行处理。
四十四、四十五、燃煤火力发电厂是我国电力工业的重要组成部分。
水在电力工业中的用途是多方面的,主要包括有锅炉补充水、冷却用水、生活消防杂用水等。
对水质要求最严格的是锅炉补充水,如今火电厂向着大容量、高参数发展,对锅炉用水的水质也越来越高,锅炉给水水质要求是十分严格的,不仅要求硬度低,溶氧量极微、固体含量和有机物含量也极微,没有达到给水标准的水将会使发电厂设备无法安全经济的运行,因此除了常规的混凝、沉淀、过滤等水处理方法外,还需离子交换、复床、混床、反渗透脱盐水处理系统、电渗析等软化、除盐高纯水系统、超纯水处理设备技术来处理热电厂超高压锅炉给水。
为此已制定了热力发电厂各种用水的质量指标。
四十六、四十七、电厂补给水常来源于地表水、地下水、沿海及缺淡水的地区还常以海水为补给水源,这些水都必须经沉淀、过滤、脱盐、脱气等高纯水设备处理,以海水为补给水源需海水淡化设备处理后才能进入电厂的水循环系统。
四十八、四十九、水质不良对锅炉的危害五十、五十一、水质不良,是指水中含有较多杂质。
锅炉给水的原水中可能包含的杂质有:悬浮物、胶体、有机物、无机盐、重金属离子,以及溶解气体等。
这种水如果不经任何处理,一旦进入锅炉内,将会带来以下危害:五十二、五十三、 1、结垢五十四、悬浮物、胶体、无机盐受热或超过其饱和浓度时,就会沉降析出,形成泥渣、水垢,极大影响锅炉的传热效率和锅水循环,燃料浪费、受热面损坏、锅炉出力下降、清洗量加大。
洗量加大。
据测定,结有1毫米厚的水垢,浪费燃料10%,10千克力/厘米2 的锅炉,无垢运行时,管壁温度为280。
C,结有1毫米厚硅酸盐水垢后,管壁温度因热阻加大而升高至680。
C,此时钢板强度由40千克力/厘米2降至10千克力/厘米2,导致锅炉压力下降,炉壁发生龟裂、鼓包、甚至炸破。
结垢严重时可堵塞炉管、水路、引发停炉和锅炉爆炸等严重事故发生,停炉引起生产设备和供暖设备冻裂也时有发生。
化学清洗除垢时,酸洗不当或酸洗频繁严重影响锅炉寿命,并污染环境。
五十五、五十六、 2、腐蚀五十七、水质不良引起金属腐蚀,导致锅炉金属构件破坏,金属腐蚀产物形成新的结构物质,并产生垢下腐蚀,更加速了金属构件的损坏。
五十八、五十九、 3、汽水共腾六十、蒸汽锅炉炉筒内的水滴被蒸汽大量带走的现象称为汽水共腾。
其产生原因之一就是水中含有较多的氯化钠、磷酸钠、硅化物、有机物等杂质。
产生汽水共腾会使蒸汽受到严重污染,过热器管和蒸汽流通管积盐,严重时堵塞管路,蒸汽温度下降,产生水锤和腐蚀破裂。
六十一、六十二、 4、苛性脆化六十三、它指低碳钢、合金钢和不锈钢等在拉应力超过屈服点,同时又与浓苛性钠溶液接触下,所产生的不规则破坏-爆炸。
六十四、六十五、从上可知,水质不良的危害是十分严重的,在不重视水处理工作的单位,其锅炉运行状况往往是:一年好,二年赖,三年就烧坏。
:这不仅会带来巨大的经济损失,而且还会产生停产和爆炸等重大安全责任事故。
但是,水质不良的危害往往是一个积累过程,需经过一定的时间才能发现,可是上述危害一旦发现,那就已经形成了难以挽回的局面和损失,相关领导和管理人员万万不可掉以轻心。
六十六、六十七、电力锅炉除盐水处理系统,锅炉除盐水系统制取工艺六十八、 1、采用离子交换方式,其流程如下:六十九、原水→原水加压泵→多介质过滤器→活性炭过滤器→软水器→精密过滤器→阳树脂过滤床→阴树脂过滤床→阴阳树脂混床→微孔过滤器→用水点2、采用反渗透+离子交换方式,其流程如下:原水→原水加压泵→多介质过滤器→活性炭过滤器→软水器→精密过滤器→一级反渗透→纯水箱→阴阳树脂混床→微孔过滤器→用水点3、采用两级反渗透方式,其流程如下:原水→原水加压泵→多介质过滤器→活性炭过滤器→软水器→精密过滤器→第一级反渗透→PH调节→中间水箱→第二级反渗透(反渗透膜表面带正电荷)→纯化水箱→纯水泵→微孔过滤器→用水点电厂锅炉补给水处理设备,电力锅炉除盐水处理系统4、采用EDI方式,其流程如下:原水→原水加压泵→多介质过滤器→活性炭过滤器→软水器→精密过滤器→一级反渗透机→中间水箱→第二级反渗透→纯水箱→EDI供水泵→紫外线杀菌器→微孔过滤器→EDI系统→微孔过滤器→超纯水箱→用水点电力锅炉除盐水处理系统,锅炉除盐水系统制取工艺比较目前制备电力锅炉补给水系统超纯水的工艺基本上是以上三种,其余的工艺流程大都是在以上三种基本工艺流程的基础上进行不同组合搭配衍生而来。
现将他们的优缺点分别列于下面:1、第一种采用离子交换树脂其优点在于初投资少,占用的地方少,但缺点就是需要经常进行离子再生,耗费大量酸碱,而且对环境有一定的破坏性。
2、第二种采用反渗透作为预处理再配上离子交换设备,其特点为初投次比采用离子交换树脂方式要高,但离子设备再生周期相对要长,耗费的酸碱比单纯采用离子树脂的方式要少很多。
但对环境还是有一定的破坏性。
3、第三种采用两级反渗透设备,其特点为初投次比采用离子交换树脂方式要高,但无须树脂再生。
其缺点在于相关膜原件需定期清洗或更换,水质相对来说不是太高,大都只能做到1us/cm 左右。
4、第四种采用反渗透作预处理再配上电去离子(EDI)装置,这是目前制取超纯水最经济,最环保的超纯水制备工艺,不需要用酸碱进行再生便可连续制取超纯水,对环境没什么破坏性。
其缺点在于初投资相对以上三种方式过于昂贵。
高压锅炉补给水处理设备,适用于热电厂及大中型工矿企业锅炉补给水的处理。
采用世界上最先进的反渗透膜元件,压力容器等设备,配以合理而又有前处理和后处理设备,能生产符合国家或行业锅炉给水标准(GB1576-79、DL/T561-95)超纯水。
在膜处理系统中,用做前处理的超滤一般使用直径1mm的中空纤维,以脱除原水中的悬浮物及胶体,UF用作前处理的最大问题是膜污染及膜孔堵塞,为此常在前面设置预过滤器,以去除大粒径悬浮物,在预过滤前加絮凝剂,如PAC(聚丙稀酸)可提高过滤水质,并降低膜阻力。
对电厂锅炉补给水系统要求的溶氧量一般要求为0.3 mg/L以下,为此脱气膜应该在低于5.33Kpa(40TORR)的真空度下操作。
控制系统采用工控机程控控制,可实现自动起停,加药及冲洗,自动监测各种运行参数,以便生产管理。
电力锅炉除盐水处理系统,锅炉除盐水系统特点脱盐率高,运行压力低的进口的低卷式复合反渗透膜,产水水质优良,运行成本低廉,使用寿命长高效率,低噪声。
锅炉用水标准在线原水及产品水的水电导仪,PH表可随时监测水质情况。