锅炉用水标准
- 格式:doc
- 大小:149.50 KB
- 文档页数:11
锅炉用水水质标准锅炉用水水质标准是指用于工业锅炉的水质要求,它直接关系到锅炉的安全运行和使用寿命。
合格的锅炉用水水质标准能够有效预防锅炉结垢、腐蚀、泄漏等问题,保证锅炉的高效、稳定运行。
因此,严格遵守锅炉用水水质标准,对于保障生产安全、节约能源、延长设备寿命具有重要意义。
锅炉用水水质标准主要包括以下几个方面:1. pH值,pH值是衡量水溶液酸碱度的指标。
对于工业锅炉来说,水的pH值应保持在8.5-12之间,过低或过高的pH值都会对锅炉造成腐蚀和结垢的危害。
2. 溶解氧,水中的溶解氧含量直接影响金属材料的腐蚀情况。
在锅炉用水中,溶解氧含量一般要求控制在0.1mg/L以下,以减少金属材料的腐蚀速度。
3. 硬度,水中的硬度主要由钙、镁等金属离子组成,硬度过高容易导致结垢,影响热交换效果。
因此,锅炉用水的硬度一般要求控制在100mg/L以下。
4. 渣沉积物含量,锅炉用水中的渣沉积物含量过高会导致锅炉管道堵塞、热效率降低等问题。
因此,渣沉积物含量一般要求控制在25mg/L以下。
5. 硅酸盐含量,水中的硅酸盐含量过高容易导致管道结垢、影响热交换效果。
因此,硅酸盐含量一般要求控制在150mg/L以下。
综上所述,锅炉用水水质标准是确保锅炉安全、高效运行的重要保障。
只有严格遵守水质标准,定期对水质进行监测和处理,才能有效预防锅炉结垢、腐蚀等问题,延长锅炉的使用寿命,保障生产安全。
因此,对于锅炉使用单位来说,建立健全的水质管理制度,加强对水质的监测和处理工作,是非常重要的。
同时,锅炉使用单位还应加强对锅炉操作人员的培训,提高其对水质管理的重视和处理能力,共同保障锅炉的安全、稳定运行。
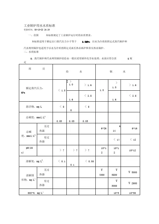
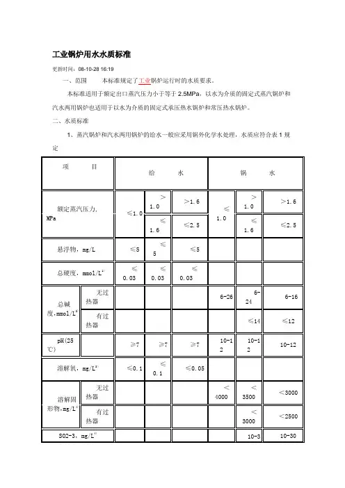
工业锅炉用水水质标准更新时间:08-10-28 16:19一、范围本标准规定了工业锅炉运行时的水质要求。
本标准适用于额定出口蒸汽压力小于等于 2.5MPa,以水为介质的固定式蒸汽锅炉和汽水两用锅炉也适用于以水为介质的固定式承压热水锅炉和常压热水锅炉。
二、水质标准1、蒸汽锅炉和汽水两用锅炉的给水一般应采用锅外化学水处理,水质应符合表1规1)硬度mmol/L的基本单元为c(1/2Ca 2+、1/2Mg 2+),下同。
2)碱度mmo1/L 的基本单元为c(OH-、1/2CO 32-、HCO 3-),下同。
对蒸汽品质要求不高,且不带过热器的锅炉,使用单位在报当地锅炉压力容器安全监察机构同意后,碱度指标上限值可适当放宽。
3)当锅炉额定蒸发量大于等于6t/h时应除氧,额定蒸发量小于6t/h的锅炉如发现局部腐蚀时,给水应采取除氧措施,对于供汽轮机用汽的锅炉给水含氧量应小于等于0.05mg/L 。
4)如测定溶解固形物有困难时,可采用测定电导率或氯离子(CI-)的方法来间接控制,但溶解固形物与电导率或与氯离子(CI-)的比值关系应根据试验确定。
并应定期复试和修正此比值关系。
5)全焊接结构锅炉相对碱度可不控制。
6)仅限燃油、燃气锅炉2、额定蒸发量小于等于2t/h,且额定蒸汽压力小于等于 1.0MPa的蒸汽锅炉和汽水两用锅炉(如对汽、水品质无特殊要求)也可采用锅内加药处理。
但必须对锅炉的结垢、腐蚀和水质加强监督,认真做好加药、排污和清洗工作,其水质应符合表2规定。
溶解固形物,mg/L v 50003、承压热水锅炉给水应进行锅外水处理,对于额定功率小于等于4.2MW非管架式承压的热水锅炉和常压热水锅炉,可采用锅内加药处理,但必须对锅炉的结垢、腐蚀和水质加强监督,认真做好加药工作,其水质应符合表3的规定。
2)额定功率大于等于 4.2MW的承压热水锅炉给水应除氧,额定功率小于4.2MW的承压热水锅炉和常压热水锅炉给水应尽量除氧。
符合国家或行业锅炉给水标准(GB1576-79、DL/T561-95)一、范围本标准规定了工业锅炉运行时的水质要求。
本标准适用于额定出口蒸汽压力小于等于2.5MPa,以水为介质的固定式蒸汽锅炉和汽水两用锅炉也适用于以水为介质的固定式承压热水锅炉和常压热水锅炉。
二、水质标准1、蒸汽锅炉和汽水两用锅炉的给水一般应采用锅外化学水处理,水质应符合表1规定表1国家质量技术监督局2001-01-10批准2001-10-01实施表1(完)对蒸汽品质要求不高,且不带过热器的锅炉,使用单位在报当地锅炉压力容器安全监察机构同意后,碱度指标上限值可适当放宽。
3) 当锅炉额定蒸发量大于等于6t/h时应除氧,额定蒸发量小于6t/h的锅炉如发现局部腐蚀时,给水应采取除氧措施,对于供汽轮机用汽的锅炉给水含氧量应小于等于0.05mg/L。
4) 如测定溶解固形物有困难时,可采用测定电导率或氯离子(C1-)的方法来间接控制,但溶解固形物与电导率或与氯离子(Cl-)的比值关系应根据试验确定。
并应定期复试和修正此比值关系。
5) 全焊接结构锅炉相对碱度可不控制。
6) 仅限燃油、燃气锅炉2、额定蒸发量小于等于2t/h,且额定蒸汽压力小于等于1.0MPa的蒸汽锅炉和汽水两用锅炉(如对汽、水品质无特殊要求)也可采用锅内加药处理。
但必须对锅炉的结垢、腐蚀和水质加强监督,认真做好加药、排污和清洗工作,其水质应符合表2规定。
表23 、承压热水锅炉给水应进行锅外水处理,对于额定功率小于等于4.2MW非管架式承压的热水锅炉和常压热水锅炉,可采用锅内加药处理,但必须对锅炉的结垢、腐蚀和水质加强监督,认真做好加药工作,其水质应符合表3的规定。
表3总硬度,mmol/L ≤6 ≤0.6PH(25℃)1)≥7 10-12 ≥7溶解氧,mg/L2) ≤0.1含油量,mg/L ≤2 ≤21)通过补加药剂使锅水pH值控制在10一12。
2)额定功率大于等于4.2MW的承压热水锅炉给水应除氧,额定功率小于4.2MW的承压热水锅炉和常压热水锅炉给水应尽量除氧。
锅炉用水水质标准锅炉用水的水质标准是指用于供给锅炉的水的质量要求,其主要目的是保证锅炉的安全运行和延长锅炉的使用寿命。
良好的水质不仅可以减少锅炉的腐蚀和结垢,还能提高热效率,降低能耗,减少维护成本。
因此,锅炉用水水质标准的制定和执行对于锅炉运行管理至关重要。
首先,锅炉用水的水质标准应符合国家相关标准和规定。
国家标准对于锅炉用水的水质有详细的规定,包括水质指标、水质等级、水质检测方法等内容。
在选择锅炉用水时,必须严格按照国家标准的要求进行采购和使用,确保水质符合标准要求。
其次,锅炉用水的水质标准应根据具体的锅炉类型和工况进行调整。
不同类型的锅炉对水质的要求有所不同,例如,高压锅炉对水质的要求更加严格,而低压锅炉对水质的要求相对较低。
同时,锅炉在不同的工况下,对水质的要求也会有所差异,因此,在制定水质标准时,需要考虑到具体的锅炉类型和运行条件。
另外,锅炉用水的水质标准还应包括水质检测和监测的内容。
水质检测是确保锅炉用水符合标准要求的重要手段,通过定期对水质进行检测,可以及时发现水质异常,采取相应的措施进行处理,保证锅炉的安全运行。
同时,对水质的监测也是必不可少的,通过建立水质监测系统,可以实时监测水质的变化,及时调整水质处理措施,确保锅炉用水的稳定性。
最后,锅炉用水的水质标准的执行需要全员参与,形成一套科学的管理制度。
在锅炉用水的采购、储存、输送和使用过程中,需要建立健全的管理制度,明确责任部门和责任人,加强对水质的监督和管理,确保水质符合标准要求。
同时,还需要加强员工的培训和教育,提高员工对于水质管理的重视和认识,形成全员参与、共同维护水质的良好氛围。
综上所述,锅炉用水的水质标准对于锅炉的安全运行和经济运行至关重要,必须严格执行国家标准和规定,根据具体情况进行调整,加强水质检测和监测,建立科学的管理制度,确保锅炉用水的水质符合标准要求。
只有这样,才能保证锅炉的安全稳定运行,延长锅炉的使用寿命,降低能源消耗,提高经济效益。
锅炉用水标准
锅炉用水标准是指在工业锅炉和生活锅炉中使用的水应符合的一系列物理化学指标和要求。
锅炉用水的质量直接关系到锅炉的安全运行和使用寿命,因此严格遵守锅炉用水标准至关重要。
首先,锅炉用水应符合一定的PH值要求。
PH值是衡量水的酸碱性的指标,对于不同类型的锅炉,PH值的要求也有所不同。
一般来说,工业锅炉要求PH值在8.5-9.5之间,而生活锅炉则要求在7-9之间。
PH值过高或过低都会对锅炉造成损害,因此严格控制水质的PH值至关重要。
其次,锅炉用水的硬度也是一个重要的指标。
硬度主要由水中的钙和镁离子所决定,硬度过高会导致水垢的产生,影响锅炉的热传导效果,增加能耗,甚至损坏锅炉设备。
因此,锅炉用水的硬度要符合相应的标准,一般来说,工业锅炉要求硬度在100-300mg/L之间,生活锅炉则要求在75-150mg/L之间。
除此之外,锅炉用水还应符合一定的溶解氧要求。
溶解氧是水中的重要指标之一,它直接关系到水的腐蚀性和锅炉的安全运行。
一般来说,溶解氧的含量应控制在0.1-0.3mg/L之间,过高或过低都会对锅炉造成损害,因此定期对锅炉用水进行溶解氧的监测和调节是十分必要的。
此外,锅炉用水还应符合一定的总硅含量和总铁含量要求。
总硅含量和总铁含量过高都会对锅炉造成损害,因此也需要严格控制水质的这两个指标。
综上所述,锅炉用水标准是确保锅炉安全运行和使用寿命的重要保障。
严格遵守锅炉用水标准,定期对锅炉用水进行监测和调节,是保证锅炉安全运行的关键之一。
希望各位操作人员能够严格执行锅炉用水标准,确保锅炉的安全运行和使用寿命。
工业锅炉水质标准一、范围本标准规定了工业锅炉运行时的水质要求。
本标准适用于额定出口蒸汽压力小于等于2.5MPa,以水为介质的固定式蒸汽锅炉和汽水两用锅炉也适用于以水为介质的固定式承压热水锅炉和常压热水锅炉。
二、水质标准1、蒸汽锅炉和汽水两用锅炉的给水一般应采用锅外化学水处理,水质应符合下表规定:项目给水锅水额定蒸汽压力, MPa ≤1.0>1.0 >1.6 ≤1.0>1.0>1.6≤1.6 ≤2.5 ≤1.6≤2.5悬浮物,mg/L≤5≤5 ≤5总硬度,mmol/L1 ≤0.03≤0.03≤0.03总碱度,mmol/L无过热器6-26 6-24 6-16有过热器≤14≤12pH25℃≥7≥7≥710-1210-1210-12溶解氧,mg/L3)≤0.1≤0.1≤0.05溶解固形物,mg/L无过热器<4000<3500<3000有过热器<3000<2500SO2-3,mg/L 10-3010-30PO3-4,mg/L 10-3010-30相对碱度游离NaOH/溶解固形物<0.2<0.2含油量,mg/L ≤2 ≤2≤2含铁量,mg/L6≤0.3≤0.3≤0.31 硬度mmol/L的基本单元为c1/2Ca2+、1/2Mg2+,下同。
2 碱度mmo1/L的基本单元为cOH-、1/2CO2-3、HC03-,下同。
对蒸汽品质要求不高,且不带过热器的锅炉,使用单位在报当地锅炉压力容器安全监察机构同意后,碱度指标上限值可适当放宽。
3 当锅炉额定蒸发量大于等于6t/h时应除氧,额定蒸发量小于6t/h的锅炉如发现局部腐蚀时,给水应采取除氧措施,对于供汽轮机用汽的锅炉给水含氧量应小于等于0.05mg/L。
4 如测定溶解固形物有困难时,可采用测定电导率或氯离子C1-的方法来间接控制,但溶解固形物与电导率或与氯离子Cl-的比值关系应根据试验确定。
并应定期复试和修正比值关系。
5 全焊接结构锅炉相对碱度可不控制。
6 仅限燃油、燃气锅炉2、额定蒸发量小于等于2t/h,且额定蒸汽压力小于等于1.0MPa的蒸汽锅炉和汽水两用锅炉(如对汽、水品质无特殊要求)也可采用锅内加药处理。
一般锅炉用水水质评价
一般锅炉用水水质评价标准表10-6项目成垢作用起泡系数腐蚀作用
评价指
标
按锅垢总量(H o)按锅垢系数(K n)按起泡系数(F)按腐蚀系数(K k)
指标水质类型指标水质类型指标水质类型指标水质类型
<125 为沉淀物
很少的水<0.25 为软垢水<60 不起泡的水>0 腐蚀性水
125~250 为沉淀物
较少的水0.25~0.50 为软硬水60~200 半起泡的水<0但K n+0.0503Ca
2+>0 半腐蚀性水
250~500 为沉淀物
较多的水
>0.50 为硬垢水>200 起泡的水<0但K k+0.0503Ca2+<0 非腐蚀性水
>500 为沉淀物
很多的水
砂岩水
质
水质评价水质评价水质评价水质评价
140.420~163.205 沉淀物很少或
沉淀物较少0.158~0.199 软垢水
305.598~
459.358 起泡的水<0且Kk+0.0503Ca
2+<0 非腐蚀性水。
1.自然循环锅炉和汽水两用锅炉1)采用锅外水处理的自然循环锅炉和汽水两用锅炉表1采用锅外水处理的自然循环锅炉和汽水两用锅炉水质注1:对于供汽轮机用汽的锅炉,蒸汽质量应执行GB/T12145规定的额定蒸汽压力3.8MPa s5.8MPa。
注2;硬度和碱度的计量单位为一价基本单元物质的量的浓度。
注3:停(备)用锅炉启动时,锅水的浓缩倍率达到正常后,锅水的水质应达到本标准要求。
2)单纯采用锅内加药处理的自然循环锅炉和汽水两用锅炉额定蒸发量小于或等于4t/h,并且额定蒸汽压力小于等于1.3MPa的自然循环锅炉和汽水两用锅炉可以单纯采用锅内加药处理,但加药后的汽、水质量不得影响生活和生产,其给水和锅水水质应符合下表要求。
表2单纯采用锅内加药处理的自然循环锅炉和汽水两用锅炉水质2.火力发电机组及蒸汽动力设备(一)蒸汽质量标准汽包炉的饱和蒸汽和过热蒸汽质量以及直流炉的主蒸汽质量应符合下表要求。
表3蒸汽质量没有凝结水精处理除盐装置的机组,蒸汽的氢电导率标准值不大于0.30us/cm,期望值不大于0.15us/cm。
(二)锅炉给水质量标准没有凝结水精处理除盐装置的机组,给水氢电导率应不大于0.30us/cm。
⑵全挥发处理给水的PH值、联氨和总有机碳(TOC)应符合下表规定。
表5给水的PH值、联氨和TOC标准对于凝结器为铜管、其它换热器均为钢管的机组,给水PH控制范围为9.1S9.4.⑶直流炉加氢处理给水的PH值、联氨和总有机碳(TOC)应符合下表规定。
表6加氢处理给水的PH值、联氨和TOC标准(三)凝结水质量标准(1)凝结水的硬度、钠和溶解氧的含量和氢电导率应符合下表要求。
表7凝结水泵出口水质直接空冷机组凝结水溶解氧浓度标准值应小于100ug/L,期望值小于30ug/L,配有混合式凝汽器的间接空冷机组凝结水溶解氧浓度应小于200ug/L o凝结水有精处理除盐装置时,凝结水泵出口的钠浓度可放宽至10ug/L o2)凝结水经精处理除盐后水中二氧化硅、钠、铁、铜的含量和氢电导率应符合下表要求。
电厂锅炉用水水质标准电厂锅炉用水是指用于锅炉供水的水源,其水质直接关系到锅炉的安全运行和热效率。
为了确保锅炉的正常运行和延长设备寿命,制定了一系列的水质标准和监测方法。
本文将就电厂锅炉用水的水质标准进行详细介绍。
首先,电厂锅炉用水的水质标准主要包括水质指标和水质控制要求两个方面。
水质指标包括水中溶解氧、总硬度、碱度、总碱度、氯离子、硅酸盐含量等多个指标。
这些指标的合格标准是根据锅炉的工作压力、工作温度、材料和热效率等因素来确定的。
水质控制要求则是根据水质指标的合格标准来确定水质处理方案、监测频率和水质调节措施等。
其次,电厂锅炉用水的水质标准制定的目的主要有三个方面。
第一是保证锅炉设备的安全运行。
水质不合格会导致锅炉管道腐蚀、结垢、锈蚀等问题,严重影响锅炉的安全运行。
第二是提高锅炉的热效率。
水质不合格会影响锅炉的传热效果,增加能耗,降低热效率。
第三是延长锅炉设备的使用寿命。
水质不合格会加速锅炉设备的老化和损坏,缩短设备的使用寿命。
再次,电厂锅炉用水的水质标准的监测方法主要包括在线监测和离线监测两种方式。
在线监测是指通过安装水质在线监测仪器,实时监测水质指标的变化情况。
离线监测是指定期从锅炉用水中取样,送至实验室进行水质分析。
通过这两种监测方式,可以及时发现水质问题,采取相应的水质调节措施,保证锅炉用水的水质符合标准要求。
最后,电厂锅炉用水的水质标准的执行需要全厂相关部门的配合和监督。
水质标准的执行需要锅炉运行部门、水处理部门、监测部门等多个部门的密切配合,确保水质标准的执行到位。
同时,还需要相关监管部门对水质标准的执行进行监督和检查,发现问题及时纠正,确保锅炉用水的水质达标。
综上所述,电厂锅炉用水的水质标准是保证锅炉安全运行、提高热效率和延长设备寿命的重要保障。
只有严格执行水质标准,加强水质监测和控制,才能确保锅炉用水的水质符合要求,为电厂的安全稳定运行提供可靠保障。
1) 硬度mmol/L的基本单元为c(1/2Ca2+、1/2Mg2+),下同。
2) 碱度mmo1/L的基本单元为c(OH-、1/2CO32-、HCO3-),下同。
察机构同意后,碱度指标上限值可适当放宽。
3) 当锅炉额定蒸发量大于等于6t/h时应除氧,额定蒸发量小于6t/h的锅炉如发现局部腐蚀时,给水应采取除氧措施,对于供汽轮机用汽的锅炉给水含氧量应小于等于0.05mg/L。
4) 如测定溶解固形物有困难时,可采用测定电导率或氯离子(Cl-)的方法来间接控制,但溶解固形物与电导率或与氯离子(Cl-)的比值关系应根据试验确定。
并应定期复试和修正此比值关系。
5) 全焊接结构锅炉相对碱度可不控制。
6) 仅限燃油、燃气锅炉2、额定蒸发量小于等于2t/h,且额定蒸汽压力小于等于1.0MPa的蒸汽锅炉和汽水两用锅炉(如对汽、水品质无特殊要求)也可采用锅内加药处理。
但必须对锅炉的结垢、腐蚀pH(25℃)≥710-12溶解固形物,mg/L<50003 、承压热水锅炉给水应进行锅外水处理,对于额定功率小于等于4.2MW非管架式承压的热水锅炉和常压热水锅炉,可采用锅内加药处理,但必须对锅炉的结垢、腐蚀和水质加强监督,认真做好加药工作,其水质应符合表3的规定。
锅内加药处理锅外化学处理项目给水锅水给水锅水悬浮物,mg/L≤20≤5总硬度,≤6≤0.6mmol/LPH(25℃)1)≥710-12≥7溶解氧,≤0.1mg/L2)含油量,mg/L≤2≤21)通过补加药剂使锅水pH值控制在10-12。
2)额定功率大于等于4.2MW的承压热水锅炉给水应除氧,额定功率小于4.2MW的承压热水锅炉和常压热水锅炉给水应尽量除氧。
4、直流(贯流)锅炉给水应采用锅外化学水处理,其水质按表1中额定蒸汽压力为大于1.6Mpa、小于等于2.5Mpa的标准执行。
5、余热锅炉及电热锅炉的水质指标应符合同类型、同参数锅炉的要求。
6、水质检验方法应按附录A(标准的附录)执行。
锅炉用水化验标准及方法一、硬度测定(注:所用水样容器先用被测水冲洗干净)取100ml透明水样注于250ml 锥形瓶中,加入3ml 氨-氯化铵缓冲液,再加入2 滴铬黑T指示剂。
在不断摇动下,用0.001mmol/L EDTA 标准溶液滴定至蓝色即为终点,记EDTA 标准溶液所消耗的体积。
计算公式如下:式中:C指EDTA标准溶液的浓度;V 指滴定时所消耗的EDTA 的体积;VS指水样的体积。
二、碱度测定取100ml 透明水样,置于锥形瓶中,加入2~3滴酚酞指示剂,此时溶液若显红色,则用0.1mmol∕L硫酸标准溶液滴定至无色,记录耗酸体积V1,然后再加入2 滴甲基橙指示剂,继续用硫酸标准液滴定至橙红色,记录第二次耗酸体积V2(不包括V1)。
计算公式如下:式中:JD总指全碱度;C指硫酸标准溶液的浓度(mmol/L);V1、V2指两次滴定时所耗硫酸标准溶液的体积,单位ml;VS指水样体积,单位ml。
三、氯根测定(1)量取100mL水样,注入锥形瓶中,加2~3滴酚酞指示剂,若显红色,即用硫酸标准溶液中和至无色,若不显红色,则用0.1N NaOH(氢氧化钠)溶液滴至微红色,然后用H2SO4(硫酸)中和到无色。
(2)加入10% 的铬酸钾指示剂10 滴,摇匀,用硝酸银标准溶液(1mL≈1mgCl-)进行滴定。
终点显橙色。
记录硝酸银消耗体积为 a mL 。
同时取100mL 蒸馏水,按上述操作方法作空白试验,记录消耗AgNO3(硝酸银)的体积为b mL 计算公式如下:C=氯化物含量a ——滴定水样时硝酸银的消耗量,mL;b ——滴定蒸馏水时硝酸银体积,mL;1.0——硝酸银浓度T=1 ;V ——水样体积,mL ;。
工业锅炉水质标准及主要水质指标一、工业锅炉水质标准为了保证低压锅炉的安全运行,2001年,国家将原GB1576《低压锅炉水质》标准修改为《工业锅炉水质》标准。
1、适用范围GB1756适用于额定出口蒸汽压力≤2.5MPa,以水为介质的固定式蒸汽锅炉和汽水两用锅炉,也适用于以水为介质的固定式承压热水锅炉和常压热水锅炉。
2、标准要求(1)蒸汽锅炉和汽水两用锅炉的给水一般采用锅外化学水处理额定蒸发量≤2t/h,额定出口蒸汽压力≤1.0MPa的蒸汽和汽水两用锅炉可采用锅内加药处理,但必须对锅炉的结垢、腐蚀和水质加强监督,认真做好加药、排污和清洗工作。
但不管是采用锅外水处理还是锅内加药处理,要想保证锅炉在运行中不结垢不腐蚀,就必须保证锅水达到标准的要求。
这是保证锅炉安全运行的关键。
(2)承压热水锅炉应进行锅外水处理,对于额定功率小于等于4.2MW的非管架式承压热水锅炉和常压热水锅炉,可采用锅内加药处理。
但必须对锅炉的结垢、腐蚀和水质加强监督,认真做好加药工作。
二、锅炉用水主要评价指标1、悬浮物因为水中悬浮物会影响锅内加药处理的防垢效果,又因原水经澄清后,一般悬浮物含量约在20mg/L以下,所以规定锅内加药处理时,悬浮物含量<20mg/L。
锅外化学处理时,因悬浮物会影响离子交换器的正常运行,而原水经澄清过滤后,其悬浮物含量在5 mg/L左右,所以,锅外化学处理时,规定悬浮物含量<5mg/L。
2、硬度(YD)锅内加药处理时,限制给水硬度≤4mmol/L。
这要求锅炉定期清洗,保证热强度最大的受热面上每年可结水垢厚度不超过1.5mm。
如果硬度再大,锅炉的安全经济运行就很难保证。
采用锅外处理时,限制给水总硬度≤0.03mmol/L。
一方面考虑到在离子交换工艺上能够达到,另一方面,在锅炉定期清洗的情况下,能保证热强度最大的受热面上每年积水垢不超过0.5mm。
这样基本上可以保证锅炉的安全经济运行。
水中所含的总硬度可根据水中钙、镁与不同阴离子的结合而定。
燃气锅炉用水标准给水品质:满足GB12145《火力发电机组及蒸汽动力设备水汽质量标准》的要求。
通常,40吨也即是29mw燃气热水锅炉的估算热值为8600kcal/Nm3,因为各地区天然气供气的品质不同,混合的空气量有不同,所以这数值也只是按照燃气锅炉热效率为88%计算的。
因此,锅炉给水溶解氧标准指数为≤0.1mg/L或者是≤0.05mg/L。
但是,生活中能够满足锅炉炉水要求的水很少。
需要采用正确、合理的锅炉给水处理方式,使其符合锅炉给水溶解氧标准指数等,可以避免燃气锅炉的结垢和腐蚀,延长锅炉的使用寿命,降低能源消耗,提高企业的经济效益。
①水质不符合正规标准,无水处理举措,导致管道壁形成水垢,影响传热效果,制造管子过热,强度变弱;②锅炉结构不理想,水循环不好,导致局部温度过高或因启动操纵不妥,使管外面形成焦;③处在经常磨损,管道壁变薄;④管的质量达不到要求,如果材料或焊口质量粗糙;⑤提温效应或停机排水凉下来太快,使管路受热不平均,导致焊接处破损;⑥给水热度过于低,使管路因热度不平均制造变样,导致胀口处渗水。
燃气热水锅炉运转时突然没电怎么办燃气锅炉|燃油锅炉|蒸汽锅炉环境设备有限公司冬季检测水的pH值误差问题。
水的pH值测定GB6904.-86中温度补偿方法是利用pH计的温度补偿功能。
实际检验中我发现在20~30℃范围内误差不大,而在冬季当水温低于20℃后,pH 计的温度补偿功能造成的误差已不可忽略。
当温度在15℃左右时,pH值误差可达0.3以上,远远超过允许差。
且对于电站锅炉给水pH值测定来说,已接近其标准范围,所得数据已无意义。
因此,燃气锅炉给水pH值测定在冬季时,水温低于20℃后要提升水温至25℃。
工业锅炉的pH值测定也应予以考虑。
燃气锅炉水质标准1.水质氧含量,不同锅炉因参数型号等不同对水质要求有一定差异,如6吨蒸汽锅炉给水的氧含量应小于或等于0.05mg/L,不符合这个范围会造成锅炉具备腐蚀,降低锅炉寿命和耐用性,燃气锅炉的给水合格判定标准。
蒸汽锅炉水质国标
蒸汽锅炉是工业生产中常用的重要设备,其水质的高低直接影响着设备的稳定运行和使用寿命。
为规范蒸汽锅炉水质,我国制定了相应的国家标准。
根据《蒸汽锅炉水质标准》(GB1576-2008),蒸汽锅炉用水应符合以下要求:
1. 总硬度不大于0.03mol/L;
2. pH值为7~10之间;
3. 总碱度不大于0.6mol/L;
4. 无游离氧和有机物;
5. 氧化性物质不得超过0.1mg/L;
6. 重金属如铅、镉、汞等元素含量不得超标。
此外,对于不同类型的蒸汽锅炉,还有具体的要求。
例如,在钢铁行业的烧结机蒸汽锅炉中,水中的铁离子、硅酸盐等含量也有着具体规定。
遵守蒸汽锅炉水质国标是确保蒸汽锅炉能长期稳定运行、安全高效的基础。
因此,在蒸汽锅炉水质管理中,必须严格按照国家标准进行检测、分析和处理,确保水质符合标准要求,避免蒸汽锅炉发生故障和事故。
锅炉用水水质标准锅炉是工业生产中常见的热能设备,其正常运行对水质有着严格的要求。
锅炉用水的水质标准直接影响着锅炉的安全运行和使用寿命,因此,合理选择和控制锅炉用水的水质是非常重要的。
首先,锅炉用水的水质应符合国家标准和行业规范。
国家标准对于锅炉用水的水质有着明确的规定,包括水质指标、水质等级、水质检测方法等内容。
在选择锅炉用水时,应当参照国家标准进行选择,并严格按照标准要求进行水质检测和控制。
其次,锅炉用水的水质应符合锅炉的要求。
不同类型的锅炉对水质的要求有所不同,例如,燃煤锅炉对水质的要求与燃气锅炉可能会有所差异。
在选择锅炉用水时,应当根据锅炉的类型和要求进行选择,并严格按照锅炉厂家的要求进行水质控制。
另外,锅炉用水的水质应符合现场水质的实际情况。
在实际生产中,不同地区的水质可能会有所差异,因此在选择锅炉用水时,应当充分考虑当地水质的情况,并根据实际情况进行水质调整和控制。
此外,锅炉用水的水质应符合环保要求。
随着环保意识的增强,对于工业生产中的废水排放也有着越来越严格的要求。
在选择锅炉用水时,应当考虑水质对环境的影响,并尽量选择符合环保要求的水质。
最后,锅炉用水的水质应符合经济性要求。
在选择锅炉用水时,除了考虑水质的安全性和环保性外,还应当考虑水质的经济性,选择经济合理的水质,以降低生产成本。
综上所述,合理选择和控制锅炉用水的水质对于锅炉的安全运行和使用寿命至关重要。
在选择锅炉用水时,应当综合考虑国家标准、锅炉要求、实际情况、环保要求和经济性要求,选择合适的水质,并严格按照标准要求进行水质检测和控制,以确保锅炉用水的水质符合要求,为锅炉的正常运行提供保障。
锅炉用水标准
时间:2007年11月2日
一、范围
本标准规定了工业锅炉运行时的水质要求。
本标准适用于额定出口蒸汽压力小于等于2.5MPa,以水为介质的固定式蒸汽锅炉和汽水两用锅炉也适用于以水为介质的固定式承压热水锅炉和常压热水锅炉。
二、水质标准
1、蒸汽锅炉和汽水两用锅炉的给水一般应采用锅外化学水处理,水质应符
合表1规定
表1
国家质量技术监督局2001-01-10批准2001-10-01实施
2) 碱度mmo1/L的基本单元为c(OH-、1/2CO2-3、HC03-),下同。
对蒸汽品质要求不高,且不带过热器的锅炉,使用单位在报当地锅炉压力容器安全监察机
构同意后,碱度指标上限值可适当放宽。
3) 当锅炉额定蒸发量大于等于6t/h时应除氧,额定蒸发量小于6t/h的锅炉如发现局部腐蚀
时,给水应采取除氧措施,对于供汽轮机用汽的锅炉给水含氧量应小于等于0.05mg/L。
4) 如测定溶解固形物有困难时,可采用测定电导率或氯离子(C1-)的方法来间接控制,但溶
解固形物与电导率或与氯离子(Cl-)的比值关系应根据试验确定。
并应定期复试和修正此
比值关系。
5) 全焊接结构锅炉相对碱度可不控制。
6) 仅限燃油、燃气锅炉
2、额定蒸发量小于等于2t/h,且额定蒸汽压力小于等于1.0MPa的蒸汽锅炉和汽水两用锅炉(如对汽、水品质无特殊要求)也可采用锅内加药处理。
但必须对锅炉的结垢、腐蚀和水质加强监督,认真做好加药、排污和清洗工作,其水质应符合表2规定。
表2
3 、承压热水锅炉给水应进行锅外水处理,对于额定功率小于等于4.2MW非管架式承压的热水锅炉和常压热水锅炉,可采用锅内加药处理,但必须对锅炉的结垢、腐蚀和水质加强监督,认真做好加药工作,其水质应符合表3的规定。
表3
1)通过补加药剂使锅水pH值控制在10一12。
2)额定功率大于等于4.2MW的承压热水锅炉给水应除氧,额定功率小于4.2MW的承压热水锅炉和常压热水锅炉给水应尽量除氧。
4、直流(贯流)锅炉给水应采用锅外化学水处理,其水质按表1中额定蒸汽压力为大于1.6Mpa、小于等于2.5Mpa的标准执行。
5、余热锅炉及电热锅炉的水质指标应符合同类型、同参数锅炉的要求。
6、水质检验方法应按附录A(标准的附录)执行
1) 硬度mmol/L的基本单元为c(1/2Ca2+、1/2Mg2+),下同。
2) 碱度mmo1/L的基本单元为c(OH-、1/2CO2-3、HC03-),下同。
对蒸汽品质要求不高,且不带过热器的锅炉,使用单位在报当地锅炉压力容器安全监察机
构同意后,碱度指标上限值可适当放宽。
3) 当锅炉额定蒸发量大于等于6t/h时应除氧,额定蒸发量小于6t/h的锅炉如发现局部腐蚀
时,给水应采取除氧措施,对于供汽轮机用汽的锅炉给水含氧量应小于等于0.05mg/L。
4) 如测定溶解固形物有困难时,可采用测定电导率或氯离子(C1-)的方法来间接控制,但溶
解固形物与电导率或与氯离子(Cl-)的比值关系应根据试验确定。
并应定期复试和修正此比值关系。
5) 全焊接结构锅炉相对碱度可不控制。
6) 仅限燃油、燃气锅炉
2、额定蒸发量小于等于2t/h,且额定蒸汽压力小于等于1.0MPa的蒸汽锅炉和汽水两用锅炉(如对汽、水品质无特殊要求)也可采用锅内加药处理。
但必须对锅炉的结垢、腐蚀和水质加强监督,认真做好加药、排污和清洗工作,其水质应符合表2规定。
总硬度,mmol/L ≤6 ≤0.6
PH(25℃)1)≥7 10-12 ≥7
溶解氧,mg/L2) ≤0.1
含油量,mg/L ≤2 ≤2
1)通过补加药剂使锅水pH值控制在10一12。
2)额定功率大于等于4.2MW的承压热水锅炉给水应除氧,额定功率小于4.2MW的承压热水锅炉和常压热水锅炉给水应尽量除氧。
4、直流(贯流)锅炉给水应采用锅外化学水处理,其水质按表1中额定蒸汽压力为大于1.6Mpa、小于等于2.5Mpa的标准执行。
5、余热锅炉及电热锅炉的水质指标应符合同类型、同参数锅炉的要求。
6、水质检验方法应按附录A(标准的附录)执行
这个你最好查一下《工业锅炉水质》的附件,里面全有,化验方法、化验步骤、计算方法都有。
如果还嫌麻烦,就只能找一本《工业锅炉水处理技术》了,里面也全有。
仪器设备:
包括酸碱式滴定管1套、广泛PH试纸1本、锥形瓶2个、5ml小量杯1个、500ml广口瓶3个;分析试剂包括0.001M的EDTA、缓冲液(PH=10)、铬黑T、稀硫酸、亚甲基蓝、酚酞、甲基橙等;
我只知道硬度的化验。
水的硬度的化验:1、在锥形瓶中取样100ml水样(炉水、软水分开做);2、加入5ml缓冲液;3、滴入1-3滴铬黑T。
如果水已经发蓝,表示合格,水质硬度为0;如果水样发红,继续下一步;4、用EDTA滴定水样至兰色,简单计算,把EDTA消耗量除以10即得出硬度的数值,后面加单位mmol/L(切记:这样计算要把EDTA配置成1/2的EDTA)。
总碱度、游离碱度的测定方法
本法采用酸碱度滴定法。
取试样10mL,用0.1mol/L盐酸标准溶液滴定,所消耗的毫升数用点表示。
㈠试剂
盐酸:0.1mol/L标准溶液(按GB/T601配制和标定);
溴酚兰指示剂:1g溶于1000mL的20%乙醇中;
酚酞指示剂:1%乙醇溶液。
㈡试验方法
①总碱度的测定
用移液管吸取10mL试液于250mL锥形瓶中,用100mL蒸馏水,加3-4
滴溴酚兰指示剂,用盐酸标准溶液滴定由兰紫色变为黄色即为终点,记下消耗盐酸标准溶液毫升数A。
②游离碱度的测定
用移液管吸取10mL试液于250mL锥形瓶中,用100mL蒸馏水,加3-4滴酚酞指示剂。
用盐酸标准溶液滴定由粉红色变为无色即为终点,记下消耗盐酸标准溶液毫升数B。
㈢计算方法
碱度按下列公式计算:
总碱度(点)= A
游离碱度(点)= B
式中:A、B——滴定时耗去盐酸标准溶液毫升数,mL;
C——盐酸标准溶液浓度,mol/L;
V——取样毫升数,mL。
- -
硝酸银的方法是取1毫升锅炉水,然后加入过量的硝酸银,充分反应以后将沉淀过滤出来。
称出沉淀的质量就可以算出来锅炉水的含氯量了,不用硫酸的。
- 考试资料。