锅炉用水标准
- 格式:doc
- 大小:110.50 KB
- 文档页数:15
锅炉用水水质标准锅炉用水水质标准是指用于工业锅炉的水质要求,它直接关系到锅炉的安全运行和使用寿命。
合格的锅炉用水水质标准能够有效预防锅炉结垢、腐蚀、泄漏等问题,保证锅炉的高效、稳定运行。
因此,严格遵守锅炉用水水质标准,对于保障生产安全、节约能源、延长设备寿命具有重要意义。
锅炉用水水质标准主要包括以下几个方面:1. pH值,pH值是衡量水溶液酸碱度的指标。
对于工业锅炉来说,水的pH值应保持在8.5-12之间,过低或过高的pH值都会对锅炉造成腐蚀和结垢的危害。
2. 溶解氧,水中的溶解氧含量直接影响金属材料的腐蚀情况。
在锅炉用水中,溶解氧含量一般要求控制在0.1mg/L以下,以减少金属材料的腐蚀速度。
3. 硬度,水中的硬度主要由钙、镁等金属离子组成,硬度过高容易导致结垢,影响热交换效果。
因此,锅炉用水的硬度一般要求控制在100mg/L以下。
4. 渣沉积物含量,锅炉用水中的渣沉积物含量过高会导致锅炉管道堵塞、热效率降低等问题。
因此,渣沉积物含量一般要求控制在25mg/L以下。
5. 硅酸盐含量,水中的硅酸盐含量过高容易导致管道结垢、影响热交换效果。
因此,硅酸盐含量一般要求控制在150mg/L以下。
综上所述,锅炉用水水质标准是确保锅炉安全、高效运行的重要保障。
只有严格遵守水质标准,定期对水质进行监测和处理,才能有效预防锅炉结垢、腐蚀等问题,延长锅炉的使用寿命,保障生产安全。
因此,对于锅炉使用单位来说,建立健全的水质管理制度,加强对水质的监测和处理工作,是非常重要的。
同时,锅炉使用单位还应加强对锅炉操作人员的培训,提高其对水质管理的重视和处理能力,共同保障锅炉的安全、稳定运行。
工业锅炉水质标准一、范围本标准规定了工业锅炉运行时的水质要求。
本标准适用于额定出口蒸汽压力小于等于 2.5MPa,以水为介质的固定式蒸汽锅炉和汽水两用锅炉也适用于以水为介质的固定式承压热水锅炉和常压热水锅炉。
二、水质标准1蒸汽锅炉和汽水两用锅炉的给水一般应采用锅外化学水处理,水质应符合下表规定:项目给水> 1.0 < 1.6> 1.6< 2.5锅水< 1.0> 1.0< 1.6> 1.6< 2.5额定蒸汽压力,MPa<1.0悬浮物,mg/L<5<5<5总硬度,mmol/L1)<0.03<0.03<0.03无过热器6-266-246-16总碱度,mmol/L有过热器<14<12 pH(25 °C )>7>710-1210-1210-12溶解氧,mg/L3)<0.1<0.1<0.05<无过热器< 3500< 3000溶解固形物,mg/L4000有过热器< 3000< 2500 SO2-3,mg/L10-3010-30 PO3-4,mg/L10-3010-30相对碱度游离NaOH/溶解固形物< 0.2< 0.2含油量,mg/L<2<2<2含铁量,mg/L6)<0.3<0.3<0.31)硬度mmol/L的基本单元为c(1/2Ca2+、1/2Mg2+),下同。
2)碱度mmo1/L 的基本单元为c(OH-、1/2CO2-3、HC03-),下同。
对蒸汽品质要求不高,且不带过热器的锅炉,使用单位在报当地锅炉压力容器安全监察机构同意后,碱度指标上限值可适当放宽。
3)当锅炉额定蒸发量大于等于6t/h时应除氧,额定蒸发量小于6t/h的锅炉如发现局部腐蚀时,给水应采取除氧措施,对于供汽轮机用汽的锅炉给水含氧量应小于等于0.05mg/L。
•要使锅炉给水达到或接近国家标准,使锅内不结垢或少结垢,减缓内部腐蚀,笔者建议采取以下措施加以防范:1、锅炉房应因炉、因水制宜选用水处理方法。
(1)小于2t/h、1MPa的锅炉、火管式锅炉,应尽量采用锅外化学处理。
(2)大于2t/h、1Mpa的锅炉、水管与水火管组合式锅炉,必须采用锅外化学处理,且应积极除氧。
(3)大于或等于10t/h、1.6Mpa的锅炉,除锅外化学处理外,锅炉应加磷酸盐补充处理,且必须除氧。
2、加强水质化验人员培训,完善管理体制。
对于水处理化验人员和锅炉房有关人员,必须严格要求,要进行水处理知识的普及教育,特别对水处理化验操作人员要实行持证上岗。
领导要尽量少调动他们的工作,便于他们学习技术,积累经验。
3、未经试验鉴定的各类药剂不要使用。
因为各单位水源水质不同,有些药剂在甲地可用,在乙地则不一定可用;因为压力不同,传热面结构和热负荷不同,在火管锅炉上能用,在水管锅炉上可能会发生事故,故在选择药剂方面要先作试验,经当地锅炉检验部门鉴定同意后再使用,这样才能做到安全可靠。
4、加强铁制罐体检查,保证软水质量。
采用锅外化学水处理的铁制罐体,特别是使用树脂交换剂时,必须作好防腐工作,定期检查设备,才能保证软水设备的正常运行。
发现树“铁中毒”,及时找出原因,同时用10%的盐酸对树脂进行复苏处理。
5、严格水质标准,化验项目齐全,数据准确。
结合自己的炉型,严格水质标准,对锅炉水处理不仅要控制给水硬度和锅水酸碱度,同时还要控制锅水含盐量。
凡利用锅内加药水处理方法的,必须坚持对锅水的日常化验分析。
6、制定正确的排污制度和排污方法。
(1)对于具有底部定期排污和表面连续排污两种装置的锅炉;底排每班至少一次,表排阀门保持一定开度。
每隔1-2小时取锅水样一次,分析总碱度、PH值、溶固物(或氯离子),与标准对照,如某项超标,则适当调整阀门开度,直至各项合格。
(2)对于具有底部排污耐我表面排污装置的锅炉:底排每班至少一次,分析总碱度、PH值、氯离子(代替溶固物),与标准对照比较。
表1 90T、35T锅炉水质标准项目入炉水炉水1效水2效水煮糖水软水检测时间含糖份(mg/L)≤1/6w≤1/6w≤1/15w≤1/4w—1小时一次硬度(μmol/L)≤2.0———≤2.0一班两次总碱度(m mol/L)—≤5———2小时一次pH(25℃)8.8-9.3 9.0-11.0 ———2小时一次磷酸根(mg/L)—5-15 ———2小时一次Cl-(mg/L)—≤50——不大于生水2小时一次表2 20T、25T、30T锅炉水质标准项目入炉水(除氧箱水)炉水1效水2效水煮糖水软水检测时间含糖份(mg/L)≤1/6w≤1/6w≤1/15w≤1/4w—1小时一次硬度(μmol/L)≤2.0———≤2.0一班两次总碱度(m mol/L)—≤5———2小时一次pH(25℃)8.0-9.2 10-12 ———2小时一次磷酸根(mg/L)—10-30 ———2小时一次Cl-(mg/L)—≤50——不大于生水2小时一次分析项目及结果1、联氨(μg/L) —2、pH(25℃) 8.8~9.33、总硬度(μmol/L) ≤2.04、含油量(mg/L) 〈1.0 TOC/(μg/L) —5、溶解氧(μg/L) ≤156、Cl-(mg/L) —7、铁(μg/L) ≤508、镍(μg/L)9、铜(μg/L) ≤1010、钠(μg/L) —11、电导率(25℃)(μS/cm) —12、二氧化硅(mg/L) 应保证蒸汽二氧化硅符合标准13、二氧化硅(mg/L) —14、总碱度(m mol/L) ≤18 (〉18时排污)15、pH(25℃) 9.0~11.016、二氧化硅(mg/L) —17、磷酸根(mg/L) 5~1518、总含盐量(mg/L)19、Cl-(mg/L) —20、电导率(25℃)(μS/cm) —表1锅项目给水水>1.6 >1.6 额定蒸汽压力, MPa≤2.5 ≤2.5悬浮物,mg/L ≤5总硬度,mmol/L1)≤0.03总碱度,mmol/L2)≤12pH(25≥710-12 ℃)溶解氧,mg/L3)≤0.05溶解固形物,mg/L4)无过热器<3000 有过热器<2500SO2-3,mg/L4)10-30PO3-4,mg/L 10-30相对碱度游离NaOH/溶解固形物)5)<0.2含油量,mg/L ≤2含铁量,mg/L6) ≤0.3表1区分额定蒸汽压力MPa1.6<P≤2.5 补给水类型软化水除盐水给水浊度FTU≤5.0 ≤2.0 硬度mmol/L≤0.030≤0.030 pH(25℃)7.0~9.0 8.0~9.5溶解氧amg/L≤0.050≤0.050油mg/L≤2.0≤2.0全铁mg/L≤0.30 ≤0.10 电导率(25℃)μS/cm≤5.0×102≤1.0×102锅水全碱度bmmol/L无过热器 6.0~16.0 ≤8.0有过热器≤12.0 ≤8.0 酚酞碱度mmol/L无过热器 4.0~12.0 ≤5.0有过热器≤8.0 ≤5.0 pH(25℃)10.0~12.010.0~12.0溶解固形物 mg/L无过热器 ≤3.0×103 ≤3.0×103 有过热器 ≤2.5×103 ≤2.5×103磷酸根c mg/L 10.0~30.0 10.0~30.0 亚硫酸根dmg/L 10.0~30.0 10.0~30.0 相对碱度e<0.20<0.20项目 给水 锅水 额定蒸汽压力,Mpa ≤1.0 >1.0 ≤1.6 >1.6≤2.5 ≤1.0 >1.0 ≤1.6 >1.6 ≤2.5悬浮物,mg/L ≤5 ≤5 ≤5 — — —总硬度,mmol/L1) ≤0.03 ≤0.03 ≤0.03 — — — 总碱度,mmol/L2) 无过热器 — — — 6~26 6~24 6~16 有过热器 — — — — ≤14 ≤12pH(25℃) ≥7 ≥7 ≥7 10~12 10~12 10~12溶解氧,mg/L3) ≤0.1 ≤0.1 ≤0.05 — — — 溶解固形物,mg/L4) 无过热器 — — — <4000 <3500 <3000 有过热器 — — — — <3000 <2500 SO32-,mg/L — — — — 10~30 10~30 PO43-,mg/L — — — — 10~30 10~30相对碱度(游离NaOH\溶解固形物)5) — — — — <0.2 <0.2 含油量,mg/L ≤2 ≤2 ≤2 — — —含铁量,mg/L6) ≤0.3 ≤0.3 ≤0.3 — — —。
锅炉用水标准时间:2007年11月2日一、范围本标准规定了工业锅炉运行时的水质要求。
本标准适用于额定出口蒸汽压力小于等于,以水为介质的固定式蒸汽锅炉和汽水两用锅炉也适用于以水为介质的固定式承压热水锅炉和常压热水锅炉。
二、水质标准1、蒸汽锅炉和汽水两用锅炉的给水一般应采用锅外化学水处理,水质应符合表1规定表1国家质量技术监督局2001-01-10批准 2001-10-01实施1) 硬度mmol/L的基本单元为c(1/2Ca2+、1/2Mg2+),下同。
2) 碱度mmo1/L的基本单元为c(OH-、1/2CO2-3、HC03-),下同。
对蒸汽品质要求不高,且不带过热器的锅炉,使用单位在报当地锅炉压力容器安全监察机构同意后,碱度指标上限值可适当放宽。
3) 当锅炉额定蒸发量大于等于6t/h时应除氧,额定蒸发量小于6t/h的锅炉如发现局部腐蚀时,给水应采取除氧措施,对于供汽轮机用汽的锅炉给水含氧量应小于等于L。
4) 如测定溶解固形物有困难时,可采用测定电导率或氯离子(C1-)的方法来间接控制,但溶解固形物与电导率或与氯离子(Cl-)的比值关系应根据试验确定。
并应定期复试和修正此比值关系。
5) 全焊接结构锅炉相对碱度可不控制。
6) 仅限燃油、燃气锅炉2、额定蒸发量小于等于2t/h,且额定蒸汽压力小于等于的蒸汽锅炉和汽水两用锅炉(如对汽、水品质无特殊要求)也可采用锅内加药处理。
但必须对锅炉的结垢、腐蚀和水质加强监督,认真做好加药、排污和清洗工作,其水质应符合表2规定。
表2项目给水锅炉水悬浮物,mg/L≤20总硬度,mmol/l≤4总碱度,mmol/l8-26pH(25℃)≥710-12溶解固形物,mg/L<50003 、承压热水锅炉给水应进行锅外水处理,对于额定功率小于等于非管架式承压的热水锅炉和常压热水锅炉,可采用锅内加药处理,但必须对锅炉的结垢、腐蚀和水质加强监督,认真做好加药工作,其水质应符合表3的规定。
电厂锅炉给水的标准在电厂中,锅炉是发电设备的核心部件之一。
锅炉给水质量直接影响锅炉的工作效率、寿命和安全性能。
为了保证锅炉的正常运行,提高发电效率,降低能耗,我们需要制定一系列的标准来对锅炉给水进行要求和监控。
一、水源选择好的水源是保证锅炉给水质量的基础。
一般来说,电厂可选用地表水源、地下水源或者城市自来水作为给水源。
选择水源时,应考虑以下因素:1.水源的稳定性:确保水源的稳定供应,避免因水源不足或中断而影响锅炉正常运行;2.水源的富含氧量:锅炉给水应具有一定的含氧量,以有利于防止锅炉内的腐蚀和氧化;3.水源的水质指标:例如水硬度、总溶解固体量、重金属含量等,需符合国家及行业标准。
二、给水处理为了提供符合要求的给水质量,我们需要对原水进行处理。
常见的给水处理方法包括:1.过滤:通过过滤器去除水中的颗粒物、悬浮物和悬浮微粒,防止其进入锅炉系统;2.软化:对水中的硬度成分进行处理,避免在锅炉内形成水垢和渣垢;3.除盐:适用于地下水或海水的处理,通过反渗透膜等方法去除水中的盐分;4.除氧:去除水中的溶解氧,以减少锅炉内的腐蚀和氧化反应。
三、给水质量指标要求为了保证锅炉的安全运行和提高发电效率,锅炉给水需要符合一定的质量指标要求。
以下为常见的给水质量指标要求:1.水硬度:一般要求锅炉给水的硬度低于100 mg/L;2.总溶解固体量:总溶解固体量应控制在300 mg/L以内;3.氯离子含量:氯离子含量应小于30 mg/L;4.铁含量:铁含量应小于0.2 mg/L;5.铜含量:铜含量应小于0.1 mg/L;6.锌含量:锌含量应小于0.2 mg/L;7.溶解氧含量:溶解氧含量应小于0.05 mg/L。
四、给水监测与调整为保证锅炉给水质量的稳定,需要对给水进行定期监测和调整。
常见的监测内容包括pH值、硬度、氯离子含量、溶解氧含量等。
在监测到指标超出要求时,需要及时采取调整措施,如调整给水处理设备的操作参数、增加药剂投加量等。
锅炉水排放标准
锅炉水排放标准主要包括以下几个方面:
1. 悬浮物:锅炉水中悬浮物的含量应符合国家和地方的相关标准,通常不应超过 50mg/L。
2. 总硬度:锅炉水中总硬度的含量应符合国家和地方的相关标准,通常不应超过 450mg/L。
3. pH 值:锅炉水的 pH 值应控制在 7.0-9.2 之间,以避免腐蚀和结垢。
4. 溶解氧:锅炉水中溶解氧的含量应符合国家和地方的相关标准,通常不应超过 0.1mg/L。
5. 含油量:锅炉水中含油量的含量应符合国家和地方的相关标准,通常不应超过 2mg/L。
6. 总碱度:锅炉水中总碱度的含量应符合国家和地方的相关标准,通常不应超过 2200mg/L。
需要注意的是,不同类型的锅炉对水质的要求也有所不同,具体的排放标准应根据锅炉的类型、使用环境和当地的环保要求来确定。
同时,为了确保锅炉的安全运行和环境保护,应定期对锅炉水进行监测和处理。
锅炉水质的国家标准锅炉水质是指锅炉在运行过程中所需要的水质要求。
合理的锅炉水质不仅可以保证锅炉的安全运行,延长锅炉的使用寿命,还可以提高锅炉的热效率,降低能源消耗。
因此,制定和执行合理的锅炉水质标准对于保障工业生产和民用生活安全至关重要。
国家标准对于锅炉水质的要求主要包括以下几个方面:一、水质检测项目。
国家标准规定了锅炉水质的检测项目,主要包括水质中的总硬度、碱度、氧化性、PH值、氯离子含量、总溶解固体含量等指标。
这些指标的检测可以全面了解水质的情况,为制定合理的水处理方案提供依据。
二、水质标准限值。
国家标准对于锅炉水质的各项指标都规定了相应的限值要求。
比如,对于总硬度、PH值、氧化性等指标都有明确的限值要求。
这些限值的设定是基于锅炉的安全运行和热效率考虑的,超过限值范围的水质可能会导致锅炉结垢、腐蚀等问题,影响锅炉的正常运行。
三、水质处理方法。
国家标准还规定了针对不同水质情况下的处理方法。
比如,对于高硬度水质,可以采用软化处理;对于高碱度水质,可以采用调碱处理等。
这些处理方法的规定可以为用户提供具体的操作指导,保证水质达标。
四、水质管理要求。
国家标准还对锅炉水质的管理提出了要求。
包括水质的定期检测、记录、报告要求等。
这些管理要求是保证锅炉长期稳定运行的重要保障,也是锅炉水质标准的落实和执行。
总的来说,国家标准对于锅炉水质的要求是全面的、严格的,旨在保证锅炉的安全运行和热效率。
锅炉用户在实际使用中,应该严格按照国家标准的要求进行操作,保证锅炉水质达标,避免因水质问题导致的锅炉故障和事故发生。
同时,相关部门也应加强监督检查,确保国家标准得到有效执行,为锅炉的安全运行提供保障。
1.自然循环锅炉和汽水两用锅炉1)采用锅外水处理的自然循环锅炉和汽水两用锅炉表1采用锅外水处理的自然循环锅炉和汽水两用锅炉水质注1:对于供汽轮机用汽的锅炉,蒸汽质量应执行GB/T12145规定的额定蒸汽压力3.8MPa s5.8MPa。
注2;硬度和碱度的计量单位为一价基本单元物质的量的浓度。
注3:停(备)用锅炉启动时,锅水的浓缩倍率达到正常后,锅水的水质应达到本标准要求。
2)单纯采用锅内加药处理的自然循环锅炉和汽水两用锅炉额定蒸发量小于或等于4t/h,并且额定蒸汽压力小于等于1.3MPa的自然循环锅炉和汽水两用锅炉可以单纯采用锅内加药处理,但加药后的汽、水质量不得影响生活和生产,其给水和锅水水质应符合下表要求。
表2单纯采用锅内加药处理的自然循环锅炉和汽水两用锅炉水质2.火力发电机组及蒸汽动力设备(一)蒸汽质量标准汽包炉的饱和蒸汽和过热蒸汽质量以及直流炉的主蒸汽质量应符合下表要求。
表3蒸汽质量没有凝结水精处理除盐装置的机组,蒸汽的氢电导率标准值不大于0.30us/cm,期望值不大于0.15us/cm。
(二)锅炉给水质量标准没有凝结水精处理除盐装置的机组,给水氢电导率应不大于0.30us/cm。
⑵全挥发处理给水的PH值、联氨和总有机碳(TOC)应符合下表规定。
表5给水的PH值、联氨和TOC标准对于凝结器为铜管、其它换热器均为钢管的机组,给水PH控制范围为9.1S9.4.⑶直流炉加氢处理给水的PH值、联氨和总有机碳(TOC)应符合下表规定。
表6加氢处理给水的PH值、联氨和TOC标准(三)凝结水质量标准(1)凝结水的硬度、钠和溶解氧的含量和氢电导率应符合下表要求。
表7凝结水泵出口水质直接空冷机组凝结水溶解氧浓度标准值应小于100ug/L,期望值小于30ug/L,配有混合式凝汽器的间接空冷机组凝结水溶解氧浓度应小于200ug/L o凝结水有精处理除盐装置时,凝结水泵出口的钠浓度可放宽至10ug/L o2)凝结水经精处理除盐后水中二氧化硅、钠、铁、铜的含量和氢电导率应符合下表要求。
电厂锅炉用水水质标准电厂锅炉用水的水质标准是保障锅炉安全运行和延长设备寿命的重要保障,合理的水质标准可以有效地减少锅炉的腐蚀、垢积和结垢等问题,保证锅炉的高效运行。
因此,电厂锅炉用水水质标准是电厂生产中的一个重要环节,下面将就电厂锅炉用水的水质标准进行详细介绍。
首先,电厂锅炉用水的水质标准主要包括水质参数和水质控制要求两个方面。
水质参数主要包括水中的硬度、碱度、氧含量、总溶解固体、pH值等指标,这些指标直接影响着水的腐蚀性、结垢性和垢积性。
水质控制要求则是根据锅炉的具体工作条件和要求,制定出适合锅炉运行的水质标准,包括水质的处理方法、水质的监测频率、水质的调节方法等。
其次,电厂锅炉用水的水质标准需要根据锅炉的具体类型和工作条件来确定。
不同类型的锅炉对水质的要求是不同的,例如,高压锅炉对水质的要求更加严格,因为水质不合格会导致锅炉的腐蚀和结垢,从而影响锅炉的安全运行。
因此,电厂在确定锅炉用水的水质标准时,需要充分考虑锅炉的具体类型和工作条件,制定出合理的水质标准。
另外,电厂锅炉用水的水质标准还需要根据水源的不同来确定。
不同水源的水质是不同的,有些水源中可能含有较多的杂质和溶解物质,这些物质会对锅炉的安全运行造成影响。
因此,电厂在确定锅炉用水的水质标准时,需要充分考虑水源的情况,对水质进行必要的处理和调节,以保证水质符合锅炉的要求。
最后,电厂在确定锅炉用水的水质标准时,需要建立完善的水质管理制度,包括水质监测、水质处理、水质调节等方面的内容。
只有建立完善的水质管理制度,才能保证锅炉用水的水质符合标准,保证锅炉的安全运行和延长设备寿命。
综上所述,电厂锅炉用水的水质标准是电厂生产中的一个重要环节,合理的水质标准可以有效地保证锅炉的安全运行和延长设备寿命。
因此,电厂在确定锅炉用水的水质标准时,需要充分考虑锅炉的具体类型和工作条件,水源的情况,建立完善的水质管理制度,以保证锅炉用水的水质符合标准,保证锅炉的安全运行。
锅炉用水化验标准及方法一、硬度测定(注:所用水样容器先用被测水冲洗干净)取100ml透明水样注于250ml 锥形瓶中,加入3ml 氨-氯化铵缓冲液,再加入2 滴铬黑T指示剂。
在不断摇动下,用0.001mmol/L EDTA 标准溶液滴定至蓝色即为终点,记EDTA 标准溶液所消耗的体积。
计算公式如下:式中:C指EDTA标准溶液的浓度;V 指滴定时所消耗的EDTA 的体积;VS指水样的体积。
二、碱度测定取100ml 透明水样,置于锥形瓶中,加入2~3滴酚酞指示剂,此时溶液若显红色,则用0.1mmol∕L硫酸标准溶液滴定至无色,记录耗酸体积V1,然后再加入2 滴甲基橙指示剂,继续用硫酸标准液滴定至橙红色,记录第二次耗酸体积V2(不包括V1)。
计算公式如下:式中:JD总指全碱度;C指硫酸标准溶液的浓度(mmol/L);V1、V2指两次滴定时所耗硫酸标准溶液的体积,单位ml;VS指水样体积,单位ml。
三、氯根测定(1)量取100mL水样,注入锥形瓶中,加2~3滴酚酞指示剂,若显红色,即用硫酸标准溶液中和至无色,若不显红色,则用0.1N NaOH(氢氧化钠)溶液滴至微红色,然后用H2SO4(硫酸)中和到无色。
(2)加入10% 的铬酸钾指示剂10 滴,摇匀,用硝酸银标准溶液(1mL≈1mgCl-)进行滴定。
终点显橙色。
记录硝酸银消耗体积为 a mL 。
同时取100mL 蒸馏水,按上述操作方法作空白试验,记录消耗AgNO3(硝酸银)的体积为b mL 计算公式如下:C=氯化物含量a ——滴定水样时硝酸银的消耗量,mL;b ——滴定蒸馏水时硝酸银体积,mL;1.0——硝酸银浓度T=1 ;V ——水样体积,mL ;。
工业锅炉用水质量标准一、锅炉用水:锅炉用水可分为原水、给水、补给水、炉水、冷却水和排污水等几类。
(一)原水原水就是锅炉的水源水,即生水。
原水主要有江河水、湖泊水、水库水、井水和城市自来水等。
(二)给水直接进入锅炉的水称为给水。
给水通常由补给水和生产回水两部分混合而成。
1、补给水一般有一下几种:①软化水:将原水中总硬度消除到标准范围内,而总含量基本不变的水。
②脱碱水(脱碱软化水):将原水中硬度和碱度同时降到一定程度的水。
③除盐水:将原水中易于除去的强电解质盐类减少到一定程度的水。
2、回水:当热水或蒸汽的热能被利用后,其凝结水和低温水未被污染,则应尽量回收,循环利用,减少补给水,并改善水质。
这部分水称为回水。
(三)锅炉水:在运行中的锅炉系统内的水称为锅炉水。
(四)冷却水用来冷却锅炉某些部位的水称为冷却水。
(五)排污水为了去处炉水中的杂质,保持炉水品质,需定期或连续排污。
此排放出的水称为排污水。
二、锅炉蒸汽锅炉是生产蒸汽的设备。
锅炉生产的蒸汽分为两种:(一)饱和蒸汽当锅炉没有过热器时,炉水在一定的压力下,达到它的饱和温度时所产生的蒸汽称为饱和蒸汽。
饱和蒸汽与炉水温度相同。
饱和蒸汽往往含有一定量的水分。
(二)过热蒸汽当锅炉有过热器时,饱和蒸汽在过热器内继续被加热,结果不仅水分被蒸干,而且进一步提高了温度,蒸汽的温度超过了该工作压力下的饱和温度,故称其为过热蒸气。
(三)锅炉水质标准根据锅炉结构的特点和运行参数的要求,确定合理的锅炉给水和锅炉水质标准,时防止锅炉结垢、腐蚀和保证蒸汽品质的主要措施,对保证锅炉安全运行有着重要的意义。
国家颁布的GB1576-85《低压锅炉水质标准》,是锅炉水处理工作的准则和依据。
项目给水锅炉工作压力MPa0.980.89~1.57 1.57~2.45≤0.980.98~1.57 1.57~2.45悬浮物mg/L≤5≤5≤5总硬度mmol/L≤0.02≤0.02≤0.02总碱度mmol/L 无过热器≤10≤10≤10有过热器≤7≤7PH(25℃)>7>7>710~1210~1210~12含油量mg/L≤2≤2≤2溶解氧mg/L≤0.1≤0.1≤0.1溶解固形物mg/L 无过热器>4000>3500>3000有过热器>3000>2500SO32-mg/L10~4010~4010~40 PO43-mg/L10~30。
锅炉用水标准
锅炉用水是指用于供热锅炉系统的水,其质量直接关系到锅炉
运行的安全性和效率。
因此,制定和执行锅炉用水标准是非常重要的。
本文将就锅炉用水标准的相关内容进行介绍和分析。
首先,锅炉用水标准应包括水质要求和水处理方法两个方面。
对于水质要求,首先应保证水中无杂质和有害物质,如铁、铜、氧、二氧化碳等。
其次,水中的硬度和碱度也需要符合规定的范围,以
防止在锅炉内部产生水垢和腐蚀。
对于水处理方法,应根据水质情
况选择合适的处理工艺,如软化、膜分离、离子交换等,以保证供
给锅炉的水质符合标准要求。
其次,锅炉用水标准还应包括水质监测和控制方法。
水质监测
是指定期对供给锅炉的水进行化验分析,以确定水质是否符合标准
要求。
水质控制是指根据监测结果采取相应的措施,如调整水处理
工艺、更换处理设备等,以保证水质符合标准要求。
另外,锅炉用水标准还应包括水质管理和应急处理措施。
水质
管理是指建立健全的水质管理制度,包括责任部门、管理程序、记
录和档案等,以保证水质长期稳定。
应急处理措施是指在水质突然
变坏或出现异常情况时,能够迅速采取相应的措施,以保证锅炉安全运行。
总之,锅炉用水标准是保证锅炉安全运行和提高能效的重要保障。
只有严格执行锅炉用水标准,才能有效预防因水质问题而引起的锅炉事故,保证供热系统的正常运行。
因此,各相关部门和企业应高度重视锅炉用水标准的制定和执行,以保证供热系统的安全、稳定和高效运行。
锅炉用水水质标准锅炉用水的水质标准是指用于供给锅炉的水的质量要求,其主要目的是保证锅炉的安全运行和延长锅炉的使用寿命。
良好的水质不仅可以减少锅炉的腐蚀和结垢,还能提高热效率,降低能耗,减少维护成本。
因此,锅炉用水水质标准的制定和执行对于锅炉运行管理至关重要。
首先,锅炉用水的水质标准应符合国家相关标准和规定。
国家标准对于锅炉用水的水质有详细的规定,包括水质指标、水质等级、水质检测方法等内容。
在选择锅炉用水时,必须严格按照国家标准的要求进行采购和使用,确保水质符合标准要求。
其次,锅炉用水的水质标准应根据具体的锅炉类型和工况进行调整。
不同类型的锅炉对水质的要求有所不同,例如,高压锅炉对水质的要求更加严格,而低压锅炉对水质的要求相对较低。
同时,锅炉在不同的工况下,对水质的要求也会有所差异,因此,在制定水质标准时,需要考虑到具体的锅炉类型和运行条件。
另外,锅炉用水的水质标准还应包括水质检测和监测的内容。
水质检测是确保锅炉用水符合标准要求的重要手段,通过定期对水质进行检测,可以及时发现水质异常,采取相应的措施进行处理,保证锅炉的安全运行。
同时,对水质的监测也是必不可少的,通过建立水质监测系统,可以实时监测水质的变化,及时调整水质处理措施,确保锅炉用水的稳定性。
最后,锅炉用水的水质标准的执行需要全员参与,形成一套科学的管理制度。
在锅炉用水的采购、储存、输送和使用过程中,需要建立健全的管理制度,明确责任部门和责任人,加强对水质的监督和管理,确保水质符合标准要求。
同时,还需要加强员工的培训和教育,提高员工对于水质管理的重视和认识,形成全员参与、共同维护水质的良好氛围。
综上所述,锅炉用水的水质标准对于锅炉的安全运行和经济运行至关重要,必须严格执行国家标准和规定,根据具体情况进行调整,加强水质检测和监测,建立科学的管理制度,确保锅炉用水的水质符合标准要求。
只有这样,才能保证锅炉的安全稳定运行,延长锅炉的使用寿命,降低能源消耗,提高经济效益。
锅炉水的标准是多少
锅炉水的标准是指在锅炉运行过程中,所需的水质要求。
合格的锅炉水质可以保证锅炉的安全运行,延长锅炉的使用寿命,减少能源消耗,降低维护成本,保护环境等多重作用。
那么,锅炉水的标准是多少呢?
首先,锅炉水的标准包括水的化学成分、物理性质和微生物等多个方面。
在化学成分方面,锅炉水一般要求低硬度、低盐分、低碱度、低铁含量等,以保证水的腐蚀性和垢积物的生成率。
在物理性质方面,锅炉水的标准要求包括水的色度、浊度、PH值等,以保证水的清洁度和稳定性。
在微生物方面,锅炉水的标准要求水中微生物的数量和种类,以保证水的卫生安全。
其次,根据锅炉的不同类型和用途,锅炉水的标准也有所不同。
例如,工业锅炉和民用锅炉对水质的要求会有所不同,高压锅炉和低压锅炉对水质的要求也会有所不同。
因此,在确定锅炉水的标准时,需要根据具体情况进行综合考虑。
另外,锅炉水的标准还受到地区、国家的法律法规和标准的影响。
不同地区、不同国家对锅炉水的标准可能会有所差异,因此在确定锅炉水的标准时,需要遵循当地的法律法规和标准要求。
最后,为了确保锅炉水的质量达到标准要求,需要采取相应的水处理措施。
这包括水的软化、脱盐、除氧、除垢、杀菌等多种方法,以保证水质符合标准要求。
综上所述,锅炉水的标准是多方面的,需要综合考虑化学成分、物理性质、微生物等多个方面的要求。
在确定锅炉水的标准时,需要根据锅炉的类型和用途、当地的法律法规和标准要求等进行综合考虑,并采取相应的水处理措施,以确保锅炉水的质量达到标准要求。
热水锅炉水质标准对照表
热水锅炉水质标准对照表根据不同国家和地区的标准有所不同。
下面是一些常见的热水锅炉水质标准对照表的参考:
1. 国际标准:
- 美国标准:根据美国锅炉和压力容器协会(ASME)规定,
热水锅炉水质应符合ASME标准,其中包括对溶解氧、硬度、总碱度、pH值、铁和铜含量等指标进行限制。
- 欧洲标准:根据欧洲标准EN 12953-10,热水锅炉水质应符
合EN 12953-10标准,其中包括对氧含量、硅酸盐、总硬度、
总铁含量、总铜含量等指标进行限制。
2. 国内标准:
- 中国标准:根据《锅炉水质化学监督与管理规定》(GB/T 1576-2018)和《燃煤热水锅炉技术条件》(GB/T 28779-2012)等标准,热水锅炉水质应符合国家标准,其中包括对溶解氧、总硬度、碱度、铁和铜含量等指标进行限制。
以上仅为一些常见的热水锅炉水质标准对照表的参考,具体的标准还需参照当地法规和行业标准进行确定。
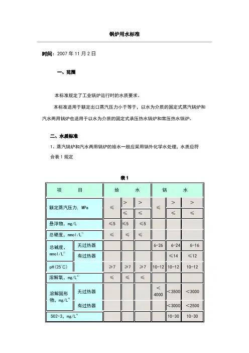
锅炉用水标准
时间:2007年11月2日
一、范围
本标准规定了工业锅炉运行时的水质要求。
本标准适用于额定出口蒸汽压力小于等于2.5MPa,以水为介质的固定式蒸汽锅炉和汽水两用锅炉也适用于以水为介质的固定式承压热水锅炉和常压热水锅炉。
二、水质标准
1、蒸汽锅炉和汽水两用锅炉的给水一般应采用锅外化学水处理,水质应符
合表1规定
表1
国家质量技术监督局2001-01-10批准2001-10-01实施
1) 硬度mmol/L的基本单元为c(1/2Ca2+、1/2Mg2+),下同。
2) 碱度mmo1/L的基本单元为c(OH-、1/2CO2-3、HC03-),下同。
对蒸汽品质要求不高,且不带过热器的锅炉,使用单位在报当地锅炉压力容器安全监察机
构同意后,碱度指标上限值可适当放宽。
3) 当锅炉额定蒸发量大于等于6t/h时应除氧,额定蒸发量小于6t/h的锅炉如发现局部腐蚀
时,给水应采取除氧措施,对于供汽轮机用汽的锅炉给水含氧量应小于等于0.05mg/L。
4) 如测定溶解固形物有困难时,可采用测定电导率或氯离子(C1-)的方法来间接控制,但溶
解固形物与电导率或与氯离子(Cl-)的比值关系应根据试验确定。
并应定期
复试和修正此
比值关系。
5) 全焊接结构锅炉相对碱度可不控制。
6) 仅限燃油、燃气锅炉
2、额定蒸发量小于等于2t/h,且额定蒸汽压力小于等于1.0MPa的蒸汽锅炉和汽水两用锅炉(如对汽、水品质无特殊要求)也可采用锅内加药处理。
但必须对锅炉的结垢、腐蚀和水质加强监督,认真做好加药、排污和清洗工作,其水质应符合表2规定。
表2
3 、承压热水锅炉给水应进行锅外水处理,对于额定功率小于等于
4.2MW非管架式承压的热水锅炉和常压热水锅炉,可采用锅内加药处理,但必须对锅炉的结垢、腐蚀和水质加强监督,认真做好加药工作,其水质应符合表3的规定。
表3
含油量,mg/L≤2≤2
1)通过补加药剂使锅水pH值控制在10一12。
2)额定功率大于等于4.2MW的承压热水锅炉给水应除氧,额定功率小于
4.2MW的承压热水锅炉和常压热水锅炉给水应尽量除氧。
4、直流(贯流)锅炉给水应采用锅外化学水处理,其水质按表1中额定蒸
汽压力为大于1.6Mpa、小于等于2.5Mpa的标准执行。
5、余热锅炉及电热锅炉的水质指标应符合同类型、同参数锅炉的要求。
6、水质检验方法应按附录A(标准的附录)执行
对蒸汽品质要求不高,且不带过热器的锅炉,使用单位在报当地锅炉压力容器安全监察机
构同意后,碱度指标上限值可适当放宽。
3) 当锅炉额定蒸发量大于等于6t/h时应除氧,额定蒸发量小于6t/h的锅炉如发现局部腐蚀
时,给水应采取除氧措施,对于供汽轮机用汽的锅炉给水含氧量应小于等于0.05mg/L。
4) 如测定溶解固形物有困难时,可采用测定电导率或氯离子(C1-)的方法来间接控制,但溶
解固形物与电导率或与氯离子(Cl-)的比值关系应根据试验确定。
并应定期复试和修正此比值关系。
5) 全焊接结构锅炉相对碱度可不控制。
6) 仅限燃油、燃气锅炉
2、额定蒸发量小于等于2t/h,且额定蒸汽压力小于等于1.0MPa的蒸汽锅炉和汽水两用锅炉(如对汽、水品质无特殊要求)也可采用锅内加药处理。
但必须对锅炉的结垢、腐蚀和水质加强监督,认真做好加药、排污和清洗工作,其水质应符合表2规定。
含油量,mg/L≤2≤2
1)通过补加药剂使锅水pH值控制在10一12。
2)
额定功率大于等于4.2MW的承压热水锅炉给水应除氧,额定功率小于4.2MW的承压热水锅炉和常压热水锅炉给水应尽量除氧。
4、直流(贯流)锅炉给水应采用锅外化学水处理,其水质按表1中额定蒸汽压力为大于1.6Mpa、小于等于2.5Mpa的标准执行。
5、余热锅炉及电热锅炉的水质指标应符合同类型、同参数锅炉的要求。
6、水质检验方法应按附录A(标准的附录)执行
这个你最好查一下《工业锅炉水质》的附件,里面全有,化验方法、化验步骤、计算方法都有。
如果还嫌麻烦,就只能找一本《工业锅炉水处理技术》了,里面也全有。
仪器设备:
包括酸碱式滴定管1套、广泛PH试纸1本、锥形瓶2个、5ml小量杯1个、500ml广口瓶3个;分析试剂包括0.001M的EDTA、缓冲液(PH=10)、铬黑T、稀硫酸、亚甲基蓝、酚酞、甲基橙等;
我只知道硬度的化验。
水的硬度的化验:1、在锥形瓶中取样100ml水样(炉水、软水分开做);2、加入5ml缓冲液;3、滴入1-3滴铬黑T。
如果水已经发蓝,表示合格,水质硬度为0;如果水样发红,继续下一步;4、用EDTA滴定水样至兰色,简单计算,把EDTA消耗量除以10即得出硬度的数值,后面加单位mmol/L(切记:这样计算要把EDTA配置成1/2的EDTA)。
总碱度、游离碱度的测定方法
本法采用酸碱度滴定法。
取试样10mL,用0.1mol/L盐酸标准溶液滴定,所消耗的毫升数用点表示。
㈠试剂
盐酸:0.1mol/L标准溶液(按GB/T601配制和标定);
溴酚兰指示剂:1g溶于1000mL的20%乙醇中;
酚酞指示剂:1%乙醇溶液。
㈡试验方法
① 总碱度的测定
用移液管吸取10mL试液于250mL锥形瓶中,用100mL蒸馏水,加3-4滴溴酚兰指示剂,用盐酸标准溶液滴定由兰紫色变为黄色即为终点,记下消耗盐酸标准溶液毫升数A。
②游离碱度的测定
用移液管吸取10mL试液于250mL锥形瓶中,用100mL蒸馏水,加3-4滴酚酞指示剂。
用盐酸标准溶液滴定由粉红色变为无色即为终点,记下消耗盐酸标准溶液毫升数B。
㈢计算方法
碱度按下列公式计算:
总碱度(点)= A
游离碱度(点)= B
式中:A、B——滴定时耗去盐酸标准溶液毫升数,mL;
C——盐酸标准溶液浓度,mol/L;
V——取样毫升数,mL。
硝酸银的方法是取1毫升锅炉水,然后加入过量的硝酸银,充分反应以后将沉淀过滤出来。
称出沉淀的质量就可以算出来锅炉水的含氯量了,不用硫酸的。
感谢您的支持与配合,我们会努力把内容做得更好!。