【CN110010933A】一种燃料电池空气供给系统控制方法及系统【专利】
- 格式:pdf
- 大小:714.05 KB
- 文档页数:13
专利名称:一种燃料电池系统及其控制方法专利类型:发明专利
发明人:周鸿波,郭志阳,陆建山,刘志洋,刘小娅申请号:CN202011147117.4
申请日:20201023
公开号:CN112234231A
公开日:
20210115
专利内容由知识产权出版社提供
摘要:本发明涉及一种燃料电池系统及其控制方法,该系统包括电堆,氢气回路、空气回路、冷却回路、控制模块和环境监测模块,氢气回路、空气回路、冷却回路均与电堆相连,控制模块接收各回路以及环境监测模块的信息,并且通过计算对各回路进行调控;空气回路包括进气管路、空压机、阴极流量控制模块、增湿器、节气门与排气管路,进气管路、空压机、增湿器以及电堆入口端依次通过管路连接,电堆的出口端依次与增湿器、节气门以及排气管路连通,冷却回路包括第二压力控制器、加热器、多模组散热模块和流量控制模块,本发明解决了一般燃料电池中不足之处,并且提升了系统的针对不同环境的适应能力。
申请人:金华氢途科技有限公司
地址:321025 浙江省金华市婺城区白龙桥镇临江东路1000号创新大厦1201-2
国籍:CN
代理机构:杭州丰禾专利事务所有限公司
代理人:徐金杰
更多信息请下载全文后查看。
(19)中华人民共和国国家知识产权局(12)实用新型专利(10)授权公告号 (45)授权公告日 (21)申请号 201922444392.1(22)申请日 2019.12.27(73)专利权人 中通客车控股股份有限公司地址 252000 山东省聊城市经济开发区黄河路261号(72)发明人 陈波 国立智 魏琳 赵桂虎 杨政栋 张磊 (74)专利代理机构 济南圣达知识产权代理有限公司 37221代理人 黄海丽(51)Int.Cl.H01M 8/04089(2016.01)H01M 8/0438(2016.01)H01M 8/04119(2016.01)H01M 8/04223(2016.01)(54)实用新型名称一种燃料电池汽车空气供给系统(57)摘要本实用新型公开了一种燃料电池汽车空气供给系统,包括:控制器,以及通过管路依次连接的空滤器、空压机和增湿器,在所述空压机和增湿器之间的管路上设有流量传感器和压力传感器;所述控制器分别与燃料电池、空压机、流量传感器和压力传感器电连接,所述增湿器与燃料电池通过管路连接。
本实用新型能够提高燃料电池的工作效率及使用寿命。
权利要求书1页 说明书3页 附图1页CN 210805931 U 2020.06.19C N 210805931U1.一种燃料电池汽车空气供给系统,其特征在于,包括:控制器,以及通过管路依次连接的空滤器、空压机和增湿器,在所述空压机和增湿器之间的管路上设有流量传感器和压力传感器;所述控制器分别与燃料电池、空压机、流量传感器和压力传感器电连接,所述增湿器与燃料电池通过管路连接。
2.如权利要求1所述的一种燃料电池汽车空气供给系统,其特征在于,所述系统还包括储能装置,与控制器电连接,用于向所述控制器供电。
3.如权利要求1所述的一种燃料电池汽车空气供给系统,其特征在于,所述空滤器与空压机之间的管路、增湿器与燃料电池之间的管路均为胶管。
4.如权利要求1所述的一种燃料电池汽车空气供给系统,其特征在于,所述空压机与增湿器之间的管路上两端为胶管,中段为不锈钢管,所述流量传感器和压力传感器安装于不锈钢管上。
专利名称:一种燃料电池系统的空气供应系统专利类型:实用新型专利
发明人:裘瑾英,王朝云,吴炎花,刘士广,宁可望申请号:CN201820076908.4
申请日:20180117
公开号:CN208157535U
公开日:
20181127
专利内容由知识产权出版社提供
摘要:本实用新型公开一种燃料电池系统的空气供应系统,包括:燃料电池、空气供应子系统、电压测量系统、电流测量系统。
所述控制方法为:取得燃料电池电压,在取得的燃料电池电压高于参考电压时,启动燃料电池电堆低负载工况控制方法,驱动空气供应子系统工作,使电堆内氧气浓度达到理想值,降低燃料电池电堆低负载工况下的输出电压。
本实用新型运用废气再循环阀对燃料电池内氧气浓度进行调节,运用空压机转速以及背压阀开度对进气流量以及燃料电池阴极压力进行调节,可以实现氧气浓度控制与阴极压力和进气流量控制之间的解耦。
申请人:安徽明天氢能科技股份有限公司
地址:237000 安徽省六安市裕安区集中示范园区管理委员会6楼
国籍:CN
代理机构:合肥东信智谷知识产权代理事务所(普通合伙)
代理人:王学勇
更多信息请下载全文后查看。
(19)中华人民共和国国家知识产权局(12)发明专利申请(10)申请公布号 (43)申请公布日 (21)申请号 201910116312.1(22)申请日 2019.02.15(30)优先权数据2018-029346 2018.02.22 JP(71)申请人 丰田自动车株式会社地址 日本爱知县(72)发明人 坊农哲也 江川稔弘 奥吉雅宏 (74)专利代理机构 北京集佳知识产权代理有限公司 11227代理人 李洋 王培超(51)Int.Cl.H01M 8/04089(2016.01)H01M 8/04298(2016.01)H01M 8/04746(2016.01)H01M 8/0662(2016.01)(54)发明名称燃料电池系统及其控制方法(57)摘要本发明提供燃料电池系统及其控制方法。
在燃料电池正以燃料气体供给部的供给能力的上限发电的情况下,当判断为燃料电池无法进行与发电要求量相符的发电的限制条件成立的情况下,燃料电池系统的电力控制部开始电流的限制,当限制条件消除后,在发电要求量超过低于燃料电池的额定发电量且预先决定的阈值的情况下,电力控制部以预先决定的第一上升比例解除电流的限制,在发电要求量为阈值以下的情况下,电力控制部以比第一上升比例大的第二上升比例解除电流的限制。
权利要求书2页 说明书7页 附图3页CN 110190299 A 2019.08.30C N 110190299A权 利 要 求 书1/2页CN 110190299 A1.一种燃料电池系统,其中,具备:燃料电池,接受燃料气体的供给来进行发电;燃料气体供给部,向所述燃料电池供给所述燃料气体;电力控制部,与所述燃料电池输出发电电力的电源线连接,能够实施对从所述燃料电池向外部供给的电力的至少电流量进行限制的电流的限制;以及发电控制部,至少控制由所述燃料气体供给部进行的所述燃料气体的供给,以便以对所述燃料电池要求的发电要求量运转所述燃料电池,在所述燃料电池正以所述燃料气体供给部的供给能力的上限发电的情况下,当判断为所述燃料电池无法进行与所述发电要求量相符的发电的限制条件成立时,所述电力控制部开始所述电流的限制,当所述限制条件消除后,在所述发电要求量超过低于所述燃料电池的额定发电量且预先决定的阈值的情况下,所述电力控制部以预先决定的第一上升比例解除所述电流的限制,在所述发电要求量为所述阈值以下的情况下,所述电力控制部以比所述第一上升比例大的第二上升比例解除所述电流的限制。
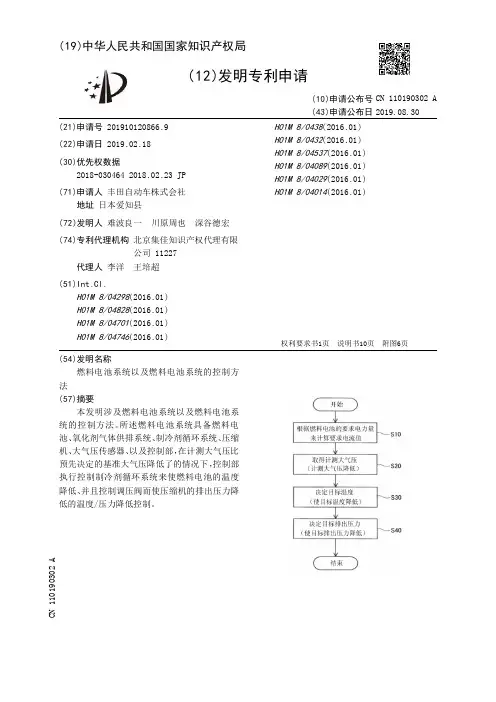
(19)中华人民共和国国家知识产权局(12)发明专利申请(10)申请公布号 (43)申请公布日 (21)申请号 201910120866.9(22)申请日 2019.02.18(30)优先权数据2018-030464 2018.02.23 JP(71)申请人 丰田自动车株式会社地址 日本爱知县(72)发明人 难波良一 川原周也 深谷德宏 (74)专利代理机构 北京集佳知识产权代理有限公司 11227代理人 李洋 王培超(51)Int.Cl.H01M 8/04298(2016.01)H01M 8/04828(2016.01)H01M 8/04701(2016.01)H01M 8/04746(2016.01)H01M 8/0438(2016.01)H01M 8/0432(2016.01)H01M 8/04537(2016.01)H01M 8/04089(2016.01)H01M 8/04029(2016.01)H01M 8/04014(2016.01) (54)发明名称燃料电池系统以及燃料电池系统的控制方法(57)摘要本发明涉及燃料电池系统以及燃料电池系统的控制方法。
所述燃料电池系统具备燃料电池、氧化剂气体供排系统、制冷剂循环系统、压缩机、大气压传感器、以及控制部,在计测大气压比预先决定的基准大气压降低了的情况下,控制部执行控制制冷剂循环系统来使燃料电池的温度降低、并且控制调压阀而使压缩机的排出压力降低的温度/压力降低控制。
权利要求书1页 说明书10页 附图6页CN 110190302 A 2019.08.30C N 110190302A权 利 要 求 书1/1页CN 110190302 A1.一种燃料电池系统,其特征在于,包括:燃料电池,具有阳极、阴极以及电解质膜;氧化剂气体供排系统,具有用于进行氧化剂气体向所述阴极的供给和所述氧化剂气体从所述阴极的排出的氧化剂气体流路、设置于所述氧化剂气体流路中的比所述燃料电池靠上游侧的压缩机、以及设置于所述氧化剂气体流路中的比所述燃料电池靠下游侧的调压阀;制冷剂循环系统,构成为使对所述燃料电池的温度进行调整的制冷剂循环;大气压传感器,对大气压进行计测;以及控制部,构成为使用由所述大气压传感器计测出的计测大气压来控制所述燃料电池系统的动作,所述控制部构成为:在所述计测大气压比预先决定的基准大气压降低了的情况下,执行控制所述制冷剂循环系统来使所述燃料电池的温度降低、并且控制所述调压阀而使所述压缩机的排出压力降低的温度/压力降低控制。
专利名称:一种燃料电池空气供给系统测试装置及其控制方法专利类型:发明专利
发明人:全欢,全琎,胡雄晖,熊荧,叶麦克,吴汉军
申请号:CN201910380341.9
申请日:20190508
公开号:CN110265684A
公开日:
20190920
专利内容由知识产权出版社提供
摘要:本发明涉及一种燃料电池空气供给系统测试装置及其控制方法。
该系统测试装置包括空气主回路、空压机冷却回路、换热装置冷却回路和增湿调节回路;空气主回路的进气管路用于与空压机的空气入口连通,空气主回路的出气管路用于与空压机的空气出口连通;空压机冷却回路的冷却液供给口用于与空压机的冷却液入口连通,空压机冷却回路的冷却液回收口用于与空压机的冷却液出口连通;空气主回路的出气管路包括换热装置和增湿装置,换热装置冷却回路的冷却液供给口与换热装置的冷却液入口连通,换热装置冷却回路的冷却液回收口与换热装置的冷却液出口连通。
本发明的技术方案可以优化燃料电池空气供给系统的整体设计,保证燃料电池的性能及使用寿命。
申请人:武汉海亿新能源科技有限公司
地址:430000 湖北省武汉市东湖新技术开发区武大园四路研发楼一层120-B
国籍:CN
代理机构:北京轻创知识产权代理有限公司
代理人:徐苏明
更多信息请下载全文后查看。
专利名称:一种空气系统及其控制方法、燃料电池发动机、车辆
专利类型:发明专利
发明人:李强,李子竞,皮文列,包宁,韩俊楠,刘江唯,张正兴,吴芳敏
申请号:CN202011239335.0
申请日:20201109
公开号:CN112397745A
公开日:
20210223
专利内容由知识产权出版社提供
摘要:本发明公开了一种空气系统及其控制方法、燃料电池发动机、车辆,涉及燃料电池发动机技术领域。
该空气系统通过进气管路和出气管路与燃料电池堆连接,空气系统包括:流量调节装置,包括空压机和空气流量计,空压机和空气流量计均设置于进气管路上,且空气流量计设于空压机的上游,用于调节空气的进气流量在预设流量值;温度调节装置,设置于进气管路上且位于空压机的下游,用于将空气的温度调节至预设温度值;压力调节装置,与进气管路连接,用于调节空气的压力在预设压力值;湿度调节装置,与进气管路连接,用于将空气湿度调节至预设湿度值。
本发明能够对进气管路内空气的温度、流量、压力、湿度进行调节,从而提高燃料电池堆的反应效率。
申请人:一汽解放汽车有限公司
地址:130011 吉林省长春市汽车开发区东风大街2259号
国籍:CN
代理机构:北京远智汇知识产权代理有限公司
代理人:林波
更多信息请下载全文后查看。
专利名称:一种燃料电池空气系统及其控制方法专利类型:发明专利
发明人:赵书飞,孙一焱,庞深
申请号:CN202210386830.7
申请日:20220414
公开号:CN114497631A
公开日:
20220513
专利内容由知识产权出版社提供
摘要:本发明公开了一种燃料电池空气系统及其控制方法,包括:燃料电池电堆、空气路和控制器;燃料电池电堆输入端设置有进气节气门,燃料电池电堆输出端设置有出气节气门,进气节气门连接空气路;空气路中包括依次连接的空气过滤器、空气压缩机和中冷器;控制器输出端连接进气节气门、出气节气门和空气压缩机;在系统启动过程中,控制器控制进气节气门和出气节气门全开,且控制空气压缩机以第一转速运行;当控制器根据燃料电池电堆测试工况得到的出气节气门设定开度、出气节气门过渡开度和过渡时间后,开始计时时间,且同时输出出气节气门当前开度,当计时时间与所述过渡时间一致时,实现出口节气门控制平滑切换策略,有效规避空气压缩机喘振故障。
申请人:苏州氢澜科技有限公司
地址:215000 江苏省苏州市高新区科技城科灵路78号5号楼101
国籍:CN
更多信息请下载全文后查看。
(19)中华人民共和国国家知识产权局(12)发明专利申请(10)申请公布号 (43)申请公布日 (21)申请号 201811495807.1(22)申请日 2018.12.07(71)申请人 上海汽车集团股份有限公司地址 201203 上海市浦东新区张江高科技园区松涛路563号1号楼509室(72)发明人 周奕 王春现 刘士广 蔡俊 顾欣 (74)专利代理机构 北京信远达知识产权代理有限公司 11304代理人 魏晓波(51)Int.Cl.H01M 8/04089(2016.01)H01M 8/0438(2016.01)H01M 8/04694(2016.01)(54)发明名称燃料电池的空气系统的控制方法及控制装置(57)摘要本申请公开了一种燃料电池的空气系统的控制方法,包括:确定空气流量目标值和空气压力目标值;确定空气压缩机的第一转速控制值和电子节气门的第一开度控制值;对空气系统的空气流量目标值与空气流量实际值之间的流量差值进行PID控制,得到空气压缩机的转速调整值,对空气压缩机的第一转速控制值进行修正,将空气压缩机的转速调整至修正后的转速控制值;对空气系统的空气压力目标值与空气压力实际值之间的压力差值进行PID控制,得到电子节气门的开度调整值,对电子节气门的第一开度控制值进行修正,将电子节气门的开度调整至修正后的开度控制值。
基于本申请公开的控制方法,能够提高空气系统对环境的适应性和抗干扰能力。
权利要求书2页 说明书10页 附图7页CN 111293333 A 2020.06.16C N 111293333A1.一种燃料电池的空气系统的控制方法,其特征在于,包括:根据所述燃料电池当前所处的工作点确定所述空气系统的空气流量目标值和空气压力目标值;根据所述空气流量目标值和空气压力目标值确定所述空气系统中空气压缩机的第一转速控制值、以及所述空气系统中电子节气门的第一开度控制值,其中,在当前的工作点下,当所述空气压缩机的转速为所述第一转速控制值且所述电子节气门的开度为所述第一开度控制值时,所述空气压缩机不会进入喘振区;计算所述空气系统的空气流量目标值与空气流量实际值之间的流量差值,对所述流量差值进行PID控制,得到所述空气压缩机的转速调整值;利用所述转速调整值对所述空气压缩机的第一转速控制值进行修正,得到第二转速控制值,将所述空气压缩机的转速调整至所述第二转速控制值;计算所述空气系统的空气压力目标值与空气压力实际值之间的压力差值,对所述压力差值进行PID控制,得到所述电子节气门的开度调整值;利用所述开度调整值对所述电子节气门的第一开度控制值进行修正,得到第二开度控制值,将所述电子节气门的开度调整至所述第二开度控制值。
(19)中华人民共和国国家知识产权局
(12)发明专利申请
(10)申请公布号 (43)申请公布日 (21)申请号 201910297377.0
(22)申请日 2019.04.15
(71)申请人 吉林大学
地址 130000 吉林省长春市南关区人民大
街5988号南岭校区
(72)发明人 胡云峰 张冲 高金武 许志国
史少云 陈虹
(74)专利代理机构 北京高沃律师事务所 11569
代理人 程华
(51)Int.Cl.
H01M 8/0438(2016.01)
H01M 8/04746(2016.01)
H01M 8/04992(2016.01)
H01M 8/0606(2016.01)
(54)发明名称一种燃料电池空气供给系统控制方法及系统(57)摘要本发明公开一种燃料电池空气供给系统控制方法及系统,方法包括:搭建燃料电池系统仿真模型;确定不同工况下以燃料电池系统净功率最大为控制目标的压缩机驱动电压和背压阀开口面积的映射Map表以及期望的空气进气管道压力和阴极压力的映射Map表;确定燃料电池系统的空气进气管道压力和阴极压力的实际值与期望值的偏差,得到误差量;确定误差输出量;确定所述压缩机驱动电压和背压阀开口面积的多个前馈补偿量,确定控制信号;根据所述控制信号对所述空气供给系统中压缩机的驱动电压和背压阀的开口面积进行控制。
本发明中的上述系统能够实现对压缩机驱动电压和背压阀开口面积的协调控制,使阴极进气管道压力与阴极压力精
确地跟踪期望值。
权利要求书2页 说明书6页 附图4页CN 110010933 A 2019.07.12
C N 110010933
A
权 利 要 求 书1/2页CN 110010933 A
1.一种燃料电池空气供给系统控制方法,其特征在于,所述控制方法包括:
搭建燃料电池系统仿真模型;
基于所述燃料电池系统仿真模型,确定不同工况下以燃料电池系统净功率最大为控制目标的压缩机驱动电压和背压阀开口面积的映射Map表以及期望的空气进气管道压力与阴极压力的映射Map表;
基于所述燃料电池系统仿真模型,确定燃料电池系统的空气进气管道压力和阴极压力的实际值与期望值的偏差,得到误差量;
根据所述误差量确定误差输出量;
根据所述压缩机驱动电压和背压阀开口面积的映射Map表确定所述压缩机驱动电压和背压阀开口面积的多个前馈补偿量;
对所述误差输出量和所述多个前馈补偿量进行线性组合,产生控制信号;
根据所述控制信号对所述空气供给系统中压缩机的驱动电压和背压阀的开口面积进行控制,以控制空气进气管道压力和阴极压力,使实际空气进气管道压力和阴极压力达到期望值。
2.根据权利要求1所述的燃料电池空气供给系统控制方法,其特征在于,所述根据所述燃料电池系统仿真模型确定燃料电池系统的空气进气管道压力和阴极压力的实际值与期望值的偏差,得到误差量具体包括:
在所述燃料电池系统仿真模型中,获取燃料电池系统的空气进气管道压力和阴极压力的实际值;
获取燃料电池系统的空气进气管道压力和阴极压力的期望值;
将所述期望值和所述实际值做差得到误差量。
3.根据权利要求1所述的燃料电池空气供给系统控制方法,其特征在于,所述燃料电池系统仿真模型具体是在MATLAB中的Simulink中搭建。
4.根据权利要求1所述的燃料电池空气供给系统控制方法,其特征在于,所述根据所述误差量确定误差输出量具体是以所述误差量为输入通过增量式PID控制器确定误差输出量。
5.根据权利要求1所述的燃料电池空气供给系统控制方法,其特征在于,对所述误差输出量和所述多个前馈补偿量进行线性组合具体是:将所述误差输出量和所述多个前馈补偿量进行一一匹配。
6.一种燃料电池空气供给系统控制系统,其特征在于,所述系统包括:
模型搭建模块,用于搭建燃料电池系统仿真模型;
误差量确定模块,用于根据所述燃料电池系统仿真模型确定燃料电池系统的空气进气管道压力和阴极压力的实际值与期望值的偏差,得到误差量;
误差输出量确定模块,用于根据所述误差量确定误差输出量;
Map表确定模块,用于基于所述燃料电池系统仿真模型确定不同工况下以燃料电池系统净功率最大为控制目标的压缩机驱动电压和背压阀开口面积的Map表以及期望的空气进气管道压力和阴极压力的Map表;
前馈补偿量确定模块,用于基于所述压缩机驱动电压和背压阀开口面积的映射Map表确定所述压缩机驱动电压和背压阀开口面积的多个前馈补偿量;
2。