一阶RC暂态电路的暂态过程
- 格式:doc
- 大小:168.50 KB
- 文档页数:5
一阶rc电路暂态过程的研究一阶RC电路暂态过程的研究一阶RC电路是一种基本的电路模型,它由一个电阻R 和一个电容C组成。
在直流情况下,电容器会被充电或放电到最终电位差,等效于一条电阻。
而在交流情况下,电容器因其特殊的电学性质,能够起到滤波、耦合等作用,广泛应用于各种电子设备中。
在实际应用中,一阶RC电路的暂态过程十分重要,例如电源起动、电源故障、仿真分析等等。
本文将对一阶RC电路暂态过程进行研究,探讨其特点、计算方法以及实际应用。
一、一阶RC电路暂态过程的特点在一阶RC电路中,电容器内部储存着电荷,而电阻则控制了电荷的流动,二者互相影响而形成电压和电流的变化过程。
当电路初始状态为开路时,电容器内部不存在电荷,电阻两端的电压为零。
当电路闭合后,电源电压开始对电容器充电,此时电流为峰值,电阻两端的电压达到最大值。
随后,电容器内部储存的电荷越来越多,电容器的电压也越来越高,电流逐渐减小。
当电容器充电到与电源电压相等时,电流降至零,电容器的充电过程结束,形成恒定电流。
整个过程称为充电过程。
当电路初始状态为闭路,电容器内部有一定的储存电荷,使电容器的电压达到最大值。
当电路开路时,电容器内部的电荷通过电阻放电,电容器的电压随着电荷的减少而降低。
放电过程结束时,电容器内的电荷完全耗尽,电阻两端的电压降至零,形成恒定电流。
整个过程称为放电过程。
充电和放电过程的特点如下:(1)充电过程:电压从0开始,逐渐升高,最终趋近于电源电压,电流从最大值逐渐减小,最终变为零。
(2)放电过程:电压从最大值开始,逐渐降低,最终趋近于零,电流从零开始,逐渐增大,最终达到峰值。
(3)充电和放电过程的时间恒定,反应电路性质的物理量是RC时间常数τ,其定义为电容器充电或放电到63.2%电源电压或最大电压所需时间。
在等效电路模型中,τ=RC。
二、一阶RC电路暂态过程的计算方法根据充电和放电过程的特点以及RC电路的物理模型,可以得到计算一阶RC电路暂态过程的基本公式。
精品文档实验 1.3 RC 电路的暂态过程实验 1.3.1 硬件实验1. 实验目的(1) 研究一阶 RC 电路的零输入响应、零状态响应和全响应。
(2) 学习用示波器观察在方波激励下,RC 电路参数对电路输出波形的影响。
2. 实验预习要求(1) 分别计算图 1.3.1 ~ 1.3.3 中,电容电压在 t = τ时的 u C (τ)及电路时间常数τ的理论值,填入表 1.3.1 ~ 1.3.4 中。
(2) 掌握微分电路和积分电路的条件。
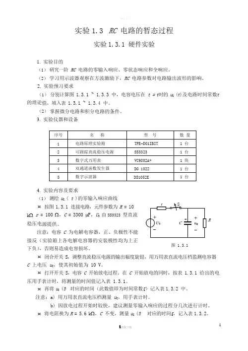
3. 实验仪器和设备序号 名 称型 号 数 量 1 电路原理实验箱 TPE -DG1IBIT 1 台 2 可跟踪直流稳压电源 SS3323 1 台 3 数字式万用表 VC9802A+ 1 块 4 双通道函数发生器 DG 1022 1 台 5数字示波器DS1052E1 台4. 实验内容及要求(1) 测绘 u C ( t )的零输入响应曲线按图 1.3.1 连接电路,元件参数为 R = 10 k Ω r = 100 Ω,C = 3300 μF ,U S 由 SS3323 型直流稳压电源提供。
注意:电容 C 为电解电容器,正、负极性不能接反(实验箱上各电解电容器的安装极性均为上正下负),否则易造成电容损坏。
R图 1.3.1闭合开关 S ,调整直流稳压电源的输出幅度旋钮,用万用表直流电压档监测电容器C 上电压 u C ,使其初始值为 10 V 。
打开开关 S ,电容 C 开始放电过程。
在 C 开始放电的同时,按表 1.3.1 给出的电压用手表计时,将测量的时间值记入表 1.3.1。
再将 u C (τ) 对应的时间(此数值即为时间常数τ1)记入表1.3.2 中。
注意:a) 用万用表直流电压档测量 u C ,用手表计时。
b) 因放电过程开始时较快,建议测量零输入响应的过程分几次进行计时。
将电阻换为 R = 5.6 k Ω,C 不变,测量 u C (τ) 对应的时间τ2,记入表1.3.2。
1.5 RC 一阶电路暂态过程的分析与研究一、实验目的1.研究RC 一阶电路的零输入响应、零状态响应的基本规律和特点。
2.研究RC 微分电路和积分电路在脉冲信号激励下的响应。
3.学习用示波器测量信号的基本参数和一阶电路的时间常数。
4.进一步提高使用示波器和函数信号发生器的能力。
二、实验任务(一) 基本实验任务1. 研究RC 一阶电路的零输入响应、零状态响应的基本规律和特点。
2. 研究RC 微分电路和积分电路在脉冲信号激励下的响应。
(二)扩展实验任务1. 研究利用RC 串联电路的电路参数与其暂态过程的关系进行波形转换的方法。
2. 设计能将方波信号转换为尖脉冲和三角波的电路。
观察当输入为方波时,不同的时间常数对相应响应波形的影响。
三、基本实验条件(一) 仪器仪表1.双踪示波器 1台2.函数信号发生器 1台 (二) 器材器件1.定值电阻器 若干2.电容器 若干四、实验原理(一) 基本实验任务1.RC 电路的响应 (1)零输入响应动态电路在没有外加激励时,由电路中动态元件的初始储能引起的响应称为零输入响应。
图5.1.5.1所示电路中,设电容上的初始电压为U 0,根据KVL 可得:00)()(C C ≥=+t dtt du RCt u且0C C )0()0(U u u ==-+由此可以得出电容器上的电压和电流随时间变化的规律:RC t eU )t (u t=≥=-ττ00CRC t eRU )t (i t=≥-=-ττ00C可以看出电容器上的电压是按照指数规律衰减的,如图5.1.5.2所示,其衰减的快、慢取决于时间常数τ=RC 。
当τ=t 时,0C 368.0)(U u =τ。
实际应用中一般认为当τ5=t ,即0C 0067.0)5(U u =τ时,电容器上的电压已衰减到零。
(2)零状态响应电路在零初始状态下(即动态元件初始储能为零),由外加激励引起的响应称为零状态响应。
图5.1.5.3所示电路中,设电容上的初始电压为零。
一阶RC电路的暂态响应实验报告本次实验的目的是研究一阶RC电路的暂态响应,了解RC电路在电路中的应用及其响应特性,并通过实验观察、测量一阶RC电路的电流和电压随时间变化的情况,掌握实验技能和数据处理方法。
实验器材:- 万用表- 脉冲信号发生器- 电容- 电阻实验步骤:1. 根据电路图连接电路,将电容和电阻连接成一阶RC电路,通过脉冲信号发生器产生一个方波信号,调节频率为50Hz、幅值为10V。
2. 用万用表测量R、C的阻值和电容器的标称电容。
3. 用示波器观察方波信号波形,调整脉冲信号发生器的输出幅值和偏置电压,确保方波的基准线为0V。
4. 连接万用表,分别测量电容器两端的电压、电阻上的电压和电流,记录每一次测量的时间,以及电流和电压的数值,根据实验数据绘制电流和电压随时间变化的波形图。
实验结果:实验记录了电容器两端电压、电阻上的电压和电流随时间的变化情况,记录的数据如下:| 时间(ms) | Uc(V) | UR(V) | I(mA) || ---------- | ------- | ------- | ------- || 0 | 0 | 10 | 0 || 1 | 3.95 | 6.05 | 3.55 || 2 | 6.3 | 3.7 | 2.72 || 3 | 7.87 | 2.13 | 2.05 || 4 | 8.95 | 1.05 | 1.57 || 5 | 9.6 | 0.4 | 1.2 || 6 | 9.87 | 0.13 | 0.94 || 7 | 9.96 | 0.04 | 0.74 || 8 | 10 | 0 | 0.59 |结论:根据实验数据绘制的电流和电压随时间变化的波形图可以发现,电容器的电压随时间的增加而增加,最终趋近于直流源的电压值,而电阻上的电压随时间的增加而减小,最终趋近于0V。
同时,电流随时间的增加而减小,也趋近于0A。
这种响应特性是一阶RC电路的典型特征,称为指数衰减响应。
一阶RC电路的暂态响应实验报告仿真实验 1 一阶RC电路的暂态响应一、实验目的1.熟悉一阶 RC电路的零状态响应、零输入响应和全响应;2.研究一阶电路在阶跃激励和方波激励情况下,响应的基本规律和特点;3.掌握积分电路和微分电路的基本概念;4.研究一阶动态电路阶跃响应和冲激响应的关系;5.从响应曲线中求出 RC 电路的时间常数τ。
二、实验原理1、零输入响应(RC 电路的放电过程):2、零状态响应(RC 电路的充电过程)3.脉冲序列分析(a) τ <<t< p="">(b) τ >T三、主要仪器设备1.信号源2.动态实验单元DG083.示波器四、实验步骤RC 充放1.选择 DG08 动态电路板上的 R、C 元件,令R=1k Ω,C=1000 μF 组成如图所示的电电路,观察一阶 RC 电路零状态、零输入和全响应曲线。
2.在任务 1 中用示波器测出电路时间常数τ,并与理论值比较。
3.选择合适的R 和 C 的值(分别取R=1K Ω ,C=0.1μF; R=10K Ω ,C=0.1 μ F 和R=5 K Ω ,C=1μF),连接 RC 电路,并接至幅值为3V , f=1kHz 的方波电压信号源,利用示波器的双踪功能同时观察 U c、 U R波形。
4.利用示波器的双踪功能同时观察阶跃响应和冲激响应的波形。
五、实验数据记录和处理一阶电路的零输入响应。
一阶电路的零状态响应从图中可以看出电路的时间常数τ = x=1.000s一阶电路的全响应方波响应(其中蓝线表示U c ,绿线表示 U R )τ =0.1T时放大后τ=1T 时τ=10T 时阶跃响应和冲激响应</t<>。
一阶rc暂态电路的暂态过程实验报告1. 了解RC电路的基本原理;2. 学习使用示波器观察RC电路的暂态响应过程;3. 通过实验验证RC电路的暂态响应公式。
实验器材:1. 信号发生器;2. 数字示波器;3. 电阻箱;4. 电容器。
实验原理:一阶RC电路是由一个电容和一个电阻串联组成的电路,其电路图如下所示: = V0 ×(1 - e-t/RC)其中,V0为初始电压,t为时间,R为电阻值,C为电容值。
实验步骤:1. 按照电路图搭建RC电路,调节电阻箱和电容器,使得其电路参数符合要求;2. 将示波器的通道1接到电容器上,将通道2接到信号发生器的输出端口;3. 设置信号发生器的正弦波频率为1000Hz,幅值为5V,接通电路;4. 在示波器上观察RC电路的暂态响应过程,并记录观察结果;5. 重新设置信号发生器的正弦波频率为2000Hz,重复步骤4,并记录观察结果。
实验结果:1. 当信号发生器的正弦波频率为1000Hz时,示波器上的V-t曲线如下所示:,称为电路暂态过程的时间常数。
因此微分方程的通解=+积分常数A需用初始条件来确定。
在t=0时=+=+A由此可得:A=-因此+上述利用微分方程进行求解分析一阶RC电路的暂态过程的方法称为经典法,经典分析法步骤较多,为便于掌握,现归纳如下:(1)用基尔霍夫定律列出换路后电路的微分方程式。
(2)解微分方程。
解微分方程通常比较麻烦,对于一阶RC电路有一种更方便、更常用的分析方法——三要素法。
2、三要素法通过经典分析法我们得到图3-6所示电路暂态过程中电容电压为: +上述结果可归纳为一种简单的解题方法,称为“三要素法”,式中只要知道稳态值,初始值和时间常数,这“三要素”,则便被唯一确定。
这种利用“三要素”来实现电路暂态分析的方法,称“三要素法”。
虽然上述式子由图3-6所示的电路提出,但它适合于任何含一个储能元件的一阶电路在阶跃(或直流)信号激励下的过程分析。
而经典法则适用于任何线性电路的暂态分析。
在“三要素”中,特别要注意时间常数,前面已定义,一阶RC电路仅有一个电容元件,C即为电容器的电容量,而R为换路后的电路中除去电容后所得无源二端口网络等值电阻。
下面以直流(激励源为常数)一阶电路为例应用“三要素法”分析电路的响应。
4.5 一阶RC 电路的暂态过程分析一、实验目的1.学习用示波器观察和分析RC 电路的响应。
2.了解一阶RC 电路时间常数对过渡过程的影响,掌握用示波器测量时间常数。
3.进一步了解一阶微分电路、积分电路和耦合电路的特性。
二、实验原理1.一阶RC 电路的全响应=零状态响应+零输入响应。
当一阶RC 电路的输入为方波信号时,一阶RC 电路的响应可视为零状态响应和零输入响应的多次重复过程。
在方波作用期间,电路的响应为零输入响应,即为电容的充电过程;在方波不作用期间,电路的响应为零输入响应,即为电容的放电过程。
方波如图4.5.1所示。
图4.5.1 方波电压波形 图4.5.4 测常数和积分电路接线2.微分电路如图4.5.2所示电路,将RC 串联电路的电阻电压作为输出U 0,且满足τ ‹‹ t w 的条件,则该电路就构成了微分电路。
此时,输出电压U 0近似地与输入电压U i 呈微分关系。
dt du RC U i O 图4.5.2 微分电路和耦合电路接线 图4.5.3 微分电路波形微分电路的输出波形为正负相同的尖脉冲。
其输入、输出电压波形的对应关系如图4.5.3所示。
在数字电路中,经常用微分来将矩形脉冲波形变换成尖脉冲作为触发信号。
3.积分电路积分电路与微分电路的区别是:积分电路取RC 串联电路的电容电压作为输出U 0,如图4.5.4所不电路,且时间常数满τ ››t w 。
此时只要取τ=RC ››t w ,则输出电压U 0近似地与输入电压U i 成积分关系,即⎰≈t i O d u RC U 1积分电路的输出波形为锯齿波。
当电路处于稳态时,其波形对应关系如图3.5.5所示。
注意:U i 的幅度值很小,实验中观察该波形时要调小示波器Y 轴档位。
图4.5.5 积分电路波形 图4.5.6 耦合电路波形4.耦合电路RC 微分电路只有在满足时间常数τ=RC ‹‹ t w 的条件下,才能在输出端获得尖脉冲。
如果时间常数τ=RC ››t w ,则输出波形已不再是尖脉冲,而是非常接近输出电压U i 的波形,这就是RC 耦合电路,而不再是微分电路。
rc一阶电路暂态过程实验报告篇一:一阶RC电路的暂态响应实验报告实验报告课程名称:电路与模拟电子技术实验指导老师:张冶沁成绩:__________________ 实验名称:一阶RC电路的暂态响应实验类型:电路实验同组学生姓名:__________ 一、实验目的和要求(必填)二、实验内容和原理(必填)三、主要仪器设备(必填)四、操作方法和实验步骤五、实验数据记录和处理六、实验结果与分析(必填)七、讨论、心得一、实验目的和要求1、熟悉一阶RC电路的零状态响应、零输入响应和全响应。
2、研究一阶电路在阶跃激励和方波激励情况下,响应的基本规律和特点。
3、掌握积分电路和微分电路的基本概念。
4、研究一阶动态电路阶跃响应和冲激响应的关系5、从响应曲线中求出RC电路时间常数τ 。
二、实验内容和原理1、零输入响应:指输入为零,初始状态不为零所引起的电路响应。
2、零状态响应:指初始状态为零,而输入不为零所产生的电路响应。
3、完全响应:指输入与初始状态均不为零时所产生的电路响应。
三、主要仪器设备1、信号源2、DG08动态实验单元3、示波器四、操作方法和实验步骤1、利用Multisim软件仿真,了解电路参数和响应波形之间的关系,并通过虚拟示波器的调节熟悉时域测量的基本操作。
2、实际操作实验。
积分电路和微分电路的电路接法如下,其中电压源使用方波:五、实验数据记录和处理任务1:软件仿真1.RC电路零输入响应、零状态响应仿真及时间常数的确定上图是零输入响应电容的放电曲线,取第一个参考点为峰值点(4.369s, 5V),计算得第二个参考点电压应为5×0.368=1.84V,调整黄色测量线至曲线上最接近的对应点,得横坐标4.421s,由图得τ=51.613ms上图是零状态响应电容的充电曲线,任取第一个参考点为(5.186s, 1.007V),计算得第二个参考点电压应为1.007+0.632×(5-1.007)=3.580V,调整黄色测量线至曲线上最接近的对应点得横坐标5.237s,由图得τ=50.806ms2.方波电路零输入响应、零状态响应仿真及时间常数的确定由于操作读数方法和上面一样,以下仿真中均已调整好两条测量线的位置,因此虚拟仪表面板上显示的T2-T1直接可作为仿真测量的时间常数值,下面不再一一叙述读数过程。
课程名称: 电路与电子技术实验Ⅰ 指导老师: 成绩:______________实验名称: 一阶RC 电路的暂态响应 实验类型:基础规范型实验 同组学生姓名: 一、实验目的和要求(必填) 二、实验内容和原理(必填) 三、主要仪器设备(必填) 四、操作方法和实验步骤 五、实验数据记录和处理 六、实验结果与分析(必填) 七、讨论、心得一、实验目的与要求1.熟悉一阶RC 电路的零状态响应、零输入响应和全响应。
2.研究一阶电路在阶跃激励和方波激励情况下,响应的基本规律和特点。
3.掌握积分电路和微分电路的基本概念。
4.学习从响应曲线中求出RC 电路时间常数τ。
二、实验内容和原理1.零输入响应、零状态响应、全响应零输入响应:指激励为零,初始状态不为零所引起的电路响应。
零状态响应:初始状态为零,而激励不为零所产生的电路响应。
全响应:激励与初始状态均不为零时所产生的电路响应。
2.一阶RC 电路的零输入响应(放电过程) 如图,当开关闭合时,电路中有:)0()(0+-≥=t eU t u RCt C ; )0(-)(0R +-≥=t eU t u RCt)0(RU -)()(0C +-≥==t e R t u t i RC tR变化曲线如图所示,其中时间常数τ可通过以下方法求得:①按照时间常数的定义,τ即为右图中线段AB 。
②如图,在 [t0,uC(t0)]点作uC(t0)的切线,得到次切距CD ,线段CD 即为τ。
3. 一阶RC 电路的零状态响应(充电过程) 如上图,当开关断开时,电路中有:)0()(S +-≥-=t eU U t u RCt S C)0()(-)(C R +-≥==t eU t u U t u RCt S S)0(RU )()(S C +-≥==t e R t u t i RC tR变化曲线如图,计算τ的方法与零输入响应相同。
4.方波响应当方波信号激励加到RC 两端时,只要方波的半周期远大于电路的时间常数,就可以认为方波的上升沿或下降沿到来时,前一边沿所引起的过渡过程已经结束。
一阶RC 和RL 电路的暂态分析如图1所示,在开关动作以后,电路将出现暂态。
开关初始状态是打开的,所以电路中没有电流,i =0,并且vR =0。
电容两端的电压vc 未知,是我们要确定的量。
它可能等于零(vc = 0),也可能已经被充电(vc =)。
0V图1我们假定在开关闭合前的电容已处于稳态,或者称为稳定状态。
电容两端的电压vc =,开关在t =0时闭合,闭合后的电路如图2所示。
0V图2开关闭合后,电路中开始出现电流。
电容中贮存的能量,其大小为221C C Cv E =将会逐渐以热量的形式消耗在电阻上。
在经过一段时间以后,电路中的电流将会变为零,电路达到一个新的稳定状态,此时i =0,vc =0,vR =0。
电路的暂态特性描述的是电路从一个稳定状态过渡到另一个稳定状态的过程。
这节课我们将学习如何描述和理解这种暂态现象。
RC 电路的零输入响应我们首先研究零输入的RC 电路, 如图3所示。
图3我们假定电容是理想的,而且电容两端的电压在开关动作之前已经被充电至。
在t =0时,开关闭合。
电路中开始出现电流,在t >0时,我们得到的电容两端电压是一个关于时间t 的函数。
因为电容两端的电压应该是连续的,所以在时,=。
00V vc t =−=c v +=0t c v 0V我们首先要做的是得到这个电路的特性方程,可以通过基尔霍夫定律求解。
这里我们使用基尔霍夫电压定律:0)()(=+t v t v c R (0.1)由电阻以及电容的电压电流关系,可得方程0)()(=+t v dtt dv RCc c (0.2) RC 与时间具有同样的单位,即(Ohm )(Farad )→seconds (s F =•Ω)。
RC 称为电路的时间常数,通常用τ来表示,即RC =τ。
式(0.2)与电路的初始状态有关,电容初始电压00V vc t ==决定了电路在t >0时的特性。
实际上,由于电路中没有任何电源作用,所以这种特性也叫做电路的自然响应。
一阶rc暂态电路的暂态过程实验报告一阶RC暂态电路的暂态过程实验报告简介本实验旨在通过实验验证一阶RC电路的暂态过程特性,即电容充电和放电的过程。
通过实验数据的测量和分析,可以更好地了解电路中电容器的特性,并对电路的性能进行评估。
实验原理一阶RC电路由电源、电阻和电容器组成。
当电路中施加一个瞬时电压,电容器会开始充电,同时电路中的电流也开始流动,直到电容器充电到电源电压的63.2%。
当电路中的电源电压突然断开后,电容器会开始放电,电路中的电流也会随之而变化,直到电容器放电完全。
实验器材1.数字万用表2.电源供应器3.电容器4.电阻器5.开关6.导线实验步骤1.将电容器和电阻器连接成一阶RC电路,然后将电路连接到电源和数字万用表。
2.将数字万用表设置为电压测量模式,并将它连接到电路的电容器上以测量电容器的电压。
3.将电源供应器设置为所需的电压,并将其连接到电路中以提供电源电压。
4.按下开关以施加电压,并记录电容器开始充电时的电压值。
5.等待电容器充电到电源电压的63.2%时,记录此时电容器的电压值。
6.突然断开电源电压,并记录电容器开始放电时的电压值。
7.测量电容器在放电过程中的电压值,并记录每个时间点的电压值,直到电容器放电完全。
8.根据实验数据绘制电压-时间图。
实验数据和分析在本实验中,我们设计了一个1μF电容器和1kΩ电阻器的一阶RC 电路,并使用5V电源电压进行实验。
根据实验数据绘制了电压-时间图,如下所示:由图可知,在电容器开始充电时,电容器的电压值逐渐增加,直到充电到电源电压的63.2%时,电容器的电压值达到了3.16V。
在电源电压突然断开后,电容器开始放电,电压值逐渐减小,直到电容器放电完全。
根据电容器的充电和放电过程,可以计算出电容器的时间常数τ=RC=1×10^-3×1×10^3=1ms。
结论通过本实验,我们验证了一阶RC电路的暂态过程特性,即电容器充电和放电的过程。
《一阶电路的暂态过程实验报告【实验报告,实验十一,一阶电路暂态过程的研究】》摘要:一、实验目的 1、研究RC一阶电路的零输入响应、零状态响应和全响应的规律和特点,(1)测量时间常数τ 选择EEL-52组件上的R、C元件,令R=3KΩ,C=0.01μF,用示波器观察激励uS与响应uC的变化规律,测量并记录时间常数τ,图11-9 微分电路示意图五、实验注意事项 1、调节电子仪器各旋钮时,动作不要过猛实验一阶电路暂态过程的研究一、实验目的 1、研究RC一阶电路的零输入响应、零状态响应和全响应的规律和特点; 2、学习一阶电路时间常数的测量方法,了解电路参数对时间常数的影响; 3、掌握微分电路和积分电路的基本概念。
二、实验设备 1、GDS-1072-U数字示波器 2、AFG 2025函数信号发生器(方波输出) 3、EEL-52组件(含电阻、电容)三、实验原理 1、RC一阶电路的零状态响应RC一阶电路如图11-1所示,开关S在‘1’的位置,uC=0,处于零状态,当开关S合向‘2’的位置时,电源通过R向电容C充电,uC(t)称为零状态响应。
变化曲线如图11-2所示,当uC上升到所需要的时间称为时间常数,。
2、RC一阶电路的零输入响应在图11-1中,开关S在‘2’的位置电路电源通过R向电容C充电稳定后,再合向‘1’的位置时,电容C通过R放电,uC(t)称为零输入响应。
输出变化曲线如图11-3所示,当uC下降到所需要的时间称为时间常数,。
3、测量RC一阶电路时间常数图11-1电路的上述暂态过程很难观察,为了用普通示波器观察电路的暂态过程,需采用图11-4所示的周期性方波uS作为电路的激励信号,方波信号的周期为T,只要满足,便可在普通示波器的荧光屏上形成稳定的响应波形。
电阻R、电容C串联与方波发生器的输出端连接,用双踪示波器观察电容电压uC,便可观察到稳定的指数曲线,如图11-5所示,在荧光屏上测得电容电压最大值:取,与指数曲线交点对应时间t轴的x点,则根据时间t轴比例尺(扫描时间),该电路的时间常数。
一阶电路暂态过程的研究实验报告一、实验目的1、观察一阶电路中电阻、电容和电感在接通和断开电源时的暂态过程,理解其物理现象。
2、学习使用示波器测量一阶电路的暂态响应,掌握示波器的基本操作。
3、研究一阶电路中时间常数对暂态过程的影响,加深对时间常数的理解。
4、通过实验数据的分析和处理,验证一阶电路暂态过程的理论。
二、实验原理一阶电路是指可以用一阶微分方程来描述的电路,通常包含一个储能元件(电容或电感)和一个耗能元件(电阻)。
在一阶电路中,当电路的结构或参数发生变化时(如电源的接通或断开),电路会经历一个暂态过程,然后达到一个新的稳态。
(一)一阶 RC 电路的暂态过程对于一阶 RC 串联电路,当开关 S 闭合时,电源通过电阻 R 向电容C 充电,电容两端的电压逐渐上升,直到达到电源电压。
其充电过程的电压表达式为:\(u_C(t) = U(1 e^{\frac{t}{RC}})\)其中,\(U\)为电源电压,\(R\)为电阻值,\(C\)为电容值,\(t\)为时间,\(RC\)称为时间常数,用\(\tau\)表示。
当开关 S 断开时,电容 C 通过电阻 R 放电,电容两端的电压逐渐下降,其放电过程的电压表达式为:\(u_C(t) = Ue^{\frac{t}{RC}}\)(二)一阶 RL 电路的暂态过程对于一阶 RL 串联电路,当开关 S 闭合时,电源通过电阻 R 向电感L 充电,电感中的电流逐渐上升,直到达到稳定值。
其充电过程的电流表达式为:\(i_L(t) =\frac{U}{R}(1 e^{\frac{Rt}{L}})\)其中,\(U\)为电源电压,\(R\)为电阻值,\(L\)为电感值,\(t\)为时间,\(\frac{L}{R}\)称为时间常数,用\(\tau\)表示。
当开关 S 断开时,电感 L 通过电阻 R 放电,电感中的电流逐渐下降,其放电过程的电流表达式为:\(i_L(t) =\frac{U}{R}e^{\frac{Rt}{L}}\)三、实验设备与器材1、示波器2、函数信号发生器3、直流电源4、电阻箱5、电容箱6、电感箱7、导线若干四、实验步骤(一)一阶 RC 电路暂态过程的研究1、按照电路图连接一阶 RC 串联电路,其中电阻\(R\)取\(100\Omega\),电容\(C\)取\(10\mu F\)。
一阶电路的暂态响应实验报告一、实验目的1、研究一阶 RC 电路和一阶 RL 电路的暂态响应特性。
2、观察时间常数对暂态过程的影响。
3、掌握用示波器测量暂态响应的方法。
二、实验原理1、一阶 RC 电路的暂态响应当一阶 RC 电路接通直流电源时,电容会充电;当电路断开直流电源时,电容会放电。
充电和放电过程都是暂态过程,其时间常数τ =RC 。
充电时,电容电压 uc 随时间按指数规律上升;放电时,电容电压 uc 随时间按指数规律下降。
2、一阶 RL 电路的暂态响应一阶 RL 电路在接通或断开直流电源时,电感电流 iL 会发生暂态变化。
时间常数τ = L/R 。
接通电源时,电感电流 iL 按指数规律上升;断开电源时,电感电流 iL 按指数规律下降。
三、实验仪器与设备1、示波器2、函数信号发生器3、直流稳压电源4、电阻、电容、电感等元件5、实验面包板6、连接导线若干四、实验内容与步骤1、一阶 RC 电路的暂态响应实验(1)按图 1 连接一阶 RC 充电电路,其中 R =10 kΩ,C =01 μF 。
(2)将直流稳压电源输出调至 10 V ,接入电路,用示波器观察并记录电容电压 uc 的充电过程。
(3)改变电阻 R 的值为20 kΩ ,重复上述实验。
(4)按图 2 连接一阶 RC 放电电路,电容预先充电至 10 V 。
(5)用示波器观察并记录电容电压 uc 的放电过程。
(6)改变电容 C 的值为02 μF ,重复上述放电实验。
2、一阶 RL 电路的暂态响应实验(1)按图 3 连接一阶 RL 充电电路,其中 R =100 Ω ,L = 100mH 。
(2)将直流稳压电源输出调至 5 V ,接入电路,用示波器观察并记录电感电流 iL 的充电过程。
(3)改变电阻 R 的值为200 Ω ,重复上述实验。
(4)按图 4 连接一阶 RL 放电电路,电感预先充电至一定电流值。
(5)用示波器观察并记录电感电流 iL 的放电过程。
实验2.4一阶电路暂态过程的分析与研究的实验报告实验目的
1.熟悉一阶RC电路的概念
2.了解RC滤波电路的时间特性
3.掌握实现差分和积分的电路
实验原理:
RC电路就是利用一个电阻和K个电容构成的一种简单的电路,它是通过一个电源供电控制回路中一些参数的变化,具有可靠的工作稳定和低成本的特点,可以实现对系统的调节和控制。
实验操作:
1.搭建一阶RC滤波电路原理图,电路采用实际参数,量测电压随时间变化情况。
2. 将电路分析为常微分方程,求解其解析解振幅图谱并与实验测量波形进行比对。
实验结果:
通过对实验电路的测量取得一组测量波形,运用MATLAB计算出结论:
1.RC滤波电路的时间常数τ=1.025s;
2.根据振幅图求得振幅A0=5.19V;
3.实测峰值电压为5.39V,实测脉冲宽度为1.05s,与理论值相差不大,说明实验结果可靠。
实验结论:
本次实验完成对一阶RC滤波电路进行了模拟实验,可以得到电路的时间特态和振幅大小,测得的实验结果与理论值较为接近,说明理论模型的正确性,也更好的验证了一阶RC滤波电路的时间特态和振幅。
实验4.4 一阶RC 暂态电路的暂态过程
4.1.1实验目的
1.观察RC 电路充、放电曲线,掌握电路的时间常数τ的测量方法。
2.了解电路参数对时间常数的影响。
3.研究RC 微分电路和积分电路的特点。
4.掌握信号发生器的使用方法。
4.1.2 实验任务 4.1.2.1基本实验 1.用示波器观察图4-4-1所示电路的充、放电过程,画出充、放电曲线,求出放电时间常数τ。
2.设计时间常数τ为1ms 的RC 微分电路,要求:
(1)算出电路参数、画出电路图。
(2)保持电路时间常数τ不变,改变信号发生器的周期T ,记录T 分别为T =τ=1ms 、T =10τ=10ms 和T =0.1τ=0.1ms 时电路的输入、输出波形,并得出电路输出微分波形的条件。
4.4.2.2扩展实验
用可调电阻和电容设计一个时间常数τ为1ms 的积分电路。
保持信号发生器的周期T =1ms 不变,通过改变电位器阻值,即改变电路时间常数τ,分别使得τ=0.1ms 、τ=1ms 和τ=10ms ,记录τ不同时电路的输入、输出波形,并得出电路输出积分波形的条件。
输入方波信号频率为1kHz ,取电容C =0.1μF ,自行设计满足条件的积分电路。
观察记录随着电阻增加或减少的三组的输入、输出波形。
4.4.3实验设备
1.电压源(0.0~30V/1A) 一台
2.1μF/500V 、0.1μF/63V 电容器 各一只
3.1M Ω/2W 、30K Ω/2W 、1K Ω/8W 、10K Ω/8W 各一只
4.十进制可调电阻(0~99999.9Ω/2W) 一套
5.4.7μF/500V 电容器 两只
6.单刀双掷开关 一付
7.直流电压表(0~200V) 或数字万用表 一只
8.信号发生器 一台
9. 示波器 一台
10.秒表 一台
图4-4-1一阶RC 充放电电路
U S
11.粗、细导线 若干
4.4.4 实验原理
1.过渡过程。
在含有电感、电容储能元件的电路中,由于电路结构、参数或电源电压发生突变,在经历一定时间后达到新的稳态,这个过程称为过渡过程或暂态过程。
2.电路过渡过程的快慢的决定因素。
电路过渡过程的快慢取决于电路的结构和参数。
对于一阶RC 暂态电路如图4-4-2所示,其时间常数为τ(τ=RC ),其值越大,过渡过程就越长,相应的曲线变化就越慢。
图4-4-3所示定量地反映了一阶电路在直流激励下时间常数与电路过渡过程进程的关系。
图4-4-3a 为当开关打向1位置时的充电波形。
图4-4-3b 为当开关打向3位置时电容的放电波形。
3.时间常数τ的测量方法。
利用电容充电(或放电)过程测量一阶RC 暂态电路时间常数τ(τ=RC )的实验方法如下:
方法一:用秒表法记录电容充电开始到充电电压或电流上升为其稳态值U 0(I 0)时的0.632所经历的时间即可得到时间常数τ。
或记录电容放电开始到放电电压或电流下降为其初始值U 0(I 0)时的0.632所经历的时间即可得到时间常数τ。
方法二:测出放电电压的变化曲线u (t ),在u (t )曲线上选上两点(u 1、t 1)和(u 2、t 2),这两点满足关系式u (t )=U 0t e -,因而得到τ=(t 1-t 2)/ln(u 1/u 2)。
4.微分电路。
RC 串联,从电阻端输出,当时间常数τ<<输入方波信号u S 的周期T 时,电路为微分电路,如图4-4-4a 所示,其输出
u R ≈RC dt du S ,输出波形u R 为尖脉冲,如图4-4-5b 所示。
实际应
图4-4-4
R
a) b)
a) RC 微分电路 b) RC 积分电路 图4-4-5
a) u
u c) u
u R C 图4-4-2一阶RC 电路
图4-4-3一阶RC 电路时间常数与电路过渡过程的关系
a) b)
用时常用微分电路来获得定时触发信号。
5.积分电路。
RC 串联,从电容端输出,当时间常数τ>>输入方波信号u S 的
周期T 时,电路为积分电路,如图4-4-4b 所示。
其输出u c ≈⎰dt u RC S 1,其波形如
图4-4-5c 所示。
实际应用时常用积分电路将方波转变成三角波。
4.4.5 预习提示
1.什么是电路中的暂态过程?
2.电路时间常数τ的物理意义如何?
3. RC 微分电路和积分电路的电路结构特点、条件如何?
4.对于RC 串联的电路,当外加电源周期为T 的方波时,满足怎样的参数条件,电容电压波形近似为方波?
4.4.6实验步骤
1.用示波器观察图4-4-1所示电路的充、放电过程,画出充、放电曲线,求出放电时间常数τ。
(1)按电工台“开机操作”程序进行操作。
(2)按图4-4-1所示电路联接线路。
开启示波器。
将开关打向3位置,连通3和2,观察示波器直至电容电压放电为0。
(3) 采用测试时间常数τ的方法一完成实验。
将开关打向1位置,连通1和2,用示波器观察电容电压充电过程,如图4-4-6曲线a 所示。
当电容完成
充电后,此时电容两端电压约10V 。
将开关打向3位置,连通3和2, 观察电容两端电压放电过程,如图4-4-6曲线b 所示。
用秒表或示波器记录输出电容两端电压从10V 下降到3.68V (10×0.368)时所经历的时间,即为时间常数τ。
或读出示波器上该两点对应的坐标(T 1,10V )和(T 2,3.68V ),如图4-4-6所示。
计算Δt =T 2-T 1,得到时间常数τ。
定量记录充、放电波形。
由于实验误差较大,所以需要采用多次测量取平均值的方法以减小误差,将测试数据分别记录于表4-4-1。
表4-4-1时间常数τ的测试
(4)关闭电压源和示波器,按下红色“停止”按钮,红灯亮,绿灯灭。
拆除线路。
计算Δt 的平均值,得到时间常数τ。
图4-4-6时间常数τ测试方法一 t U 0.368
2.设计时间常数τ为1ms的RC微分电路,保持电路时间常数τ不变,改变信号发生器的周期T,记录T分别为T=τ=1ms、T=10τ=10ms和T=0.1τ=0.1ms时电路的输入、输出波形。
(1)根据τ=RC=1ms,选择合适的电阻和电容,填入RC微分电路中。
(2)调整示波器。
将示波器两个通道的零电位扫描基线调至重叠,两个通道的电压衰减旋钮位置均调为2V/格,关闭示波器。
将示波器探棒及接地线接入电路。
(3)测试输入方波频率为1kHz时的输入、输出波形。
按图4-4-4a所示电路联接线路。
选择信号发生器波形为方波,频率调至1kHz(即周期T=1ms),幅值调至2V,并保持幅值不变。
将信号发生器接入电路。
开启示波器,观察并在同一个坐标系上记录输入、输出波形。
(4)测试输入方波频率为100Hz时的输入、输出波形。
保持信号发生器方波的幅值不变,将其频率调至100Hz(即周期T=10ms),观察并在同一个坐标系上记录输入、输出波形。
(5)测试输入方波频率为10kHz时的输入、输出波形。
保持信号发生器方波的幅值不变,将其频率调至10kHz(即周期T=0.1ms),观察并在同一个坐标系上记录输入、输出波形。
(6)关闭仪器电源。
拆除线路。
将钥匙式总开关置于“关”位置, 此时红色按钮灭,实验结束。
3. 实验的注意事项:
(1)在实验室用方法一测量τ时,可用秒表或示波器读出数据。
由于误差较大,所以需要采用多次测量取平均值的方法以减小误差。
(2)在实验室用测量τ的方法一进行操作时,尽量由两位同学共同配合操作,以方便读取数据。
(3)在实验室观察RC微分、积分电路的输入、输出波形时,应将示波器两个通道的零电位扫描基线的位置和电压衰减旋钮位置分别调为一致。
(4)实验时应将信号发生器与示波器的接地端连接在一起,即做到“共地”,以防外界干扰影响到测量的准确性。
4.4.7报告要求
1. 画出实验电路与表格,简要写出电路原理和实验步骤。
2.完成任务1的充、放电曲线记录,完成表4-4-1实测记录,求出放电时间常数τ。
3.完成任务2的电路设计和三组不同频率的输入、输出波形记录。
4. 根据实验操作,验证实验室测量时间常数τ的方法的正确性。
5.根据测试的输入、输出波形,得出在输出端得到微分波形的电路的条件。
6.根据4.4.2.2的扩展实验,记录τ不同时积分电路的输入、输出波形。
7.完成思考题。
4.4.8 思考题
1.如果图4-4-1所示电路的电容上存在初始电压,能否出现没有过渡过程的现象?为什么?
2.在用示波器观察图4-4-1的u c 波形时,为什么充
电时间很快就结束,而放电时间却很慢呢? 3.某同学通过实验测得RC 电路输入u s 与输出u c 波
形如图4-4-7所示,结果发现由此测得的时间常数与理论计算值偏差较大,请找出误差原因。
4.RC 串联电路中,满足怎样的条件,电容上的电压
波形近似为三角波?
5、当RC 电路在方波激励时,为什么微分电路的输出波形会出现突变部分? 而积分电路的输出波形不会发生突变?
图4-4-7。