光电二极管的性能测试
- 格式:doc
- 大小:4.84 KB
- 文档页数:4
PIN光电二极管综合实验仪GCPIN-B实验指导书(V1.0)武汉光驰科技有限公司WUHAN GUANGCHI TECHNOLOGY CO.,LTD目录第一章 PIN光电二极管综合实验仪说明 ...................... - 3 -一、产品介绍 (3)二、实验仪说明 (3)1、电子电路部分结构分布............................... - 3 -2、光通路组件......................................... - 4 - 第二章实验指南.......................................... - 5 -一、实验目的 (5)二、实验内容 (5)三、实验仪器 (5)四、实验原理 (6)五、实验准备 (8)六、实验步骤 (8)1、PIN光电二极管暗电流测试 ........................... - 8 -2、PIN光电二极管光电流测试 ........................... - 9 -3、PIN光电二极管光照特性 ............................. - 9 -4、PIN光电二极管伏安特性 ............................ - 10 -5、PIN光电二极管时间响应特性测试 .................... - 10 -6、PIN光电二极管光谱特性测试 ........................ - 11 -第一章 PIN光电二极管综合实验仪说明一、产品介绍对于以高速响应为目标的光电二极管来说,未来减少p-n节的电容,在p与n之间设计一个i层的高阻抗层结构,即在n型硅片上制作一层低掺杂的高阻层,即i层(本征层)在该层上在形成p层。
其工作原理:来自p层外侧的入射光,主要由i层吸收,从而产生空穴和电子。
使用元件时要外加反向偏压,以使空穴朝p层移动,而电子朝n层移动,再由两电极流到外电路。
光敏二极管特性测试实验一、实验目的1.学习光电器件的光电特性、伏安特性的测试方法;2.掌握光电器件的工作原理、适用范围和应用基础。
二、实验内容1、光电二极管暗电流测试实验2、光电二极管光电流测试实验3、光电二极管伏安特性测试实验4、光电二极管光电特性测试实验5、光电二极管时间特性测试实验6、光电二极管光谱特性测试实验7、光电三极管光电流测试实验8、光电三极管伏安特性测试实验9、光电三极管光电特性测试实验10、光电三极管时间特性测试实验11、光电三极管光谱特性测试实验三、实验仪器1、光电二三极管综合实验仪 1个2、光通路组件 1套3、光照度计 1个4、电源线 1根5、2#迭插头对(红色,50cm) 10根6、2#迭插头对(黑色,50cm) 10根7、三相电源线 1根8、实验指导书 1本四、实验原理1、概述随着光电子技术的发发展,光电检测在灵敏度、光谱响应范围及频率我等技术方面要求越来越高,为此,近年来出现了许多性能优良的光伏检测器,如硅锗光电二极管、PIN光电二极管和雪崩光电二极管(APD)等。
光敏晶体管通常指光电二极管和光电三极管,通常又称光敏二极管和三敏三极管。
光敏二极管的种类很多,就材料来分,有锗、硅制作的光敏二极管,也有III-V族化合物及其他化合物制作的二极管。
从结构我来分,有PN结、PIN结、异质结、肖特基势垒及点接触型等。
从对光的响应来分,有用于紫外光、红外光等种类。
不同种类的光敏二极管,具胡不同的光电特性和检测性能。
例如,锗光敏二极管与硅光敏二极管相比,它在红外光区域有很大的灵敏度,如图所示。
这是由于锗材料的禁带宽度较硅小,它的本征吸收限处于红外区域,因此在近红外光区域应用;再一方面,锗光敏二极管有较大的电流输出,但它比硅光敏二极管有较大的反向暗电流,因此,它的噪声较大。
又如,PIN型或雪崩型光敏二极管与扩散型PN结光敏二极管相比具有很短的时间响应。
因此,在使用光敏二极管进要了解其类型及性能是非常重要的。
第29卷 第4期 核 技 术 V ol. 29, No.4 2006年4月 NUCLEAR TECHNIQUES April 2006——————————————国家自然科学基金资助项目(00121140488)第一作者:李成波,男,1974年出生,2005年于中国原子能科学研究院获博士学位,助研,粒子物理与核物理专业 收稿日期:2004-12-02,修回日期:2006-02-21平面型硅光电二极管PIN 的研制及其基本性能测试李成波1 袁 坚1 孟秋英1 周书华1 张 录2 张太平2 宁宝俊2 田大宇21(中国原子能科学研究院 北京 102413) 2(北京大学微电子研究所 北京 100871)摘要 为满足CERN/ALICE 超高能重离子对撞实验光子谱仪的需要,首次采用高阻硅材料,并利用一些特殊工艺,研制了用于钨酸铅晶体探测器读出单元的硅光电二极管PIN 。
PIN 的灵敏区面积为16mm ×17mm ,常温漏电流小于5nA ,紫光区量子效率82%,全耗尽结电容为110—120pF 。
由PIN 与电荷灵敏前置放大器组成的读出系统的噪声水平,在-25℃下小于600个等效噪声电荷,并经过了长期性能稳定性的考验。
开发研制的大面积PIN 硅光管全面达到ALICE/PHOS 国际招标所规定PIN 硅光管性能的指标。
关键词 PIN ,结电容,漏电流,量子效率,等效噪声电荷 中图分类号 TL814CERN/ALICE 是欧洲核子中心的大型强子对撞机上进行超高能重离子碰撞实验的大科学工程,其物理目标是探索夸克-胶子等离子体QGP,了解QCD 禁闭和本征对称性破缺恢复机理。
中国参加ALICE 的主要任务是参与光子谱仪量能器探测装置(PHOS )的建造、测试与安装。
光子谱仪(PHOS )是由17920个钨酸铅晶体组成的探测器点阵系统。
本课题所研制的平面型硅光电二极管PIN (Positive-Intrinsic-Negative diode )是用于探测高能光子的钨酸铅晶体探测器读出单元的关键组件。
第1篇一、实验目的本次实验旨在通过实际操作,了解光电探测的基本原理和实验方法,掌握光电探测器的性能测试技术,并分析光电探测在现实应用中的重要性。
实验过程中,我们对光电探测器的响应特性、灵敏度、探测范围等关键参数进行了测试和分析。
二、实验原理光电探测器是一种将光信号转换为电信号的装置,广泛应用于光电通信、光电成像、环境监测等领域。
实验中,我们主要研究了光电二极管(Photodiode)的工作原理和特性。
光电二极管是一种半导体器件,当光照射到其PN结上时,会产生光生电子-空穴对,从而产生电流。
三、实验仪器与材料1. 光电二极管2. 光源(激光笔、LED灯等)3. 光电探测器测试仪4. 示波器5. 数字多用表6. 光纤连接器7. 光学平台8. 环境温度计四、实验步骤1. 光电二极管性能测试(1)将光电二极管与光源、测试仪连接,确保连接牢固。
(2)调整光源强度,观察光电探测器输出电流的变化,记录不同光照强度下的电流值。
(3)测试光电二极管在不同波长下的光谱响应特性,记录不同波长下的电流值。
2. 光电探测器灵敏度测试(1)调整环境温度,观察光电探测器输出电流的变化,记录不同温度下的电流值。
(2)改变光源距离,观察光电探测器输出电流的变化,记录不同距离下的电流值。
3. 光电探测器探测范围测试(1)在固定光源强度下,调整探测器与光源的距离,观察输出电流的变化,记录探测范围。
(2)在固定探测器与光源的距离下,调整光源强度,观察输出电流的变化,记录探测范围。
五、实验结果与分析1. 光电二极管性能测试实验结果表明,随着光照强度的增加,光电二极管输出电流逐渐增大。
在相同光照强度下,不同波长的光对光电二极管输出的电流影响不同,表明光电二极管具有光谱选择性。
2. 光电探测器灵敏度测试实验结果显示,随着环境温度的升高,光电二极管输出电流逐渐增大,表明光电探测器对温度具有一定的敏感性。
同时,在光源距离变化时,光电探测器输出电流也相应变化,说明光电探测器的探测范围与光源距离有关。
光电二极管(Photodiode)是一种光电器件,它能够将光信号转换为电信号。
检测光电二极管的方法通常涉及评估其光电转换效率、响应速度、暗电流、灵敏度等参数。
以下是一些常见的光电二极管检测方法:1. 光电转换效率测试:-使用已知光强度的光源照射光电二极管。
-测量通过光电二极管的电流或电压变化。
-计算光电转换效率,即光电流与入射光强度之比。
2. 响应速度测试:-评估光电二极管对光信号变化的响应时间。
-可以通过改变光源的开关速度或使用脉冲光源来实现。
-通常使用示波器和光脉冲发生器来监测和记录响应波形。
3. 暗电流测试:-在无光照条件下测量光电二极管的电流。
-暗电流反映了光电二极管的噪声和泄漏电流水平。
4. 灵敏度测试:-测量光电二极管对弱光信号的响应能力。
-通常通过降低入射光的强度来评估。
5. 光谱响应测试:-评估光电二极管对不同波长光的响应。
-使用光谱仪或波长可调的光源来测试。
6. 温度特性测试:-测量光电二极管在不同温度下的性能变化。
-温度变化可能会影响光电二极管的响应速度、暗电流和光电转换效率。
7. 线性度测试:-评估光电二极管输出与输入光强度之间的线性关系。
-通常通过绘制电流-光强度曲线来评估。
8. 稳定性测试:-长时间监测光电二极管的性能,以评估其稳定性和可靠性。
9. 噪声测试:-评估光电二极管输出信号的噪声水平。
-可以通过频谱分析仪来检测噪声功率。
10. 保护电路测试:-检测光电二极管保护电路(如反向偏压保护)的有效性。
在实际应用中,光电二极管的检测通常需要使用专业的测试设备和软件,以确保准确和可靠的测量结果。
此外,根据不同的应用场景和性能要求,检测方法可能会有所不同。
光电二极管的响应时间测试光电二极管是一种重要的光电转换器件,广泛应用于光电测量、通信、传感等领域。
而光电二极管的响应时间是评价其性能的重要指标之一。
本文将探讨光电二极管的响应时间测试方法及其影响因素。
一、光电二极管的响应时间概述光电二极管的响应时间是指其从接收到光信号到输出电流达到稳定值所需的时间。
一般来说,响应时间越短,光电二极管的快速响应能力越强。
二、光电二极管响应时间的测试方法1. 直流测试法直流测试法是最常用的光电二极管响应时间测试方法之一。
该方法通过给光电二极管施加一个恒定的直流偏置电压,然后在光源照射下测量光电二极管的输出电流。
通过观察输出电流的变化曲线,可以得到光电二极管的响应时间。
2. 脉冲测试法脉冲测试法是另一种常用的光电二极管响应时间测试方法。
该方法通过给光电二极管施加一个脉冲光源,然后测量其输出电流的变化。
通过分析输出电流的上升时间和下降时间,可以得到光电二极管的响应时间。
三、影响光电二极管响应时间的因素1. 光强度光强度是影响光电二极管响应时间的重要因素之一。
当光强度较低时,光电二极管的响应时间会延长;而当光强度较高时,光电二极管的响应时间会缩短。
2. 温度温度也是影响光电二极管响应时间的因素之一。
一般来说,光电二极管的响应时间随温度的升高而延长。
因此,在进行响应时间测试时,需要对光电二极管进行恒温控制,以减小温度对测试结果的影响。
3. 光电二极管结构和材料光电二极管的结构和材料也会对其响应时间产生影响。
不同结构和材料的光电二极管具有不同的载流子迁移速度和载流子寿命,从而影响其响应时间。
四、光电二极管响应时间测试的意义光电二极管的响应时间测试对于评估其性能和应用具有重要意义。
准确的响应时间测试结果可以帮助工程师选择合适的光电二极管,以满足特定应用的需求。
此外,响应时间测试还可以用于光电二极管的质量控制和故障分析。
五、结语光电二极管的响应时间是评价其性能的重要指标之一。
通过直流测试法和脉冲测试法可以对光电二极管的响应时间进行测量。
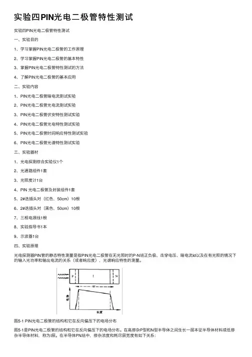
实验四PIN光电⼆极管特性测试实验四PIN光电⼆极管特性测试⼀、实验⽬的1、学习掌握PIN光电⼆极管的⼯作原理2、学习掌握PIN光电⼆极管的基本特性3、掌握PIN光电⼆极管特性测试的⽅法4、了解PIN光电⼆极管的基本应⽤⼆、实验内容1、PIN光电⼆极管暗电流测试实验2、PIN光电⼆极管光电流测试实验3、PIN光电⼆极管伏安特性测试实验4、PIN光电⼆极管光电特性测试实验5、PIN光电⼆极管时间响应特性测试实验6、PIN光电⼆极管光谱特性测试实验三、实验器材1、光电探测综合实验仪1个2、光通路组件1套3、光照度计1台4、PIN 光电⼆极管及封装组件1套5、2#迭插头对(红⾊,50cm)10根6、2#迭插头对(⿊⾊,50cm)10根7、三相电源线1根8、实验指导书1本9、⽰波器1台四、实验原理光电探测器PIN管的静态特性测量是指PIN光电⼆极管在⽆光照时的P-N结正负极、击穿电压、暗电流Id以及在有光照的情况下的输⼊光功率和输出电流的关系(或者响应度),光谱响应特性的测量。
图5-1 PIN光电⼆极管的结构和它在反向偏压下的电场分布图5-1是PIN光电⼆极管的结构和它在反向偏压下的电场分布。
在⾼掺杂P型和N型半导体之间⽣长⼀层本征半导体材料或低掺杂半导体材料,称为I层。
在半导体PN结中,掺杂浓度和耗尽层宽度有如下关系:LP/LN=DN/DP其中:DP和DN 分别为P区和N区的掺杂浓度;LP和LN分别为P区和N区的耗尽层的宽度。
在PIN中,如对于P层和I层(低掺杂N 型半导体)形成的PN结,由于I层近于本征半导体,有DN<LP<即在I层中形成很宽的耗尽层。
由于I层有较⾼的电阻,因此电压基本上降落在该区,使得耗尽层宽度W可以得到加宽,并且可以通过控制I层的厚度来改变。
对于⾼掺杂的N 型薄层,产⽣于其中的光⽣载流⼦将很快被复合掉,因此这⼀层仅是为了减少接触电阻⽽加的附加层。
要使⼊射光功率有效地转换成光电流,⾸先必须使⼊射光能在耗尽层内被吸收,这要求耗尽层宽度W⾜够宽。
半导体发光二极管测试方法发光二极管(LED)是一种半导体器件,能够将电能转化为光能,具有高效、节能、长寿命等特点,被广泛应用于照明、数码显示、通信等领域。
为保证LED的质量和可靠性,测试方法至关重要。
本文将介绍LED的测试方法,包括性能测试和可靠性测试。
性能测试是指对LED的电学和光学性能进行测试。
首先是电性能测试,包括正向电压-VF测试、正向电流-IF测试和反向漏电流-IR测试。
其中,VF测试可以通过直流电流源和万用表测试。
将LED正向引线连接到电流源的正极,负向引线连接到万用表的电压测量端,设置电流源输出电流为LED标称电流IF,读取万用表上的电压值即为VF。
同样的方法可以测试IF和IR。
为了减小测试误差,可以将测试过程自动化。
接下来是光学性能测试,主要包括光通量测试、光强测试和色温测试。
光通量测试用于测量LED的总辐射功率,可以使用光通量集成球进行测试。
将LED安装在光通量集成球的中心位置,并通过光电二极管将光通量收集起来,然后利用功率计进行测量。
光强测试用于测量LED发出的光的强度,可以使用光强计进行测试。
色温测试用于测量LED发出的光的颜色温度,可以使用光谱仪进行测试。
可靠性测试是指在一定的环境条件下,对LED的长期稳定性进行测试。
首先是热老化测试,通过将LED置于高温环境下,并施加一定的电流,观察LED的光亮度变化和色温变化,以评估其在高温环境下的稳定性。
其次是湿热老化测试,通过将LED置于高温高湿环境下,并施加一定的电流,观察LED的性能变化,以评估其在高温高湿环境下的稳定性。
最后是机械冲击测试,通过将LED置于冲击装置中,进行机械冲击,观察LED的性能变化,以评估其在振动环境下的稳定性。
在测试过程中,需要严格控制测试条件,如温度、湿度、电流等。
同时,需要进行数据记录和分析,以便评估LED的性能和可靠性。
测试结果应符合相关的标准和规范,如国家标准、行业标准等。
同时,测试设备和仪器应保持良好的校准状态,以确保测试结果的准确性和可靠性。
一、实验目的1. 了解光电探测的基本原理和电路组成。
2. 掌握光电探测器电路的设计方法和实验技能。
3. 熟悉光电探测器的性能测试方法,并分析实验结果。
二、实验原理光电探测器是将光信号转换为电信号的器件,其基本原理是光电效应。
当光照射到光电探测器上时,会产生光生电子,从而在探测器两端产生电信号。
本实验主要研究光电二极管和光敏电阻两种光电探测器。
三、实验仪器与设备1. 光源:LED灯、激光器等。
2. 光电探测器:光电二极管、光敏电阻等。
3. 放大器:低频放大器、高频放大器等。
4. 测量仪器:示波器、万用表、信号发生器等。
5. 实验电路板:包含光电探测器、放大器、电源等组件。
四、实验内容及步骤1. 光电二极管特性测试(1)搭建实验电路,将光电二极管与低频放大器相连,并接入电源。
(2)调整光源,使光照射到光电二极管上。
(3)使用示波器观察光电二极管输出信号的波形和幅度。
(4)改变光源强度,观察光电二极管输出信号的变化,分析光电二极管的响应特性。
2. 光敏电阻特性测试(1)搭建实验电路,将光敏电阻与低频放大器相连,并接入电源。
(2)调整光源,使光照射到光敏电阻上。
(3)使用示波器观察光敏电阻输出信号的波形和幅度。
(4)改变光源强度,观察光敏电阻输出信号的变化,分析光敏电阻的响应特性。
3. 光电探测器电路设计(1)根据实验要求,设计光电探测器电路,包括光电探测器、放大器、滤波器等组件。
(2)搭建实验电路,并接入电源。
(3)调整电路参数,使光电探测器电路满足实验要求。
4. 光电探测器电路性能测试(1)使用示波器观察光电探测器电路输出信号的波形和幅度。
(2)调整光源强度,观察光电探测器电路输出信号的变化,分析电路性能。
五、实验结果与分析1. 光电二极管特性测试结果(1)光电二极管输出信号随光源强度增加而增强,符合光电效应原理。
(2)光电二极管输出信号具有较好的线性关系,适合用于光电检测。
2. 光敏电阻特性测试结果(1)光敏电阻输出信号随光源强度增加而减小,符合光敏电阻特性。
光电器件特性测试实验报告光电器件特性测试实验报告摘要:本实验旨在通过对光电器件特性的测试,探究光电器件的工作原理和性能特点。
实验中使用了光电二极管和光敏电阻作为测试对象,通过测试光电器件的光电流和光电阻随光强的变化关系,以及对不同波长光的响应能力,得出了一系列实验结果。
实验结果表明,光电器件的性能特点与光强、波长等因素密切相关,为光电器件的设计和应用提供了重要依据。
一、引言光电器件是将光信号转化为电信号的重要元件,广泛应用于光通信、光电子、光电测量等领域。
了解光电器件的特性对于其设计和应用具有重要意义。
本实验选取了光电二极管和光敏电阻作为测试对象,通过对其特性的测试,探究光电器件的工作原理和性能特点。
二、实验方法1. 实验器材:- 光电二极管- 光敏电阻- 光源- 电流源- 电压源- 示波器- 多用表2. 实验步骤:a. 搭建光电器件测试电路,将光电二极管和光敏电阻分别与电流源和电压源相连。
b. 调节光源距离光电器件的距离,改变光强。
c. 测量光电二极管的光电流和光敏电阻的光电阻随光强的变化关系。
d. 改变光源的波长,测量光电二极管和光敏电阻对不同波长光的响应能力。
三、实验结果与分析1. 光电二极管的特性测试结果:a. 光电流随光强的变化关系:实验结果显示,光电流随光强的增大而线性增加,但当光强达到一定值后,光电流增加的速度减慢,呈现饱和状态。
这是因为光电二极管在光照射下,光子能量被电子吸收,从而产生电流。
b. 光电流对不同波长光的响应能力:实验结果显示,光电二极管对不同波长光的响应能力存在差异。
在可见光范围内,光电流对短波长光的响应更强,而对长波长光的响应较弱。
这是因为光电二极管的能带结构和材料特性导致了不同波长光的吸收效果不同。
2. 光敏电阻的特性测试结果:a. 光敏电阻随光强的变化关系:实验结果显示,光敏电阻随光强的增大而线性减小,即光敏电阻与光强呈反比关系。
这是因为光敏电阻的电阻值受光照射强度的影响,光强越大,电阻值越小。
一.万用表检测普通二极管的极性与好坏。
检测原理:根据二极管的单向导电性这一特点性能良好的二极管,其正向电阻小,反向电阻大;这两个数值相差越大越好。
若相差不多说明二极管的性能不好或已经损坏。
测量时,选用万用表的“欧姆”挡。
一般用R x100或R xlk挡,而不用Rx1或R x10k挡。
因为Rxl挡的电流太大,容易烧坏二极管,R xlok挡的内电源电压太大,易击穿二极管.测量方法:将两表棒分别接在二极管的两个电极上,读出测量的阻值;然后将表棒对换再测量一次,记下第二次阻值。
若两次阻值相差很大,说明该二极管性能良好;并根据测量电阻小的那次的表棒接法(称之为正向连接),判断出与黑表棒连接的是二极管的正极,与红表棒连接的是二极管的负极。
因为万用表的内电源的正极与万用表的“—”插孔连通,内电源的负极与万用表的“+”插孔连通。
如果两次测量的阻值都很小,说明二极管已经击穿;如果两次测量的阻值都很大,说明二极管内部已经断路:两次测量的阻值相差不大,说明二极管性能欠佳。
在这些情况下,二极管就不能使用了。
必须指出:由于二极管的伏安特性是非线性的,用万用表的不同电阻挡测量二极管的电阻时,会得出不同的电阻值;实际使用时,流过二极管的电流会较大,因而二极管呈现的电阻值会更小些。
二.特殊类型二极管的检测。
①稳压二极管。
稳压二极管是一种工作在反向击穿区、具有稳定电压作用的二极管。
其极性与性能好坏的测量与普通二极管的测量方法相似,不同之处在于:当使用万用表的Rxlk挡测量二极管时,测得其反向电阻是很大的,此时,将万用表转换到Rx10k档,如果出现万用表指针向右偏转较大角度,即反向电阻值减小很多的情况,则该二极管为稳压二极管;如果反向电阻基本不变,说明该二极管是普通二极管,而不是稳压二极管。
稳压二极管的测量原理是:万用表Rxlk挡的内电池电压较小,通常不会使普通二极管和稳压二极管击穿,所以测出的反向电阻都很大。
当万用表转换到Rx10k挡时,万用表内电池电压变得很大,使稳压二极管出现反向击穿现象,所以其反向电阻下降很多,由于普通二极管的反向击穿电压比稳压二极管高得多,因而普通二极管不击穿,其反向电阻仍然很大。
光电器件的性能测试与分析光电器件是一种利用光电效应或光学现象而获得电信号输出或控制电路的装置。
它不仅是日常生活和工业生产中必不可少的一种装置,更是现代科学技术研究的重要基础。
例如,光电器件在通信、医疗、化学分析等多个领域都有广泛的应用。
因此,对其性能测试和分析也显得尤为重要。
在本文中,我们将介绍光电器件的性能与测试方法,并简要分析其相关数据。
一、光电器件的性能在介绍光电器件的性能之前,我们需要知道光电效应和光学现象对光电器件的影响。
1. 光电效应光电效应指的是物质受到光照射后,电子从原子或分子中被激发出来,进而形成电流。
感光元件是一种采用光电效应制作的光电器件。
例如,光电二极管(Photodiode)、光电三极管(Phototransistor)等。
2. 光学现象光学现象指的是光在光电元器件中的传播、反射、折射、散射等现象。
这些现象会对光电元器件的性能造成直接影响。
例如,透射率、反射率、折射率等指标。
基于上述了解,我们可以介绍一些影响光电器件性能的指标:1. 噪声等级光电器件会产生噪声,这会对采集的信号造成影响。
一般情况下,用噪声谱密度来表示噪声的大小。
噪声等级通常可以用单位电压下噪声谱密度来描述。
2. 噪声光敏度光敏度是光电二极管接收到光照射后,输出电压(或电流)的变化量。
噪声光敏度是指在单位带宽内的噪声电压与光敏电流之比。
3. 温度敏感度和线性性温度敏感度是指器件在不同温度下输出信号的变化量。
线性范围是指器件输出与输入信号之间的线性关系。
4. 频率响应频率响应是指在不同频率下,光电器件输出信号的变化量。
这个指标对于采集快速变化的信号非常重要。
通常,频率响应可以用 3dB 带宽来衡量。
二、光电器件的测试方法在进行光电器件的测试之前,我们应该了解如何使用测试仪器。
主要的测试仪器有:1. 光源和光电探测器光源可以用光度计或光功率计进行校准。
光度计是测量光照度的仪器,光功率计可以测量光源的辐射功率。
光电子器件的特性测试与分析光电子器件是一类基于光电效应工作的器件,其在光通信、光存储、光计算等领域具有广泛的应用。
在研发和生产过程中,对光电子器件的特性进行准确的测试和分析是非常重要的。
本文将针对光电子器件的特性测试与分析进行探讨,并提供相关的方法和技术。
一、光电子器件的特性测试光电子器件的特性测试是指对器件的基本参数进行测试,以评估器件的性能和工作状态。
典型的光电子器件包括光电二极管、光电三极管、光电传感器、光电探测器等。
1. 光电器件的光谱响应测试光谱响应测试是评估光电器件在不同波长光照下的输出响应情况。
常用的测试方法包括半导体激光光电二极管的测试、反射式光电探测器的测试等。
测试时需使用光源和光谱仪,记录器件的输出响应与入射光的波长之间的关系。
2. 光电器件的响应速度测试光电器件的响应速度是指其对光信号的响应速度。
常用的测试方法包括脉冲光响应测试、直流光响应测试等。
通过输入不同频率和幅度的光脉冲或直流光信号,测量器件的输出响应时间和频率响应曲线,以评估器件的速度性能。
3. 光电器件的量子效率测试量子效率是评估光电器件将光信号转化为电信号的效率。
常用的测试方法包括外量子效率测试和内量子效率测试。
外量子效率测试是通过测量器件在光照下产生的电流与光功率之间的比值来评估器件的效率。
内量子效率测试是通过测量光电器件中载流子的重复利用率来评估效率。
二、光电子器件的特性分析光电子器件的特性分析是指通过实验和理论研究,对器件的性能进行深入分析和解释,提取重要的物理参数和关键特性。
1. 光电器件的光电转换效率分析光电转换效率是评价光电器件性能的重要指标,表示器件将光能转化为电能的效率。
对于光电探测器、光电二极管等器件,其光电转换效率与载流子的寿命、载流子迁移率、结构等因素有关。
通过实验和模拟,可以分析器件的光电转换效率与这些参数之间的关系,优化器件的设计和性能。
2. 光电器件的噪声分析光电器件的噪声是指器件输出信号中的非理想成分。
光电二极管检测方法光电二极管是一种常用的光电器件,广泛应用于光电传感、光通信、光控制等领域。
在各种应用中,光电二极管的可靠性和性能检测至关重要。
本文将介绍光电二极管检测的方法,包括常用的电学参数测试、光学性能检测以及封装外观检查等方法。
一、电学参数测试1. 正向电压和正向电流测试在光电二极管的测试过程中,正向电压和正向电流是最基本的电学参数之一。
通过对光电二极管进行正向电压和正向电流测试,可以判断器件的导通性和电流特性,从而评估其正常工作状态。
测试时需要使用万用表或专业的半导体参数测试仪器,确保测试的准确性和可靠性。
2. 反向漏电流测试反向漏电流是光电二极管的重要参数之一,用于评估其在反向偏置时的性能。
通常情况下,反向漏电流应该较小,在一定的反向偏置下,对其进行测试,可以得到其漏电流的大小,判断器件是否存在漏电流异常现象。
3. 切换时间测试切换时间是指光电二极管从导通到截止或者从截止到导通的时间,也是其响应速度的一个重要指标。
切换时间测试通常需要应用脉冲信号,通过测量其上升时间和下降时间,可以评估光电二极管的响应速度和动态特性。
二、光学性能检测1. 光强测试光强是评估光电二极管输出光功率的重要参数,通常通过光功率仪器或者光功率计进行测试。
测试时需要选择合适的波长和工作条件,以获得准确的光强值。
2. 光谱响应测试光电二极管的光谱响应特性对于不同波长的光信号的响应程度提供了重要的参考。
通过光谱响应测试,可以了解器件在不同波长下的响应情况,进一步评估其光学性能。
3. 噪声测试光电二极管的噪声水平直接影响其在低光强环境下的性能表现。
通过噪声测试,可以评估器件在不同工作条件下的噪声水平,为其应用提供重要参考。
三、封装外观检查1. 外观检查外观检查是通过目测光电二极管的外观状态,包括器件是否存在损坏、污染、变形等情况,以评估其封装质量和完整性。
2. 引线焊接检查光电二极管的引线焊接质量直接影响其电气连接可靠性,通过对引线焊接进行检查,可以确保器件在使用过程中不会因引线连接故障而影响性能。
PD光电二极管电性能测试方案
光电二极管(Photo-Diode)是由一个PN结组成的半导体器件,具有单方向导电特性。
光电二极管是在反向电压作用之下工作的,在一般照度的光线照射下,所产生的电流叫光电流。
如果在外电路上接上负载,负载上就获得了电信号,而且这个电信号随着光的变化而相应变化。
光电二极管PD测试要求
测试基本连线图如下:
主要测试指标
光灵敏度(S,Photosensitivity)
光谱响应范围(Spectral respone range)
短路电流(Isc,Short circuit current)
暗电流(ID,dark current)
暗电流温度系数(T cid,Temp. coefficient of ID)
分流电阻(Rsh, Shunt resistance)
噪声等效功率(NEP,noise equivalent power)
上升时间(tr,Rise time)
终端电容(Ct)& 结电容(Cj)
……
光电二极管PD测试所需仪表
S系列台式源表/CS系列插卡式源表;
示波器;
LCR表;
温度箱;
样品探针台或者定制夹具;
IV测试分析软件;
典型测试指标
选型依据
电压量程及精度;
电流量程及精度;
采样速率高;
IV测试分析软件功能;。
一、实验目的1. 理解光电效应的基本原理和规律。
2. 掌握光电探测器的性能参数测量方法。
3. 学习光电技术在实际应用中的具体应用。
二、实验原理光电效应是指光照射到金属表面时,金属表面会发射出电子的现象。
根据爱因斯坦的光电效应方程,光子的能量与电子的动能之间存在以下关系:E = hν = Ek + W其中,E为光子的能量,h为普朗克常数,ν为光的频率,Ek为电子的动能,W为金属的逸出功。
光电探测器是一种将光信号转换为电信号的装置,常用的光电探测器有光电二极管、光电三极管、光电倍增管等。
本实验主要研究光电二极管的性能参数。
三、实验仪器与设备1. 光电效应实验装置:包括光电管、光源、放大器、示波器等。
2. 光电探测器性能参数测试仪:用于测量光电二极管的暗电流、饱和电流、光电流、响应时间等参数。
3. 电源:提供实验所需的电压。
四、实验步骤1. 光电效应实验:(1)将光电管接入实验装置,调整光源的电压和电流,使光电管正常工作。
(2)打开示波器,观察光电管在不同电压下的伏安特性曲线。
(3)改变光源的频率,观察光电效应的规律。
2. 光电探测器性能参数测试:(1)将光电二极管接入性能参数测试仪,调整测试仪的电压和电流,使光电二极管正常工作。
(2)测量光电二极管的暗电流、饱和电流、光电流、响应时间等参数。
五、实验结果与分析1. 光电效应实验结果:(1)伏安特性曲线:随着电压的增加,光电管的电流逐渐增大,当电压达到一定值时,电流达到饱和。
(2)光电效应规律:光电效应的电流与光强成正比,与光的频率有关,当光的频率低于截止频率时,光电效应不发生。
2. 光电探测器性能参数测试结果:(1)暗电流:在无光照条件下,光电二极管的电流为暗电流,其大小反映了光电二极管的漏电流。
(2)饱和电流:当光强增加时,光电二极管的电流逐渐增大,当电流达到饱和时,光强的增加对电流的影响不再明显。
(3)光电流:光电二极管的光电流与光强成正比,其比例系数称为光电流灵敏度。
北方民族大学
课程设计报告
院(部、中心)电气信息工程学院
姓名学号
专业测控技术与仪器班级测控技术与仪器101
同组人员
课程名称光电技术综合技能训练
设计题目名称光敏二极管的性能测试
起止时间
成绩
指导教师签名盛洪江
北方民族大学教务处制
摘要
随着光电子技术的发发展,光电检测在灵敏度、光谱响应范围及频率我等技术方面要求越来越高,为此,近年来出现了许多性能优良的光伏检测器,如硅锗光电二极管、PIN光电二极管和雪崩光电二极管(APD)等。
光敏晶体管通常指光电二极管和光电三极管,通常又称光敏二极管和三敏三极管。
关键词:光敏二极管、ELVIS实验平台、LABView8.6、OSLO软件
引言
光敏二极管的种类很多,就材料来分,有锗、硅制作的光敏二极管,也有III-V族化合物及其他化合物制作的二极管。
从结构我来分,有PN结、PIN结、异质结、肖特基势垒及点接触型等。
从对光的响应来分,有用于紫外光、红外光等种类。
不同种类的光敏二极管,具不同的光电特性和检测性能。
光敏二极管和光电池一样,其基本结构也是一个PN结。
与光电池相比,它的突出特点是结面积小,因此它的频率特性非常好。
光生电动势与光电池相同,但输出电流普遍比光电池小,一般为数微安到数十微安。
按材料分,光敏二极管有硅、砷化铅光敏二极管等许多种,由于硅材料的暗电流温度系数较小,工艺较成熟,因此在实验际中使用最为广泛。
目录
摘要 1
引言 1
目录 2
光敏二极管 3
光电效应 4
光电导效应 4
光生伏特效应 4
光敏二极管的工作原理 5
光敏二极管 5
LabVIEW软件5
总结 6
附录7
程序设计原理图7
结果图8
实验连线9
光敏二极管
光敏二极管的种类很多,就材料来分,有锗、硅制作的光敏二极管,也有III-V族化合物及其他化合物制作的二极管。
从结构我上来分,有PN结、PIN结、异质结、肖特基势垒及点接触型等。
从对光的响应来分,有用于紫外光、红外光等种类。
不同种类的光敏二极管,具胡不同的光电特性和检测性能。
光敏二极管的结构和普通二极管相似,只是它的PN结装在管壳顶部,光线通过透镜制成的窗口,可以集中照射在PN结上,图1(a)是其结构示意图。
光敏二极管在电路中通常处于反向偏置状态,如图1(b)所示。
光电效应
光电导效应
若光照射到某些半导体材料上时,透过到材料内部的光子能量足够大,某些电子吸收光子的能量,从原来的束缚态变成导电的自由态,这时在外电场的作用下,流过半导体的电流会增大,即半导体的电导会增大,这种现象叫光电导效应。
它是一种内光电效应。
光电导效应可分为本征型和杂质型两类。
前者是指能量足够大的光子使电子离开价带跃入导带,价带中由于电子离开而产生空穴,在外电场作用下,电子和空穴参与电导,使电导增加。
杂质型光电导效应则是能量足够大的光子使施主能级中的电子或受主能级中的空穴跃
迁到导带或价带,从而使电导增加。
杂质型光电导的长波限比本征型光电导的要长的多。
光生伏特效应
光生伏特效应是一种内光电效应。
光生伏特效应是光照使不均匀半导体或均匀半导体中光生电子和空穴在空间分开而产生电位差的现象。
我们知道,PN结加反向电压时,反向电流的大小取决于P区和N区中少数载流子的浓度,无光照时P区中少数载流子(电子)和N区中的少数载流子(空穴)都很少,因此反向电流很小。
但是当光照PN结时,只要光子能量h大于材料的禁带宽度,就会在PN结及其附近产生光生电子—空穴对,从而使P区和N区少数载流子浓度大大增加,它们在外加反向电压和PN结内电场作用下定向运动,分别在两个方向上渡越PN结,使反向电流明显增大。
如果入射光的照度变化,光生电子—空穴对的浓度将相应变动,通过外电路的光电流强度也会随之变动,光敏二极管就把光信号转换成了电信号。
光敏二极管的工作原理
光敏二极管
光敏二极管的伏安特性相当于向下平移了的普通二极管,光敏二极管的伏安特性如图3所示。
但光敏三极管的光电流比同类型的光敏二极管大好几十倍,零偏压时,光敏二极管有光电流输出,而光敏三极管则无光电流输出。
原因是它们都能产生光生电动势,只因光电三极管的集电结在无反向偏压时没有放大作用,所以此时没有电流输出(或仅有很小的漏电流)。
图3 光敏二极管的伏安特性曲线图4 光敏二极管的光照特性曲线。
LabVIEW软件
LabVIEW是一种程序开发环境,由美国国家仪器(NI)公司研制开发的,类似于C和BASIC 开发环境,但是LabVIEW与其他计算机语言的显著区别是:其他计算机语言都是采用基于文本的语言产生代码,而LabVIEW使用的是图形化编辑语言G编写程序,产生的程序是框图的形式。
与 C 和BASIC一样,LabVIEW[1]也是通用的编程系统,有一个完成任何编程任务的庞大函数库。
LabVIEW[1]的函数库包括数据采集、GPIB、串口控制、数据分析、数据显示及数据存储,等等。
LabVIEW[1]也有传统的程序调试工具,如设置断点、以动画方式显示数据及其子程序(子VI)的结果、单步执行等等,便于程序的调试。
总结
通过此次实验,我们了解到了光敏电阻,光电池,光电二极管等光电器件的结构,特性,和工作原理,认识到了光电器件在不同环境下的性质变化以及他们的基本运用,掌握了不少光电探测器件使用的知识以及ELVIS实验平台、LABView8.6、OSLO软件上的学习。
在此感谢老师的指导和教诲,我们一定会继续努力学好光电探测,多动脑筋多思考,多动手多实践,认真学习理论知识,以应对社会的发展,满足企业的需要,争取做出成绩来,回馈母校,回报社会!
附录
程序设计原理图
结果图
实验连线。