闪光对焊技术交底完整版
- 格式:doc
- 大小:95.50 KB
- 文档页数:5
工程名称建设单位 监理单位施工单位 交底部位钢筋闪光对焊 交底日期 交底人签字 接受人签字技术交底内容:本工程梁、板、墙水平钢筋直径12≤d ≤25,长度不大于12m 时采用闪光对焊连接,对于直径12~16mm 的钢筋采用连续闪光焊,直径18~25mm 的钢筋采用预热闪光焊。
1. 施工准备1.1 材料及机具1)钢筋:钢筋的级别、直径必须符合设计要求,有出厂证明及复试报告单。
2)主要机具:对焊机(UN-100,额定容量100kVA ,负载持续率20%,电源电压380V ,次级电压调解范围4.5~7.6V ,次级电压调解级数8,连续闪光焊钢筋最大直径16~20mm ,预热闪光焊钢筋最大直径40mm)及配套的对焊平台、防护深色眼镜、电焊手套、绝缘鞋、钢筋切断机、水源、除锈机或钢丝刷。
1.2作业条件1)对焊机检修完好,其容量,电压符合要求并符合安全规定。
2)电源具备,电流电压符合对焊要求。
3)钢筋焊接部位经清理,表面平整、清洁,无油污、杂质等。
4)作业场地应有安全防护措施,防火和必要的通风措施,防止发生烧伤、触电及火灾等事故。
5)操作人员经培训、考核,可持证上岗。
2. 操作工艺1)当钢筋的直径较小,钢筋的级别较低,可采用连续闪光。
采用连续闪光所能焊接的钢筋最大直径应符合HRB400Φ16,当钢筋直径较大时,端面较平整,宜采用预热闪光焊;当端面不够平整,则应采用闪光—预热闪光焊。
2)闪光对焊时,应合理选择调伸长度、烧化留量以及变压器级数等焊接参数。
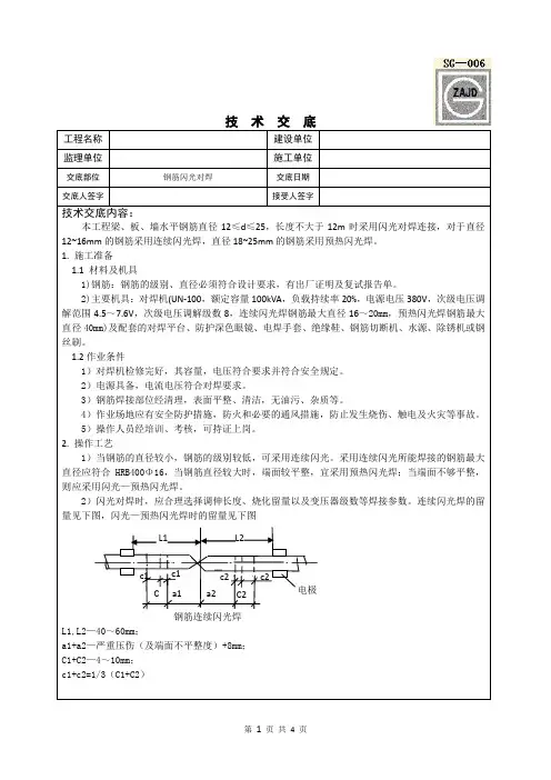
连续闪光焊的留量见下图,闪光—预热闪光焊时的留量见下图钢筋连续闪光焊L1,L2—40~60mm ;a1+a2—严重压伤(及端面不平整度)+8mm ;C1+C2—4~10mm ;c1+c2=1/3(C1+C2)c2 a1a2 c1 C2 c1 c1 C L2L1c2 电极钢筋闪光——预热闪光焊L1、L2—40~60mm ;a1+a2—严重压伤(及端面不平整度)+8mm ;C1+C2=1/3(C1+C2);a1+a2≥10mm(预热闪光焊时)。
编号:第1 页共5页施表工程名称棉花坪特大桥工程部位桩基、承台、墩台交底内容:闪光对焊技术交底一、施工要求1、钢筋进入现场后经试验室取样作试验合格后方可使用,主筋对焊前先将钢筋调直,接头应采用闪光对焊,操作过程中控制好电流,速度由慢到快,一般是0.1~1.5mm/s或0.1~2.0mm/s,在闪光过程结束时达到闪光强烈,以此保持焊缝金属不受氧化。
2、冬期闪光对焊施工(1)冬期的闪光对焊施工宜在室内进行,焊接时的环境温度不宜低于0℃。
(2)钢筋应提前运入车间,焊接后的钢筋应完全冷却后才能运往室外。
(3)在困难条件下,对以承受静力荷载为主的钢筋,闪光对焊的环境气温可适当降低,最低不应低于-10℃。
二、施工工艺及细则Ⅰ级钢筋的焊接性能良好;Ⅱ级钢筋的焊接性能较差,焊接时需采取预热、控制焊接规范等工艺措施。
闪光对焊可以分为连续闪光对焊、预热闪光对焊和闪光——预热——闪光焊等三种工艺,根据钢筋品种、直径和所用焊机功率等选用。
1、连续闪光对焊操作方法工艺过程包括:连续闪光和顶锻过程。
(1)先闭合一次电路,使两钢筋端面轻微接触,促使钢筋间隙中产生闪光,接着徐徐移动钢筋,使两钢筋端面仍保持轻微接触,形成连续闪光过程。
闪光过程当稳定强烈,以防焊口金属氧化。
(2)当闪光达到规定程度后(烧平端面,闪掉杂质,热至熔化),即可以适当压力迅速进行顶锻挤压。
顶锻过程应快速有力,以保证焊口闭合良好和使接头处产生适当的墩粗变形。
先带电顶锻,再无电顶锻到一定长度,焊接接头即告完成。
(3)适用条件连续闪光焊所能焊接的最大钢筋直径见下表:焊机容量(KVA)钢筋级别钢筋直径(mm)150 Ⅰ级20 Ⅱ级22100 Ⅰ级20 Ⅱ级1875 Ⅰ级16 Ⅱ级142、预热闪光焊操作方法编号:第2 页共5页施表工程名称棉花坪特大桥工程部位桩基、承台、墩台工艺过程包括:预热、闪光和顶锻过程。
即在连续闪光焊前增加一次预热过程,以扩大焊接热影响区。
(1)先闭合电源,然后使两钢筋端面交替地接触和分开,使其间隙发生断续闪光来实现预热,或使两钢筋端面一直紧密接触用脉冲电流或交替紧密接触与分开,产生电阻热(不闪光)来实现预热。
一、交底项目:闪光对焊作业二、交底内容:1. 作业人员要求(1)所有参与闪光对焊作业的工人必须经过专业培训,持有有效的上岗证。
(2)作业人员必须熟悉闪光对焊的操作规程和安全注意事项。
2. 施工准备(1)确保施工现场通风良好,防止有害气体积聚。
(2)对焊机及配套设备必须符合国家相关标准,确保设备运行正常。
(3)检查电源电压是否稳定,电压波动应在允许范围内。
(4)准备必要的防护用品,如防护眼镜、手套、绝缘鞋等。
3. 安全操作规程(1)操作前应穿戴好防护用品,检查对焊机及设备是否正常。
(2)启动对焊机前,确保操作区域无人员,防止误操作。
(3)操作过程中,注意观察焊接质量,发现异常情况立即停止操作,排除故障。
(4)操作人员不得擅自调整对焊机参数,如需调整,应由专业人员进行。
(5)焊接过程中,注意防止火花飞溅,避免烧伤或烫伤。
(6)焊接完成后,及时清理现场,确保现场整洁。
4. 事故预防措施(1)加强对焊机及设备的维护保养,确保设备正常运行。
(2)操作人员应严格遵守操作规程,提高安全意识。
(3)定期对作业人员进行安全教育培训,提高安全技能。
(4)施工现场设置明显的警示标志,提醒作业人员注意安全。
(5)加强现场巡查,及时发现并消除安全隐患。
5. 应急措施(1)发生火灾时,立即切断电源,使用灭火器进行灭火。
(2)发生触电事故,立即切断电源,进行现场急救。
(3)发生人员受伤,立即进行现场急救,并及时拨打急救电话。
三、检查执行情况(1)作业人员是否穿戴好防护用品。
(2)对焊机及设备是否正常运行。
(3)操作人员是否遵守操作规程。
(4)现场是否存在安全隐患。
四、注意事项(1)闪光对焊作业属于特种作业,必须严格按照操作规程进行。
(2)作业人员应具备一定的焊接技能和安全生产知识。
(3)加强现场安全管理,确保施工安全。
本安全技术交底模板适用于闪光对焊一级作业,各施工单位可根据实际情况进行调整。
一、交底目的为确保闪光焊作业过程中的安全,提高作业人员的安全意识,预防事故发生,特制定本安全技术交底。
二、适用范围本交底适用于所有进行闪光焊作业的施工人员及管理人员。
三、交底内容1. 作业前的准备1.1 作业人员必须经过专业培训,掌握闪光焊的操作技能和安全知识,并持有相关操作资格证书。
1.2 作业前应仔细检查设备,确保设备运行正常,电源、气源充足,防护设施齐全。
1.3 作业现场应保持整洁,不得堆放杂物,确保通道畅通。
2. 作业过程中的安全操作2.1 作业人员应穿戴符合要求的个人防护用品,如防护眼镜、绝缘手套、绝缘鞋等。
2.2 操作闪光焊机时,应保持安全距离,避免触电、烧伤等事故发生。
2.3 作业过程中,应严格遵守操作规程,不得擅自更改焊接参数。
2.4 作业过程中,如发现设备故障或异常情况,应立即停止作业,报告上级并采取相应措施。
2.5 作业结束后,应关闭设备电源,清理现场,确保安全。
3. 应急处理3.1 如发生触电事故,应立即切断电源,进行现场急救,并拨打急救电话。
3.2 如发生烧伤事故,应立即用冷水冲洗伤口,覆盖干净布料,并拨打急救电话。
3.3 如发生火灾事故,应立即使用灭火器进行灭火,并拨打火警电话。
4. 其他注意事项4.1 作业人员应熟悉作业现场的环境,了解周围的安全隐患,并采取措施加以防范。
4.2 作业人员应遵守施工现场的各项规章制度,不得违章操作。
4.3 作业人员应相互监督,发现安全隐患及时报告并采取措施。
四、交底人及日期交底人:___________交底日期:____年__月__日五、接受人及确认接受人:___________确认人:___________确认日期:____年__月__日六、附则本安全技术交底自发布之日起实施,如遇特殊情况,由相关部门进行修订。
一、交底目的为确保闪光焊施工过程中的安全,预防事故发生,特进行安全技术交底,使所有参与施工人员充分了解闪光焊施工的安全注意事项及操作规程。
二、交底内容1. 施工前的准备工作(1)施工人员需经过专业培训,掌握闪光焊的基本原理、操作技能和安全知识。
(2)施工前应检查焊接设备,确保其完好、安全。
(3)施工现场应设置安全警示标志,明确警示区域。
2. 安全操作规程(1)操作人员应穿戴好个人防护用品,如绝缘手套、防护眼镜、耳塞等。
(2)焊接作业前,应检查焊接设备是否正常,确保电源开关处于关闭状态。
(3)焊接过程中,操作人员应保持安全距离,防止弧光和火花对周围人员造成伤害。
(4)焊接作业应在通风良好的环境中进行,避免有害气体积聚。
(5)焊接完毕后,应立即关闭电源,清理焊接现场,确保无安全隐患。
3. 焊接设备安全(1)焊接设备应定期检查、维护,确保其性能稳定、安全可靠。
(2)设备出现故障时,应立即停止使用,并通知专业人员进行维修。
(3)焊接设备应放置在干燥、通风、无腐蚀性气体的环境中。
4. 焊接材料安全(1)焊接材料应存放在干燥、通风、防潮的环境中,避免受潮、变质。
(2)使用焊接材料时,应注意其有效期,避免使用过期材料。
(3)焊接材料使用后,应妥善处理,不得随意丢弃。
5. 环境保护(1)焊接作业过程中,应采取有效措施,减少有害气体排放。
(2)焊接现场应设置环保设施,如活性炭吸附装置、通风设备等。
(3)焊接作业结束后,应进行环境监测,确保符合环保要求。
三、应急处置1. 火灾事故(1)立即切断电源,使用灭火器、沙子等灭火器材进行灭火。
(2)火势较大时,应立即撤离现场,并拨打火警电话报警。
2. 爆炸事故(1)立即切断电源,使用沙子、泥土等材料覆盖爆炸源。
(2)立即撤离现场,并拨打报警电话报警。
四、总结为确保闪光焊施工过程中的安全,所有参与施工人员必须严格遵守本安全技术交底内容,加强安全意识,提高安全操作技能,共同营造一个安全、稳定的施工环境。
闪光对焊技术交底
一、注意事项
1、对焊前应清除钢筋端头约150mm范围的铁锈,污泥等,以免在夹具和钢筋间因接触不良而引起打火。
另外,如钢筋断头有弯曲,应予调直或切除。
2、当调换焊工或更换焊接钢筋的规格和品种时,应先制作标准试样经主管技术人员认可后,方可按此标准安排生产。
3、焊接参数:应根据钢种特性,气温高低,实际电压,焊机性能等具体情况由操作人员自行修正。
4、夹紧钢筋时,应使两钢筋的凸出部分相接触,以利于均匀加热和保证焊缝于钢筋轴线相垂直。
5、焊接完毕后,应待接头处由白红色变为黑红色才能松开夹具,平稳的取出钢筋,以免引起钢筋弯曲。
6、不同直径的钢筋对焊,截面比不宜大于1.5,此时除应按大直径钢筋选择焊接参数外,并应减小大直径钢筋的调伸长度,或利用短料首先将大直径钢筋预热,以免两者在焊接过程中加垫均匀保证焊接质量。
7、焊接场地应有防风防雨措施,以免接头区骤然冷却发生脆裂。
三、质量要求
1、对焊的两根钢筋顺肋,轴线偏移不得大于0.1倍的钢筋直径
且不得大于2mm,接头处弯曲不得大于4°。
2、焊接处必须饱满,不得有夹杂现象。
3、接头处不得有横向裂纹。
4、与电极接触处的钢筋表面不得有明显的烧伤。
闪光对焊技术交底一、材料要求钢筋用Ⅱ~Ⅲ级各种规格钢筋,具有出厂合格证,进场后经物理性能检验均符合有关标准和规范的要求。
二、主要机具设备UN1-100型号的对焊机。
三、作业条件1、对焊机检修完好,对焊机容量、电压,符合要求并符合安全规定。
2、电源已具备,电流、电压符合对焊要求。
3、钢筋焊接部位经清理,表面平整、清洁,无油污、杂质等。
4、操作人员经培训、考核,可持证上岗。
四、施工操作工艺1、根据钢筋品种、直径和所用对焊机功率大小,可选用预热闪光、闪光焊-预热-闪光等对焊工艺。
对于可焊性差的钢筋,对焊后宜采用通电热处理措施,以改善接头塑性。
(1)预热闪光焊工艺过程包括:一次闪光预热;二次闪光、顶锻。
施焊时,先一次闪光,将钢筋端面闪平;然后预热,方法是使两钢筋端面交替地轻微接触和分开,使其间隙发生断续闪光来实现预热或使两钢筋端面一直紧密接触,用脉冲电流或交替紧密接触与分开,产生电阻热(不闪光)来现实预热。
二次闪光与顶锻过程同连续闪光。
本工艺适于对焊直径20mm以上的I~Ⅲ级钢筋。
2、为保证质量,应选用恰当的焊接参数,包括:闪光留量、闪光速度、顶锻留量、顶锻速度、顶锻压力、调伸长度及变压器级次等,如采用预热闪光焊还需增加预热留量。
常用Ⅰ、Ⅱ、Ⅲ级钢筋连续闪光对焊参数见表7-9。
可根据钢筋级别、直径、焊机特性、气温高低、实际电压以及焊接工艺等进行选择,在试焊后修正。
一般闪光速度开始时近于零,而后约1mm/s,终止时约1.5~2mm/s;顶锻速度开始的0.1s应将钢筋压缩2~3mm,而后断电并以6mm/s的速度继续顶锻至结束;顶锻压力应足以将全部的溶化金属从接头内挤出。
Ⅱ、Ⅲ级钢筋预热闪光对焊参数表7-9注:1、e为钢筋端部不平时,两钢筋端部凸出部分长度;2、Ⅰ级钢筋预热闪光焊参数也可参考Ⅱ、Ⅲ级钢筋预热闪光对焊参数,但调伸长度宜为0.75d.3、焊接前应检查焊机各部件和接地情况,调整变压器级次,开放冷却水,合上电闸,方可开始工作。
闪光对焊安全技术交底一、闪光对焊机结构概述闪光对焊机主要由机架、静夹具、动夹具、杠杆传动顶锻机构、阻焊变压器及电气控制元件等部件组成。
1、动、静夹具:主要由手动方牙螺杆加压,使被焊工件紧固于动、静夹具中,其压力大小由焊机备件专用扳手的扳紧程度确定。
2、传动机构:主要由操纵手柄、调节螺丝、滑动导轨组成,其作用是完成焊接时所需的预热、闪光、顶锻全过程。
3、电气控制:当按动操纵手柄上的按钮开关时,通过继电器使交流接触器吸合,从而接通阻焊变压器的初级电源。
焊接时,只须按动按钮,利用杠杆操纵夹具向前,在焊接焊件截面积超过650mm2(约φ28)的钢筋时,可利用预热闪光焊接工艺参数,在焊接焊件截面积为650mm2以下的钢筋时,可直接利用连续闪光焊接工艺参数实施焊接。
目前,我工区钢筋截直径都在φ28以下,应采取连续闪光焊接工艺。
4、阻焊变压器:焊接时,按钢筋牌号、截面积、焊机容量以及焊接工艺方法等具体情况,选择调节级数,以获得最佳二次电压。
变压器级数调整,要具体参见不同型号焊机的《使用说明书》,并聘请有丰富经验的焊工技师加强岗前培训,不能随意调整或更换钢筋种类而不调整。
5、电气原理:焊接过程由焊工通过操纵手柄按钮控制继电器;交流接触器的接通与切断,由继电器控制。
二、闪光对焊机的安装与布置1、焊机应安装在平整坚实的地基上,用水平尺校准其水平位置,并用地脚螺丝固定。
如用钢管夹住焊机的固定方法,在钢管与机身的接触处用木板将其隔开,否则会造成在使用时,次级短路跳闸。
2、钢筋托架应固定,如采用分体式托架,应将各分体焊连成整体。
在托架顶端与钢筋接触处安装钢管辊轴,并保证钢筋托架辊轴与电极钳口高度一致(如果充分考虑电极钳口的正常磨损工况,可将托架辊轴设置成比电极钳口低2-5mm,以预留电极钳口的磨损量)。
可在托架辊轴上焊接钢筋定位卡环,以保证钢筋整体顺直。
3、在焊机旁设置冷却过渡支架,支架顶端与电极钳口高度基本一致。
4、焊机要设三面封闭式对焊棚,对焊棚要具有防风、防雨功能。
一、交底目的为确保闪光对焊作业的安全,预防事故发生,提高作业人员的安全意识和操作技能,特制定本安全技术交底。
二、交底范围本交底适用于所有进行闪光对焊作业的施工人员。
三、交底内容1. 作业人员要求- 所有参与闪光对焊作业的人员必须经过专业培训,持有有效上岗证。
- 作业人员应熟悉闪光对焊设备的操作规程和安全注意事项。
2. 设备与材料- 闪光对焊设备应处于良好的工作状态,定期进行检查和维护。
- 钢筋等焊接材料应符合国家相关标准,确保焊接质量。
3. 作业环境- 作业现场应保持通风良好,防止有害气体积聚。
- 作业区域应设置明显的警示标志,防止无关人员进入。
4. 安全操作规程- 作业前,应检查设备是否完好,电源是否正常。
- 操作人员应穿戴绝缘手套、防护眼镜等个人防护用品。
- 作业过程中,应保持操作稳定,避免操作失误。
- 焊接过程中,应确保操作区域无易燃易爆物品。
5. 事故预防措施- 作业人员应熟悉闪光对焊作业中的常见事故类型及预防措施。
- 遇有紧急情况,应立即停止作业,采取相应措施,确保人员安全。
6. 应急处置- 发生火灾时,应立即切断电源,使用灭火器进行灭火。
- 发生触电事故时,应立即切断电源,进行急救。
- 发生其他事故时,应立即上报,并采取相应措施。
四、交底时间本交底自2023年X月X日起实施。
五、验收与反馈1. 作业人员应在交底后进行考核,确保掌握相关安全知识。
2. 作业过程中,安全员应定期检查,确保安全措施落实到位。
3. 作业人员对安全措施有疑问或建议,应及时反馈。
六、附则1. 本交底由安全管理部门负责制定和更新。
2. 作业人员应严格遵守本交底,确保安全生产。
---注意事项:- 本模板仅供参考,具体交底内容应根据实际作业情况进行调整。
- 作业人员应认真学习并严格遵守安全技术交底,确保自身及他人的安全。
闪光对焊技术交底8篇第1篇闪光对焊机:平安技术交底第2篇钢筋闪光对焊机平安技术交底第3篇闪光对焊平安技术交底第4篇闪光对焊机平安技术交底第5篇钢筋闪光对焊工艺标准技术交底第6篇闪光对焊:平安技术交底第7篇闪光对焊技术交底第8篇钢筋闪光对焊机:平安技术交底【第1篇】闪光对焊机平安技术交底(1) 焊接操作及协作人员必需按规定穿戴劳动防护用品。
并必需实行防止触电、火灾等事故的平安措施。
(2) 对焊机应安置在室内,并应有牢靠的接地或接零。
电焊导线长度不宜大于30m,当需要加长导线时,应相应增加导线的截面。
当多台对焊机并列安装时,相互间距不得小于3m,应分别接在不同相位的电网上,并应分别有各自的刀型开关。
(3) 焊接现场10m范围内,不得堆放油类、木材、氧气瓶、乙炔发生器等易燃、易爆物品。
(4) 作业前,应检查并确认对焊机的压力机构敏捷,夹具坚固,气压、液压系统无泄漏,一切正常后,方可施焊。
(5) 焊接前,应依据所焊钢筋截面,调整二次电压,不得焊接超过对焊机规定直径的钢筋。
(6) 断路器的接触点、电极应定期光磨,二次电路全部连接螺栓应定期紧固。
冷却水温度不超过40℃,排水量应依据气温调整。
(7) 焊接较长钢筋时,应设置托架,协作搬运钢筋的操作人员,在焊接时要留意防止火花烫伤。
(8) 闪光区应设阻燃的挡板,焊接时其他人员不得入内。
(9) 冬季施焊时,室内温度不应低于8c。
作业后,应放尽机内冷却水。
现场补充交底内容:【第2篇】钢筋闪光对焊工艺标准技术交底工程名称:钢筋闪光对焊工艺标准交底部位:工程编号:日期:交底内容:1、范围本工艺标准适用于工业与民用建筑热轧钢筋的连续闪光焊,预热闪光焊、闪光―预热闪光焊。
2、施工预备2.1材料及主要机具:2.1.1钢筋:钢筋的级别、直径必需符合设计要求,有出厂证明书及复试报告单。
进口钢筋还应有化学复试单,其化学成分应满意焊接要求,并应有可焊性试验。
2.1.2 主要机具:对焊机具及配套的对焊平台、防护深色眼镜、电焊手套、绝缘鞋、钢筋切断机、空压机、除锈机或钢丝刷、冷拉调直作常用对焊机主要技术数据见表4―20。
钢筋闪光对焊技术交底许昌电信综合生产楼钢筋闪光对焊技术交底一、施工准备1.设计使用闪光对焊的钢筋为安阳钢铁公司生产热轧161820222528共六种,符合GB1499规定。
2.采用四台UN2—150型号对焊机。
3.从事钢筋焊接施工的焊工必须身体健康并经专业培训后考试合格,在取得有关部门颁发的操作证,才能上岗操作。
4.所用钢筋必须有出厂合格材质证明,并经复试合格后才能使用。
二、施工工艺1.采用预热闪光焊工艺即在连续闪光对焊前增加一次预热过程,以扩大焊接热影响区,其工艺过程包括:预热闪光和顶锻过程,施焊时先闭合电源,然后使两钢筋端面交替接触和分开,这时钢筋端面的间隙中即发出断续的闪光,而形成预热过程,当钢筋达到预热温度后进入闪光阶段,徐徐移动钢筋使两端面仍保持轻微接触;形成连续闪光。
当闪光到预定的长度,使钢筋端头加热到将近熔点时,就以一定的压力迅速进行顶锻,先带电顶锻,再无电顶锻到一定长度,焊接接头即告完成。
2.在工程开工或每批钢筋正式焊接之前,应进行现场条件下的焊接性能试验,合格后方可正式生产,试件数量与要求应与质量检查与验收时间相同。
3.钢筋焊接施工前,应清除钢筋表面上的锈斑、油污、杂物等,钢筋端部当有弯折扭曲时,应予以矫直或切除。
4.进行闪光对焊时应随时观察电源电压的波动情况,当电压下降大于5%小于8%时,应采取提高焊接变压器级数的措施,当大于或等于8%,不得进行焊接。
三、对焊参数必须合理选择焊接参数:调伸长度量,闪光留量,闪光速度,预热留量与预热频率,顶锻留量,顶锻速度顶锻压力及变压器级次,获得良好的对焊接头,各项留量图如下:钢筋闪光——预热——闪光焊留量图解L1、L2调伸长度a1.1+a2.1一次闪光留量a1.2+a2.2二次闪光留量b1+b2预热留量C1+C2顶锻留量Cˊ1+Cˊ2有电顶锻留量1.调伸长度:随着钢筋级别提高和钢筋直径的加大而增长,Ⅱ级钢筋取40~60mm。
2.闪光留量与闪光速度:闪光留量的选择应使用闪光过程结束时,钢筋端部的热量均匀并达到足够的温度,取值为10~15mm ,闪光速度由慢到快开始时近于零,而后约1mm /s,终止时达1.5~2mm/s。
一、交底项目:闪光对焊机操作及安全注意事项二、交底日期:____年____月____日三、施工单位:____公司四、分项工程名称:____工程五、交底提要:为确保闪光对焊机操作人员的人身安全和设备安全,提高焊接质量,现将闪光对焊机的操作规程及安全注意事项进行交底。
六、交底内容:1. 操作人员要求(1)操作人员必须持有有效的焊接操作证,熟悉闪光对焊机的操作规程和安全注意事项。
(2)操作人员应具备一定的焊接理论基础和实际操作经验。
2. 设备要求(1)闪光对焊机应处于良好状态,符合相关国家标准。
(2)设备各部件应完整,无损坏。
(3)设备应定期进行保养和检查,确保设备正常运行。
3. 操作规程(1)操作前,检查设备各部件是否完好,电源、水源、气源是否正常。
(2)操作人员应穿戴好个人防护用品,如绝缘手套、防护眼镜、工作服等。
(3)操作时,根据焊接材料、直径和焊接要求,调整焊接参数。
(4)焊接过程中,密切观察设备运行情况,发现异常立即停止操作,检查原因。
(5)焊接完成后,关闭电源、水源、气源,清理现场。
4. 安全注意事项(1)操作人员不得擅自拆卸、改装设备。
(2)焊接过程中,注意避免烫伤、触电、火灾等事故。
(3)操作人员不得在设备运行时触摸设备部件。
(4)焊接区域应设置警示标志,禁止无关人员进入。
(5)操作人员应熟悉紧急事故处理措施,如触电、火灾等。
七、检查执行情况:1. 操作人员是否熟悉闪光对焊机的操作规程和安全注意事项。
2. 设备是否处于良好状态,是否符合相关国家标准。
3. 操作人员是否穿戴好个人防护用品。
4. 焊接过程中是否严格遵守操作规程和安全注意事项。
八、整改措施:1. 对操作人员不熟悉操作规程和安全注意事项的,进行再次培训。
2. 对设备存在安全隐患的,及时进行维修或更换。
3. 对操作人员违反操作规程和安全注意事项的行为,进行严肃处理。
4. 定期对操作人员进行安全教育和培训,提高安全意识。
本安全技术交底模板仅供参考,具体操作过程中,应根据实际情况进行调整。
闪光对焊机安全技术交底1. 介绍闪光对焊技术是一种常用的金属连接技术,用于将两个金属工件快速、可靠地连接在一起。
闪光对焊机是使用这种技术的专用设备。
然而,由于闪光对焊机操作需要高温和高能量,存在一定的安全风险。
本文将详细介绍闪光对焊机的安全技术交底,以确保操作人员的安全和设备的正常运行。
2. 闪光对焊机的工作原理闪光对焊机通过在金属工件之间施加高压和高电流,使接触面产生闪光和高温,快速将两个金属工件连接在一起。
常见的闪光对焊机包括控制系统、电源系统、压力系统和触发系统。
3. 安全操作指南为确保闪光对焊机操作的安全性,以下是一些必要的安全操作指南:a. 工作场所准备•确保工作场所干燥、整洁,并配备灭火器和急救设备。
•将机器放置在坚固的平台上,确保其稳定性。
•禁止使用闪光对焊机在易燃、易爆、有挥发性物质的地方操作。
b. 个人防护装备•操作人员应穿戴适合的个人防护装备,包括防护眼镜、防护手套、耳塞和防护服。
•避免穿着宽松的衣物和长发,以防被固定在机器上。
c. 设备操作•在操作闪光对焊机之前,确保事先接受过相关的培训和指导。
•确保闪光对焊机处于工作状态前检查其电源、压力和触发系统是否正常运行。
•严禁改变设备的工作参数和安全设定。
•在操作过程中保持警惕,一旦发生异常情况,立即停止操作并报告。
d. 环境保护•处理焊接产生的废料和废弃物时,要采取正确的方式,以确保环境保护和安全。
4. 缺陷和风险防范闪光对焊机在操作过程中存在一些潜在的缺陷和风险,以下是一些常见的防范措施:a. 过热保护闪光对焊机应具备过热保护功能,可通过传感器监测温度,并在温度超过安全范围时自动停机,以防止设备损坏和事故发生。
b. 压力控制闪光对焊机应设定合适的压力范围,并配备压力传感器,用于监测压力情况。
在压力超过设定值时,闪光对焊机应自动停机,以防止工件变形或爆裂。
c. 紧急停机装置闪光对焊机上应配备紧急停机装置,以便在发生危险情况时,操作人员能够立即停止机器的运行。