JST端子铆压标准
- 格式:pdf
- 大小:652.02 KB
- 文档页数:1
1. 目的:使生产制作人员和检验人员有统一的标准可依。
2. 范围:规定前制程生产中端子压接作业方法、检验标准及判定标准。
3.规范性引用文件:参考:IPC-A-620 线缆及线束组件的一般要求参考:UL486A 电线与端子压接拉力测试标准4. 术语与定义:4.1 端子拉脱力:端子和导体压接后,将导体从端子中拉脱时的所需最小分离力。
4.2 压接高度:端子和导体压接后,在导体压接区所形成的闭合压接截面的最大高度。
5. 制作与检验要求5.2 裁线检验标准理想状态导体没有划伤,缺口,被切断或者其他损伤匀收状态导体划伤,缺口和被切断的程度不能超出表1范围拒收状态划伤,缺口或被切断的导体程度超出表1范围导体数量(根)对于导线有划伤,缺口和切断的最大范围对于铆压端子可以接受导线有划伤,缺口和切断的最大范围对于焊接端子可以接受导线有刻痕、切断的最大范围小于7 0 0 0 7-15 1 0 1 16-25 3 0 2 26-40 4 3 3 41-60 5 4 4 61-120 6 5 5 大于121 6% 5% 5%状态图示描述理想状态绝缘层被切的整齐且沒有被收缩,变长,碎屑,变色,腐蚀或烧伤。
匀收状态绝缘层经过剥皮后有轻微的均衡的印痕。
绝缘层的厚度減少不超过20%。
绝缘层的不平整度要小于绝缘层外径的50%或者小于1mm。
绝缘层在剥皮过程中产生变色。
拒收状态绝缘层被切开或损伤绝缘层的厚度減少超过20%绝缘层的不平整度大于绝缘层外径的50%或者或1mm绝缘层烧焦绝缘层熔到导体里5.3 线材处理—沾锡先沾锡以确保被锡焊的芯线形成一个统一的、可焊性的表面。
多股芯线沾锡有一个附加的好处:能将单股的芯线沾在一起,以使整个的芯线能够焊在端子上或附件的焊点上,而不是单股的芯线外露。
控制要求:芯线需要焊锡的部分,装配、焊接前要沾锡。
锡液应沾到整个沾锡部分,并渗透到内部的芯线。
沾锡过程中,锡液上浸至绝缘层部分,只要线材保持原有的柔韧性,少量的锡液上浸是允许的。
版 次1.目的:为确保公司在生产制程中,端子铆压能符合品质要求而制作此规范.2.范围:此规范适用于公司所有端子铆压判定检验3.权责:a)插头部:依此规范进行生产及自检.b)工程部:依此规范进行调试设备。
c)品质部:负责依此规范进行检验及确认.版 次一.插头端子铆压1.铜管式铆压1.1. 铆接荷重检查由于铜管式铆压不能以准确的测量铆压高度来保证荷重要求,所以在调试机器完成后,首件一定要按要求吊重测试,且做破坏性试验;制程中应按巡检频率进行抽样做吊重检查。
良品状态良品图示铜管式端子版 次 1.1.2 压著力度良好,破坏性试验后的状态如下1.2 不良图示1.2.1压著力度过轻,需要调整压著力1.2.2压著力度过重,需要调整压著力度OK NG NG版 次 1.2.3铜丝外露过长,需要调整操作方法1.2.4铆接口看不见铜丝,需要调整操作方法1.2.5铆接时有单根铜丝飞出,需要调整操作方法NG NG NG版 次2.包脚式铆压2.1铆接荷重检查包脚式端子的铆压有铆接高度要求的端子,须将其高度调整在要求范围内,且压著力度也要检测;首件一定要按要求吊重测试,且做破坏性试验,同时记录铆压高度;制程中应按巡检频率进行抽样检查,量测高度的变化,以保证压著力度。
2.1.1 铆压高度量测方法包脚式端子良品图示良品状态OK版 次2.1.2压著力度良好,破坏性试验后的状态如下2.2不良图示2.2.1压著力度过轻,需要调整压著力度测量铆压高度使用带尖顶的螺旋千分尺量测方法OKNG版 次2.2.2压著力度过重,需要调整压著力度2.2.3铆接口后端看不见铜丝,需要调整操作方法2.2.4铆接口前端露出铜丝过短,需要调整操作方法NGNGNG版 次 2.2.5铆接口后端铜丝过长,需要调整操作方法2.2.6铆接口前端铜丝过长,需要调整操作方法2.2.7铆接时有单根铜丝飞出,需要调整操作方法NG NG NG版 次二.尾部端子铆压1.1尾端子铆压良品标示在实际生产中导体和绝缘皮各占1/2的标准状态比较难控制,所以在”L”区域目视可见导体和绝缘,且喇叭口状态良好即为可接受良品,如下图良品状态OK尾部端子版 次2.1 铆压绝缘部分的压著分析尾端子的导体铆接品质要求与上面包脚式端子的要求相同2.1.2绝缘皮铆压良品状态图示2.1.3可接受品图示(1)绝缘皮表面有轻微的变形,只要端子包脚没有切入、割破、穿入或刺入导线绝缘皮表面。
端子铆压高度和拉力参照表項次端子規格刀片規格代號可使用次數線徑AWG(kg)(mm)絕緣體鉚合高度(mm)備注1 1.0端子G80K次34AWG>0.40.41±0.050.68±0.0832AWG(0.237mm)>0.40.46±0.050.80±0.130AWG(0.255mm)≧1.10.55±0.050.80±0.08發泡pe 30AWG(0.255mm)≧1.00.48±0.050.75±0.0828AWG(0.321mm)>1.10.51±0.08 1.0±0.0828AWG(0.321mm)>1.10.55±0.050.86±0.08發泡pe7根编织打扭≧1.10.58±0.050.85±0.08地線地線+1股编织(5根導體)+熱縮管≧1.30.58±0.050.95±0.081股地線+套管>1.10.50±0.08 1.0±0.12 1.25端子H90K次32AWG(0.237mm)>0.50.53±0.050.99±0.130AWG(0.255mm)≧1.10.55±0.060.95±0.0830AWG(0.255mm)≧1.50.57±0.060.98±0.08雙芯并鉚30AWG(0.255mm)≧1.10.58±0.08 1.1±0.1JST端子28AWG(0.321mm)≧1.80.54±0.06 1.1±0.0828AWG(0.321mm)>1.10.56±0.05 1.04±0.124AWG(OD1.4mm)≧2.00.70.±0.08 1.26±0.130AWG+28AWG(OD0.4+0.6)>1.80.62.±0.08 1.23±0.1雙芯并鉚編織2股(20±2根)+套管≧2.00.60±0.08 1.28±0.13 1.27諯子E90K次18AWG(1.024mm)≧3.5 1.30±0.1應用于GF1009類型產品4 1.5端子I100K次地线(14根)+套管>3.00.71±0.08 1.1±0.128AWG+28AWG(OD0.9+0.6)>3.50.65.±0.08 1.23±0.1雙芯并鉚28AWG(0.321mm)>1.10.65±0.08 1.2±0.1線材OD0.9 28AWG(0.321mm)>1.10.65±0.08 1.02±0.1線材OD0.7(富強) 28AWG(0.321mm)>1.10.64±0.08 1.02±0.1線材OD=0.6mm 26AWG(0.405)电子线≧2.50.66±0.08 1.15±0.124AWG(0.511mm)>3.50.63±0.08 1.42±0.17根地線+1股編織(5根導体)≧2.00.63±0.08 1.15±0.085 2.0端子A110K次32AWG(0.237mm)>0.70.71±0.08 1.20±0.132AWG(0.237mm)×2>1.50.72±0.08 1.30±0.1雙芯并鉚30AWG(0.255mm)≧1.20.60±0.05 1.1±0.0830AWG(0.255mm)>0.70.58±0.08 1.10±0.128AWG(0.321mm)≧2.50.72.±0.08 1.58±0.08OD=0.6+0.9mm 28AWG(0.321MM)+1股編織(5根導体)+地線(7根導体)≧5.00.74.±0.081.60±0.08(導+0.13T熱縮管+端子T)适用于GWH1057-1類型產品28AWG(0.321mm)>1.30.65±0.08 1.27±0.1線材OD1.2mm28AWG(0.321mm)>1.70.65±0.08 1.22±0.1苾線并地線28AWG(0.321mm)>1.30.65±0.08 1.08±0.0828AWG(0.321mm)>1.30.65±0.08 1.68±0.08線材OD1.2(燦達低腳端子) 26AWG(0.405mm)>2.50.60±0.1 1.70±0.124AWG(OD1.4mm)≧3.50.70.±0.08 1.65±0.124AWG(OD1.4mm)≧3.50.80.±0.08 1.50±0.1燦達端子24AWG(0.511mm)>2.90.70±0.08 1.25±0.1線材OD1.0 22AWG(0.644mm)>4.90.95±0.08 1.80±0.1JST端子22AWG(0.644mm)>4.90.95±0.08 1.63±0.122AWG(0.644mm)>4.90.75±0.08 1.80±0.1加煒端子7根编织打扭≧1.20.62±0.05 1.1±0.08地線編織(15±3根)1+套管>2.00.65±0.08 1.22±0.16 2.5端子B150K 28AWG(0.321mm)>1.10.71±0.08 1.38±0.128AWG(0.321mm)>1.10.71±0.08 1.6±0.1OD0.6mm 26AW(0.405mm)>1.80.75±0.08 1.73±0.122AWG(0.644mm)>4.90.88±0.08 1.82±0.1项次端子规格刀片规格代号可使用次数线径AWGkg(mm)绝缘体铆合高度(mm)备注62.5端子B150K26AW(0.405mm)×2>4.50.94±0.08 1.95±0.1雙芯并鉚24AWG(0.511mm)≧5.00.88.±0.08 1.84±0.1雙芯并鉚24AWG(0.511mm)>3.50.80±0.08 1.80±0.122AWG(0.644mm)×2>7.0 1.30±0.8 1.88±0.1雙芯并鉚22AWG(0.644mm)×2≧3.0 1.0±0.08 1.80±0.1雙芯并鉚(加成) 20AWG(0.812mm)≧5.00.98.±0.08 1.75±0.118AWG(1.024mm)>5.0 1.05±0.08 1.95±0.115±2根编织铜丝≧1.80.76±0.08 1.2±0.172.54端子c170K次32AWG(0.237mm)>0.60.65±0.08 1.34±0.1同軸線30A WG(0.255mm)>0.70.70±0.08 1.35±0.1同軸線30AWG(銅軸線)並打>1.20.82±0.05 2.27±0.08德開端子30AWG(銅軸線)單打>1.00.80±0.05 1.65±0.0830AWG(0.255mm)>0.70.68±0.08 1.05±0.128AWG(3芯并鉚)≧5.00.82±0.081.62±0.1應用于GWH0924-1類型產品28AWG(0.321mm)≧1.10.66±0.081.05±0.1線材OD0.8mm28AWG(0.321mm)≧1.10.72±0.081.32±0.1燦達端子(od1.2mm)28AWG(0.321mm)×2>3.50.73±0.08 1.56±0.1芯線去外被穿HST.并鉚28AWG電子線.>1.20.80±0.05 1.40±0.0828AWG(0.321mm)>3.50.73±0.08 1.65±0.1雙並芯線28AWG(0.321mm)>1.10.66±0.08 1.25±0.128AWG(0.321MM)+1股編織(5根導体)+地線(7根導体)≧5.00.78.±0.081.48±0.1(導+0.13T熱縮管+端子T)适用于GWH1057-1類型產品28AWG(0.321MM)+地線(7根導体)≧3.00.76.±0.08 1.15±0.128AWG(0.321mm)≧2.00.73±0.081.45±0.08線材OD1.55mm 26AWG(0.405)×2≧4.50.95±0.08 1.82±0.1雙芯并鉚26AWG(0.405)×2≧4.50.95±0.08 1.65±0.1MOLEX2.54諯子并打26AWG(0.405)≧3.50.90±0.08 1.52±0.1燦達端子26AW(0.405mm)×3>6.0 1.02±0.08 1.84±0.1三芯并鉚26AWG(0.405mm)>1.80.75±0.08 1.58±0.1線材OD1.324AWG(0.511)+7根铜絲(0.376mm)≧3.50.85±0.08 1.65±0.08 24AWG(OD1.4mm)≧5.70.74±0.08 2.0±0.0824AWG(0.511mm)>2.90.78±0.1 1.40±0.122AWG(0.644mm)>4.90.88±0.1 1.62±0.120AWG(0.812mm)﹥5 1.02.±0.08 1.85±0.1地線3股>30.90±0.05 1.70±0.08地線2股並打>30.85±0.08 1.80±0.14股編織(每股10根)+熱縮管﹥3.50.85.±0.08 1.38±0.1兩股編織+地線+熱縮管≧2.00.84±0.081.35±0.1燦達端子8 3.0端子DP1200K次22AWG(0.644mm)>7.0 1.86±0.1 3.07±0.13根線並打22AWG(0.644mm)>8.0 1.88±0.1 3.08±0.14根線並打20AWG(0.812mm)>7.0 1.1±0.08 1.85±0.193.0“o"型端子J200K次24AWG(0.511mm)>2.20.75±0.13根芯線並打,不需打絕緣體24AWG(0.511mm)>2.00.7±0.12根芯線並打,不需打絕緣體24AWG(0.511mm)>1.80.65±0.1單根打端,不需打絕緣體项次端子规格刀片规格代号可使用次数线径AWG標準拉(kg)导体铆合高度(mm)绝缘体铆合高度(mm)备注10 3.2端子Y200K次20AWG(0.812mm)>7.7 2.40±0.14根芯線並打,不需打絕緣體18AWG(1.024mm)>10 1.80±0.13根芯線並打,不需打絕緣體11 3.5端子L170K 24AWG(0.511)+7根铜絲(0.376mm)>3.00.82±0.05 1.72±0.08燦達端子24AWG(0.511)+7根铜絲(0.376mm)>3.00.82±0.05 1.72±0.08燦達端子24AWG(0.511)+7根铜絲(0.376mm)>3.00.82±0.05 1.72±0.08燦達端子12 3.96端子D200K次20AWG(0.812mm)﹥5 1.20.±0.08 2.4±0.1燦達端子13 5.08端子E200K次22AWG+26AWG>7.0 1.42±0.1 2.50±0.122AWG+26AWG+26AWG>7.5 1.52±0.1 3.05±0.122AWG>6.0 1.13±0.1 2.05±0.122AWG(OD2.1mm)>10 1.75±0.08 3.15±0.118AWG(OD2.1mm)>10 1.4±0.08 2.4±0.118AWG(1.024mm)備注欄 1.25±0.1 2.20±0.1>7.5<10kg 22AWG(0.644mm)>6.0 1.13±0.1 2.05±0.114SATA15PIN端子F200K次20AWG(OD1.8mm)≧3.6 1.35±0.0.08 1.27端子18AWG(OD1.8mm)≧10 1.40±0.08 2.4±0.1SATA7+6PIN端子F200K次26AWG(0.405)电子线≧2.50.64±0.06按鍍錫后再鉚壓量測SATA7+15PIN端子F200K次18AWG(1.024mm)電子線﹥6.0 1.40±0.0815S-ATA端子F200K次30AWG(0.255mm)>1.00.62±0.03宏技新CONNECTOR30AWG(0.255mm)>1.00.69±0.03上端CONNECTOR30AWG(0.255mm)>1.20.80±0.03(双苾并打)28AWG(0.321mm)>1.80.74±0.0528AWG(0.321mm)>1.80.85±0.06(双苾并打)26AWG(0.405mm)>2.00.78±0.0522AWG電子線>3.6 1.16±0.130AWG(0.255mm)≧1.00.56﹢0﹣0.04第1.7PIN單芯(創意新)新刀模30AWG(0.255mm)>1.20.70﹢0﹣0.05第4芯線雙芯並打鉚高(創意新)新刀模30AWG(0.255mm)≧1.00.60﹢0﹣0.05第 2.3.5.6PIN單芯(創意新)新刀模28AWG(0.321mm)>1.80.60±0.04第四芯線並打鉚高0.75±0.08 26AWG(0.405mm)>2.00.70±0.0816HDMI端子HDMI500K次30AWG(0.255mm)>0.70.60±0.06鉚高為芯線鍍錫后高度备注:刀模编号为:刀模编号+端子供应商编号加成:刀模编号+JA加纬:刀模编号+JW灿达:刀模编号+CD维林:刀模编号+WL升呜:刀模编号+SM富强:刀模编号+FQ朝贵:刀模编号+CG 如:加成2.0端子:AJA核準:審核制表:。
端子铆压及检验规范1. 目的明确各类端子铆压检验规范2. 适用范围适用于各类铆压端子3. 职责3.1 技术人员负责修订端子铆压检验规范,主任工程师负责审核,部门长负责批准,品质及供应部门会签,程控器技术部负责发放本技术规范;3.3 品质管理部负责依据本规范制定端子铆压检验卡,用以端子质量检测。
4. 概述4.1 端子铆压的原理端子压接连接使导线和接触的材料产生对称变形,压缩各自面积。
这种连接能得到较好的机械强度和电连续性。
较锡焊来说,能承受更恶劣的环境条件,特别是在大电流的场合,必须使用压接处理。
4.2端子铆压的组成部分端子铆压完成由电线、端子组成4.2.1电线,电线分多股软件和单股线,现在我司使用的电线均为多股软线,即导线内含有多股铜丝,多股铜丝截面积的和为导线截面积。
4.2.2端子的一般构成线芯包筒:包住并压紧导线铜丝的部位,提供电气连续性。
绝缘皮包筒:包住并压紧导线绝缘皮,提供保持力,保护铜丝压接部位。
连接端与对接端连接实现电七连续。
4.2.3端子铆压的电气与机械特性端子与导线铆压,减少导线与端子的面积来取得电气性能和机械强度。
电气性能希望高越好,机械强度太小,线芯与端子间易脱落;机械强度太大,则超出芯线所能承受的强度,造成芯线的损坏,所以在合理的机械强度范围内达到最高的电气性能,为最佳的端子铆压状态。
导线与端子的被压缩面积与电气性能和机械强度的关系见下图;由上图可见,在初期阶段,随着压接面积缩小的越多,机械强度和电气性能均快速增长,但超过一定的界限,压缩面积继续增加,机械强度会骤然下跌。
即:端子铆压的收缩面积也要控制在一个合理的范围内。
5、端子铆压的检验及判定标准影响端子铆压品质的因素有很多,我们可以通过以下一些主要的参考指标来检验端子铆压是否合格。
5.1外观检查5.1.1端子无变形、扭曲合格不合格(扭矩)都不能影响端子的装配和自锁功能,芯线不能进入端子配合区。
○2绝缘末端:绝缘皮在绝缘观察窗口必须可见,但禁止绝缘皮进入芯线压接区合格不合格(漏丝)不合格(芯线伸出过长)不合格(芯线未伸出)不合格(断线)不合格(包胶)不合格(吊颈)5.2绝缘皮铆压部位检查铆压绝缘皮的好处可以提供芯线铆压点的保持力,保护芯线和铆压部位。
1.目的:为确保本公司于生产过程中,端子压着能符合品质需求而制订此规2.围:此规适用于各类端子压着检验.3.权责:3.1.制造部:依此规进行生产.32 品保部:负责依此规进行检验.4.定义:无.5.容:5.1.端子正确铆压标准:5.1.1.端子的外模压着绝缘外被铆压部分须在端子模与外模间距的1/2或2/3的位置即可.5.1.2.端子的模压着导体后外露部分须超过0.2-1mm。
5.1.3.正确铆压见:如附图一.nznn5.2.端子铆压检验:项次检验项目判定标准检验器具检验方法1端子模拉力依端子铆压规格一览表拉力计1.测试长度以150mmE右为标准2.脱去外被20m左右。
3.以拉力计拉引测试,直到导体与端子分离,记下此时拉力计上指针之刻度即为端子拉力。
4.若端子为有外皮包裹的,测量端子拉力时先去除外皮后再测量.5.拉力测试后应检验端子拉出后的状况,若导体七股芯线全部断在端子模为端子压着高度过低,则必须重新将端子模高 度调高;若导体七股芯线无一 股芯线留在模中,则必须重新 将端子模高度调低.(除铆压双 并线端子外)6. 双并线合铆压在一端子时,端 子模时不得有芯线导体外露 . 双并线之拉力在拉力规格围即 可,不要求符合5条.53端子铆压检验标准:检验项目判定标准 检验器具检验方法依端子端子模咼 度铆压规 格一览 表分离卡 端子外模绝缘被 覆损伤 露心线或滑出 为不允 收摇摆导体外被压着后需将导线做上下 90度弯曲三次,检查绝缘被覆是否 有损伤或滑出,若有表面损伤或滑 出,则压着高度须重新调整。
I宀检验项目判定标准不良图示说明检验方法绝缘外被压着过长不允收。
(即绝缘外被过于靠近导体压着部分或将绝缘外被直接压着于导体压着部份),此种现象将造成铜丝易断落。
rtnn外观检验项目外观绝缘外被压着过短不允收(即绝缘外被未完全被压着或没被端子外模包覆),此种现象将造成端子拉力不足,易脱落。
尾料切断部分,所剩下之料头超过1mm不允收判定标准端子模有导体外露(分叉).不允收ftm不良图示说明rtnn检验方法导体压着过长(导体过于靠近端子头部)不允收,此现象将造成端子不易与H.S.G实配。
1.0. 目的: 为确保本公司于生产过程中,端子压着能符合品质需求而制订此规范.0. 范围: 此规范适用于各类端子压着检验.2.权责:2.1.制造部:依此规范进行生产.2.2.质量部:负责依此规范进行检验.3.0.定义:无.4.0.内容:5. 5.1. 端子正确铆压标准:5.1.1.端子的外模压着绝缘外被铆压部分须在端子内模与外模间距的1/2或2/3的位置即可。
5.1.2.端子的内模压着导体后外露部分须超过0.2~1mm。
5.1.3.正确铆压如附图一: (Rightly crimp as bellow)0.2~1mm5.2.端子不良铆压标准:(Badly crimping as bellow)5.2.1.绝缘外被压着过长(即绝缘外被过于靠近导体压着部分或将绝缘外被直接压着于导体压着部份),此种现象将造成铜丝易断落,如附图二:5.2.2.绝缘外被压着过短(即绝缘外被未完全被压着或没被端子外模包覆),此种现象将造成端子拉力不足,易脱落,如附图三。
5.2.4.端子内模有导体外露(分叉),如附图五:5.2.5.导体压着过长(导体过于靠近端子头部),此现象将造成端子不易与H.S.G实配,如附图六:5.2.6.导体压着过短(即导体未完全被压着或没被端子内模包覆),此种现象将造成端子拉力不足,易脱落,如附图七:5.2.7.端子内模压着突嘴过大(超过内模的1/3),如附图八:5.3.端子内模导体压着高度测量方式,如附图九:5.5.端子内模导体拉力测试及检验方式,如附图十一:5.5.1.测试长度以150mm左右为标准5.5.2.脱去外被20mm左右。
5.5.3.以拉力计拉引测试,直到导体与端子分离,记下此时拉力计上指针之刻度即为端子拉力;5.5.4.若端子为有外皮包裹的,测量端子拉力时先去除外皮后再测量;5.5.5.拉力测试后应检验端子拉出后的状况,若导体芯线全部断在端子内模内为端子压着高度过低,则必须重新将端子内模高度调高;若导体芯线无一股芯线留在内模中,则必须重新将端子内模高度调低,(除铆压双并线端子外);5.5.6.双并线合铆压在一端子时,端子内模时不得有芯线导体外露.双并线之拉力在拉力规格范围内即可,不要求符合5.5.5条.5.6.端子铆压后拉力必须符合要求标准,详细见附件一: 端子铆压规格一览表5.7.端子外观检验标准:(Criterion of visual inspection)5.7.1.端子的功能端不可有开口、变形、扭曲等不良且应必须保证电气功能及实配OK。
1.目的:为确保本公司于生产过程中,端子压着能符合品质需求而制订此规.2.围:此规适用于各类端子压着检验.3.权责:3.1.制造部:依此规进行生产.3.2.品保部:负责依此规进行检验.4.定义:无.5.容:5.1.端子正确铆压标准:5.1.1.端子的外模压着绝缘外被铆压部分须在端子模与外模间距的1/2或2/3的位置即可.5.1.2.端子的模压着导体后外露部分须超过0.2-1mm。
5.1.3.正确铆压见: 如附图一.5.2.端子铆压检验:项次检验项目判定标准检验器具检验方法1 端子模拉力依端子铆压规格一览表拉力计1.测试长度以150mm左右为标准2.脱去外被20mm左右。
3.以拉力计拉引测试,直到导体与端子分离,记下此时拉力计上指针之刻度即为端子拉力。
4.若端子为有外皮包裹的,测量端子拉力时先去除外皮后再测量.5.拉力测试后应检验端子拉出后的状况,若导体七股芯线全部断在端子模为端子压着高度过低,则必须重新将端子模高度调高;若导体七股芯线无一股芯线留在模中,则必须重新将端子模高度调低.(除铆压双并线端子外)6.双并线合铆压在一端子时,端子模时不得有芯线导体外露.双并线之拉力在拉力规格围即可,不要求符合5条.项次检验项目判定标准检验器具检验方法2 端子模高度依端子铆压规格一览表分离卡3 端子外模绝缘被覆损伤露芯线或滑出为不允收摇摆导体外被压着后需将导线做上下90度弯曲三次,检查绝缘被覆是否有损伤或滑出,若有表面损伤或滑出,则压着高度须重新调整。
5.3.端子铆压检验标准:项次检验项目判定标准不良图示说明检验方法1外观绝缘外被压着过长不允收。
(即绝缘外被过于靠近导体压着部分或将绝缘外被直接压着于导体压着部份),此种现象将造成铜丝易断落。
目视2 绝缘外被压着过短不允收(即绝缘外被未完全被压着或没被端子外模包覆),此种现象将造成端子拉力不足,易脱落。
目视3 尾料切断部分,所剩下之料头超过1mm.不允收量测项次检验项目判定标准不良图示说明检验方法4 外观端子模有导体外露(分叉).不允收目视5 导体压着过长(导体过于靠近端子头部)不允收,此现象将造成端子不易与H.S.G实配。
拟稿祝杰文件编号版本日期最近更新日期页数10批准审核机密等级文件类型归档主题:端子铆压作业标准及判定概述本标准规定了线料及端子采用铆压方式连接后,对铆压成品进行检验的质量特性及要求。
适用范围本标准适用于作为生产及质检部门对公司内部制作或外协加工的线缆端子铆压产品进行检验时的判定依据。
三内容1.定义判断/描述绝缘层,铆压区及导体铆压区有不同的结构。
此外导体也可能会覆盖部分甚至全部的铆压区域。
图1-1与1-2为典型铆压成型图例。
当多条芯线连接单一端子时,每条芯线也需要符合单一芯线铆压标准。
单一芯线或多芯线组合的铆压必须达到要求:所有芯线区不可超过端子所环绕的区域。
右图中各序号释义:1.绝缘检视窗2•喇叭口3.导体刷检视窗4.卡钩5.绝缘铆压区6.导体铆压区7.端子区8.连体9.端子定位点定义图1-11检验线材是否有划伤或破损,端子绝缘层是否有破损(图1-1不允许)端子完2端子金属部分是否有弯折变形。
带卡钩的端子卡钩不允许好破坏。
(图1-2不允许)性图1-2检验项目标准参考图例图1 -1图1-2绝缘层进入并且超过绝缘铆压区。
如果有多条芯线进行铆压,所有芯线的绝缘层也要进入并且超过绝缘铆压区。
判断标准:良好:如右图2-1所示,线材绝缘层线切面介于绝缘检验窗中间约1/2处。
B 绝缘检验窗可接受:如图2-2中1所示,线材绝缘层完全覆盖绝缘检验窗但未进入导体铆压区。
如图2-2中2所示,线材绝缘层与检验窗边界切齐,但未进入绝缘检验窗。
不合格:如图2-3中1处箭头所示,线材绝缘层进入导体铆压区中。
如图2-3中2处箭头所示,线材绝缘层之剥线切面未露出绝缘铆压区(绝缘检视窗不可见其切面)图2-1 (良好)图2-2 (合格)图2-3 (不合格)线材绝缘层:允许压铆过程中绝缘层有轻微破损,但铆压环 片不可切断、刺破绝缘层。
(图3-1)铆压环片:绝缘铆压区被均匀压合,铆压环片至少提供 度的紧贴面以固定及支撑绝缘层,并且环片包覆绝缘层的缺 口不超过45度。
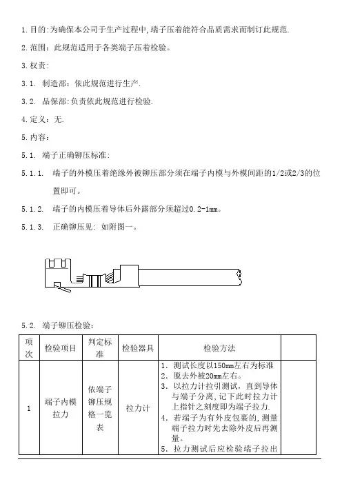
1.目的:为确保本公司于生产过程中,端子压着能符合品质需求而制订此规范.2.范围:此规范适用于各类端子压着检验。
3.权责:3.1.制造部:依此规范进行生产.3.2.品保部:负责依此规范进行检验.4.定义:无.5.内容:5.1.端子正确铆压标准:5.1.1.端子的外模压着绝缘外被铆压部分须在端子内模与外模间距的1/2或2/3的位置即可。
5.1.2.端子的内模压着导体后外露部分须超过0.2-1mm。
5.1.3.正确铆压见: 如附图一。
5.2.端子铆压检验:项次检验项目判定标准检验器具检验方法1 端子内模拉力依端子铆压规格一览表拉力计1.测试长度以150mm左右为标准2.脱去外被20mm左右。
3.以拉力计拉引测试,直到导体与端子分离,记下此时拉力计上指针之刻度即为端子拉力.4.若端子为有外皮包裹的,测量端子拉力时先去除外皮后再测量。
5.拉力测试后应检验端子拉出后的状况,若导体七股芯线全部断在端子内模内为端子压着高度过低,则必须重新将端子内模高度调高;若导体七股芯线无一股芯线留在内模中,则必须重新将端子内模高度调低.(除铆压双并线端子外)6.双并线合铆压在一端子时,端子内模时不得有芯线导体外露。
双并线之拉力在拉力规格范围内即可,不要求符合5条。
项次检验项目判定标准检验器具检验方法2 端子内模高度依端子铆压规格一览表分离卡3 端子外模绝缘被覆损伤露芯线或滑出为不允收摇摆导体外被压着后需将导线做上下90度弯曲三次,检查绝缘被覆是否有损伤或滑出,若有表面损伤或滑出,则压着高度须重新调整.5.3.端子铆压检验标准:项次检验项目判定标准不良图示说明检验方法1外观绝缘外被压着过长不允收。
(即绝缘外被过于靠近导体压着部分或将绝缘外被直接压着于导体压着部份),此种现象将造成铜丝易断落。
目视2 绝缘外被压着过短不允收(即绝缘外被未完全被压着或没被端子外模包覆),此种现象将造成端子拉力不足,易脱落。
目视3 尾料切断部分,所剩下之料头超过1mm.不允收量测项次检验项目判定标准不良图示说明检验方法4 外观端子内模有导体外露(分叉)。