9012、9013otl分立元件功放电路图
- 格式:doc
- 大小:12.31 KB
- 文档页数:1
音频功率放大器文集(2)——中功率音频放大器探究上一讲介绍的音频个功率放大器输出功率非常小,只有几百毫瓦,在实际运用中往往需要十几瓦,几十瓦甚至于上百瓦的功率,因此,这一讲我们来谈谈中功率音频功率放大器。
在OTL 和OCL 电路中,要求NPN 与PNP 两只互补管的特性一致,一般小功率异型管容易配对,但大功率的异型管配对就比较困难。
若要求较大功率输出时就必须采用复合管,即用两只或两只以上的晶体管适当地连接起来,等效成一只晶体管使用,如图1所示。
图1 两只晶体管组合复合管的4种结构复合管的组成原则是:第一,必须保证两只晶体管各极电流按正确方向流动;第二,复合管的管型取决于与第一个晶体管的管型。
这样,就可以用一对性能相同的异型管小功率管与一对性能相同的同型管组合,得到性能一致的大功率异型管。
复合管的电流放大系数为两只管子的电流放大系数之积,即β=21ββ。
如图2所示为输出级采用复合管的大功率OTL 功放电路,其中VT 2与VT 4组合等效为NPN 型,VT 3与VT 5组合等效为PNP 型。
电流“两进一出” 电流“一进两出”图2 中功率音频功放电路原理图图3 9012或9013封装及引脚 图4 TIP41或TIP42封装及引脚静态时,首先调节RP 1使Q 点电压约为电源电压的一半,即2/CC Q U U 。
然后,调节RP 2使A 、B 两点间的电压AB U ≈1.8V (用数字万用表2V 挡),抵消了VT 2~VT 4发射结压降之和,消除交越失真。
继续增大RP 2,AB U 增大,VT 4、VT 5电流随之增大,并出现发热现象。
一般来说,为了防止VT 4、VT 5工作时过热,除了要给它们加装散热器之外,静态电流也尽量设置小一些,最好不要超过50mA ——实际工程中是这样处理的:调节RP 2时,用数字万用表200mV 挡测量8R (或9R )的两端电压,根据电压的大小与8R (或9R )的比值,估算VT 4、VT 5的电流。
详解分立元器件OTL功率放大器电路图2-46所示是分立元器件构成的OTL功率放大器。
OTL功率放大器采用互补推挽输出级电路。
OTL功率放大器种类较多,这里以OTL音频功率放大器为例,详细介绍这种放大器的工作原理。
图2-46 分立元器件构成的OTL 功率放大器电路中,VT1构成推动级放大器;VT2和VT3构成互补推挽输出式放大器,VT2是NPN型三极管,VT3是PNP型三极管。
直流电路分析电路中,推动级与功放输出级之间采用直接耦合电路,所以两级放大器之间的直流电路相互影响。
这一放大器的直流电路比较复杂,分成以下几个部分分析。
1.电路启动分析接通直流工作电源瞬间,+V经R2和R3给VT2基极提供偏置电压,使VT2发射极有直流电压,这一电压经R4和R1分压后加到VT1基极,给VT1提供静态直流偏置电压,VT1导通。
VT1导通后,其集电极(C点)电压下降,也就是VT3基极电压下降,当放大器输出端A点电压大于C点电压时,VT3也处于导通状态,这样电路中的3只三极管均进入导通状态,电路完成启动过程。
2.静态电路分析接通直流电源瞬间,很快放大器进入稳定的静态,此时A点电压等于直流电源电压+V的一半,如果+V等于12V,放大器输出端(A点)的直流电压等于6V。
这是OTL功率放大器的一大特征,了解和记住这一点对检修OTL功率放大器很有用,如果测量A点电压不等于+V的一半,说明OTL功率放大器已经出现故障。
3.VT2和VT3直流电压供电电路分析对直流电流而言,VT2和VT3是串联的,所以只有+V的一半加到了每只三极管的集电极与发射极之间,而不是+V的全部。
功率放大器中,电路的直流工作电压大小直接关系到放大器的输出功率大小,+V愈大放大器的输出功率愈大。
所以,对于OTL功率放大器而言,由于每只三极管的有效工作电压只有+V的一半,要求有更大的直流工作电压+V才能有较大的输出功率,这是OTL功率放大器电路的一个不足之处。
FEATURESPower dissipationP CM : 0.625 WTamb=25Collector currentI CM : -0.5 A Collector-base voltageV (BR)CBO: -40 VELECTRICAL CHARACTERISTICSTamb=25unless otherwise specifiedParameterSymbol Test conditions MIN TYPMAXUNIT Collector-base breakdown voltage V(BR)CBO Ic= -100A I E =0-40 V Collector-emitter breakdown voltage V(BR)CEO Ic= -0. 1 mA I B =0-20 V Emitter-base breakdown voltage V(BR)EBO I E = -100A I C =0-5V Collector cut-off current I CBO V CB =-40 V I E =0-0.1A Collector cut-off current I CEO V CE =- 20 V I B =0-0.2A Emitter cut-off currentI EBO V EB = - 5 V I C =0-0.1AH FE1V CE = -1 V, I C = -50 mA 64300DC current gain(note)H FE2V CE = -1V, I C =-500 mA 40Collector-emitter saturation voltage V CE (sat)I C =-500 mA, I B =-50 mA -0.6 V Base-emitter saturation voltage V BE (sat)I C =-500mA,I B =-50 mA -1.2 V Base-emitter voltageV EBI E =-100mA-1.4VTransition frequencyf TV CE =- 6 V, I C = -20 mAf =30MHz150MHzCLASSIFICATION OF H FE(1)Rank D E F G H I Range64-9178-11296-135112-166144-202190-300TO92PNP SILICON TRANSISTOR9012FEATURES特 征Power dissipation 最大耗散功率P CM : 0.625 WTamb=25Collector current 最大集电极电流I CM : 0.5 ACollector-base voltage集电极--基极击穿电压V (BR)CBO : 45 VELECTRICAL CHARACTERISTICS Tamb=25unless otherwise specified电 特 性环境温度 除 非 另 有 规 定Parameter 参 数Symbol符 号Test conditions 测试条 件MIN 最小值TYP 典型值MAX 最大值UNIT 单位Collector-base breakdown voltage 集电极--基极击穿电压 V(BR)CBO Ic= 100A I E =045 V Collector-emitter breakdown voltage 集电极--发射极击穿电压 V(BR)CEO Ic= 0. 1 mA I B =025 V Emitter-base breakdown voltage 发射极--基极击穿电压 V(BR)EBO I E = 100A I C =05V Collector cut-off current 集电极--基极截止电流 I CBO V CB = 40 V I E =00.1A Collector cut-off current 集电极--发射极截止电流 I CEO V CE = 20 V I B =00.1A Emitter cut-off current 发射极--基极截止电流I EBO V EB = 5 V I C =00.1AH FE 1V CE = 1 V, I C = 50 mA 64300DC current gain(note)直流电流增益H FE2V CE = 1V, I C =500 mA 40Collector-emitter saturation voltage 集电极--发射极饱和压降 V CE (sat)I C = 500 mA, I B =50 mA 0.6 V Base-emitter saturation voltage 基极--发射极饱和压降V BE (sat)I C = 500mA, I B = 50 mA 1.2 V Base-emitter voltage 基极--发射极正向电压V BEI E =100mA1.4 VTransition frequency 特征频率f TV CE = 6 V, I C = 20 mAf =30MHz150MHzCLASSIFICATION OF H FE(1) 分类Rank 档次D E F G H I Range 范围64-9178-11296-135112-166144-220190-300FEATURESPower dissipationP CM : 0.4 WTamb=25 Collector currentI CM : 0.1 A Collector-base voltageV (BR)CBO: 50 VELECTRICAL CHARACTERISTICSTamb=25unless otherwise specifiedParameterSymbol Test conditions MIN TYPMAXUNIT Collector-base breakdown voltage V(BR)CBO Ic= 100A I E =050 V Collector-emitter breakdown voltage V(BR)CEO Ic= 0. 1 mA I B =045 V Emitter-base breakdown voltage V(BR)EBO I E = 100A I C =05V Collector cut-off current I CBO V CB =50 V , I E =00.1A Collector cut-off current I CEO V CE =35 V , I B =00.1A Emitter cut-off current I EBO V EB = 3 V I C =00.1ADC current gain(note)H FE1V CE = 5 V, I C = 1mA 601000Collector-emitter saturation voltage V CE (sat)I C = 100mA, I B = 5 mA 0.3 V Base-emitter saturation voltageV BE (sat)I C = 100 mA, I B = 5mA 1VTransition frequencyf TV CE = 5 V, I C = 10mAf =30MHz150MHzCLASSIFICATION OF H FE(1)Rank A B C D Range60-150100-300200-600400-1000TO929014NPN SILICON TRANSISTORFEATURESPower dissipationP CM : 0.45 WTamb=25 Collector currentI CM : -0.1 A Collector-base voltageV (BR)CBO : -50 VELECTRICAL CHARACTERISTICSTamb=25unless otherwise specifiedParameterSymbolTest conditionsMINTYPMAXUNITCollector-base breakdown voltage V(BR)CBO Ic= -100 A I E =0 -50 VCollector-emitter breakdown voltage V(BR)CEO Ic= - 1 mA I B =0 -45 V Emitter-base breakdown voltage V(BR)EBO I E = -100A I C =05V Collector cut-off current I CBO V CB =-50 V , I E =0 -0.05A Collector cut-off current I CEO V CE =-35 V , I B =0 -0.05A Emitter cut-off current I EBO V EB = -5 V I C =0 - 0. 05ADC current gain(note)H FE1V CE = -5V , I C = -1mA 60 1000Collector-emitter saturation voltage V CE (sat) I C = -100mA, I B = -10 mA -0.3 V Base-emitter saturation voltageV BE (sat) I C = -100 mA, I B = -10mA -1 VTransition frequencyf TV CE = -5V , I C = -10mAf =30MHz150MHzCLASSIFICATION OF H FE(1)Rank A B C D Range60-150100-300200-600400-1000TO929015PNP SILICON TRANSISTORFEATURESPower dissipation P CM : 0.31 W Tamb=25Collector currentI CM : 0.05 A Collector-base voltageV (BR)CBO : 25 VOperating and storage junction temperature range T J T stg: -55 to +150ELECTRICAL CHARACTERISTICS Tamb=25 unless otherwise specifiedParameterSymbol Test conditions MINTYPMAXUNITCollector-base breakdown voltageV(BR)CBOIc= 100A I E =025 V Collector-emitter breakdown voltage V(BR)CEO Ic= 0. 1 mA I B =0 18V Emitter-base breakdown voltage V(BR)EBO I E = 100A I C =04 VCollector cut-off current I CBO V CB = 20 V I E =00.1 A Collector cut-off current I CEO V CE = 15 V I B =0 0.1 A Emitter cut-off current I EBO V EB =3 V I C =0 0.1 A DC current gainH FE1V CE = 5 V, I C = 1mA28270Collector-emitter saturation voltage V CE (sat) I C =10 mA , I B =1mA0.5 V Base-emitter saturation voltageV BE (sat) I C =10mA , I B =1mA1.4 V Transition frequency f TV CE =5 V, I C =5 mAf =400MHz600 MHzCLASSIFICATION OF H FE(1)Rank D E F G H I J Range28-45 39-60 54-80 72-108 97-146 132-198 180-2701 2 3TO 921.EMITTER2.BASE3.COLLECTOR 9018NPN SILICON TRANSISTOR“电子爱好者”网站是一个面向广大电子爱好者、大专院校学生、中小型企业工程技术人员的电子技术应用、推广专业网站。
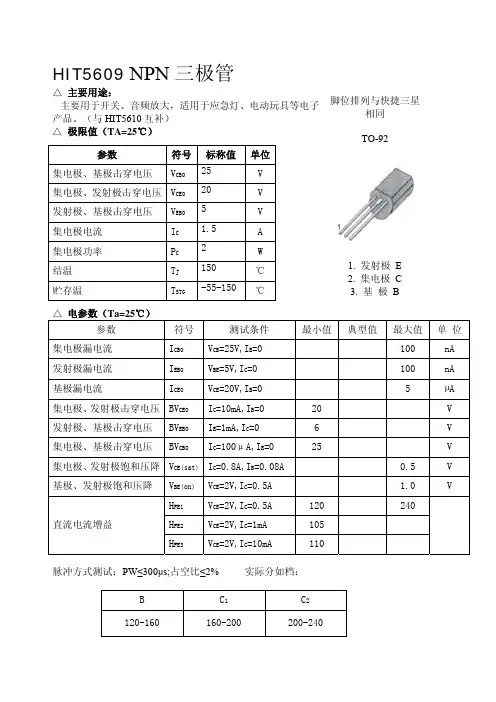
HIT5609 NPN 三极管△ 主要用途:主要用于开关、音频放大,适用于应急灯、电动玩具等电子产品。
(与HIT5610 互补)脚位排列与快捷三星相同△ 极限值(TA=25℃)参数 符号 标称值 单位集电极、基极击穿电压 V CBO 25 V集电极、发射极击穿电压 V CEO 20 V发射极、基极击穿电压 V EBO 5 V集电极电流 I C 1.5 A集电极功率 P C 2 W结温 T J 150 ℃贮存温 T STG -55-150 ℃△电参数(Ta=25℃)参数 符号 测试条件 最小值典型值 最大值单 位集电极漏电流 I CBO V CB=25V,I E=0 100 nA发射极漏电流 I EBO V BE=5V,I C=0 100 nA基极漏电流 I CEO V CE=20V,I B=0 5 µA 集电极、发射极击穿电压 BV CEO I C=10mA,I B=0 20 V 发射极、基极击穿电压 BV EBO I E=1mA,I C=0 6 V 集电极、基极击穿电压 BV CBO I C=100μA,I E=0 25 V 集电极、发射极饱和压降 V CE(sat) I C=0.8A,I B=0.08A0.5 V 基极、发射极饱和压降 V BE(on) V CE=2V,I C=0.5A 1.0 VH FE1 V CE=2V,I C=0.5A 120 240H FE2 V CE=2V,I C=1mA 105直流电流增益H FE3 V CE=2V,I C=10mA 110脉冲方式测试:PW≤300µs;占空比≤2%实际分如档:B C1 C2120-160160-200200-240名称 封装 极性 功能 耐压 电流 功率 频率 配对管 D633 28 NPN 音频功放开关100V 7A 40W 达林顿9013 21 NPN 低频放大 50V 0.5A 0.625W 9012 9014 21 NPN 低噪放大 50V 0.1A 0.4W 150HMZ 9015 9015 21 PNP 低噪放大 50V 0.1A 0.4W 150MHZ 9014 9018 21 NPN 高频放大 30V 0.05A 0.4W 1000MHZ8050 21 NPN 高频放大 40V 1.5A 1W 100MHZ 8550 8550 21 PNP 高频放大 40V 1.5A 1W 100MHZ 8050 2N2222 21 NPN 通用 60V 0.8A 0.5W 25/200NS2N2369 4A NPN 开关 40V 0.5A 0.3W 800MHZ2N2907 4A NPN 通用 60V 0.6A 0.4W 26/70NS2N3055 12 NPN 功率放大 100V 15A 115W MJ2955 2N3440 6 NPN 视放开关 450V 1A 1W 15MHZ 2N6609 2N3773 12 NPN 音频功放开关160V 16A 50W2N3904 21E NPN 通用 60V 0.2A2N2906 21C PNP 通用 40V 0.2A2N2222A 21 铁 NPN 高频放大 75V 0.6A 0.625W 300MHZ2N6718 21 铁 NPN 音频功放开关100V 2A 2W2N5401 21 PNP 视频放大 160V 0.6A 0.625W 100MHZ 2N5551 2N5551 21 NPN 视频放大 160V 0.6A 0.625W 100MHZ 2N5401 2N5685 12 NPN 音频功放开关60V 50A 300W2N6277 12 NPN 功放开关 180V 50A 250W9012 21 PNP 低频放大 50V 0.5A 0.625W 90132N6678 12 NPN 音频功放开关650V 15A 175W 15MHZ9012 贴片 PNP 低频放大 50V 0.5A 0.625W 90133DA87A 6 NPN 视频放大 100V 0.1A 1W3DG6B 6 NPN 通用 20V 0.02A 0.1W 150MHZ3DG6C 6 NPN 通用 25V 0.02A 0.1W 250MHZ3DG6D 6 NPN 通用 30V 0.02A 0.1W 150MHZMPSA42 21E NPN 电话视频放大300V 0.5A 0.625W MPSA92 MPSA92 21E PNP 电话视频放大300V 0.5A 0.625W MPSA42300MHZMPS2222A 21 NPN 高频放大 75V 0.6A 0.625W 9013 贴片 NPN 低频放大 50V 0.5A 0.625W 90123DK2B 7 NPN 开关 30V 0.03A 0.2W3DD15D 12 NPN 电源开关 300V 5A 50W3DD102C 12 NPN 电源开关 300V 5A 50W3522V 5V 稳压管A634 28E PNP音频功放开关40V 2A 10W A708 6 PNP 音频开关 80V 0.7A 0.8WA715C 29 PNP音频功放开关35V 2.5A 10W 160MHZ A733 21 PNP 通用 50V 0.1A 180MHZA741 4 PNP 开关 20V 0.1A 70/120NSA781 39B PNP 开关 20V 0.2A 80/160NSA928 ECB PNP 通用 20V 1A 0.25WA933 21 PNP 通用 50V 0.1A 140MHZA940 28 PNP音频功放开关150V 1.5A 25W 4MHZ C2073A966 21 PNPC2236音频激励输出30V 1.5A 0.9W 100MHZA950 21 PNP 通用 30V 0.8A 0.6WA968 28 PNPC2238音频功放开关160V 1.5A 25W 100MHZA1009 BCE PNP 功放开关 350V 2A 15WA1220P 29 PNP 音频功放开关120V 1.5A 20W 150MHZA1013 21 PNP 视频放大 160V 1A 0.9W C2383A1015 21 PNP 通用 60V 0.1A 0.4W 8MHZ C1815 2N6050 12 PNP 音频功放开关60V 12A 150W2N6051 12 PNP 音频功放开关80V 12A 150WA1175 PNP 通用 60V 0.10A 0.25W 180MHZA1213 贴片 PNP 超高频 50V 0.15A 80MHZ200MHZA719 ECB PNP 通用 30V 0.50A 0.625WB12 G-PNP 音频 30V 0.05A 0.05WB1114 ECB PNP 通用 贴片 20V 2A 180MHZB205 锗PNP 音频功放开关80V 20A 80W 管130MHZB1215 BCE PNP 功放开关贴片120V 3A 20WC294 6 NPN 栾生对管 25V 0.05A 200MHZC1044 6 NPN 视放 45V 0.3A 2.2GHZC1216 6 NPN 高速开关 40V 0.2A T,20nSC1344 ECB NPN 通用低噪 30V 0.10 230MHZC1733 6 NPN 栾生对管 30V 0.05A 2GHZ200MHZC1317 21ECB NPN 通用 30V 0.5A 0.625WC546 21ECB NPN 高放 30V 0.03A 0.15W 600MHZC680 11 NPN音频功放开关200V 2A 30W 20MHZC665 12 NPN音频功放开关125V 5A 50W 15MHZC4581 BCE NPN 电源开关 600V 10A 65W 20MHZC4584 BCE NPN 电源开关 1200V 6A 65W 20MHZC4897 BCE NPN 行管 1500V 20A 150WC4928 BCE NPN 行管 1500V 15A 150WC5411 BCE NPN 彩显行管17” 1500V 14A 60WHQ1F3P 贴片 NPN 功放开关 20V 2A 2WTIP132 28 NPN 音频功放开关100V 8A 70W TIP137A1020 21 PNP 音频开关 50V 2A 0.9WA1123 21 PNP 低噪放大 150V 0.05A 0.75WA1162 21D PNP 通用贴片 50V 0.15A 0.15WA1216 BCE PNP 功放开关 180V 17A 200W 20MHZ C2922 A1265 BCE PNP 功放开关 140V 10A 100W 30MHZ C3182 A1295 BCE PNP 功放开关 230V 17A 200W 30MHZ C3264 A1301 BCE PNP 功放开关 160V 12A 120W 30MHZ C3280 C3280 BCE NPN 功放开关 160V 12A 120W 30MHZ A1301 A1302 BCE PNP 功放开关 200V 15A 120W 30MHZ C3281 C3281 BCE NPN 功放开关 200V 15A 120W 30MHZ A1302120MHZA1358 BCE PNP 120V 1A 10WA1444 BCE PNP 高速电源开关100V 15A 30W 80MHZA1494 BCE PNP 功放开关 200V 17A 200W 20MHZ C3858 A1516 BCE PNP 功放开关 180V 12A 130W 25MHZA1668 BCE PNP 电源开关 200V 2A 25W 20MHZA1785 BCE PNP 驱动 120V 1A 1W 140MHZA1941 BCE PNP 音频功放形状140V 10A 100W C5198C5198 BCE NPN 音频功放形状140V 10A 100W A1941A1943 BCE PNP 功放开关 230V 15AA 150W C5200C5200 BCE NPN 功放开关 230V 15A 150W A1943A1988 BCE PNP 功放开关B449 锗12 PNP 功放开关 50V 3.5A 22.5W管140MHZD667 B647 21 PNP 通用 120V 1A 0.9WB649140MHZD667 21 NPN 通用 120V 1A 0.9WB1375 BCE PNP 音频功放 60V 3A 2W 9MHZ0.5A 40W 75MHD40C BCE NPN对讲机用 40VB688 BCE PNP 音频功放开关120V 8A 80W D718B734 39B PNP 通用 60V 1A 1W D774B649 29 PNP 视放 180V 1.5A 20W D669D669 29 NPN 视频放大 180V 1.5A 20W 140MHZ B649 B669 28 PNP 达林顿功放 70V 4A 40WB675 28 PNP 达林顿功放 60V 7A 40WB673 28 PNP 达林顿功放 100V 7A 40WD600K B631K 29 PNP 音频功放开关120V 1A 8W 130MHZD600K 29 NPNB631K音频功放开关120V 1A 8W 130MHZC3783 BCE NPN 高压高速开关900V 5A 100WB1400 28B PNP 达林顿功放 120V 6A 25W D1590B744 29 PNP音频功放开关70V 3A 10WB1020 28 PNP 功放开关 100V 7A 40WB1240 39B PNP 功放开关 40V 2A 1W100MHZD176270MHZB1185 28B PNP 功放开关 60V 3A 25WB1079 30 PNP 达林顿功放 100V 20A 100W D1559B772 29 PNP音频功放开关40V 3A 10W D882B774 21 PNP 通用 30V 0.1A 0.25WB817 30 PNP音频功放形状160V 12A 100W D1047B834 28 PNP 功放开关 60V 3A 30WB1316 54B PNP 达林顿功放 100V 2A 10WB1317 BCE PNP 音频功放 180V 15A 150W D1975B1494 BCE PNP 达林顿功放 120V 20A 120W D2256B1429 BCE PNP 功放开关 180V 15A 150WC380 21 NPN 高频放大 35V 0.03A 250MHZC458 21 NPN 通用 30V 0.1A 230MHZC536 21 NPN 通用 40V 0.1A 180MHZ2N6609 12 PNP 音频功放开关160V 15A 150W>2MHZ 2N3773C3795 BCE NPN 高压高速开关900V 5A 40WC2458 21ECB NPN 通用低噪 50V 0.15A 0.2WC3030 BCE NPN 开关管 900V 7A 80W. 达林顿C3807 BCE NPN 低噪放大 30V 2A 1.2W260MHZC3858 BCE NPN 功放开关 200V 17A 200W 20MHZ A1494 D985 29 NPN 达林顿功放 150V ±1.5A 10WC2036 29 NPN 高放低噪 80V 1A 1-4WC2068 28E NPN 视频放大 300V 0.05A 1.5W 80MHZC2073 28 NPN 功率放大 150V 1.5A 25W 4MHZ A940C3039 28 NPN 电源开关 500V 7A 50WC3058 12 NPN 开关管 600V 30A 200WC3148 28 NPN 电源开关 900V 3A 40WC3150 28 NPN 电源开关 900V 3A 50WC3153 30 NPN 电源开关 900V 6A 100WC3182 30 NPN 功放开关 140V 10A 100W A1265C3198 21 NPN 高频放大 60V 0.15A 0.4W 130MHZ3DK4B 7 NPN 开关 40V 0.8A 0.8W3DK7C 7 NPN 开关 25V 0.05A 0.3W3D15D 12 NPN 电源开关 300V 5A 50W150MHZC2078 28 NPN音频功放开关80V 3A 10WC2120 21 NPN 通用 30V 0.8A 0.6WC2228 21 NPN 视频放大 160V 0.05A 0.75WC2230 21 NPN 视频放大 200V 0.1A 0.8WC2233 28 NPN音频功放开关200V 4A 40WC2236 21 NPN 通用 30V 1.5A 0.9W A966C1733 小铁 NPN 孪生对管 30V 2GHZ200MHZC1317 21EBC NPN 通用 30V 0.5A 0.625WC2238 28 NPN音频功放开关160V 1.5A 25W 100MHZ A968 C752 21 NPN 通用 30V 0.1A 300MHZC815 21 NPN 通用 60V 0.2A 0.25WC828 21 NPN 通用 45V 0.05A 0.25WC900 21 NPN 低噪放大 30V 0.03A 100MHZC945 21 NPN 通用 50V 0.1A 0.5W 250MHZC1008 21 NPN 通用 80V 0.7A 0.8W 50MHZC1162 21 NPN 音频功放35V 1.5A 10WC1213 39B NPN 监视器专用 30V 0.5A 0.4WC1222 21 NPN 低噪放大 60V 0.1A100MHZC1494 40A NPN发射36V 6A PQ =40W 175MHZ C1507 28 NPN 视放300V 0.2A 15WC1674 21 NPN HF/ZF 30V 0.02A600MHZC1815 21 NPN 通用60V 0.15A 0.4W 8MHZ A1015C1855 21F NPN HF/ZF 20V 0.02A550MHZC1875 12 NPN 彩行 1500V 3.5A 50WC1906 21 NPN 高频放大 30V 0.05A1000MHZC1942 12 NPN 彩行 1500V 3A 50WC1959 21 NPN 通用 30V 0.4A 0.5W 300MHZ C1970 28 NPN 手机发射 40V 0.6A PQ =1.3W 175MHZC1971 28A NPN 手机发射 35V 2A PQ-7.0W 175MHZ C1972 28A NPN 手机发射 35V 3.5A PQ =15W 175MHZC2320 21 NPN 通用 50V 0.2A 0.3W 200MHZ C2012 21 NPN 高放 30V 0.03A200MHZC2027 12 NPN 行管 1500V 5A 50WD814 BCE NPN 低噪放大贴片150V 0.05A150MHZC5142 BCE NPN彩行1500V 20A 200WD998 BCE NPN 音频功放开关120V 10A 80W <1/3USD2253 BCE NPN 彩显行管 1700V 6A 50WD110 12 NPN 音频功放开关130V 10A 100W 1MHZC2335 28 NPN 视频功放 500V 7A 40WC2373 28 NPN 功放 200V 7.5A 40WC2383 21 NPN 视频开关 160V 1A 0.9W A1013 C3300 30 NPN音频功放开关100V 15A 100WC3310 28C NPN 电源开关 500V 5A 40WC3320 28C NPN 电源开头 500V 15A 80WC3355 21F NPN 高频放大 20V 0.1A 6500MHZC3358 40B NPN 高频放大 20V 0.1A 7000MHZC3457 BCE NPN 电源开关 1100V 3A 50WC3460 BCE NPN 电源开关 1100V 6A 100WC3466 BCE NPN 电源开关 1200V 8A 120WC3505 28B NPN 电源开关 900V 6A 80WC3527 BCE NPN 电源开关 500V 15A 100WC3528 BCE NPN 电源开关 500V 20A 150WC3866 BCE NPN 高压高速开关900V 3A 40WC2443 大铁 NPN 功放开关 600V 50A 400WC2481 29 NPN音频功放开关150V 1.5A 20WC2482 21 NPN 视频放大 300V 0.1A 0.9W150MHZC2500 21 NPN 通用 30V 2A 0.9WC2594 29 NPN音频功放开关40V 5A 10WC2611 29 NPN 视频放大 300V 0.1A 1.25WC2625 30 NPN音频功放开关450V 10A 80WC2682 29 NPN NF/Vid 180V 0.1A 8WC2688 29 NPN 视放管 300V 0.2A 10W 80MHZC2690 29 NPN 音频功放开关120V 1.2A 20W 150MHZ A1220P C2751 BCE NPN 电源开关500V 15A 120WC2837 30 NPN 音频功放开关150V 10A 100WC3873 BCE NPN 高压高速开关500V 12A 75W 30MHZ C3886 BCE NPN 开关行管 1400V 8A 50W 8MHZ C3893 28B NPN行管1400V 8A 50W 8MHZ C3907 28B NPN 功放开关 180V 12A 130W 30MHZC3595 29 NPN 射频 30V 0.5A 1.2WC4059 BCE NPN 高速开关 600V 15V 130W0.5/2.2USC4106 BCE NPN 电源开关 500V 7A 50W 20MHZ?C4111 BCE NPN 开关行管 1500V 10A 150WC3679 BCE NPN 电源开关 900V 5A 100W 6MHZC2898 28 NPN 音频功放开关500V 8A 50WC2922 43 NPN 音频功放开关180V 17A 200W 50MHZ A1216 C3026 12 NPN 开关管 1700V 5A 50W D986 29 NPN 达林顿功放 150-80V±1.5A 10WC3262 BCE NPN功放800V 10A 100WC3264 BCE NPN PA功放开关230V 17A 200WB =170 A1295 C3280 30 NPN 音频功放开关160V 12A120WB =100C3281 30 NPN 音频功放开关200V 15A 150W 30MHZ C3680 BCE NPN 电源开关 900V 7A 120W 6MHZC3688 BCE NPN彩行1500V 10A 150W C3720 12 NPN 彩行 1200V 10A 200WC3953 29 NPN 视放120V 0.2A 1.3W 400MHZC3987 28 NPN 达林顿 50V 3A 20WC3995 BCE NPN 行管 1500V 12A 180WD1025 28 NPN 达林顿功放 200V 8A 50WC3997 BCE NPN 行管 1500V 15A 250WC3998 BCE NPN 行管 1500V 25A 250WC4024 BCE NPN 功放开关 100V 10A 35W 24MHZC4038 BCE NPN 门电路 50V 0.1A 0.3W 180MHZD1037 BCE NPN 音频功放开关150V 30A 180WD1047 30 NPN音频功放开关160V 12A 100W B817 C4119 BCE NPN 微波炉开关 1500V 15A 250WC4231 50C NPN 音频功放 800V 2A 30WC4237 BCE NPN 高压高速开关1000V 8A 120W 30MHZC4242 BCE NPN 高压高速开关450V 7A 40WC4297 BCE NPN 电源开关 500V 12A 75W 10MHZC4429 BCE NPN 电源开关 1100V 8A 60WC4517 BCE NPN 音频功放 550V 3A 30W 6MHZC4532 BCE NPN 大屏行管 1700V 10A 200WC4582 BCE NPN 电源开关 600V 15A 75W 20MHZ ON4673 BCE NPNON4873 BCE NPNC5244 BCE NPN 彩行 1700V 15A 200WC5249 BCE NPN 功放开关 600V 3A 35W 6MHZC5250 BCE NPN 开关 1000V 7A 100WC5251 BCE NPN 彩行 1500V 12A 50WD1071 28 NPN 达林顿功放 300V 6A 40WC4706 BCE NPN 电源开关900V 14A 130W 6MHZC4382 BCE NPN 功放开关 200V 2A 25W 20MHZ A1668 C4742 46 NPN 彩行 1500V 6A 50W C4745 46 NPN 彩行 1500V 6A 50W C4747 46 NPN 彩行 1500V 10A 50W C4769 BCE NPN 微机行管 1500V 7A 60W C4913 BCE NPN 大屏视放管 2000V 0.02A 35W C4924 BCE NPN 音频功放 800V 10A 70W C4927 BCE NPN行管1500V 8A 50W C4927 BCE NPN SONY29 行管1500V 8A 50WC4941 BCE NPN行管1500V 6A 65W500/380NSC4953 BCE NPN 功放开关 500V 2A 25W t =300nSC5020 BCE NPN 彩行 1000V 7A 100W C5068 BCE NPN 彩行 1500V 10A 50W C5086 BCE NPN 彩行 1500V 10A 50W C5088 BCE NPN彩行1500V 10A 50W C5129 BCE NPN 彩显行管 1500V 8A 50WD1163A 28 NPN 行偏转用 350V 7A 40W 60MHZD1175 12 NPN 行偏转用 1500V 5A 100W C5132 BCE NPN彩行1500V 16A 50W C5144 BCE NPN 大屏彩行 1700V 20A 200W C5148 BCE NPN 大屏彩行 1500V 8A 50W C5149 BCE NPN 高速高频行管1500V 8A 50WC5198 BCE NPN 功放开关 140V 10A 100WC5200 BCE NPN 功放开关 230V 15A 150W A194350MHZD1273 28 NPN 音频功放 80V 3A 40WC5207 BCE NPN 彩行 1500V 10A 50WC5243 BCE NPN 彩行 1700V 15A 200WC5252 BCE NPN 彩行 1500V 15A 100WC5294 BCE NPN 彩行 1500V 20A t=200MSC5296 BCE NPN 开关管 带阻1500V 8A 80WC5297 BCE NPN 开关管 1500V 16A 60WC5331 BCE NPN 大屏彩显行管1500V 15A 180WD325 BCE NPN 功放开关 50V 3A 25WD385 11 NPN 达林顿功放 100V 7A 30WD400 21 NPN 通用 25V 1A 0.75WD1302 21 NPN 音频 25V 0.5A 0.5W 200MHZD1397 BCE NPN 开关 1500V 3.5A 50W 3MHZD1398 BCE NPN 开关 1500V 5A 50W 3MHZD1403 BCE NPN 彩行 1500V 6A 120WD401 28 NPN音频功放开关200V 2A 20WD415 29 NPN音频功放开关120V 0.8A 5W100MHZD438 21 NPN 通用 500V 1A 0.75WD560 BCE NPN 达林顿功放 150V 5A 30WD637 39E NPN 通用 60V 0.1A 150MHZB647 D667 21 NPN 视频放大 120V 1A 0.9W140MHZD1403 BCE NPN 彩行 1500V 6A 120WD1415 BCE NPN 功放电源开关100V 7A 40W 达林顿D718 30 NPN音频功放开关120V 8A 80W B668 D774 39B NPN 通用 100V 1A 1W B734 D789 21 NPN 音频输出 100V 1A 0.90D820 12 NPN 彩行 1500V 5A 50WD870 12 NPN 彩行 1500V 5A 50WD880 28 NPN音频功放开关60V 3A 10W D882 29 NPN音频功放开关40V 3A 30W B772 D884 28 NPN音频功放开关330V 7A 40W D898 12 NPN 彩行 1500V 3A 50WD951 12 NPN 彩行 1500V 3A 65WD965 21 NPN 音频 40V 5A 0.75WD966 21 NPN 音频 40V 5A 1W音频功放开关100V 7A 40W 达林顿D633 拆 28 NPND1431 28B NPN 彩行 1500V 5A 80WD1433 28B NPN 彩行 1500V 7A 80WD1980 61B NPN 达林顿 100V 2A 10WD1981 EBC NPN 达林顿 100V 2A 1WD1993 45B NPN 音频低噪 55V 0.1A 0.4WD1416 BCE NPN 功放电源开关80V 7A 40W 达林顿D1427 BCE NPN 彩行 1500V 5A 80W 带阻尼BU2525AF 30 NPN 开关功放 1500V 12A 150W 350NSD1428 28B NPN 彩行 1500V 6A 80W 带阻尼BU2525AX 30 NPN 开关功放 1500V 12A 150W 350NSD1439 BCE NPN 彩行 1500V 3A 80WD1541 28B NPN 彩行 1500V 3A 80WD1545 28B NPN 彩行 1500V 5A 50WD1547 BCE NPN 彩行 1500V 7A 80WBU2527AF 30 NPN 开关功放 1500V 15A 150WD1554 BCE NPN 彩行 1500V 3.5A 80WD1555 BCE NPN 彩行 1500V 5A 80WD1556 BCE NPN 彩行 1500V 6A 80WD1559 BCE NPN 达林顿功放 100V 20A 100W B1079D1590 28 NPN 达林顿功放 150V 8A 25WD1623 28B NPN 彩行 1500V 4A 70WD1640 29 NPN 达林顿功放 120V 2A 1.2WD1651 SP NPN 彩行 1500V 5A 60W 3MHZD1710 BCE NPN 彩行 1500V 5A 50WD1718 28C NPN 音频功放 180V 15A 150W 20MHZB1185 D1762 BCE NPN 音频功放开关60V 3A 25W90MHZD1843 BCE NPN 低噪放大 50V 1A 1WD1849 50A NPN 彩行 1500V 7A 120WD1850 50A NPN 彩行 1500V 7A 120WD1859 50A NPN 音频 80V 0.7A 1W 120MHZD1863 50A NPN 音频 120V 1A 1W 100MHZD1724 29 NPN 开关 120V 3A 180MHZD1877 30 NPN 彩行 1500V 4A 50W 带阻尼D1879 30 NPN 彩行 1500V 6A 60W 带阻尼D1887 20 NPN 彩行 1500V 10 70WD1930 21 NPN 达林顿 100V 2A 1.2W 达林顿D1975 53A NPN 音频功放 180V 15A 150W B1317 BU2532AW 30 NPN 开关功放 1500V 15A 150W D1978 21 NPN 达林顿 120V 1.5A 0.9WD1994A EBC NPN 音频驱动 60V 1A 1WBD237 29 NPN 音频功放 100V 2A 25W BD238 BD238 29 PNP 音频功放 100V 2A 25W BD237 BU2520AF 30 NPN 开关功放 1500V 10A 150W 1/500NSBU2520DF 30 NPN 开关功放 1500V 10A 150W 1/500NSBU2520DX 30 NPN 开关功放 1500V 10A 50W 600NS BUH515 BCE NPN 行管 1500V 10A 80WBUH515D BCE NPN 行管 1500V 10A 80WBUS13A 12 NPN 开关功放 1000V 15A 175W100MHZ D1997 45B NPN 激励管 40V 3A 1.5WD2008 EBC NPN 音频功放 80V 1A 1.2WD2012 BCE NPN 音频功放 60V 3A 2W 3MHZ D2136 EBC NPN 功放 80V 1A 1.2WD2155 53A NPN 音频功放 180V 15A 150WD2256 46 NPN 达林顿功放 120V 25A 125W B1494 D2334 28B NPN 彩行 1500V 5A 80WD2335 BCE NPN 彩行 1500V 7A 100W 带阻尼D2349 BCE NPN 大屏彩显行管1500V ±10A 50WD1959 BCE NPN 彩行 1400V 10A 50WD2374 BCE NPN 功放开关 60V 3A 25W 30MHZD2375 BCE NPN 高放大倍数 80V 3A 25W 50MHZD2388 EBC NPN 达林顿 90V 3A 1.2WD2445 BCE NPN 彩行 1500V 12.5A 120WD2498 BCE NPN 彩行 1500V 6A 50WD2588 BCE NPN 点火器用DK55 BCE NPN 开关 400V 4A 60WBC307 21a PNP 通用 50V 0.2A 0.3WBC327 CBE PNP 低噪音频 50V 0.8A 0.625W BC337 BC337 21a NPN 音频激励低噪50V 0.8A 0.625W BC327 BC338 21a NPN 通用激励 50V 0.8A 0.6WBC546 21a NPN 通用 80V 0.2A 0.5WBC547 CBE NPN 通用 50V 0.2A 0.5W 300MHZ BD135 29 NPN 音频功放 45V 1.5A 12.5WBD136 29 PNP 音频功放 45V 1.5A 12.5W BD137 BD137 29 NPN 音频功放 60V 1.5A 12.5W BD136 BD138 29 PNP 音频功放 60V 1.5A 12.5W BD139 BD139 29 PNP 音频功放 80V 1.5A 12.5W BD138 BUS14A 12 NPN 开关功放 1000V 30A 250WBUT11A 28 NPN 开关功放 1000V 5A 100WBD243 28 NPN 音频功放 45V 6A 65W BD244 BD244 28 PNP 音频功放 45V 6A 65W BD243 BD681 29 NPN 达林顿功放 100V 4A 40W BD682 BD682 29 PNP 达林顿功放 100V 4A 40W BD681BF458 29 NPN 视放 250V 0.1A 10WBU208A 12 NPN 彩行 1500V 5A 12.5WBU208D 12 NPN 彩行 1500V 5A 12.5WBU323 28 NPN 达林顿功放 450V 10A 125WBU406 28 NPN 行管 400V 7A 60WBU508A 28 NPN 行管 1500V 7.5A 75WBU508A 28 NPN 行管 1500V 7.5A 75WBU508D 28 NPN 行管 1500V 7.5A 75WBU806 28 NPN 功放 400V 8A 60WBU932R 12 NPN 功放 500V 15A 150WBUT12A 28 NPN 开关功放 450V 10A 125WBU941 12 NPN 功放开关 500V 15A 175W 达林顿BU1508DX 28 NPN 开关功放 1500V 8A 35WBU2506DX 30 NPN 开关功放 1500V 7A 50W 600NSBU2508AF 30 NPN 开关功放 1500V 8A 125W 600NSBU2508AX 30 NPN 开关功放 1500V 8A 125W 600NSBU2508DF 30 NPN 开关功放 1500V 8A 125W 600NSBU2508DX 30 NPN 开关功放 1500V 8A 50W 600NS BUV26 28 NPN音频功放开关90V 14A 65W 250NSBU2522AF 30 NPN 开关功放 1500V 11A 150W 350NSMJ15024 12 NPN 音频功放开关400V 16A 250W 4MHZMJ15025MJ15024 MJ15025 12 PNP 音频功放开关400V 16A 250W 4MHZ MJE271 29 PNP 达林顿 100V 2A 15W 6MHZ BUV28A 28 NPN 音频功放开关225V 10A 65W 250NSBUV48A 30 NPN 音频功放开关450V 15A 150WBUW13A 30 NPN 功放开关 1000V 15A 150WBUX48 12 NPN 功放开关 850V 15A 125WBUX84 30 NPN 功放开关 800V 2A 40WBUX98A 12 NPN 功放开关 400V 30A 210W 5MHZDK55 28 NPN 功放开关 400V 4A 65WDTA114 PNP 10K-10K 160V 0.6A 0.625WDTC143 NPN 录像机用 4.7kHPA100 BCE NPN 大屏彩显行管1500V 10A 150WHPA150 BCE NPN 大屏彩显行管1500V 15A 150WHSE830 BCE PNP 音频功放 80V 115W 1MHZ HSE800 HSE838 BCE NPN 音频功放 80V 115W 1MHZ HSE830 MN650 BCE NPN 行管 1500V 6A 80WMJ802 12 NPN音频功放开关90V 30A 200W MJ4502 MJ2955 12 PNP 音频功放开关60V 15A 115W MJ3055 MJ3055 12 NPN 音频功放开关60V 15A 115W MJ2955 MJ4502 12 PNP 音频功放开关90V 30A 200W MJ802 MJ10012 12 NPN 达林顿 400V 10A 175WMJ10015 12 NPN 电源开关 400V 50A 200WMJ10016 12 NPN 电源开关 500V 50A 200WMJ10025 12 电源开关 850V 20A 250WMJ11032 12 NPN 电源开关 120V 50A 300W MJ11033 MJ11033 12 PNP 电源开关 120V 50A 300W MJ11032 MJ13333 12 NPN 电源开关 400V 20A 175WMJ11015 12 PNP 铁达林顿 500V 10AMJ14003 12 PNP 铁MJE340 29 NPN 视放 300V 0.5A 20W MJE350MJE350 29 PNP 视放 300V 0.5A 20W MJE340MJE2955T BCE PNP 音频功放开关60V 10A 75W 2MHZMJE3055TMJE2955T MJE3055T BCE NPN 音频功放开关70V 10A 75W 2MHZMJE5822 BCE PNP 音频功放开关500V 8A 80WMJE9730 BCE NPNMJE13003 29 NPN 功放开关 400V 1.5A 14WMJE13005 28 NPN 功放开关 400V 4A 60WMJE13007 28 NPN 功放开关 1500V 2.5A 60WKSE800 28 NPN 达林顿 140V 4A 20WTIP31C BCE NPN 功放开关 100V 3A 40W 3MHZ TIP32 TIP32C BCE PNP 功放开关 100V 3A 40W 3MHZ TIP31 TIP35C 30 NPN 音频功放开关100V 25A 125W 3MHZ TIP36 TIP36C 30 PNP 音频功放开关100V 25A 125W 3MHZ TIP35 TIP41C 30 NPN 音频功放开关100V 6A 65W 3MHZ TIP42 TIP42C 30 PNP 音频功放开关100V 6A 65W 3MHZ TIP41 TIP102 28 NPN音频功放开关100V 8A 2WTIP105 28 PNP 音频功放开关60V 15A 80W 达林顿TIP122 28 NPN音频功放开关100V 5A 65W TIP127TIP127 28 PNP 音频功放开关100V 5A 65W TIP122TIP137 28 PNP 音频功放开关100V 8A 70W TIP132TIP142 30 NPN音频功放开关100V 10A 125W TIP147TIP142 大 30 NPN音频功放开关100V 10A 125W TIP147 TIP147 30 PNP 音频功放开关100V 10A 125W TIP142音频功放开关100V 10A 125W TIP142 TIP147 大 30 PNPTIP152 BCE 电梯用达林顿400V 3A 65WTL431 21 电压基准源BT33 电压结晶体管UGN3144 SGO 霍尔开关60MIAL1 电磁/微波炉1000V 60A 300WT30G40 BCE NPN 大功率开关管400V 30A 300W5609 21 NPN音频低频放大50V 0.8A 0.625W 5610 5610 21 PNP音频低频放大50V 0.8A 0.625W 5610 9626 21 NPN 通用。
HIT5609 NPN 三极管△ 主要用途:主要用于开关、音频放大,适用于应急灯、电动玩具等电子 产品。
(与HIT5610互补)△ 极限值(TA=25℃)△ 电参数(Ta=25℃)参数符号 测试条件 最小值典型值 最大值单 位集电极漏电流 I CBO V CB =25V,I E =0 100 nA 发射极漏电流 IEBO V BE =5V,I C =0 100 nA 基极漏电流I CEO V CE =20V,I B =0 5 µA 集电极、发射极击穿电压 BV CEO I C =10mA,I B =0 20 V 发射极、基极击穿电压 BV EBO I E =1mA,I C =0 6 V 集电极、基极击穿电压BV CBOI C =100μA,I E =025 V 集电极、发射极饱和压降 V CE (sat) I C =0.8A,I B =0.08A 0.5 V 基极、发射极饱和压降V BE (on) V CE =2V,I C =0.5A 1.0 V直流电流增益H FE1V CE =2V,I C =0.5A 120 240H FE2 V CE =2V,I C =1mA 105 H FE3V CE =2V,I C =10mA110脉冲方式测试:PW ≤300μs;占空比≤2% 实际分如档:B C 1 C 2 120-160160-200200-240脚位排列与快捷三星相同 TO-921. 发射极 E2. 集电极 C3. 基 极 B参数符号 标称值 单位集电极、基极击穿电压V CBO25 V 集电极、发射极击穿电压 V CEO 20 V 发射极、基极击穿电压 V EBO 5 V 集电极电流 I C 1.5 A 集电极功率 P C 2 W 结温 T J 150 ℃ 贮存温T STG-55-150℃名称 封装极性功能 耐压 电流功率频率配对管D633 28 NPN 音频功放开关100V 7A 40W 达林顿9013 21 NPN 低频放大50V 0.5A 0.625W 9012 9014 21 NPN 低噪放大50V 0.1A 0.4W 150HMZ 9015 9015 21 PNP 低噪放大50V 0.1A 0.4W 150MHZ 9014 9018 21 NPN 高频放大30V 0.05A 0.4W 1000MHZ8050 21 NPN 高频放大40V 1.5A 1W 100MHZ 8550 8550 21 PNP 高频放大40V 1.5A 1W 100MHZ 8050 2N2222 21 NPN 通用60V 0.8A 0.5W 25/200NS2N2369 4A NPN 开关40V 0.5A 0.3W 800MHZ2N2907 4A NPN 通用60V 0.6A 0.4W 26/70NS2N3055 12 NPN 功率放大100V 15A 115W MJ2955 2N3440 6 NPN 视放开关450V 1A 1W 15MHZ 2N6609 2N3773 12 NPN 音频功放开关160V 16A 50W2N3904 21E NPN 通用60V 0.2A2N2906 21C PNP 通用40V 0.2A2N2222A 21铁NPN 高频放大75V 0.6A 0.625W 300MHZ2N6718 21铁NPN 音频功放开关100V 2A 2W2N5401 21 PNP 视频放大160V 0.6A 0.625W 100MHZ 2N5551 2N5551 21 NPN 视频放大160V 0.6A 0.625W 100MHZ 2N5401 2N5685 12 NPN 音频功放开关60V 50A 300W2N6277 12 NPN 功放开关180V 50A 250W9012 21 PNP 低频放大50V 0.5A 0.625W 9013 2N6678 12 NPN 音频功放开关650V 15A 175W 15MHZ9012 贴片PNP 低频放大50V 0.5A 0.625W 9013 3DA87A 6 NPN 视频放大100V 0.1A 1W3DG6B 6 NPN 通用20V 0.02A 0.1W 150MHZ3DG6C 6 NPN 通用25V 0.02A 0.1W 250MHZ3DG6D 6 NPN 通用30V 0.02A 0.1W 150MHZMPSA42 21E NPN 电话视频放大300V 0.5A 0.625W MPSA92 MPSA92 21E PNP 电话视频放大300V 0.5A 0.625W MPSA42 MPS2222A 21 NPN 高频放大75V 0.6A 0.625W 300MHZ 9013 贴片NPN 低频放大50V 0.5A 0.625W 9012 3DK2B 7 NPN 开关30V 0.03A 0.2W3DD15D 12 NPN 电源开关300V 5A 50W3DD102C 12 NPN 电源开关300V 5A 50W3522V 5V稳压管A634 28E PNP 音频功放开关40V 2A 10WA708 6 PNP 音频开关80V 0.7A 0.8WA715C 29 PNP 音频功放开关35V 2.5A 10W 160MHZA733 21 PNP 通用50V 0.1A 180MHZA741 4 PNP 开关20V 0.1A 70/120NS A781 39B PNP 开关20V 0.2A 80/160NS A928 ECB PNP 通用20V 1A 0.25WA933 21 PNP 通用50V 0.1A 140MHZA940 28 PNP 音频功放开关150V 1.5A 25W 4MHZ C2073 A966 21 PNP 音频激励输出30V 1.5A 0.9W 100MHZ C2236 A950 21 PNP 通用30V 0.8A 0.6WA968 28 PNP 音频功放开关160V 1.5A 25W 100MHZ C2238 A1009 BCE PNP 功放开关350V 2A 15WA1220P 29 PNP 音频功放开关120V 1.5A 20W 150MHZA1013 21 PNP 视频放大160V 1A 0.9W C2383 A1015 21 PNP 通用60V 0.1A 0.4W 8MHZ C1815 2N6050 12 PNP 音频功放开关60V 12A 150W2N6051 12 PNP 音频功放开关80V 12A 150WA1175 PNP 通用60V 0.10A 0.25W 180MHZA1213 贴片PNP 超高频 50V 0.15A 80MHZA719 ECB PNP 通用30V 0.50A 0.625W 200MHZB12 G-PNP 音频30V 0.05A 0.05WB1114 ECB PNP 通用 贴片20V 2A 180MHZB205 锗管PNP 音频功放开关80V 20A 80WB1215 BCE PNP 功放开关贴片120V 3A 20W 130MHZC294 6 NPN 栾生对管25V 0.05A 200MHZC1044 6 NPN 视放45V 0.3A 2.2GHZC1216 6 NPN 高速开关40V 0.2A T,20nSC1344 ECB NPN 通用低噪30V 0.10 230MHZC1733 6 NPN 栾生对管30V 0.05A 2GHZC1317 21ECB NPN 通用30V 0.5A 0.625W 200MHZC546 21ECB NPN 高放30V 0.03A 0.15W 600MHZC680 11 NPN 音频功放开关200V 2A 30W 20MHZC665 12 NPN 音频功放开关125V 5A 50W 15MHZC4581 BCE NPN 电源开关600V 10A 65W 20MHZ C4584 BCE NPN 电源开关1200V 6A 65W 20MHZC4897 BCE NPN 行管1500V 20A 150WC4928 BCE NPN 行管1500V 15A 150WC5411 BCE NPN 彩显行管17”1500V 14A 60WHQ1F3P 贴片NPN 功放开关20V 2A 2WTIP132 28 NPN 音频功放开关100V 8A 70W TIP137 A1020 21 PNP 音频开关50V 2A 0.9WA1123 21 PNP 低噪放大150V 0.05A 0.75WA1162 21D PNP 通用贴片50V 0.15A 0.15WA1216 BCE PNP 功放开关180V 17A 200W 20MHZ C2922 A1265 BCE PNP 功放开关140V 10A 100W 30MHZ C3182 A1295 BCE PNP 功放开关230V 17A 200W 30MHZ C3264 A1301 BCE PNP 功放开关160V 12A 120W 30MHZ C3280 C3280 BCE NPN 功放开关160V 12A 120W 30MHZ A1301 A1302 BCE PNP 功放开关200V 15A 120W 30MHZ C3281 C3281 BCE NPN 功放开关200V 15A 120W 30MHZ A1302 A1358 BCE PNP 120V 1A 10W 120MHZA1444 BCE PNP 高速电源开关100V 15A 30W 80MHZA1494 BCE PNP 功放开关200V 17A 200W 20MHZ C3858 A1516 BCE PNP 功放开关180V 12A 130W 25MHZA1668 BCE PNP 电源开关200V 2A 25W 20MHZA1785 BCE PNP 驱动120V 1A 1W 140MHZA1941 BCE PNP 音频功放形状140V 10A 100W C5198 C5198 BCE NPN 音频功放形状140V 10A 100W A1941A1943 BCE PNP 功放开关230V 15AA 150W C5200 C5200 BCE NPN 功放开关230V 15A 150W A1943 A1988 BCE PNP 功放开关B449 锗管12 PNP 功放开关50V 3.5A 22.5W B647 21 PNP 通用120V 1A 0.9W 140MHZ D667 D667 21 NPN 通用120V 1A 0.9W 140MHZ B649 B1375 BCE PNP 音频功放60V 3A 2W 9MHZD40C BCE NPN0.5A 40W 75MH对讲机用40VB688 BCE PNP 音频功放开关120V 8A 80W D718 B734 39B PNP 通用60V 1A 1W D774 B649 29 PNP 视放180V 1.5A 20W D669 D669 29 NPN 视频放大180V 1.5A 20W 140MHZ B649 B669 28 PNP 达林顿功放70V 4A 40WB675 28 PNP 达林顿功放60V 7A 40WB673 28 PNP 达林顿功放100V 7A 40WB631K 29 PNP 音频功放开关120V 1A 8W 130MHZ D600K D600K 29 NPN 音频功放开关120V 1A 8W 130MHZ B631K C3783 BCE NPN 高压高速开关900V 5A 100WB1400 28B PNP 达林顿功放120V 6A 25W D1590 B744 29 PNP 音频功放开关70V 3A 10WB1020 28 PNP 功放开关100V 7A 40WB1240 39B PNP 功放开关40V 2A 1W 100MHZB1185 28B PNP 功放开关60V 3A 25W 70MHZ D1762B1079 30 PNP 达林顿功放100V 20A 100W D1559 B772 29 PNP 音频功放开关40V 3A 10W D882 B774 21 PNP 通用30V 0.1A 0.25WB817 30 PNP 音频功放形状160V 12A 100W D1047 B834 28 PNP 功放开关60V 3A 30WB1316 54B PNP 达林顿功放100V 2A 10WB1317 BCE PNP 音频功放180V 15A 150W D1975 B1494 BCE PNP 达林顿功放120V 20A 120W D2256 B1429 BCE PNP 功放开关180V 15A 150WC380 21 NPN 高频放大35V 0.03A 250MHZC458 21 NPN 通用30V 0.1A 230MHZC536 21 NPN 通用40V 0.1A 180MHZ2N6609 12 PNP 音频功放开关160V 15A 150W >2MHZ 2N3773 C3795 BCE NPN 高压高速开关900V 5A 40WC2458 21ECB NPN 通用低噪 50V 0.15A 0.2WC3030 BCE NPN 开关管900V 7A 80W. 达林顿C3807 BCE NPN 低噪放大30V 2A 1.2W 260MHZC3858 BCE NPN 功放开关200V 17A 200W 20MHZ A1494 D985 29 NPN 达林顿功放150V ±1.5A 10WC2036 29 NPN 高放低噪80V 1A 1-4WC2068 28E NPN 视频放大300V 0.05A 1.5W 80MHZC2073 28 NPN 功率放大150V 1.5A 25W 4MHZ A940 C3039 28 NPN 电源开关500V 7A 50WC3058 12 NPN 开关管600V 30A 200WC3148 28 NPN 电源开关900V 3A 40WC3150 28 NPN 电源开关900V 3A 50WC3153 30 NPN 电源开关900V 6A 100WC3182 30 NPN 功放开关140V 10A 100W A1265 C3198 21 NPN 高频放大60V 0.15A 0.4W 130MHZ3DK4B 7 NPN 开关40V 0.8A 0.8W3DK7C 7 NPN 开关25V 0.05A 0.3W3D15D 12 NPN 电源开关300V 5A 50WC2078 28 NPN 音频功放开关80V 3A 10W 150MHZC2120 21 NPN 通用30V 0.8A 0.6WC2228 21 NPN 视频放大160V 0.05A 0.75WC2230 21 NPN 视频放大200V 0.1A 0.8WC2233 28 NPN 音频功放开关200V 4A 40WC2236 21 NPN 通用30V 1.5A 0.9W A966 C1733 小铁NPN 孪生对管30V 2GHZ C1317 21EBC NPN 通用30V 0.5A 0.625W 200MHZC2238 28 NPN 音频功放开关160V 1.5A 25W 100MHZ A968 C752 21 NPN 通用30V 0.1A 300MHZC815 21 NPN 通用60V 0.2A 0.25WC828 21 NPN 通用45V 0.05A 0.25WC900 21 NPN 低噪放大30V 0.03A 100MHZC945 21 NPN 通用50V 0.1A 0.5W 250MHZC1008 21 NPN 通用80V 0.7A 0.8W 50MHZC1162 21 NPN 音频功放35V 1.5A 10WC1213 39B NPN 监视器专用30V 0.5A 0.4WC1222 21 NPN 低噪放大60V 0.1A 100MHZC1494 40A NPN 发射36V 6A PQ=40W175MHZC1507 28 NPN 视放300V 0.2A 15WC1674 21 NPN HF/ZF 30V 0.02A 600MHZC1815 21 NPN 通用60V 0.15A 0.4W 8MHZ A1015 C1855 21F NPN HF/ZF 20V 0.02A 550MHZC1875 12 NPN 彩行1500V 3.5A 50WC1906 21 NPN 高频放大30V 0.05A 1000MHZC1942 12 NPN 彩行1500V 3A 50WC1959 21 NPN 通用30V 0.4A 0.5W 300MHZC1970 28 NPN 手机发射40V 0.6A PQ=1.3W175MHZC1971 28A NPN 手机发射35V 2A PQ-7.0W175MHZC1972 28A NPN 手机发射35V 3.5A PQ=15W175MHZC2320 21 NPN 通用50V 0.2A 0.3W 200MHZC2012 21 NPN 高放30V 0.03A 200MHZC2027 12 NPN 行管1500V 5A 50WD814 BCE NPN 低噪放大贴片150V 0.05A 150MHZC5142 BCE NPN 彩行1500V 20A 200WD998 BCE NPN 音频功放开关120V 10A 80W <1/3USD2253 BCE NPN 彩显行管1700V 6A 50WD110 12 NPN 音频功放开关130V 10A 100W 1MHZC2335 28 NPN 视频功放500V 7A 40WC2373 28 NPN 功放200V 7.5A 40WC2383 21 NPN 视频开关160V 1A 0.9W A1013 C3300 30 NPN 音频功放开关100V 15A 100WC3310 28C NPN 电源开关500V 5A 40WC3320 28C NPN 电源开头500V 15A 80WC3355 21F NPN 高频放大20V 0.1A 6500MHZC3358 40B NPN 高频放大20V 0.1A 7000MHZC3457 BCE NPN 电源开关1100V 3A 50WC3460 BCE NPN 电源开关1100V 6A 100WC3466 BCE NPN 电源开关1200V 8A 120WC3505 28B NPN 电源开关900V 6A 80WC3527 BCE NPN 电源开关500V 15A 100WC3528 BCE NPN 电源开关500V 20A 150WC3866 BCE NPN 高压高速开关900V 3A 40WC2443 大铁NPN 功放开关600V 50A 400WC2481 29 NPN 音频功放开关150V 1.5A 20WC2482 21 NPN 视频放大300V 0.1A 0.9WC2500 21 NPN 通用30V 2A 0.9W 150MHZC2594 29 NPN 音频功放开关40V 5A 10WC2611 29 NPN 视频放大300V 0.1A 1.25WC2625 30 NPN 音频功放开关450V 10A 80WC2682 29 NPN NF/Vid 180V 0.1A 8WC2688 29 NPN 视放管300V 0.2A 10W 80MHZC2690 29 NPN 音频功放开关120V 1.2A 20W 150MHZ A1220P C2751 BCE NPN 电源开关500V 15A 120WC2837 30 NPN 音频功放开关150V 10A 100WC3873 BCE NPN 高压高速开关500V 12A 75W 30MHZC3886 BCE NPN 开关行管1400V 8A 50W 8MHZC3893 28B NPN 行管1400V 8A 50W 8MHZC3907 28B NPN 功放开关180V 12A 130W 30MHZC3595 29 NPN 射频30V 0.5A 1.2WC4059 BCE NPN 高速开关600V 15V 130W 0.5/2.2USC4106 BCE NPN 电源开关500V 7A 50W 20MHZ?C4111 BCE NPN 开关行管1500V 10A 150WC3679 BCE NPN 电源开关900V 5A 100W 6MHZC2898 28 NPN 音频功放开关500V 8A 50WC2922 43 NPN 音频功放开关180V 17A 200W 50MHZ A1216 C3026 12 NPN 开关管1700V 5A 50WD986 29 NPN 达林顿功放150-80V±1.5A 10WC3262 BCE NPN 功放800V 10A 100WC3264 BCE NPN PA功放开关230V 17A 200WB=170 A1295 C3280 30 NPN 音频功放开关160V 12A 120WB=100C3281 30 NPN 音频功放开关200V 15A 150W 30MHZC3680 BCE NPN 电源开关900V 7A 120W 6MHZC3688 BCE NPN 彩行1500V 10A 150WC3720 12 NPN 彩行1200V 10A 200WC3953 29 NPN 视放120V 0.2A 1.3W 400MHZC3987 28 NPN 达林顿50V 3A 20WC3995 BCE NPN 行管1500V 12A 180WD1025 28 NPN 达林顿功放200V 8A 50WC3997 BCE NPN 行管1500V 15A 250WC3998 BCE NPN 行管1500V 25A 250WC4024 BCE NPN 功放开关100V 10A 35W 24MHZC4038 BCE NPN 门电路50V 0.1A 0.3W 180MHZD1037 BCE NPN 音频功放开关150V 30A 180WD1047 30 NPN 音频功放开关160V 12A 100W B817 C4119 BCE NPN 微波炉开关1500V 15A 250WC4231 50C NPN 音频功放800V 2A 30WC4237 BCE NPN 高压高速开关1000V 8A 120W 30MHZC4242 BCE NPN 高压高速开关450V 7A 40WC4297 BCE NPN 电源开关500V 12A 75W 10MHZC4429 BCE NPN 电源开关1100V 8A 60WC4517 BCE NPN 音频功放550V 3A 30W 6MHZC4532 BCE NPN 大屏行管1700V 10A 200WC4582 BCE NPN 电源开关600V 15A 75W 20MHZON4673 BCE NPNON4873 BCE NPNC5244 BCE NPN 彩行1700V 15A 200WC5249 BCE NPN 功放开关600V 3A 35W 6MHZC5250 BCE NPN 开关1000V 7A 100WC5251 BCE NPN 彩行1500V 12A 50WD1071 28 NPN 达林顿功放300V 6A 40WC4706 BCE NPN 电源开关900V 14A 130W 6MHZC4382 BCE NPN 功放开关200V 2A 25W 20MHZ A1668 C4742 46 NPN 彩行1500V 6A 50WC4745 46 NPN 彩行1500V 6A 50WC4747 46 NPN 彩行1500V 10A 50WC4769 BCE NPN 微机行管1500V 7A 60WC4913 BCE NPN 大屏视放管2000V 0.02A 35WC4924 BCE NPN 音频功放800V 10A 70WC4927 BCE NPN 行管1500V 8A 50WC4927 BCE NPN SONY29行管1500V 8A 50WC4941 BCE NPN 行管1500V 6A 65W 500/380NSC4953 BCE NPN 功放开关500V 2A 25W t=300nSC5020 BCE NPN 彩行1000V 7A 100WC5068 BCE NPN 彩行1500V 10A 50WC5086 BCE NPN 彩行1500V 10A 50WC5088 BCE NPN 彩行1500V 10A 50WC5129 BCE NPN 彩显行管1500V 8A 50WD1163A 28 NPN 行偏转用350V 7A 40W 60MHZD1175 12 NPN 行偏转用1500V 5A 100WC5132 BCE NPN 彩行1500V 16A 50WC5144 BCE NPN 大屏彩行1700V 20A 200WC5148 BCE NPN 大屏彩行1500V 8A 50WC5149 BCE NPN 高速高频行管1500V 8A 50WC5198 BCE NPN 功放开关140V 10A 100WC5200 BCE NPN 功放开关230V 15A 150W A1943D1273 28 NPN 音频功放80V 3A 40W 50MHZC5207 BCE NPN 彩行1500V 10A 50WC5243 BCE NPN 彩行1700V 15A 200WC5252 BCE NPN 彩行1500V 15A 100WC5294 BCE NPN 彩行1500V 20A t=200MSC5296 BCE NPN 开关管 带阻1500V 8A 80WC5297 BCE NPN 开关管1500V 16A 60WC5331 BCE NPN 大屏彩显行管1500V 15A 180WD325 BCE NPN 功放开关50V 3A 25WD385 11 NPN 达林顿功放100V 7A 30WD400 21 NPN 通用25V 1A 0.75WD1302 21 NPN 音频25V 0.5A 0.5W 200MHZD1397 BCE NPN 开关1500V 3.5A 50W 3MHZD1398 BCE NPN 开关1500V 5A 50W 3MHZD1403 BCE NPN 彩行1500V 6A 120WD401 28 NPN 音频功放开关200V 2A 20WD415 29 NPN 音频功放开关120V 0.8A 5WD438 21 NPN 通用500V 1A 0.75W 100MHZD560 BCE NPN 达林顿功放150V 5A 30WD637 39E NPN 通用60V 0.1A 150MHZD667 21 NPN 视频放大120V 1A 0.9W 140MHZ B647 D1403 BCE NPN 彩行1500V 6A 120WD1415 BCE NPN 功放电源开关100V 7A 40W 达林顿D718 30 NPN 音频功放开关120V 8A 80W B668D774 39B NPN 通用100V 1A 1W B734 D789 21 NPN 音频输出100V 1A 0.90D820 12 NPN 彩行1500V 5A 50WD870 12 NPN 彩行1500V 5A 50WD880 28 NPN 音频功放开关60V 3A 10WD882 29 NPN 音频功放开关40V 3A 30W B772 D884 28 NPN 音频功放开关330V 7A 40WD898 12 NPN 彩行1500V 3A 50WD951 12 NPN 彩行1500V 3A 65WD965 21 NPN 音频40V 5A 0.75WD966 21 NPN 音频40V 5A 1WD633拆28 NPN 音频功放开关100V 7A 40W达林顿D1431 28B NPN 彩行1500V 5A 80WD1433 28B NPN 彩行1500V 7A 80WD1980 61B NPN 达林顿100V 2A 10WD1981 EBC NPN 达林顿100V 2A 1WD1993 45B NPN 音频低噪55V 0.1A 0.4WD1416 BCE NPN 功放电源开关80V 7A 40W 达林顿D1427 BCE NPN 彩行1500V 5A 80W 带阻尼BU2525AF 30 NPN 开关功放1500V 12A 150W 350NSD1428 28B NPN 彩行1500V 6A 80W 带阻尼BU2525AX 30 NPN 开关功放1500V 12A 150W 350NSD1439 BCE NPN 彩行1500V 3A 80WD1541 28B NPN 彩行1500V 3A 80WD1545 28B NPN 彩行1500V 5A 50WD1547 BCE NPN 彩行1500V 7A 80WBU2527AF 30 NPN 开关功放1500V 15A 150WD1554 BCE NPN 彩行1500V 3.5A 80WD1555 BCE NPN 彩行1500V 5A 80WD1556 BCE NPN 彩行1500V 6A 80WD1559 BCE NPN 达林顿功放100V 20A 100W B1079 D1590 28 NPN 达林顿功放150V 8A 25WD1623 28B NPN 彩行1500V 4A 70WD1640 29 NPN 达林顿功放120V 2A 1.2WD1651 SP NPN 彩行1500V 5A 60W 3MHZD1710 BCE NPN 彩行1500V 5A 50WD1718 28C NPN 音频功放180V 15A 150W 20MHZD1762 BCE NPN 音频功放开关60V 3A 25W 90MHZ B1185 D1843 BCE NPN 低噪放大50V 1A 1WD1849 50A NPN 彩行1500V 7A 120WD1850 50A NPN 彩行1500V 7A 120WD1859 50A NPN 音频80V 0.7A 1W 120MHZD1863 50A NPN 音频120V 1A 1W 100MHZD1724 29 NPN 开关120V 3A 180MHZD1877 30 NPN 彩行1500V 4A 50W 带阻尼D1879 30 NPN 彩行1500V 6A 60W 带阻尼D1887 20 NPN 彩行1500V 10 70WD1930 21 NPN 达林顿100V 2A 1.2W 达林顿D1975 53A NPN 音频功放180V 15A 150W B1317 BU2532AW 30 NPN 开关功放1500V 15A 150W D1978 21 NPN 达林顿120V 1.5A 0.9WD1994A EBC NPN 音频驱动60V 1A 1WBD237 29 NPN 音频功放100V 2A 25W BD238 BD238 29 PNP 音频功放100V 2A 25W BD237 BU2520AF 30 NPN 开关功放1500V 10A 150W 1/500NSBU2520DF 30 NPN 开关功放1500V 10A 150W 1/500NSBU2520DX 30 NPN 开关功放1500V 10A 50W 600NSBUH515 BCE NPN 行管1500V 10A 80WBUH515D BCE NPN 行管1500V 10A 80WBUS13A 12 NPN 开关功放1000V 15A 175WD1997 45B NPN 激励管40V 3A 1.5W 100MHZD2008 EBC NPN 音频功放80V 1A 1.2WD2012 BCE NPN 音频功放60V 3A 2W 3MHZD2136 EBC NPN 功放80V 1A 1.2WD2155 53A NPN 音频功放180V 15A 150WD2256 46 NPN 达林顿功放120V 25A 125W B1494 D2334 28B NPN 彩行1500V 5A 80WD2335 BCE NPN 彩行1500V 7A 100W 带阻尼D2349 BCE NPN 大屏彩显行管1500V ±10A 50WD1959 BCE NPN 彩行1400V 10A 50WD2374 BCE NPN 功放开关60V 3A 25W 30MHZD2375 BCE NPN 高放大倍数80V 3A 25W 50MHZD2388 EBC NPN 达林顿90V 3A 1.2WD2445 BCE NPN 彩行1500V 12.5A 120WD2498 BCE NPN 彩行1500V 6A 50WD2588 BCE NPN 点火器用DK55 BCE NPN 开关400V 4A 60WBC307 21a PNP 通用50V 0.2A 0.3WBC327 CBE PNP 低噪音频50V 0.8A 0.625W BC337 BC337 21a NPN 音频激励低噪50V 0.8A 0.625W BC327 BC338 21a NPN 通用激励50V 0.8A 0.6WBC546 21a NPN 通用80V 0.2A 0.5WBC547 CBE NPN 通用50V 0.2A 0.5W 300MHZBD135 29 NPN 音频功放45V 1.5A 12.5WBD136 29 PNP 音频功放45V 1.5A 12.5W BD137 BD137 29 NPN 音频功放60V 1.5A 12.5W BD136 BD138 29 PNP 音频功放60V 1.5A 12.5W BD139 BD139 29 PNP 音频功放80V 1.5A 12.5W BD138 BUS14A 12 NPN 开关功放1000V 30A 250WBUT11A 28 NPN 开关功放1000V 5A 100WBD243 28 NPN 音频功放45V 6A 65W BD244 BD244 28 PNP 音频功放45V 6A 65W BD243 BD681 29 NPN 达林顿功放100V 4A 40W BD682 BD682 29 PNP 达林顿功放100V 4A 40W BD681 BF458 29 NPN 视放250V 0.1A 10WBU208A 12 NPN 彩行1500V 5A 12.5WBU208D 12 NPN 彩行1500V 5A 12.5WBU323 28 NPN 达林顿功放450V 10A 125WBU406 28 NPN 行管400V 7A 60WBU508A 28 NPN 行管1500V 7.5A 75WBU508A 28 NPN 行管1500V 7.5A 75WBU508D 28 NPN 行管1500V 7.5A 75WBU806 28 NPN 功放400V 8A 60WBU932R 12 NPN 功放500V 15A 150WBUT12A 28 NPN 开关功放450V 10A 125WBU941 12 NPN 功放开关500V 15A 175W 达林顿BU1508DX 28 NPN 开关功放1500V 8A 35WBU2506DX 30 NPN 开关功放1500V 7A 50W 600NSBU2508AF 30 NPN 开关功放1500V 8A 125W 600NSBU2508AX 30 NPN 开关功放1500V 8A 125W 600NSBU2508DF 30 NPN 开关功放1500V 8A 125W 600NSBU2508DX 30 NPN 开关功放1500V 8A 50W 600NSBUV26 28 NPN 音频功放开关90V 14A 65W 250NSBU2522AF 30 NPN 开关功放1500V 11A 150W 350NSMJ15024 12 NPN 音频功放开关 400V 16A 250W 4MHZ MJ15025 MJ15025 12 PNP 音频功放开关400V 16A 250W 4MHZ MJ15024 MJE271 29 PNP 达林顿100V 2A 15W 6MHZBUV28A 28 NPN 音频功放开关225V 10A 65W 250NSBUV48A 30 NPN 音频功放开关450V 15A 150WBUW13A 30 NPN 功放开关1000V 15A 150WBUX48 12 NPN 功放开关850V 15A 125WBUX84 30 NPN 功放开关800V 2A 40WBUX98A 12 NPN 功放开关400V 30A 210W 5MHZDK55 28 NPN 功放开关400V 4A 65WDTA114 PNP 10K-10K 160V 0.6A 0.625WDTC143 NPN 录像机用 4.7kHPA100 BCE NPN 大屏彩显行管1500V 10A 150WHPA150 BCE NPN 大屏彩显行管1500V 15A 150WHSE830 BCE PNP 音频功放80V 115W 1MHZ HSE800 HSE838 BCE NPN 音频功放80V 115W 1MHZ HSE830 MN650 BCE NPN 行管1500V 6A 80WMJ802 12 NPN 音频功放开关90V 30A 200W MJ4502 MJ2955 12 PNP 音频功放开关60V 15A 115W MJ3055 MJ3055 12 NPN 音频功放开关60V 15A 115W MJ2955 MJ4502 12 PNP 音频功放开关90V 30A 200W MJ802 MJ10012 12 NPN 达林顿400V 10A 175WMJ10015 12 NPN 电源开关400V 50A 200WMJ10016 12 NPN 电源开关500V 50A 200WMJ10025 12 电源开关850V 20A 250WMJ11032 12 NPN 电源开关120V 50A 300W MJ11033 MJ11033 12 PNP 电源开关120V 50A 300W MJ11032 MJ13333 12 NPN 电源开关400V 20A 175WMJ11015 12 PNP 铁达林顿500V 10AMJ14003 12 PNP 铁MJE340 29 NPN 视放300V 0.5A 20W MJE350 MJE350 29 PNP 视放300V 0.5A 20W MJE340 MJE2955T BCE PNP 音频功放开关60V 10A 75W 2MHZ MJE3055T MJE3055T BCE NPN 音频功放开关70V 10A 75W 2MHZ MJE2955T MJE5822 BCE PNP 音频功放开关500V 8A 80WMJE9730 BCE NPNMJE13003 29 NPN 功放开关400V 1.5A 14WMJE13005 28 NPN 功放开关400V 4A 60WMJE13007 28 NPN 功放开关1500V 2.5A 60WKSE800 28 NPN 达林顿140V 4A 20WTIP31C BCE NPN 功放开关100V 3A 40W 3MHZ TIP32 TIP32C BCE PNP 功放开关100V 3A 40W 3MHZ TIP31 TIP35C 30 NPN 音频功放开关100V 25A 125W 3MHZ TIP36 TIP36C 30 PNP 音频功放开关100V 25A 125W 3MHZ TIP35 TIP41C 30 NPN 音频功放开关100V 6A 65W 3MHZ TIP42 TIP42C 30 PNP 音频功放开关100V 6A 65W 3MHZ TIP41 TIP102 28 NPN 音频功放开关100V 8A 2WTIP105 28 PNP 音频功放开关60V 15A 80W 达林顿TIP122 28 NPN 音频功放开关100V 5A 65W TIP127 TIP127 28 PNP 音频功放开关100V 5A 65W TIP122 TIP137 28 PNP 音频功放开关100V 8A 70W TIP132 TIP142 30 NPN 音频功放开关100V 10A 125W TIP147 TIP142大30 NPN 音频功放开关100V 10A 125W TIP147 TIP147 30 PNP 音频功放开关100V 10A 125W TIP142TIP147大30 PNP 音频功放开关100V 10A 125W TIP142 TIP152 BCE 电梯用达林顿400V 3A 65WTL431 21 电压基准源BT33 电压结晶体管UGN3144 SGO 霍尔开关60MIAL1 电磁/微波炉1000V 60A 300WT30G40 BCE NPN 大功率开关管400V 30A 300W5609 21 NPN 音频低频放大50V 0.8A 0.625W 5610 5610 21 PNP 音频低频放大50V 0.8A 0.625W 5610 9626 21 NPN 通用。
s9012s9013,s9014, s9015,,s9018系列的晶体小功率三极管,把显示文字平面朝自己,从左向右依次为e发射极 b基极 c集电极;对于中小功率塑料三极管按图使其平面朝向自己,三个引脚朝下放置,则从左到右依次为e b c,s8050,8550,C2078 也是和这个一样的。
用下面这个引脚图(管脚图)表示:三极管引脚图e b c当前,国内各种晶体三极管有很多种,管脚的排列也不相同,在使用中不确定管脚排列的三极管,必须进行测量确定各管脚正确的位置(下面有用万用表测量三极管的三个极的方法),或查找晶体管使用手册,明确三极管的特性及相应的技术参数和资料。
非9013,9014系列三极管管脚识别方法:(a) 判定基极。
用万用表R×100或R×1k挡测量管子三个电极中每两个极之间的正、反向电阻值。
当用第一根表笔接某一电极,而第二表笔先后接触另外两个电极均测得低阻值时,则第一根表笔所接的那个电极即为基极b。
这时,要注意万用表表笔的极性,如果红表笔接的是基极b。
黑表笔分别接在其他两极时,测得的阻值都较小,则可判定被测管子为PNP型三极管;如果黑表笔接的是基极b,红表笔分别接触其他两极时,测得的阻值较小,则被测三极管为NPN型管如9013,9014,9018。
(b) 判定三极管集电极c和发射极e。
(以PNP型三极管为例)将万用表置于R×100或R×1K挡,红表笔基极b,用黑表笔分别接触另外两个管脚时,所测得的两个电阻值会是一个大一些,一个小一些。
在阻值小的一次测量中,黑表笔所接管脚为集电极;在阻值较大的一次测量中,黑表笔所接管脚为发射极。
D 不拆卸三极管判断其好坏的方法。
在实际应用中、小功率三极管多直接焊接在印刷电路板上,由于元件的安装密度大,拆卸比较麻烦,所以在检测时常常通过用万用表直流电压挡,去测量被测管子各引脚的电压值,来推断其工作是否正常,进而判断三极管的好坏。
9012,9013,9014,8050三极管引脚图与管脚识别方法、引脚实物图片(含贴片)s9014,s9013,s9015,s9012,s9018系列的晶体小功率三极管,把显示文字平面朝自己,从左向右依次为e发射极 b基极 c集电极;对于中小功率塑料三极管按图使其平面朝向自己,三个引脚朝下放置,则从左到右依次为e b c,s8050,8550,C2078 也是和这个一样的。
用下面这个引脚图(管脚图)表示:三极管引脚图e b c当前,国内各种晶体三极管有很多种,管脚的排列也不相同,在使用中不确定管脚排列的三极管,必须进行测量确定各管脚正确的位置(下面有用万用表测量三极管的三个极的方法),或查找晶体管使用手册,明确三极管的特性及相应的技术参数和资料。
非9014,9013系列三极管管脚识别方法:(a) 判定基极。
用万用表R×100或R×1k挡测量管子三个电极中每两个极之间的正、反向电阻值。
当用第一根表笔接某一电极,而第二表笔先后接触另外两个电极均测得低阻值时,则第一根表笔所接的那个电极即为基极b。
这时,要注意万用表表笔的极性,如果红表笔接的是基极b。
黑表笔分别接在其他两极时,测得的阻值都较小,则可判定被测管子为PNP型三极管;如果黑表笔接的是基极b,红表笔分别接触其他两极时,测得的阻值较小,则被测三极管为NPN型管如9013,9014,9018。
(b) 判定三极管集电极c和发射极e。
(以PNP型三极管为例)将万用表置于R×100或R×1 K挡,红表笔基极b,用黑表笔分别接触另外两个管脚时,所测得的两个电阻值会是一个大一些,一个小一些。
在阻值小的一次测量中,黑表笔所接管脚为集电极;在阻值较大的一次测量中,黑表笔所接管脚为发射极。
D 不拆卸三极管判断其好坏的方法。
在实际应用中、小功率三极管多直接焊接在印刷电路板上,由于元件的安装密度大,拆卸比较麻烦,所以在检测时常常通过用万用表直流电压挡,去测量被测管子各引脚的电压值,来推断其工作是否正常,进而判断三极管的好坏。
一、概述s9014,s9013,s9015,s9012,s9018系列的晶体小功率三极管,把显示文字平面朝自己,从左向右依次为e发射极 b基极 c集电极;对于中小功率塑料三极管按图使其平面朝向自己,三个引脚朝下放置,则从左到右依次为e b c,s8050,8550,C2078 也是和这个一样的。
用下面这个引脚图(管脚图)表示:三极管引脚图 1:e 2:b 3:c二、三极管管脚判断当前,国内各种晶体三极管有很多种,管脚的排列也不相同,在使用中不确定管脚排列的三极管,必须进行测量确定各管脚正确的位置(下面有用万用表测量三极管的三个极的方法),或查找晶体管使用手册,明确三极管的特性及相应的技术参数和资料。
非9014,9013系列三极管管脚识别方法:(a) 判定基极。
用万用表R×100或R×1k挡测量管子三个电极中每两个极之间的正、反向电阻值。
当用第一根表笔接某一电极,而第二表笔先后接触另外两个电极均测得低阻值时,则第一根表笔所接的那个电极即为基极b。
这时,要注意万用表表笔的极性,如果红表笔接的是基极b。
黑表笔分别接在其他两极时,测得的阻值都较小,则可判定被测管子为PNP型三极管;如果黑表笔接的是基极b,红表笔分别接触其他两极时,测得的阻值较小,则被测三极管为NPN型管如9013,9014,9018。
(b) 判定三极管集电极c和发射极e。
(以PNP型三极管为例)将万用表置于R×100或R×1K挡,红表笔基极b,用黑表笔分别接触另外两个管脚时,所测得的两个电阻值会是一个大一些,一个小一些。
在阻值小的一次测量中,黑表笔所接管脚为集电极;在阻值较大的一次测量中,黑表笔所接管脚为发射极。
三、三极管好坏判断在实际应用中、小功率三极管多直接焊接在印刷电路板上,由于元件的安装密度大,拆卸比较麻烦,所以在检测时常常通过用万用表直流电压挡,去测量被测管子各引脚的电压值,来推断其工作是否正常,进而判断三极管的好坏。
这是8055模型数据:******************PNPEpitaixialSiliconTransistor****************** *************Product:SS8550BBU/SS8550BTA/SS8550CBU/SS8550CTA/SS8550DBU/SS8550 DTA**Package:TO-92**Terminals:Emitter(1)Base(2)Collector(3)**--------------------------------------------------------------------------------*BeginSpec*JV:Ic/Ib=10*OA:Vce=-1*FB:Vce=-1*VV:Ic/Ib=10*CB:*EB:*ST:Ic/Ib=10*GB:Vce=-10*EndSpec*BeginTrace*JV:0,1,100.00E-6,.1,1,3,0,0,-1(27)*OA:1,1,100.00E-6,.1,1,3,0,0,-1(27)*FB:0,1,100.00E-6,.1,1,3,0,0,-1(27)*VV:0,1,100.00E-6,.1,1,3,0,0,-1(27)*CB:0,1,.1,50,1,3,0,0,-1(27)*EB:0,1,.1,10,1,3,0,0,-1(27)*ST:0,1,100.00E-6,.1,1,3,0,0,-1(27)*GB:0,1,100.00E-6,.1,1,3,0,0,-1(27)*EndTrace*BeginParam*IS=117.63E-15(10.000E-21,1.0000E-6,0) *BF=178.21(1,1.5000E3,0)*NF=1(.8,1.2000,0)*VAF=51.250(0,1.0000E3,0)*IKF=3.3034(10.000E-3,20,0)*ISE=18.820E-15(0,1,0)*NE=1.5000(1,2,0)*BR=5(.1,500,0)*NR=1(.1,5,0)*VAR=36.681(0,1.0000E3,0)*IKR=10.000E-3(10.000E-3,20,0)*ISC=200.00E-18(0,1,0)*NC=1.5000(1,3,0)*NK=.5(.1,5,0)*RE=0(0,100.00E3,0)*RB=122(0,100,0)*RC=1(0,100.00E3,0)*CJE=99.513E-12(0,1,0)*VJE=.77795(.35,1.5000,0) *MJE=.38009(.1,1,0)*CJC=33.278E-12(0,1,0)*VJC=.65102(.35,1.5000,0) *MJC=.38907(.1,1,0)*FC=.49925(.1,1.5000,0) *TF=796.00E-12(0,1,0)*XTF=10(0,100.00E3,0)*VTF=10(0,100.00E3,0)*ITF=1(0,100.00E3,0)*PTF=0(0,360,0)*TR=10.000E-9(0,1,0)*EG=1.1695(.69,5,0)*XTB=1.6730(0,100.00E3,0) *XTI=3(.1,100.00E3,0)*EndParam*DEVICE=SS8550,PNP*SS8550PNPmodel*createdusingModelEditorrelease10.5.0on11/27/08at09:04 *TheModelEditorisaPSpiceproduct..MODELSS8550PNP+IS=117.63E-15BF=178.208NF=1+BF=178.21NF=1+VAF=51.250VAR=36.6808IKF=3.3034+IKF=3.3034+ISE=18.820E-15+BR=5NR=1ISE=1.882E-14+VAR=36.681IKF=3.3034+IKR=10.000E-3RB=122RBM=27.073+ISC=200.00E-18NC=1.5+NC=1.5000+RB=122RBM=27.073+RC=1+CJE=99.513E-12VJE=0.777949+VJE=.77795+MJE=.38009FC=0.499252CJC=3.32783E-11+CJC=33.278E-12+VJC=.65102MJC=0.389073TF=7.96E-10+MJC=.38907TF=7.96E-10+FC=.49925CJC=3.32783E-11+TF=796.00E-12+XTF=10+VTF=10+ITF=1+TR=10.000E-9+EG=1.1695XTB=1.6730XTI=3+XTB=1.6730XTI=3新建一文档文件,黏贴复制上面的数据,另存为ss8550.cir,生成cir文件元件制作方法:以Multisim为例:打开“工具”中的“元件向导”在元件名中键入ss8550,点下一步后,点选择封装因为8550是三极管,所以选择TO-90封装,再点选择选择引脚数为3,懂的,再点下一步。
9012码型的红外遥控发射专用电路描述SC9012是一块用于红外遥控系统中的专用发射集成电路,采用CMOS 工艺制造。
它具有32个功能键,若配合用户编码的变化则可提供256种不同的发射码,另外SC9012还提供6种双重按键功能。
SC9012的管脚设置和外围应用线路都进行了优化,以方便PCB 版的布图和低成本的要求。
SC9012的封装形式为SOP-20-300-1.27。
主要特点*高性能的CMOS 工艺,低功耗*内置振荡电路 *外围元件少* 32个功能按键, 8种用户编码(相当于可提供256种不同的发射码)* 6种双重按键功能*发射信号的LED 指示产品规格分类产品封装SC9012S应用*红外线发射遥控设备*电视机遥控器*录像机遥控器 * VCD 、音响遥控器内部框图极限参数 (除非特别说明,T amb=25°C)参数符号参数范围单位电源电压V DD-0.3 ~ 5.0V输入电压V IN V SS-0.3~V DD+0.3VI OUT输出电流-20mA(REO)功耗P D300mW贮存温度T stg-40~+125°C工作温度T opr-20~+75°C 电气参数(除非特别说明,T amb=25°C,V DD=3.0V)参数符号测试条件最小值典型值最大值单位电源电压V DD全部功能2--4V工作电流I DD f osc=455kHz----1mA静态电流I SB停振----1µA高电平输入电压(KI)低电平输入电压(KI)高电平输出电流I OH V OH=1.5V,V DD=3V-10----mA (DOUT)低电平输出电流I OL V OL=1.5V,V DD=3V5----mA (LMP)振荡频率F OSC--400455600kHz输入下拉电阻(KI)R ON V DD=3V100300500KΩ管脚排列图管脚描述管脚号符号功能描述1~4KI0~KI3键扫描输入端(内置下拉电阻)。
HIT5609 NPN 三极管△ 主要用途:主要用于开关、音频放大,适用于应急灯、电动玩具等电子 产品。
(与HIT5610互补)△ 极限值(TA=25℃)△ 电参数(Ta=25℃)参数符号 测试条件 最小值典型值 最大值单 位集电极漏电流 I CBO V CB =25V,I E =0 100 nA 发射极漏电流 IEBO V BE =5V,I C =0 100 nA 基极漏电流I CEO V CE =20V,I B =0 5 µA 集电极、发射极击穿电压 BV CEO I C =10mA,I B =0 20 V 发射极、基极击穿电压 BV EBO I E =1mA,I C =0 6 V 集电极、基极击穿电压BV CBOI C =100μA,I E =025 V 集电极、发射极饱和压降 V CE (sat) I C =0.8A,I B =0.08A 0.5 V 基极、发射极饱和压降V BE (on) V CE =2V,I C =0.5A 1.0 V直流电流增益H FE1V CE =2V,I C =0.5A 120 240H FE2 V CE =2V,I C =1mA 105 H FE3V CE =2V,I C =10mA110脉冲方式测试:PW ≤300μs;占空比≤2% 实际分如档:B C 1 C 2 120-160160-200200-240脚位排列与快捷三星相同 TO-921. 发射极 E2. 集电极 C3. 基 极 B参数符号 标称值 单位集电极、基极击穿电压V CBO25 V 集电极、发射极击穿电压 V CEO 20 V 发射极、基极击穿电压 V EBO 5 V 集电极电流 I C 1.5 A 集电极功率 P C 2 W 结温 T J 150 ℃ 贮存温T STG-55-150℃名称 封装极性功能 耐压 电流功率频率配对管D633 28 NPN 音频功放开关100V 7A 40W 达林顿9013 21 NPN 低频放大50V 0.5A 0.625W 9012 9014 21 NPN 低噪放大50V 0.1A 0.4W 150HMZ 9015 9015 21 PNP 低噪放大50V 0.1A 0.4W 150MHZ 9014 9018 21 NPN 高频放大30V 0.05A 0.4W 1000MHZ8050 21 NPN 高频放大40V 1.5A 1W 100MHZ 8550 8550 21 PNP 高频放大40V 1.5A 1W 100MHZ 8050 2N2222 21 NPN 通用60V 0.8A 0.5W 25/200NS2N2369 4A NPN 开关40V 0.5A 0.3W 800MHZ2N2907 4A NPN 通用60V 0.6A 0.4W 26/70NS2N3055 12 NPN 功率放大100V 15A 115W MJ2955 2N3440 6 NPN 视放开关450V 1A 1W 15MHZ 2N6609 2N3773 12 NPN 音频功放开关160V 16A 50W2N3904 21E NPN 通用60V 0.2A2N2906 21C PNP 通用40V 0.2A2N2222A 21铁NPN 高频放大75V 0.6A 0.625W 300MHZ2N6718 21铁NPN 音频功放开关100V 2A 2W2N5401 21 PNP 视频放大160V 0.6A 0.625W 100MHZ 2N5551 2N5551 21 NPN 视频放大160V 0.6A 0.625W 100MHZ 2N5401 2N5685 12 NPN 音频功放开关60V 50A 300W2N6277 12 NPN 功放开关180V 50A 250W9012 21 PNP 低频放大50V 0.5A 0.625W 9013 2N6678 12 NPN 音频功放开关650V 15A 175W 15MHZ9012 贴片PNP 低频放大50V 0.5A 0.625W 9013 3DA87A 6 NPN 视频放大100V 0.1A 1W3DG6B 6 NPN 通用20V 0.02A 0.1W 150MHZ3DG6C 6 NPN 通用25V 0.02A 0.1W 250MHZ3DG6D 6 NPN 通用30V 0.02A 0.1W 150MHZMPSA42 21E NPN 电话视频放大300V 0.5A 0.625W MPSA92 MPSA92 21E PNP 电话视频放大300V 0.5A 0.625W MPSA42 MPS2222A 21 NPN 高频放大75V 0.6A 0.625W 300MHZ 9013 贴片NPN 低频放大50V 0.5A 0.625W 9012 3DK2B 7 NPN 开关30V 0.03A 0.2W3DD15D 12 NPN 电源开关300V 5A 50W3DD102C 12 NPN 电源开关300V 5A 50W3522V 5V稳压管A634 28E PNP 音频功放开关40V 2A 10WA708 6 PNP 音频开关80V 0.7A 0.8WA715C 29 PNP 音频功放开关35V 2.5A 10W 160MHZA733 21 PNP 通用50V 0.1A 180MHZA741 4 PNP 开关20V 0.1A 70/120NS A781 39B PNP 开关20V 0.2A 80/160NS A928 ECB PNP 通用20V 1A 0.25WA933 21 PNP 通用50V 0.1A 140MHZA940 28 PNP 音频功放开关150V 1.5A 25W 4MHZ C2073 A966 21 PNP 音频激励输出30V 1.5A 0.9W 100MHZ C2236 A950 21 PNP 通用30V 0.8A 0.6WA968 28 PNP 音频功放开关160V 1.5A 25W 100MHZ C2238 A1009 BCE PNP 功放开关350V 2A 15WA1220P 29 PNP 音频功放开关120V 1.5A 20W 150MHZA1013 21 PNP 视频放大160V 1A 0.9W C2383 A1015 21 PNP 通用60V 0.1A 0.4W 8MHZ C1815 2N6050 12 PNP 音频功放开关60V 12A 150W2N6051 12 PNP 音频功放开关80V 12A 150WA1175 PNP 通用60V 0.10A 0.25W 180MHZA1213 贴片PNP 超高频 50V 0.15A 80MHZA719 ECB PNP 通用30V 0.50A 0.625W 200MHZB12 G-PNP 音频30V 0.05A 0.05WB1114 ECB PNP 通用 贴片20V 2A 180MHZB205 锗管PNP 音频功放开关80V 20A 80WB1215 BCE PNP 功放开关贴片120V 3A 20W 130MHZC294 6 NPN 栾生对管25V 0.05A 200MHZC1044 6 NPN 视放45V 0.3A 2.2GHZC1216 6 NPN 高速开关40V 0.2A T,20nSC1344 ECB NPN 通用低噪30V 0.10 230MHZC1733 6 NPN 栾生对管30V 0.05A 2GHZC1317 21ECB NPN 通用30V 0.5A 0.625W 200MHZC546 21ECB NPN 高放30V 0.03A 0.15W 600MHZC680 11 NPN 音频功放开关200V 2A 30W 20MHZC665 12 NPN 音频功放开关125V 5A 50W 15MHZC4581 BCE NPN 电源开关600V 10A 65W 20MHZ C4584 BCE NPN 电源开关1200V 6A 65W 20MHZC4897 BCE NPN 行管1500V 20A 150WC4928 BCE NPN 行管1500V 15A 150WC5411 BCE NPN 彩显行管17”1500V 14A 60WHQ1F3P 贴片NPN 功放开关20V 2A 2WTIP132 28 NPN 音频功放开关100V 8A 70W TIP137 A1020 21 PNP 音频开关50V 2A 0.9WA1123 21 PNP 低噪放大150V 0.05A 0.75WA1162 21D PNP 通用贴片50V 0.15A 0.15WA1216 BCE PNP 功放开关180V 17A 200W 20MHZ C2922 A1265 BCE PNP 功放开关140V 10A 100W 30MHZ C3182 A1295 BCE PNP 功放开关230V 17A 200W 30MHZ C3264 A1301 BCE PNP 功放开关160V 12A 120W 30MHZ C3280 C3280 BCE NPN 功放开关160V 12A 120W 30MHZ A1301 A1302 BCE PNP 功放开关200V 15A 120W 30MHZ C3281 C3281 BCE NPN 功放开关200V 15A 120W 30MHZ A1302 A1358 BCE PNP 120V 1A 10W 120MHZA1444 BCE PNP 高速电源开关100V 15A 30W 80MHZA1494 BCE PNP 功放开关200V 17A 200W 20MHZ C3858 A1516 BCE PNP 功放开关180V 12A 130W 25MHZA1668 BCE PNP 电源开关200V 2A 25W 20MHZA1785 BCE PNP 驱动120V 1A 1W 140MHZA1941 BCE PNP 音频功放形状140V 10A 100W C5198 C5198 BCE NPN 音频功放形状140V 10A 100W A1941A1943 BCE PNP 功放开关230V 15AA 150W C5200 C5200 BCE NPN 功放开关230V 15A 150W A1943 A1988 BCE PNP 功放开关B449 锗管12 PNP 功放开关50V 3.5A 22.5W B647 21 PNP 通用120V 1A 0.9W 140MHZ D667 D667 21 NPN 通用120V 1A 0.9W 140MHZ B649 B1375 BCE PNP 音频功放60V 3A 2W 9MHZD40C BCE NPN0.5A 40W 75MH对讲机用40VB688 BCE PNP 音频功放开关120V 8A 80W D718 B734 39B PNP 通用60V 1A 1W D774 B649 29 PNP 视放180V 1.5A 20W D669 D669 29 NPN 视频放大180V 1.5A 20W 140MHZ B649 B669 28 PNP 达林顿功放70V 4A 40WB675 28 PNP 达林顿功放60V 7A 40WB673 28 PNP 达林顿功放100V 7A 40WB631K 29 PNP 音频功放开关120V 1A 8W 130MHZ D600K D600K 29 NPN 音频功放开关120V 1A 8W 130MHZ B631K C3783 BCE NPN 高压高速开关900V 5A 100WB1400 28B PNP 达林顿功放120V 6A 25W D1590 B744 29 PNP 音频功放开关70V 3A 10WB1020 28 PNP 功放开关100V 7A 40WB1240 39B PNP 功放开关40V 2A 1W 100MHZB1185 28B PNP 功放开关60V 3A 25W 70MHZ D1762B1079 30 PNP 达林顿功放100V 20A 100W D1559 B772 29 PNP 音频功放开关40V 3A 10W D882 B774 21 PNP 通用30V 0.1A 0.25WB817 30 PNP 音频功放形状160V 12A 100W D1047 B834 28 PNP 功放开关60V 3A 30WB1316 54B PNP 达林顿功放100V 2A 10WB1317 BCE PNP 音频功放180V 15A 150W D1975 B1494 BCE PNP 达林顿功放120V 20A 120W D2256 B1429 BCE PNP 功放开关180V 15A 150WC380 21 NPN 高频放大35V 0.03A 250MHZC458 21 NPN 通用30V 0.1A 230MHZC536 21 NPN 通用40V 0.1A 180MHZ2N6609 12 PNP 音频功放开关160V 15A 150W >2MHZ 2N3773 C3795 BCE NPN 高压高速开关900V 5A 40WC2458 21ECB NPN 通用低噪 50V 0.15A 0.2WC3030 BCE NPN 开关管900V 7A 80W. 达林顿C3807 BCE NPN 低噪放大30V 2A 1.2W 260MHZC3858 BCE NPN 功放开关200V 17A 200W 20MHZ A1494 D985 29 NPN 达林顿功放150V ±1.5A 10WC2036 29 NPN 高放低噪80V 1A 1-4WC2068 28E NPN 视频放大300V 0.05A 1.5W 80MHZC2073 28 NPN 功率放大150V 1.5A 25W 4MHZ A940 C3039 28 NPN 电源开关500V 7A 50WC3058 12 NPN 开关管600V 30A 200WC3148 28 NPN 电源开关900V 3A 40WC3150 28 NPN 电源开关900V 3A 50WC3153 30 NPN 电源开关900V 6A 100WC3182 30 NPN 功放开关140V 10A 100W A1265 C3198 21 NPN 高频放大60V 0.15A 0.4W 130MHZ3DK4B 7 NPN 开关40V 0.8A 0.8W3DK7C 7 NPN 开关25V 0.05A 0.3W3D15D 12 NPN 电源开关300V 5A 50WC2078 28 NPN 音频功放开关80V 3A 10W 150MHZC2120 21 NPN 通用30V 0.8A 0.6WC2228 21 NPN 视频放大160V 0.05A 0.75WC2230 21 NPN 视频放大200V 0.1A 0.8WC2233 28 NPN 音频功放开关200V 4A 40WC2236 21 NPN 通用30V 1.5A 0.9W A966 C1733 小铁NPN 孪生对管30V 2GHZ C1317 21EBC NPN 通用30V 0.5A 0.625W 200MHZC2238 28 NPN 音频功放开关160V 1.5A 25W 100MHZ A968 C752 21 NPN 通用30V 0.1A 300MHZC815 21 NPN 通用60V 0.2A 0.25WC828 21 NPN 通用45V 0.05A 0.25WC900 21 NPN 低噪放大30V 0.03A 100MHZC945 21 NPN 通用50V 0.1A 0.5W 250MHZC1008 21 NPN 通用80V 0.7A 0.8W 50MHZC1162 21 NPN 音频功放35V 1.5A 10WC1213 39B NPN 监视器专用30V 0.5A 0.4WC1222 21 NPN 低噪放大60V 0.1A 100MHZC1494 40A NPN 发射36V 6A PQ=40W175MHZC1507 28 NPN 视放300V 0.2A 15WC1674 21 NPN HF/ZF 30V 0.02A 600MHZC1815 21 NPN 通用60V 0.15A 0.4W 8MHZ A1015 C1855 21F NPN HF/ZF 20V 0.02A 550MHZC1875 12 NPN 彩行1500V 3.5A 50WC1906 21 NPN 高频放大30V 0.05A 1000MHZC1942 12 NPN 彩行1500V 3A 50WC1959 21 NPN 通用30V 0.4A 0.5W 300MHZC1970 28 NPN 手机发射40V 0.6A PQ=1.3W175MHZC1971 28A NPN 手机发射35V 2A PQ-7.0W175MHZC1972 28A NPN 手机发射35V 3.5A PQ=15W175MHZC2320 21 NPN 通用50V 0.2A 0.3W 200MHZC2012 21 NPN 高放30V 0.03A 200MHZC2027 12 NPN 行管1500V 5A 50WD814 BCE NPN 低噪放大贴片150V 0.05A 150MHZC5142 BCE NPN 彩行1500V 20A 200WD998 BCE NPN 音频功放开关120V 10A 80W <1/3USD2253 BCE NPN 彩显行管1700V 6A 50WD110 12 NPN 音频功放开关130V 10A 100W 1MHZC2335 28 NPN 视频功放500V 7A 40WC2373 28 NPN 功放200V 7.5A 40WC2383 21 NPN 视频开关160V 1A 0.9W A1013 C3300 30 NPN 音频功放开关100V 15A 100WC3310 28C NPN 电源开关500V 5A 40WC3320 28C NPN 电源开头500V 15A 80WC3355 21F NPN 高频放大20V 0.1A 6500MHZC3358 40B NPN 高频放大20V 0.1A 7000MHZC3457 BCE NPN 电源开关1100V 3A 50WC3460 BCE NPN 电源开关1100V 6A 100WC3466 BCE NPN 电源开关1200V 8A 120WC3505 28B NPN 电源开关900V 6A 80WC3527 BCE NPN 电源开关500V 15A 100WC3528 BCE NPN 电源开关500V 20A 150WC3866 BCE NPN 高压高速开关900V 3A 40WC2443 大铁NPN 功放开关600V 50A 400WC2481 29 NPN 音频功放开关150V 1.5A 20WC2482 21 NPN 视频放大300V 0.1A 0.9WC2500 21 NPN 通用30V 2A 0.9W 150MHZC2594 29 NPN 音频功放开关40V 5A 10WC2611 29 NPN 视频放大300V 0.1A 1.25WC2625 30 NPN 音频功放开关450V 10A 80WC2682 29 NPN NF/Vid 180V 0.1A 8WC2688 29 NPN 视放管300V 0.2A 10W 80MHZC2690 29 NPN 音频功放开关120V 1.2A 20W 150MHZ A1220P C2751 BCE NPN 电源开关500V 15A 120WC2837 30 NPN 音频功放开关150V 10A 100WC3873 BCE NPN 高压高速开关500V 12A 75W 30MHZC3886 BCE NPN 开关行管1400V 8A 50W 8MHZC3893 28B NPN 行管1400V 8A 50W 8MHZC3907 28B NPN 功放开关180V 12A 130W 30MHZC3595 29 NPN 射频30V 0.5A 1.2WC4059 BCE NPN 高速开关600V 15V 130W 0.5/2.2USC4106 BCE NPN 电源开关500V 7A 50W 20MHZ?C4111 BCE NPN 开关行管1500V 10A 150WC3679 BCE NPN 电源开关900V 5A 100W 6MHZC2898 28 NPN 音频功放开关500V 8A 50WC2922 43 NPN 音频功放开关180V 17A 200W 50MHZ A1216 C3026 12 NPN 开关管1700V 5A 50WD986 29 NPN 达林顿功放150-80V±1.5A 10WC3262 BCE NPN 功放800V 10A 100WC3264 BCE NPN PA功放开关230V 17A 200WB=170 A1295 C3280 30 NPN 音频功放开关160V 12A 120WB=100C3281 30 NPN 音频功放开关200V 15A 150W 30MHZC3680 BCE NPN 电源开关900V 7A 120W 6MHZC3688 BCE NPN 彩行1500V 10A 150WC3720 12 NPN 彩行1200V 10A 200WC3953 29 NPN 视放120V 0.2A 1.3W 400MHZC3987 28 NPN 达林顿50V 3A 20WC3995 BCE NPN 行管1500V 12A 180WD1025 28 NPN 达林顿功放200V 8A 50WC3997 BCE NPN 行管1500V 15A 250WC3998 BCE NPN 行管1500V 25A 250WC4024 BCE NPN 功放开关100V 10A 35W 24MHZC4038 BCE NPN 门电路50V 0.1A 0.3W 180MHZD1037 BCE NPN 音频功放开关150V 30A 180WD1047 30 NPN 音频功放开关160V 12A 100W B817 C4119 BCE NPN 微波炉开关1500V 15A 250WC4231 50C NPN 音频功放800V 2A 30WC4237 BCE NPN 高压高速开关1000V 8A 120W 30MHZC4242 BCE NPN 高压高速开关450V 7A 40WC4297 BCE NPN 电源开关500V 12A 75W 10MHZC4429 BCE NPN 电源开关1100V 8A 60WC4517 BCE NPN 音频功放550V 3A 30W 6MHZC4532 BCE NPN 大屏行管1700V 10A 200WC4582 BCE NPN 电源开关600V 15A 75W 20MHZON4673 BCE NPNON4873 BCE NPNC5244 BCE NPN 彩行1700V 15A 200WC5249 BCE NPN 功放开关600V 3A 35W 6MHZC5250 BCE NPN 开关1000V 7A 100WC5251 BCE NPN 彩行1500V 12A 50WD1071 28 NPN 达林顿功放300V 6A 40WC4706 BCE NPN 电源开关900V 14A 130W 6MHZC4382 BCE NPN 功放开关200V 2A 25W 20MHZ A1668 C4742 46 NPN 彩行1500V 6A 50WC4745 46 NPN 彩行1500V 6A 50WC4747 46 NPN 彩行1500V 10A 50WC4769 BCE NPN 微机行管1500V 7A 60WC4913 BCE NPN 大屏视放管2000V 0.02A 35WC4924 BCE NPN 音频功放800V 10A 70WC4927 BCE NPN 行管1500V 8A 50WC4927 BCE NPN SONY29行管1500V 8A 50WC4941 BCE NPN 行管1500V 6A 65W 500/380NSC4953 BCE NPN 功放开关500V 2A 25W t=300nSC5020 BCE NPN 彩行1000V 7A 100WC5068 BCE NPN 彩行1500V 10A 50WC5086 BCE NPN 彩行1500V 10A 50WC5088 BCE NPN 彩行1500V 10A 50WC5129 BCE NPN 彩显行管1500V 8A 50WD1163A 28 NPN 行偏转用350V 7A 40W 60MHZD1175 12 NPN 行偏转用1500V 5A 100WC5132 BCE NPN 彩行1500V 16A 50WC5144 BCE NPN 大屏彩行1700V 20A 200WC5148 BCE NPN 大屏彩行1500V 8A 50WC5149 BCE NPN 高速高频行管1500V 8A 50WC5198 BCE NPN 功放开关140V 10A 100WC5200 BCE NPN 功放开关230V 15A 150W A1943D1273 28 NPN 音频功放80V 3A 40W 50MHZC5207 BCE NPN 彩行1500V 10A 50WC5243 BCE NPN 彩行1700V 15A 200WC5252 BCE NPN 彩行1500V 15A 100WC5294 BCE NPN 彩行1500V 20A t=200MSC5296 BCE NPN 开关管 带阻1500V 8A 80WC5297 BCE NPN 开关管1500V 16A 60WC5331 BCE NPN 大屏彩显行管1500V 15A 180WD325 BCE NPN 功放开关50V 3A 25WD385 11 NPN 达林顿功放100V 7A 30WD400 21 NPN 通用25V 1A 0.75WD1302 21 NPN 音频25V 0.5A 0.5W 200MHZD1397 BCE NPN 开关1500V 3.5A 50W 3MHZD1398 BCE NPN 开关1500V 5A 50W 3MHZD1403 BCE NPN 彩行1500V 6A 120WD401 28 NPN 音频功放开关200V 2A 20WD415 29 NPN 音频功放开关120V 0.8A 5WD438 21 NPN 通用500V 1A 0.75W 100MHZD560 BCE NPN 达林顿功放150V 5A 30WD637 39E NPN 通用60V 0.1A 150MHZD667 21 NPN 视频放大120V 1A 0.9W 140MHZ B647 D1403 BCE NPN 彩行1500V 6A 120WD1415 BCE NPN 功放电源开关100V 7A 40W 达林顿D718 30 NPN 音频功放开关120V 8A 80W B668D774 39B NPN 通用100V 1A 1W B734 D789 21 NPN 音频输出100V 1A 0.90D820 12 NPN 彩行1500V 5A 50WD870 12 NPN 彩行1500V 5A 50WD880 28 NPN 音频功放开关60V 3A 10WD882 29 NPN 音频功放开关40V 3A 30W B772 D884 28 NPN 音频功放开关330V 7A 40WD898 12 NPN 彩行1500V 3A 50WD951 12 NPN 彩行1500V 3A 65WD965 21 NPN 音频40V 5A 0.75WD966 21 NPN 音频40V 5A 1WD633拆28 NPN 音频功放开关100V 7A 40W达林顿D1431 28B NPN 彩行1500V 5A 80WD1433 28B NPN 彩行1500V 7A 80WD1980 61B NPN 达林顿100V 2A 10WD1981 EBC NPN 达林顿100V 2A 1WD1993 45B NPN 音频低噪55V 0.1A 0.4WD1416 BCE NPN 功放电源开关80V 7A 40W 达林顿D1427 BCE NPN 彩行1500V 5A 80W 带阻尼BU2525AF 30 NPN 开关功放1500V 12A 150W 350NSD1428 28B NPN 彩行1500V 6A 80W 带阻尼BU2525AX 30 NPN 开关功放1500V 12A 150W 350NSD1439 BCE NPN 彩行1500V 3A 80WD1541 28B NPN 彩行1500V 3A 80WD1545 28B NPN 彩行1500V 5A 50WD1547 BCE NPN 彩行1500V 7A 80WBU2527AF 30 NPN 开关功放1500V 15A 150WD1554 BCE NPN 彩行1500V 3.5A 80WD1555 BCE NPN 彩行1500V 5A 80WD1556 BCE NPN 彩行1500V 6A 80WD1559 BCE NPN 达林顿功放100V 20A 100W B1079 D1590 28 NPN 达林顿功放150V 8A 25WD1623 28B NPN 彩行1500V 4A 70WD1640 29 NPN 达林顿功放120V 2A 1.2WD1651 SP NPN 彩行1500V 5A 60W 3MHZD1710 BCE NPN 彩行1500V 5A 50WD1718 28C NPN 音频功放180V 15A 150W 20MHZD1762 BCE NPN 音频功放开关60V 3A 25W 90MHZ B1185 D1843 BCE NPN 低噪放大50V 1A 1WD1849 50A NPN 彩行1500V 7A 120WD1850 50A NPN 彩行1500V 7A 120WD1859 50A NPN 音频80V 0.7A 1W 120MHZD1863 50A NPN 音频120V 1A 1W 100MHZD1724 29 NPN 开关120V 3A 180MHZD1877 30 NPN 彩行1500V 4A 50W 带阻尼D1879 30 NPN 彩行1500V 6A 60W 带阻尼D1887 20 NPN 彩行1500V 10 70WD1930 21 NPN 达林顿100V 2A 1.2W 达林顿D1975 53A NPN 音频功放180V 15A 150W B1317 BU2532AW 30 NPN 开关功放1500V 15A 150W D1978 21 NPN 达林顿120V 1.5A 0.9WD1994A EBC NPN 音频驱动60V 1A 1WBD237 29 NPN 音频功放100V 2A 25W BD238 BD238 29 PNP 音频功放100V 2A 25W BD237 BU2520AF 30 NPN 开关功放1500V 10A 150W 1/500NSBU2520DF 30 NPN 开关功放1500V 10A 150W 1/500NSBU2520DX 30 NPN 开关功放1500V 10A 50W 600NSBUH515 BCE NPN 行管1500V 10A 80WBUH515D BCE NPN 行管1500V 10A 80WBUS13A 12 NPN 开关功放1000V 15A 175WD1997 45B NPN 激励管40V 3A 1.5W 100MHZD2008 EBC NPN 音频功放80V 1A 1.2WD2012 BCE NPN 音频功放60V 3A 2W 3MHZD2136 EBC NPN 功放80V 1A 1.2WD2155 53A NPN 音频功放180V 15A 150WD2256 46 NPN 达林顿功放120V 25A 125W B1494 D2334 28B NPN 彩行1500V 5A 80WD2335 BCE NPN 彩行1500V 7A 100W 带阻尼D2349 BCE NPN 大屏彩显行管1500V ±10A 50WD1959 BCE NPN 彩行1400V 10A 50WD2374 BCE NPN 功放开关60V 3A 25W 30MHZD2375 BCE NPN 高放大倍数80V 3A 25W 50MHZD2388 EBC NPN 达林顿90V 3A 1.2WD2445 BCE NPN 彩行1500V 12.5A 120WD2498 BCE NPN 彩行1500V 6A 50WD2588 BCE NPN 点火器用DK55 BCE NPN 开关400V 4A 60WBC307 21a PNP 通用50V 0.2A 0.3WBC327 CBE PNP 低噪音频50V 0.8A 0.625W BC337 BC337 21a NPN 音频激励低噪50V 0.8A 0.625W BC327 BC338 21a NPN 通用激励50V 0.8A 0.6WBC546 21a NPN 通用80V 0.2A 0.5WBC547 CBE NPN 通用50V 0.2A 0.5W 300MHZBD135 29 NPN 音频功放45V 1.5A 12.5WBD136 29 PNP 音频功放45V 1.5A 12.5W BD137 BD137 29 NPN 音频功放60V 1.5A 12.5W BD136 BD138 29 PNP 音频功放60V 1.5A 12.5W BD139 BD139 29 PNP 音频功放80V 1.5A 12.5W BD138 BUS14A 12 NPN 开关功放1000V 30A 250WBUT11A 28 NPN 开关功放1000V 5A 100WBD243 28 NPN 音频功放45V 6A 65W BD244 BD244 28 PNP 音频功放45V 6A 65W BD243 BD681 29 NPN 达林顿功放100V 4A 40W BD682 BD682 29 PNP 达林顿功放100V 4A 40W BD681 BF458 29 NPN 视放250V 0.1A 10WBU208A 12 NPN 彩行1500V 5A 12.5WBU208D 12 NPN 彩行1500V 5A 12.5WBU323 28 NPN 达林顿功放450V 10A 125WBU406 28 NPN 行管400V 7A 60WBU508A 28 NPN 行管1500V 7.5A 75WBU508A 28 NPN 行管1500V 7.5A 75WBU508D 28 NPN 行管1500V 7.5A 75WBU806 28 NPN 功放400V 8A 60WBU932R 12 NPN 功放500V 15A 150WBUT12A 28 NPN 开关功放450V 10A 125WBU941 12 NPN 功放开关500V 15A 175W 达林顿BU1508DX 28 NPN 开关功放1500V 8A 35WBU2506DX 30 NPN 开关功放1500V 7A 50W 600NSBU2508AF 30 NPN 开关功放1500V 8A 125W 600NSBU2508AX 30 NPN 开关功放1500V 8A 125W 600NSBU2508DF 30 NPN 开关功放1500V 8A 125W 600NSBU2508DX 30 NPN 开关功放1500V 8A 50W 600NSBUV26 28 NPN 音频功放开关90V 14A 65W 250NSBU2522AF 30 NPN 开关功放1500V 11A 150W 350NSMJ15024 12 NPN 音频功放开关 400V 16A 250W 4MHZ MJ15025 MJ15025 12 PNP 音频功放开关400V 16A 250W 4MHZ MJ15024 MJE271 29 PNP 达林顿100V 2A 15W 6MHZBUV28A 28 NPN 音频功放开关225V 10A 65W 250NSBUV48A 30 NPN 音频功放开关450V 15A 150WBUW13A 30 NPN 功放开关1000V 15A 150WBUX48 12 NPN 功放开关850V 15A 125WBUX84 30 NPN 功放开关800V 2A 40WBUX98A 12 NPN 功放开关400V 30A 210W 5MHZDK55 28 NPN 功放开关400V 4A 65WDTA114 PNP 10K-10K 160V 0.6A 0.625WDTC143 NPN 录像机用 4.7kHPA100 BCE NPN 大屏彩显行管1500V 10A 150WHPA150 BCE NPN 大屏彩显行管1500V 15A 150WHSE830 BCE PNP 音频功放80V 115W 1MHZ HSE800 HSE838 BCE NPN 音频功放80V 115W 1MHZ HSE830 MN650 BCE NPN 行管1500V 6A 80WMJ802 12 NPN 音频功放开关90V 30A 200W MJ4502 MJ2955 12 PNP 音频功放开关60V 15A 115W MJ3055 MJ3055 12 NPN 音频功放开关60V 15A 115W MJ2955 MJ4502 12 PNP 音频功放开关90V 30A 200W MJ802 MJ10012 12 NPN 达林顿400V 10A 175WMJ10015 12 NPN 电源开关400V 50A 200WMJ10016 12 NPN 电源开关500V 50A 200WMJ10025 12 电源开关850V 20A 250WMJ11032 12 NPN 电源开关120V 50A 300W MJ11033 MJ11033 12 PNP 电源开关120V 50A 300W MJ11032 MJ13333 12 NPN 电源开关400V 20A 175WMJ11015 12 PNP 铁达林顿500V 10AMJ14003 12 PNP 铁MJE340 29 NPN 视放300V 0.5A 20W MJE350 MJE350 29 PNP 视放300V 0.5A 20W MJE340 MJE2955T BCE PNP 音频功放开关60V 10A 75W 2MHZ MJE3055T MJE3055T BCE NPN 音频功放开关70V 10A 75W 2MHZ MJE2955T MJE5822 BCE PNP 音频功放开关500V 8A 80WMJE9730 BCE NPNMJE13003 29 NPN 功放开关400V 1.5A 14WMJE13005 28 NPN 功放开关400V 4A 60WMJE13007 28 NPN 功放开关1500V 2.5A 60WKSE800 28 NPN 达林顿140V 4A 20WTIP31C BCE NPN 功放开关100V 3A 40W 3MHZ TIP32 TIP32C BCE PNP 功放开关100V 3A 40W 3MHZ TIP31 TIP35C 30 NPN 音频功放开关100V 25A 125W 3MHZ TIP36 TIP36C 30 PNP 音频功放开关100V 25A 125W 3MHZ TIP35 TIP41C 30 NPN 音频功放开关100V 6A 65W 3MHZ TIP42 TIP42C 30 PNP 音频功放开关100V 6A 65W 3MHZ TIP41 TIP102 28 NPN 音频功放开关100V 8A 2WTIP105 28 PNP 音频功放开关60V 15A 80W 达林顿TIP122 28 NPN 音频功放开关100V 5A 65W TIP127 TIP127 28 PNP 音频功放开关100V 5A 65W TIP122 TIP137 28 PNP 音频功放开关100V 8A 70W TIP132 TIP142 30 NPN 音频功放开关100V 10A 125W TIP147 TIP142大30 NPN 音频功放开关100V 10A 125W TIP147 TIP147 30 PNP 音频功放开关100V 10A 125W TIP142TIP147大30 PNP 音频功放开关100V 10A 125W TIP142 TIP152 BCE 电梯用达林顿400V 3A 65WTL431 21 电压基准源BT33 电压结晶体管UGN3144 SGO 霍尔开关60MIAL1 电磁/微波炉1000V 60A 300WT30G40 BCE NPN 大功率开关管400V 30A 300W5609 21 NPN 音频低频放大50V 0.8A 0.625W 5610 5610 21 PNP 音频低频放大50V 0.8A 0.625W 5610 9626 21 NPN 通用。
9013 9012npn型的电晶体是以电洞(带正电)为多数载子,pnp则相反是以电子(带负电)为多数载子,而在控制电晶体动作上必须利用电流的顺向偏压或逆向偏压来操作,所以在接点所需的电压大小及正负值必须要正确才能驱动电晶体的动作电晶体是一种固态装置元件,它具有体积小、效率高、寿命长及速度快等优点。
近年来由于技术的进步,已有大量的耐高压、能承受大功率的晶体被制造出来,因此电晶体在功率放大上,一直扮演着重要的角色。
3-4-1电晶体的结构电晶体的结构很像二极体,不过比二极体多出了一个接合面。
如图3-15(a)所示,将二层n型半导体,中间夹以一层很薄的p 型半导体,即成npn型电晶体;或将二层p型半导体,中间夹以一层很薄的n型半导体,即成pnp型电晶体。
将电晶体的三层晶片都分别列出接线成为电极,中间一片称为基极(base,b),另两极分别称为射极(emitter,e) 及集极(collector,c)。
射极能发射多数载体,基极可控制流向集极之多数载体的数量。
集极则能收集射极发射的多数载体,如图3-15(b)所示,为电晶体的符号,射极之箭头向外的为npn型;射极之箭头向内的为pnp型。
NPN和PNP主要就是电流方向和电压正负不同,说得“专业”一点,就是“极性”问题。
NPN 是用B→E 的电流(IB)控制C→E 的电流(IC),E极电位最低,且正常放大时通常C极电位最高,即VC > VB > VEPNP 是用E→B 的电流(IB)控制E→C 的电流(IC),E极电位最高,且正常放大时通常C极电位最低,即VC < VB < VE总之VB 一般都是在中间,VC 和VE 在两边,这跟通常的BJT 符号中的位置是一致的,你可以利用这个帮助你的形象思维和记忆。
而且BJT的各极之间虽然不是纯电阻,但电压方向和电流方向同样是一致的,不会出现电流从低电位处流行高电位的情况。
如今流行的电路图画法,通常习惯“男上女下”,哦不对,“阳上阴下”,也就是“正电源在上负电源在下”。
场景描述OTL电路的主要特点有是采用单电源供电方式, 输出端直流电位为电源电压的一半;输出端与负载之间采用大容量电容耦合,扬声器一端接地,具有恒压输出特性。
本任务流程如图3-1-1所示。
一、实训工具及器材准备完本钱次实训任务所需工具及器材见表3-1-1。
〔一〕电路原理的熟悉图3-1-1 任务流程图典型OTL 音频功率放大器组装与维修1、电路特点图3-1-2简易OTL功放电路原理图本功放电路构造简单,元件易购,本钱低廉,原理典型,非常适合初学者组装学习。
电路包括:A.电压放大器:将输入的微小音乐信号加以放大,通常采用共射级放大,图中以VT1、VT2为核心组成的放大电路完成电压放大功能。
B.功率放大:功率放大级电路是用来提高电路的工作效率,通常共射级放大的输出电流很小,所以通过功放局部来推动喇叭。
图中以VT3、VT4为核心组成的电路完成功率放大功能。
C.偏压装置:偏压装置为功率三极管提供正向偏压,使功率放大级电路工作于AB类放大状态,防止产生交越失真。
图中VD5和R8为功放提供偏压,其中VD5具有负温特性,用以补偿功放管因温度升高引起电流增大。
改变R8的阻值可以改变功放管的静态电流。
D.负反响电路:利用负反响的特性,控制整个放大电路的增益,提高电路稳定性。
其中R4为放大器提供交直流负反响,R5、C4对反响的交流信号起分流作用,改变R4与R5的比值可以改变放大器的增益。
2、电路原理和各元件的作用音量控制:由RP电位器调节,根据串联电路的分压原理知,当旋转电位器时获取的输入电压将发生改变,从而改变了音量的大小。
第一级共射极放大器:由R1、R2、R3、R4、R5、C3、C4、VT1组成。
R1、R2为VT1提供偏置电压,改变二者的比值可以改变功放输出点的电压〔正常要求为电源电压的一半〕。
C3为输入隔直耦合电容。
R3是VT1的负载电阻,VT1和VT2是直流耦合,通过C3输入的信号经VT1放大后,直接送到VT2进展放大。
9013三极管编辑词条9013是一种NPN型小功率三极管。
三极管,是半导体基本元器件之一,具有电流放大作用,是电子电路的核心元件。
三极管是在一块半导体基片上制作两个相距很近的PN 结,两个PN结把整块半导体分成三部分,中间部分是基区,两侧部分是发射区和集电区。
三极管的排列方式有PNP和NPN两种。
s9013 NPN三极管主要用途:作为音频放大和收音机1W推挽输出以及开关等。
中文名9013三极管作用电流放大材料硅外文名9013 triode应用收音机的1W推挽输出,音频放大类型NPN型目录•1型号对比•2引脚参数1型号对比编辑s9014,s9013,s9015,s9012,s9018系列的晶体小功率三极管,把显示文字平面朝自己,从左向右依次为e发射极b基极c集电极;对于中小功率塑料三极管按图使其平面朝向自己,三个引脚朝下放置,则从左到右依次为e b c,s8050,8550,C2078 也是和这个一样的。
用下面这个引脚图(管脚图)表示:三极管引脚图e b c当前,国内各种晶体三极管有很多种,管脚的排列也不相同,在使用中不确定管脚排列的三极管,必须进行测量确定各管脚正确的位置(下面有用万用表测量三极管的三个极的方法),或查找晶体管使用手册,明确三极管的特性及相应的技术参数和资料。
非9014,9013系列三极管管脚识别方法:(a) 判定基极。
用万用表R×100或R×1k挡测量管子三个电极中每两个极之间的正、反向电阻值。
当用第一根表笔接某一电极,而第二表笔先后接触另外两个电极均测得低阻值时,则第一根表笔所接的那个电极即为基极b。
这时,要注意万用表表笔的极性,如果红表笔接的是基极b。
黑表笔分别接在其他两极时,测得的阻值都较小,则可判定被测管子为PNP型三极管;如果黑表笔接的是基极b,红表笔分别接触其他两极时,测得的阻值较小,则被测三极管为NPN型管如9013,9014,9018。
(b) 判定三极管集电极c和发射极e。
9013 - NPN型三极管的功能解析一、9013 - NPN型三极管结构NPN型三极管由两块N型和一块P型半导体构成,如图所示,P型半导体在中间,两块N型半导体在两侧,各半导体所引出的电极见图中所示。
在P型和N型半导体的交界面形成两个PN结,形成三个区,中间部分成为基区,相连电极成为基极,用b表示,两侧分别是发射区和集电区,相连电极分别为发射极和集电极。
在基极与集电极之间的PN结称为集电结,在基极与发射极之间的PN结称为发射结。
二、9013 - NPN型三极管的主要参数1.电流放大倍数/β和β 前面的电路中,三极管的发射极是输入输出的公共点,称为共射接法,相应地还有共基、共集接法。
共射直流电流放大倍数: 工作于动态的三极管,真正的信号是叠加在直流上的交流信号。
基极电流的变化量为DIB,相应的集电极电流变化为DIC,则交流电流放大倍数为: 2.集-基极反向截止电流I CBO I CBO是集电结反偏由少子的漂移形成的反向电流,受温度的变化影响。
3. 集-射极反向截止电流I CEO I CEO= βI BE+I CBO I CEO受温度影响很大,当温度上升时,I CEO增加很快,所以I C也相应增加。
三极管的温度特性较差。
4.集电极最大电流I CM 集电极电流I C上升会导致三极管的β值的下降,当β值下降到正常值的三分之二时的集电极电流即为I CEO。
5.集-射极反向击穿电压当集---射极之间的电压U CE超过一定的数值时,三极管就会被击穿。
手册上给出的数值是25℃、基极开路时的击穿电压U(BR)CEO。
6. 集电极最大允许功耗P CM NPN型三极管的测量如图所示。
将负表笔接三极管的某一管脚,正表笔分别接另外两个管脚,测量得到两个阻值。
如果测得的两个阻值均较小,且为5kΩ左右时,则负表笔所接管脚即为NPN型三极管的基极。
若测得的两阻值一大一小或都大,可将负表笔另接一管脚再试,直到两阻值均较小为止。
9012、9013 OTL分立元件功放电路图
9012、9013 OTL分立元件功放电路图
Q1是激励放大管,它给功率放大输出级以足够的推动信号;R1、RP2是Q1的偏置电阻;R3、D1、RP3串联在Q1集电极电路上,为Q3提供偏置,使其静态时处于微导通状态,以消除交越失真;C3为消振电容,用于消除电路可能产生的自激;Q2、Q3是互补对称推挽功率放大管,组成功率放大输出级;C2、R4组成“自举电路”,R4为限流电阻。
电路调试
接上3-6V直流电源,调节RP2,使Q2、Q3中点电压为1/2电源电压;调节RP3,使功放输出级静态电流为5-8mA;反复调节RP2、RP3使其两个参数均达到上述值。