静力压桩工程检验批质量验收记录表
- 格式:docx
- 大小:17.49 KB
- 文档页数:2
锚杆静压桩检验批质量验收记录一、项目信息项目名称:项目地点:项目负责人:施工单位:监理单位:验收日期:二、前期准备工作1. 施工单位应根据设计要求制定施工方案,并获得监理单位的审核和批准。
2. 施工单位按照施工方案进行现场准备工作,包括清理施工场地、搭建必要的设施和准备施工所需的材料。
3. 监理单位应根据设计要求进行现场勘察和踏勘,并对施工单位的准备工作进行检查和验收。
三、施工过程1. 施工单位按照设计要求进行锚杆静压桩的施工工艺操作,包括孔洞钻探、灌注杆身、压浆封固等过程。
2. 施工单位应使用符合国家标准的设备和工具进行施工作业,并保证操作人员具备相应的资质和培训。
3. 监理单位应对施工过程进行监督和检查,并及时提出质量问题或施工不合格情况。
四、质量验收过程1. 施工完成后,施工单位应对锚杆静压桩进行自检。
2. 监理单位对施工完成的锚杆静压桩进行抽查和检测,确认其质量符合设计要求和国家标准。
3. 验收过程中,监理单位应对施工单位的施工记录、材料使用情况、工艺操作过程等进行审核和验收。
五、验收结果与意见1. 验收结果应明确指出锚杆静压桩的质量验收合格或不合格。
2. 若验收不合格,应详细列出质量问题和不符合的情况,并提出整改要求和措施。
六、验收报告1. 验收报告应包括项目信息、前期准备工作、施工过程、质量验收过程、验收结果与意见等内容,详细记录整个验收过程。
2. 验收报告由监理单位编写,施工单位和项目负责人应对报告的内容进行确认和签字。
3. 监理单位应将验收报告及相关资料进行归档保管,以备工程竣工验收和后期维护使用。
以上为锚杆静压桩检验批质量验收记录的基本内容,通过严格的质量验收过程和规范的文档记录,能够确保锚杆静压桩施工质量符合设计要求和国家标准,为后续工程的安全和可靠性提供保障。
土方开挖工程检验批质量验收记录表GB50202-2002土方回填工程检验批质量验收记录表GB50202-2002排桩墙支护工程检验批质量验收记录表(重复使用钢板桩)GB50202-2002(Ⅰ)排桩墙支护工程检验批质量验收记录表(混凝土板桩)GB50202-2002(Ⅱ)降水与排水工程检验批质量验收记录表GB50202-2002混凝土灌注桩(钢筋笼)工程检验批质量验收记录表GB50202-2002灰土地基工程检验批质量验收记录表GB50202-2002砂和砂石地基检验批质量验收记录表GB50202-2002土工合成材料地基工程检验批质量验收记录表GB50202-2002粉煤灰地基工程检验批质量验收记录表GB50202-2002强夯地基工程检验批质量验收记录表GB50202-2002振冲地基工程检验批质量验收记录表GB50202-2002砂桩地基工程检验批质量验收记录表GB50202-2002预压地基工程检验批质量验收记录表GB50202-2002静力压桩工程检验批质量验收记录表GB50202-2002010310注浆地基检验批质量验收记录表GB50202-2002GB50202-2002夯实水泥土桩复合地基工程检验批质量验收记录表GB50202-2002水泥土搅拌桩地基工程检验批质量验收记录表GB50202-2002静力压桩工程检验批质量验收记录表GB50202-2002凝土预制桩(钢筋骨架)工程检验批质量验收记录表GB50202-2002钢桩(成品)工程检验批质量验收记录表GB50202-2002(Ⅰ)3H钢桩的方正度h>300h<300T+T´≤8T+T´≤64端部平面与桩中心线的倾斜值(mm)≤2施工单位检查评定结果专业工长(施工员)施工班组长项目专业质量检查员:年月日监理(建设)单位验收结论专业监理工程师:(建设单位项目专业技术负责人):年月日GB50202-2002010404单位(子单位)工程名称分部(子分部)工程名称验收部位施工单位项目经理分包单位分包项目经理施工执行标准名称及编号施工质量验收规范的规定施工单位检查评定记录监理(建设)单位验收记录主控项目1桩位偏差第5.1.3条2承载力设计要求GB50202-2002(Ⅰ)混凝土灌注桩工程检验批质量验收记录表GB50202-2002混凝土检验批质量验收记录表GB50208-2002010501水泥砂浆防水层检验批质量验收记录表GB50208-2002010502卷材防水层检验批质量验收记录表GB50208-2002010503涂料防水层检验批质量验收记录表GB50208-2002金属板防水层检验批质量验收记录表GB50208-2002塑料板防水层检验批质量验收记录表GB50208-2002细部构造检验批质量验收记录表GB50208-2002锚喷支护检验批质量验收记录表GB50208-2002复合式衬砌检验批质量验收记录表GB50208-2002地下连续墙检验批质量验收记录表GB50208-2002盾构法隧道检验批质量验收记录表GB50208-2002渗排水、盲沟排水检验批质量验收记录GB50208-2002隧道、坑道排水检验批质量验收记录表GB50208-2002预注浆、后注浆检验批质量验收记录表GB50208-2002衬砌裂缝注浆检验批质量验收记录表GB50208-2002模板安装工程检验批质量验收记录表GB50204-2002(Ⅰ)。
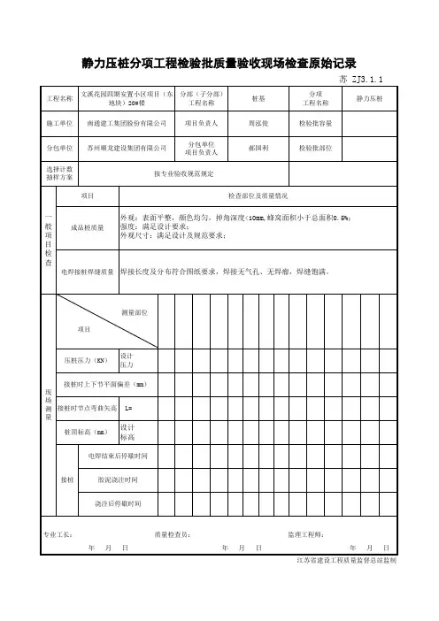
123456789101按基桩检测技术规范100+0.01H 150+0.01H210031/2桩径或边长1/3桩径或边长1/2桩径或边长3按基桩检测 技术规范123456789105.2.5条5.4.5条2焊缝质量5.5.4-2条电焊结束后停歇时间>1.0min 胶泥浇注时间<2min 浇注后停歇时间>7min45±5%<10mm <1/1000L(mm)7±50mm静力压桩工程检验批质量验收记录1.1.9地基-15工程名称施工单位施工执行标准名称及编号分包单位主控项目2一般项目13硫磺胶泥质量(半成品)接桩外 观外形尺寸强 度电焊接桩6施工单位检查评定结果桩顶标高压桩压力(设计有要求时)接桩时上下节平面偏差接桩时节点弯曲矢高桩体质量检查桩 位偏 差承载力成品桩质量14盖有基础梁的桩硫磺胶泥 接 桩(1)垂直基础梁的中心线(2)沿基础梁的中心线(1)最外边的桩(2)中间桩电焊条质量桩数为1~3根桩基中的桩桩数为4~16根桩基中的桩大于16根桩基中分包项目经理项目专业质量检查员:施工单位检查评定记录施工单位检查评定记录规范规定规范规定 (设计要求)施工班组长640115验收部位项目经理专业工长监理(建设)单位验收结论监理工程师(建设单位项目技术负责人):注:本表由施工项目专业质量检查员填写,监理工程师(建设单位项目技术负责人)组织项目专业质量检查员等进行验收。
监理(建设)单位验收记录年 月 日年 月 日。