桥墩砼浇筑注意事项交底解读
- 格式:doc
- 大小:183.50 KB
- 文档页数:16
桥墩施工安全技术交底1. 引言在桥梁建设过程中,桥墩施工是一项重要的环节。
该环节不仅涉及到施工效率及工期进度,更关乎着施工过程中对施工人员的安全保障。
因此,在桥墩施工的过程中,必须要严格遵守安全操作规程,做好施工安全技术交底工作。
2. 施工准备在进行桥墩施工之前,必须根据实际情况制定详细的施工方案,切实做好施工准备。
具体要求如下:1.施工方案的制定制定施工方案是桥墩施工的前提条件。
要根据桥墩的具体情况,制定合理的施工方案,并在方案中详细说明各个环节的安全措施。
2.施工人员的选派在施工前,要经过严格的选拔和培训,对施工人员进行必要的技能和安全操作规程的培训,确保对施工操作的熟悉和安全的掌握。
3.工程材料的准备根据施工方案,保证工程材料的准备充分、质量过关,材料到位后进行验收,以免对施工进度和施工质量产生影响。
4.检查施工设备和安全工具在施工前,应对使用的机械设备、工具、安全设备等进行检查和维护,确保操作便捷、准确、安全,有效保障施工班组人员的人身安全以及保证施工质量。
3. 桥墩施工安全要点桥墩施工时,需根据具体情况,加强对安全要点的重视。
以下是桥墩施工安全要点:1.施工前的安全措施桥墩施工前,应根据施工方案,进行必要的路面交通养路分析,对施工现场周边的交通道路进行处理,做好施工现场标识、警告标志、控制标识等,以达到对周边人行车的警示和保障施工现场的物资和人员交通的流畅性。
2.施工现场的安全措施在桥墩施工现场,应根据施工方案要求,严格执行安全操作规程,对施工现场进行布局,确保施工人员的安全。
施工中需要注意材料的搬运、起重、吊装、固定等的安全,同时要对施工现场内外的险情和危险因素进行监控、排除和预防。
3.施工后的安全措施桥墩施工完成后,应对现场进行清理,保守现场图纸等资料,保障桥墩施工后的环境安全和现场资料没有丢失或遗失。
4. 桥墩施工的安全注意事项在桥墩施工的过程中,需要注意以下几点:1.严格执行安全操作规程桥墩施工过程中,施工人员必须严格遵守安全操作规程,确保施工过程安全。
墩身砼浇筑技术交底墩身砼浇筑技术交底一、编制依据《铁路桥涵工程施工质量验收标准》《铁路混凝土与砌体工程施工质量验收标准》《铁路混凝土工程施工质量验收补充标准》《铁路工程施工质量验收标准应用指南》《向莆铁路永泰至莆田端站前工程施工图》《向莆铁路高性能混凝土作业指导书》二、工艺流程测量放样→钢筋安装→模板安装→浇筑砼→养生三、施工工艺及要求1、墩身模板及钢筋安装前,由测量人员对墩身进行精确放样,放样后用墨线弹出墩身横纵十字线,由技术人员对承台顶标高进行复合,满足设计及规范要求后方可进行下一工序施工。
2、钢筋安装严格按设计图纸及规范要求,钢筋型号、钢筋间距、预埋钢筋位置数量必须准确。
钢筋保护层厚度必须保证,垫块大于4个/m2,垫块必须用砼垫块(同标号)。
墩身综合接地钢筋严格按综合接地技术交底预埋。
钢筋若有焊接则必须满足规范要求,单面焊大于10倍钢筋直径,双面焊大于5倍钢筋直径,钢筋接头在同一截面小于钢筋截面总面积的50%,接头35倍钢筋直径且50cm范围内视为同一截面。
报监理工程师检验合格后方可进行下一工序施工。
钢筋安装及钢筋保护层厚度允许偏差及检验方法3、模板安装前对承台顶凿毛及钢筋安装时的各种杂物清除干净,模板打磨及涂刷隔离剂,墩身采用定型钢模。
模板安装严格按承台顶所弹墨线安装,第一层模板安装完成后由技术人员对其进行标高测量,以保证模板顶在同一水平面。
模板安装加双面胶以防漏浆。
墩台模板允许偏差和检验方法模板安装完成后报监理工程师检验合格后方可进行下一工序施工。
4、砼浇筑采用泵送或吊车浇筑(根据墩身高度确定),若用吊车浇筑,采用2吊车在墩身大程与小里程对称浇筑,浇筑采用串筒,保证砼自由倾落高度小于2m,砼浇筑前在承台顶面浇少量水但不存明水润湿。
砼用料必须采用符合要求的原材料,其中水泥强度等级不低于42.5级的硅酸盐水泥或普通硅酸盐水泥,比表面积小于350m2/kg,cl-含量小于水泥重的0.1%,游离氧化钙含量小于1%,碱含量小于0.8%,细骨料有害物质含量:含泥量(按质量计)小于等于2.5%,泥块含量小于等于0.5%,云母含量小于等于0.5%,轻物质含量小于等于0.5%,氯离子含量小于0.02%。
桥梁墩身砼浇筑施工技术交底一、施工准备承台及基础施工完毕后,使用全站仪精确定出墩中心,水平仪测出承台及基础顶标高,仔细复核后在承台表面进行标记,做为施工依据。
承台及基础与墩台身连接范围内应凿毛彻底,直至露出新鲜石子面为止,将承台顶面浮浆凿除,冲洗干净,整修连结钢筋.并在承台及基础顶面测定中线、水平,标出墩台底面位置。
测量定位后开始墩身施工。
二、脚手架施工1、平台搭设施工顺序:在承台上弹线、立杆定位→摆放扫地杆→立杆和扫地杆扣紧→搭扫地小横杆并与立杆等扣紧→装第一步大横杆并与个立杆扣紧→搭第一步小横杆→装第二步大横杆并与个立杆扣紧→搭第二步小横杆→加设斜撑杆→逐层往上搭→最后铺设脚手板、帮扎防护及踢脚板并挂安全网。
2、搭设脚手架1)、脚手架搭设时要注意预留墩身模板的位置,模板不能紧靠脚手架,防止模板安装时互相碰撞造成危险;脚手架搭设高度大于墩身高度1m,并在高出墩身的一米处加设防护栏杆。
2)、墩身脚手架采用双排脚手架,排距在0.8m左右,立杆步距1。
2m,大横杆步距1.5m;大横杆与立杆用十字扣连接,小横杆与大横杆间用回转扣连接,在小横杆上铺设5cm厚的脚手板,用铁丝将脚手板与小横杆绑牢.3)、脚手架最外一排立杆两侧加剪力撑加固,剪力撑与立杆成45°~60°角,用回转扣件与立杆牢固连接;剪力撑搭接长度不小于1m,并用3个扣件连接.4)、脚手架立杆不允许搭接(最上层防护栏杆除外).5)、脚手架搭设完成后,最外一排立杆内侧用安全网围护,操作面下20cm用水平防落网围护,安全网与防落网均须与脚手架牢固连接并拉紧。
3、安全网挂设要求:安全网应挂设严密,用14号铁丝绑扎牢固,两网连接处应绑在同一立杆上;安全网要挂设在脚手架立杆内侧。
4、注意事项1)、立杆垂直度偏差不得大于架高的1/200;2)、立杆接头必须采取对接扣件(顶部防护栏杆除外);3)、立杆顶端要高出墩顶1m;4)、脚手架底部必须设纵、横向扫地杆,纵向扫地杆应用直角扣件固定在立杆上,横向扫地杆应用直角扣件固定在紧靠纵向扫地杆下方的立杆上;5)、大横杆设于小横杆之下,在立杆内侧用直角扣件与立杆扣紧,大横杆长度不宜小于3跨,并不小于6m;6)、大横杆采用对接扣件连接,对接应符合以下要求:对接接头应交错布置,不应设在同步、同跨内,相邻接头水平距离不应小于500mm.并应避免设在纵向水平跨的跨中。
桥梁混凝土浇筑安全技术交底
一、基础、承台、台身、台帽、盖梁混凝土浇筑安全技术要求:
1.施工前,应仔细检查脚手架、上下扶梯、工作平台是否安全可靠。
2.搅拌机的节点是否安全可靠,绝缘接地装置是否良好;外露装置应有防护罩,并进行试运转。
3.振动器必须设专门防护性接地导线,并在电源接插板上安装漏电保护器。
4.搅拌机操作人员应戴口罩;搬运水泥人员应戴手套和口罩,必要时应戴防护眼镜。
振动器操作人员必须穿胶鞋。
5.搅拌机应由持证人员专人操作,发生故障,应立即停电修理,运转时严禁将铁锹等伸入搅拌筒内。
6.夜间施工照明充足,基坑和潮湿地点应使用低压照明电源。
7.运输车辆的方向、制动、灯光等安全装置应进行检查,确保性能保持良好。
二、预应力梁后张拉法安全技术要求:
1.在张拉前,要检查混凝土强度、预应力筋、锚具是否合格,如手续不全或产品不合格停止张拉。
2.操作地点必须清理一切障碍物,并适当平整场地。
3.张拉时,构件两端不准站人,并设防护罩。
4.在束的端头延长线15米及两侧各1.5米作为禁区,要设立明显标志,并用带小旗的绳子围栏。
5.严禁非张拉人员进入张拉现场,张拉人员操作时必须站在构件的两端。
张拉时严禁在应力钢筋的端部以及中间行走和操作。
6.在张拉中必须注意不正常发生情况出现,发生故障,立即停止张拉,故障排除后方可继续张拉。
7.灌浆时,掌握喷嘴的人员必须戴防护眼镜、手套、穿雨鞋;喷嘴插入孔道要连接牢固后才能开动喷浆泵。
桥梁混凝土浇筑施工安全技术交底一、施工前准备工作桥梁混凝土浇筑施工前,需要进行以下准备工作:1. 检查模板混凝土浇筑的模板需要检查是否符合设计要求,尺寸是否准确,表面是否光滑,支撑是否稳定等等。
如有问题需要及时修改或更换,避免在浇筑过程中出现问题。
2. 检查气温混凝土浇筑施工的气温一般要求在5℃以上,否则会影响混凝土的坍落度和硬化时间,过低的气温还会导致混凝土结冰。
3. 检查浇注区域需要检查浇筑区域是否平整,有无积水或泥泞现象,是否存在桥梁沉降等问题。
4. 安排人员安排足够的人员进行施工。
工作人员需经过专业培训,熟悉混凝土浇筑的基本知识和安全操作要点。
二、施工中应注意的安全问题1. 防护设施需要在浇筑区域周围设置围栏和警示标志,保护工作人员和路人的安全。
2. 配置安全工具混凝土浇筑过程中,需要用到安全带、安全网、安全脚手架等设备,以保障工作人员的安全。
3. 使用工具使用吊装设备、水泵等工具时,需确保其牢固可靠,操作人员应持有相应的操作证书,按照操作规程进行操作。
4. 维持清洁施工现场需要保持干净整洁,减少误伤和滑倒等事故的发生。
三、浇筑后处理1. 停止工作浇筑完成后,需要及时停止设备吊装操作和混凝土输送作业。
2. 维持稳定混凝土浇筑完成后,需要等待一定时间以便其稳定,如需对混凝土进行打磨或修整等操作,需在混凝土初凝后进行。
3. 清理工具施工工具需要及时清洗归位,土方材料需要清理干净,以维护施工现场的整洁。
以上是桥梁混凝土浇筑施工安全技术交底的基本内容,如有补充需要则在工程中予以决定。
墩身混凝土施工技术交底随着桥梁施工的继续,各工区陆续进入桥梁墩身的施工过程中,为更好的组织施工和控制质量,特编制此关于墩身施工技术交底。
一、作业准备在开工前组织技术人员认真学习实施性施工组织设计,阅读、审核施工图纸,澄清有关技术问题,熟悉规范和技术标准。
现场施工机械、人员配置满足施工需要。
二、施工程序与工艺流程(1)、模板安装完毕后,对其平面位置、顶部标高、垂直度进行严格检查,浇注前清除模型内污泥及杂物,并检查内撑、拉螺杆及缆风索的稳固性,经监理工程师验收合格后方可浇注混凝土。
(2)、混凝土拌制前,先测定砂、石含水率,根据测试结果提供施工配合比,施工过程中严格控制配合比。
(3)、混凝土一次性浇注成型,浇筑时用串筒,串筒底到承台顶的距离不大于2m,串筒下口采用麻布接到砼面,以免因混凝土落差大产生离析。
双串筒对称布置,先中间后四周的原则灌注,人力下墩底整平捣固,混凝土采取分层浇注、分层捣实的施工方法,每层厚度不超过30cm。
(4)、插入式振捣器移动间距不宜大于振捣器作用半径的1.5倍,且插入下层混凝土内的深度宜为5-10cm。
振捣时间以混凝土面不再下沉、不冒气泡并泛水泥浆为止,插入时间以20-30s为宜,时间过长容易产生离析。
振捣时不得碰撞模板、钢筋、预埋件等。
浇筑混凝土过程,如实详细地填写混凝土施工记录,做好混凝土试件。
(5)、砼浇注过程中注意观察模板及钢筋,发现松动、变形、移位应及时处理。
(6)、砼浇筑全部完成后立即插埋连接钢筋,再用木抹子抹干砼面,待表面发白后墩柱外侧用铁抹子压光。
(7)、砼未凝固前将墩柱圆弧范围内划毛,以便墩柱新浇砼同承台先浇砼更好地粘接。
(8)、待砼浇注后第二天拆除模板,整个工序同支模相反。
模板拆除时应轻拆轻放,严禁撬、砸、碰撞砼表面和棱角。
(9)、每块模板拆除后应立即对其表面、周边进行清理,除去砼块和水泥浆,所有材料运入下一施工点备用。
(10)、墩身砼养护在拆模浇水后采用塑料薄膜缠绕养护,墩顶采用麻布覆盖养护,混凝土养护时间不得小于14天。
桥梁墩身砼浇筑施工技术交底郴宁十二标二工区桥梁混凝土浇筑的安全质量技术交底一、墩台身混凝土浇注本工区所有墩身混凝土采用自动计量拌合站集中拌制,混凝土运输车运送至现场,由吊车吊至墩台顶,再通过漏斗、溜筒灌入墩身内。
为确保混凝土的供应,项目部配备6台混凝土运输车进行混凝土运送。
1、浇注混凝土前,检查模板、钢筋、沉降观测点及预埋件、预留孔的位置和保护层的尺寸,确保位置正确不发生变形。
2、混凝土所采用的各项材料均应进行检验,合格后方可投入使用。
3、浇注混凝土要分层进行(对于空心墩台要两侧对称分层浇注),其厚度(指捣实的厚度)应根据拌制的能力、运输条件、浇注速度、振捣能力的结构要求等条件决定,一般不超过50cm。
4、混凝土浇注连续进行。
当因故间歇时,其间歇时间要尽量缩短。
间歇时间应根据环境温度、水泥性能、水灰比和外加剂类型等条件通过试验确定。
4、当允许间歇时间已经超过时,应按浇筑中断处理,留置施工缝。
5、混凝土浇筑采用地泵泵送入模,通过串筒、漏斗等容器灌注,混凝土入模温度控制在5-30℃。
6、浇筑混凝土应使用振捣器捣实,并应符合下列规定:6.1 插入式振捣器的移动间距不宜大于振捣作用半径的1.5倍,而且插入下层混凝土内的深度宜为5~10cm。
6.2 表面振捣器的移动距离应能覆盖已振捣部分的边缘。
6.3 振捣时不得碰撞模板、钢筋和预埋件。
6.4每一振点的振捣延续时间应为20~30秒,以混凝土不再沉落,表面呈现浮浆为度。
防止振捣过度造成混凝土离析。
7、在振捣棒够不着的地方可以使用木棒、振捣铲、锤敲打模板等方法进行振捣。
二、施工缝处理1、墩身及墩顶混凝土标号不同,应分两次进行浇注。
墩身砼浇筑到墩顶砼交接处时应在模板上挂上水平线,保证施工缝水平。
2、墩顶砼施工前除掉墩身砼表面水泥薄膜和松动石子或软弱砼层,并充分湿润和冲洗干净,残留在砼表面的水予以清除。
3、在灌注前,施工缝宜先铺抹水泥浆或与砼相同的减石子砂浆一层。
桥梁墩身混凝土浇筑技术交底一.混凝土浇筑1根据设计本段墩身采用C35、C40、C50混凝土,混凝土拌合采用拌合站集中拌合,采用混凝土输送车运输,采用混凝土泵车输送至墩顶,往下浇注。
使用高性能混凝土中掺入高效减水剂,减少用水量,以提高混凝土的和易性,坍落度宜控制在14~18cm左右。
在浇筑现场每隔一段时间对混凝土的和易性和坍落度进行检查一次,并做好以下准备。
(1)墩身钢筋绑扎完,模板加固完毕经监理检查合格后,开始组织灌注混凝土。
(2)混凝土采用输送泵泵送,布料机浇筑。
泵送前用水泥砂浆湿润输送管道,以防堵管。
(3)混凝土浇筑前,必须对墩身范围内的杂物、积水进行全面清理,对模板、钢筋及预埋件位置进行认真检查,确保位置准确。
(4)混凝土浇筑的准备过程中,必须对机械设备进行全面检修,对材料准备情况进行核查,对各岗位的人员逐一落实。
二、施工缝处理1.底板按后浇带划分浇筑,不留施工缝。
2.柱施工缝留在梁下皮以上1cm。
3.墙施工缝留在板(梁)下皮以上1cm。
4.楼梯施工缝留在楼梯所在楼层休息平台、上跑(去上一层)楼梯踏步及临侧墙宽度范围之内,另一方向为休息平台宽度的1/3处。
5.施工缝为斜面时应浇筑成台阶状。
三.混凝土振捣使用30、50插入式振捣棒要快插慢拔,插点呈梅花型布置,按顺序进行,不得遗漏。
移动间距不大于振捣棒作用半径的1.5倍(50棒应为52.5cm;取50cm,30棒应为40.5cm取40cm)。
振捣上一层时插入下一层混凝土5cm以消除两层间的接缝。
四、混凝土养护、拆模1.混凝土浇灌12h以内,应对混凝土加以覆盖并浇水养护。
覆盖浇水养护应符合下列规定:(1)覆盖浇水养护应在混凝土浇筑完毕后的12h内进行。
(2)混凝土的浇水养护时间,对采用硅酸盐水泥、普通硅酸盐水泥或矿渣硅酸盐水泥拌制的混凝土,不得少于7d,对掺用缓凝型外加剂、矿物掺合料或有抗渗性要求的混凝土,不得少于14d。
(3)浇水次数应根据能保持混凝土处于湿润的状态来决定。
桥梁混凝土浇筑施工安全技术交底一、前言桥梁混凝土浇筑是桥梁工程中的重要环节,涉及到施工安全、工程质量等方面。
为确保桥梁混凝土浇筑施工的安全和顺利进行,提高员工的安全意识和操作技能,防止安全事故的发生,特制定本桥梁混凝土浇筑施工安全技术交底。
二、混凝土浇筑施工安全技术1. 施工前准备(1)施工方案:根据桥梁设计要求和施工图纸,编制详细的混凝土浇筑施工方案。
(2)施工人员培训:对施工人员进行混凝土浇筑工艺和安全操作规程的培训。
(3)施工设备检查:检查混凝土搅拌机、泵送设备、浇筑设备等是否完好,确保施工条件满足要求。
2. 混凝土浇筑过程安全控制(1)搅拌控制:严格按照混凝土配合比进行搅拌,确保混凝土的均匀性和稳定性。
(2)输送控制:使用泵送设备进行混凝土输送,控制输送速度,防止混凝土溅出。
(3)浇筑控制:采用合适的浇筑方法,如斜坡浇筑、分段浇筑等,确保混凝土的密实性。
(4)捣固控制:在混凝土浇筑后,及时进行捣固,确保混凝土的强度和密实度。
3. 施工安全措施(1)个人防护措施:施工人员应穿戴好个人防护装备,如安全帽、防护眼镜、手套、防尘口罩等。
(2)现场安全防护:在施工现场设置安全警示标志,提醒施工人员注意安全。
对施工现场进行定期安全巡查,及时发现并消除安全隐患。
(3)设备管理:加强对施工设备的检查、维护,确保设备正常运行。
避免设备长时间连续使用,防止设备过热引发安全事故。
(4)施工过程中的环境保护:做好施工过程中的环境保护工作,减少对周边环境的影响。
三、常见安全事故预防1. 坍塌事故预防:加强施工现场安全管理,确保模板、支撑系统的稳定性和安全性。
2. 触电事故预防:确保施工用电的安全,避免电线裸露,使用符合安全标准的电动工具。
3. 机械伤害事故预防:操作机械设备时,遵守操作规程,确保机械设备的安全。
四、安全施工注意事项1. 施工过程中,严格遵循混凝土浇筑安全技术规程,确保施工安全。
2. 加强施工现场安全管理,及时发现并消除安全隐患。
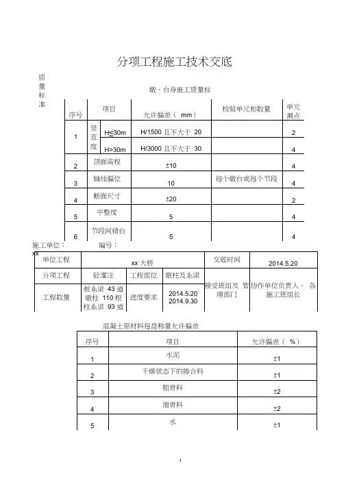
分项工程施工技术交底混凝土原材料每盘称量允许偏差编号:施工单位:质 量 标 准墩、台身施工质量标1. 交底范围本桥桥址区为构造剥蚀中低山夹剥蚀堆积河谷微地貌,下部结构采用柱式墩、柱 式台,桩基础。
全桥共 119 根桩基,其中部分桩基之间设桩系梁,截面尺寸分别为1.5m*1.8m 、1.2*1.5m ,全桥共 43道;全桥 110根墩柱,墩柱间共设 93 道柱系梁,系梁截面尺寸分别为 0.9m*1.2m 、1.0m*1.2m 、1.2m*1.5m 及 1.5m*1.8m 。
2. 工艺流程混凝土搅拌→混凝土运输→混凝土浇筑→质量验收图 2-1 工艺施工流程图3. 施工工艺 3.1 混凝土配合比本工程桩系梁混凝土为 C30F250混凝土,墩柱及柱系梁采用 C40F250混凝土。
混 凝土配合比以实验室试验数据为准,实验室派专人在拌和站负责控制和调整拌和料用 量,保证配合比的准确性。
3.2原材料准 备 1)水泥:本工程配置混凝土所使用的水泥采用普通硅酸盐水泥, 强度等级为 42.5 。
水泥进场必须有出厂合格证和出厂试验报告,并应按其品种、强度等级、包装或散装 仓号、出厂日期等进行检查验收,进场后应进行复检,试验合格后方可使用。
2)砂:本工程配置混凝土所使用的砂选用Ⅱ区中砂,砂含泥量须小于 3%。
进场砂应按有关标准规定分批检验,各项指标合格后方可使用。
3)石子:本工程配置混凝土所使用的石子选用坚硬的碎石, 碎石粒径为 5~31.5mm ,石子进场时应按产地、类别、加工方法和规格等不同情况,按有关标准规定分批进行 检验,确认合格后方可使用。
4)外加剂:本工程墩台配置混凝土所使用的外加剂为 PC-2 引气剂和 SW-4减水剂, 所有外加剂必须经有关部门检验并附有检验合格证明方可进场,使用前应进行复验, 确认合格后方可使用,使用方法应符合产品说明书及现行国家有关标准的规定。
5)掺合料: 本工程配置混凝土采用优质粉煤灰作为掺合料, 粉煤灰进场时应附有 产品出厂检验报告,进场后应按有关标准规定进行复检,确认合格后方可使用。
混凝土桥梁浇筑安全技术交底前言混凝土桥梁建设是现代交通基础设施建设的重要组成部分,对于保障公众出行和生产活动安全具有重要意义。
而桥梁的浇筑作业安全非常关键,发生安全事故不仅会给工作人员的身体健康和生命安全带来威胁,也会给施工单位和建设单位带来经济和社会的损失。
因此,在混凝土桥梁浇筑作业中,加强安全监管和技术培训十分必要。
一、安全标准1.混凝土浇筑场地要求平整、宽敞。
地面要做好防滑措施,以防工人在疲劳或水泥雾浓度过高的情况下滑倒和摔伤。
2.在混凝土浇筑过程中,必须按照相关的安全标准进行施工。
混凝土密度、灌注速度、振捣次数、从浇注口倒料方式等都要按照规范要求进行操作,杜绝爆裂、压力不平衡等设备出现故障的情况。
3.在混凝土浇筑时,严格控制人员数量。
要避免工人在浇筑区域内逗留。
当混凝土倒好后,及时将装有浇筑钢管的支撑结构拆除。
做好安全防护措施并确保施工人员的人身安全。
二、浇筑作业前的准备工作1.混凝土浇筑的前期准备工作必须做到位。
在确定浇筑方案、施工方案和具体施工措施的基础上,落实工艺、设备、人力等资源需求和安排。
2.安排好各个作业区域的隔离和封闭工作,确保施工期间不会有行人或车辆经过浇筑区域。
控制施工区域的粉尘和噪音。
3.配置好维护和管理设备和工具,如抹光机、振捣器、涂刷器、钢丝刷、散水器等,保证这些设备正常工作,避免工人在操作时发生安全事故。
三、浇筑作业中的安全措施1.建立混凝土浇筑施工人员的安全责任制度。
在施工前,必须做好混凝土倒料区通风、卫生等安全技术要点的交底工作,保证所有作业人员都掌握所需的安全技能和注意事项。
2.工人必须穿戴好必要的防护用具,如安全帽、安全靴、防护眼镜等。
在高温季节或使用高温材料时,必须进行热防护。
3.建立监测和报警机制。
在混凝土浇筑过程中,需要实时监控压力、强度、温度等参数,及时发现异常情况并提醒工人采取措施。
4.在混凝土浇筑过程中,应根据混凝土的不同材料和强度,合理安排浇注顺序,避免浇筑时数量不足或出现断料等情况。
关于桥墩施工技术交底桥墩施工技术交底墩身混凝土应一次成型,为了保证浇注后砼外观质量,桥墩采纳整体式钢模板一次浇注,分层浇注砼的方案施工。
模板:采纳整体钢模,托盘顶帽采纳整体定型钢模。
钢筋施工:墩身采纳定型钢模板和钢支架一次支模到顶,整体浇筑。
墩身钢筋,一次绑扎成型。
待模板支立完成后把整体绑扎完成的墩帽钢筋吊装连接。
砼施工及养护:砼由现场拌合站集中生产,混凝土输送车运输,混凝土泵车输送,连续灌筑。
依照季节不同分别选用砼的养护施工方法,夏季要紧采纳降温法施工,冬季要紧采纳保温法施工。
1)墩台施工工艺墩台身施工工艺流程图2)模板工程模板安装采纳25t汽车吊进行,吊装前确定拼装顺序,自下而上逐节安装,每节模板安装后都应认真检查,测量复测校核模板尺寸,并依照校核数据对模板尺寸进行调整,合格后方可连续安装下一节。
在钢筋和模板之间设置与墩台同标号混凝土垫块,以保证钢筋骨架的爱护层满足设计要求;模板安装完成后联系监理工程师对该仓位进行验收。
模板安装质量要求见下表。
墩台模板采纳汽车运输至墩位邻近,现场拼装成整体,安装桁架支撑,用汽车吊整体吊装就位,与承台预埋型钢连接固定。
模板整体拼装时要求错台<1mm,拼缝<1mm。
安装时,用缆风绳将钢模板固定,利用经纬仪校正钢模板两垂直方向倾斜度。
承台混凝土浇筑前,依据墩身模板结构尺寸在承台上预埋型钢铁件。
墩身模板安装承诺偏差见〝墩身模板安装承诺偏差表〞。
3〕支架搭设安装前,将原双排脚手架做出调整。
在原脚手架外侧搭接一排脚手架〔图示①〕;外侧脚手架完成后,将原内排脚手架〔图示②〕拆除;原脚手架〔图示③〕作为调整后的内排脚手架,原钢筋骨架钢管背带相应拆除;要求调整后的内排脚手架与墩顶钢筋骨架周边的水平间距为50cm。
4)钢筋制作安装钢筋在加工车间按设计图纸集中下料、分型号、规格存放、编号,平板车运到现场,在桥墩钢筋骨架定位模具上绑扎,其质量应符合〝墩身钢筋安装承诺偏差表〞规定。
桥墩施工安全技术交底(一)引言概述:桥梁是交通运输系统中非常重要的组成部分,而桥墩是桥梁的基础支撑结构,对桥梁的安全和承载能力起着至关重要的作用。
为了确保桥墩施工的安全性,提高施工效率和质量,本文将对桥墩施工安全技术进行详细交底。
一、前期准备阶段1. 建立施工组织设计方案,包括桥墩施工流程、施工人员配备、施工用具和设备等方面的安排。
2. 进行现场勘测和环境评估,了解施工地点的地质条件、水文情况以及可能存在的安全隐患。
3. 制定桥墩施工图纸和标准,明确施工方案和要求。
二、桥墩基础施工1. 清理施工现场,确保工作区域整洁、安全。
2. 进行地基处理,包括挖掘、排水、加固等工作,保证桥墩的稳定性。
3. 进行桥墩的浇筑,包括模板安装、钢筋绑扎、混凝土浇筑等工序,确保桥墩的强度和形状符合设计要求。
4. 进行桥墩表面防水和保护处理,以防止水分侵蚀和环境腐蚀。
三、桥墩上部施工1. 安装临时支撑结构,确保桥墩上部在施工过程中能够承受外部荷载,保证施工人员和设备安全。
2. 进行支座安装和调整,使桥墩与上部结构连接紧密且稳定。
3. 进行预应力张拉和锚固,提高桥墩在运行过程中的承载能力和稳定性。
4. 进行桥墩上部结构的施工,包括墩顶板、墩身等的施工和连接。
四、安全防护措施1. 设立施工警示标志和临时防护栏,明确施工范围和禁止入内的区域,保护施工人员和行人的安全。
2. 配备必要的防护装备,如安全帽、安全绳索等,保证施工人员的人身安全。
3. 安装临时照明设备和通风设备,确保施工现场的良好工作环境,防止意外事故的发生。
五、质量检查和总结1. 对桥墩施工的质量进行检查和验收,确保施工结果符合设计要求。
2. 对施工过程中的安全事故和问题进行总结和分析,提出改进措施和经验教训。
3. 编制桥墩施工的安全技术交底资料,包括施工方案、桥墩验收等内容,以备后续施工和资料归档之用。
总结:桥墩施工安全技术交底是确保桥梁施工安全、高效的重要环节。
技术交底书图1 实体墩施工工艺流程图(一)模板1、模板的支立、安装符合《铁路混凝土施工技术指南》、《客运专线铁路桥涵工程施工技术指南》、《客运专线铁路桥涵工程施工质量验收暂行标准》、《铁路混凝土工程施工质量验收补充标准》的规定。
2、模板安装质量检查内容(1)模板的高程、平面位置、垂直度及截面尺寸。
(2)模板、支架、支撑等结构的可靠程度。
(3)隔离剂涂刷情况。
(4)模板内是否存在杂物,钢筋上是否存在油污,木模板是否用水湿润,模板之间是否存在缝隙和孔洞等,否则应及时清除模板内杂物或钢筋上的油污。
当模板有缝隙和孔洞时,应予堵塞,不得漏浆。
(5)预埋件、预留孔位置(二)钢筋1、钢筋的加工、制作、安装符合《铁路混凝土施工技术指南》、《客运专线铁路桥涵工程施工技术指南》、《客运专线铁路桥涵工程施工质量验收暂行标准》、《铁路混凝土工程施工质量验收补充标准》的规定。
墩身模板允许偏差和检验方法序号项目允许偏差(mm)检验方法1 前后、左右距中心线尺寸±10 测量检查每边不少于2处2 表面平整度3 1m靠尺检查不少于5处3 相邻模板错台 1 尺量检查不少于5处4 空心墩壁厚±3 尺量检查不少于5处5 同一梁端两垫石高差 2 测量检查6 墩台支承垫石顶面高程0,-5 测量检查7 预埋件和预留孔位置 5 纵横两向尺量检查2、钢筋表面有严重的麻坑、斑点等,已伤蚀截面时,应降级使用或剔除不用,带有蜂窝状锈迹钢筋,不得使用。
调直后的钢筋应平直、无局部曲折,冷拔低碳钢筋表面不得有明显擦伤。
钢筋表面的油渍、漆污、水泥浆和利用锤击能剥落的浮皮、铁锈等均应清除干净。
钢筋应平直,无局部折曲。
加工后的钢筋,表面不应有削弱钢筋截面的伤痕。
3、墩身钢筋净保护层厚度为4cm,采用标号不低于墩身混凝土设计强度的商品混凝土垫块支垫4、钢筋加工的允许偏差图1半圆形弯钩图2直角形弯钩钢筋加工允许偏差表序号名称允许偏差(mm) 检验方法1 受力钢筋全长±10尺量2 弯起钢筋的弯折位置20钢筋电弧焊和闪光对焊接头类型序号接头类型接头简图适用范围钢筋类别钢筋直径(mm)1 闪光对焊Ⅰ~Ⅲ级钢筋Ⅳ级钢筋10~4010~252 双面帮条焊Ⅰ~Ⅲ级钢筋10~403 单面帮条焊Ⅰ~Ⅱ级钢筋10~404 双面搭接焊Ⅰ~Ⅱ级钢筋10~405 单面搭接焊Ⅰ~Ⅱ级钢筋10~40(2)钢筋表面不应有明显的烧伤或裂纹。
浇混凝土墩台施工安全技术交底一、施工现场准备1.1 确定施工区域在施工前,需要确定墩台施工的具体位置和范围。
务必确保施工区域没有任何隐患和危险物,如电线、管道等。
1.2 清理施工区域施工前需要将施工区域内的杂物、垃圾等清理干净,确保施工区域整洁、无障碍。
1.3 标示施工区域在施工区域的周围设置标志牌和警示线,提醒他人不得进入施工区域,确保施工安全。
二、安全设施设置2.1 安全通道施工现场应设置安全通道,确保人员能够快速、安全地撤离。
2.2 现场警示标识在施工现场的明显位置设置相关的安全警示标识,如“施工中,请勿靠近”等,提醒他人注意安全。
2.3 临时围护栏在施工区域周围搭建临时围护栏,并设置围栏门,仅允许授权人员进入施工区域。
2.4 安全网和安全带对于高处作业的人员,应使用安全网或安全带进行保护,防止高处坠落事故的发生。
三、人员安全措施3.1 人员培训所有参与墩台施工的人员必须经过相应的培训,了解施工安全操作规程,熟悉所使用的工具和设备。
3.2 人员着装施工人员应穿戴符合安全要求的工作服、安全帽、安全鞋等个人防护装备。
对于特殊作业,如高温施工,还需配备防热或防寒装备。
3.3 分工明确施工前需对人员做出明确分工,确保每个人都知道自己的职责和工作范围,避免工作纠纷和操作错误。
3.4 防止人员滑倒施工现场可能存在湿滑或杂乱的情况,为防止人员滑倒,需要保持施工区域的干净整洁,铺设防滑垫等措施。
四、机械设备安全操作规范4.1 设备检查与维护施工前需对使用的机械设备进行全面检查,确保设备功能正常、无故障。
同时,定期维护和保养设备,保持设备的工作性能和安全。
4.2 机械设备操作人员机械设备操作人员必须持有操作证,并经过专业培训,熟悉设备的操作规程和安全要求。
4.3 机械设备稳定性在使用机械设备进行施工时,必须确保设备的稳定性,避免设备倾覆或意外移动导致伤害。
4.4 设备操作区域限制对于机械设备的操作区域应进行限制,禁止他人进入设备操作范围,避免意外伤害。
桥梁墩身混凝土浇筑技术交底一.混凝土浇筑1根据设计本段墩身采用C35、C40、C50混凝土,混凝土拌合采用拌合站集中拌合,采用混凝土输送车运输,采用混凝土泵车输送至墩顶,往下浇注。
使用高性能混凝土中掺入高效减水剂,减少用水量,以提高混凝土的和易性,坍落度宜控制在14~18cm左右。
在浇筑现场每隔一段时间对混凝土的和易性和坍落度进行检查一次,并做好以下准备。
(1)墩身钢筋绑扎完,模板加固完毕经监理检查合格后,开始组织灌注混凝土。
(2)混凝土采用输送泵泵送,布料机浇筑。
泵送前用水泥砂浆湿润输送管道,以防堵管。
(3)混凝土浇筑前,必须对墩身范围内的杂物、积水进行全面清理,对模板、钢筋及预埋件位置进行认真检查,确保位置准确。
(4)混凝土浇筑的准备过程中,必须对机械设备进行全面检修,对材料准备情况进行核查,对各岗位的人员逐一落实。
二、施工缝处理1.底板按后浇带划分浇筑,不留施工缝。
2.柱施工缝留在梁下皮以上1cm。
3.墙施工缝留在板(梁)下皮以上1cm。
4.楼梯施工缝留在楼梯所在楼层休息平台、上跑(去上一层)楼梯踏步及临侧墙宽度范围之内,另一方向为休息平台宽度的1/3处。
5.施工缝为斜面时应浇筑成台阶状。
三.混凝土振捣使用30、50插入式振捣棒要快插慢拔,插点呈梅花型布置,按顺序进行,不得遗漏。
移动间距不大于振捣棒作用半径的倍(50棒应为;取50cm,30棒应为取40cm)。
振捣上一层时插入下一层混凝土5cm以消除两层间的接缝。
四、混凝土养护、拆模1.混凝土浇灌12h以内,应对混凝土加以覆盖并浇水养护。
覆盖浇水养护应符合下列规定:(1)覆盖浇水养护应在混凝土浇筑完毕后的12h内进行。
(2)混凝土的浇水养护时间,对采用硅酸盐水泥、普通硅酸盐水泥或矿渣硅酸盐水泥拌制的混凝土,不得少于7d,对掺用缓凝型外加剂、矿物掺合料或有抗渗性要求的混凝土,不得少于14d。
(3)浇水次数应根据能保持混凝土处于湿润的状态来决定。
技术交底书单位:中铁二十三局集团有限公司沪昆客专贵州段工程指挥部第三项目部主送单位桥梁施工队编号HK23-3QL-工程名称实体墩和空心桥台工程日期2011-03-01 交底内容及范围:本交底为桥梁实体墩和空心桥台工程技术交底,适用于全管段桥梁实体墩和空心桥台施工。
一、设计交底(一)实体墩结构设计实体墩包括:墩身、顶帽和支承垫石三部分。
1、支承垫石:支承垫石平面尺寸按盆式橡胶支座计算确定,为适应线路纵坡,垫石采用不等高设计。
2、桥墩构造:墩顶纵横向采用圆弧过渡到墩身,H=3-14m墩身纵横向采用直坡,H=15-25m墩身纵横向采用45:1边坡一坡到底。
桥墩顶部中央开一个150cm×50cm的凹槽,凹槽在纵向全部开通,作为检修墩顶设备的操作空间。
墩顶设不小于3%的排水坡,操作空间底面抹成与墩顶相同的纵向排水坡。
墩高不同,采用墩身参考图也不同,主要有如下两种:①当L=32+32m、24+24m和24+32m,墩身高度H为3≤H≤20m时,采用图号为:通桥(2009)4301-Ⅰ的《圆端型实体桥墩》图,但L=24+24m,墩身高度H为3≤H≤20m的支承垫石除外。
②当L=32+32m、24+24m和24+32m,墩身高度H为21≤H≤25m时,采用图号为:长昆施桥参01-A的《圆端型实体桥墩》图;同时L=24+24m,墩身高度H为3≤H≤20m 时支承垫石按照图号为:长昆施桥参01-A的《圆端型实体桥墩》图办理。
3、同一种跨度的直线、曲线桥墩采用相同的墩身尺寸。
4、不等跨直、曲线桥墩,为改善受力状态设置纵向预偏心10cm,即:墩顶、墩身和基础中线对梁缝中线向大跨度方向偏移10cm。
(二)空心桥台结构设计空心桥台包括:台身、台顶、顶帽、台后挡板和支承垫石五部分。
采用矩形空心截面,根据设计台高,采用图号为:长昆施桥参10-A的《双线矩形空心桥台》图。
(三)混凝土设计本管段墩台混凝土设计标号为C35、C40两种,具体详见表1。
(四)结构设计1、实体墩(1)桥墩构造①L=24+24m、32+32m,24+32m,H=3-14m时,桥墩构造详见通桥(2009)4301-Ⅰ-05图(直坡等截面,L=24m+24m时,支承垫石不采用此图);②L=24+24m、32+32m、24+32m,H=15-20m时,桥墩构造详见通桥(2009)4301-Ⅰ-06图(直坡变截面,L=24m+24m时,支承垫石不采用此图);③L=24+24m,H=3-14m时,支承垫石构造详见长昆施桥参01-A-2图;L=24+24m,H=15-20m时,支承垫石构造详见长昆施桥参01-A-3图。
表1 设计桥台及实体墩砼标号设计表序号桥梁名称砼设计标号序号桥梁名称砼设计标号1 马路田大桥(无设计图) 9 小岩头中桥C352 高枧大桥C35 10 来仙阁南明河特大桥(咨询图)C353 旧寨中桥C35 11 水塘寨中桥C354 猫场大桥C35 12 洛湾南明河特大桥C355 猫场特大桥C35 13 石头寨特大桥C356 小马鞍山中桥C35 14 云井庄大桥C357 大横坡大桥C35 15 柿花树及杉木井大桥(有柿花树主桥设计图)C40(部分墩)、C358 小岩头特大桥C35④L=32+32m,H=20-25m时,桥墩构造详见长昆施桥参01-A-3图;L=24+32m,H=20-25m时,桥墩构造详见长昆施桥参01-A-5图。
(2) 支承垫石钢筋①L=32+32m,H=3-20m时,支承垫石钢筋设计规格型号为:HRB335Φ12和HPB235φ10两种,详见通桥(2009)4301-Ⅰ-09图。
②L=24m(高)+32m,H=3-20m时,支承垫石钢筋设计规格型号为:HRB335Φ12和HPB235φ8两种,详见通桥(2009)4301-Ⅰ-10图。
③L=24+24m,H=3-25m、L=32+32m,H=21-25m时,支承垫石钢筋设计规格型号为:HRB335Φ12和HPB235φ8两种,详见长昆施桥参01-A-7图。
④L=24+32m,H=21-25m时,支承垫石钢筋设计规格型号为:HRB335Φ12和HPB235φ8两种,详见长昆施桥参01-A-8图。
(3) 顶帽钢筋①L=32+32、24+24、24+32m,墩高3m≤H≤14m时,顶帽钢筋设计规格型号为:HRB335Φ20和HRB335Φ16两种,具体详见:通桥(2009)4301-Ⅰ-11、12图。
②L=32+32、24+24、24+32m,墩高15m≤H≤20m时,顶帽钢筋设计规格型号为:HRB335Φ20和HRB335Φ16两种,具体详见:通桥(2009)4301-Ⅰ-13、14图。
③L=32+32、24+24、24+32m,墩高21m≤H≤25m时,顶帽钢筋设计规格型号为:两种,具体详见长昆施桥参01-A- 图。
(4)墩身钢筋①L=32+32、24+24、24+32m,墩高3m≤H≤14m时,墩身钢筋设计规格型号为HRB335Φ14和HPB235φ10两种,具体详见:通桥(2009)4301-Ⅰ-21~23图。
②L=32+32、24+24、24+32m,墩高15m≤H≤20m时,墩身钢筋设计规格型号为HRB335Φ14和HPB235φ10两种,具体详见:通桥(2009)4301-Ⅰ-24~26图。
③L=32+32、24+24、24+32m,墩高21m≤H≤25m时,墩身钢筋设计规格型号为HRB335Φ14和HPB235φ10两种,具体详见:长昆施桥参01-A-9图。
2、空心桥台(1)台顶钢筋设计规格型号为:HRB335Φ20、HRB335Φ16、HRB335Φ12和HRB335ΦR9四种,具体详见长昆施桥参10-A-06-1/6~3/6图。
(2)顶帽钢筋设计规格型号为:HRB335Φ16、HRB335Φ12和HPB235φ10三种,具体详见长昆施桥参10-A-07图。
(3)台后挡板钢筋设计规格型号为:HRB335Φ16、HRB335Φ12和HPB235φ10三种,具体详见长昆施桥参10-A-08、09图。
(4)台身护面钢筋设计规格型号为:HRB335Φ12一种,具体详见长昆施桥参10-A-10-1/2和长昆施桥参10-A-11图。
(5)桥台构造详见长昆施桥参10-A-02~05图。
二、技术要求(一)基本要求1、墩台身施工前,将基础顶面浮浆凿除,冲洗干净,整修连接钢筋。
并在基础顶面测定中线、水平,标出实体墩身底面位置。
2、浇筑混凝土时,应经常检查模板、钢筋及预埋部件的位置和保护层的尺寸,确保其位置正确,不发生变形。
3、墩台身混凝土宜一次连续浇筑。
当分段浇筑时,施工缝处浇筑新混凝土时,需凿除处理层混凝土表面的松弱层,采用风动机凿毛时,处理层混凝土强度须达到10Mpa。
经凿毛处理的混凝土面应用水冲洗干净,但不得存有积水。
大体积墩台混凝土浇筑应采用降温控裂措施。
4、墩台顶帽施工前后均应复测其跨度及支承垫石高程。
施工中,应确保支承垫石钢筋网及锚栓孔位置正确。
5、墩台施工完毕,应对全桥进行中线、水平及跨度贯通测量,并标出各墩台的中心线、支座十字线、梁端线及锚栓孔位置。
同时排出锚栓孔积水,将孔口封闭。
6、浇筑混凝土时,应经常检查模板、钢筋、沉降观测点及预埋件的位置和保护层的尺寸,确保其位置正确,不发生变形。
(二)施工过程控制要求1、混凝土浇筑前,检查混凝土的均匀性和坍落度;检查浇筑混凝土使用的脚手架,是否便于人员与料具上下,且保证安全;2、墩台混凝土宜连续浇筑,浇筑时,分层浇筑厚度不宜超过30cm。
当分段浇筑时,混凝土与混凝土之间接缝,周边应预埋直径不小于16mm的钢筋,埋入与露出长度不应小于钢筋直径的30倍,间距不应大于直径的20倍。
3、加强混凝土养护,使用清洁水进行养护,防止产生表面裂纹。
对已完混凝土进行包裹,后续工序施工模板严密,避免漏浆,保护已完混凝土结构不受污染。
4、混凝土浇筑过程中应采取防雨措施,避免雨水冲刷混凝土。
(三)施工方法1、承台凿毛清理在承台混凝土浇筑之前,预埋墩台身钢筋;在承台混凝土浇筑后,将承台墩台底部分混凝土凿毛、并清除松散混凝土,露出新鲜混凝土,最后用风枪将杂物吹出。
2、测量放样在墩身首次浇筑段钢筋绑扎完成后,于立模部分抹上一层砂浆并用水准仪找平,并于其上测量放样墩身几何尺寸关键点,并报验测量监理工程师,在监理工程师检验合格后使用墨线弹出立模线,最后安装模板。
3、钢筋加工及安装(1)钢筋必须按照不同的钢种、等级、牌号、规格分批堆存,不得混杂,并且设立材料标识牌进行标识,经检验合格后方可使用。
钢筋在存放过程中,应避免锈蚀和污染,钢筋严禁露天堆置,下部垫高不小于30cm,其标准应符合物资储存的要求。
(2)由项目部测量班再次测放出墩台结构尺寸线,在结构尺寸线外搭设钢管脚手架、作业平台,将墩台钢筋运至桥墩附近准备进行墩台钢筋安装。
(3)墩身钢筋安装:由于墩身竖向主筋在施工承台(扩大基础)时,已按照设计位置准确预埋,先将墩身竖向主筋理顺、整理成形,在作业平台上将墩身竖向主筋采用搭接焊接长并用环形箍筋在上部固定,再按照图纸安装环形箍筋,最后安装竖向主筋间的蹬筋,并在钢筋骨架靠模板侧绑扎混凝土垫块,保证钢筋保护层厚度符合设计要求。
(4)墩顶实体段钢筋绑扎:用吊车将墩顶实体段钢筋吊运至墩顶作业平台,按照图纸从下向上一层一层进行绑扎。
钢筋网片在墩顶检查槽处截断并设置标准弯钩,相互间点焊牢固,不脱落、松动。
(5)绑扎好的钢筋应顺直、间距均匀,节点绑扎牢靠。
焊缝应饱满、平整,钢筋骨架尺寸应准确,不扭曲变形。
(6)接地钢筋采用搭接焊连接,向上接长至墩顶,并焊接预埋接地套筒,接地套筒渗出墩顶混凝土面1~2cm。
(7)墩身钢筋绑扎完自检合格并经现场监理工程师验收合格后,方可进入墩身模板安装工序。
(8)混凝土的配制、输送及浇筑速度应符合下式规定:V=Ah/t式中V=混凝土配制、输送和浇筑的容许最小速度(方/小时);A=浇筑的面积(平方)h=浇筑层的厚度(米)t=所用水泥的初凝时间(小时)4、模板1、模板安装、加固(1)模板进场后,进行清理、打磨,以无污痕为标准,并用塑料薄膜进行覆盖。
立模前进行试拼,保证平整度小于3mm。
(2)模板支立前精确放出结构外轮廓线,在墩身钢筋骨架绑扎完毕后进行。
(3)立模采用汽车吊或塔吊吊装,人工配合。
吊装就位后,采用垂球进行竖向校核其垂直度,绷线法调直线型。
通过背楞、高强螺栓、外撑和内向拉杆将模板连接成一个稳固的整体。
(4) 墩身模板与承台(扩大基础)顶面混凝土间缝隙用水泥砂浆填塞。
模板内刷高效脱模剂以利于脱模并使混凝土表面保持光滑。
(5) 在模板安装过程中,严格控制模板安装质量。
做到模板接缝横平竖直、对接平整。