SPR090201风险评估手册
- 格式:doc
- 大小:761.00 KB
- 文档页数:60
化妆品安全风险评估指南2化妆品安全风险评估指南21.引言化妆品作为人们日常生活中必不可少的产品之一,其安全性非常重要。
为了保障消费者的健康和安全,化妆品安全风险评估非常必要。
本指南将为化妆品安全风险评估提供指导,以确保化妆品的安全性和合规性。
2.风险评估的目的和范围风险评估旨在评估化妆品的潜在风险,并确定安全性措施以降低这些风险。
该评估适用于所有类型的化妆品,包括但不限于护肤品、彩妆品、香水等。
评估方法可以根据化妆品的具体特征和用途进行调整。
3.数据收集和预评估在进行正式的风险评估之前,需要收集以下数据:-化妆品的成分清单和配方:包括所有成分的名称和百分比。
-化妆品的使用方式:例如使用的部位、频率和时间。
-化妆品的使用人群:例如成年人、儿童、孕妇等。
-化妆品的预期暴露量:包括每次使用的用量和使用的总次数。
通过收集这些数据,并进行预评估,可以初步确定化妆品的潜在风险水平,为后续的风险评估提供参考。
4.风险识别和评估通过综合考虑化妆品的成分、使用方式和使用人群等因素,对潜在风险进行识别和评估。
主要的风险包括但不限于:-过敏反应:一些成分可能引起过敏反应,如皮肤红肿、瘙痒等。
-眼部刺激:一些化妆品可能引起眼部不适或刺激。
-毒性:一些成分可能具有毒性,对人体产生不利影响。
-致癌性:一些成分可能具有致癌性,长期使用可能导致癌症。
-生殖毒性:一些成分可能对生殖系统产生不利影响,对孕妇和儿童特别敏感。
根据识别的风险,对其进行定量或定性评估,并确定风险的严重程度和可能性。
5.风险控制在评估出风险之后,需要采取相应的控制措施来降低或消除这些风险。
常见的控制措施包括:-成分替代:替换有风险的成分为更安全的成分。
-限制使用条件:对特定使用人群限制使用或提醒使用者需注意。
-控制加工过程:正确控制化妆品的生产和加工过程,确保产品的质量和安全性。
6.安全性监测和报告在化妆品上市销售后,需要进行安全性监测,收集消费者的反馈和投诉,并及时采取措施。
DALIAN GRAND OCEAN SHIP MANAGEMENT CO.,LTD前言1. 海安会通函MSC.237(85)决议中关于ISM规则修正案第1章1.2.2的修改内容在2010年7月1日正式生效。
根据决议要求本评估手册对安全管理体系规定下的关于船舶、人员和环境的安全活动中所有已认定的风险,进行评估,并按照评估结果,制定了相应的防范措施。
2. 根据评估结果,对现有体系文件进行相应修改、完善和增加,使修改后的体系文件,符合ISM修正案的评估要求。
3. 关于船舶现场风险评估,根据本手册给出了船舶各种操作活动的风险内容,考虑到船舶的实际情况,在须知SIVS30《船上工作风险评估须知》提出了船舶现场操作需进行现场评估的项目,进行现场评估并填写《日常工作风险评估及风险控制报告》。
标有★号的《日常工作风险评估及风险控制报告》,船舶在操作时必须按照要求进行评估。
未标★号的,船长根据当时现场情况决定。
如进入封闭处所、热工作业、高空作业、舷外作业和比较大的维护保养项目等。
4. 风险评估手册在实施后,应定期对评估手册进行评审,以验证评估手册中对风险的认定和提出的应对措施在实际中是否正确有效,如果发现问题,及时进行修改。
DALIAN GRAND OCEAN SHIP MANAGEMENT CO.,LTD目录一、手册概述Manual Overview (3)二、评估内容及基本概念Major Assessment items and basic concept (8)三、评估时机When to assesses (12)四、评估范围Assessment scope (13)五、评估人员Assessment persons (13)六、评估方法Assessment methods (14)七、船舶、人员和环境的所有已认定的风险评估报告The assessment reports for all identified risk to ships,personnel and the environment (16)八、风险评估活动评审Periodical Review to Risk Assessment Report (58)九、船上现场评估Site Risk Assessment Report (60)DALIAN GRAND OCEAN SHIP MANAGEMENT CO.,LTD一、手册概述Manual OverviewDALIAN GRAND OCEAN SHIP MANAGEMENT CO.,LTDDALIAN GRAND OCEAN SHIP MANAGEMENT CO.,LTDDALIAN GRAND OCEAN SHIP MANAGEMENT CO.,LTDDALIAN GRAND OCEAN SHIP MANAGEMENT CO.,LTDDALIAN GRAND OCEAN SHIP MANAGEMENT CO.,LTD二、评估内容及基本概念Major Assessment items and basic concept为了执行海安会MSC.237(85)决议中,关于ISM规则修正案中对第1章1.2.2的公司目标的修改内容,也为了修改后的公司目标的实现,对所有安全管理体系规定下的所有活动中的关于船舶、人员和环境的所有已认定的风险,进行如下评估,并按照评估结果,制定相应的防范措施,比对这些措施与现行体系文件的差异,进行相关的修改、完善和增加,以便使修改后的体系文件,满足ISM修正案的所有评估要求。
安全注射风险评估手册
1. 简介
安全注射风险评估手册旨在为医疗机构和医务人员提供指导,
确保注射过程中的安全性和风险管理。
本手册基于当代医疗实践和
相关法律法规,旨在促进注射操作的标准化和最佳实践的推广。
2. 注射风险评估的重要性
注射是医疗过程中常见的操作,但如果不正确执行,可能引发
潜在的风险和安全问题。
通过进行全面的注射风险评估,医院和医
务人员能够及时识别和控制潜在的风险,保障患者安全。
3. 注射风险评估的步骤
3.1. 识别注射环节:首先,需要明确涉及到的注射环节,包括
药品准备、注射器选择、皮肤消毒等。
3.2. 评估风险因素:针对每个注射环节,评估相关的风险因素,如设备质量、操作流程、培训水平等。
3.3. 制定风险管理策略:根据评估结果,制定相应的风险管理策略,包括设备更新、培训提升、操作规范化等措施。
3.4. 实施风险管理措施:将制定的风险管理策略付诸实践,确保实施过程中符合相关标准和法规要求。
4. 注射风险评估的效益
通过有效的注射风险评估和相应的风险管理措施,可以达到以下效益:
- 提高患者安全:降低注射操作引发的患者伤害风险,确保患者的安全和健康。
- 降低责任风险:通过合理的风险评估和管理措施,减少医疗纠纷和法律责任。
- 提升医疗质量:规范注射操作,有效提升医疗机构的整体质量水平。
5. 结论
安全注射风险评估手册是保障患者安全和医疗质量的重要工具。
医疗机构和医务人员应根据本手册所提供的指导,全面评估注射过
程中的风险,并采取相应的风险管理措施,以确保注射操作的安全
性和可靠性。
化妆品安全风险评估指南附件1:化妆品安全风险评估指南(征求意见稿)目录1. 适用范围 (1)2. 基本原则与要求 (1)3.化妆品安全风险评估人员的要求 (2)4. 风险评估程序 (3)5.毒理学研究 (9)6.化妆品原料的风险评估 (13)7.化妆品产品的安全评价 (18)8. 安全风险评估报告 (22)9. 术语和释义 (22)化妆品安全风险评估指南为保证消费者的健康安全,识别和控制化妆品安全风险,制定本指南。
1. 适用范围适用于化妆品原料的风险评估和产品的安全评价,包括由原料或产品生产过程中不可避免带入的安全性风险物质的风险评估。
2. 基本原则与要求2.1化妆品一般可认为是各种原料的组合,原料的安全性是化妆品安全的前提条件。
化妆品的安全性评价应基于所有原料和风险物质的风险评估。
如果确认某些原料之间存在化学、生物学等相互作用的,应该对其产生的风险物质进行评估。
2.2化妆品安全性评价应以现有科学数据和相关信息为基础,遵循科学、公正、透明和个案处理的原则,在实施过程中应保证风险评估工作的独立性。
2.3化妆品的安全风险评估工作由具有相应资质的安全风险评估人员按照本指南的要求进行评价,并出具风险评估报告。
2.4化妆品产品的安全风险评估资料应当及时更新,并保留至最后一批上市产品保质期结束以后10年。
2.5化妆品安全风险评估报告结论不足以排除产品对人体健康存在风险的,应当采用传统毒理学试验方法进行产品安全性评价。
3.化妆品安全风险评估人员的要求化妆品安全风险评估人员应符合以下要求:3.1具有化妆品专业知识基础,了解化妆品生产过程和质量安全控制要求;3.2能够查阅和分析毒理学信息,具有分析、评价和解释毒理学数据的能力;3.3能够公平、客观的分析化妆品的安全性,在全面分析所有可获得的数据和暴露条件的基础上,开展风险评估工作;3.4应当具有医学、药学、化学、毒理学或者类似学科的专业基础,取得大学本科以上文凭或其他正式资格证明,并具有5年以上相关专业从业经历。
化妆品原料风险评估技术指南下载温馨提示:该文档是我店铺精心编制而成,希望大家下载以后,能够帮助大家解决实际的问题。
文档下载后可定制随意修改,请根据实际需要进行相应的调整和使用,谢谢!并且,本店铺为大家提供各种各样类型的实用资料,如教育随笔、日记赏析、句子摘抄、古诗大全、经典美文、话题作文、工作总结、词语解析、文案摘录、其他资料等等,如想了解不同资料格式和写法,敬请关注!Download tips: This document is carefully compiled by the editor. I hope that after you download them, they can help yousolve practical problems. The document can be customized and modified after downloading, please adjust and use it according to actual needs, thank you!In addition, our shop provides you with various types of practical materials, such as educational essays, diary appreciation, sentence excerpts, ancient poems, classic articles, topic composition, work summary, word parsing, copy excerpts,other materials and so on, want to know different data formats and writing methods, please pay attention!化妆品原料风险评估技术指南在当前化妆品行业中扮演着至关重要的角色,它为化妆品生产企业提供了一套科学合理的评估方法,帮助它们更好地控制原料风险,保障产品质量和消费者安全。
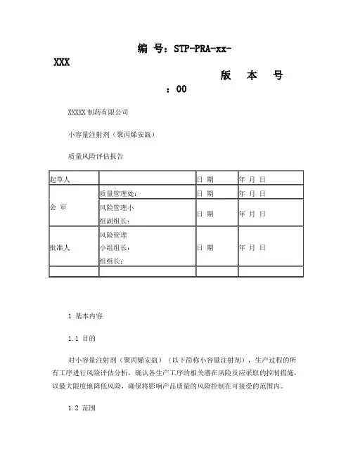
编号:STP-PRA-xx-XXX版本号:00XXXXX制药有限公司小容量注射剂(聚丙烯安瓿)质量风险评估报告1 基本内容1.1 目的对小容量注射剂(聚丙烯安瓿)(以下简称小容量注射剂),生产过程的所有工序进行风险评估分析,确认各生产工序的相关潜在风险及应采取的控制措施,以最大限度地降低风险,确保将影响产品质量的风险控制在可接受的范围内。
1.2 范围本报告适用于小容量注射剂所有生产工序及所涉及的机构与人员、厂房与设施、物料及关键设施设备的风险评估。
生产工序包括:全自动药液配制过滤系统、吹灌封、切边、灭菌、灯检、包装等;主要工艺设备包括:小容量注射剂生产线配液过滤系统、吹灌封生产线、蒸汽灭菌器、双开门安瓿水浴灭菌器、全自动卧式贴标机设备等;关键设施包括:纯化水系统、注射用水系统、纯蒸汽系统、压缩空气系统、空调系统等。
1.3 风险管理小组以下部门/人员作为风险评估小组成员,参与完成风险评估工作并批准风险评估报告。
组长:(质量负责人)副组长:(总经理)组员:(质量管理部经理)、(生产部经理)、(设备动力部)、(QC主任)、(QA主管)、(QA)、(小容量注射剂车间主管)。
1.4 职责2 程序与结果2.1 风险管理流程风险管理流程如下:1、风险识别:系统地运用信息来辨别危险因素,这些信息可能包括历史数据、理论分析、意见等。
确定事件并启动质量风险管理,收集背景信息并确定质量风险管理项目小组人员及资源配置。
2、风险分析:在项目策划和设计开发时,对项目进行风险分析,风险分析的评估和结果应记录在风险管理文档中。
3、风险控制:根据风险可接收准则,判断每个危害的风险,是否达到可接受水平,在风险评价中可以使用风险评价表,对需要降低的风险或消除的风险,应进行风险控制。
风险控制措施及其实施、验证、评价、分析结果须记录在风险管理文档中。
4、风险降低:确定风险降低的方法。
当风险超过可接受的水平时,风险管理将致力于减少或避免风险。
一次性消毒液产品主要危害风险评估及应
对措施表
1. 产品名称:一次性消毒液产品名称:一次性消毒液
2. 危害风险评估:危害风险评估:
| 风险类型 | 描述 | 风险等级 |
3. 应对措施:应对措施:
- 风险类型:化学物质的致敏性
- 选择无刺激反应的一次性消毒液产品。
- 在使用新产品之前,先进行小面积皮肤测试以评估过敏反应。
- 若发生过敏反应,请立即停止使用并就医。
- 风险类型:长期使用的副作用
- 使用保湿产品来滋润和保护皮肤。
- 避免频繁使用或过度使用一次性消毒液。
- 风险类型:未适当使用的危险
- 仔细阅读产品使用说明,确保正确稀释和使用方法。
- 在使用涉及伤口的部位时,特别注意使用方法,避免刺激或
烧伤。
- 风险类型:毒性或腐蚀性
- 谨慎选择产品,避免使用含有高毒性或腐蚀性化学物质的一
次性消毒液。
以上是一次性消毒液产品主要危害风险评估及应对措施表,该
表有助于评估产品的风险,并提供了有效的应对措施,以最大程度
地减少潜在的危害。
在使用一次性消毒液产品时,请务必谨慎,并遵守相关安全指引和使用说明。
精密检验仪器风险评估报告风险评估组组长参加人起草人/日期审核人/日期批准人/日期××××药业有限公司一、目的作为药品生产企业,产品质量控制至关重要,而精密仪器又作为控制质量必不可少的仪器设备,而且其涉及面广,成品,原辅料,包材等的质量检验都会涉及到精密仪器的操作。
因此,为进一步提高对精密仪器室的管理水平,发现并尽可能消除一些潜在的风险对产品质量造成的威胁,根据《风险管理》(编码:C09-0024)和《2012年质量风险管理主计划》文件中的相关规定,质检部特组织相关技术人员开展了对精密仪器室的风险分析。
二、适用范围适用于质检部精密仪器风险评估。
三、内容1.概述我公司质检部精密仪器室位于质检楼二楼,涉及到的仪器有高效液相色谱仪、气相色谱仪、原子吸收分光光度计、红外吸收风光度计、紫外吸收分光光度计等。
该检验室主要负责公司成品、原辅料、包材理化检验,出具检验报告。
检验项目主要包括鉴别(保留时间对比、红外图谱)、检查(有关物质测定)、含量测定等。
为进一步提高质检部精密仪器室的管理水平,发现并尽可能消除一些潜在的风险对检验结果造成的威胁,根据公司《风险管理》(C09-0024)文件中的有关规定,质检部特组织相关人员开展了对精密仪器室的风险分析。
本次精密仪器室风险分析工作从2012年9月15日开始,至9月31日结束,参与部门仅限质检部。
2.风险管理小组介绍2012年07月20日,公司质检部共6人,成立了“精密仪器风险管理小组”,由邱莉担任组长,胡高阳、朱喜荣担任副组长,正式启动了风险管理程序。
小组成员名单、分工、职责如下:序号姓名所在部门或岗位职务或职称组内职务组内职责1 邱莉质检部经理组长负责组织数据、信息收集;负责数据、信息的汇总评价;负责撰写报告。
2 胡高阳质检部副管理员副组长负责全面协调和推进风险分析进程;负责召集小组会议。
3 朱喜荣 质检部 QC 员 副组长 负责协调、决策,为风险管理小组提供必要的资源。
化妆品中可能存在的安全性风险物质风险评估指南化妆品中可能存在的安全性风险物质风险评估指南一、化妆品中可能存在的安全性风险物质的含义化妆品中可能存在的安全性风险物质是指由化妆品原料带入、生产过程中产生或带入的,可能对人体健康造成潜在危害的物质。
二、风险评估基本程序(一)危害识别:根据物质的理化特性、毒理学试验数据、临床研究、人群流行病学调查、定量构效关系等资料来确定该物质是否会对人体健康造成潜在的危害。
(二)危害特征描述(剂量反应关系评估):分析评价该物质的毒性反应与暴露之间的关系。
对有阈值的化学物质,确定“未观察到有害作用的剂量水平(NOAEL)”或“观察到有害作用的最低剂量水平(LOAEL)”。
对于无阈值的致癌物,可根据试验数据用合适的剂量反应关系外推模型来确定该物质的实际安全剂量(VSD)。
(三)暴露评估:一般可通过申报化妆品的产品类型和使用方法,结合化妆品中可能存在的安全性风险物质的含量或检出量,在充分考虑可能的化妆品使用人群(包括特殊人群,如婴幼儿、孕妇等)的基础上,定性和定量评价化妆品中可能存在的安全性风险物质对人体可能的暴露剂量。
(四)风险特征描述:确定该物质对人体健康造成危害的概率及范围。
对具有阈值的物质,计算安全边际(MOS)。
对于没有阈值的物质(如无阈值的致癌物),应确定暴露量与实际安全剂量(VSD)之间的差异。
三、评估资料的提交形式申请人可按以下两种形式提交化妆品中可能存在的安全性风险物质评估资料:(一)申请人通过危害识别,判断产品中不含可能存在的安全性风险物质的,可以提交相应的承诺书。
承诺书应当陈述申请人对产品进行危害识别的分析过程及该产品不含可能存在的安全性风险物质的理由等。
(二)经危害识别后申请人认为产品中含有可能存在的安全性风险物质的,则应当提交相应的风险评估资料。
四、风险评估资料要求我国化妆品相关规定中已有限量值的物质,不需要提供相关的风险评估资料;国外权威机构已建立相关限量值或已有相关评价结论的,申请人可以提供相应的安全性评价报告等资料,不需要另行开展风险评估。
喷雾干燥系统风险评估RA华北制药华胜有限公司喷雾干燥系统风险评估起草人日期审核人日期批准人日期喷雾干燥系统风险评估1、简介根据生产工艺和GMP 的要求,对喷雾干燥系统相关的影响产品质量的因素(风险关注点)进行分析评估并提出法规、规范方面的控制要求和风险控制建议或措施。
2、目的为降低和控制车间喷雾干燥系统相关的风险,建立有效的喷雾干燥系统质量控制体系,提高产品质量提供风险分析参考。
为设计单位提供风险分析参考,以便设计单位采取适当设计措施以规避或将风险控制在可以接受的范围内,更好地设计出符合生产工艺和GMP要求的喷雾干燥系统,减少可能的设计缺陷。
为车间喷雾干燥系统的验证确认活动提供风险分析参考。
3、范围喷雾干燥系统的设计,安装,使用,验证过程。
4、引用资料4.1《药品生产质量管理规范》(2010版)4.2《质量风险管理标准管理规程》5、风险管理小组成员及其职责分工6、质量风险管理流程执行公司制定的《质量风险管理规程》。
7、风险因素标准的评定7.1风险评估方法:遵循FMEA技术(失效模式效果分析)。
7.2失败模式效果分析(FMEA)由三个因素组成:风险的严重性(S)、风险发生的可能性(P)、风险的可测性(D)。
7.2.1严重性(S):主要针对可能危害产品质量数据完整性的影响。
严重程度分为四个等级:7.2.3可测性(D):在潜在风险造成危害前,检测发现的可能性,定义如下:8.风险级别评判标准8.1风险优先系数(RPN)计算公式RPN=SPD=严重性(S)×可能性(P)×可测性(D) 8.2风险评价标准附件1喷雾干燥系统风险评估与控制表第 7 页共 18 页第 8 页共 18 页第 10 页共 18 页喷雾干燥系统风险控制实施计划表落实跟踪风险控制实施计划记录采取控制措施后风险再评估表第 13 页共 18 页第 14 页共 18 页第 15 页共 18 页第 16 页共 18 页第 17 页共 18 页第 18 页共 18 页。
DALIAN GRAND OCEAN SHIP MANAGEMENT CO.,LTD前言1. 海安会通函MSC.237(85)决议中关于ISM规则修正案第1章1.2.2的修改内容在2010年7月1日正式生效。
根据决议要求本评估手册对安全管理体系规定下的关于船舶、人员和环境的安全活动中所有已认定的风险,进行评估,并按照评估结果,制定了相应的防范措施。
2. 根据评估结果,对现有体系文件进行相应修改、完善和增加,使修改后的体系文件,符合ISM修正案的评估要求。
3. 关于船舶现场风险评估,根据本手册给出了船舶各种操作活动的风险内容,考虑到船舶的实际情况,在须知SIVS30《船上工作风险评估须知》提出了船舶现场操作需进行现场评估的项目,进行现场评估并填写《日常工作风险评估及风险控制报告》。
标有★号的《日常工作风险评估及风险控制报告》,船舶在操作时必须按照要求进行评估。
未标★号的,船长根据当时现场情况决定。
如进入封闭处所、热工作业、高空作业、舷外作业和比较大的维护保养项目等。
4. 风险评估手册在实施后,应定期对评估手册进行评审,以验证评估手册中对风险的认定和提出的应对措施在实际中是否正确有效,如果发现问题,及时进行修改。
DALIAN GRAND OCEAN SHIP MANAGEMENT CO.,LTD目录一、手册概述Manual Overview (3)二、评估内容及基本概念Major Assessment items and basic concept (8)三、评估时机When to assesses (12)四、评估范围Assessment scope (13)五、评估人员Assessment persons (13)六、评估方法Assessment methods (14)七、船舶、人员和环境的所有已认定的风险评估报告The assessment reports for all identified risk to ships,personnel and the environment (16)八、风险评估活动评审Periodical Review to Risk Assessment Report (58)九、船上现场评估Site Risk Assessment Report (60)DALIAN GRAND OCEAN SHIP MANAGEMENT CO.,LTD一、手册概述Manual OverviewDALIAN GRAND OCEAN SHIP MANAGEMENT CO.,LTDDALIAN GRAND OCEAN SHIP MANAGEMENT CO.,LTDDALIAN GRAND OCEAN SHIP MANAGEMENT CO.,LTDDALIAN GRAND OCEAN SHIP MANAGEMENT CO.,LTDDALIAN GRAND OCEAN SHIP MANAGEMENT CO.,LTD二、评估内容及基本概念Major Assessment items and basic concept为了执行海安会MSC.237(85)决议中,关于ISM规则修正案中对第1章1.2.2的公司目标的修改内容,也为了修改后的公司目标的实现,对所有安全管理体系规定下的所有活动中的关于船舶、人员和环境的所有已认定的风险,进行如下评估,并按照评估结果,制定相应的防范措施,比对这些措施与现行体系文件的差异,进行相关的修改、完善和增加,以便使修改后的体系文件,满足ISM修正案的所有评估要求。
尽管我们以前不经常把文件化的安全管理体系的持续保持和实施归于风险管理,但实际上起草或修改考虑公司活动的文件化的程序、须知等,识别什么情况可能出问题,决定需要做什么才能阻止事故和问题的发生,这种使程序文件化的过程就是这种风险控制的应用方法。
关于风险没有一个广泛的可以接受的定义,但在众多行业领域一个通常应用较有权威性的说法是:一个可定义的危险发生的概率或频率同危险发生后果量级(大小)的结合。
换句话说,风险有两个要件:发生的可能性和后果的严重性。
1. 与风险有关的基本术语1) 风险(RISK):风险有两个要件:发生的可能性和后果的严重性。
传统定义:风险是损失的不确定性;现代定义:风险是预期与实际结果的差异;ISO的定义:一个可定义的危险发生的概率或频率同危险发生后果量级(大小)的结合。
2) 风险因素(HAZARDS):也称危险是指潜在的能导致危害的物质、环境或实践,是能引起风险事故、增加损失概率和损失程度的条件,是风险事故发生的潜在原因。
DALIAN GRAND OCEAN SHIP MANAGEMENT CO.,LTD风险因素一般分为:有形风险因素和无形风险因素。
有形风险因素是指那些看得见的、影响损失概率和损失程度的环境条件。
如位置、构造和用途等都是财产的有形风险因素;无形风险因素是指观念、态度、文化、形势等看不见的影响损失程度的因素,主要的无形因素是道德危险因素。
3) 风险事故(PERIL):有称风险事件是指引起损失的直接或外在的原因,风险之所以会导致损失是因为风险事故的作用,即风险事故的发生使得潜在的危险转为现实的损失,因此,风险事故是损失的媒介。
如火灾、爆炸、雷电、船舶碰撞、船舶沉没、地震、台风、污染等都是风险事故。
4) 损失(LOSS):风险管理中的损失是指非故意、非计划、非预期的经济价值减少的事实。
损失可分为直接损失和间接损失。
直接损失是指风险事故对于标的本身造成的破坏事实,间接损失是指由于直接损失所引起的破坏事实。
损失还可以分为有形损失、收入损失、费用损失和责任损失等形式。
5) 风险因素、风险事故和损失三者的联系:风险因素引起或增加风险事故,风险事故导致损失的可能,而这种具有不确定性的损失就构成了风险。
6) 可容许风险(T olerable Risk):根据组织确定的风险管理方针,已降至组织可接受程度的风险。
7) 风险管理(Risk Management):是指经济单位通过对风险的识别和衡量、采用必要且可行的经济手段和技术措施加以处理,以一定的成本实现最大的安全保障的一种管理活动。
风险管理包括一般包括风险识别、风险衡量、风险处理和风险管理效果评价四个阶段。
风险管理目标必须与企业的经营目标相一致,还与企业所处的宏观环境、行业背景、企业自身的市场地位等因素密切相关,其中企业目标是最基本的。
DALIAN GRAND OCEAN SHIP MANAGEMENT CO.,LTD2. 风险的特征1) 风险的客观性。
风险是由客观存在的自然现象和社会现象引起的,它本身是一种不以人的意志为转移的客观实在。
风险无时无处不在。
2) 风险的偶然性。
从社会看,风险是一种客观实在,是普遍的,风险事故的发生具有必然性,但对个体而言,风险事故的发生是偶然的,具体表现为风险事故发生与否不确定、风险事故何时发生不确定、风险事故将如何发生、损失后果如何不确定等方面。
3) 风险的可测性。
是指在大量统计资料的前提下,风险是可以衡量的。
准确估计和衡量风险不仅受相关的风险资料影响,而且还与人的主观判断、采用的衡量方法有关。
3. 风险的识别1) 识别风险是风险管理第一步而且是最重要的一步。
因为下面所有的过程都依赖于它。
它必须是全面而准确的,它将是基础,要尽量现场实际观察。
但危险的识别不是很容易的,不是第一次出现就能识别的,只有保证整个过程是系统性的,才能取得完整和准确的效果。
2) 风险识别一般包括感知风险和分析风险两个阶段。
一方面,通过感性认识和历史经验来判断风险因素;另一方面,通过对各种客观的经营管理资料和风险事故记录进行分析、归纳和整理,寻找风险和损失的一般规律。
3) 风险识别阶段需要全面分析企业的业务活动、资产分布和人员构成,分析人、财、物及业务活动中所存在的风险因素,判断风险事故的可能性;分析企业所面临的风险可能造成的损失及其形态,包括人员伤亡、财产损毁、业务中断、民事责任、金融资产贬值等。
风险识别是一项持续性和系统性的工作,必DALIAN GRAND OCEAN SHIP MANAGEMENT CO.,LTD须制度化和程序化,以确保组织的所有主要活动及其风险都被囊括近来,并进行有效的分类。
4) 对风险进行识别的具体方法包括头脑风暴法、风险清单法/标准调查表法、财务报表法、业务流程分析法、风险因素分析法、事故树分析法、损失统计记录法和现场调查法。
5) ISM CODE1.2.2.2条款“评估所有所认定的对其船舶,人员和环境的风险并确定防护措施”(MSC 273(85))尽管规则仅对安全和防污染提出了明确的要求,规则中对其他部分风险没有进一步明确涉及,但风险评估作为一种或另外一种模式实质上是与之许多条款要求是一致的。
最重要的是,要认识到公司有责任识别和其特定的船舶、操作及航运相关的风险。
再也不能充分依赖满足于一般的法定和船级的要求,或一般的行业导则。
ISM CODE的修正案把“评估风险”这一新的理念强制性的引入了航运安全管理,必将改变我们以往对SMS的编制和修订的做法和理念,使我们船舶安全管理和操作开始了一个新起点。
6) 任何风险最后都需要用数字或精确的文字描述来表述,否则无法被大多数人正确认识;与各种危险相关的风险是用可能的危害和潜在的后果等术语进行分析评估的,这样能够使组织机构建立优先顺序,去决定用最少的资源产生最大的结果。
可能性和后果的结合,常常用下面的框图说明对于各种程度的风险采取响应措施:DALIAN GRAND OCEAN SHIP MANAGEMENT CO.,LTD三、评估时机When to assesses按照ISM规则修正案,公司应在2010年7月1日前,完成现有体系的全面风险评估,并按照评估要求,对体系文件进行全面修改完毕。
虽然2010年7月1日以后,公司的体系文件已经按照ISM规则修正案对船舶、人员和环境风险评估的结果,修改完成,但是,其后公司还应不定期对公司安全管理体系进行相关的风险评估和修改,以使公司安全管理体系,随着不断的循环评估,不断地完善,适应国际公约规则新的要求,也使公司的管理不断的提高。
船上、岸上操作人员,在严格地执行公司安全管理体系文件的同时,还应根据具体的操作,对风险较大(的操作,在操作前,进行必要的风险评估,以保证具体操作风险既满足体系规定的总体要求,又满足个体风险具体操作上的无漏洞操作,从而保证船舶、人员和环境的安全操作。
DALIAN GRAND OCEAN SHIP MANAGEMENT CO.,LTD四、评估范围Assessment scope按照ISM规则修正案的要求,对照ISM规则的1-13章要素,进行全面具体的评估,找出可能的所有关于船舶、人员、环境的风险,并进行全面系统的评估,对于公司评估后,风险仍然没有降到可接受的等级的风险,船上实际操作时,还应根据评估原理,按照操作的实际情况和实际状况,进行全面具体的评估。