钢材的技术标准及选用共41页文档
- 格式:ppt
- 大小:4.10 MB
- 文档页数:41
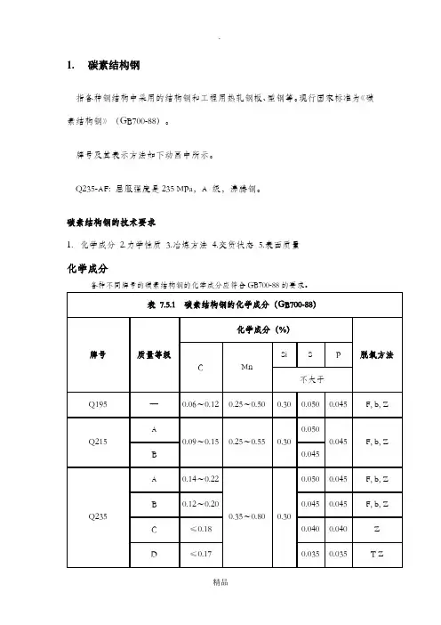
1.碳素结构钢指各种钢结构中采用的结构钢和工程用热轧钢板、型钢等。
现行国家标准为《碳素结构钢》(GB700-88)。
牌号及其表示方法如下动画中所示。
Q235-AF: 屈服强度是235 MPa,A 级,沸腾钢。
碳素结构钢的技术要求1.化学成分2.力学性质3.冶炼方法4.交货状态5.表面质量化学成分力学性能碳素结构钢的拉伸和冲击试验指标应符合下表规定:碳素结构钢的力学性能指标冷弯试验各类牌号钢材的性能牌号与性能的关系根据国家标准GB700-88的规定,碳素结构钢按屈服点分为五个牌号如表7.5.1 和表7.5.2所示,当牌号增大时,钢材的含碳量提高,伸长率降低,冷弯性能也降低. 质量等级:取决于钢材内有害杂质S、P的含量,钢材的质量好,其焊接性能和低温抗冲击性能也提高。
碳素结构钢的选用建筑钢结构中最常用的牌号为Q235(综合性能符合建筑工程的要求)。
因为Q235钢既有较高的强度,又有良好的塑性和韧型,如:B、C、D等,可焊接性也很好,能满足一般钢结构用钢的要求。
Q235的C级和D级钢,其S和P的含量低,所以主要用作重要的焊接结构。
尤其适用于低温条件下,受冲击荷载作用的焊接钢结构。
Q195及Q215:强度低,但塑性和韧性好,易冷加工,在轧制、焊接加工成受冲击或偶然荷载等情况下,能保证安全使用。
Q255及Q275:强度高,但塑性和韧性差,可焊接差,不易冷加工;可用作混凝土配筋和钢结构中的构件及螺栓(常用在机械零件及工具中)。
选用钢材,主要根据工程结构的重要性、荷载类型、焊接要求及使用环境温度等条件选择。
低合金高强度结构钢定义在碳素结构钢的基础上,添加少量的一种或几种合金元素,合金元素的总含量小于5%的结构钢。
常用的合金元素有:Si、Mn、Ti、Nb、V和C等。
牌号及其表示方法现行国家标准《低合金结构钢》(GB1591-94)共有5个牌号:Q295、Q345、Q390、Q420、Q460。
低合金高强度结构钢的化学组成(GB1591-94) 如表7.5.4所示。
钢材标准及规范汇编钢材是工业生产和建筑领域中不可或缺的材料,其质量直接关系到工程的安全和稳定。
为了保证钢材的质量,各国都制定了相应的钢材标准和规范。
本文将对钢材标准及规范进行汇编,以便相关行业人士了解和遵守。
首先,钢材标准是钢材生产和使用过程中必须遵守的技术规范。
它包括了钢材的化学成分、力学性能、加工工艺、质量检测等方面的要求。
钢材标准的制定是为了保证钢材的质量稳定,以及在不同工程中的通用性和可替代性。
在国际上,常见的钢材标准有ASTM、JIS、EN等,而在中国,钢材标准主要由国家标准化管理委员会负责制定和发布。
其次,钢材规范是钢材在工程设计和施工中必须遵守的规定。
它包括了钢材的选用、加工、安装、使用等方面的要求。
钢材规范的制定是为了保证工程的安全和稳定,避免因钢材使用不当而导致的事故和损失。
在国际上,钢材规范通常由国际标准化组织和各国相关部门制定和发布,而在中国,钢材规范主要由国家质量监督检验检疫总局负责制定和发布。
钢材标准和规范的汇编对于相关行业人士具有重要意义。
首先,它可以帮助钢材生产企业了解和遵守国内外的钢材标准,提高产品质量,拓展市场。
其次,它可以帮助工程设计和施工单位了解和遵守钢材规范,保证工程的安全和稳定。
最后,它可以帮助相关监管部门加强对钢材生产和使用过程中的监督和管理,维护市场秩序,保障公众利益。
在实际工作中,钢材标准和规范的汇编应当得到广泛的推广和应用。
相关行业协会和组织可以组织钢材标准和规范的宣传和培训活动,提高行业人士的知识水平和法律意识。
相关企业和单位可以加强对钢材标准和规范的执行,建立健全的质量管理体系和安全管理体系。
相关监管部门可以加强对钢材生产和使用过程中的监督和检查,严厉打击违法行为,维护市场秩序和公众利益。
综上所述,钢材标准及规范是保证钢材质量和工程安全的重要依据,对相关行业人士具有重要意义。
希望本文的汇编能够对行业人士有所帮助,促进钢材标准和规范的全面落实,推动行业的健康发展。
钢材质量标准钢材作为一种重要的建筑材料,在工业生产和民用建筑中扮演着至关重要的角色。
然而,钢材的质量标准对于保障工程质量和安全至关重要。
本文将围绕钢材质量标准展开讨论,以期为相关行业提供参考和指导。
首先,钢材的质量标准主要包括以下几个方面,化学成分、机械性能、金相组织、表面质量、尺寸偏差等。
其中,化学成分是决定钢材性能的关键因素之一,主要包括碳含量、硫、磷、锰、硅等元素的含量。
合理的化学成分可以保证钢材的强度、韧性和耐腐蚀性能。
其次,机械性能包括抗拉强度、屈服强度、延伸率等指标,这些指标直接影响着钢材在使用过程中的性能表现。
金相组织则是评价钢材显微组织和组织均匀性的重要标准,良好的金相组织可以保证钢材的强度和韧性。
表面质量和尺寸偏差则是直接影响着钢材的外观和加工性能的因素,对于一些对外观要求较高的产品尤为重要。
其次,钢材的质量标准应当根据不同的用途和工程需求进行相应的调整和制定。
例如,建筑结构钢材和机械制造用钢材的质量标准会有所不同,前者更注重强度和韧性,而后者更注重尺寸精度和表面质量。
因此,制定钢材质量标准需要充分考虑到具体的使用环境和要求,以保证钢材在不同领域的合理应用。
另外,钢材的质量标准也需要与国际接轨,以便更好地适应全球化的市场需求。
在全球贸易日益频繁的今天,钢材作为重要的原材料,其质量标准的统一将有利于促进全球贸易的发展,提高我国钢材产品在国际市场上的竞争力。
总之,钢材的质量标准是保障工程质量和安全的重要保障,其制定需要充分考虑到钢材的化学成分、机械性能、金相组织、表面质量、尺寸偏差等因素,并且需要根据不同的用途和国际标准进行相应的调整和制定。
只有如此,才能保证钢材在工程建设和生产制造中发挥出最佳的性能和效果。
钢材技术要求以下技术要求低于国标要求的,按国标和行业标准执行;发布新标准的,按新标准执行。
钢材技术要求一、Ⅰ级钢(HPB235)技术要求:1、化学成分(质量分数),%不大于C Si Mn P S0.22 0.300.65 0.045 0.0502、尺寸、外形、重量及允许偏差公称直径/mm允许偏差/ mm不圆度/ m 实际与理论重量的偏差/ %6(6.5)~12±0.3≤0.4 ±714~22±0.4±5 3、长度允许偏差按定尺长度交货的直条钢筋其长度允许偏差范围为0~+50mm4、钢筋的屈服强度ReL、抗拉强度Rm、断后伸长率A、最大力总伸长率Agt等力学性能特征值应符合下列规定。
(所列各力学性能特征值,为交货检验的最小保证值)ReLMPa RmMPa A% Agt%冷弯试验180°d-弯芯直径a-钢筋公称直径不小于于235 370 25.0 10.0 d=a5、弯曲性能按规定的弯芯直径弯曲180°后,钢筋受弯曲部位表面不得产生裂纹。
6、表面质量1)钢筋应无有害的表面缺陷,按盘卷交货的钢筋应将头尾有害缺陷部分切除。
2)试样可使用钢丝刷清理,清理后的重量、尺寸、横截面积和拉伸性能满足要求。
7、未尽事宜需满足《钢筋混凝土用热轧光圆钢筋》(GB1499.1-2007)的要求。
二、Ⅲ级钢(HPB400)技术要求:1、化学成分(质量分数),%C Si Mn P S Ceq0.17~0.25 0.20~0.80 1.20~1.60 <0.045<0.045 0.542、尺寸、外形、重量及允许偏差带肋钢筋横肋应符合下列基本规定:横肋与钢盘轴线的夹角β不应小于45度,当该夹角不大于70度时,钢筋相对两面上横肋的方向应相反;横肋与间距l不得大于钢筋公称直径的0.7倍;横肋侧面与钢筋表面的夹角α不得小于45度;钢筋相对两面上横肋末端之间的间隙(包括纵肋宽度)总和不应大于钢筋公称周长的20%;当钢筋公称直径不大于12mm时,相对肋面积不应小于0.055;•公称直径为14mm和16mm,相对肋面积不应小于0.060;公称直径大于16mm时,相对肋面积不应小于0.065。
钢材的技术标准与选用钢材的技术标准与选用钢材的技术标准与选用钢材可分为钢筋混凝土结构用钢和钢结构用钢两大类。
一、主要钢种(一)碳素结构钢1.碳素结构钢的牌号及其表示方法。
根据国家标准《碳素结构钢》(GB700—88)规定,碳素结构钢分5个牌号,即Q195、Q215、Q235、Q255和Q275。
按其硫、磷杂质含量由多到少分为A、B、C、D 4个质量等级。
碳素结构钢的牌号表示是由代表屈服点的字母Q、屈服点数值、质量等级(A、B、C、D)、脱氧程度(F、b、Z、TZ)等4个部分按顺序组成.镇静钢和特殊镇静钢在钢的牌号中Z和TZ予以省略.如Q235—A·F,表示此碳素结构钢是屈服点为235MPa的A级沸腾钢;Q235-C,表示此碳素结构钢是屈服点为235MPa的C级镇静钢. 2.碳素结构钢的技术要求。
按照国家标准《碳素结构钢》(GB700-88)规定,碳素结构钢的技术要求如下:(1)化学成分:各牌号碳素结构钢的化学成分应符合表6-1的规定。
(2)力学性能碳素结构钢的强度、冲击韧性等指标应符合表6—2的规定,冷弯性能应符合表6-3的要求。
表6—1 碳素结构钢的化学成分牌号 Mn Si S P 等级化学成分(%) 脱氧方法C Mn Si SP≤Q195 — 0.06~0.12 0。
25~0.50 0。
30 0。
050 0.045 F、b、ZQ215 A 0。
09~0.15 0.25~0.55 0。
30 0。
500 0.045 F、b、ZBQ235 A 0。
14~0.22 0.30~0.65① 0.30 0。
050 0.045 F、b、ZB 0。
12~0.20 0。
30~0。
70② 0.045C ≤0.18 0。
35~0。
80 0.040 0。
040 ZD ≤0。
17 0。
035 0.035 TZQ255 A 0。
18~0。
28 0。
40~0。
70 0.30 0。
050 0。
045 ZB 0。
045Q275 — 0。
建筑用钢材技术指标一、概述1.1 任务目标本文旨在详细探讨建筑用钢材的技术指标,包括材料的性能要求、规格标准、质量控制等方面,以提供建筑行业相关从业人员对于选择和使用钢材的参考依据。
1.2 任务重要性钢材作为建筑材料的主要构成部分之一,在建筑工程中具有重要的作用。
合理选择和正确使用钢材不仅可以保证工程的安全性和稳定性,还能够提高建筑物的耐久性和使用寿命。
1.3 文章结构本文将从以下几个方面进行详细阐述建筑用钢材的技术指标: 1. 钢材的材料性能要求 2. 钢材的规格标准 3. 钢材的质量控制 4. 钢材的使用注意事项二、钢材的材料性能要求2.1 强度和韧性要求建筑用钢材要具备一定的强度和韧性,以确保在承受荷载时不会发生破坏。
常见的强度和韧性指标包括屈服强度、抗拉强度、延伸率、冲击韧性等。
2.2 耐腐蚀性能要求建筑用钢材通常需要具备一定的耐腐蚀性能,尤其是在恶劣的环境条件下,如海洋环境、酸碱腐蚀环境等。
钢材的抗腐蚀指标通常包括耐盐雾腐蚀、耐酸碱腐蚀等。
2.3 焊接性能要求钢材在建筑中常常需要进行焊接,因此其焊接性能也是一个重要的指标。
焊接性能要求包括焊接接头强度、焊缝的韧性和抗裂性等。
三、钢材的规格标准3.1 国家标准国家钢材的规格标准由国家相关部门制定,用于指导建筑行业的钢材选择和使用。
常见的国家标准有GB/T 700,GB/T 1591等。
这些标准规定了钢材的化学成分、力学性能、尺寸误差等方面的要求。
3.2 行业标准建筑行业还制定了一些行业标准来规范钢材的使用,常见的有JG/T 304,JG/T 162等。
行业标准通常对于特定类型或特定用途的钢材有详细的要求,以满足各类具体工程的需求。
四、钢材的质量控制4.1 原材料检验钢材的质量控制从原材料检验开始,包括对炼钢原料的检验以及对各种添加剂和合金元素的检测。
原材料检验的目的是确保钢材的成分符合要求,以充分发挥材料的性能。
4.2 生产过程控制钢材的生产过程中需要进行各项工艺控制,以保证产品的质量。
钢材技术规格书(一)技术要求1.钢筋混凝土用热轧光圆钢筋执行GB 1499.1-2008国家标准及其引用标准。
其中:牌号:HPB300;表面形状:光圆;级别:I;公称直径6~22mm。
(1)包装、标志和质量证明书执行GB 1499.1-2008国家标准,还应符合GB/T2101-2008有关规定。
其中:按I类包装类别,盘卷状态1000Kg≤每盘≤2000Kg;直条状态2000Kg≤每捆≤2500Kg,定尺长度9米或者12米。
(2)尺寸、外形、重量及允许偏差执行GB/T14981-2009国家标准。
公称直径6-12mm 允许偏差正负0.3mm,14-22mm允许偏差正负0.4mm;外形不圆度:≤0.4mm。
(3)交货时数量验收方式:成盘卷状态包装的盘条按实际重量过磅交货(检斤);直条状态捆扎包装的圆钢按国家标准规定的理论方法计算重量(检尺)。
(4)检查及验收执行GB1499.1-2008标准,钢筋的复验与判定应符合GB/T2101-2008的规定。
(5)盘条在交货地点过磅(检斤)计重交货,买卖双方对验收时的过磅数量有异议,可找双方都认可的第三方进行复磅,具体事宜买卖双方协商解决。
2.钢筋混凝土用热轧带肋钢筋执行GB1499.2-2007国家标准及其引用标准。
其中:牌号:HRB400;表面形状:月牙肋;公称直径:6~50mm。
(1)包装、标志和质量证明书执行GB1499.2-2007标准,带肋钢筋表面轧上牌号标志、厂名和直径数字,直径不大于10mm的钢筋,可不轧制标志,可采用挂标牌方法;还应符合GB/T2101-2008有关规定。
其中:按I类包装类别,盘卷状态1000Kg≤每盘≤2000Kg;直条状态2000Kg≤每捆≤2500Kg,定尺长度9米或者12米。
(2)尺寸、外形、重量及允许偏差执行GB 1499.2-2007/XG1-2009国家标准。
(3)交货时数量验收方式:成盘卷状态包装的盘螺按实际重量交货(检斤);直条状态捆扎包装的螺纹钢按国家标准规定的理论方法计算重量(检尺)。
常用钢材的标准及标准示例编制:审核:批准:执行日期:(一)采用标准优质碳素结构钢………………………………………标准号:GB/T699-1999碳素桔构钢……………………………………………标准号:GB/T700-1988 热轧圆钢和方钢尺寸、外形、重量及允许偏差………标准号:GB/T702-1994热轧扁钢尺寸、外形、重量及允许偏差……………标准号:GB/T704-1988 冷轧钢板和钢带的尺寸、外形、重量及允许偏差标准号:GB/T 708-1988 热轧钢板和钢带的尺寸、外形、重量及允许偏差标准号:GB/T 709-1988 优质碳素结构钢热轧薄钢板和钢带…………………标准号:GB/T710-1991 优质碳素结构钢热轧厚钢板和钢带…………………标准号:GB/T711-1988 优质碳素结构钢冷轧薄钢板和钢带…………………标准号:GB/T13237-1991冷拉圆钢、方钢、六角钢尺寸、外形、重量及允许偏差……标准号:GB/T 905-1994 碳素结构钢和低合金结构钢热轧薄钢板和钢带……标准号:GB/T 912-1989 碳素结构钢和低合金结构钢热轧厚钢板和钢带б>4 标准号:GB/T 3274-1988 碳素结构钢和低合金结构钢冷轧薄钢板和钢带б≤4 标准号:GB/T11253-1989 合金结构钢……………………………………………标准号:GB/T3077-1999 优质结构钢冷拉钢材技术条件………………………标准号:GB/T3078-1994 汽车大梁用热轧钢板………………………………标准号:GB/T3273-1989 汽车制造用优质碳素结构钢热轧钢板和钢带………标准号:GB/T3275-1991 花纹钢板……………………………………………标准号:GB/3277-1991热镀铅合金冷轧碳素薄钢板…………………………标准号:YB/T5130-1993 深冲压用冷轧薄钢板和钢带…………………………标准号:GB/T5213-2001 客运汽车用冷弯型钢尺寸、外形、重量及允许偏差标准号:GB/T6727-1986 热轧等边角钢尺寸、外形、重量及允许偏差标准号:GB/T9787-1988 1表1:部分碳素结构钢(GB/T700-1988)2表2:部分优质碳素结构钢(GB/T699-1999)3 表3:部分合金结构钢(GB/T3077-1999)4 热镀铅合金冷轧碳素薄钢板有08Al(Z 、S 、P)、08AlA(J)两种牌号;括号内字母为拉延级别。
钢筋技术交底的合格标准与材料选用要求钢筋技术交底对于建筑工程的质量和安全至关重要。
本文将从合格标准和材料选用两个方面,对钢筋技术交底进行论述。
一、合格标准合格标准是评判钢筋技术交底可行性和质量的重要依据。
在钢筋技术交底中,需要重点关注以下几个方面的合格标准。
1. 强度标准:钢筋的强度直接关系到建筑工程的承载能力。
按照国家标准,钢筋的抗拉强度、屈服强度和伸长率等指标应满足相应标准,以确保结构的安全性。
2. 尺寸标准:钢筋的尺寸标准是为了保证钢筋能够正确安装在建筑结构中,以及与其他构件相匹配。
包括钢筋的直径、长度、间距等要素,必须按照国家标准进行选择和设计。
3. 表面质量标准:钢筋的表面质量直接影响钢筋与混凝土的粘结力。
对于钢筋的氧化、锈蚀、皮疵、裂纹等缺陷,规定了相应的标准和评定方法,以确保钢筋的表面质量符合要求。
4. 成分标准:合格的钢筋应满足国家相关标准对于化学成分的规定。
含碳量、硫含量、磷含量等成分对于钢筋的力学性能和耐腐蚀性具有重要影响,需要按标准选用。
二、材料选用要求钢筋技术交底中的材料选用对于建筑工程的质量和寿命有着至关重要的影响。
以下是几个关键要求。
1. 材质选择:在钢筋技术交底中,根据不同的工程要求,需要选择合适的钢筋材质。
常见的钢筋材质有普通碳素结构钢和低合金钢,可以根据工程的具体需求选用适当的材质。
2. 长度要求:钢筋的长度要求取决于建筑结构的设计和施工要求。
在技术交底中,需要明确规定钢筋的长度范围,以确保施工过程中能够满足需要,减少浪费。
3. 表面处理:对于在室外长期暴露的钢筋,需要进行表面处理以防止腐蚀和锈蚀。
一般采用防锈涂层或镀锌方法,在交底中需要明确表面处理的要求。
4. 包装和运输:在材料的选用过程中,需要注意包装和运输的安全性。
钢筋的包装要求以及运输环节的保护措施需要得到充分重视,以确保钢筋在运输过程中不受损坏和变形。
结语钢筋技术交底在建筑工程中具有重要地位。
通过合格标准和材料选用两个方面的论述,可以帮助工程人员更好地理解钢筋技术交底的要求和意义。
各类型钢的技术标准
各类型钢的技术标准
1、圆钢和方钢:GB/T702-2008
2、冷轧圆钢、方钢、六角钢:GB/T905-1994
3、锻制圆钢和方钢:GB/T908-2008
4、银亮钢:GB/T3207-2008
5、热轧六角钢和八角钢:GB/T702-2008
6、热轧扁钢:GB/T702-2008
7、热轧工具钢扁钢:GB/T702-2008
8、优质结构冷拉扁钢:YB/T037-2005
9、锻制扁钢:GB/T908-2008
10、热轧盘条:GB/T14981-2009
11、低碳钢热轧盘条:GB/T701-2008
12、优质碳素钢热轧盘条:GB/T4354-2008
13、焊接用钢盘条:GB/T3429-2002
14、不锈钢盘条:GB/T4356-2002
15、焊接用不锈钢盘条:GB/T4241-2006
16、热轧角钢:GB/T706-2008
17、热轧L型钢:GB/T706-2008
18、热轧槽钢:GB/T706-2008
19、热轧工字钢:GB/T706-2008
20、热轧H型钢:GB/T11263-2010
21、热轧钢板和钢带:GB/T709-2006
22、冷轧钢板和钢带:GB/T708-2006
23、花纹钢板:GB/T3277-1991
24、无缝钢管:GB/T17395-2008
25、焊接钢管:GB/T21835-2008
26、低压流体输送用焊接钢管:GB/T3091-2008
27、螺旋焊管:SY/T5037-2012
2015.06.5。
(完整word版)商品钢材技术性能要求商品钢材技术性能要求---1. 引言商品钢材是广泛应用于建筑、制造业等领域的重要材料。
为了确保商品钢材的质量和安全性能,对其技术性能有一系列要求。
本文档将介绍商品钢材的技术性能要求,包括力学性能、化学成分、尺寸精度等方面。
2. 力学性能要求力学性能是评价商品钢材质量的重要指标。
以下是力学性能的要求:- 抗拉强度:商品钢材的抗拉强度应符合标准规定的要求,以确保其在承载力等方面的稳定性。
- 屈服强度:商品钢材的屈服强度应符合标准规定的要求,以确保其在受力后仍能保持相对强度。
- 延伸率:商品钢材的延伸率应符合标准规定的要求,以确保其在受力后的延展性。
3. 化学成分要求化学成分是评价商品钢材质量的另一个关键指标。
以下是化学成分的要求:- 碳含量:商品钢材的碳含量应符合标准规定的要求,以保证其在热处理和冷加工过程中的机械性能。
- 含氧元素:商品钢材中的含氧元素含量应符合标准规定的要求,以确保其在高温环境下的耐腐蚀性能。
4. 尺寸精度要求尺寸精度是商品钢材应满足的另一项重要指标。
以下是尺寸精度的要求:- 直径/宽度精度:商品钢材的直径或宽度应符合标准规定的要求,以确保其在使用过程中的互换性和装配性。
- 长度精度:商品钢材的长度应符合标准规定的要求,以确保其在使用过程中的匹配性和可靠性。
5. 结论商业钢材作为一种重要的建筑材料,其技术性能要求十分关键。
本文档介绍了商品钢材的技术性能要求,包括力学性能、化学成分和尺寸精度。
这些要求对于确保商品钢材的质量和安全性能至关重要,同时也有助于推动相关行业的发展和进步。
---希望以上内容能满足您的需求。
如有任何修改或补充要求,请随时告诉我。