钢筋送检委托单
- 格式:doc
- 大小:677.00 KB
- 文档页数:4
工地材料送检流程我在工地摸爬滚打也有些年头了,今天就跟大家唠唠工地材料送检这个事儿。
这可是个相当重要的环节,就像给工地的材料做一场严格的“体检”,只有合格了,才能放心地用在工程里,不然那可就像在盖楼的时候埋了颗不定时的炸弹,多吓人呐!一、材料进场你想啊,材料刚运到工地的时候,那场面就像来了一群新朋友。
这时候,我们这些负责材料管理的人就得打起十二分的精神。
我和我的小伙伴们得先对材料进行初步的检查。
比如说那些钢筋,就像人的骨架一样重要,我们要看看它的外观有没有缺陷,是不是笔直的,表面有没有生锈之类的问题。
要是发现钢筋像个病怏怏的小老头,弯弯曲曲还锈迹斑斑的,那肯定得特别留意。
这时候,送货的师傅可能就会凑过来问:“兄弟,你看这材料咋样啊?”我就会直接跟他说:“师傅,你看这钢筋,外表都不咋地,这要是用到楼里,你能放心啊?”然后我们就会按照规定,对每一批次的材料进行登记,这就好比给每个新朋友发个身份证,记录好它们的品种、规格、数量、生产厂家啥的。
这一步可不能马虎,要是登记错了,后面的送检就像无头苍蝇,乱套了。
二、确定送检数量和样品选取材料登记完了,就到了确定送检数量和选取样品这个关键步骤。
这可不是随便拿点材料就行的,那可是有严格规定的。
比如说水泥,就像工地的黏合剂,把各种材料紧紧团结在一起。
水泥的送检量是根据工程的规模和相关标准来定的。
我们得像挑选宝贝一样,从众多的水泥袋里选取具有代表性的样品。
我记得有一次,新来了个小工,他不懂这个,就随便从最上面拿了几袋水泥准备当样品。
我当时就急了,我说:“嘿,小伙子,你这哪行啊?你这样选样品,就像闭着眼睛在一群羊里挑最肥的,全凭运气啊!得按照规定,从不同位置、不同时间到货的水泥里选,这样才能保证样品能代表这一整批水泥的质量啊。
”小工听了,脸一下子就红了,赶紧重新去选样品。
三、填写送检委托单选好样品后,就要填写送检委托单了。
这张单子就像是给检测机构的一封信,详细地告诉他们我们送来的是什么材料,有什么要求。
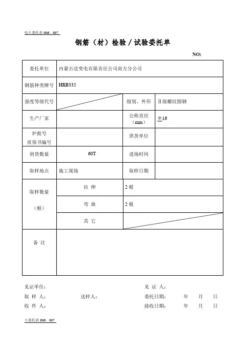
电土委托表006、007
钢筋(材)检验/试验委托单
NO:委托单位内蒙古送变电有限责任公司南方分公司
钢筋种类牌号HRB335
强度等级代号级别、外形Ⅱ级螺纹圆钢
生产厂家公称直径
(mm)
Φ16
炉批号
质保书编号
供货单位到货数量60T 进场时间取样地点施工现场取样日期
取样数量(根)拉伸2根弯曲2根其它
备注
见证单位:见证人:
取样人:送样人:委托日期:年月日收件人:接收日期:年月日
土委托表006、007
NO:委托单位内蒙古送变电有限责任公司南方分公司
钢筋种类牌号HPB235
强度等级代号级别、外形I级圆钢
生产厂家公称直径(mm)
Φ8
炉批号
质保书编号
供货单位到货数量60T 进场时间取样地点施工现场取样日期
取样数量(根)拉伸2根弯曲2根其它
备注
见证单位:见证人:
取样人:送样人:委托日期:年月日收件人:接收日期:年月日
NO:委托单位内蒙古送变电有限责任公司南方分公司
钢筋种类牌号HPB235
强度等级代号级别、外形I级圆钢
生产厂家公称直径(mm)
Φ6
炉批号
质保书编号
供货单位到货数量60T 进场时间取样地点施工现场取样日期
取样数量(根)拉伸2根弯曲2根其它
备注
见证单位:见证人:
取样人:送样人:委托日期:年月日收件人:接收日期:年月日。
钢筋送检委托单(总18页) -本页仅作为预览文档封面,使用时请删除本页-见证送检委托单(钢筋物理性能)注:1、此表一式二份,施工单位和检测单位各执一份;见证送检委托单(钢筋物理性能)注:1、此表一式二份,施工单位和检测单位各执一份;委托编号25检测编号委托单位哈尔滨市第二市政工程公司委托日期2014年9月1日工程名称哈尔滨市黄家崴子道路工程施工第三合同标段-宾成铁路公铁立交桥出厂日期2014年5月29日使用部位桩、墩柱品种规格25材料名称钢筋牌号等级HRB400E生产厂家黑龙江建龙钢铁有限公司样品数量7根代表批量炉批(罐)号1Y823项目编号检测项目项目编号检测项目1拉伸62弯曲73849510备注:监理单位全称:黑龙江中铁建设监理有限责任公司取样员联系电话:监理单位(章):见证员(签字/盖章):见证员编号:黑0009委托单位(章):取样员(签字/盖章):取样员编号:黑0232检测单位(章):接样员(签字):见证送检委托单(钢筋物理性能)委托编号25检测编号委托单位哈尔滨市第二市政工程公司委托日期2014年9月1日工程名称哈尔滨市黄家崴子道路工程施工第三合同标段-宾成铁路公铁立交桥出厂日期2014年2月16日使用部位桩基础品种规格28材料名称钢筋牌号等级HRB400E生产厂家西林钢铁集团有限公司样品数量7根代表批量炉批(罐)号4002436项目编号检测项目项目编号检测项目1拉伸62弯曲73849510备注:监理单位全称:黑龙江中铁建设监理有限责任公司取样员联系电话:监理单位(章):见证员(签字/盖章):见证员编号:黑0009委托单位(章):取样员(签字/盖章):取样员编号:黑0232检测单位(章):接样员(签字):日期:注:1、此表一式二份,施工单位和检测单位各执一份;见证送检委托单(钢筋焊接)注:1、此表一式二份,施工单位和检测单位各执一份; 2、“√”为必填项目;3、表格除签字可手写,其余一律机打,不允许涂改;4、焊件的工艺检验加三根原材;5、“代表批量”≤300件。
建筑材料送检指南在建筑工程中,使用合格的建筑材料是确保工程质量和安全的关键。
为了保证建筑材料的质量符合相关标准和规范,送检工作就显得尤为重要。
这不仅是对工程质量的负责,也是对人们生命财产安全的保障。
下面,就为您详细介绍一下建筑材料送检的相关知识和流程。
一、为什么要进行建筑材料送检建筑材料的质量直接影响着建筑物的结构安全、使用功能和耐久性。
通过送检,可以对材料的性能进行科学、客观的检测和评估,从而判断其是否符合设计要求和相关标准。
这有助于防止使用不合格的材料,减少工程质量隐患,避免在施工过程中或建筑物使用后出现安全事故和质量问题。
二、哪些建筑材料需要送检1、钢材包括钢筋、钢板、钢管等,用于混凝土结构中的受力构件。
需要检测其屈服强度、抗拉强度、伸长率等性能。
2、水泥用于混凝土和砂浆的胶凝材料。
要检测其安定性、强度等指标。
3、砂石作为混凝土和砂浆的骨料,需要检测其颗粒级配、含泥量、泥块含量等。
4、混凝土包括预拌混凝土和现场搅拌混凝土,检测其抗压强度、坍落度等。
5、砂浆用于砌筑和抹灰,检测其抗压强度等性能。
6、砖和砌块如烧结砖、蒸压加气混凝土砌块等,检测其强度、吸水率等。
7、防水材料如防水卷材、防水涂料等,检测其不透水性、拉伸性能等。
8、门窗检测其气密性能、水密性能、抗风压性能等。
9、保温材料如保温板、保温砂浆等,检测其导热系数、抗压强度等。
10、电线电缆检测其电阻、绝缘性能等。
三、送检的频率和数量送检的频率和数量通常根据建筑工程的规模、结构类型以及相关标准和规范的要求来确定。
1、对于同一厂家、同一品种、同一规格的钢材,每 60 吨为一个检验批,不足 60 吨也按一个检验批送检。
2、同一厂家、同一品种、同一强度等级的水泥,袋装水泥每 200吨为一个检验批,散装水泥每 500 吨为一个检验批。
3、砂石:以 400 立方米或 600 吨为一个检验批。
4、混凝土:每 100 立方米的同配合比混凝土,取样不少于一次;当一次连续浇筑超过 1000 立方米时,每 200 立方米取样不少于一次。
见证送检委托单(钢筋物理性能)见证送检委托单(钢筋物理性能)注:1、此表一式二份,施工单位和检测单位各执一份;见证送检委托单委托编号25检测编号委托单位哈尔滨市第二市政工程公司委托日期2014年9月1日工程名称哈尔滨市黄家崴子道路工程施工第三合同标段-宾成铁路公铁立交桥出厂日期2014年5月29日使用部位桩、墩柱品种规格25材料名称钢筋牌号等级HRB400E生产厂家黑龙江建龙钢铁有限公司样品数量7根代表批量炉批(罐)号1Y823项目编号检测项目项目编号检测项目1拉伸6 2弯曲7 38 4951 0备注:监理单位全称:黑龙江中铁建设监理有限责任公司取样员联系电话:监理单位(章):见证员(签字/盖章):见证员编号:黑0009委托单位(章):取样员(签字/盖章):取样员编号:黑0232检测单位(章):接样员(签字):(钢筋物理性能)注:1、此表一式二份,施工单位和检测单位各执一份;委托编号25检测编号委托单位哈尔滨市第二市政工程公司委托日期2014年9月1日工程名称哈尔滨市黄家崴子道路工程施工第三合同标段-宾成铁路公铁立交桥出厂日期2014年2月16日使用部位桩基础品种规格28材料名称钢筋牌号等级HRB400E生产厂家西林钢铁集团有限公司样品数量7根代表批量炉批(罐)号4002436项目编号检测项目项目编号检测项目1拉伸6 2弯曲7 38 4951 0备注:监理单位全称:黑龙江中铁建设监理有限责任公司取样员联系电话:监理单位(章):见证员(签字/盖章):见证员编号:黑0009日期:委托单位(章):取样员(签字/盖章):取样员编号:黑0232日期:检测单位(章):接样员(签字):日期:见证送检委托单(钢筋焊接)2、“√”为必填项目;3、表格除签字可手写,其余一律机打,不允许涂改;合 同 号 25检测编号委托单位哈尔滨市第二市政工程公司 委托日期2014年9月1日工程名称 哈尔滨市黄家崴子道路工程施工第三合同标段-宾成铁路公铁立交桥出厂日期 2014年5月24日使用部位 桩、墩柱 品种规格 25 材料名称 单面搭接焊 牌号等级 HRB400E 生产厂家 黑龙江建龙钢铁有限公司样品数量 3根 焊工姓名 邵芳信 焊工证号 T23038 代表批量 ≤300件炉批(罐)号 1Y823项目编号检测项目 项目编号检测项目1 抗拉强度 62 73 84 9 510备注:监理单位全称:黑龙江中铁建设监理有限责任公司 取样员联系电话: 监理单位(章):见证员(签字/盖章): 见证员编号:黑0009 日期: 委托单位(章):取样员(签字/盖章): 取样员编号:黑0232 日期:检测单位(章):接样员(签字):日期:4、焊件的工艺检验加三根原材;5、“代表批量”≤300件。
钢筋原材料委托单芜湖市钢筋原材见证取样检测委托单委托方检测方表格号: /-工程名称委委托单位托监理单位信施工单位息材料供应商1 2样3 品检信4 测息品种规格 () 12 () 14 () 14 () 16 () 16 () 18取样数量一组一组一组一组一组一组长江湾小区二期工程(盖章)芜湖中天工程咨询有限公司芜湖华夏建工集团有限公司/代表数量 60T 60T 60T 60T 60T 50T质保书编号 Z Z Z Z Z炉批号工程编码联系人签名/电话见证员签名/电话取样员签名/电话联系人/电话使用部位基础及主体基础及主体基础及主体基础及主体基础及主体基础及主体 /葛大华/彭朝阳//见证员复核□符合□不符合□符合□不符合□符合□不符合□符合□不符合□符合□不符合□符合□不符合生产厂家名称马钢马钢马钢马钢马钢马钢委托日期检测后的样品处理:□异议期满后取回□委托检测机构自行处理填表说明1、委托方、见证员、取样员及收样员应准确、详细和工整地填写各项内容,并对填写内容的真实性负责;2、“编号”规则:委托方送检时填好编号,编号样式为:报告领取方式:□自取□邮寄□ X-,其中:X中X表示年度的尾号;为阿拉伯数字,表示本年度内从1开始的流水编号,不供应商名称、地址、电话得重复;检测方同意接受样品时当场编号,编号样式为:□□-X-,其中:□□为检测项目唯一性代码,用大写字母表示,其它与委托方“编号”规则同; 3、“表格号”为委托单唯一性编号,委托单没有发生变更时不得改动4、委托方填写“委托信息”栏内容;5、委托方填写“检测内容”栏中“生产厂家、供应商名称、地址、电话”、“检测项目”及“检测及评定依据”四项内容;取样员填写“样品名称”、“样品来源”、“ 取样数量”、“ 代表数量”及“取样部位”五项内容;见证员填写“复核”项内容;6、见证员、取样员及收样员三方应当面分别填写“见证意见”、“送样意见”及“收样意见”;内容5 6ZA□拉伸□弯曲□剪切检测□尺寸偏差□重量偏差项目□反复弯曲□复检见证员签名日期年月日检测及评定依据□钢筋混凝土用钢第1部分:热轧光圆钢筋□GB-冷轧带肋钢筋 7、在□中打√,表示选择该□后的内容;□钢筋混凝土用钢第2部分:热轧带肋钢筋□95-冷轧带肋钢筋混凝土结构技术规程 8 、本委托单任何内容不得涂改否则无效□GB-混凝土结构工程施工质量验收规范□19-冷拔低碳钢丝应用技术规程 9、委托方凭本委托单索取报告;□JG-冷轧扭钢筋□钢筋混凝土用钢第3部分:钢筋焊接网10、委托方要求自行取回已检样品的,在索取报告时间□-冷轧扭钢筋混凝土构件技术规程□GB-钢筋混凝土用余热处理钢筋□ 后七日内取回否则,由检测机构自行处理;见证意见送样意见取样员签名日期年月日见证员见证员签名见证记录收委托内容填写样样品外观状态意见样品封样、标识评审意见与备案见证员□一致□不一致与委托信息栏□一致□不一致□符合□不符合□完整□不完整□符合检测依据要求□样品异常状态□符合□不符合□样品符合检测要求□需要说明11、见证员、取样员及收样员三方发现其他任何一方弄虚作假,应向市建设工程质量监督站投诉、举报投诉、举报电话:-备注本栏应由见证员和取样员分别在收样时当场签注“取样和送样全过程符合GB-第条规定”,并签名,承担责任否则,收样员不得签收收样员签名日期年月日本委托单一式四份,委托方、施工单位、监理单位及检测机构各持一份如有材料供应商参加,增加一份,由其留存本委托单留存单位:□委托单位□施工单位□监理单位□检测机构□材料供应商芜湖市钢筋原材见证取样检测委托单委托方检测方表格号: /-工程名称委委托单位托监理单位信施工单位息材料供应商7 8样9 品检信10 测息品种规格 () 18 () 20 () 20 () 22 () 25 () 25取样数量一组一组一组一组一组一组长江湾小区二期工程(盖章)芜湖中天工程咨询有限公司芜湖华夏建工集团有限公司/代表数量 50T 60T 60T 53T 60T 50T质保书编号炉批号工程编码联系人签名/电话见证员签名/电话取样员签名/电话联系人/电话使用部位基础及主体基础及主体基础及主体基础及主体基础及主体基础及主体 /葛大华/彭朝阳//见证员复核□符合□不符合□符合□不符合□符合□不符合□符合□不符合□符合□不符合□符合□不符合生产厂家名称马钢马钢马钢马钢马钢马钢委托日期检测后的样品处理:□异议期满后取回□委托检测机构自行处理填表说明1、委托方、见证员、取样员及收样员应准确、详细和工整地填写各项内容,并对填写内容的真实性负责;2、“编号”规则:委托方送检时填好编号,编号样式为:报告领取方式:□自取□邮寄□ X-,其中:X中X表示年度的尾号;为阿拉伯数字,表示本年度内从1开始的流水编号,不供应商名称、地址、电话得重复;检测方同意接受样品时当场编号,编号样式为:□□-X-,其中:□□为检测项目唯一性代码,用大写字母表示,其它与委托方“编号”规则同; 3、“表格号”为委托单唯一性编号,委托单没有发生变更时不得改动4、委托方填写“委托信息”栏内容;5、委托方填写“检测内容”栏中“生产厂家、供应商名称、地址、电话”、“检测项目”及“检测及评定依据”四项内容;取样员填写“样品名称”、“样品来源”、“ 取样数量”、“ 代表数量”及“取样部位”五项内容;见证员填写“复核”项内容;6、见证员、取样员及收样员三方应当面分别填写“见证意见”、“送样意见”及“收样意见”;ZA Z Z Z Z Z内容11 12□拉伸□弯曲□剪切检测□尺寸偏差□重量偏差项目□反复弯曲□复检见证员签名日期年月日检测及评定依据□钢筋混凝土用钢第1部分:热轧光圆钢筋□GB-冷轧带肋钢筋 7、在□中打√,表示选择该□后的内容;□钢筋混凝土用钢第2部分:热轧带肋钢筋□95-冷轧带肋钢筋混凝土结构技术规程 8 、本委托单任何内容不得涂改否则无效□GB-混凝土结构工程施工质量验收规范□19-冷拔低碳钢丝应用技术规程 9、委托方凭本委托单索取报告;□JG-冷轧扭钢筋□钢筋混凝土用钢第3部分:钢筋焊接网10、委托方要求自行取回已检样品的,在索取报告时间□-冷轧扭钢筋混凝土构件技术规程□GB-钢筋混凝土用余热处理钢筋□ 后七日内取回否则,由检测机构自行处理;见证意见送样意见取样员签名日期年月日见证员见证员签名见证记录收委托内容填写样样品外观状态意见样品封样、标识评审意见与备案见证员□一致□不一致与委托信息栏□一致□不一致□符合□不符合□完整□不完整□符合检测依据要求□样品异常状态□符合□不符合□样品符合检测要求□需要说明11、见证员、取样员及收样员三方发现其他任何一方弄虚作假,应向市建设工程质量监督站投诉、举报投诉、举报电话:-备注本栏应由见证员和取样员分别在收样时当场签注“取样和送样全过程符合GB-第条规定”,并签名,承担责任否则,收样员不得签收收样员签名日期年月日本委托单一式四份,委托方、施工单位、监理单位及检测机构各持一份如有材料供应商参加,增加一份,由其留存本委托单留存单位:□委托单位□施工单位□监理单位□检测机构□材料供应商。
委托书范本1、砼试块抗压抗折、砼抗渗、砂浆抗压2、水泥、砂、石子、粉煤灰3、钢筋原材、钢板4、钢筋焊接、机械连接5、砼、砂浆、水泥土配比6、砖抗压7、瓦、蒸压加气砼砌块8、环刀、灌砂、击实、无侧限抗压9、焊缝、高强螺栓、植筋、面砖拉拔10、窗、轻钢龙骨、铝合金型材11、PVC排水管材管件12、PVC波纹管13、PPR、PE给水管材管件14、电线电管、开关插座15、建筑玻璃16、防水卷材17、防水涂料18、陶瓷砖、水质分析、大理石、木工板、花岗岩19、保温:EPS板/ XPS板、硬质聚氨酯泡沫塑料、胶粉(聚苯)EPS颗粒保温砂浆、水泥基复合保温砂浆20、保温:耐碱玻纤网格布、热镀锌电焊钢丝网、保温层构造21、保温:抗裂砂浆、界面砂浆22、保温:胶粘剂、抹面砂浆、现场墙体传热阻23、环境检测、土壤氡24、沥青混合料25、石灰等级、灰剂量曲线、灰剂量26、建筑涂料27、混泥土外加剂扬州市建伟建设工程检测中心有限公司检测委托书N O:送样员:见证员:收样员:电话:电话:地址:第1页扬州市建伟建设工程检测中心有限公司检测委托书N O:送样员:见证员:收样员:电话:电话:地址:第2页扬州市建伟建设工程检测中心有限公司检测委托书N O:送样员:见证员:收样员:电话:电话:地址:第3页扬州市建伟建设工程检测中心有限公司检测委托书N O:送样员:见证员:收样员:电话:电话:地址:第4页扬州市建伟建设工程检测中心有限公司检测委托书N O:送样员:见证员:收样员:电话:电话:地址:第5页扬州市建伟建设工程检测中心有限公司检测委托书N O:送样员:见证员:收样员:电话:电话:地址:第6页扬州市建伟建设工程检测中心有限公司检测委托书N O:电话:电话:地址:第7页扬州市建伟建设工程检测中心有限公司检测委托书N O:送样员:见证员:收样员:电话:电话:地址:第8页扬州市建伟建设工程检测中心有限公司检测委托书N O:电话:电话:地址:第9页扬州市建伟建设工程检测中心有限公司检测委托书N O:送样员:见证员:收样员:电话:电话:地址:第10页扬州市建伟建设工程检测中心有限公司检测委托书N O:送样员:见证员:收样员:电话:电话:地址:第11页扬州市建伟建设工程检测中心有限公司检测委托书N O:电话:电话:地址:第12页扬州市建伟建设工程检测中心有限公司检测委托书N O:送样员:见证员:收样员:电话:电话:地址:第13页扬州市建伟建设工程检测中心有限公司检测委托书N O:送样员:见证员:收样员:电话:电话:地址:第14页扬州市建伟建设工程检测中心有限公司检测委托书N O:送样员:见证员:收样员:电话:电话:第15页扬州市建伟建设工程检测中心有限公司检测委托书N O:第16页扬州市建伟建设工程检测中心有限公司检测委托书N O:电话:电话:地址:第17页扬州市建伟建设工程检测中心有限公司检测委托书N O:送样员:见证员:收样员:电话:电话:地址:第18页扬州市建伟建设工程检测中心有限公司检测委托书N O:电话:电话:第19页扬州市建伟建设工程检测中心有限公司检测委托书N O:送样员:见证员:收样员:电话:电话:第20页扬州市建伟建设工程检测中心有限公司检测委托书N O:送样员:见证员:收样员:第21页扬州市建伟建设工程检测中心有限公司检测委托书N O:送样员:见证员:收样员:电话:电话:地址:扬州市建伟建设工程检测中心有限公司检测委托书N O:送样员:见证员:收样员:电话:电话:地址:扬州市建伟建设工程检测中心有限公司检测委托书N O:送样员:见证员:收样员:电话:电话:第24页扬州市建伟建设工程检测中心有限公司检测委托书N O:送样员:见证员:收样员:第25页扬州市建伟建设工程检测中心有限公司检测委托书N O:第26页扬州市建伟建设工程检测中心有限公司检测委托书N O:第27页欢迎您的下载,资料仅供参考!致力为企业和个人提供合同协议,策划案计划书,学习课件等等打造全网一站式需求。
钢筋送检委托单填写技巧
以下是 6 条关于“钢筋送检委托单填写技巧”:
1. 嘿,你知道吗,填写钢筋送检委托单可不能马虎呀!就像给病人开药方一样,得仔仔细细的。
比如说,工程名称那栏你可得写准确了呀,不然不就像找错了病人一样糟糕啦!总之,每一项都要认真对待,可别出岔子哟!
2. 哎呀呀,钢筋送检委托单里的钢筋规格型号这一项可太重要啦!这就好比给人介绍对象,得把特点说清楚呀!你要是写错了,那不就像给错了信息,会出大乱子的哟!所以一定得瞪大眼睛看清楚了再填呀!
3. 哇塞,填写委托日期的时候可得注意啦!这可不能随便填哟,就如同给孩子过生日,得填对日子呀!填错了日期,那不就像记错孩子生日一样尴尬嘛!可得用心点嘞!
4. 嘿哟,钢筋送检委托单上的送检数量也不能乱来呀!这就好像做菜放盐,得有个适量啊!写多了写少了都不行呢,会影响结果的呀!你可别犯糊涂哟!
5. 哇哦,委托单位名称这一项可得填准确啦!这就好像你得知道自己家在哪儿一样重要呀!要是填错了,不就像找不到家了一样迷茫嘛!千万得小心咯!
6. 啊呀,钢筋送检委托单上的备注栏也别小瞧呀!它就像给你的作品加上一些独特的注释,可关键了呢!说不定关键时刻就能起到大作用哟,你可不能随随便便对待呀!
我的观点结论:钢筋送检委托单的填写真的需要特别细心和认真,每一个细节都不能忽视,只有这样才能确保送检的准确性和有效性。
见证送检委托单样本
委托单位:
委托人:
地址:
被委托单位:
地址:
委托事项:
根据相关法规和规定,本单位对以下事项进行委托,请被委托单位进行相应的见证和检测:
1.事项一:
详细说明事项一的背景、目的、要求等。
2.事项二:
详细说明事项二的背景、目的、要求等。
3.事项三:
详细说明事项三的背景、目的、要求等。
委托要求:
1.被委托单位负责人应具有相关的资质和经验;
2.被委托单位应严格按照国家相关标准和规定进行见证和检测;
3.被委托单位应及时提供见证和检测的结果报告;
4.被委托单位应保护委托单位的商业机密和个人信息安全;
费用和付款方式:
1.被委托单位应提供详细的费用清单;
2.费用应包括见证和检测的费用、报告的费用等;
3.付款方式为(支付宝、银行转账、现金等)。
其他约定事项:
1.本委托单经双方签字确认后生效;
2.如发生纠纷,应通过友好协商解决,协商不成的,提交有管辖权的法院解决;
3.本委托单正本一式两份,各方各执一份。
委托方(盖章):被委托方(盖章):
签字:签字:。
水 泥 检 验 委 托 单样品编号: 委托编号:收样验收人: 收样时间: 监理单位 见证人签名 联系电话 委 托 类 别□普通送检 □见证送检 □监理抽检委托单位 委托人签名联系电话工程名称工程部位检测项目□常规检测 □快速强度检测 □细度 □密度 □比表面积 □胶砂流动度 □烧失量□三氧化硫 □不溶物 □其他样品处理 □客户回收 □实验室处理检测标准□通用硅酸盐水泥GB 175-2007 □道路硅酸盐水泥GB 13693-2005 □水泥强度快速检验方法JC/T738-2004□其他水泥品种 □P·O 普通硅酸盐水泥 □P·S 矿渣硅酸盐水泥 □P·I硅酸盐水泥 □P·P 火山灰水泥 □P·F 粉煤灰水泥 □白色硅酸盐水泥 □P·C 复合硅酸盐水泥 □P·R 道路硅酸盐水泥 □P·II硅酸盐水泥 □其他强度等级 □32.5 □32.5R □42.5 □42.5R □52.5 □52.5R □62.5 □62.5R □其他 样品编号取样部位产地 厂名 牌号 出厂编号备 注样品状态□正常 □异常领报告日期快速 常规试验费合计(小写)¥:混 凝 土 配 合 比 设 计 委 托 单样品编号: 委托编号:收样验收人: 收样时间: 监理单位 见证人签名 联系电话 委 托 类 别□普通送检 □见证送检 □监理抽检委托单位 委托人签名联系电话工程名称设计依据□JGJ55-2011 □其他 混 凝 土 配 合 比 设 计样品处理 □客户回收 □实验室处理设 计 要 求工 程 部 位强度等级塌落度mm 抗折强度抗渗等级序号 原材料 样品编号产地牌号 品种规格型号1水泥2 砂3 石4 水5 掺和料6外加剂备 注样品状态□正常 □异常领报告日期快速 常规试验费 合计(小写)¥:石 子 检 测 委 托 单样品编号: 委托编号:收样验收人: 收样时间: 监理单位 见证人签名 联系电话 委 托 类 别□普通送检 □见证送检 □监理抽检委托单位 委托人签名联系电话工程名称 工程部位 产地规格mm样品处理□客户回收 □实验室处理检测依据□公路工程集料试验规程 JTG E42-2005 □普通混凝土用砂、石质量标准及检验方法JGJ52-2006 □公路工程岩石试验规程JTG E41-2005□建筑用卵石、碎石GB/T 14685-2011 □公路沥青路面施工技术规范JTG F40-2004 □其他检测项目普通混凝土用碎石: □常规检测(颗粒级配、含泥量、泥块含量、针片状含量、表观密度、堆积密度)非常规检测:□压碎指标 □岩石抗压强度 □其他沥青混凝土或道路基层用碎石: □颗粒级配 □水洗法<0.075mm 颗粒含量 □毛体积密度 □视密度 □吸水率/含水率 □对沥青的粘附性□压碎指标 □针片状颗粒含量 □洛杉矶磨耗损失 □磨耗值 □磨光值 □堆积密度及孔隙率 □含泥量 □泥块含量 □坚固性 □软石含量 □有机物含量 □碱活性 □其他做压碎指标时确认岩石种类□水成岩,如石灰岩, □砂岩变质岩或深成火成岩,如花岗石 □火成岩石备 注样品状态□正常 □异常领报告日期试验费 合计(小写¥):砂 浆 配 合 比 设 计 委 托 单样品编号: 委托编号:监理单位 见证人签名 联系电话委托类别 □普通送检 □见证送检 □监理抽检委托单位 委托人签名 联系电话工程名称 设计依据砂浆配合比设计 样品处理 □客户回收 □实验室处理设计要求工程部位 强度等级 稠度 砂浆种类 序号 原材料 委托单编号 产地牌号 品种规格型号□水泥砂浆□水泥混合砂浆1 水泥□水泥砂浆□水泥混合砂浆2 砂□水泥砂浆□水泥混合砂浆3 水□水泥砂浆□水泥混合砂浆4 外加剂备 注样品状态 □正常 □异常 领报告日期 试验费 合计(小写)¥:砂 子(石 屑) 检 测 委 托 单样品编号: 委托编号:收样验收人: 收样时间: 监理单位 见证人签名 联系电话 委 托 类 别□普通送检 □见证送检 □监理抽检委托单位 委托人签名联系电话工程名称工程部位生产厂家品种□河砂 □山砂 □海砂 □其他 样品处理□客户回收 □实验室处理检测依据□建筑用砂GB/T 14684-2011 □公路工程集料试验规程JTG E42-2005 □普通混凝土用砂、石质量标准及检验方法JGJ52-2006□公路沥青路面施工技术规范JTG F40-2004 □其他样 品用 途□普通混凝土用砂□沥青混合料或道路基层用细集料□其他检测项目□常规检测(颗粒级配、细度模数、含泥量、泥块含量、表观密度、堆积密度)□常规检测(颗粒级配、水洗法<0.075mm 颗粒含量、视密度、堆积密度、含泥量、泥块含量、紧装密度)非常规检测: □砂当量 □有机物含量 □云母含量 □碱活性 □含水量/吸水率□轻物质 □氯离子含量 □贝壳含量 □坚固性 □轻物质含量 □硫化物及硫酸盐含量 □其他备 注样品状态□正常 □异常领报告日期试验费 合计(小写)¥:金 属 材 料(原 材) 检 测 委 托 单样品编号: 委托编号:收样验收人: 收样时间: 监理单位 见证人签名 联系电话 委 托 类 别□普通送检 □见证送检 □监理抽检委托单位 委托人签名联系电话工程名称检测项目□拉伸 □弯曲 □其他检测标准□1、热轧带肋钢筋GB1499.2-2007 5、□碳素结构钢GB/T700-2006□2、热轧光圆钢筋GB1499.1-2008 6、□建筑结构用钢板GB/T19879-2005□3、冷轧带肋钢筋GB13788-2008 7、□其他 □4、低合金高强度结构钢GB/T1591-2008 抗震要求 □是□否 检测类别 □初检 □复检 □重检屈服点 样品处理 □客户回收 □实验室处理 样品编号 规格 等级牌号 生产厂家使用部位批号 代表数量 样品编号 规格 等级牌号 产地 使用部位批号代表数量 1 6 2 7 3 8 4 9 510备 注样品状态□正常 □异常领报告日期试验费 合计(小写)¥:。
送检委托单送样日期:年月日检测报告编号:注意事项1、送样人及建设(或监理)单位人员对试样的代表性、真实性负责。
2、送样人及建设(或监理)单位人员必须在送检委托单内签字(盖章),否则,检测单位不得受理委托。
检测单位:样品接收人:水泥送检委托单送样日期:****年**月**日检测报告编号:检测单位:样品接收人:砂子送检委托单送样日期:****年**月**日检测报告编号:检测单位:样品接收人:石子送检委托单送样日期:年月日检测报告编号:检测单位:样品接收人:钢筋送检委托单送样日期:年月日检测报告编号:其它要求注意事项1、送样人及建设(或监理)单位人员对试样的代表性、真实性负责。
2、送样人及建设(或监理)单位人员必须在送检委托单内签字(盖章),否则,检测单位不得受理委托。
检测单位:样品接收人:钢材焊接送检委托单送样日期:年月日检测报告编号:检测单位:样品接收人:混凝土外加剂送检委托单送样日期:年月日检测报告编号:检测单位:样品接收人:混凝土/砂浆试件送检委托单送样日期:年月日检测报告编号:注意事项1、送样人及建设(或监理)单位人员对试样的代表性、真实性负责。
2、送样人及建设(或监理)单位人员必须在送检委托单内签字(盖章),否则,检测单位不得受理委托。
检测单位:样品接收人:混凝土配合比送检委托单送样日期:年月日检测报告编号:检测单位:样品接收人:砂浆配合比送检委托单送样日期: 年 月 日 检测报告编号:检测单位:样品接收人:砖送检委托单送样日期:年月日检测报告编号:检测单位:样品接收人:砌块送检委托单送样日期:年月日检测报告编号:检测单位:样品接收人:防水卷材送检委托单送样日期:年月日检测报告编号:其它要求注意事项1、送样人及建设(或监理)单位人员对试样的代表性、真实性负责。
2、送样人及建设(或监理)单位人员必须在送检委托单内签字(盖章),否则,检测单位不得受理委托。
检测单位:样品接收人:门/窗送检委托单送样日期:年月日检测报告编号:检测单位:样品接收人:。
委托单填写须知委托人在填写委托单时应清楚工程名称、建设单位、委托单位(施工单位)、委托项目、工程使用部位;每个检验项目应分开填写委托单;首次填写委托单时还应留下委托人的联系电话;对于不同的检验项目还应提供以下信息:一、钢筋原材料生产厂家、供销部门、强度等级(牌号)、批号(炉号)、代表批量。
二、钢筋焊接(机械连接)工艺形式、抽样日期、焊工(操作工)姓名、上岗证号、代表接头数量(单位为“头”)三、混凝土(砂浆)试块试块尺寸、强度等级、养护条件、代表批量、成型日期(同条件养护还应提供累计温度和试压日期)。
标养试块和同条件试块应分别填写委托单;制作日期不同的试块应分别填写委托单。
四、水泥生产厂家、水泥品种、强度等级、出厂日期、出厂编号、代表批量、取样地点。
五、混凝土(砂浆)配合比水泥生产厂家、品种、强度等级、出厂日期、编号、批量;砂石产地、品种规格、抗渗等级;外加剂使用说明(用于砌体砂浆的有机塑化剂还必须提供砌体强度形式检验报告)。
六、砌块(烧结普通砖、烧结多孔砖、烧结空心砖、砼加气块)生产厂家、规格型号(级别)、代表批量。
七、砂、石产地、种类、规格八、土击实土样来源(原土或外购)、石灰产地、灰土比例。
九、防水材料产品名称、生产厂家、规格型号(代号)、供销部门、抽样地点、代表批量注意事项:1、见证人的姓名不能代签,应用正楷书写;2、取样人、委托人姓名应用正楷书写。
施工质量验收技术资料1.单位(子单位)工程概况表(B1001)2.建设工程主要审批文件施工许可证、中标通知书等一览表(B1003)3.开工报告(B1004)4.建筑工程各责任主体单位及有关机构负责人情况表(B1006)5.工程项目施工企业主要管理人员名单(B1007)6.施工组织设计(施工方案)报批表(B1008)7.岩土工程勘察报告(B1009)8.见证取样送检见证人授权书(B1012)9.原材料、配件、设备试验委托单(B1013)10.合格证、出厂检试验报告出厂质量证明资料粘贴单(B1015)11.开工前施工图纸会审记录(B1016)12.施工期间设计交底记录(B1017)13.洽商记录(B1018)14.施工日志(B1020)15.新材料、新工艺、新技术、新设备应用申报审批表(B1021)16.新材料、新工艺、新技术、新设备施工记录(B1022)17.工序交接、中间交接、单位之间交接检查记录(B1024)18.施工现场质量管理检查记录(B1039)分项工程检验批质量验收记录1.土方开挖工程检验批质量验收记录2.土方回填工程检验批质量验收记录3.灰土地基工程检验批质量验收记录4.四步灰土工程质量控制资料表1.统一标准(GB50300-2001)强文检查记录(C1001)2.地基基础工程各规范强文检查记录(一)(C1002)3.地基基础工程各规范强文检查记录表(二)(C1002)4.混凝土结构工程规范强文检查记录表(C1003)5.湿陷性黄土地区建筑规范强文检查记录(C1016)地基与基础1.土及灰土地基(垫层)回填现场试验记录2.分层回填现场抽样试验点位示意图3.地基验槽记录4.问题坑及局部软弱填土地基处理记录测量、放线、施工试验1.规划部门的定位坐标,高程控制摘录(C1201)2.施工放线控制网记录(C1202)3.施工放线验收记录(C1203)4.混凝土浇筑申请表(C1210)5.混凝土配合比用水量调整及开盘鉴定记录(C1211)6.混凝土配合比及浇筑施工记录(C1212)7.现浇混凝土全过程施工记录(C1213)8.现浇混凝土模板安装、拆除施工记录(C1214)9.现浇混凝土结构外观质量缺陷处理记录(C1215)10.混凝土坍落度检查记录(C1217)11.现场钢筋预应力、张拉施工记录12.钢筋混凝土梁纵向受力钢筋保护层厚度检测记录(C1219)13.钢筋加工、安装施工记录14.混凝土试件同条件养护施工记录(C1221)15.基础结构工程检查记录(C1225)16.砌体质量控制施工记录(C1227)建筑与结构原材料、试件试验1.钢材出厂合格证,进场抽样复试报告汇总表(C1401)2.钢材物理性能试验报告(C1402)3.钢材焊接性能检验报告(C1403)4.钢材机械连接性能检验报告(C1404)5.水泥、外加剂、掺和料出厂合格证进场试验报告汇总表(C1405)6.水泥复检报告(C1406)7.水泥安定性检验报告(C1407)8.烧结砖、多孔砖、砌块出厂合格证复试报告汇总表(C1408)9.烧结普通砖检验报告(C1410)10.烧结多孔砖检验报告(C1409)11.砂检验报告(C1412)12.石子检验报告(C1413)13.预拌混凝土,现场拌制混凝土配合比报告(C1414)14.混凝土抗压强度检验报告(C1415)15.防水混凝土抗渗试验报告(C1416)16.砂浆配合比试验报告(C1417)17.砂浆抗压强度检验报告(C1418)18.击实试验报告(C1422)。
客户代码:山西科宇工程勘察检测有限公司工程材料试验委托书委托日期:建设单位:篇二:取样、送样见证人委托书取样、送样见证人委托书北仑区建筑工程质量监督站:按仑建[2006]46号文件规定,本单位工程的见证取样及送检见证人委托下列人员担任:见证人:职称:单位:见证人签名:见证人:职称:单位:见证人签名:见证人:职称:单位:见证人签名:(以上共人)如无以上见证人见证取样及见证送样的试样,本单位均不认可。
见证人如有更换,本单位将在更换前书面通知你站,本委托至上述工程竣工后失效。
建设或监理单位(盖章):项目负责人工总监;日期:年月日备注:1、建设单位委托的,应盖单位公章;监理单位委托的,应盖单位公章或分公司公章。
篇三:送样委托书见证取样送检委托书表b4-5 编号:武汉英捷建设工程检测有限责任公司(检测单位)工程下列见证取样试块(试件)送你处检测,请予检查验收。
要求提交检测报告时间:年月日现将洪山区白沙三路(青菱路-烽胜路) 年月日见证单位:武汉土木工程建设监理有限公司见证员:年月日篇四:送样和填写委托单须知送样和填写委托单须知水泥:每组送12公斤,每张委托单可以填写数组,委托单上需填写,名称、检测项目(常规)、品种、等级、备案证编号、生产厂家、出厂编号、代表数量(袋装为200t 散装为500t)、工程部位。
细骨料(黄砂):每组送25公斤,每张委托单可以填数组,委托单上需填写,检测项目(常规)、名称、备案证编号、生产厂家、代表数量(土建为600t、市政为400t)、工程部位。
粗骨料(碎石):每组送45公斤,每张委托单可以填数组,委托单上需填写,检测项目(常规)、名称、规格、备案证编号、生产厂家、代表数量(土建为600t、市政为400t)、工程部位。
墙体材料:烧结普通砖(代表数量为15万),烧结多孔砖(代表数量为5万),蒸压灰砂砖(代表数量为10万),粉煤灰砖(代表数量为10万),混凝土实心砖(代表数量为10万),每组送15块。
钢筋送检数量和注意问题——适用于钢筋混凝土用热轧钢筋(HRB/HPB系列)一、检验批组批规则1、钢筋按批验收,每批要“3同”,即:同牌号,同批号、同规格的钢筋组成。
每批重通常不大于60t。
超过60t的部分,每增加40t(或不足40t),需增加一个拉伸试样和一个弯曲试样。
2、(亲们注意了,为你省钱了)允许组成混合批,但要求同厂家、同牌号、同规格,且碳含量之差不大于0.02%,锰含量之差不大于0.15%。
所以要核对钢筋出厂材质书哦,如果化学成分含量满足要求,恭喜你,没必要每个批号都取样,把它们组成混合批吧,只要不超过60t,就送一次吧。
二、复验项目及取样数量1、重量偏差需送长度不小于500mm的5支,考虑取样偏差、送样、检验方便,一个字:取550mm吧。
要用切割机切割哦。
目的是保证钢筋样品两端平齐,以减小测量误差。
2、拉伸试验从重量偏差试样里面挑2支做拉伸试验。
需测试的性能指标有:屈服强度、抗拉强度、断后伸长率。
如果钢筋是抗震钢筋(牌号后面带E,比喻说HRB400E)那么其强屈比(抗拉强度比屈服强度)、超屈比(屈服强度实测值比屈服强度)、均匀伸长率(最大力伸长率)也需要符合要求哦。
3、弯曲试验需送350~400mm长度的钢筋两支。
总结一下:总的送样数量:7支,包括:长550的5支,长350~400的2支。
三、注意事项1、亲们的委托单经常不填写钢筋标识(只适用于带肋钢筋)。
钢筋标识是指印在钢筋上的标记,例如:这下子没有理由不填写了吧。
亲们,已经为你们准备好了委托单的模板,需要到群里去下载,有什么问题也可以在群里给我留言,一定第一时间给你解决。
而我对你的请求就是:请认真填写委托单。
告诉别人:搞技术的也可以是好送样员。
2、亲,对以上信息,你也可以通过GB1499.1《钢筋混凝土用钢第1部分热轧光圆钢筋》GB1499.2《钢筋混凝土用钢第2部分热轧带肋钢筋》进行辨别真伪或者获取更多信息。
以上两个标准我会在群里共享。
电土委托表006、007
钢筋(材)检验/试验委托单
NO:委托单位内蒙古送变电有限责任公司南方分公司
钢筋种类牌号HRB335
强度等级代号级别、外形Ⅱ级螺纹圆钢
生产厂家公称直径
(mm)
Φ16
炉批号
质保书编号
供货单位到货数量60T 进场时间取样地点施工现场取样日期
取样数量(根)拉伸2根弯曲2根其它
备注
见证单位:见证人:
取样人:送样人:委托日期:年月日收件人:接收日期:年月日
土委托表006、007
NO:委托单位内蒙古送变电有限责任公司南方分公司
钢筋种类牌号HPB235
强度等级代号级别、外形I级圆钢
生产厂家公称直径(mm)
Φ8
炉批号
质保书编号
供货单位到货数量60T 进场时间取样地点施工现场取样日期
取样数量(根)拉伸2根弯曲2根其它
备注
见证单位:见证人:
取样人:送样人:委托日期:年月日收件人:接收日期:年月日
NO:委托单位内蒙古送变电有限责任公司南方分公司
钢筋种类牌号HPB235
强度等级代号级别、外形I级圆钢
生产厂家公称直径(mm)
Φ6
炉批号
质保书编号
供货单位到货数量60T 进场时间取样地点施工现场取样日期
取样数量(根)拉伸2根弯曲2根其它
备注
见证单位:见证人:
取样人:送样人:委托日期:年月日收件人:接收日期:年月日。