测量施工放样及复查流程
- 格式:doc
- 大小:26.00 KB
- 文档页数:2
分局试验检测中心施工放样作业指导书(一)施工测量放样工艺流程图分局试验检测中心(二)施工测量放样作业方法及要求一、说明本指导书是根据常规放样方法编写的,放样人员必须根据实际情况,如精度要求、控制点分布、现有仪器、现场条件、计算工具等来选择测站点和放样点的测设方法的不同组合及不同的检核方法。
各类工程及同一工程的不同阶段、不同部位对放样点的精度要求不同,所以对测站点和放样点的精度要求也不相同。
作业时请严格执行《工程测量规范》、《水电水利工程施工测量规范》和《施工测量控制程序》。
本书中提到的限差指规范要求的限差,如果设计上有特殊要求,按设计要求执行。
二、测量资料收集与放样方案制定1.测量放样前,应从合法、有效途径获取施工区已有的平面和高程控制成果资料。
2.根据现场控制点标志是否稳定完好等情况,对已有的控制点资料进行分析,确定是否全部或部分对控制点进行检测。
3.已有控制点不能满足精度要求应重新布设控制,已有的控制点密度不能满足放样需要时应根据现有的控制点进行加密。
4.必须按正式设计图纸、文件、修改通知进行测量放样,不得凭口头通知和未经批准的图纸放样。
5.根据规范规定和设计的精度要求并结合人员及仪器设备情况制定测量放样方案。
其内容应包括:控制点的检测与加密、放样依据、放样方法及精度估算、放样程序、人员及设备配置等。
三、放样前准备1.阅读设计图纸,校算建筑物轮廓控制点数据和标注尺寸,记录审图结果。
2.选定测量放样方法并计算放样数据或编写测量放样计算程序、绘制放样草图并由第二者独立校核。
3.准备仪器和工具,使用的仪器必须在有效的检定周期内。
给仪器充电,检查分局试验检测中心仪器常规设置:如单位、坐标方式、补偿方式、棱镜类型、棱镜常数、温度、气压等。
4.使用有内存的全站仪时,可以提前将控制点(包括拟用的测站点、检查点)和放样点的坐标数据输入仪器内存,并检查。
四、全站仪坐标法设站+极坐标法放点1.在控制点上架设全站仪并对中整平,初始化后检查仪器设置:气温、气压、棱镜常数;输入(调入)测站点的三维坐标,量取并输入仪器高,输入(调入)后视点坐标,照准后视点进行后视。
测量放样流程
放样测量流程包括:将全站仪架设到基准点,打开仪器,转动望远镜后,打开激光器对中,进行整平;打开全站仪,进入菜单选项,选择放样测量,进入测站设置,按照图纸输入测站基点坐标后,进入后视点输入;进入测距选项,将棱镜架设到复测点位,整平,望远镜十字丝对准棱镜中心,选择坐标测量等。
放样测量作为一项测绘技术来说,就是对任一空间物体的三维定位测量,它的具体工作,均反映在对距离、角度(方向)、高程三个量的测定上,不论采用什么样的方法放样,总是离不开运用各类不同的仪具将这三个量测量的结果,在施工现场予以标定。
放样是工程测量研究的主要内容之一。
1、将全站仪架设到基准点,打开仪器,转动望远镜后,打开激光器对中,进行整平,只上下调动其中两个脚架,将圆水准器调平后再调管水准器精平,再看对中点是否居中,如有偏差,只移动仪器,再进行精准调平,直到对中为止。
2、打开全站仪,进入菜单选项,选择放样测量,进入测站设置,按照图纸输入测站基点坐标后,进入后视点输
入,将仪器十字丝对准后视点棱镜中心后,按确定键,这样仪器已经设置好坐标方位。
进行反复测站,防止误差较大。
3、进入测距选项,将棱镜架设到复测点位,整平,望远镜十字丝对准棱镜中心,选择坐标测量,打出坐标与现有坐标进行对比,相差不大就可以进行下一步的放样程序。
4、进入放样测量中的放样数据,输入要测定的未知点坐标进行测定,输入坐标后按仪器显示角度方位进行调整,将棱镜移动到正确方位进行距离测量,根据仪器上显示距离棱镜进行适当的前后调整。
5、对测出来的点,画圈打差,打上木桩,在木桩上订上钉子,对木桩周围进行压实操作防止木桩松动,并在记录本上记录好数据。
测绘工作流程尊敬的客户,欢迎您到宝鸡点亮测绘有限公司来办理业务!我公司将本着“精确、高效、友善”的宗旨竭诚为您提供优质的服务.在您办理具体事务前,请先详细阅读本指南,这将有助于您和我们更好的完成本次测绘任务.一、测绘工作流程:二、测绘部服务项目介绍【规划定线】1、办理时应提供资料:经规划局盖章的设计图、红线图.2、工作周期:2个工作日之内到现场,隔天出报告.【规划验线】1、测量条件:已放好线(灰线或龙门桩放好、高层轴线桩引好).2、办理时应提供资料:a、行政审批中心规划建设局窗口开具的建设工程验线记录单.b、盖有“吴江市规划建设局图纸批准专用章”的总平面图一份.注:二者的批准号要一致!c、请您每幢建筑物放好所有角点。
3、工作周期:2个工作日之内到现场,隔天出报告.【竣工测量】〈建筑竣工〉1、测量条件:建设区构筑物及道路、绿化及其它市政设施已竣工。
2、办理时应提供资料:a、土地使用证复印件1份;b、该工程经规划建设局批准的施工总平面图一份;c、建设区内各种管线(如雨水、污水等)室外分布图一份。
3、工作周期:总共15个工作日。
通常一周之内到现场,隔一周出报告.4、竣工补测:如规划验收不合格,需要现场进行改造的,在满足规划条件要求后对现场进行局部补测,请您将我单位上次提供的3份竣工测量总平面图返回。
收费标准:1800元.注:竣工测量总平面图电子档,我单位通常会通过e-mail直接发送到规划建设局信箱。
如确实有需要,我们会另外提供软盘拷贝.〈道路、桥梁、驳岸竣工〉1、测量条件:道路及其它市政设施已竣工。
2、办理时应提供资料:施工设计图1套。
3、工作周期:总共15个工作日。
通常一周之内到现场,隔一周出报告。
<管线竣工>1、测量条件:管线铺设到位.注:地下压力管应在覆土前测量,已覆土的管线如需实测,请施工方予以配合,要求每隔30米挖个点,拐弯处特征点(三通、弯头、分界点)挖出来.2、办理时应提供资料:施工设计图1套.3、工作周期:如未覆土隔天到现场,一周出报告。
施工现场放样流程下载温馨提示:该文档是我店铺精心编制而成,希望大家下载以后,能够帮助大家解决实际的问题。
文档下载后可定制随意修改,请根据实际需要进行相应的调整和使用,谢谢!Download Tip: This document has been carefully written by the editor. I hope that after you download, they can help you solve practical problems. After downloading, the document can be customized and modified. Please adjust and use it according to actual needs. Thank you!施工现场放样流程如下:①资料准备:收集施工图纸、设计变更、测量规范等资料,明确放样内容、精度要求和基准点坐标。
②现场踏勘:实地考察施工区域,了解地形地貌,选定适合的放样起始点(控制点),确保视线开阔无遮挡。
③仪器校验:对所用测量仪器(如全站仪、经纬仪、水准仪等)进行必要的校准,确保测量数据的准确性。
④控制点复核:利用已知的控制点,通过闭合导线测量或GNSS静态测量等方法,复核控制网的准确性,确保基准无误。
⑤放样计算:根据设计图纸,计算待放样点的平面坐标和高程,准备放样数据。
⑥仪器架设:在合适的控制点上架设全站仪或其他测量仪器,输入放样点坐标,设置好仪器参数。
⑦开始放样:根据仪器提示,指引助手移动到放样点预定位置,放置标志桩或钉,确认无误后做好标记。
⑧复核检查:对放出的点进行相互间距离、角度或高差等复核测量,确保放样精度符合工程要求。
⑨记录整理:详细记录放样过程、结果及复核数据,整理成放样报告,供施工和质量检查参考。
⑩现场保护:对已放样点做好保护措施,避免因施工活动或自然因素破坏,确保施工按正确位置进行。
隧道测量放样流程及施工顺序一、临时控制点布置、测量。
1、临时控制点布置,这个大家都知道,通视条件好,地质稳定,不易被破坏的地方。
2、临时控制点测量,正确方式测量,测完最好让甲方复测并下达相关文件,然后对比自己和甲方的数据。
二、开洞口测量。
1、测量前准备:1.1:必要仪器:全站仪、水准仪、编程计算器。
全站仪和水准仪一定要提前校准,要求半年校准一次,实际半年到一年校准一次。
1.2:必要文件:标段详尽曲线要素表、导线坐标交底、逐桩坐标表(有些没有)、全套图纸,上述文件必须要有相关人员签字。
1.3:根据以上1.2文件编订测量程序。
主要包括:坐标正反算、竖曲线、超欠挖这三个,其他小程序可以根据需要在这三个程序里添加子程序。
程序编订好以后一定要将已知数据代入程序验证看程序是否能运行,计算是否正确。
每段曲线验证点至少三个点,包括起点、中点、终点。
超欠挖程序验证每段圆弧至少三个点,也是圆弧的起点、中点、终点。
重要事情说三遍:必须验证,必须验证,必须验证。
1.4:电子表格统计洞内各段里程对应的围岩类别;所有洞室、预埋件、过轨管、加宽段、渐变段对应的里程,以及图号,以免施工过程中遗忘,便于寻找查看。
2、洞口测量。
三、开挖测量。
1、编订超欠挖程序2、临时控制点布置。
2.1:隧道内控制点布置在仰拱面上,一般100-200米布置一组,每组隧道中线左右各布置一点。
2.2:隧道开挖测量的临时控制点一般都布置在初支上。
仰拱步距在40米以内的直接布置在仰拱上也可。
2.2.1开挖控制点布置在开挖地板上1.5米左右,方便后视的高度。
每组一:主要工具。
二:断面开挖放线。
三:初期支护放线。
四:仰拱及填充放线。
五:二衬放线。
六:电缆槽、水沟、路面放线。
一、开挖。
1、开挖是整个施工过程中最重要的部分,关系这后面是否方便施工,材料成本控制。
1.1、光面爆破:光面爆破需要注意钻工打眼的周边间距,一般在35-45之间,间距过大会使光爆效果变差,也容易出现超挖过多或需要补炮的过多,费工费时。
(二)施工测量放样作业方法及要求一、说明本指导书是根据常规放样方法编写的,放样人员必须根据实际情况,如精度要求、控制点分布、现有仪器、现场条件、计算工具等来选择测站点和放样点的测设方法的不同组合及不同的检核方法。
各类工程及同一工程的不同阶段、不同部位对放样点的精度要求不同,所以对测站点和放样点的精度要求也不相同。
作业时请严格执行《工程测量规范》、《水电水利工程施工测量规范》和《施工测量控制程序》。
本书中提到的限差指规范要求的限差,如果设计上有特殊要求,按设计要求执行。
二、测量资料收集与放样方案制定1.测量放样前,应从合法、有效途径获取施工区已有的平面和高程控制成果资料。
2。
根据现场控制点标志是否稳定完好等情况,对已有的控制点资料进行分析,确定是否全部或部分对控制点进行检测。
3.已有控制点不能满足精度要求应重新布设控制,已有的控制点密度不能满足放样需要时应根据现有的控制点进行加密。
4。
必须按正式设计图纸、文件、修改通知进行测量放样,不得凭口头通知和未经批准的图纸放样.5.根据规范规定和设计的精度要求并结合人员及仪器设备情况制定测量放样方案。
其内容应包括:控制点的检测与加密、放样依据、放样方法及精度估算、放样程序、人员及设备配置等。
三、放样前准备1.阅读设计图纸,校算建筑物轮廓控制点数据和标注尺寸,记录审图结果.2。
选定测量放样方法并计算放样数据或编写测量放样计算程序、绘制放样草图并由第二者独立校核。
3.准备仪器和工具,使用的仪器必须在有效的检定周期内.给仪器充电,检查仪器常规设置:如单位、坐标方式、补偿方式、棱镜类型、棱镜常数、温度、气压等。
4.使用有内存的全站仪时,可以提前将控制点(包括拟用的测站点、检查点)和放样点的坐标数据输入仪器内存,并检查.四、全站仪坐标法设站+极坐标法放点1。
在控制点上架设全站仪并对中整平,初始化后检查仪器设置:气温、气压、棱镜常数;输入(调入)测站点的三维坐标,量取并输入仪器高,输入(调入)后视点坐标,照准后视点进行后视。
施工放样作业流程及方法一、施工放样的作业流程1、准备工作:熟悉施工图纸,掌握设计要求和规范规定,确定施工放样的方法和精度要求。
准备好测量仪器和工具,包括全站仪、水准仪、GPS、激光指向仪等。
2、测量定位:根据设计要求,确定施工放样的基点和基线,建立施工控制网。
对于大型工程,需要建立多个控制网,并进行相互校核。
3、测量放样:根据施工控制网,进行测量放样。
对于建筑物的轴线、标高、位置等参数,需要进行精确测量和记录。
对于桥梁、隧道等工程,需要进行地形测量和地质勘探。
4、现场校核:在施工放样后,需要对放样结果进行现场校核,以确保施工符合设计要求。
对于不符合设计要求的地方,需要进行调整和修正。
5、质量检测:在施工完成后,需要对施工成果进行质量检测。
对于不符合质量要求的部位,需要进行返工或修补。
6、资料整理:在施工完成后,需要对测量数据进行整理和分析,并编制测量报告和成果资料。
二、施工放样的方法1、直角坐标法:利用直角坐标系进行施工放样。
将已知点作为原点,建立直角坐标系,将设计图纸中的点位坐标转换为实际坐标,并进行测量放样。
2、极坐标法:利用极坐标系进行施工放样。
将已知点作为极点,建立极坐标系,将设计图纸中的点位坐标转换为极坐标,并进行测量放样。
3、方向交会法:利用两个已知方向进行交会,确定待测点的位置。
根据设计图纸中的点位坐标和已知方向,计算出待测点的方向距离和角度,并进行交会测量。
4、距离交会法:利用两个已知距离进行交会,确定待测点的位置。
根据设计图纸中的点位坐标和已知距离,计算出待测点的距离和角度,并进行交会测量。
5、高程交会法:利用两个已知高程进行交会,确定待测点的高程。
根据设计图纸中的点位坐标和高程,计算出待测点的高程差和方向角,并进行交会测量。
6、偏角法:利用偏角和距离进行施工放样。
根据设计图纸中的点位坐标和偏角大小,计算出待测点的方向距离和角度,并进行交会测量。
7、全站仪放样法:利用全站仪进行施工放样。
测量工作流程(工作总结)一、前期工作1、进场前场地实测(地形,标高)。
1)监理或业主同实测,现场地形标高,现场确认。
2)分包场地平整前现场实测方格网,地形。
2、要求业主提供测量控制点报告(控制点具体方位我司指定)1)分析现场规划布置,临建,现场施工布置2)根据现场规划布置,合理布置控制点位置,确定方便实用3、根据第二条,推算出场地前期实测城市坐标位置,提交于监理业主并三方确认.4、通过设计院图纸,计算得出建筑物轴线交点坐标,并几人核对(设计院图纸通常为建筑物角点坐标).5、通过设计院图纸分析现场临时控制点的布置,并通过现场布置图,对建筑物进行放样,并提交放样数据与周边环境于技术部,供技术部分析现场实际情况。
6、甲方通知测绘院对建筑物进行放样(与我司关系不大)。
小结:前期工作重点在于与监理业主的现场实时测量并签字确认!二.、桩基工程1、对于我司下属分包将对每一单体建筑物桩基工程小样桩放样控制点进行定位放样,同时提供标高控制点2、定位同时与分包测量人员沟通尽量满足分包人员施工放线的方便、可行性;3、每一单体建筑物根据施工要求设置不同数量的控制点,在控制点放样完成后拟定书面移交文件移交给分包,并由双方签字确认.4、对已放样的控制点进行不定期,且不超过7天每次的复查,如发现控制点有位移问题并及时校正.控制点校正后同时再次拟定书面移交文件移交给分包,并由双方签字确认。
5、对于分包提出控制点或标高存在变化时应及时进行复查并校正,控制点、标高校正后同样拟定书面移交文件移交给分包,并由双方签字确认.6、在对分包控制点放样完成后提交测量放线报验单并通知监理进行控制点复核。
7、桩基施工过程中需对周边建筑物进行每日监测。
但可根据业主要求是否请第三方进行监测。
每日监测数据通过书面形式递交技术部,工程部,安全部。
如有需要还需将数据递交监理方。
小结:桩基工程重点在于放样数据计算的准确度,数据要求几人进行计算复核,放样过程中的控制点精度控制。
工程施工测量放样一、工程施工测量放样的内容1、测量测量是工程施工中最基本的操作之一,是确认地形、勘测工程位置和尺寸的重要手段。
测量可以分为现场测量和室内测量两种方式。
现场测量是在施工现场进行的测量工作,通常包括地形测量、坡度测量、高程测量等。
室内测量是在施工设计图纸上进行的测量工作,通常用来确认建筑物的尺寸、位置和结构。
2、放样放样是指根据设计图纸上的尺寸和位置信息,在施工现场进行地面或建筑物的标记工作。
放样是测量的延伸,是将设计图纸上的信息转化为实际施工中的位置和尺寸标记。
放样工作要求准确、精细,是确保施工质量的关键环节之一。
二、工程施工测量放样的流程1、准备工作在进行测量放样工作之前,首先需要对施工现场进行勘察,了解地形、地貌、建筑物位置等信息。
同时,需要准备好测量仪器和工具,确保可以顺利进行施工测量放样工作。
2、实地测量实地测量是工程施工测量放样中最基础的操作。
在实地测量中,要根据设计图纸上的尺寸和位置信息,利用测量仪器和工具对施工现场进行精确的测量,确定地形、建筑物位置和尺寸等信息。
3、放样标记根据实地测量的结果,进行放样标记工作。
放样标记是将设计图纸上的信息在施工现场进行标记,包括地面尺寸、建筑物位置、墙体结构等信息。
放样标记要求准确、清晰,确保施工人员按照标记信息进行施工。
4、检查验证完成放样标记后,需要进行检查验证工作,确保标记信息准确无误。
检查验证可以包括测量标记的位置和尺寸,检查标记是否清晰明了等。
只有经过检查验证确认无误后,才能进行下一步的施工工作。
5、施工实施放样标记完成并通过检查验证后,可以进行施工实施。
施工实施是根据放样标记信息,进行地基基础、建筑墙体、管道敷设等工作。
在施工实施中,施工人员必须按照标记信息执行,确保施工质量和进度。
6、记录归档施工测量放样工作完成后,需要对测量放样的数据进行记录归档。
记录归档是为了将施工过程中出现的问题和解决方案进行整理和归档,为今后类似工程提供经验参考。
伊通满族自治县2014年“中央统筹资金”建设项目工程放样计划与方案吉林远洋水利水电工程有限公司伊通项目部2015年8月8日第一节施工放样方法及控制措施一、测量程序流程框图二、施工放样方法(一)施工测量放样贯穿整个施工过程,在施工程序上可以直接由等级控制点(首级及加密控制点)直接施放,也可以由细部加密得测站点来施放,根据不同精度要求以及就是否方便操作来选择,重要部位直接采用首级控制点进行放样。
(二)在本工程中我单位将充分利用先进得仪器设备进行施工放样,本工程中使用得测量及检测仪器在使用之前应到具有检测资质得单位进行检测、校核,出具检测单后方可投入使用。
主要采用全站仪光电测距极坐标法进行各施工部位轮廓点点位得放样,在测距过程中,适时得考虑温度、气象等参数得改正。
1、在平面放样中,仪器采用全站仪,其标称精度为测角2、0″,测边2mm+2ppm;放样中取平均边长400m,垂直角15°;测距中误差为2、8mm。
测角中误差为2、5″,代入精度估算公式:其中:m s-—测距中误差;α--垂直角;S——斜边长;mβ——测角中误差。
计算得Mp=±5、55mm鉴于规范中规定加密控制点相对于首级控制网点得点位中误差不应大于±10mm,取其最大值,则最终放样点点位误差估算值为:M0=±=±11、4mm.计算值满足规范中不大于±(20~30)mm(相对于临近基本控制点)得精度要求。
另:有特殊要求得部位,平面定位按设计与规范要求执行。
2、高程测量放样光电测距三角高程测量目前已广泛用于施工测量中,鉴于新增设得三维控制点已有三等高程,在平面位置测设得同时进行高程测设。
放样时用全站仪进行构筑物轮廓点高程放样,其精度估算如下:其中:ms——测距中误差;α—-垂直角;S--斜边长;mα-—测角中误差。
计算结果Mh=±4、74mm,同样满足规范要求.综上所述,采用极坐标法,使用全站仪等同精度仪器进行本工程得施工放样测量,均能满足规范要求。
市政工程中电力及通信管线施工方法一、电力、通信工程施工流程电力、通信工程施工工艺流程为:测量放样→开挖→电力、通信井制作、排管→回填二、电力、通信工程施工方案与技术措施(一)测量放样利用全站仪,根据监理批复加密的控制点成果,将管线中线、标高测量放样,并做好标识,做好保护工作。
各道工序的测量资料需认真做好记录,所有测量成果及时上报监理工程师审核批复。
(二)沟槽开挖施工(1)沟槽开挖前的准备工作开槽前,根据业主提供的现况地下管线图及我处的现场调查,统计出现况地下管线的情况,了解地上地下障碍物,采取有效措施加以保护。
(2)沟槽开挖的形式根据设计图中设计管道的规格及埋置深度以及规范要求来确实沟槽的开挖形式。
本工程电力、通信管道埋深较浅,一般不超过3m,沟槽开挖主要采用放坡法施工。
(3)开挖方法挖掘管道沟(坑)时,严禁在有积水的情形下作业,尽量避开雨天施工,增强施工观测,确保边坡不乱;尽量按先深后浅开挖,以利于排水。
沟槽开挖采用人工配合机械进行开挖,槽底预留200~300mm土层由人工开挖至设计高程,避免挖掘过深破坏土壤结构,如挖1深跨越设计标高lOOmm,应填铺灰土或级配砂石并应夯实;对于有地下障碍物(现状管缆等)的地段,由人工开挖严禁破坏;开槽后及时约请各有关职员验槽,槽底合格后方可举行下道工序施工。
(三)管道根蒂根基处理管道基础应落在未受扰动的原状土地基上,地基承载力不低于100kpa,排管基础全线采用C15混凝土基础,宽度与管道包封后的断面+4cm,厚10cm。
排管基础模板采用钢木混合模版,支立前按照基础的浇筑厚度10cm先拼装好,拼装高度略大于混凝土浇筑高度,接缝有防止漏浆措施,并在面板内侧弹线控制砼浇筑高度。
(四)管道敷设与管道包封垫层混凝土施工完成并达到可作业的强度后,便可进行管道铺设施工。
电力管道的纵向坡度随道路坡度,并要求不小于0.3%,应分层敷设,排列整齐,间隔均,并每隔2m采用支架固定。
测量放样方案
1.控制点复测:控制点复测是施工测量必不可少的准备工作。
它包括导线控制点和路线控制桩的复测;另外还要对丢失的导线控制点和路线控制桩进行补测;有的导线点若在路线以内,则需将其移至路线以外。
2、导线控制点和路线控制桩的复测:
2.1导线控制点的复测主要是检查它的坐标和高程是否正确。
第一步:根据导线点1〜N的坐标反算转角法~βN・1和导线边长Sl-SN-第二步:实地观测各转角Bi+1及导线边长Si,角度观测可按一个测回平均值,边长测量按连续观测3~4次的平均值。
当观测满足要求时,则认为点的平面坐标和位置是正确的。
第三步:水准点高程的检测:在使用水准点之前仔细校核,并与国家水准点闭合,道路水准点闭合差按四等水准控制(2O√L)大桥附近的水准点闭合差按《公路桥涵施工技术规范》的规定办理。
2.2导线点的布设:在施工路线两旁布设导线点,高程和坐标都在同一点上。
在复测坐标的同时利用三角高程测量的方法检测高程。
23水准点的布设
2.4路线控制桩的复测
3、导线控制点的补测与移位
4、路基路面施工测量。
测量放样流程测量放样流程是建筑施工中非常重要的一环,它是建筑施工的前期准备工作之一。
放样是指将设计图纸上的尺寸和比例按照实际场地的情况进行测量和标注,然后在场地上进行标记,以便后续的施工工作能够按照设计图纸的要求进行。
下面将详细介绍测量放样的流程。
一、准备工作在进行测量放样之前,需要进行一些准备工作。
首先,需要准备好测量工具,如测量尺、量角器、经纬仪等。
其次,需要准备好放样工具,如放样线、放样锤、放样钉等。
最后,需要准备好设计图纸和场地平面图。
二、测量场地在进行放样之前,需要对场地进行测量。
首先,需要确定场地的边界和地形。
然后,需要测量场地的长度、宽度、高度等尺寸。
在测量过程中,需要注意测量精度,尽量减少误差。
三、制定放样方案根据设计图纸和场地测量结果,制定放样方案。
放样方案应该包括放样线的位置、长度、角度等信息。
在制定方案时,需要考虑场地的地形、建筑物的位置和高度等因素。
四、放样在制定好放样方案后,可以开始进行放样。
首先,需要在场地上标记出放样点。
然后,使用放样线和放样锤将放样点连接起来,形成放样线。
在放样过程中,需要注意放样线的精度和准确性。
五、检查放样结果在放样完成后,需要对放样结果进行检查。
检查的目的是确保放样的准确性和精度。
如果发现放样结果有误,需要及时进行修正。
六、记录放样数据在放样完成后,需要将放样数据记录下来。
记录的内容应包括放样点的位置、放样线的长度和角度等信息。
记录的数据可以用于后续的施工工作。
七、总结测量放样是建筑施工中非常重要的一环。
通过测量放样,可以确保施工工作按照设计图纸的要求进行。
在进行测量放样时,需要注意测量精度和准确性,以确保放样结果的准确性。
同时,需要将放样数据记录下来,以备后续使用。
开工放样复验是建筑工程项目在正式施工前的一个重要环节,其目的是确保建设项目的准确性和合规性,避免在施工过程中出现位置偏差。
以下是开工放样复验的一般方法和步骤:1. 准备工作:收集并准备所有必要的文件和资料,包括规划许可证、土地使用权证、建筑设计图纸等。
确保所有参与放样复验的人员具备相应的资质和经验。
2. 现场测量:使用专业的测量设备(如全站仪、GPS等)对施工现场进行精确测量,包括道路红线、河道蓝线等规划控制线的现场定界。
对建筑物的角点进行放样,确保建筑物的位置、尺寸和方向符合规划要求。
3. 内业审核:对建筑工程与建设用地边界、道路规划红线、河道规划蓝线等规划控制线的退让距离进行审核。
审核建筑周边相邻间距、建筑单体外墙长、宽、占地面积等信息。
检查是否满足其他规划许可对建设的相应要求。
4. 现场检查:结合内业审核结果,对现场放样的准确性进行实地检查,确保所有测量数据与规划图纸一致。
检查建筑物的退界、退距是否符合规定,避免建筑物偏移。
5. 复验报告:完成现场放样和检查后,编制《开工放样复验检测成果报告书》,详细记录放样复验的过程、结果和结论。
报告应包括所有测量数据、现场照片、相关图纸和规划要求的对比分析。
6. 审批流程:将复验报告及相关材料提交给相关部门,如规划局或建设管理部门,进行审批。
根据审批结果,如果复验合格,将获得开工许可;如果存在问题,需要按照审批意见进行调整并重新复验。
7. 记录与存档:将放样复验的所有文件和记录妥善保存,以备后续施工和验收时使用。
开工放样复验的具体方法和流程可能因地区和项目的不同而有所差异,建议参照当地政府的相关规定和标准执行。
在实际操作中,应确保所有步骤符合法律法规和行业标准,以保障项目的顺利进行。
桥梁工程测量定位放样施工技术方案一、概述桥梁工程测量定位放样是指在施工前,根据设计图纸或工程实际需要,通过对桥梁各构件的测量定位,确定其具体位置和方位,然后进行放样,为后续施工提供准确的依据和参考。
本技术方案旨在解决桥梁工程测量定位放样的具体实施问题,确保施工的准确性和高效性。
二、技术方案(一)设备选择1.测量仪器:使用全站仪进行测量,以提高测量精度和速度。
2.放样工具:使用放样枪、支撑器等工具进行放样,以保证放样准确性和稳定性。
(二)测量定位工作1.测量基面:在桥梁工程测量中,要选择较平整的基面作为基准面,通常选择现有桥梁的上部结构面或地面作为测量基面。
2.测量控制点:根据设计要求,确定测量控制点的选取和布设,控制点的数量应足够,布设要分布均匀。
3.测量工作:使用全站仪进行控制点的测量,通过测量仪器自带的程序对数据进行处理,得出各控制点的坐标和方位角。
4.定位放样:根据设计图纸和测量数据,确定各构件的具体位置和方位,使用放样枪和支撑器进行放样,标记各构件的位置和尺寸。
(三)施工工艺1.根据放样结果,进行基础施工,包括基础开挖、桩基施工等。
2.根据桥梁各构件的形状和尺寸,进行构件的制作和预制,然后进行安装。
3.根据构件的位置和方位,对接焊接或连接,形成整体结构。
4.最后进行桥面的施工,包括铺装、栏杆的安装等。
三、操作流程(一)测量定位放样的准备工作1.准备仪器和工具,检查其性能和工作正常性。
2.确定测量基面和控制点的位置和布设方案。
3.设置仪器的基准面和基准坐标系,进行校正。
(二)控制点的测量和数据处理1.在控制点上放置测量棒,进行测量,记录测量数据。
2.使用测量仪器自带的程序,对数据进行处理,得出各控制点的坐标和方位角。
(三)定位放样的实施1.根据设计图纸和测量数据,在施工场地上进行放样枪的设置和调整。
2.根据放样结果,进行标记和标注,确定各构件的具体位置和尺寸。
(四)施工工艺的实施1.根据放样结果,进行基础施工,包括基础开挖、桩基施工等。
施工测量放样工艺流程下载温馨提示:该文档是我店铺精心编制而成,希望大家下载以后,能够帮助大家解决实际的问题。
文档下载后可定制随意修改,请根据实际需要进行相应的调整和使用,谢谢!并且,本店铺为大家提供各种各样类型的实用资料,如教育随笔、日记赏析、句子摘抄、古诗大全、经典美文、话题作文、工作总结、词语解析、文案摘录、其他资料等等,如想了解不同资料格式和写法,敬请关注!Download tips: This document is carefully compiled by theeditor. I hope that after you download them,they can help yousolve practical problems. The document can be customized andmodified after downloading,please adjust and use it according toactual needs, thank you!In addition, our shop provides you with various types ofpractical materials,such as educational essays, diaryappreciation,sentence excerpts,ancient poems,classic articles,topic composition,work summary,word parsing,copy excerpts,other materials and so on,want to know different data formats andwriting methods,please pay attention!施工测量放样工艺流程一、施工准备阶段在开展施工测量放样工作之前,需要做好充分的准备。
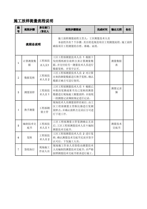
施工过程中的测量放样及复查流程
1)施工平面放样主要采用全站仪,放样前后要做到各测站点、后视点均需用第三点检核一道,杜绝差错。
2)施工高程放样主要采用DSZ2水准仪测设,抄测前后测站点均需往返观测一次,杜绝差错。
3)施工控制点要妥善保护,严禁扰动,如因施工需要确实要破坏或移动控制点时,新设点位必须与两个以上已知点进行联测,并经严密平差后才能使用。
4)测量仪器应由专人管理,专人操作,并定期对测量仪器进行检查,如误差超出规范要求,应及时送有资质的部门检校,不得擅自调整仪器。
5)所有测量数据均须经两人独立计算,立交部分由毛运涛和高文萍分别计算然后进行检核,六、九标由冉旭和高文萍分别计算然后进行检核,计算结果检核无误后才能用于放样。
6)在放样过程中随时对放样成果点进行复查,主要由高文萍负责建立起放样成果点的复查体系,立交部分放样成果由高文萍带领六、九标部分测量人员进行复测,反之六、九标部分由高文萍带领立交部分部分测量人员进行复测。
7)项目总工列出施工中的重要部位,如支座、箱梁线形、路面超高部分等重点部位进行跟踪复测。
在确认
标高线形无误的情况下方能进行下一步的施工作业。
7)野外作业数据记录应真实、清晰、整洁,不得随意涂改,并存档备查。
8)外业工作完成后应及时整理内业资料,报验监理复测批示,完善手续。
9)测量人员应具备较强的专业能力,高度的责任心,优良的职业道德。
10)野外作业应做好人身及仪器的安全保护工作,为确保测量成果精度,在不利的天气的时间段情况下,不得进行野外测量作业。