电子厂物料编码规则
- 格式:xls
- 大小:70.50 KB
- 文档页数:7
物料编码、BOM 规则
一、 物料编码规则:
整体规则:1-2-6
规则描述:
1)、编码全部采取阿拉伯数字;
2)、整体原则是3级9位,具体原则是:1-2-6
第一位:代表大类,按照公司目前的物料类别进行如下定义: 1:代表PCB ;
2:代表IC ;
3:代表SMT XX;
4:代表DIP电子料;
5:代表DIP CONNECTOR接插件;
6:代表包材;
7:代表成品/半成品;
8:代表辅料
9,0:暂时预留;
第二位,第三位:代表大类下的小类,比如:100:代表PCB大类下的MB小类;
101:代表PCB大类下的VGA小类;
102:代表PCB大类下的LAN小类;
其他依此类推;
特别说明:7代表成品/半成品,作如下规定:700:代表包装完成后的成品;
701:代表SMT完成后的半成品;
702:代表插件完成后的半成品;
第四位到第九位:表示流水号:
二、BOM创建规则:
1、BOM模型:
1
A1
2
A2 3
A
4
5
其中;
A1:代表SMT完成后的半成品;1,2代表完成SMT需要的原材料;A2:代表插件完成后的半成品;3,4代表插件类原材料;
A :代表包装完成后的成品;5代表包装材料。
HOATOA DIGITAL 文件名称物料编码规则︽物料编码规则表︾文件编号HT-PN-000 版次A0页码1/24HOATOA DIGITAL 文件编号HT-PN-000版次A0文件名称物料编码规则页码2/24规则 :全部物料编号均为三部分組成. 即 A(X XX)物料种类分类 ;B (XX XXXX)为规格细分 ;C(XXX)为差别流水码;物料编码规则(共12 码)表示图以下:0 00 — 00 0000 — 000A B CA部分:表示元件类型B部分:表示元件规格细分C部分:表示差别码流水码注:1.A 部分第一位(数字)代码表示物料种类: 1. 电子类 2. 构造类 3.装置类 4. 生产耗费类A部分第二三位(数字)代码表示物料种类细分,以以下表1。
2.B部分第一二位(数字)代码表示物料规格名称,如:电容中的电解电容瓷片电容钽电容等B部分第三至六位(品名中取后四位数字和字母)代码表示规格描绘(不够位数前面添 0)3.C部分用流水码(数字)表示物料规格差别。
示: 001,002,003批准审查制定严桂准HOATOA DIGITAL文件名称物料编码规则物料种类细排列表1:电子类 1 序物料种类子类号序号代码1 电阻012 电容023 电感/ 磁珠034 二极管045 晶体管056 集成电路067 PCB板078 连结线089 连结器 / 插座0910 振荡器1011 开关/ 按键 / 编码器1112 显示器 / 触摸屏 / 背光1213 模块/ 机芯 / 储藏卡1314 蜂鸣器/喇叭/ 咪1415 电扇/ 马达1516 烧录软件(虚构件)1617 保险丝17181920文件编号HT-PN-000版次A0页码3/24物料种类种类代码构造类 2序号物料种类子类代码序号物料种类种类代码1CASE2散热片3镙钉4纸贴类5包装资料文件名称物料编码规则页码4/24 6塑胶类7891011121314151617181920装置类 3序号物料种类子类代码序号物料种类种类代码1 子装置012 完好装置02345辅料类 4序号物料种类子类代码序号物料种类种类代码1生产耗费类012345文件名称物料编码规则页码5/24电阻电阻类编码规则 :1 01 - 00 0000 -000A B C(A) 101 :种类分类(B) 000000:电阻规格描绘(C) 000:差别流水码(A )第二三位代表种类(B) 第四五位种类分类(C)差别流水码类型:代码元件:代码:差别规格 : 代码电阻01贴片电阻01微调电阻02(B)表示电阻规格碳膜电阻03第六、七、八、九位表示有效数金属膜04值阻值 /单位第六、七、八、微调电阻05 九位表示阻值06网络电阻0. XX/ Ω00XX可调电阻(电位器)07X.X/Ω00XXXX/Ω0XX0XXX/ ΩXXX0 若有增添按以上流水号续编001~999 的数差别流水码以X.XX/KΩXXX1 字表示XX . X/KΩXXX2XXX/K ΩXXX3X.X/M ΩXX04二 .举例说明:料号品名规格1 01-01 3000-001 RES-CHIP,300R, 5%,1/10W,0603,Y±AGEO1 01-06 1000-001 RES-NET,100R*4, ±5%,1/10W,0603,YAG EO文件名称物料编码规则页码6/24电容电容类编码规则(一):1 02 - 00 0000 -000A B C(A) 000 :种类分类(B) 000000:电容规格描绘(C) 000: 差别流水码(A)第二三元件种类:第四五位种类分类C:差别流水码元件:代码:差别规格 : 代码电容02 类型:代码(B)电解电容规格第六、七、八、九位表示有效数多层叠片电容01值( U 代表 uf 或小数点).电解电容02容量 /单位代码钽电容03X.X/PF 00XXXX/PF 0XX0XX0/PF 0XX1X.X/NF 0XX2XX/NF 0XX3 若有增添按以上流水号续编XX0/NF 0XX40.XX/UF 0XX4 差别流水码以001~999 的数X.X/UF 0XX5 字表示XX/UF 0XX6XX0/UF 0XX7XX00/UF 0XX8二 .举例说明:料号品名规格文件名称物料编码规则页码7/24电感/磁珠电感类编码规则 :103 - 00 0000 - 000ABC(A) 103 :种类分类 (B) 000000:电感规格描绘 (C) 000: 差别流水码 A :第二三元件种类B:第四五位种类分类 C:差别流水码元件:代码:类型:代码 差别规格 :代码电感03 貼片電感 01(B )电感规格描绘第六、七、八、九位 取元件品名中后四位数字为代码表示,不足 4 位的在前面加“0”增补功率电感环型电感插件电感贴片绕线电感空芯线圈 0203040506容量 /单位代码07XX/NF 0XX3 铁氧体磁珠08XX0/NF 0XX40.XX/UF 0XX4X.X/UF 0XX5XX/UF 0XX6001~999 的数XX0/UF0XX7若有增添按以上流水号续编差别流水码以XX00/UF0XX8 字表示磁珠阻抗描绘请参照电阻描绘二 .举例说明:料号品名规格文件名称物料编码规则页码8/24二极管二极管类编码规则(二):1 04 - 00 0000 - 000A B C(A) 000 :种类分类(B) 000000:二极管规格描绘A:第二三元件种类B:第四五位种类分类元件:代码:类型:代码二极管04开关二极管01稳压二极管02发光二极管04 (B)二极管规格描绘保护二极管 (TVS)0506第六、七、八、九位取元件整流桥堆07品名中后四位数字为代码表红外二极管示,不足 4 位的在前面加“ 0”增补。
F物料编码规则1.目的:为更好的运用本公司的ERP系统,保证内部编码的一致性、规范性及唯一性。
特定义此说明。
2.范围:适用于本公司所有直接或间接生产材料或工具的编码规则。
3.定义:略。
4.职责:工程部负责制定及修改此编码规格。
5.具体说明:本公司使用的编码总位数为12位,全部采用数字的形式,除第1(大类)位为固定表示位外,其他2-12位依具体的各类材料的特性进行具体的定义和区分。
大类说明:1. 原材料(电子类物料)------第一位数固定为“1”2. 原材料(五金塑胶结构类)----第一位数固定为“2”3. 原材料(包装材料类)---------第一位数固定为“3”4. 辅料(焊锡类,胶水类,化工类,胶纸类)-----------第一位数固定为“4”5. 客供器件---------第一位数固定为“5”编码参照1-4项的物料编码原则!6. 半成品(PCBA、外加工线束等)----第一位数固定为“6”7. 保留扩展项---------第一位数固定为“7”8. 保留扩展项---------第一位数固定为“8”9. 成品(整机类)---------第一位数固定为“9”核准审核制作周庆丰版本:Rev01PCB板(100)1 0 0“0”是有铅“1”表示RoHS4-7位:机种代码,取机种的主要有效数字,不足补0或其它数字代用。
8位:PCB材质:1=FR4,2=CEM-1,3=94V0,4=铝基板 5=94HB 6=玻纤板9位:板厚: 1=1.6MM, 2=1.0MM 3=1.2MM 4=2.0MM 5=3mm 6=0.6mm 7=6mm 8=4mm10位:层数:1=单面板,2=2层 4=4层 3=6层11位:序列号:表示不同的PCB版本,最初的版本用1表示。
贴片电阻类(1011 0 1“0”是有铅“1”表示RoHS 4-70.22R=02288-9位:封装:02=0201,04=0402 06=0603 08=0805 12=1206,13=121018=1812 25=2512 20=2010 10= SMM0204 07=SMM020714=1218(与1812一样,只是焊盘在长边)10位:精度:1=1% 2=2% 3=10% 5=5% 4=0.1% 6=0.5%普通插件电阻类(102)1 0 2“0”是有铅“1”表示RoHS 4-70.22R=02288-9位:功率:18=1/8W 14=1/4W 12=1/2W 16=1/6W10=1W 20=2W 30=3W 50=5W 不清楚用0010位:精度:1=1% 2=2% 3=10% 4=20% 5=5%11 位: 种类。
【最新整理,下载后即可编辑】物料编码规范1. 范围本规范规定了XX电子技术有限公司在采购、生产、仓管中所有物料的编码规则。
本规范适用于XX电子技术有限公司。
新增物料的引用都必须遵守此规范。
2. 概述物料编码是以简单的文字符号或数字号码来代表物料的品名、规格或类别及其它有关事项的一种管理工具。
本规范的目的是便于物料的采购、跟催、验收、查询、领发、盘点、储存等工作,物料的电脑化管理,使各部门提高工作效率。
3. 编码原则物料编码必须遵守物料编码的原则,合理的物料编码,必须具备下列基本条件:3.1. 唯一性:是指一个物料编码只能代表一种物料,同一种物料只能找到一个物料编码,而绝无一种物料有数个物料编码,或一个物料编码有数种物料。
3.2. 简单性:编码的目的在于将物料化繁为简,便于物料的管理,因此物料编码在应用文字符号或数字上应力求简单明了,这样可节省阅读、填写、录入的时间,并可减少其中的错误机会。
3.3. 完整性:在物料编码时,所有的物料都应有物料编码可归,这样的物料编码才能完整。
若某些物料找不到赋予的物料编码,则物料编码缺乏完整性。
3.4. 伸缩性:物料编码要考虑到未来新产品发展和产品规格的变更而发生物料扩展或变动的情形。
4. 名词术语成形:施加一外力,改变元件引线的走向或直径,使之形成所要求的几何形状。
5. 编码规定本编码系统格式基本由分类码、规格码、附属码及供应商区分码四部分组成,力求尽可能反应物料的特征。
分类码包括大分类、小分类代码;规格码包含物料的规格、属性;附属码是便于区分同种物料不同状态(如成形、封装等);最后一位(X)当供应商需要加以区别时进行顺序编码,不用区别时以“0”编码。
为了体现物料编码的唯一性,一般采用重新编码加以区分不同的供应商或同一物料不同版本的情况。
编码采用24个大写英文字母(I、O除外,避免与数字1、0混淆)与阿拉伯数字0~9混合使用,固定长度12位。
6. 编码方法本编码系统主要采用暗示编码法(即从编码中可以获取物料的相关信息)。
第1篇第一章总则第一条为规范电子物料编码管理,提高物料管理效率,确保物料信息的准确性和一致性,降低成本,提高企业竞争力,特制定本规定。
第二条本规定适用于公司内部所有电子物料,包括但不限于原材料、半成品、成品、零部件、包装材料等。
第三条本规定的制定遵循以下原则:1. 系统性:建立统一的电子物料编码体系,实现物料信息的全面覆盖;2. 简便性:编码规则简洁明了,便于记忆和使用;3. 可扩展性:编码体系能够适应公司业务发展需要,方便扩展;4. 一致性:编码标准统一,确保物料信息的一致性和准确性;5. 经济性:在满足管理要求的前提下,尽量降低编码成本。
第二章编码体系第四条电子物料编码体系采用五位数字编码,分为类别码、品种码、规格码和序号码四个部分。
第五条类别码:采用一位数字表示物料类别,具体如下:1. 1-原材料2. 2-半成品3. 3-成品4. 4-零部件5. 5-包装材料第六条品种码:采用两位数字表示物料品种,由公司根据物料特性自行定义。
第七条规格码:采用两位数字表示物料规格,由公司根据物料特性自行定义。
第八条序号码:采用两位数字表示物料在品种码和规格码下的序号,由公司根据实际需求自行定义。
第三章编码规则第九条编码规则如下:1. 类别码:固定为对应类别数字;2. 品种码:根据物料特性,由公司自行定义;3. 规格码:根据物料特性,由公司自行定义;4. 序号码:根据物料在品种码和规格码下的顺序,由公司自行定义。
第十条编码过程中,应确保以下要求:1. 编码唯一性:同一物料类别、品种、规格下的物料,其编码唯一;2. 编码顺序性:同一类别、品种、规格下的物料,其编码顺序依次递增;3. 编码一致性:同一物料在不同部门、不同业务场景下,其编码保持一致;4. 编码可读性:编码应简洁明了,易于识别。
第十一条编码修改:1. 物料类别、品种、规格发生变更时,应修改相应编码;2. 物料编码修改需经相关部门审批;3. 修改后的编码应通知相关部门,确保信息一致性。
电子公司物料编码1、目的为规范本公司信息管理、为后续实现ERP经营管理与控制系统做准备、统一本公司的物料信息编码,制定本规则。
2、范围2.1凡本公司所使用的产品料号皆属的。
2.2凡本公司与订货客户需求的新产品未编定料号前暂用临时料号或客户料号。
3、组织与权责:3.1业务:提出料号申请。
3.2工程技术部:负责料号编订检讨、记录、发行管理;4、作业流程料号管理作业流程5、作业說明5.1凡本公司的产品与生产时所使用的塑料件、端子件、零部件及包装材料,皆有一唯一对应的号码,此号码即谓的料号。
5.2凡本公司的新产品未编定料号前,皆有一唯一的对应的号码,此号码即谓的暂用料号。
暂用料号编码方式也可依客户要求直接使用客户料号进行编码。
5.3客户要求不得变更的料号,则不受此编码原则的限制。
5.5料号编码原则:5.5.1 成品编码原则:第4-7 码: 成品流水码。
第3 码: 成品细分代码, 1电子通讯类产品,2汽车行业产品, 3航天领域产品,4民用领域产品5其它类产品;第2 码: 成品分类别码, 1代表成品,2代表半成品;第1 码: 成品总类别码,我司规定用数字1代表。
5.5.2 塑料件编码原则:第8 - 11 码:塑胶件流水码;第 6 - 7 码: 塑胶件材质代码;第 4 - 5 码: 塑料件形式代码;第 3 码: 塑料件代码,我司规定用1代表;第 2 码: 塑料件用途区分码;第 1 码: 物料总类别码,我司规定用数字0代表第 2 码 : 塑料件用途区分码;1电子通讯类产品 2汽车行业产品3航天领域产品 4民用领域产品5其它类产品5.5.3 五金件编码原则:第 8 - 11 码:五金件流水码;第 6 - 7 码 : 五金件材质代码;第 4 - 5 码 : 五金件形式代码,电镀规格代码;第 3 码 : 五金件代码,我司规定用2代表;第 2 码 : 五金件用途区分码;第 1 码 : 物料总类别码,我司规定用数字0代表第 2 码 : 五金件用途区分码;1电子通讯类产品 2汽车行业产品3航天领域产品 4民用领域产品5其它类产品第 4码 : 形式区分:第 5 码 : 端子件电镀区分第 6-7 码:材质代码 5.5.4 塑料粒原料编码原则:第 11 码:环保代码;9-10码:塑胶原料流水码; 8 码: 颜色代码; 6-7 码: 玻纤含量代码;4-5 码: 塑胶材质细分代码;2-3 码: 原料细分代码;我司规定用数字01代表塑胶原料。
电子工厂常用物料编码规范电子工业中,物料编码是非常重要的一项工作。
编码规范统一,有助于提高物料管理和采购效率,避免误差和浪费,提升企业效益。
本文就电子工厂常用物料编码规范进行详细介绍。
一、物料编码的重要性物料编码是指基于一定的编码规则,对工厂库存、采购、销售等物料进行编号,以实现全面管理和精细化控制。
物料编码不仅是企业管理的基础,也是数据管理的前提,准确的物料编码可以帮助企业完善ERP系统,更好的管理物料信息,减少了物料采购的时间和损失。
二、物料编码规范的要求为了能够更好的进行物料管理,提高物料管理水平,电子工厂需要建立一系列的物料编码规范,符合物料编码的规范具体要求如下:1. 编码简洁明了物料编码应简明易懂,隐藏在编码背后的信息要清晰易读。
一般采用每种物料独有的编号作为物料编码,例如,电阻为R,电容为C和磁珠零件为L,这些都应该被编码规范的准确表达。
2. 编码规范清晰物料编码规范需明确规定,以免管理人员犯错误。
要求企业在进行物料编码时应注意,不同种类的物料应分别编码,不同的零部件之间的编码应有区别。
3. 编码唯一性编码需要保证唯一性,避免存在重复编号的情况,这样才能确保物料管理的准确性。
所以当物料确定采用一个新编码后,管理人员需要认真核对,确认该编码未被使用。
4. 编码易于识别物料编码必须能够方便识别,以便于检索、查询、统计等操作。
管理人员在进行物料编号的时候,应该注重编码的可读性,避免使用复杂的难以识别的编码。
5. 编码具有一定的扩展性物料编码规范需要具有一定的可扩展性,当企业竞争力随着时间推移的变化而变化时,需制定决策,通过扩展编码的长度或增加标识符来适应变化,便于更新和管理。
三、物料编码规范的主要应用在电子工厂中,物料编码规范的主要应用场景如下:1. 物料采购物料管理人员通过物料编码可以快速找到相应的物料,节省采购时间,提高采购效率。
在采购时,供应商可以通过物料编码确保供应物料的精准度,以与电子工厂顺畅的合作。
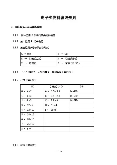
电子类物料编码规则1.1 电阻器(Resistor)编码规则1.1.1 第一位用D 代表电子类物料编码1.1.2 第二位用R 代表电阻1.1.3 第三位用字母表示封装形式1.1.4 “-”分格符号,无特殊意义,作预留码(第四位)1.1.5 尺寸(第五位)1.1.6 材料(第六位)1.1.7 第七位代表功率1.1.8 第八~十位代表阻值(用数字)换算方法:a.先将阻值换算成以Ω为单位,如1kΩ=1000Ω;b.再将阻值写成科学计算方式,如 1000Ω=10×102Ω;c.然后取前两位有效数和10 的指数,如 1kΩ表示为102;d.再如3.3Ω=33×10-1Ω 3.3Ω表示为33A (A表示-1,B 表示-2,……)如有电阻阻值为 49.9K,则其表示方法为:4992,比前面多出一位.1.1.9 第十一位代表误差1.1.10 第十二位包装形式如是保险丝,则第五位:如尺寸不明,则用X代替第七~九位:电压:250V=250第十~十一位:电流:1.5A=15第十二位:包装1.2 电容器(Capacitor)编码规则1.2.1 第一位用D 代表电子类物料编码1.2.2 第二位用C 代表电容器1.2.3 第三位用字母代表封装形式1.2.4 “-”分格符号,无特殊意义,作预留码(第四位)1.2.5 第五位表示尺寸1.2.6 第六位代表电介质1.2.7 第七位代表耐压1.2.8 第八~十位代表容量换算方法:a.先将容量换算成以pF 为单位,如:0.47μF=470000pF; b.再将容量换算成科学计算方式,如:470000pF=47×104pF;c.然后取前两位有效数和10 的指数,如0.47μF 表示为474;d.再如 3.3p=3×10-1pF 3.3pF表示为33A (A表示-1,B表示-2,……)1.2.9 第十一位代表误差1.2.10 第十二位包装形式可调式电容:第五~十位:容量如 1.3-2.3PF→13A23A 然后为误差和包装形式均同上.1.3 电感器(Inductor)编码规则1.3.1 第一位用D 代表电子类物料编码1.3.2 第二位用L 字母表示电感1.3.3 第三位表示封装形式S=SMD D=DIP A=空芯1.3.4 “-”分格符号,无特殊意义,作预留码(第四位)1.3.5 第五位表示尺寸同电容,如不适用时则用X 表示。
电子企业物料编码0...物料编码总原则:物料编码由数字、英文字母以及”-”组成,代码总长度<=16;按[大类] + [中类] + [特征码] + [流水号]的结构组织而成。
大类(1位)中类(1~2位)物料特征码(5~9位)流水编号(2~3位)物料的分类代码([大类] + [中类])按需要占2~3位(相同类型的物料分类代码长度相同);各类别物料的特征码编码方法可遵循不同的特征码编码规则(基本原则是按照特征属性的重要性以及查询物料时通常搜索的顺序进行排列);流水编号占2~3位(相同类型的流水编号长度相同)。
大类按照电子制造企业普遍涉及的主要制造流程进行划分,使不同工序所涉及到的物料的编码易于区分,避免在收发料过程以及单据传递中出现差错。
电子厂所有物料被划分为:产品类[9],PCB类[8],半成品[7] ,包材类[6],贴片类[1],插件类[2],五金类[5]等7个大类。
([3, 4]码段为预留将来可能新增的其它物料类别)。
1...产品类:9 中类(1位)物料特征码(5~10位)流水编号(2位)杰和目前有3类产品:显卡 [91],主板 [92],MP3产品 [93]。
(9[4~9] 预留)显卡的“特征码”由主图形芯片代码(用5位)、内存大小(3位)组成。
例:nVidia GeForce FX 5900 (NV35) / 128MB DDR显存的第一款显卡。
9 1 F 5 9 0 0 1 2 8 0 1主板:9 2 x x x x x y y y n nMP3:9 3 x x x x x y y y n n2...PCB板分类:8 中类(1位)物料特征码(5~12位)流水编号(2位)三类PCB板:显卡PCB板 [81],主板PCB [82],MP3用PCB [83]。
(8[4~9] 预留)3...半成品分类:7 中类(1位)物料特征码(5~12位)流水编号(2位)三类半成品:显卡类半成品 [71],主板类半成品 [72],MP3类半成品 [73]。
物料编码原则1 适用范围本原则适合集团公司所有成品和物料的编码。
物料分自制件(包括外协件)、原材料两类。
所有物料第一个代码表示材料属性。
每类的编码位数见各类的下方要求,不够位数,后面补0(印制板除外)。
2 成品类编码位数为9位注:顺序号中:便携式DVD前两位为屏的尺寸,后两位为造型变化。
00-09,20-29为超薄机型。
10-19,30-39为半高机型。
40-49为半薄机型。
普通DVD:“1”开头为宽度小430cm机型,“2”开头为宽度430cm机型。
其中“24”系列的为超薄机型。
“3”开头为高档机型。
可录DVD:“9”开头为普通机型。
其中“96”系列为超薄机型。
功放DVD:前两位为功率大小,第三位为面板型号,第四位为音箱型号。
如:JDH-1432,14为功率大小,3为3号面板。
2为2号音箱。
3 自制件、外协件3.1 零、部、整件(外协件)G具体编码方法见SJ/T207.4设文件管理制度第一部分设计文件的编号,其编码位数为10位。
丝印图号为零件号加整件号后四位。
如:整件图号为G3*******的整机中仓盖按键GBIP83370431A的成品号表示为:G8337043100053.2 PCB类编码如编码位数为13位,不够位数在产品型号后补0。
编码位数为8位4 原材料编码4.1 集成电路(IC)类编码:IC编码位数为18位4.1.1遥控接收头:遥控接收头按IC 编码方法编制。
编码位数为21位4.3 半导体二极管: D编码位数为10位4.3.1 发光二极管LED注:发射管编码为:DHF.属单独一类。
4.4半导体三极管: V注:超过三脚归类到IC 。
编码位数为12位4.5 电容类编码: C4.5.1 贴片陶瓷电容编码 C T 卷B散可调电容:CM加客户型号编码位数为13位编码位数为13位注:贴片变压器属电感类:L 加客户型号。
如33.8688编码为:L33D8688。
点用D 表示。
4.8编码位数为13位4.9编码位数为10位4.10 开关类:注:如型号中有6.5*4.5用6R5X4R5表示,按键同属此类。
物料编码规X1. X围本规X规定了##电子技术##在采购、生产、仓管中所有物料的编码规那么。
本规X适用于##电子技术##。
新增物料的引用都必须遵守此规X。
2. 概述物料编码是以简单的文字符号或数字来代表物料的品名、规格或类别与其它有关事项的一种管理工具。
本规X的目的是便于物料的采购、跟催、验收、查询、领发、盘点、储存等工作,物料的电脑化管理,使各部门提高工作效率。
3. 编码原那么物料编码必须遵守物料编码的原那么,合理的物料编码,必须具备以下根本条件:3.1.唯一性:是指一个物料编码只能代表一种物料,同一种物料只能找到一个物料编码,而绝无一种物料有数个物料编码,或一个物料编码有数种物料。
3.2.简单性:编码的目的在于将物料化繁为简,便于物料的管理,因此物料编码在应用文字符号或数字上应力求简单明了,这样可节省阅读、填写、录入的时间,并可减少其中的错误机会。
3.3.完整性:在物料编码时,所有的物料都应有物料编码可归,这样的物料编码才能完整。
假设某些物料找不到赋予的物料编码,那么物料编码缺乏完整性。
3.4.伸缩性:物料编码要考虑到未来新产品开展和产品规格的变更而发生物料扩展或变动的情形。
4. 名词术语成形:施加一外力,改变元件引线的走向或直径,使之形成所要求的几何形状。
5. 编码规定本编码系统格式根本由分类码、规格码、附属码与供给商区分码四局部组成,力求尽可能反响物料的特征。
分类码包括大分类、小分类代码;规格码包含物料的规格、属性;附属码是便于区分同种物料不同状态〔如成形、封装等〕;最后一位〔X〕当供给商需要加以区别时进展顺序编码,不用区别时以“0〞编码。
为了表达物料编码的唯一性,一般采用重新编码加以区分不同的供给商或同一物料不同版本的情况。
编码采用24个大写英文字母〔I 、O 除外,防止与数字1、0混淆〕与阿拉伯数字0~9混合使用,固定长度12位。
6. 编码方法本编码系统主要采用暗示编码法〔即从编码中可以获取物料的相关信息〕。
电子工厂常用物料编码规范物料编码规范1.范围本规范规定了 XX电子技术有限公司在采购、生产、仓管中所有物料的编码规贝叽本规范适用于XX电子技术有限公司。
新增物料的引用都必须遵守此规范。
2.概述物料编码是以简单的文字符号或数字号码来代表物料的品名、规格或类别及其它有关事项的一种管理工具。
本规范的目的是便于物料的采购、跟催、验收、查询、领发、盘点、储存等工作,物料的电脑化管理,使各部门提高工作效率。
3.编码原则物料编码必须遵守物料编码的原则,合理的物料编码,必须具备下列基本条件:3.1.唯一性:是指一个物料编码只能代表一种物料,同一种物料只能找到一个物料编码,而绝无一种物料有数个物料编码,或一个物料编码有数种物料。
32简单性:编码的目的在于将物料化繁为简,便于物料的管理,因此物料编码在应用文字符号或数字上应力求简单明了,这样可节省阅读、填写、录入的时间,并可减少其中的错误机会。
33 完整性:在物料编码时,所有的物料都应有物料编码可归,这样的物料编码才能完整。
若某些物料找不到赋予的物料编码,则物料编码缺乏完整性。
34 伸缩性:物料编码要考虑到未来新产品发展和产品规格的变更而发生物料扩展或变动的情形。
4.名词术语成形:施加一外力,改变元件引线的走向或直径,使之形成所要求的几何形状。
5.编码规定本编码系统格式基本由分类码、规格码、附属码及供应商区分码四部分组成,力求尽可能反应物料的特征。
分类码包括大分类、小分类代码;规格码包含物料的规格、属性;附属码是便于区分同种物料不同状态(如成形、封装等);最后一位(X)当供应商需要加以区别时进行顺序编码,不用区别时以“ 0”编码。
为了体现物料编码的唯一性,一般采用重新编码加以区分不同的供应商或同一物料不同版本的情况。
编码采用24个大写英文字母(I、O除外,避免与数字1、0混淆)与阿拉伯数字0〜 9混合使用,固定长度12位。
6.编码方法本编码系统主要采用暗示编码法(即从编码中可以获取物料的相关信息)。