物料编码规则范本
- 格式:doc
- 大小:331.00 KB
- 文档页数:9
物料编码规则编制:审核:批准:XX科技有限公司二零一九年五月一、目的:规范本公司物料的编码规则,以便于产品改进及生产、采购等。
二、适用范围:本标准适用于公司所有的物料、成品、半成品等三、编码规则:1.唯一性:每一物料具有唯一的编号。
2.完整性:看到物料编号,即可了解物料特性。
3.易记及简单原则:编号具规则性,容易记忆;物料编号表述清楚的原则上位数越简洁越好。
4.分类展开性(组织性):编号原则具有规则性。
5.一致性:性质相似物料,具有一致性的编号。
6.计算机化:编号规则性须有利于日后统计分析。
四、定义:1.原材料:从外购回的直接或加工后成为产品实体的各种材料或在产品加工过程中起辅助作用的材料,即用于生产商品或加工商品所用的材料。
2.成品:完成全部生产工序并符合品质标准可按客户订单交货或直接进行销售的产品。
3.半成品:经过一定加工后并符合品质标准未成为成品的中间件。
4.低值易耗品:工程低值易耗品、办公劳保类低值易耗品、销售类低值易耗品等。
5.固定资产:房屋、建筑物、车辆;金额≥2000元的设备、器具、模具、办公设备、生产设备、办公家具等;使用年限超过1年的其它物品也应当作为固定资产。
五、编码结构:1.物料编号总格式:大类.小类.物料特征码.流水号2.大类编码原则如下(如有增加项目往后依次加):大类代码类别PC PCB板CA电容RE电阻DE LED贴片灯、二极管TD三极管MS MOS管IN电感CR晶振KA继电器BU蜂鸣器TR变压器MA磁珠CH芯片、FLASH、LDO、MCU、ICKE按键XS插座SW开关DS显示屏XJ插件后焊物料AS组装配件PA包装材料LMM成品PCB半成品LA工程低值易耗品LB办公劳保类低值易耗品LC销售类低值易耗品GA生产设备GB办公用具3.小类编码XX:小类编码用于表示细分的产品小类4.物料特征码XXXX:物料特征码用来表示识别该类物料的特征代码。
每一类物料可取不同宽度的特征代码。
物料编码规则模板一、概述本文为公司物料编码规则的指南,旨在建立一个完整、简洁、易维护的物料编码体系。
通过统一规范编码方式,进一步提高物料信息管理的效率与准确性。
二、编码基础1.编码原则(1)数字和字符组合,不含特殊字符和符号;(2)编码长度一般不超过20位,避免重复和混淆;(3)同一类别物料尽量接近编码,方便归类;(4)编码应当具有唯一性,不重复。
2.编码组成(1)物料编码由数字和字符组合,数字代表种类、规格、尺寸、容量等物理属性,字符则为物料类别、供应商或特殊标识;(2)以物料类别作为编码体系的大类,再细分为小类;(3)标记不同的物料属性应当采用不同的字母组合或数字组合,以保证编码的唯一性。
3.编码体系(1)按物料类别划分:每个大类代表一个物料类别,如电子元器件、机械部件、办公用品等,具体编码方式参考下文。
(2)按供应商划分:每个供应商都有其唯一的供应商编码,以字母或数字的形式表现,如A01、B02等。
(3)按规格型号划分:对于不同规格型号相同的物料,可以以“-”或“/”分隔,其中“-”表示从细到粗的规格范围,“/”则表示特定的规格型号。
三、编码方式1.电子元器件编码(1)大类:01(2)小类:01xx(集成电路)02xx(二极管)08xx(变压器)09xx(磁珠)11xx(链接器)(3)编码举例:01xx01:CMOS数字电路2.机械部件编码06xx(润滑油)07xx(回形针)02xx01:电机螺丝3.办公用品编码04xx(文件夹)01xx01:A4白纸四、总结本文主要介绍了公司物料编码规则及编码方式的基本要求和流程。
通过这样的规范化方式,可以提高物料采集、分类、统计等工作的效率,为公司物料管理带来更多的优势。
在具体实施过程中,可以根据不同的实际需求进行调整和优化,以适应公司业务变化和发展。
修订记录目录1.目的与适用范围 (4)2.物料编码规则 (4)2.1电路板(10) (4)2.2电阻(11) (5)2.3电容(12) (7)2.4晶体管(13) (9)2.5集成电路(14) (11)2.6磁性元件(15) (12)2.7电感(16) (13)2.8滤波器(17) (15)2.9晶振(18) (16)2.10电子类杂项(20) (18)2.11连接器(19) (19)1.目的与适用范围实行统一的规范化的物料编码规则,保证物料编码的唯一性,有利于公司物料的管控。
本规则适用于公司结构件和电子类元器件的物料编码的编制、修订等管理工作。
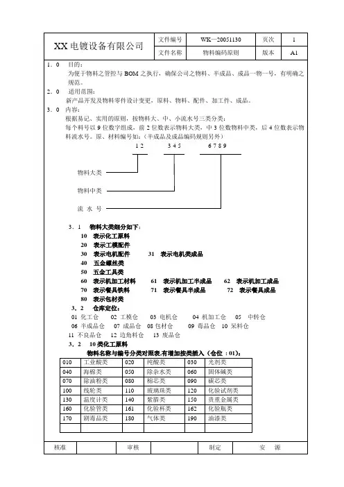
2.物料编码规则2.1电路板(10)区别码版本号项目编号预留区分类型类别电路板2.1.1第1、2位代表电路板,用“10”代表。
2.1.2第32.1.3第4、2.1.4第6、2.1.5第8、9、10位代表项目标号,从000-999共1000组2.1.6第11位代表版本号,从0-92.1.7第12位代表区别码当出现编码相同时用区分码区分不同标准描述格式如下:板子名称,空白板/成品板,板子上用的模块型号,项目英文缩写_板子名称_版本号转接板,空白板,海特项目转接板,SSS3T_Connector_V1.3.02.2 电阻(11)精度功率封装/尺寸阻值电阻区别码类别2.2.1 第1、2位表示电阻,用“11”表示。
2.2.2 第32.2.3 第42.2.4 换算方法:前三位表示有效数字,第7位表示10的指数,结果以欧姆(Ω)为单位。
例如:0013 = 1x103 Ω = 1k Ω;2398 = 239x10-2Ω= 23.9Ω。
若为电位器电阻值表示2.2.5第82.2.6第102.2.7第11位表示精度2.2.8第12位区分码2.2.9当出现编码相同时用区分码区分不同的电阻。
标准描述格式如下:名称,阻值,精度,封装,具体型号,厂家贴片电阻,5.49K,1%,0402,RC0402FR-075K49L,YAGEO2.3电容(12)区别码精度耐压值封装/尺寸容值类别电容2.3.1第1、2位表示电容,用“12”表示。
深圳**技术有限公司编码原则1.0目的:定义深圳ss光电技术有限公司需要的相关编码方法和编码原则。
2.0范围:适用于深圳ss光电技术有限公司所有的产品型号编码,物料编码.3.0职责与权限:3.1技术研究中心:负责维护成品,半成品,物料,辅料,新增部分的编码规范及编码。
4.0内容4.1产品成品型号编码原则:编码长度为14位;由数字结合等长编码半成品中类2、3位代码分类4.1.1编码基本格式如下:1 XX XXXX XX X 00004位流水码(不同客户、尺寸、结构变化) 10 客户分类8、9 颜色4、5、6、7 产品型号2、3 中类1.大类成品的色温/显指、电源、包装、标签用特征码区分4.1.2产成品分类及代码表;5.1半成品包材编码基本格式如下:1 XX XX XXXX X X 0003位流水码(不同客户、设计方案、尺寸) 11 客户分类10 类型6、7 、8、9 产品型号4、5 成品中类2、3 中类2.大类5.1.1产成品分类及代码表:5.1.2半成品灯板组件编码基本格式如下:1 XX XX XXXX X X 0003位流水码(尺寸、品牌、封装、串并) 11 显色指数10 色温6、7 、8、9 产品型号4、5 成品中类2、3 中类3.大类5.1.3产成品分类及代码表5.1.4半成品电源编码基本格式如下:1 XX X XX X XXXX 0003位流水码(尺寸、型号、品牌) 8、9、10、11功率7 电压5、6 产品功能4 产品类型2、3 中类4.大类5.1.5产成品分类及代码表5.1.6半成品电源盒编码基本格式如下1 XX XX XX XXX 00004位流水码 (尺寸、丝印、升级) 8、9 、10 电源盒型号6、7 颜色4、5 材质2、3 中类1 大类5.1.7产成品分类及代码表5.1.8半成品配件编码基本格式如下1 XX XXXX XX 000005位流水码(不同的配件包) 6、7 、8、9 产品型号4、5 成品中类2、3 中类1 大类5.1.9产成品分类及代码表6.1 LED编码基本格式如下1 XX XX XX XX X X 0003位流水码(品牌、参数) 11 显指10 色温8、9 电压6、7 功率4、5 封装2、3 物料中类1 物料大类6.1.1 产成品分类及代码表6.2 贴片电阻编码4 XX XX XX XX 000005位流水码(品牌、阻值) 8、9 不定义6、7 误差4、5、封装2、3 品名1 大类6.2.1产成品分类及代码表:.4 XX XX XX XX 000005 位流水码(品牌、阻值) 8、9 误差6、7 材质4、5、封装2、3 品名1 大类6.4 贴片电容编码4 XX XX XX XX 000005 位流水码(品牌、容值) 8、9 材质6、7 耐压4、5、封装2、3 品名1 大类6.4.1产成品分类及代码表6.5 插件电容编码4 XX XX XX XX 000005 位流水码(品牌、尺寸、容值) 8、9 误差6、7 耐压4、5、材质2、3 品名1 物料大类6.5.1产成品分类及代码表6.6 电感编码4 XX XX XX XX 000005 位流水码(感量、型号) 8、9 不定义6、7 线径4、5、封装2、3 品名1 物料大类6.6.1产成品分类及代码表4 XX XX XX XX 000005 位流水码(型号、感量) 8、9 误差6、7 材质4、5、磁芯类型2、3 品名1 物料大类6.7.1产成品分类及代码表6.8 二三极管/MOS管/稳压管编码4 XX XX XX XX 000005 位流水码(品牌、型号) 8、9 电流6、7 耐压4、5、封装2、3 品名1 物料大类6.8.1产成品分类及代码表6.9 集成电路IC 编码4 XX XX XX XX 000005 位流水码(品牌、型号) 8、9 不定义6、7 不定义4、5、封装2、3 品名1 物料大类6.9.1 产成品分类及代码表.4 XX XX XX XX 000005 位流水码(尺寸、型号) 8、9 成品中类6、7 层数4、5、材质2、3 品名1 物料大类6.10.1 产成品分类及代码表6.11 保险丝编码4 XX XX XX XX 000005 位流水码(品牌、型号) 8、9 电压6、7 电流4、5、封装2、3 品名1 物料大类6.11.1 产成品分类及代码表7.1 结构编码基本格式如下5 X XX XX XXXX XX 002位流水码(尺寸) 11、12 颜色7、8、9、10产品型号5、6 产品中类3、4 品名2 中类1大类7.1.1产成品分类及代码表7.2 结构五金杂类编码基本格式如下5 X XX XX XX XX X 0003位流水码10、11 颜色8、9 规格 6、7 尺寸4、5 类型3 品名 2 中类 1 大类7.2.1 产成品分类及代码表5 X XX XX XX XX X 0003位流水码10、11 颜色9 不定义 7、8 BIN位5、6 材质3、4 品名 2 中类 1 大类7.3.1 产成品分类及代码表7.4 螺丝、螺母编码基本格式如下5 6 X XX X XX XX 00004位流水码9、10 颜色 7、8 牙规格6 尾型4、5 型号3 品名2 中类1 大类7.4.1 产成品分类及代码表8.1 线材编码基本格式如下6 XX X XX XX XX 00004位流水码(长度、认证) 9、10 端部类型7、8 颜色5、6 线径4、材质2、3 中类1、大类8.1.1产成品分类及代码表9.1 包材编码基本格式如下1 XX XX XX XXX 00004位流水码(尺寸)8、9、10 不定属性 6、7 成品中类4、5 材质2、3 中类5.大类9.1.1产成品分类及代码表10.1辅料编码基本格式如下1 XX XX XXXXX 00004位流水码6、7、8、9 、10 不定属性 4、5 品名2、3 中类1。
物料编码原则参考范本
1.简洁性:
物料编码应尽量简洁明了,避免冗长的编码,以方便查找和辨认。
可
以使用简短的字母、数字或符号的组合来表示物料,且编码长度应在一定
范围内,不宜过长。
2.唯一性:
每个物料编码应是唯一的,不同物料之间的编码不应重复。
这样可以
避免混淆和错误,使物料管理更加准确和高效。
编码可以使用自动生成的
序列号或含有特定信息的组合,来保证唯一性。
3.体现层级关系:
物料编码可以按照不同的层级进行组织,以反映物料之间的层级关系。
例如,可以使用类别、子类别和子子类别等层级结构来编码物料,使其更
具有层次感。
4.具备识别性:
物料编码应具备一定的识别性,能够通过编码信息来识别和辨认物料。
可以在编码中包含有关物料的相关信息,如物料名称、规格、属性等,以
便于对物料进行迅速识别和管理。
5.可扩展性:
物料编码应具备一定的可扩展性,以适应企业发展和业务变化的需要。
可以采用一定的编码规则和格式,使其更易于扩展和调整。
同时,也应保
持一定的可读性和正确性。
6.易于维护和更新:
物料编码应易于维护和更新,以保证物料信息的准确性和完整性。
当新的物料加入时,可以根据编码规则和原则进行调整和更新,以确保整个物料库的管理系统的正常运行。
7.标准化:
物料编码应符合一定的标准和规范,以便于信息的交流和共享。
可以参考行业内的标准编码体系,如国际标准化组织(ISO)的物料、产品和服务编码(MPS)等,以保证编码的一致性和通用性。
常见物料分类及编码规则2021-07-17物料分类及编码规则公司所有物料(除固定资产外)实行三级分类管理,划分为大类别、小类别和品种类型,物料编码总长为15位,物料大类、小类、物料品种和物料规格型号之间用英文句号隔开。
基本编码结构如下:物料规格(10位)物料品种类型(2位阿拉伯数字)物料小分类(2位大写英文字母)物料大分类(1位大写英文字母)一、物料大分类及其代码:1、电子材料: 用“T"表示电子材料是指以其电性能为主要应用的材料,根据公司目前应用情况看,包括:集成电路类、印刷电路板类、电容器类、电阻器类、电感器类、晶体管类、接插件类、稳压器类、变压器类、充电器类、开关类、电池类、电声器类、电位器类、磁珠类、数据线类和电线电缆类等。
2、光学材料:用“G"表示光学材料是指传输光线的介质材料,包括光学玻璃、光学晶体和光学塑料等光学介质材料,但不包括光电性能一体化应用的光电材料,例如发光二极管、氖灯、日光灯、显像管、液晶屏等光电类材料,该类材料归于电子材料类,3、塑胶材料:用“S”表示塑胶材料是指以高分子合成树脂为主要应用的材料,包括ABS、PVC、PA、PS、PE 等塑胶料,但不包括光学与塑胶一体化应用的材料,以及用于产品包装的塑胶材料,例如有机玻璃、玻璃钢、吸塑盒等,该类材料归于光学材料类或包装材料类。
公司目前应用的塑胶材料主要包括数码相机、车载摄像头、网络摄像头等产品的塑胶结构件,例如机壳,以及用于其他用途的PVC线管、塑胶工具、塑胶模具等。
4、金属材料: 用“J”表示金属材料是指以钢、铁、铝等为主要应用的材料,公司目前主要包括数码相机、摄像头等产品使用的金属结构件,以及用于其他用途的角铁、金属线管、金属紧固件、金属工具、金属模具等.5、包装材料:用“B"表示包装材料是指用于产品包装的材料,主要包括包装箱、吸塑盒、胶袋、包装带、封箱胶纸、不干胶标签、防潮剂、合格证等.6、辅助材料:用“F”表示辅助材料是指构成产品实体的非主要材料,或辅助产品生产的应用材料,公司目前主要包括:UV胶、热固胶、酒精、锡膏、锡浆、清洗剂、无尘布、泡棉垫、双面胶、保护膜、钢网纸、胶水、锡条等。
MaterialEncodeOfRegulation物料编码规则编制:David_Wu审核:批准:发布日期:2013-5-21生效日期:2013—5-25前言一、规则说明:1、此编码规则适用于公司鼠标、键盘、摄像头、平板电脑以及其它电子产品2、此编码规则统一规定为14位数进行编码,首位不能使用“0”,编码时尽量使用阿拉伯数字,尽量避免使用英文字母及其它符号(部分数字用完无法累加时可用A~Z等26个英文字母表示)3、分隔符以右斜线“\”为标准,不可用其它符号做分隔符;二、各部门需修订编码规则或增加种类等事情,需向工程部物料编码员提出申请,经审核同意后方可修订和增补公司的《物料编码规则》,《物料编码规则》经工程副总批准执行。
三、BOM的结构说明1、BOM以按生产工艺流程来划分BOM的架构,力争使BOM层次分明,满足生产各分段的使用.2、基本BOM结构举例如下,根据不同产品进行增加或减少。
三、物料大中分类1-电子类2—塑胶件3-组装料(五金,脚垫,透镜)4—包材5—辅料6-外购品(限外购成品,须内部包装才能出货部分)7-暂空8-半成品类9-成品类(一)、-电子类(二)、2—塑胶件(三)、3—组装料(四)、4—包材类(五)、5-辅料类(六)、6—外购品(七)、7-暂空(八)、8—半成品类(九)、9-成品类四、物料编码原则:(一)电子类:1.电阻101-□□□□□—□□□□12345 6789101。
类别代码-1表示电子类2.电子系列-01表示电阻3。
分隔符“-”4。
封装:0-SMD;1-DIP;2—光敏电阻;3—热敏电阻5。
阻值:2470-4.7K(第1位是10次方表示位,第2,3位是有效值,第4位是小数表示位,单位:R) 特殊电阻时此四位可用型号来表示6.分隔符“—”7.体积或功率:SMD对应:0—0201,1-0402,2—0603,3-0805,4-1206,5-1210DIP对应:0—1/20W,1—1/16W,2—1/10W,3-1/8W,4—1/4W8。
完整版)物料编码规则物料编码规则版本号:V2.1修订记录版本号。
拟制人/修订人。
拟制/修订。
主要更改内容。
日期V1.0.无。
拟制。
初版。
2015-11-2V2.0.无。
定版。
修订规则。
2016-3-17目录1.目的与适用范围2.物料编码规则2.1 电路板(10)2.2 电阻(11)2.3 电容(12)2.4 晶体管(13)物料编码规则是为了统一对物料进行标识和管理,方便物料的采购、入库、出库、库存管理等工作。
本规则适用于所有公司内部物料编码的管理。
2.1 电路板(10)电路板的编码由10开头,后面接4位数字,其中前2位表示电路板的类型,后2位表示电路板的规格。
例如,1001表示单面铜箔电路板,规格为100mm*100mm。
2.2 电阻(11)电阻的编码由11开头,后面接6位数字,其中前3位表示电阻的阻值,后3位表示电阻的容差。
例如,表示阻值为100欧姆,容差为1%的电阻。
2.3 电容(12)电容的编码由12开头,后面接6位数字,其中前3位表示电容的电容值,后3位表示电容的公差。
例如,表示电容值为10pF,公差为0.1pF的电容。
2.4 晶体管(13)晶体管的编码由13开头,后面接6位数字,其中前3位表示晶体管的型号,后3位表示晶体管的封装。
例如,表示型号为2N3904,封装为TO-92的晶体管。
2.集成电路(14)3.磁性元件(15)4.电感(16)5.滤波器(17)6.晶振(18)7.连接器(19)8.电子类杂项(20)目的与适用范围:本规则旨在制定统一的物料编码规则,确保物料编码的唯一性,有利于公司物料的管理和控制。
适用于公司结构件和电子类元器件的物料编码的编制、修订等管理工作。
物料编码规则:2.1 电路板(10)编码规则为:1XXXXXXXXXX,其中第1、2位代表电路板,用“10”代表。
区别码、版本号、项目编号、预留区分、类型和类别均需编码。
2.2 集成电路(14)集成电路编码规则为:2XXXXXXXXXX,其中第1、2位代表集成电路,用“14”代表。
物资编码管理实施细则范本一、原材料1.原材料入库时,采购员会同库管员和质检员做好验收工作,点清数量,质量符合不符合要求。
核实好实物是否与送货单一致。
如不一致采购员及时与供应商联系,并更改签字记录。
2.原材料在使用过程中出现问题的,使用人员或质检人员及时与库管员联系,库管员反映至采购员及时与供应商联系退换货事宜,并对该家供应商就此事宜做好记录。
3.库管员要把材料分类摆放整齐,标明材料的名称及规格型号摆放在物料摆放的位置。
名称及规格型号必须和实物、进销存台帐,领料单保持一致,不可同一物品多个名称。
4.库管员每月向财务会计上交一份进销存月报表,原材料的入库单、领料单一并分类上交财务。
所有单据签名完整。
每月____日前准时上交。
5.每月库管员对仓库实物进行一次盘点,看实物是否和账目一致,不一致及时向上反映,不得擅自更改。
二、成品产成品完工后,由相关部门及时入库,入库手续同原材料管理,入库后同原材料管理,并每月做好进销存台帐,月度报表每月____日前上交财务。
物资编码管理实施细则范本(2)第一章总则第一条为规范物资编码管理工作,加强物资管理,提高物资管理效率和准确性,根据《物资编码管理办法》等相关法规,制定本实施细则。
第二条本实施细则适用于所有单位和个人在物资编码管理方面的工作。
第三条物资编码是对物资进行分类标识和识别的一组数字或字母的组合,用于管理和查询物资信息。
第四条物资编码的管理工作应遵循统一的原则,即统一编码、统一管理、统一规范、统一查询和统一协调。
第五条物资编码管理工作应依托信息技术手段,建立物资编码管理系统,实现物资编码的在线管理和查询。
第六条物资编码管理工作应加强与其他相关管理工作的协同,比如采购管理、库存管理、配送管理等。
第二章编码标准和规范第七条物资编码应符合国家和行业标准,采用统一的编码规则。
第八条物资编码应包括以下组成部分:物资类别编码、物资品种编码、物资规格编码、物资型号编码、物资批次编码等。
6.6.5、层次举例 1例 1:***泊车雷达总成华晨鑫源Y101泊车 雷达总成Y101倒车雷达控制 器分总成Y101倒车雷达传感 器分总成磨砂黑倒车雷达控制器 PCBA原材料包材倒车雷达传感器 PCBA倒车雷达传感器探 芯磨砂黑原材料包材Y101倒车雷达传感 器中支架分总成皮纹原材料 包材Y101倒车雷达传感 器侧支架分总成皮纹原材料 包材倒车雷达控制器 PCBZ 原材料原材料 原材料原材料例 2:***全景记录仪总成Y101全景环视控 制器分总成Y101行车记录仪 分总成全景环视控制器 PCBA原材料包材行车记录仪主控 板PCBA行车记录仪传感 器PCBA行车记录仪按键 板PCBA行车记录仪电源 板PCBA行车记录仪线束 半成品原材料全景环视控制器 PCBZ 原材料原材料 原材料 原材料 原材料 原材料包材华晨鑫源Y101全 景记录仪总成Y101行车记录仪 存储卡分总成Y101前置摄像头 分总成Y101后置摄像头 分总成Y101左外后视镜 摄像头分总成Y101右外后视镜 摄像头分总成原材料包材 摄像头传感器PCBA 原材料包材 摄像头传感器PCBA 原材料包材 摄像头传感器PCBA 原材料包材 摄像头传感器PCBA 原材料包材原材料 原材料 原材料 原材料原材料7、条形码7.1、原材料来料:一维码,总位数 25;XXXXXXXX XXXXX XXXXXX XXXXXX数 量:6 位 供应商:6 位 批次号:5 位 品 号:8 位说明: a)原材料来料(一维码):供应商送货物料上的条形码; b)品号:占用 8 位,原材料的唯一编码; c)批次号:占用 5 位,指供应商来料生产批次; d)供应商:占用 6 位,供应商编号代码; e)数量:占用 6 位,来料包装数量;7.2、外包装箱 成品、半成品:二维码,总位数 25;XXXXXXXX XXXXXXXXX XXXXX XXX流水码:3 位 数 量:5 位 批次号:9 位 品 号:8 位说明: a)外包装(二维码):销售的分总成、半成品包装箱上的二维码; b)品号:占用 8 位,销售的分总成、半成品唯一编码; c)批次号:占用 5 位,指我司生产批次; d)数量:占用 5 位,包装送货数量,00000 到 99999; e)流水码:占用 3 位,流水码 000 到 999;7.3、单件:二维码,总位数 25;XXXXXXXX XXXXXXXXX XXXX XXXX流水码:4 位 数 量:4 位 批次号:9 位 品 号:8 位说明: a)单件(二维码):的二维码; b)品号:占用 8 位,销售的分总成、半成品唯一编码; c)批次号:占用 9 位,指我司生产批次; d)数量:占用 4 位,包装送货数量,0000 到 9999; e)流水码:占用 4 位,流水码 0000 到 9999;8、特别注意事项1、以上举的例子只作为参考规则,与实际使用的不同; 2、采购件都是原材料,没有半成品或分总成说法; 3、量产项目如果有工艺或者有其他的更改,涉及到了 BOM 表,则必须进行开会确认(每个 部门参加),并作会议纪要; 4、只能由技术部文控室做信息的录入以及信息的输出; 5、录入信息前的发起为:谁发起,谁申请; 6、。
物料编码规则范本
综述
本文仅对物料编码的设计思路进行简单介绍,并非2BizBox软件的强制要求,各企业应根据其自身情况灵活制定适合自己的编码规范。
定义
物料编码是计算机系统对物料的唯一识别代码。
它是用一组代码来代表一种物料。
物料编码必须是唯一的,即一种物料不能有多个物料编码,一个物料编码不能代表多种物料。
物料的编码方案应简单、清晰,尽量不要把物料的属性含义放到编码中。
原则
本文设计的物料编码规则遵循以下原则:
•唯一性:同一种物料只能对应一个编码,同一编码只能代表一个物料,绝不能出现一个物料多个编码,或多个物料一个编码的情况。
•可使用性:编码的长度应在6-20之间,不宜过长,否则不易识别记忆
•规则性:编码应当是按照一定的编码原则编制出来的,并配合对描述进行规范。
•可读性:物料编码不一定要求一看就知道是哪种物料,但应当做到一看到物料就能够识别出该物料是属于哪一类的物料,可
以考虑采用前段用分类码,后段用顺序码的方式进行编码。
编
码的使用者应当在较短的时间内对编码的方式有大致的了解;
另外,应避免使用“i”、“O”、“Z”等容易与数字混淆的字
母编码。
•通用性:同一编码原则应能涵盖大多数物料,新增加的品种也能够适应
•可扩展性:编码原则的制定应能考虑公司5-10年内物料的变化趋势。
并且要对不同的情况留有一定的余地。
•效率性:编码原则不仅要考虑使用者是否可以较容易地解读,方便记忆和识别,还应当考虑是否有助于提高日常操作的效率。
•兼容性:本公司的物料编码应当考虑与主要客户、重要供应商的编码的兼容,这要求建立一个物料编码对照表,把客户、主
要供应商的编码、本公司编码放在一张表内可以自由查询。
•综合性:编码原则也应考虑与产品(BOM单)、生产、采购、货仓运作、物料控制、财务、使用软件系统等相关方面的配合
使用问题。
编码示例
2BizBox系统可自动生成“流水号”的物料编码(零件号)或“主类+辅类+流水号”的物料编码(零件号),当自动编码不满足要求时,还可手动添加物料编码(零件号),如下图所示。
下面我们就根据这三种编码生成方式,分别举例介绍相应的编码方案。
采用流水号编码方案
如果公司物料种类较多,品种复杂,建议采用“流水号”进行编码,并可通过“零件类型”对流水号编码进行分类。
例如某公司原材料以电子元器件为主,种类众多,为减少编码的工作量,采取了“流水号”编码方案,并定义如下图所示的零件类型:
采用此种编码方案时,为了便于日常使用,应将物料名称及主要参数按统一格式放到“零件描述”中,如下图所示:
在日常使用时,如果需要查找电容量是1000PF,额定电压50V的电容,只需按下图所示,在对话框中依次输入“1000PF”、“%”(通配符)、“50V”,即可找到需要的零件。
采用“主类+辅类+流水码”编码方案
如果想进一步细化物料分类,可采用“主类+辅类+流水码”的编码方案。
例如:考虑到靠行业和国家的标准,以及今后物料的发展和扩充,某石化设备企业采用中石化集团的物资标准分类代码的前两位(即56大类分类码)作为物料编码的主类,将原来分的很细的中类和小类码进行简化和合并,缩短结构,同时加长流水码的位数。
这样“两位主类码+三位辅类码+五位流水码”就可解决编码问题。
采用“赋义”物料编码
“赋义”编码顾名思义是赋予编码一定含义。
如果要采用此种物料编码方案,应注意编码的易用性及可读性,种类不宜过多,各种类编码规则应尽量一致。
例如某机械制造公司将所有物料基本划分为自制件、外购成品、易耗品、工具、原材料四大类,编码如下:
自制品编码
自制品的编号采用9位字符组成,其中第1位“M”为自制品代码;第2、3位代表自制品大类;第4、5、6位代表自制品小类;其余3位为自制品序号代码。
如下图所示:
自制品产品大类: 01-99,具体为:
编码形式描述
M 01 *** *** 大型设备
M 02 *** *** 中小型设备
M 03 *** *** 离合器杂类
……
M 99 *** *** 杂项
外购件编码
外购件编号采用9位字符组成,其中第一位数“P”为外购件代码;第2、3位数为外购件大类;第4、5、6位数为外购件小类;其余3位为外购件序号代码。
如下图所示:
外购件产品大类: 01-99,具体为:
编码形式描述
P01 *** *** 铸件
P 02 *** *** 锻件
P 03 *** *** 电机
P 04 *** *** 传感器
……
P 99 *** *** 杂项
工具/刀具/量具编码
工具的编号采用9位字符组成,其中第1位数为工具代码;第2、3位数为工具大类代码;第4、5、6位数为工具小类代码;其余3位为工具规格代码。
如下图所示:
工具大类01-99,具体为:
编码形式描述
T 01 *** *** 切削刀具
T 02 *** *** 加工工装
T 03 *** *** 总成装配工装
T 04 *** *** 机加工工装
T 05 *** *** 其它工装
T 06 *** *** 塞规
T 06 001 *** 塞规,通规
T 06 002 *** 塞规,止规
……
T 99 *** *** 杂项
原材料编号以及分类级别
原材料的编号采用11~15位字符组成,其中第1位数为原材料代码;第2、3位数为材料类型代码;第4、5位数为材质牌号;其余位数为材料规格代码。
如下图所示:
原材料编码具体如下:
编码形式描述
J01 ** *** *** 化工材料
J02 ** *** *** 实心圆型材
J03 ** *** *** 圆管型材
J04 ** *** *** 热轧板材
J05 ** *** *** 丝型类
J06 ** *** *** 实心方型材
J07 ** *** *** 六角型材
J08 ** *** *** 钢丝绳类
工字型材
J09 ** *** ***
**
槽型材
J10 ** *** ***
**
J11 ** *** ***
角型材
**
矩型管材
J12 ** *** ***
**
H钢
J13 ** *** ***
**
……
J99 ** *** *** 杂项
材料材质牌号代码
原材料材质牌号代码范围为: 01-99,具体为:
代材质代材质代材质代材质代材质。