熔炼焊剂牌号编制方法
- 格式:doc
- 大小:36.00 KB
- 文档页数:2
各类电焊条牌号分类编制方法如下。
(1)结构钢焊条(包括碳钢和低合金高强钢焊条)牌号前加"J"(或"结"字)表示结构钢焊条。
牌号前两位数字,表示焊缝金属抗拉强度等级,其系列如表2-22。
牌号第三位数字,表示药皮类型和焊接电源种类,药皮中含有多量铁粉、焊条效率为105%以上,在牌号末尾加注“Fe“字;焊条效率在125%以上时在Fe字后面再加两位数字,如J506Fe13等。
结构钢焊条有特殊性能和用途的,则在牌号后面加注起主要作用的化学元素符号或主要用途的拼音字母。
牌号举例:J 50 7 CuP用于焊接铜磷钢,有抗大气和耐海水腐蚀的特殊用途低氢钠型药皮,直流电源熔敷金属抗拉强度不低于490MPa(50kgf/mm2)结构钢焊条J 42 1 X向下立焊专用焊条氧化钛型药皮,交直流电源熔敷金属抗拉强度不低于420MPa(43kgf/mm2)结构钢焊条(2)钼和铬钼耐热钢焊条牌号前加“R”(或“热”字),表示钼和铬钼耐热钢焊条。
牌号第一位数字,表示熔敷金属主要化学成分组成等级,见表2-23。
牌号第二位数字,表示同一熔敷金属主要化学成分组成等级中的不同牌号,对于同一组成等级的焊条,可有十个牌号,按0、1、2、 (9)顺序编排,以区别铬钼之外的其他成分的不同。
牌号第三位数字,表示药皮类型和焊接电源种类(见表2-21)。
牌号举例:R 3 4 7低氢钠型药皮,直流电源牌号分类编号为4熔敷金属主要化学成分等级为铬含量约1%,钼含量约0.5%耐热钢焊条(3)低温钢焊条牌号前加“W”(或“温”字),表示低温钢焊条,牌号前两位数字,表示低温钢焊工作温度等级,参见表2-24。
牌号第三位数字,表示药皮类型和焊接电源种类(见表2-21)。
牌号举例:W 70 7低氢钠型药皮,直流电源工作温度等级为-70℃低温钢焊条(4)不锈钢焊条牌号前加“G”(或“铬”字)或“A”(或“奥”字),分别表示铬不锈钢焊条或奥氏体铬镍不锈钢焊条。
焊丝牌号及型编制焊丝的牌号是根据焊丝的性能来命名的,主要包括了实芯焊丝、药芯焊丝、有色金属及铸铁焊丝等,其牌号编制方法简介如下:1.实芯焊丝的牌号与型号(1)牌号:牌号第一个字母“H”表示焊接用实芯焊丝。
H后面的一位或二位数字表示含碳量。
接下来的化学符号及其后面的数字表示该元素大致含量的百分数。
合金元素含量小于1%时,该合金元素化学符号后面的数字省略。
在结构钢焊丝牌号尾部标有“A”或“E”时,A表示硫、磷含量要求低的高级优质钢。
E为硫、磷含量要求特别低的焊丝。
H 08 Mn2 Si A高级优质钢(S、P≤0.03%)Si≤1%Mn≈2%C≈0.08%焊接用实芯焊丝国产实芯焊丝的牌号及主要成分见表2-31、表2-32。
(2)焊丝型号气体保护电弧焊用碳钢、低合金钢焊丝按化学成分和采用熔化极气体保护电弧焊时熔敷金属的力学性能分类。
焊丝型号的表示方法为ER××-×,字母“ER”表示焊丝,ER 后面的两位数字表示熔敷金属的最低抗拉强度,短划“-”后面的字母或数字表示焊丝化学成分分类代号。
如还附加其它化学元素时,直接用元素符号表示,并以短划“-”与前面数字分开。
国产实芯焊丝型号、化学成分和力学性能列于表2-33、表2-34。
焊丝型号举例:ER 55 B2Mn表示焊丝中含有锰元素表示焊丝化学成分分类代号表示熔敷金属抗拉强度最低值为55kgf/mm2或540MPa表示焊丝表2-31 国产实芯焊丝的牌号及主要成分(GB/T14957-95)钢种序号牌号化学成分(%)C Mn Si Cr Ni Mo V Cu 其他S P≤碳素结构钢1 H08A ≤0.100.30~0.55≤0.03≤0.20≤0.30≤0.2≤0.03≤0.030 2 H08E ≤0.100.30~0.55≤0.03≤0.20≤0.30≤0.2≤0.02≤0.023 H08C ≤0.100.30~0.55 ≤0.03≤0.10≤0.100.20.0150.0154 H08MnA ≤0.100.80~1.10 ≤0.07≤0.20≤0.30≤0.2≤0.03≤0.035 H15a0.11~0.18 0.35~0.65≤0.03≤0.20≤0.30≤0.2≤0.03≤0.036 H15Mn0.11~0.18 0.80~1.10≤0.03≤0.20≤0.300.20.0350.035合金结构钢7 H10Mn2 ≤0.121.50~1.90≤0.07≤0.20≤0.30≤0.2≤0.035≤0.035 8 H08Mn2Si ≤0.111.70~2.100.65~0.95≤0.20≤0.30≤0.2≤0.035≤0.0359H08MnsSiA ≤0.111.80~2.100.65~0.95≤0.20≤0.300.20.030.0310 H10MnSi ≤0.140.80~1.100.60~0.90≤0.20≤0.30≤0.2≤0.035≤0.0351 1 H10MnSiMo≤0.140.90~1.200.70~1.10≤0.20≤0.300.15~0.25≤0.2≤0.035≤0.0351 2 H10MnSiMoTiA0.08~0.121.00~1.300.40~0.70≤0.20≤0.300.20~0.40≤0.2Ti0.05~0.150.0250.031 3 H08MnMoA≤0.101.20~1.60≤0.25≤0.20≤0.300.30~0.50≤0.2Ti0.15(加入量)≤0.03≤0.031 4 H08Mn2MoA0.06~0.111.60~1.90≤0.25≤0.20≤0.300.50~0.70≤0.2Ti0.15(加入量)≤0.03≤0.031 5 H10Mn2MoA0.08~0.131.70~2.00≤0.40≤0.20≤0.300.60~0.80≤0.2Ti0.15(加入量)≤0.03≤0.031 6 H08Mn2MoV A0.06~0.111.60~1.90≤0.25≤0.20≤0.300.50~0.700.06~0.12≤0.2Ti0.15(加入量)≤0.03≤0.031 7 H10Mn2MoV A0.08~0.131.70~2.40≤0.40≤0.20≤0.300.60~0.80≤0.2Ti0.15(加入量)≤0.03≤0.0318 H08CrMoA ≤0.100.40~0.700.15~0.350.80~1.10≤0.300.40~0.60≤0.2≤0.03≤0.0319 H13CrMoA0.11~0.160.40~0.700.15~0.350.80~1.10≤0.300.40~0.60≤0.2≤0.03≤0.0320 H18CrMoA0.15~0.220.40~0.700.15~0.350.80~1.10≤0.300.15~0.25≤0.2≤0.025≤0.032 1 H08CrMoVA≤0.100.40~0.700.15~0.351.00~1.30≤0.300.50~0.700.15~0.35≤0.2≤0.03≤0.032 2 H08CrNi2MoA0.05~0.010.50~0.850.10~0.300.70~1.001.40~1.800.20~0.40≤0.2≤0.025≤0.032 3 G30CrMnSiA0.25~0.350.80~1.100.90~1.200.80~1.10≤0.30≤0.2≤0.025≤0.02524 H10MoCrA ≤0.120.40~0.700.15~0.350.45~0.65≤0.300.40~0.60≤0.2≤0.03≤0.03表2-32类别牌号化学成分,%(m/m)C Si Mn P S Cr Ni Mo Cu 其他奥氏体型H1Cr19Ni9 ≤0.14≤0.61.00~2.00≤0.03≤0.0318.00~20.008.00~10.00H0Cr19Ni12Mo2≤0.08≤0.61.00~2.50≤0.03≤0.0318.00~20.0011.00~14.002.00~3.00H00Cr19Ni12Mo2≤0.03≤0.61.00~2.50≤0.03≤0.0218.00~20.0011.00~14.002.00~3.00H00Cr19Ni12Mo2Cu2 ≤0.03≤0.61.00~2.50≤0.03≤0.0218.00~20.0011.00~14.002.00~3.001.00~2.50H0Cr19Ni14Mo3 ≤0.08≤0.61.00~2.50≤0.03≤0.0318.50~20.5013.00~15.003.00~4.00H0Cr21Ni10 ≤0.08 ≤0.61.00~2.50≤0.03≤0.0319.50~22.509.00~11.00H00Cr21Ni10 ≤0.03 ≤0.61.00~2.50≤0.03≤0.0218.50~20.509.00~11.00H0Cr20Ni10Ti ≤0.08≤0.61.00~2.50≤0.03≤0.0319.00~21.509.00~10.50Ti9×C%~1.00H0Cr20NI10Nb ≤0.08≤0.61.00~2.50≤0.03≤0.0319.00~21.009.00~11.00Nb10×C%~1.00H00Cr20Ni25Mo4Cu ≤0.03≤0.61.00~2.50≤0.03≤0.0219.00~21.0024.00~26.004.00~5.001.00~2.00H1Cr21Ni10Mn6 ≤0.10≤0.65.00~7.00≤0.03≤0.0220.00~22.009.00~11.00H1Cr24Ni13 ≤0.12 ≤0.61.00~2.50≤0.03≤0.0323.00~25.0012.00~14.00H1Cr24Ni13Mo2 ≤0.12≤0.61.00~2.50≤0.03≤0.0323.00~25.0012.00~14.002.00~3.00H00Cr25Ni22Mn4Mo2N ≤0.03≤0.53.50~5.50≤0.03≤0.0224.00~26.0021.50~23.002.00~2.80N0.10~0.15H1Cr26Ni21 ≤0.15 ≤0.61.00~2.50≤0.03≤0.0325.00~28.0020.00~22.00H0Cr26Ni21 ≤0.08 ≤0.61.00~2.50≤0.03≤0.0325.00~28.0020.00~22.00铁素体型H0Cr14 ≤0.06≤0.7≤0.60≤0.03≤0.0313.00~15.00≤0.60 H1Cr17 ≤0.10≤0.5≤0.60≤0.03≤0.0315.50~17.00≤0.60马氏体型H1Cr13 ≤0.12≤0.5≤0.60≤0.03≤0.0311.50~13.50≤0.60H2Cr130.13~0.21≤0.6≤0.60≤0.03≤0.0312.00~14.00≤0.60H0Cr17Ni4Cu4Nb≤0.05≤0.750.25~0.75≤0.03≤0.0315.50~17.004.00~5.00≤0.753.00~4.00N0.15~0.45表2-33 国产焊丝型号及其化学成分(%)(GB/T8110-95)焊丝型号C Mn Si P S Ni Cr Mo V Ti Zr Al Cu其他元素总量碳钢焊丝ER49 -1≤0.111.80~2.100.65~0.95≤0.030≤0.030≤0.30≤0.20—————≤0.50—ER50 -2≤0.07 0.90~1.40 ≤0.025≤0.035——0.05~0.150.02~0.120.05~0.15≤0.50ER50 -3 0.06~0.15———ER50 -4 0.07~0.151.00~1.50ER50 -5 0.07~0.190.90~1.400.50~0.90ER50 -6 0.06~0.151.40~1.85—ER50 -7 0.07~0.150.50~0.80铬钼钢焊丝ER55 -B2 0.07~0.120.40~0.700.40~0.70≤0.025≤0.025≤0.201.20~1.500.40~0.65————≤0.35≤0.50ER55 -B2L≤0.05ER55-B2-MnV0.06~0.10 1.20~1.600.60~0.90≤0.030≤0.0251.00~1.300.50~0.700.20~0.40ER55 -B2-Mn 1.20~1.700.90~1.200.45~0.65—ER62 -B3 0.07~0.120.40~0.700.40~0.70≤0.025≤0.202.30~2.700.90~1.20ER62 -B3L≤0.05镍钢焊丝ER55 -C1≤0.12≤1.250.40~0.80≤0.025≤0.0250.80~1.10≤0.15≤0.35≤0.05———≤0.35≤0.50ER55 -C2 2.00~2.75———ER55 -C3 3.00~3.75续表焊丝型号C Mn Si P S Ni Cr Mo V Ti Zr Al Cu其他元素总量锰钼钢焊丝ER55-D2-Ti≤0.111.20~1.900.40~0.80 ≤0.025≤0.025——0.20~0.50—≤0.20——≤0.50≤0.50ER55 -D2 0.07~0.121.60~2.100.50~0.80≤0.150.40~0.60—其他低合金钢焊丝ER69 -1≤0.081.25~1.800.20~0.50 ≤0.010≤0.0101.40~2.10 ≤0.300.25~0.55 ≤0.05≤0.10≤0.10≤0.10≤0.25≤0.50ER69-2≤0.12 0.20~0.600.80~1.250.20~0.550.25~0.65ER69 -3 0.40~0.80≤0.020≤0.0200.50~1.00——≤0.20—≤0.35ER76 -1≤0.09 1.40~1.800.20~0.55 ≤0.010≤0.0101.90~2.60≤0.500.25~0.55≤0.04≤0.10≤0.10≤0.25ER83 -1≤0.100.25~0.602.00~2.80≤0.600.30~0.65≤0.03ERXX-G供需双方协商注:①焊丝中铜含量包括镀铜层。
焊丝牌号及型编制焊丝的牌号是根据焊丝的性能来命名的,主要包括了实芯焊丝、药芯焊丝、有色金属及铸铁焊丝等,其牌号编制方法简介如下:1.实芯焊丝的牌号与型号(1)牌号:牌号第一个字母“H”表示焊接用实芯焊丝。
H后面的一位或二位数字表示含碳量。
接下来的化学符号及其后面的数字表示该元素大致含量的百分数。
合金元素含量小于1%时,该合金元素化学符号后面的数字省略。
在结构钢焊丝牌号尾部标有“A”或“E”时,A表示硫、磷含量要求低的高级优质钢。
E为硫、磷含量要求特别低的焊丝。
H 08 Mn2 Si A高级优质钢(S、P≤0.03%)Si≤1%Mn≈2%C≈0.08%焊接用实芯焊丝国产实芯焊丝的牌号及主要成分见表2-31、表2-32。
(2)焊丝型号气体保护电弧焊用碳钢、低合金钢焊丝按化学成分和采用熔化极气体保护电弧焊时熔敷金属的力学性能分类。
焊丝型号的表示方法为ER××-×,字母“ER”表示焊丝,ER 后面的两位数字表示熔敷金属的最低抗拉强度,短划“-”后面的字母或数字表示焊丝化学成分分类代号。
如还附加其它化学元素时,直接用元素符号表示,并以短划“-”与前面数字分开。
国产实芯焊丝型号、化学成分和力学性能列于表2-33、表2-34。
焊丝型号举例:ER 55 B2Mn表示焊丝中含有锰元素表示焊丝化学成分分类代号表示熔敷金属抗拉强度最低值为55kgf/mm2或540MPa表示焊丝表2-31 国产实芯焊丝的牌号及主要成分(GB/T14957-95)钢种序号牌号化学成分(%)C Mn Si Cr Ni Mo V Cu 其他S P≤碳素结构钢1 H08A ≤0.100.30~0.55≤0.03≤0.20≤0.30≤0.2≤0.03≤0.030 2 H08E ≤0.100.30~0.55≤0.03≤0.20≤0.30≤0.2≤0.02≤0.023 H08C ≤0.100.30~0.55 ≤0.03≤0.10≤0.100.20.0150.0154 H08MnA ≤0.100.80~1.10 ≤0.07≤0.20≤0.30≤0.2≤0.03≤0.035 H15a0.11~0.18 0.35~0.65≤0.03≤0.20≤0.30≤0.2≤0.03≤0.036 H15Mn0.11~0.18 0.80~1.10≤0.03≤0.20≤0.300.20.0350.035合金结构钢7 H10Mn2 ≤0.121.50~1.90≤0.07≤0.20≤0.30≤0.2≤0.035≤0.035 8 H08Mn2Si ≤0.111.70~2.100.65~0.95≤0.20≤0.30≤0.2≤0.035≤0.0359H08MnsSiA ≤0.111.80~2.100.65~0.95≤0.20≤0.300.20.030.0310 H10MnSi ≤0.140.80~1.100.60~0.90≤0.20≤0.30≤0.2≤0.035≤0.0351 1 H10MnSiMo≤0.140.90~1.200.70~1.10≤0.20≤0.300.15~0.25≤0.2≤0.035≤0.0351 2 H10MnSiMoTiA0.08~0.121.00~1.300.40~0.70≤0.20≤0.300.20~0.40≤0.2Ti0.05~0.150.0250.031 3 H08MnMoA≤0.101.20~1.60≤0.25≤0.20≤0.300.30~0.50≤0.2Ti0.15(加入量)≤0.03≤0.031 4 H08Mn2MoA0.06~0.111.60~1.90≤0.25≤0.20≤0.300.50~0.70≤0.2Ti0.15(加入量)≤0.03≤0.031 5 H10Mn2MoA0.08~0.131.70~2.00≤0.40≤0.20≤0.300.60~0.80≤0.2Ti0.15(加入量)≤0.03≤0.031 6 H08Mn2MoV A0.06~0.111.60~1.90≤0.25≤0.20≤0.300.50~0.700.06~0.12≤0.2Ti0.15(加入量)≤0.03≤0.031 7 H10Mn2MoV A0.08~0.131.70~2.40≤0.40≤0.20≤0.300.60~0.80≤0.2Ti0.15(加入量)≤0.03≤0.0318 H08CrMoA ≤0.100.40~0.700.15~0.350.80~1.10≤0.300.40~0.60≤0.2≤0.03≤0.0319 H13CrMoA0.11~0.160.40~0.700.15~0.350.80~1.10≤0.300.40~0.60≤0.2≤0.03≤0.0320 H18CrMoA0.15~0.220.40~0.700.15~0.350.80~1.10≤0.300.15~0.25≤0.2≤0.025≤0.032 1 H08CrMoVA≤0.100.40~0.700.15~0.351.00~1.30≤0.300.50~0.700.15~0.35≤0.2≤0.03≤0.032 2 H08CrNi2MoA0.05~0.010.50~0.850.10~0.300.70~1.001.40~1.800.20~0.40≤0.2≤0.025≤0.032 3 G30CrMnSiA0.25~0.350.80~1.100.90~1.200.80~1.10≤0.30≤0.2≤0.025≤0.02524 H10MoCrA ≤0.120.40~0.700.15~0.350.45~0.65≤0.300.40~0.60≤0.2≤0.03≤0.03表2-32类别牌号化学成分,%(m/m)C Si Mn P S Cr Ni Mo Cu 其他奥氏体型H1Cr19Ni9 ≤0.14≤0.61.00~2.00≤0.03≤0.0318.00~20.008.00~10.00H0Cr19Ni12Mo2≤0.08≤0.61.00~2.50≤0.03≤0.0318.00~20.0011.00~14.002.00~3.00H00Cr19Ni12Mo2≤0.03≤0.61.00~2.50≤0.03≤0.0218.00~20.0011.00~14.002.00~3.00H00Cr19Ni12Mo2Cu2 ≤0.03≤0.61.00~2.50≤0.03≤0.0218.00~20.0011.00~14.002.00~3.001.00~2.50H0Cr19Ni14Mo3 ≤0.08≤0.61.00~2.50≤0.03≤0.0318.50~20.5013.00~15.003.00~4.00H0Cr21Ni10 ≤0.08 ≤0.61.00~2.50≤0.03≤0.0319.50~22.509.00~11.00H00Cr21Ni10 ≤0.03 ≤0.61.00~2.50≤0.03≤0.0218.50~20.509.00~11.00H0Cr20Ni10Ti ≤0.08≤0.61.00~2.50≤0.03≤0.0319.00~21.509.00~10.50Ti9×C%~1.00H0Cr20NI10Nb ≤0.08≤0.61.00~2.50≤0.03≤0.0319.00~21.009.00~11.00Nb10×C%~1.00H00Cr20Ni25Mo4Cu ≤0.03≤0.61.00~2.50≤0.03≤0.0219.00~21.0024.00~26.004.00~5.001.00~2.00H1Cr21Ni10Mn6 ≤0.10≤0.65.00~7.00≤0.03≤0.0220.00~22.009.00~11.00H1Cr24Ni13 ≤0.12 ≤0.61.00~2.50≤0.03≤0.0323.00~25.0012.00~14.00H1Cr24Ni13Mo2 ≤0.12≤0.61.00~2.50≤0.03≤0.0323.00~25.0012.00~14.002.00~3.00H00Cr25Ni22Mn4Mo2N ≤0.03≤0.53.50~5.50≤0.03≤0.0224.00~26.0021.50~23.002.00~2.80N0.10~0.15H1Cr26Ni21 ≤0.15 ≤0.61.00~2.50≤0.03≤0.0325.00~28.0020.00~22.00H0Cr26Ni21 ≤0.08 ≤0.61.00~2.50≤0.03≤0.0325.00~28.0020.00~22.00铁素体型H0Cr14 ≤0.06≤0.7≤0.60≤0.03≤0.0313.00~15.00≤0.60 H1Cr17 ≤0.10≤0.5≤0.60≤0.03≤0.0315.50~17.00≤0.60马氏体型H1Cr13 ≤0.12≤0.5≤0.60≤0.03≤0.0311.50~13.50≤0.60H2Cr130.13~0.21≤0.6≤0.60≤0.03≤0.0312.00~14.00≤0.60H0Cr17Ni4Cu4Nb≤0.05≤0.750.25~0.75≤0.03≤0.0315.50~17.004.00~5.00≤0.753.00~4.00N0.15~0.45表2-33 国产焊丝型号及其化学成分(%)(GB/T8110-95)焊丝型号C Mn Si P S Ni Cr Mo V Ti Zr Al Cu其他元素总量碳钢焊丝ER49 -1≤0.111.80~2.100.65~0.95≤0.030≤0.030≤0.30≤0.20—————≤0.50—ER50 -2≤0.07 0.90~1.40 ≤0.025≤0.035——0.05~0.150.02~0.120.05~0.15≤0.50ER50 -3 0.06~0.15———ER50 -4 0.07~0.151.00~1.50ER50 -5 0.07~0.190.90~1.400.50~0.90ER50 -6 0.06~0.151.40~1.85—ER50 -7 0.07~0.150.50~0.80铬钼钢焊丝ER55 -B2 0.07~0.120.40~0.700.40~0.70≤0.025≤0.025≤0.201.20~1.500.40~0.65————≤0.35≤0.50ER55 -B2L≤0.05ER55-B2-MnV0.06~0.10 1.20~1.600.60~0.90≤0.030≤0.0251.00~1.300.50~0.700.20~0.40ER55 -B2-Mn 1.20~1.700.90~1.200.45~0.65—ER62 -B3 0.07~0.120.40~0.700.40~0.70≤0.025≤0.202.30~2.700.90~1.20ER62 -B3L≤0.05镍钢焊丝ER55 -C1≤0.12≤1.250.40~0.80≤0.025≤0.0250.80~1.10≤0.15≤0.35≤0.05———≤0.35≤0.50ER55 -C2 2.00~2.75———ER55 -C3 3.00~3.75续表焊丝型号C Mn Si P S Ni Cr Mo V Ti Zr Al Cu其他元素总量锰钼钢焊丝ER55-D2-Ti≤0.111.20~1.900.40~0.80 ≤0.025≤0.025——0.20~0.50—≤0.20——≤0.50≤0.50ER55 -D2 0.07~0.121.60~2.100.50~0.80≤0.150.40~0.60—其他低合金钢焊丝ER69 -1≤0.081.25~1.800.20~0.50 ≤0.010≤0.0101.40~2.10 ≤0.300.25~0.55 ≤0.05≤0.10≤0.10≤0.10≤0.25≤0.50ER69-2≤0.12 0.20~0.600.80~1.250.20~0.550.25~0.65ER69 -3 0.40~0.80≤0.020≤0.0200.50~1.00——≤0.20—≤0.35ER76 -1≤0.09 1.40~1.800.20~0.55 ≤0.010≤0.0101.90~2.60≤0.500.25~0.55≤0.04≤0.10≤0.10≤0.25ER83 -1≤0.100.25~0.602.00~2.80≤0.600.30~0.65≤0.03ERXX-G供需双方协商注:①焊丝中铜含量包括镀铜层。
焊剂的型号与牌号焊剂的型号是依据国家标准的规定进行划分的,焊剂的牌号是由生产部门依据一定的规则来编排的,同一型号可以包括多种焊剂牌号。
1 焊剂的型号目前我国有关焊剂型号的国家标准主要有GB/T 5293—1999《埋弧焊用碳钢焊丝和焊剂》、GB 12470—90《低合金钢埋弧焊用焊剂》和GB/T 17854—1999《埋弧焊用不锈钢焊丝和焊剂》等。
(1)碳素钢埋弧焊用焊剂的型号1)GB/T 5293—1999《埋弧焊用碳钢焊丝和焊剂》中关于焊剂型号的编制国标GB/T 5293—1999第一次将焊剂与焊丝在同一个标准中编写,从而可以供使用单位更加全面地理解焊丝、焊剂与熔敷金属力学性能的关系。
标准中的型号是根据焊丝-焊剂组合的熔敷金属力学性能、热处理状态进行划分。
完整的焊丝-焊剂型号举例:焊丝-焊剂组合的型号编制方法规定如下。
a、字母“F”表示焊剂。
b、第一位数字表示焊丝-焊剂组合的熔敷金属抗拉强度的最小值,见表1。
焊剂型号抗拉强度 / MPa 屈服强度 / MPa 伸长率 / %F4××-H×××F5××-H×××415~550480~650≥330≥400≥22≥22c、第二位字母表示试件的热处理状态,“A”表示焊态,“P”表示焊后热处理状态。
焊后热处理按以下工艺参数进行:试件装炉时炉温不得高于300℃,然后以不大于200℃/h的升温速度加热到620℃±℃保温1h,保温后以不大于190℃/h的冷却速度炉冷至320℃,然后炉冷或空冷至室温。
也可根据供需双方协议,采用其他热处理规范。
d、第三位数字表示熔敷金属冲击吸收功不大于27J时的最低试试验温度,见表2。
焊剂型号冲击功/J 试验温度/℃F××0-H×××≥27 0F××2-H×××20 F××3-H×××30 F××4-H×××40F××5-H×××50F××6-H×××60e、“-”后面表示焊丝的牌号,焊丝的牌号按GB/T 14957,其中“H”表示焊丝,字母后面的两位数字表示焊丝中平均碳含量,如有其他化学成分,在字母的后面用元素符号表示,牌号最后的A、E、C 分别表示S、P杂质含量的等级。
表20 焊剂按主要成分含量分类⑶按焊剂的化学性质分类1)氧化性焊剂含大量SiO2、MnO或FeO。
2)弱氧化性焊剂含SiO2、MnO、FeO较少。
3)惰性焊剂含A12O3、CaO、MgO、CaF2等,基本上不含SiO2、MnO、FeO等。
41 试述熔炼焊剂牌号的编制方法。
根据《焊接材料产品样本》中的规定,熔炼焊剂由字母HJ表示,后加三位数字组成:1)第一位数字表示焊剂中MnO的含量,其系列编排见表21。
表21 熔炼焊剂牌号第一位数字系列2)第二位数字表示焊剂中SiO2、CaF2的含量,其系列编排见表22。
表22 熔炼焊剂牌号第二位数字系列3)第三位数字表示同一类型焊剂的不同牌号,按0、1、2、…顺序排列。
4)对同一牌号焊剂生产两种颗粒度时,在细颗粒(焊剂粒度为0.45~2.4mm)焊剂牌号后面加“×”字。
42 试述烧结焊剂牌号的编制方法。
根据《焊接材料产品样本》中的规定,烧结焊剂由字母SJ表示,后加三位数字组成:1)第一位数字表示焊剂熔渣的渣系,见表23。
表23 烧结焊剂牌号第一位数字系列2)第二位、第三位数字表示同一渣系类型中的不同牌号的焊剂,按01、02、…顺序排列。
43 试述HJ431焊剂的性能及用途。
HJ431是属于熔炼型的高锰、高硅焊剂,焊剂的化学成分见表24,颜色为红棕色或淡黄色,呈玻璃状颗粒,粒度为0.45~2.5mm,电源可交、直流两用,直流电源时采用反接。
焊剂工艺性能良好,电弧稳定,焊缝鱼鳞状波纹美观,但抗锈能力一般。
焊接时和熔化金属的主要化学反应如下:MnO+Fe=FeO+MnSiO2+2Fe=2FeO+SiCaFe+H2O=CaO+2HF↑CaF2+2H=Ca+2HF↑被还原出来的Mn和Si渗到焊缝金属中去,可以提高焊缝金属的力学性能,产生的HF逸出,可以减少焊缝金属的含氢量,提高抗气孔的能力。
表24 HJ431的化学成分(质量分数)(%)HJ431与H08A、H08MnA焊丝配合使用,可用以焊接低碳钢及低合金钢的重要构件。
熔炼焊剂及选用及烧结焊剂及选用1.熔炼焊剂的牌号焊剂牌号的编制远在GB12479-90颁布之前,旧牌号焊剂目前仍盛行国内。
牌号前“HJ”表示埋弧焊及电渣焊用熔炼焊剂。
牌号第一位数字表示焊剂中氧化锰的含量,见表2-53;牌号第二位数字表示焊剂中二氧化硅、氟化钙的含量,见表2-54;牌号第三位数字表示同一类型焊剂的不同牌号,按0、1、2、……、9顺序排列。
表2-53 熔炼焊剂牌号中第一位数字的含意牌号焊剂类型氧化锰含量(%)HJ 1XX HJ 2XX HJ 3XX HJ 4XX 无锰低锰中锰高锰MnO<2MnO2~15MnO15~30MnO<30表2-54 熔炼焊剂牌号中第二位数字的含意牌号焊剂类型二氧化硅及氟化钙含量(%)HJ X1X HJ X2X HJ X3X HJ X4X HJ X5X HJ X6X HJ X7X HJ X8X HJ X9X 低硅低氟中硅低氟高硅低氟低硅中氟中硅中氟高硅中氟低硅高氟中硅高氟其它SiO2<10 CaF2<10SiO2<10~30 CaF2<10SiO2>30 CaF2<10SiO2<10 CaF210~30SiO2<10~30 CaF210~30SiO2>30 CaF210~30SiO2<10 CaF2>30SiO2<10~30 CaF2>30焊剂牌号举例:HJ 4 3 1 X焊剂粒度为60-14目焊剂牌号编号为1焊剂为高硅低氟型焊剂为高锰型埋弧焊及电渣焊熔炼焊剂2.熔炼焊剂的选用目前我国生产的焊剂大部分是熔炼焊剂,有30余个品种,其中HJ431的产量占熔炼焊剂总产量的80%左右。
国产常用熔炼焊剂的简明特性、成分及用途列于表2-55、表2-56。
低碳钢焊接结构常采用H08A或H08MnA焊丝,一般选用高锰高硅焊剂(如HJ431),通过焊剂可向焊缝金属中过渡一定的Si、Mn合金元素,使焊缝金属具有良好的综合力学性能。
焊条和焊剂的类型及牌号编制方法目前我国焊接材料生产厂家约有800余家,其中焊条生产企业在600家以上;CO2气体保护焊丝生产厂家100余家;钎料生产厂家300多家;埋弧焊剂生产企业30多家;具有生产药芯焊丝条件的企业21家。
共生产品种576个。
我国焊接材料总产量已跃居世界第一位,年生产能力近180万吨。
1995年生产焊接材料76万吨,其中电焊条60万吨(生产能力超过150万吨),占总数的80%。
CO气体保护焊丝7万吨(生产能力为15万吨左右),占总数的9.3396。
焊剂5万吨(生产能力10万吨),占总数的6.66%。
埋弧焊丝4万吨(生产能力10万吨),占总数的5.33%。
由上述数据可以看出我国的焊接自动化水平很低,比发达国家分别落后30到70个百分点。
另一个问题是及时调整产品结构,开发市场上急需的特种焊条,由于种种原因,国内生产焊材的企业尚不能完全供应这些焊条,施工单位只好购买昂贵的进口焊条,在增加工程成本的同时还要花费大量的外汇。
为此,焊接材料领域也在积极研究开发了许多相应的新品种.第一节焊条一.焊条的组成1. 焊芯—焊丝作用:导电、填充金属。
焊芯材料有选择性,用量最多的是H08、H08A,还有H08E。
H—汉语拼音字母表示焊条的“焊“,08—表示含碳量平均为0.08%,A—表示优质钢、含杂质量少S、P。
“E”,S、P杂质更少。
2. 药皮作用:①机械保护作用②冶金处理作用③工艺性能良好组成:①稳弧剂:改善引弧性能和提高电弧燃烧的稳定性,原材料为易电离或电离势低的物质。
如:K2CO3、CaCO3大理石、长石、钾水玻璃②造渣剂:造成具有一定物理性能、化学性能的熔渣,起到保护作用和改善焊缝成型。
如:钛铁矿、金红石、萤石、长石等。
③造气剂:造气保护。
有机物、碳酸盐、有机物如:木粉、淀粉、析出气体CO、H,碳酸盐析出气体CO2,高温时产生CO。
④脱氧剂:降低药皮中或熔渣的氧化性和脱除金属中的氧。
铁合金:锰铁、钛铁、硅铁、Re等。
熔炼焊剂代号熔炼焊剂是一种常用于金属焊接过程中的辅助材料,它能够提供必要的保护和辅助金属材料的熔化。
无论是工业生产中的大型焊接作业,还是家庭维修中的小规模修复,熔炼焊剂都扮演着重要的角色。
在本文中,将介绍代号为“X”的一种常见熔炼焊剂,探索它的成分、特性以及使用方法等方面的内容。
一、成分熔炼焊剂代号为“X”的成分主要由氯化氢、硼酸和乙酸等组成。
氯化氢是一种无色气体,具有腐蚀性,能够在焊接过程中有效清除金属表面的氧化膜和杂质,并促使金属更好地熔化和融合。
硼酸是一种无机化合物,具有良好的粘附性和润湿性,能够增加焊剂与金属的接触面积,提高焊接强度。
乙酸则具有溶解性强、挥发性佳的特点,能够促进金属表面的清洁和焊接剂的迅速挥发。
二、特性1. 前处理作用:熔炼焊剂代号为“X”的特性之一是能够进行金属表面的前处理。
在焊接过程中,金属表面常常会生成氧化膜和其他杂质,这将影响焊剂与金属的结合情况。
熔炼焊剂代号为“X”中的氯化氢能够快速溶解金属表面的氧化膜,使金属表面得到充分清洁。
同时,硼酸的润湿性能可以让焊剂迅速铺展在金属表面,提高焊接效果。
2. 防氧化作用:焊接过程中,金属在高温下容易与空气中的氧气反应生成氧化物,从而影响焊接效果和焊缝的强度。
熔炼焊剂代号为“X”中的氯化氢能够迅速与金属表面的氧化物反应,生成氯化物并释放出气体,有效避免了氧化反应的发生,提高焊缝质量。
3. 润湿性能:熔炼焊剂代号为“X”的润湿性能良好,能够迅速铺展在金属表面,形成一层均匀的液相焊剂,使金属材料达到最佳的熔化和融合。
三、使用方法1. 准备工作:在使用熔炼焊剂代号为“X”之前,需要将焊接部位做好准备工作。
首先,要将金属表面清洁干净,去除氧化膜和杂质。
其次,需要将熔炼焊剂代号为“X”适量涂抹在焊接部位,确保涂覆均匀。
2. 烘烤处理:在涂抹熔炼焊剂代号为“X”之后,建议将焊接部位进行适度的烘烤处理。
这样可以使焊接部位更加干燥,提高焊接质量。
焊条的一些基本知识1.试述焊条烘干的目的。
焊条在储存、运输期间药皮会吸潮,使药皮中的水分增加。
焊条使用前进行烘干的作用就是降低药此中的含水量,其目的是:1)减少焊接过程中的飞溅,使焊接电弧能够稳定地燃烧。
2)防止在焊缝中产生气孔。
3)防止产生在焊接某些低合金钢时由氢引起的延迟裂纹。
根据JB3223—83《焊条质量管理规程》的规定,酸性焊条烘干的温度为75~150℃时间为1~2h。
酸性焊条由于对水分产生气孔的敏感性不大,所以烘干温度相对要低一些。
碱性焊条过高的烘干温度也是不合适的:一是浪费能源;其次是当烘干温度超过500℃时,药皮中的某些成分(如CaCO3)就要发生分解,起不到应有的保护作用。
2 .焊条烘干时要注意哪些事项?焊条烘干时应注意如下事项:1)低氢型焊条在常温下超过4h时,应重新烘干。
重复烘干次数不宜超过3次。
2)烘干焊条时,禁止将焊条突然放进高温炉内,或从高温炉中突然取出冷却,防止焊条因骤冷骤热而发生的药皮开裂现象。
3)焊条烘干时应作记录,记录上应有牌号、批号、温度、时间等内容。
4)在焊条烘干期间,应有专门负责的技术人员,负责对操作过程进行检查和核对,对每批焊条不得少于一次,并在操作记录上签名。
5)烘干焊条时,焊条不应成垛或成捆地堆放,应铺放成层状,每层焊条堆放不能太厚(一般为1~3层),避免焊条烘干时受热不均和潮气不易排除。
6)露天操作时,必须将焊条妥善保管,不允许露天存放,应在低温烘箱中恒温保存,否则次日使用前还要重新烘干。
3.对焊条的工艺性能有什么要求?对焊条的工艺性能有如下要求:1)易引燃电弧,断火后再引弧也十分方便,焊接过程中电弧能平稳地燃烧。
2)焊接过程中药皮能均匀地熔化,无成块脱落现象,药皮前端形成的套筒不应妨碍焊芯均匀熔化。
3)焊接过程中不应有过多的烟雾或过大、过多的飞溅。
4)熔渣流动性良好,能均匀地覆盖住焊缝,焊缝外表成形正常,焊渣清除容易。
5)焊条在说明书规定的电流范围内施焊,药皮无严重发红、无生成气孔的现象。
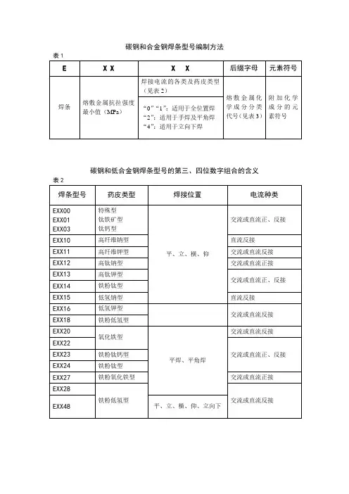
电焊条的牌号编制焊条牌号是根据焊条的主要用途及性能特点来命名的。
一般可分为十大类。
各大类焊条按主要性能不同再分成若干小类。
焊条牌号通常以一个汉语拼音字母(或汉字)与三位数字表示。
拼音字母(或汉字)表示焊条各大类,后面的三位数字中,前面两位数字表示各大类中的若干小类,第三位数字表示各种焊条牌号的药皮类型及焊接电源,焊条牌号中第三位数字列于表2-21,其中盐基型主要用于有色金属焊条(如铝及铝合金焊条等),石墨型主要用于铸铁焊条及个别堆焊焊条中。
如J507(结507)焊条:"J"(结)表示结构钢焊条,牌号中前两位数字表示熔敷金属抗拉强度最低值为490 MPa,第三位数字"7"表示其药皮类型为低氢钠型,直流反接电源。
按照GB/T5117-1995,它应符合E5015型要求。
又如A102(奥102)焊条:"A"(奥)表示奥氏体不锈钢焊条,熔敷金属化学组成为0Cr19Ni9型,药皮类型为钛钙型,交直流电源。
当熔敷金属中含有某些主要元素时,也可在焊条牌号后面加注元素符号,如J507MoV、D547Mo焊条。
当药皮中含有多量铁粉,焊条效率大于130%时,焊条牌号后面可加注"Fe"及二位数字(以效率的十分之一表示)。
如J502Fe16,表示熔敷金属抗拉强度大于490 MPa的铁粉钛钙型焊条,其焊条效率为160%左右。
对于某些具有特殊性能的焊条,也可在焊条牌号的后面加注拼音字母,如J507XG、J507RH焊条,"X"表示向下立焊,"G"表示管子,"R"表示高韧性,"H"表示超低氢。
用于铸铁焊补的某些镍及镍合金焊条,则在铸铁类型牌号中列出。
某些不锈钢焊条主要用于堆焊,在编制时列在堆焊焊条牌号的类型中。
表2-21 焊条牌号中第三位数字的含意焊条牌号药皮类型焊接电源种类□××0 □××1 □××2 □××3 □××4 不属已规定的类型钛型钛钙型钛铁矿型氧化铁型不规定直流或交流直流或交流直流或交流直流或交流□××5 □××6 □××7 □××8 □××9 纤维素型低氢钾型低氢钠型石墨型盐基型直流或交流直流或交流直流直流或交流直流注:表中"口"表示焊条牌号中的拼音字母或汉字,××表示牌号中的前两位数字。
焊剂的分类型号与牌号埋弧焊的焊接材料由焊丝(或带极)与焊剂的组合构成。
焊剂是具有一定粒度的颗粒状物质,是埋弧焊和电渣焊时不可缺少的焊接材料。
目前我国焊丝和焊剂的产量占焊材总量的15%左右。
在焊接过程中,焊剂的作用相当于焊条药皮。
焊剂对焊接熔池起着特殊保护、冶金处理和改善工艺性能的作用。
焊剂的焊接工艺性能和化学冶金性能是决定焊缝金属性能的主要因素之一,采用同样的焊丝和同样的焊接参数,而配用的焊剂不同,所得焊缝的性能将有很大的差别,特别是冲击韧度差别更大。
一种焊丝与多种焊剂的合理组合,无论是在低碳钢还是在低合金钢上都可以使用,而且能兼顾各自的特点。
2.4.1 焊剂的分类目前国产焊剂已有50余种。
焊剂的分类方法有许多种,可分别按用途、制造方法、化学成分、焊接冶金性能等对焊剂进行分类,但每一种分类方法都只是从某一方面反映了焊剂的特性。
了解焊剂的分类是为了更好地掌握焊剂的特点,以便进行选择和使用。
1.按用途分类焊剂按使用用途可分为埋弧焊焊剂、堆焊焊剂、电渣焊焊剂;也可按所焊材料分为低碳钢用焊剂、低合金钢用焊剂、不锈钢用焊剂、镍及镍合金用焊剂、钛及钛合金用焊剂等。
2.按制造方法分类按制造方法的不同,可以把焊剂分成熔炼焊剂和烧结焊剂两大类:(1)熔炼焊剂把各种原料按配方在炉中熔炼后进行粒化得到的焊剂称为熔炼焊剂。
由于熔炼焊剂制造中要熔化原料,所以焊剂中不能加碳酸盐、脱氧剂和合金剂,而且制造高碱度焊剂也很困难。
熔炼焊剂根据颗粒结构的不同,又可分为玻璃状焊剂、结晶状焊剂和浮石状焊剂等。
玻璃状焊剂和结晶状焊剂的结构较致密,浮石状焊剂的结构比较疏松。
(2)烧结焊剂把各种粉料按配方混合后加入粘结剂,制成一定尺寸的小颗粒,经烘熔或烧结后得到的焊剂,称为烧结焊剂。
制造烧结焊剂所采用的原材料与制造焊条所采用的原材料基本相同,对成分和颗粒大小有严格要求。
按照给定配比配料,混合均匀后加入粘结剂(水玻璃)进行湿混合,然后送入造粒机造粒。
编制时间样件标准编号小批量工序熔化版本批量序号步骤1熔化目视使用前操作工目视每班操作工目视每班操作工1.2点检目视每班操作工磅称每框操作工目视每筐操作工目视每框操作工排烟温度设备仪表每炉调整维修操作工炉气温度设备仪表每炉调整维修操作工熔化温度设备仪表每炉调整维修操作工钟表操作工设备仪表调整维修操作工SiMn Mg Ti Cu Fe 6.0-7.00.30-0.600.25—0.450.10-0.203.5-4.5≤0.50Ni Zn Sn Al ≤0.30≤0.30≤0.05余量Si :Mn Mg Ti Cu Fe 6.50.40.40.15 3.8≤0.50AlSi20AlCu50AlMn10AlTi4Mg Si:18-21Cu:48-52Mn:9-11Ti:3-5Mg:99.8合金加入量计算方式:1.7清渣目视每班操作工芜湖永达科技有限公司2012.10.27WIAT0704-02设备:连续燃气熔化炉(塔式炉)材 料:AlSi6Cu4(319)A4① 熔化工具、检测小坩埚上涂料并预热烘干,以不见工具原色为准,约1毫米左右,涂料型号为(HA )。
② 按本工序要求穿戴劳保用品。
③ 原材料、废料、清渣剂、小坩埚、试样夹等。
按设备点检表要求填写相关记录。
(图2)① 配比:每框必须由新旧料搭配加入,新:旧(铝锭≥40%),即每框铝锭加入30根,剩余为旧料。
旧料主要为同牌号的浇道、冒口、废铸件。
(图1)② 炉料不允许混有沙子、油污料、不明状态废杂料及压铸牌号的铝,若有就把分开单放;受(潮)湿的炉料要烘干后再熔化(可放置在如熔化炉出料口)。
③ 按照《熔化炉安全操作规程》操作设备。
④每批需要填写加料记录( JL-WIAT0704-01-01 ),记录内容:加入铝锭重量、旧料重量,铝锭牌号、炉号、时间等。
(图3)批:每捆铝锭为一批(每捆铝锭可投料3-4框)设定值:950℃(东大三建), 出现不准时要调整。
(图4)设定值:950℃, 出现不准时要调整。
熔炼焊剂的命名
熔炼焊剂的命名是指对于焊接过程中所使用的焊剂进行规范化
的命名,以便于不同厂家的焊剂可以有一个统一的命名标准,方便焊接工作的进行和质量的控制。
根据国际标准的要求,熔炼焊剂的命名应该包含以下几个要素: 1.焊剂类型:根据使用的化学成分和焊接方式的不同,焊剂可以分为许多不同的类型,如钎焊剂、铜焊剂、银焊剂等等。
2.化学成分:焊剂的化学成分对于焊接性能和焊缝质量都有重要的影响,因此在命名中应该注明焊剂的化学成分和含量。
3.焊接材料:焊剂的选择需要考虑到焊接材料的种类和性质,因此在命名中也应该注明焊接材料的类型。
4.焊接方式:不同的焊接方式对于焊剂的选择和使用也有明显的差异,因此在命名中也应该注明焊接方式。
通过对熔炼焊剂的命名进行规范化,可以有效提高焊接工作的质量和效率,促进焊接技术的发展和应用。
- 1 -。
埋弧焊熔炼焊剂名称中第一位数字表示焊剂中()。
氧化锰的含量硅的含量1. 引言1.1 概述埋弧焊熔炼焊剂在焊接过程中扮演着重要的角色。
而在这些焊剂的命名中,我们常常可以看到一个以数字开头的名称。
这个数字似乎表示了焊剂中含有某种特定成分。
通过理解这个数字的含义,我们可以更好地理解焊剂的组成,从而更好地掌握埋弧焊技术。
1.2 文章结构本文将首先介绍埋弧焊熔炼焊剂名称的组成和命名规则,然后详细解释其中第一位数字表示的含义。
接下来,我们将分别探讨氧化锰和硅在焊剂中的含量对焊接质量的影响,并总结出结论。
1.3 目的本文旨在阐明埋弧焊熔炼焊剂中第一位数字所表示的成分,并深入探讨氧化锰和硅两种元素对于焊接质量所起到的作用。
通过对这些内容的了解,读者将能够更好地选择和使用适合自己工艺需求的埋弧焊熔炼焊剂,提高焊接效果和质量。
2. 埋弧焊熔炼焊剂名称中第一位数字表示焊剂中什么2.1 焊剂名称的组成在埋弧焊熔炼过程中使用的焊剂通常由多个成分组成。
这些成分可以包括氧化物、金属粉末、合金元素和其他添加剂。
为了方便标识和区分不同种类的焊剂,给予其命名时采用了一定规则。
一般来说,焊剂的名称由两部分构成:数字部分和字母部分。
2.2 第一位数字的意义在埋弧焊熔炼焊剂名称中,第一位数字具有特殊的意义,它表示着焊剂中某种特定成分的含量,这对于确定焊接质量至关重要。
2.2.1 含量指示氧化锰第一位数字通常用来指示焊剂中氧化锰(MnO)的含量。
氧化锰是常用的加入到埋弧焊熔炼过程中的一个主要组分。
它可以提高电弧稳定性并改善润湿性能,从而促进金属间界面间的金属输运和合金形成。
数字1通常表示焊剂含有氧化锰,而其具体含量取决于焊剂制造商的配方和应用要求。
较高的氧化锰含量可以提供更好的电弧稳定性和金属湿润性,但过高的含量可能会导致太多的氧化锰蒸汽产生,并影响环境和操作人员的健康。
2.2.2 含量指示硅另一种常见的情况是,第一位数字可以表示焊剂中硅(Si)的含量。
熔炼焊剂及选用及烧结焊剂及选用1.熔炼焊剂的牌号焊剂牌号的编制远在GB12479-90颁布之前,旧牌号焊剂目前仍盛行国内。
牌号前“HJ”表示埋弧焊及电渣焊用熔炼焊剂。
牌号第一位数字表示焊剂中氧化锰的含量,见表2-53;牌号第二位数字表示焊剂中二氧化硅、氟化钙的含量,见表2-54;牌号第三位数字表示同一类型焊剂的不同牌号,按0、1、2、……、9顺序排列。
表2-53 熔炼焊剂牌号中第一位数字的含意牌号焊剂类型氧化锰含量(%)HJ 1XX HJ 2XX HJ 3XX HJ 4XX 无锰低锰中锰高锰MnO<2MnO2~15MnO15~30MnO<30表2-54 熔炼焊剂牌号中第二位数字的含意牌号焊剂类型二氧化硅及氟化钙含量(%)HJ X1X HJ X2X HJ X3X HJ X4X HJ X5X HJ X6X HJ X7X HJ X8X HJ X9X 低硅低氟中硅低氟高硅低氟低硅中氟中硅中氟高硅中氟低硅高氟中硅高氟其它SiO2<10 CaF2<10SiO2<10~30 CaF2<10SiO2>30 CaF2<10SiO2<10 CaF210~30SiO2<10~30 CaF210~30SiO2>30 CaF210~30SiO2<10 CaF2>30SiO2<10~30 CaF2>30焊剂牌号举例:HJ 4 3 1 X焊剂粒度为60-14目焊剂牌号编号为1焊剂为高硅低氟型焊剂为高锰型埋弧焊及电渣焊熔炼焊剂2.熔炼焊剂的选用目前我国生产的焊剂大部分是熔炼焊剂,有30余个品种,其中HJ431的产量占熔炼焊剂总产量的80%左右。
国产常用熔炼焊剂的简明特性、成分及用途列于表2-55、表2-56。
低碳钢焊接结构常采用H08A或H08MnA焊丝,一般选用高锰高硅焊剂(如HJ431),通过焊剂可向焊缝金属中过渡一定的Si、Mn合金元素,使焊缝金属具有良好的综合力学性能。