学生体质健康测试模板填写说明
- 格式:doc
- 大小:304.50 KB
- 文档页数:17
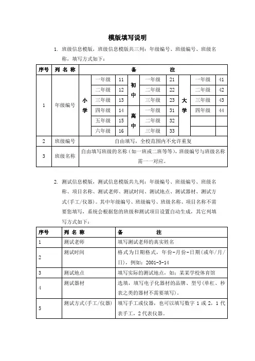
学生体质健康标准上报模版填写说明班级信息模版,班级信息模版共三列:年级编号、班级编号、班级名称,填写方式如下:序号列名称备注一年级11 一年级21一年级41初二年级12 二年级22 二年级42中小三年级13 三年级23 大三年级43 1 年级编号学四年级44学四年级14 一年级31高五年级15 二年级32中六年级16 三年级332 班级编号自由填写,全校范围内不允许重复班级名称自由填写班级的名称(如一班或二班等等),班级编号与班级名称需一一对3应。
测试信息模版,测试信息模版共九列:年级编号、班级编号、班级名称、项目名称、测试老师、测试时间、测试地点、测试器材、测试方式(手工/仪器) 。
其中年级编号、班级编号、班级名称、项目名称不需要您填写,系统会根据您的班级和测试项目设置自动生成,其它列填写方式如下:序号列名称备注1 测试老师填写测试老师的真实姓名测试时间格式为日期格式,年份-月份-日期(或年/月/日),例如:22001-3-143 测试地点填写实际的测试地点,如;某某学校体育馆测试器材选填,填写电子化器材的品牌、型号( 单杠、秒表之类的4器材不需要填写)。
测试方式( 手工/仪器) 填写手工或仪器,也可以填写数字 1 或2 ,1 代表手工,52 代表仪器。
学生基本信息模版,学生基本信息模版包括,班级编号、班级名称、学号、民族代码、姓名、性别、出生日期、学生来源、身份证号、家庭住址,填写方式如下:序号列名称备注1 班级编号自由填写,全校范围内不允许重复2 班级名称自由填写班级的名称(如一班或二班等等)学号(学生ID 号)可以自由填写数字或字母,为该学生在本学校的唯一标3 识,不允许重复,学生在本校内升降级或转班该学号均不变更。
可以填写该学生的学籍号或IC 卡号。
5 民族代码填入民族代码,(见附表1)6 姓名填写学生真实姓名7 性别填写数字: 1 或2; 1 代表男生 2 代表女生出生日期格式为日期格式,年份-月份-日期(或年/月/日),例如:82001-3-14只有大学才填写此项,填写大学生入学前学籍所在地的行政区划码。
1.2.学生体测模版,学生体测模版包含年级编号、班级编号、班级名称、学号(学生ID号)、民族代码、姓名、性别、出生日期、学生来源、身份证号、家庭住址、身高、体重、肺活量、50米跑、立定跳远、坐位体前屈、800米跑、1000米跑、一分钟仰卧起坐、引体向上、左眼视力、右眼视力,填写方式如下:3.单元格格式设置Excel表中只有出生年月为日期格式,其它为文本或常规格式,表头的格式请不要修改(特别是修改日期列时不要修改表头的格式),具体设置方法为:选择“出生年月”一列,点右键选择“设置单元格格式”选择“日期”,然后选择*2001-3-14后点击“确定”按钮。
在office2003中“年份/月份/日期”(如:2001/3/14),也可正常导入。
数据导入注意事项:(1)各年级在EXCEL表中相应位置完整填写测试项目成绩,数据行与行中间不允许有空行,遇到空行默认为数据到此结束,造成数据不能全部导入。
(2)在输入耐力类项目并且是以分秒为单位的项目成绩时,可以省略输入秒的符号,例:3′15″可以只输入为3′15 。
另外,输入分的符号“′”时,可以采用“插入”—“特殊符号”—“单位符号”里的“′”,也可以输入键盘上的单引号‘或’代替分的符号“′”。
例:3′15″可以输入为3’15。
(4)学生因病或残疾免测时,请在首页资料下载中,下载“免于执行《标准》申请表”,填写后提交当地教育行政部门,申请通过后可免于上报。
(5)如果各项的成绩或基本信息是从其它系统导出到EXCEL表中的,请先按要求把数据整理好,按列进行复制并粘贴到本软件的数据模版中,不要整个表格或多列同时复制粘贴,以免在数据导入时发生导入异常的情况。
(6)请不要将不同年级的测试信息放入除Sheet1以外的其他工作表中,否则将导致出现“EXCEL中无可导入的数据”或只能导入工作表Sheet1中填写的年级班级信息的错误。
附表1民族代码表附表2测试项目相关说明表。
《国家学生体质健康标准》测试项目小学一、二年级测试项目为五项。
身高、体重、肺活量、50米跑、坐位体前屈、1分钟跳绳为必测项目小学三、四年级测试项目为七项。
身高、体重、肺活量、50米跑、坐位体前屈、1分钟跳绳、1分钟仰卧起坐为必测项目。
小学五、六年级测试项目为八项。
身高、体重、肺活量、50米跑、坐位体前屈、1分钟跳绳、1分钟仰卧起坐、50米×8往返跑为必测项目。
《国家学生体质健康标准》有关事项EXCEL模版填表说明:附表1:1.附表2:附表3:4.单元格格式设置:Excel表中只有出生年月为日期格式,其它为文本或常规格式,表头的格式请不要修改(特别是修改日期列时不要修改表头的格式),具体设置方法为:选择“出生年月”一列,点右键选择“设置单元格格式”选择“日期”,然后选择*2001-3-14后点击“确定”按钮。
在office2003中“年份/月份/日期”(如:2001/3/14),也可正常导入。
数据导入注意事项:(1)各年级在EXCEL表中相应位置完整填写测试项目成绩,数据行与行中间不允许有空行,遇到空行默认为数据到此结束,造成数据不能全部导入。
(2)在输入耐力类项目并且是以分秒为单位的项目成绩时,可以省略输入秒的符号,例:3′15″可以只输入为3′15 。
另外,输入分的符号“′”时,可以采用“插入”—“特殊符号”—“单位符号”里的“′”,也可以输入键盘上的单引号‘或’代替分的符号“′”。
例:3′15″可以输入为3’15。
(3)如果各项的成绩或基本信息是从其它系统导出到EXCEL表中的,请先按要求把数据整理好,按列进行复制并粘贴到本软件的数据模版中,不要整个表格或多列同时复制粘贴,以免在数据导入时发生导入异常的情况。
(4)请不要将不同年级的测试信息放入除Sheet1以外的其他工作表中,否则将导致出现“EXCEL中无可导入的数据”或只能导入工作表Sheet1中填写的年级班级信息的错误。
(5)如果将整列如:20090123转化为2009-1-23格式。
模版填写说明1.班级信息模版,班级信息模版共三列:年级编号、班级编号、班级名称,填写方式如下:2.测试信息模版,测试信息模版共九列:年级编号、班级编号、班级名称、项目名称、测试老师、测试时间、测试地点、测试器材、测试方式(手工/仪器)。
其中年级编号、班级编号、班级名称、项目名称不需要您填写,系统会根据您的班级和测试项目设置自动生成,其它列填写方式如下:3.学生基本信息模版,学生基本信息模版包括,班级编号、班级名称、学号、民族代码、姓名、性别、出生日期、学生来源、身份证号、家庭住址,填写方式如下:4.学生体测模版,学生体测模版包含年级编号、班级编号、班级名称、学号(学生ID号)、民族代码、姓名、性别、出生日期、学生来源、身份证号、家庭住址、身高、体重、肺活量、50米跑、立定跳远、坐位体前屈、800米跑、1000米跑、一分钟仰卧起坐、引体向上、左眼视力、右眼视力,填写方式如下:5.单元格格式设置Excel表中只有出生年月为日期格式,其它为文本或常规格式,表头的格式请不要修改(特别是修改日期列时不要修改表头的格式),具体设置方法为:选择“出生年月”一列,点右键选择“设置单元格格式”选择“日期”,然后选择*2001-3-14后点击“确定”按钮。
在office2003中“年份/月份/日期”(如:2001/3/14),也可正常导入。
数据导入注意事项:(1)各年级在EXCEL表中相应位置完整填写测试项目成绩,数据行与行中间不允许有空行,遇到空行默认为数据到此结束,造成数据不能全部导入。
(2)在输入耐力类项目并且是以分秒为单位的项目成绩时,可以省略输入秒的符号,例:3′15″可以只输入为3′15 。
另外,输入分的符号“′”时,可以采用“插入”—“特殊符号”—“单位符号”里的“′”,也可以输入键盘上的单引号‘或’代替分的符号“′”。
例:3′15″可以输入为3’15。
(4)学生因病或残疾免测时,请在首页资料下载中,下载“免于执行《标准》申请表”,填写后提交当地教育行政部门,申请通过后可免于上报。
模版填写说明1.班级信息模版,班级信息模版共三列:年级编号、班级编号、班级名称,填写方式如下:序号列 名 称备 注一年级11一年级21一年级41二年级12二年级22二年级42三年级13初中三年级23三年级43四年级14一年级31四年级44五年级15二年级321年级编号小学六年级16高中三年级33大学2班级编号自由填写,全校范围内不允许重复3班级名称自由填写班级的名称(如一班或二班等等),班级编号与班级名称需一一对应。
2.测试信息模版,测试信息模版共九列:年级编号、班级编号、班级名称、项目名称、测试老师、测试时间、测试地点、测试器材、测试方式(手工/仪器)。
其中年级编号、班级编号、班级名称、项目名称不需要您填写,系统会根据您的班级和测试项目设置自动生成,其它列填写方式如下:序号列 名 称备 注1测试老师填写测试老师的真实姓名2测试时间格式为日期格式,年份-月份-日期(或年/月/日),例如:2001-3-143测试地点填写实际的测试地点,如;某某学校体育馆4测试器材选填,填写电子化器材的品牌、型号(单杠、秒表之类的器材不需要填写)。
5测试方式(手工/仪器)填写手工或仪器,也可以填写数字1或2,1代表手工,2代表仪器。
3.学生基本信息模版,学生基本信息模版包括,班级编号、班级名称、学号、民族代码、姓名、性别、出生日期、学生来源、身份证号、家庭住址,填写方式如下:序号列名称备注1班级编号自由填写,全校范围内不允许重复2班级名称自由填写班级的名称(如一班或二班等等)3学号(学生ID号)可以自由填写数字或字母,为该学生在本学校的唯一标识,不允许重复,学生在本校内升降级或转班该学号均不变更。
可以填写该学生的学籍号或IC卡号。
5民族代码填入民族代码,(见附表1)6姓名填写学生真实姓名7性别填写数字:1或2;1代表男生2代表女生8出生日期格式为日期格式,年份-月份-日期(或年/月/日),例如:2001-3-149学生来源只有大学才填写此项,填写大学生入学前学籍所在地的行政区划码。
体能体质健康测试表填写说明1、高中各组测试项目为五类,身高、体重、肺活量为必测项目,其他三类测试项目各选测一项。
2、选测项目每年由地(市)级教育行政部门、高等学校在测试前两个月确定并公布。
选测项目原则上每年不得重复。
3、学校每学年对学生进行一次本标准的测试,本标准的测试方法按《国家学生体育之健康标准借读》(由人民教育出版社出版)中的有关要求进行。
4、本标准各评价指标的得分之和为本标准的最后得分,满分为100分。
根据最后得分评定等级:90分及以上为优秀,75分—89分为良好,60分-74分为及格,59分及以下为不及格。
网上50分为合格标准。
5、学生体质健康标准成绩每学年评定一次,按评定等级记入《国家学生体质健康标准登记卡》。
学生毕业时体质健康标准的成绩和等级,按毕业当年得分和其他学年平均得分各占50%之和进行评定。
因病或残疾免于执行本标准的学生,填写《免予执行<国家学生体质健康标准>申请表》。
6、学生《标准》测试成绩达到良好及以上者,方可参加三好学生、奖学金评选;成绩达到优秀者,方可获体育奖学分。
《标准》成绩不合格者,在本学年度准予补测一次,补测仍不及格,则学年《标准》成绩为不合格。
普通高中、中等职业学校和普通高等学校学生毕业时《标准》测试的成绩达不到50分者按肄业处理。
7、因病或残疾学生,可向学校提交免予执行《标准》的申请,经医疗单位证明,体育教学部门核准后,可免予执行《标准》,,并填写《免予执行<国家学生体质健康标准>申请表》,存入学生档案。
对确实丧失运动能力、免予执行《标准》的残疾学生,仍可参加三好学生、奖学金、奖学分评选,毕业时《标准》成绩可记为满分,但不评定等级。
认真上好体育课、积极参加体育活动、每天锻炼时间达到一小时者,奖励5分,计入学年《标准》总成绩。
8、属于下列情况之一者,其《标准》成绩记为不及格,该学年《标准》成绩最高记为59分;1)评价指标中400米(50米X8往返跑)、1000米跑(男)、800米跑(女)、台阶试验的得分达不到及格者;2)体育课无故缺勤,一学年累计超过应出勤次数1/10者。
1.2.学生体测模版,学生体测模版包含年级编号、班级编号、班级名称、学号(学生ID号)、民族代码、姓名、性别、出生日期、学生来源、身份证号、家庭住址、身高、体重、肺活量、50米跑、立定跳远、坐位体前屈、800米跑、1000米跑、一分钟仰卧起坐、引体向上、左眼视力、右眼视力,填写方式如下:3.单元格格式设置Excel表中只有出生年月为日期格式,其它为文本或常规格式,表头的格式请不要修改(特别是修改日期列时不要修改表头的格式),具体设置方法为:选择“出生年月”一列,点右键选择“设置单元格格式”选择“日期”,然后选择*2001-3-14后点击“确定”按钮。
在office2003中“年份/月份/日期”(如:2001/3/14),也可正常导入。
数据导入注意事项:(1)各年级在EXCEL表中相应位置完整填写测试项目成绩,数据行与行中间不允许有空行,遇到空行默认为数据到此结束,造成数据不能全部导入。
(2)在输入耐力类项目并且是以分秒为单位的项目成绩时,可以省略输入秒的符号,例:3′15″可以只输入为3′15 。
另外,输入分的符号“′”时,可以采用“插入”—“特殊符号”—“单位符号”里的“′”,也可以输入键盘上的单引号‘或’代替分的符号“′”。
例:3′15″可以输入为3’15。
(4)学生因病或残疾免测时,请在首页资料下载中,下载“免于执行《标准》申请表”,填写后提交当地教育行政部门,申请通过后可免于上报。
(5)如果各项的成绩或基本信息是从其它系统导出到EXCEL表中的,请先按要求把数据整理好,按列进行复制并粘贴到本软件的数据模版中,不要整个表格或多列同时复制粘贴,以免在数据导入时发生导入异常的情况。
(6)请不要将不同年级的测试信息放入除Sheet1以外的其他工作表中,否则将导致出现“EXCEL中无可导入的数据”或只能导入工作表Sheet1中填写的年级班级信息的错误。
附表1民族代码表附表2测试项目相关说明表。
学生健康体质表填表说明(可以直接使用,可编辑实用优秀文档,欢迎下载)学生健康体质表填表说明1、请各位班主任在学校qq群共享下载两份模板,不要随意调整表格大小,也不要随意增删表格内容,不需要填的内容也请保留,不要删除。
2、年级编号:一年级11,二年级12,三年级13……以此类推。
3、班级编号:一年级一班是1011,二班是1012,三班是1013……二年级一班是1021,二班是1022,三班是1023……三年级一班是1031,二班是1032,三班是1033……四年级一班是1041,二班是1042,三班是1043……五年级一班是1051,二班是1052,三班是1053……六年级一班是1061,二班是1062,三班是1063……以此类推。
4、班级名称:如实填写,格式比如:四(3)班。
5、学籍号:在年级组长处查实,注意要细心,不要填错。
6、民族代码:一般都是汉族,代码为1。
学生来源:一般都是九江市,填361000。
7、姓名:你知道的,就不多说了。
身份证号不用填。
8、性别:男填1,女填2.9、出生日期:按照2014/10/9或2014-10-9格式填,其他的系统不认。
10、家庭住址:只要不超过100个汉字即可。
11、项目:按评分标准填写,具体项目如图:12、请在10月17日以前完成电子表格,并打包发至学校qq群邮箱,因为我们要在20日前把所有数据录入系统,谢谢配合!《2021年度基层工会调查表》填表说明一、软件安装流程:第一步:双击2021年度工会年报统计表附件压缩包中的→→点击“下一步”,到桌面会出现快捷方式图标,安装完成。
二、软件运行流程:双击桌面上的“2021基层工会调查表”快捷方式图标,即可进入统计软件。
也可以从“开始—>程序—>2021年度全国工会统计年报”进入统计软件。
三、数据填报流程:进入统计软件后会出现以上的界面,单击左上角的“数据操作”—>“添加新记录”图标,系统显示“2021年度基层工会调查表”,如下图。
模版填写说明1.班级信息模版,班级信息模版共三列:年级编号、班级编号、班级名称,填写方式如下:2.测试信息模版,测试信息模版共九列:年级编号、班级编号、班级名称、项目名称、测试老师、测试时间、测试地点、测试器材、测试方式(手工/仪器)。
其中年级编号、班级编号、班级名称、项目名称不需要您填写,系统会根据您的班级和测试项目设置自动生成,其它列填写方式如下:3.学生基本信息模版,学生基本信息模版包括,班级编号、班级名称、学号、民族代码、姓名、性别、出生日期、学生来源、身份证号、家庭住址,填写方式如下:4.学生体测模版,学生体测模版包含年级编号、班级编号、班级名称、学号(学生ID号)、民族代码、姓名、性别、出生日期、学生来源、身份证号、家庭住址、身高、体重、肺活量、50米跑、立定跳远、坐位体前屈、800米跑、1000米跑、一分钟仰卧起坐、引体向上、左眼视力、右眼视力,填写方式如下:5.单元格格式设置Excel表中只有出生年月为日期格式,其它为文本或常规格式,表头的格式请不要修改(特别是修改日期列时不要修改表头的格式),具体设置方法为:选择“出生年月”一列,点右键选择“设置单元格格式”选择“日期”,然后选择*2001-3-14后点击“确定”按钮。
在office2003中“年份/月份/日期”(如:2001/3/14),也可正常导入。
数据导入注意事项:(1)各年级在EXCEL表中相应位置完整填写测试项目成绩,数据行与行中间不允许有空行,遇到空行默认为数据到此结束,造成数据不能全部导入。
(2)在输入耐力类项目并且是以分秒为单位的项目成绩时,可以省略输入秒的符号,例:3′15″可以只输入为3′15 。
另外,输入分的符号“′”时,可以采用“插入”—“特殊符号”—“单位符号”里的“′”,也可以输入键盘上的单引号‘或’代替分的符号“′”。
例:3′15″可以输入为3’15。
(4)学生因病或残疾免测时,请在首页资料下载中,下载“免于执行《标准》申请表”,填写后提交当地教育行政部门,申请通过后可免于上报。
国家学生体质健康标准数据录入说明EXCEL各列中填写方式说明
a)单元格格式设置
(1)Excel表中只有出生年月为日期格式,具体设置方法为:选择“出生年月”
一列,点右键选择“设置单元格格式”后在左边框选“日期”,右边选择用“年份-月份-日期”(如:1997-3-4)后点“确定”按钮。
(2)在输入耐力类项目并且是以分秒为单位的项目成绩时,可以省略输入秒的
符号,例:3′15″可以只输入为3′15 。
另外,输入分的符号“′”
时,可以采用“插入”—“特殊符号”—“单位符号”里的“′”,也可
以输入键盘上的单引号‘或’代替分的符号“′”。
例:3′15″可以
输入为3’15
(3)学生因病或残疾免测时,在EXCEL表中其各项测试成绩不能为空,必须填写,可按各项目逻辑值要求随意填写符合要求的各项成绩,然后在奖
惩项目编号一栏填写对应的项目编号。
在导入后,该学生的总评分为0。
(4)不要更改EXCEL表下角的页名称“SHEET1”;若更改,在数据导入时会发生导入异常的情况。
附表1
注:1、身高标准体重测试项目为身高、体重,肺活量体重指数测试项目为肺活量,握力体重指数测试项目为握力。
2、总分计算方法:单个测试项的值对应标准中的得分x上表中各项对应的分值/100,为该项
的权重分数;各测试项权重分数的和为总分分数。
附表2:
民族代码表
附表3
测试项目编号及相关说明表
附表4 省(市)级行政区划码表。
高中学生体测数据填写说明
1. 学号:即学籍号(高一学生暂不填);
2. 民族代码:填写单个字“汉”、“藏”等;
3. 性别:填写性别编码男:1,女:2;
4. 出生日期:请按照:2012/02/21 时间格式填写;(很重要)
5. 身高:数字格式,单位为cm(只填数字);
6. 体重:数字格式,单位为kg(只填数字);
7. 肺活量:数值式范围在500~9999之间;
8. 50米跑:值范围5.0~20.0,可以是小数;
9. 立定跳远:值范围0.50~4.00,可以是小数;
10. 坐位体前屈:值范围-30~40,可以是小数;
11. 800米跑:格式3′45″(″(秒号)可省略) 或者3’45" ("(双引号)可省略);
12. 1000米跑:格式3′45″(″(秒号)可省略) 或者3’45" ("(双引号)可省略);
13. 一分钟仰卧起坐:值是0~99的整数;
14. 引体向上:值是0~99的整数;
15. 视力:数字格式范围在1.0~5.9之间。
模版填写说明
1.班级信息模版,班级信息模版共三列:年级编号、班级编号、班级名
称,填写方式如下:
2.测试信息模版,测试信息模版共九列:年级编号、班级编号、班级名
称、项目名称、测试老师、测试时间、测试地点、测试器材、测试方式(手工/仪器)。
其中年级编号、班级编号、班级名称、项目名称不需要您填写,系统会根据您的班级和测试项目设置自动生成,其它列填写方式如下:
3.学生基本信息模版,学生基本信息模版包括,班级编号、班级名称、
学号、民族代码、姓名、性别、出生日期、学生来源、身份证号、家庭住址,填写方式如下:
4.学生体测模版,学生体测模版包含年级编号、班级编号、班级名称、
学号(学生ID号)、民族代码、姓名、性别、出生日期、学生来源、身份证号、家庭住址、身高、体重、肺活量、50米跑、立定跳远、坐位体前屈、800米跑、1000米跑、一分钟仰卧起坐、引体向上、左眼视力、右眼视力,填写方式如下:
5.单元格格式设置
Excel表中只有出生年月为日期格式,其它为文本或常规格式,表头的格式请不要修改(特别是修改日期列时不要修改表头的格式),具体设置方法为:选择“出生年月”一列,点右键选择“设置单元格格式”选择“日期”,然后选择*2001-3-14后点击“确定”按钮。
在office2003中“年份/月份/日期”(如:2001/3/14),也可正常导入。
数据导入注意事项:
(1)各年级在EXCEL表中相应位置完整填写测试项目成绩,数据行与行中间不允许有空行,遇到空行默认为数据到此结束,造成数据不
能全部导入。
(2)在输入耐力类项目并且是以分秒为单位的项目成绩时,可以省略输入秒的符号,例:3′15″可以只输入为3′15 。
另外,输入分的符号“′”
时,可以采用“插入”—“特殊符号”—“单位符号”里的“′”,也可以输入键
盘上的单引号‘或’代替分的符号“′”。
例:3′15″可以输入为3’15。
(4)学生因病或残疾免测时,请在首页资料下载中,下载“免于执行《标准》申请表”,填写后提交当地教育行政部门,申请通过后可免于
上报。
(5)如果各项的成绩或基本信息是从其它系统导出到EXCEL表中的,请先按要求把数据整理好,按列进行复制并粘贴到本软件的数据模
版中,不要整个表格或多列同时复制粘贴,以免在数据导入时发生
导入异常的情况。
(6)请不要将不同年级的测试信息放入除Sheet1以外的其他工作表中,否则将导致出现“EXCEL中无可导入的数据”或只能导入工作表
Sheet1中填写的年级班级信息的错误。
附表1民族代码表
附表2测试项目相关说明表
附表3省(市)级行政区划码表
Welcome To Download !!!
欢迎您的下载,资料仅供参考!。