满堂脚手架搭设规范方案
- 格式:doc
- 大小:42.00 KB
- 文档页数:9
满堂脚手架搭设施工方案1. 引言满堂脚手架是一种用于建筑施工或维修的临时结构,能够提供一个安全、稳定的工作平台,方便施工人员进行操作。
本文档旨在提供满堂脚手架搭设的施工方案,包括脚手架材料和工具的准备、搭设的步骤和安全注意事项等内容。
2. 准备工作在搭设满堂脚手架之前,需要做一些准备工作,包括准备所需材料和工具、进行施工区域的勘测和评估等。
2.1 材料和工具准备搭设满堂脚手架所需的材料包括:•脚手架杆:根据实际需要选择合适的杆长和规格。
•脚手架横杆:用于连接脚手架杆的水平杆件,根据实际需要选择合适的长度。
•脚手架斜杆:用于加固脚手架结构的斜向支撑杆件,根据实际需要选择合适的长度。
•脚手架支撑件:用于支撑脚手架结构的短杆件。
•脚手架连接件:用于连接脚手架杆和横杆的夹具。
•脚手架板:用于搭建工作平台的板件,根据实际需要选择合适的类型和规格。
搭设满堂脚手架所需的工具包括:•手动工具:如扳手、螺丝刀等。
•电动工具:如电钻、电锤等。
•安全工具:如安全带、头盔等。
2.2 施工区域勘测和评估在搭设满堂脚手架之前,需要对施工区域进行勘测和评估,确定搭设脚手架的位置和数量。
以下是需要考虑的因素:•地面情况:地面应平整、坚固,能够承受脚手架的重量。
•基础设施:需注意周围是否有地下管线、电缆等,以免损坏。
•周围环境:需考虑周围是否有电线、树木或其他障碍物,以免影响搭设脚手架的稳定性。
3. 搭设步骤按照以下步骤进行脚手架的搭设:1.将脚手架杆和横杆按照一定的间距放置在施工区域上,确定脚手架的基本框架结构。
2.使用脚手架连接件将脚手架杆和横杆连接起来,确保连接牢固。
3.在脚手架的上方添加适当数量的脚手架板,形成工作平台。
4.使用脚手架斜杆将脚手架结构加固,以增加稳定性。
5.根据施工需要,添加必要的脚手架支撑件,以提供更大的支撑面积和稳定性。
6.定期检查脚手架结构的稳定性和安全性,及时进行维护和加固。
4. 安全注意事项在搭设满堂脚手架时,需要注意以下安全事项:•确保脚手架材料的质量合格,不使用损坏或老化的材料。
满堂脚手架搭设方案
目录
1. 满堂脚手架搭设方案
1.1 确定搭设地点
1.2 选择适合的脚手架类型
1.3 搭建前的准备工作
1.4 安全防护措施
确定搭设地点
在开始搭设脚手架之前,首先需要确定搭设的地点。
地点的选择直接
影响到脚手架的稳固性和安全性。
要选择平坦、坚实的地面作为搭设
脚手架的基础,避免选择泥泞或不平整的地面。
此外,还需要考虑周
围环境,确保没有障碍物会对脚手架搭设造成影响。
选择适合的脚手架类型
根据搭设的具体需求和地点条件,选择适合的脚手架类型也是至关重
要的。
常见的脚手架类型包括门式脚手架、悬挑脚手架和悬臂脚手架等。
根据施工高度、工作环境和要求等因素综合考虑,选择最适合的
脚手架类型。
搭建前的准备工作
在正式搭建脚手架之前,需要进行一系列的准备工作。
首先要检查脚
手架的材料和配件是否完整,确保没有损坏或缺失的部分。
其次要进
行施工现场的清理,清除障碍物和杂物,确保施工现场整洁。
此外,
还要进行周边环境的安全检查,确保没有危险因素会影响脚手架的安
装和使用。
安全防护措施
在整个搭设过程中,安全防护措施是至关重要的。
施工人员应佩戴好
安全帽、安全鞋和安全带,并严格按照施工规范和操作流程进行操作。
在搭设完成后,还需要定期检查脚手架的稳固性和安全性,确保施工
过程中没有出现安全隐患。
满堂脚手架施工方案(5篇)满堂脚手架施工方案1 满堂脚手架所使用材料和搭设方法同一般脚手架。
1、立杆应座落在坚实的基础上,立杆底部设底座,座下铺2.5m×0.3m×0.05m厚木板。
2、根据《建筑施工扣件式钢管脚手架安全技术规范》中表6.1.11之规定,采用立杆横距1.05米,步距为1.8米,立杆纵距1.8米,连墙件的设置为二步三跨;3、纵向水平杆、横向水平杆、竹笆的设置;3.1纵向水平杆设置在立杆内侧,其长度大于3跨;均与横向水平杆扣接;3.2纵向水平杆均采用对接,且两根相邻纵向水平杆的接头不允许设置在同步或同跨内,不一样步或不一样跨两个相邻接头在水平方向错开的距离为小于500mm,各接头中心至最近主接点的距离小于纵距的13;3.3主接点处必须设置一根横向水平杆,用直角扣件扣接且严禁拆除。
主节点处两个直角扣件扣接且严禁拆除。
因本工程采用竹笆脚手板,所以,横向水平杆应直接扣接在立杆上,且应增设2根纵向水平杆,等间距布置;3.4施工层竹笆应满铺,四个角用铁丝与纵向水平杆绑扎牢固;4、立杆的设置;4.1每根立杆底部应设置底座或垫板;4.2纵向扫地杆应处于横向扫地杆的上方,均与立杆扣接,扫地杆距地面为150mm;4.3立杆在顶层采用搭接,搭接长度为1.2米,采用两个回转扣件固定,且高出建筑物檐口1.5米,下方均采用对接,节点布置同纵向水平杆节点要求;5、连墙件的设置;5.1连墙件选用软拉配合顶撑x作,尺寸为5.4×3.6,覆盖面积为19.44平方米,贴合“规范”中表6.4.1的要求;5.2拉结点必须靠近立杆设置,距离不应大于300mm,同时,应从底部第一步纵向水平杆开始设置;5.3拉筋应呈水平方向设置,配合顶撑使用,实际x作应先定后拉;6、剪刀撑的设置;6.1剪刀撑按表6.6.2中要求选用连接6根立杆,由拐角处开始,沿全高度布置,每组剪刀撑的净间距小于15米,杆件连接采用搭接,两断各用一组扣件,距离末端100mm;6.2无法搭设剪刀撑的位置需设置“之”字形斜撑;满堂脚手架施工方案2 一、工程概况该层板面标高为15.87m,地面标高为±0.000,该层高为15.87m。
满堂脚手架搭设施工方案第三节满堂脚手架搭设施工方案一、满堂脚手架的材料和搭设方法1.主要杆件包括立杆、横杆、水平拉杆、剪刀撑、栏杆、扫地杆等。
2.材料要求:钢管、扣件、丝杠必须无锈蚀、弯曲、烂口,并定期刷防锈油漆。
密目网、竹架板、木板、方木质量必须符合有关规定要求。
3.架体采用Ф48×3.5的Q235钢管。
立杆支撑在丝杠或结构板上,丝杠下部垫设短方木。
4.脚手架按步高1.5m,纵向、横向水平杆间距1m,纵向、横向立杆间距1m,顶部水平杆为双钢管。
脚手架外立杆四周连续设置剪刀撑,内杆每隔两排立杆沿纵向设一道剪刀撑,剪刀撑水平宽度为四跨,垂直宽度为四步,与水平夹角在45°—60°之间。
立杆下必须全设扫地杆,为双向每跨满设,扫地杆距地面高度≤300mm。
5.栏杆:建筑物四周按规定设置1.2m高的防护栏杆。
正面设安全通道。
二、构造要求和技术措施根据踏勘工程现场的实际情况,铝单板吊顶施工主要采用满堂钢管(Φ48X3.5)脚手架。
脚手架安装完毕后必须经过安全检查员验收后才能使用。
1.基本要求:采用扣件式钢管搭设的脚手架是保证安全施工的结构。
它要求承受施工过程中垂直和水平的作用力,直接影响施工作业的顺利和安全进行。
因此,脚手架必须有足够的承载力、刚度和稳定性,在施工中受到各种正常荷载时不发生失稳倒塌、变形倾斜、摇晃或扭曲现象,以确保安全。
2.受荷情况:采用Ф48×3.5钢管、扣件、丝杠等构成的脚手架,立杆和水平杆是主要受力构件,剪刀撑是保证脚手架整体强度和稳定性的杆件,并具有加强脚手架抵抗垂直和水平作用力的能力,扣件是脚手架组织整体的连接件和传力件。
三、安全施工措施1.材料及其使用的安全技术措施1)每个扣件必须拧紧,并以防扣件与钢管滑落。
对接扣件安装时其开口应向内,以防进雨,直角扣件安装时开口不得向下,以保证安全。
2)各杆件端头伸出扣件盖板边缘不小于100mm。
3)钢管有严重锈蚀、压扁或裂纹的不得使用,禁止使用有脆裂、变形、滑丝等现象的扣件或丝杠。
满堂架搭设规范篇一:满堂脚手架搭设规范满堂脚手架(内脚手架)搭设规范一、地面现场清理,确保脚手架搭设范围内无障碍物,场地无积水,脚手架平台已具备作业条件。
二、材料1、采用外径48毫米、壁厚3.5毫米的钢管,其材质应符合GB 700-793号钢的技术条件。
2、钢管、扣件等材料进场必须有准用证、许可证、企业营业执照、产品合格证及相应检验报告等。
发现有脆裂、变形、滑丝等现象者禁止使用。
3、钢管、扣件、螺栓等零配件,必须规格统一,材质优良,并应有出厂证明书。
三、施工人员设专业质量检查员负责脚手架搭设的具体操作和安全管理材料由材料员负责购买,架子工均经过上岗培训获得上岗操作证书,持证上岗。
四、交底对脚手架搭设施工人员在上岗前进行施工交底,并作安全教育培训,对相关操作人员必须持证上岗。
一满堂脚手架搭设一、钢管扣件满堂脚手架的搭设工艺流程测量放线→竖立管并同时安装扫地杆→搭设水平杆→搭设剪刀撑→铺脚手板→搭挡脚板和栏杆二、扣件式钢管脚手架的构造要求和及全技术条件1、横杆的允许挠度不大于杆长的1/150;2、立杆的垂直偏差不大于立杆全长的l/200;3、脚手架搭设标准:横平竖直,连接牢固,底脚着实,支撑挺直,通畅平坦,安全设施齐全、牢固。
4、脚手架主要受力杆件,如立杆、横杆和剪力撑等,在同一建筑立面必须使用同一材质的材料。
5、脚手架的搭设顺序为:(1)(2)(3) 现场材料料及整理,立杆→横杆→剪刀撑→竹笆板→满铺E1级木工板→栏杆。
每根立杆铺设时应准确的放在定位线上。
立杆搭设应满足下列要求a.立杆各向间距按照计算结果确定,并实施。
b.立杆接长除顶层顶步可采用搭接外,其余各层各步接头必须采用对接扣件连接。
对接、搭接应符合下列规定:立杆上的对接扣件应交错布置:两根相邻立杆的接头不应设置在同步内,同步内隔一根立杆的两个相隔接头在高度方向错开的距离不宜小于500mm;各接头中心至主节点的距离不宜大于步距的1/3。
搭接长度不能小于1m,须采用不少于2个旋转扣件固定,端部扣件盖板的边缘至杆端距离不能小于100mm。
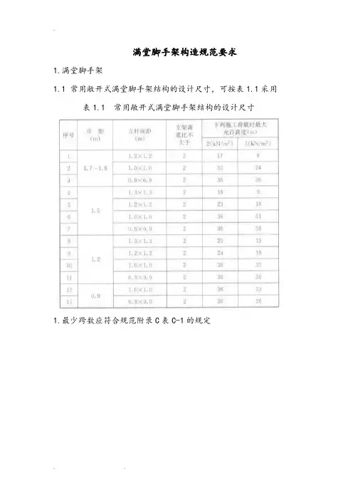
满堂脚手架构造规范要求1.满堂脚手架1.1 常用敞开式满堂脚手架结构的设计尺寸,可按表1.1采用表1.1 常用敞开式满堂脚手架结构的设计尺寸1.最少跨数应符合规范附录C表C-1的规定2脚手板自重标准值取0.35kN/㎡3 地面粗糙度为B类,基本风压4立杆间距不小于1.2m×1.2m,施工荷载标准值不小于3kN/㎡时,立杆上应增设防滑扣件,防滑扣件应安装牢固,且顶紧立杆与水平杆连接的扣件。
1.2 满堂脚手架搭设高度不宜超高36m;满堂脚手架施工层不得超过1层。
1.3 满堂脚手架立杆的构造应符合规范6.3.1条---第6.3.3条的规定;立杆接长接头必须采用对接扣件链接。
立杆对接扣件布置应符合规范第6.3.6条第1款的规定。
水平杆的连接应符合规范第6.2.1条第2款的有关规定,水平杆长度不宜小于3跨。
1.4 满堂脚手架应在架体外侧四周及内部纵、横像每6m至8m由底至顶设置连续竖向剪刀撑。
当架体塔设高度在8m以下时,应在架顶部设置连续水平剪刀撑;当架体塔设高度在8m及以上时,应在架体底部、顶部及竖向间隔不超过8m分别设置连续水平剪刀撑。
水平剪刀撑宜在竖向剪刀撑斜杆相交平面设置。
剪刀撑宽度应为6-8m.1.5 剪刀撑应用旋转扣件固定在与之相交的水平杆或立杆上,旋转扣件中心线至主节点的距离不宜大于150mm.1.6 满堂脚手架的高宽比不宜大于3,当高度比大于2时,应在架体的外侧四周和内部水平间隔6m-9m、竖向间隔4-6m设置连墙件与建筑结构拉结,当无法设置连墙件时,应采取设置钢丝绳张拉固定等措施。
1.7 最少跨数为2、3跨的满堂脚手架,宜按规范第6.4节的规定设置连墙件。
6.4 连墙件6.4.1 脚手架连墙件设置的位置、数量应按专项施工方案确定。
6.4.2 脚手架连墙件数量的设置除应满足本规范的计算要求外,还应符合表6.4.2的规定。
6.4.3 连墙件的布置应符合下列规定:1 应靠近主节点设置,偏离主节点的距离不应大于300mm;2 应从底层第一步纵向水平杆处开始设置,当该处设置有困难时,应采用其他可靠措施固定;3 应优先采用菱形布置,或采用方形、矩形布置。
满堂脚手架施工方案(精选3篇)脚手架施工方案篇一脚手架施工方案《脚手架施工方案》是建筑施工从业人员的行为规范,是施工过程建筑职工安全和健康的保障。
脚手架施工方案外脚手架主要用于外墙装修工程,本工程采用扣件式钢管结构脚手架。
一、脚手架的布置脚手架从一层楼面开始搭设。
立柱间距按1.6m排列,单柱到顶,柱间加钢管作辅柱,排距0.8m,步距2m,步距间加钢管作为栏杆。
二、外脚手架搭设立柱构造柱:立柱各接头必须采用对接扣件对接。
柱上的对接扣应交错布置,两相邻立柱接头不应设在同步同跨内,两相邻立柱接头在高度方向错开的距离不应小于500mm;各接头中心距主节点的距离不应大于步距的1/3.立柱顶端应高出建筑物檐口上皮高度 1.5m。
每根主柱均设置砼地面上,离地面50-100mm用钢管锁脚。
脚手架必须设置纵、横向扫地杆。
纵向扫地杆采用直角扣件固定在距底下皮不大于200m 处的'立柱上。
横向扫地杆应采直角扣件固定在紧靠纵向扫地杆下方的立柱上。
纵向水平杆构造要求:1、从向水平杆地设置在横向水平杆之上,并以直角扣件扣紧在横向水平上杆上。
2、纵向水平赶的长度一般不宜小于3跨,并不小于6米。
3、纵向水平宜采用对接扣件连接,对接应符号以下要求:对接接头应交错布置,不应设在同步、同跨内,相邻接头水平距离不应下于500mm,并应避免设在纵向水平杆的跨中。
(1)、横向水平杆构造要求:双排架的横向水平杆端应采用直角扣件固定在立柱上,靠墙一侧的外伸长度不应大于350m。
(2)、水平附着及卸荷1、脚手架水平拉杆采用Ф16钢筋在每个一层的外梁边预埋,每3m设一道,水平拉杆每隔一个钢管顶墙杆。
各层同样做法。
2、水平拉杆要与立柱拉结牢固,顶墙杆要与立柱垂直。
拉结后不得随意拆除。
脚手架的卸荷办法,在楼面预埋Ф16钢筋环用直径12-16mm钢缆在两头挂好,用花蓝螺栓收紧,锁好。
每五层卸荷点水平间距为下横杆间距。
(3)、支撑双排脚手架应设剪刀撑,剪刀撑的设置应符号下列要求:1、每道剪刀撑跨越立柱的跟数在宜5-7根之间。
满堂脚手架搭设规范要求方案1.满堂架下边所用的竹胶板垫块,应使用下脚料制作,制作规格为200×200mm禁止使用大块模板制作。
2.满堂架立杆间距 L≤ 800 mm,48mm钢管搭设,水平杆不得少于 3 道,扫地干一道,中间杆一道,梁底杆一道。
以及加设剪刀撑。
3.架体的整体性与稳固性结构:1). 立杆:架体设纵横向扫地杆,扫地杆设在基础上平面 200mm处的立杆上,用十字扣件固定在立杆上,立杆之间一定按步距满设双向水平杆,保证双方向足够的设计刚度。
立杆接头要错开不设在同一层面上,立杆下端与垫木间增添木楔,用来调整立杆沉降不匀。
2)水平杆:纵横向水平杆用直角扣件固定在立杆上,扣件的拧紧力矩控制在45-60Nm,水平杆在转角处一定交圈 ( 形成井字形结构 ); 水平杆接长时,相邻两接头不在同步同跨内。
不一样步、不一样跨,两个接头在高度方向错开的距离不宜小于500㎜。
3)连墙杆:架体与混凝土框柱进行有效的附墙连结,以提升支模架在施工荷载作用下的变形能力。
4)、剪刀撑设置:竖向剪刀撑:沿支模架外排立杆的周围满设剪刀撑; 中间部每隔 7.5 ~9.0m 设置竖向剪刀撑 ; 纵、横向剪刀撑按三步六跨通高设置。
水平剪刀撑:当支撑架高度≥ 20m时,在架体顶部和中部每隔 6.0 ~ 7.5m 设水平剪刀撑,以提升架体抵挡水平施工荷载冲击时的稳固性 ; 任何状况下,高支撑架的顶部和底部一定设水平剪刀撑。
5)、中厅周围各层3-4 排支撑架在各层施工完后不拆掉,作为水箱屋面花架梁支模架的协助架,以利于花架梁支模架的整体稳固。
中厅一层卸荷架与以上各层支模架立杆竖直对应,立杆下垫 50 mm厚、 250mm宽的木板2梁模支设及细部做法要求:1) 梁底模板,第一算出梁底高度,起拱高度,在按梁底标高操平,通梁将两头水平固定,而后拉通线将中间水平杆固定,固定间距不不大于 800mm,依据梁宽度搁置早先加工好。
将梁底板搁置在固定好的架子上,线绳拉直,在立绑板,绑板立在 10cm的方木上,在粱榜上钉上方木,用钢管与水平杆将绑板锁死,上口在平板的水平钢管连结顶死,假如大于750mm的梁一定使用对拉杆,粱绑校订加固完后再铺设顶板。
满堂脚手架搭设规范满堂脚手架是一种常见的施工工具,用于支撑工人进行高空作业。
为了保障工人的安全和施工质量,满堂脚手架的搭设必须按照规范进行。
下面是满堂脚手架搭设规范的主要内容:一、施工前准备1. 满堂脚手架搭设前,必须对施工现场进行仔细检查,确保施工区域平整、无垃圾、无杂物。
2. 满堂脚手架的搭设必须由经过培训并具有相应证书的工人进行,施工前应进行安全技术交底,确保工人了解搭设过程中的安全注意事项。
3. 在搭设满堂脚手架前,必须制定详细的施工方案,并参考设计图纸进行布局。
二、搭设过程中的要求1. 满堂脚手架搭设过程中,必须使用标准规格的钢管和连接件,材料强度应符合国家标准。
2. 在搭设起始和结束两端必须加设水平杆和腹杆作为固定支撑,确保整个脚手架的稳固和牢固。
3. 满堂脚手架的高度应根据实际需要进行调整,但不得超过规定的安全高度。
4. 各种杆件必须完整齐全,并且牢固连接起来,不能有露头、裂纹或者松动现象。
5. 满堂脚手架的水平杆应平行于建筑物的地面,且不得有明显的跳跃现象。
三、使用过程中的安全措施1. 满堂脚手架使用期间,必须定期进行检查和维护,确保其稳定性和安全性。
2. 在满堂脚手架搭设过程中,工人必须佩戴相关的个人防护用品,包括安全帽、安全带等。
3. 工人必须正确使用满堂脚手架,严禁在上面跳跃、奔跑或者进行其他危险行为。
4. 搭设满堂脚手架的工人必须熟悉相关的安全操作规程,并加强自身安全意识,严禁违章操作。
5. 如果发现满堂脚手架存在安全隐患或者设备损坏,必须立即停止使用,并进行修复或更换。
综上所述,满堂脚手架的搭设规范对于保障工人安全和施工质量至关重要。
施工单位和工人必须严格按照规范操作,不能有任何马虎或忽视安全的行为。
只有做到标准、规范的搭设,才能确保施工的顺利进行和工人的安全。
满堂脚手架搭设施工方案一、门厅满堂脚手架工程概况本工程屋面钢筋砼框架因结构跨度大, 支撑高度高(入口中厅层高16.6米), 因而施工难度较大。
为此本公司将屋面结构满堂脚手架搭设以及大梁模板设计作为施工重点来处理。
本工程满堂脚手架体系搭设高度为16.1米, 脚手架基础因坐落在二层楼面上, 所以采用槽钢作为垫板。
选材采用φ48×3.5MM, Q235钢普碳钢管, 其截面积489MM2, 线重量 3.84Kg/m, 具体搭设要求如下。
二、满堂脚手架搭设构造及搭设顺序◇构造单元:脚手架立杆间距1200MM, 大横杆间距1200MM, 小横杆间距1500MM, 脚手板满铺。
(如附图)。
搭设顺序:弹线→安放底座→首步架装在底座上→安装水平及斜向拉杆→铺设脚踏板(或平行架)插上驳芯→安装上一层钢管→装上锁臂。
用料情况:本工程满堂脚手架用料情况如下:部位搭设高度用料数量及规格基本层C-G轴 3.6米φ48钢管39385米, 重151吨入口门厅B-C轴 16.6米φ48钢管3096.4, 重11.9吨入口门厅A-B轴 17.4米φ48钢管1662.7米, 重6.35吨三、满堂脚手架搭设方案验算本方案以入口门厅16.6米高满堂脚手架为例, 验算各搭设参数。
◇荷载计算:立杆每米高自重: 38.4N脚手板自重: 250N/M2施工荷载: 2650N/M2扣件重量: 9.8N/个◇立杆轴心荷载计算:脚手架立杆自由高度按2.5M考虑。
其计算简图如附图所示。
N=H0P n+ab2(0.5n1q1+ηn2q2)式中:P n——每米架高脚手架总重量。
按115N/M考虑。
H0——立杆总高。
取17M。
a——立杆间距。
取1.5M。
b2——脚手架宽度。
取1.0M计算单元。
n1——满铺脚手板层数。
取4。
q1——脚手板自重。
取250N/M2n2——有效作业层数。
取2层。
q2——脚手板上施工荷载。
取5000N/M2η——脚手架内外立杆分配系数。
满堂脚手架搭设规范要求方案
1. 背景
随着经济的快速发展,建筑业也在迅速崛起。
在建造高楼大厦、桥梁、隧道等工程中,脚手架是不可缺少的一个重要设备。
因其所承载
的重量和所进行的工作都十分重要,因此需要制定严格的搭设规范要
求方案。
2. 目的
本文旨在规范满堂脚手架的搭设,确保其安全可靠,达到以下目的:- 保证脚手架的架设不影响建筑物结构的承受能力; - 保证脚手架的稳
定性和承载能力; - 确保施工现场的安全; - 降低施工所涉及人员的伤
亡风险; - 降低施工所涉及过程的环境污染。
3. 适用范围
本方案适用于所有满堂脚手架的搭设。
4. 规范要求
4.1 设计
1.脚手架必须由专业人员设计,并符合国家或地方规定,其结构必
须稳定可靠; 2.设计所用的材料必须满足国家或地方规定,具有足够
的强度、坚固性和耐久性,且需要进行检测报告。
满堂脚手架施工方案(通用10篇)满堂脚手架施工方案1一、编制依据满堂脚手架施工方案的编制应依据相关的`国家标准和行业规范,包括但不限于:《建筑结构荷载规范》(GB50009-2012)《建筑施工扣件式钢管脚手架安全技术规范》(JGJ130-2011)《建筑施工高处作业安全技术规范》(JGJ80-2016)《建筑施工安全检查标准》(JGJ59-2011)二、工程概况xx办公楼装修工程,施工面积约3000m,大堂装修工期为4个月,室内装修、安装满堂脚手架搭设高度最高为16m,吊顶形式复杂。
三、搭设准备材料准备:检查钢管、扣件、脚手板等构配件的质量,确保符合规范要求。
钢管应无严重锈蚀、弯曲变形或裂纹,扣件应完好无损,脚手板应平整无腐朽。
技术准备:组织技术人员对参与脚手架搭设的人员进行全面的技术交底,明确搭设要求、安全注意事项等。
现场准备:清除地面杂物,做好立杆基础措施,确保基础平整坚实。
四、搭设步骤安放垫板:在立杆位置安放垫板,垫板厚度不小于50mm,确保立杆稳定。
安立杆:按立杆间距要求(如1.5m×1.8m)安放立杆,立杆底部与垫板固定牢固。
安扫地杆:在立杆底部设置扫地杆,扫地杆应与立杆扣紧。
安横杆:按步距要求(如1.8m)安装大横杆和小横杆,确保横杆水平且与立杆扣紧。
铺脚手板:在横杆上满铺脚手板,脚手板两端用铁丝固定牢靠。
设置剪刀撑:在脚手架四周和中间设置剪刀撑,确保脚手架整体稳定。
剪刀撑与地面夹角为45°~60°之间,中间剪刀撑每隔四排立杆设置一道。
逐层搭设:按上述步骤逐层向上搭设,直至达到设计高度。
五、拆除步骤安全检查:拆除前应对脚手架进行全面检查,确保无安全隐患。
设立警戒区:在拆除范围内设立警戒区,禁止无关人员进入。
拆除顺序:自上而下逐层拆除,先拆非承重杆件,后拆承重杆件。
拆除的构件应用绳索吊下或人工递下,严禁抛掷。
分类堆放:拆除的钢管、扣件等构件应及时分类堆放整齐,以便运输和保管。
满堂脚手架搭设施工方案满堂脚手架搭设施工方案一、施工方案概述在满堂项目中,为了保证施工过程的安全和效率,我们采用脚手架搭设施工方案。
本方案主要包括搭设脚手架的材料选用、搭设过程的安全措施以及施工进度控制等内容。
二、材料选用1. 主要材料:锌钢管、脚手板、连接件。
2. 锌钢管选用标准:材质为Q195-Q235或Q345,规格为48.3mm*3mm。
3. 脚手板选用标准:采用钢筋混凝土脚手板,尺寸为2m * 0.3m,厚度为0.02m。
4. 连接件选用标准:采用标准脚手架连接件。
三、搭设过程安全措施1. 安全培训:施工人员必须参加岗前安全培训,了解脚手架搭设施工安全操作规程,掌握搭设方法。
2. 搭设图纸:根据设计要求和搭设实际情况,制定脚手架搭设图纸,并由专人负责检查核对。
3. 稳固基础:根据地面实际情况,采用例如混凝土方桩或钢管扎地等方式,确保脚手架搭设的基础稳固。
4. 搭设材料检查:在搭设开始前,对材料进行检查,确保材料质量合格,无损伤、变形等情况。
5. 安全防护:搭设过程中,施工人员必须佩戴合格的安全帽和安全带,并设置临边防护措施,防止人员坠落。
6. 合理分配荷载:按照设计要求,合理分配脚手架荷载,并进行固定,以保证脚手架的稳固性。
7. 定期检查:定期进行脚手架检查,及时发现和处理存在的问题,以确保脚手架的安全可靠性。
四、施工进度控制1. 制定施工计划:根据项目要求和施工实际情况,制定合理的施工进度计划,并按照计划进行施工。
2. 协调配合:各工种之间加强沟通和协调,确保施工过程顺利进行。
3. 定期汇报:定期向项目经理汇报施工进度,及时调整和安排施工任务。
以上是满堂脚手架搭设施工方案的主要内容,通过严格执行施工方案,结合相关管理制度,我们将确保施工过程的安全和施工进度的控制。
同时,我们将密切注意施工现场的安全状况,并做好风险评估和应急预案,确保施工过程的安全性。
满堂脚手架施工规范一、工程概况本项目为某高层建筑满堂脚手架施工工程,工程地点位于XXX市XXX区,建筑占地面积约为15000平方米,建筑高度为98米,共计28层。
本工程采用落地式双排钢管外脚手架,主要用于主体结构施工、装修施工及外墙施工。
二、施工准备工作及主要材料需用量计划(一)、技术准备工作1. 组织项目管理人员学习相关规范和标准,熟悉满堂脚手架施工技术要求。
2. 编制详细的满堂脚手架施工方案,明确施工工艺、施工顺序、施工要点及安全措施。
3. 对施工人员进行技术培训,掌握满堂脚手架的搭设、拆除及验收标准。
4. 准备相关技术资料,包括施工图纸、施工方案、验收规范等。
(二)、物资准备工作1. 根据工程量计算,预计需用量以下主要材料:- 钢管:约150吨;- 扣件:约20万个;- 脚手板:约15000平方米;- 安全网:约10000平方米;- 横向水平杆、纵向水平杆、立杆、剪刀撑等配件:根据设计图纸计算。
2. 采购材料要求:- 钢管:符合GB/T 13793-2016标准,具有出厂合格证;- 扣件:符合GB 15831-2006标准,具有出厂合格证;- 脚手板:采用符合GB/T 19434-2009标准的竹胶板或钢脚手板;- 安全网:符合GB 5725-2009标准。
3. 材料验收:- 对采购的材料进行验收,确保质量合格;- 对不合格的材料进行退换货,确保施工质量。
4. 材料储存:- 设立专门的材料堆放场地,保证材料不受潮、不受污染;- 对材料进行分类、标识,便于施工过程中取用。
5. 材料发放:- 根据施工进度,合理发放材料,确保施工顺利进行;- 做好材料发放记录,掌握材料使用情况。
三、一般规定1. 施工前应组织相关管理人员和施工人员学习国家及地方相关法规、标准和规范,确保施工过程符合相关要求。
2. 施工现场应设置明显的安全警示标志,提醒施工人员及现场人员注意安全。
3. 搭设脚手架前,必须对建筑物的基础、主体结构等进行检查,确保其满足脚手架搭设的要求。
一、工程概况本工程为XX项目,位于XX地区,总建筑面积XX平方米。
施工过程中,因施工区域较大,部分施工面无法使用常规脚手架进行施工,因此需搭设满堂脚手架以确保施工安全和施工进度。
本方案针对满堂脚手架的搭设进行详细规划。
二、编制依据1. 《建筑施工扣件式钢管脚手架安全技术规范》(JGJ130-2001)2. 《混凝土结构设计规范》GB50010-20023. 《建筑结构荷载规范》(GB50009-2001)4. 《钢结构设计规范》(GB50017-20)三、安全技术设计1. 脚手架搭设前,应对施工区域进行地质勘察,确保基础稳固,防止因地基不均匀沉降导致脚手架倾斜或倒塌。
2. 脚手架搭设过程中,应遵循“先立杆后横杆、先底层后上层”的原则,确保脚手架的稳定性。
3. 脚手架搭设完成后,应对其进行整体检查,确保各部件连接牢固,无松动现象。
4. 脚手架搭设过程中,应定期检查扣件、钢管等材料,发现损坏应及时更换。
5. 脚手架搭设过程中,施工人员应佩戴安全帽、安全带等个人防护用品。
四、施工要求1. 脚手架立杆间距、横杆间距、步距等应符合规范要求,具体参数如下:- 立杆间距:1.8米- 横杆间距:1.5米- 步距:1.5米2. 脚手架搭设过程中,立杆应垂直,横杆应水平,偏差不得大于规范要求。
3. 脚手架搭设完成后,应进行荷载试验,确保其承载力符合设计要求。
4. 脚手架搭设过程中,施工人员应严格按照施工方案进行操作,不得擅自更改。
五、脚手架质量检查与验收1. 脚手架搭设过程中,施工负责人应定期检查脚手架质量,发现问题及时整改。
2. 脚手架搭设完成后,应由相关单位进行验收,验收合格后方可投入使用。
3. 验收内容包括:脚手架结构、材料、连接件等是否符合规范要求;脚手架搭设是否牢固、稳定;脚手架荷载试验是否合格等。
六、安全与日常维护管理1. 脚手架搭设过程中,施工负责人应加强对施工人员的安全教育,提高安全意识。
2. 脚手架投入使用后,应定期检查其稳定性,发现异常情况应及时处理。
满堂脚手架(内脚手架)搭设规范一、地面现场清理,确保脚手架搭设范围内无障碍物,场地无积水,脚手架平台已具备作业条件。
二、材料1、采用外径48毫米、壁厚3.5毫米的钢管,其材质应符合GB 700—793号钢的技术条件。
2、钢管、扣件等材料进场必须有准用证、许可证、企业营业执照、产品合格证及相应检验报告等。
发现有脆裂、变形、滑丝等现象者禁止使用.3、钢管、扣件、螺栓等零配件,必须规格统一,材质优良,并应有出厂证明书。
三、施工人员设专业质量检查员负责脚手架搭设的具体操作和安全管理材料由材料员负责购买,架子工均经过上岗培训获得上岗操作证书,持证上岗.四、交底对脚手架搭设施工人员在上岗前进行施工交底,并作安全教育培训,对相关操作人员必须持证上岗。
一满堂脚手架搭设一、钢管扣件满堂脚手架的搭设工艺流程测量放线→竖立管并同时安装扫地杆→搭设水平杆→搭设剪刀撑→铺脚手板→搭挡脚板和栏杆二、扣件式钢管脚手架的构造要求和及全技术条件1、横杆的允许挠度不大于杆长的1/150;2、立杆的垂直偏差不大于立杆全长的l/200;3、脚手架搭设标准:横平竖直,连接牢固,底脚着实,支撑挺直,通畅平坦,安全设施齐全、牢固。
4、脚手架主要受力杆件,如立杆、横杆和剪力撑等,在同一建筑立面必须使用同一材质的材料。
5、脚手架的搭设顺序为:(1)现场材料料及整理,立杆→横杆→剪刀撑→竹笆板→满铺E1级木工板→栏杆。
(2)每根立杆铺设时应准确的放在定位线上。
(3)立杆搭设应满足下列要求a.立杆各向间距按照计算结果确定,并实施。
b.立杆接长除顶层顶步可采用搭接外,其余各层各步接头必须采用对接扣件连接。
对接、搭接应符合下列规定:✧立杆上的对接扣件应交错布置:两根相邻立杆的接头不应设置在同步内,同步内隔一根立杆的两个相隔接头在高度方向错开的距离不宜小于500mm;各接头中心至主节点的距离不宜大于步距的1/3。
✧搭接长度不能小于1m,须采用不少于2个旋转扣件固定,端部扣件盖板的边缘至杆端距离不能小于100mm。
F o r p e r s o n a l u s e o n l y i n s t u d y a n d r e s a r c h n o t f r c o m me r c i a l u s eF o r p e r s o n a l u s e o n l y i n s t u d y a n d r e s a r c h n o t f r c o m me r c i a l u s e满堂脚手架(内脚手架)搭设规范一、地面现场清理,确保脚手架搭设范围内无障碍物,场地无积水,脚手架平台已具备作业条件。
二、材料1、采用外径48毫米、壁厚3.5毫米的钢管,其材质应符合GB 700-793号钢的技术条件。
2、钢管、扣件等材料进场必须有准用证、许可证、企业营业执照、产品合格证及相应检验报告等。
发现有脆裂、变形、滑丝等现象者禁止使用。
3、钢管、扣件、螺栓等零配件,必须规格统一,材质优良,并应有出厂证明书。
三、施工人员设专业质量检查员负责脚手架搭设的具体操作和安全管理材料由材料员负责购买,架子工均经过上岗培训获得上岗操作证书,持证上岗。
四、交底对脚手架搭设施工人员在上岗前进行施工交底,并作安全教育培训,对相关操作人员必须持证上岗。
一满堂脚手架搭设一、钢管扣件满堂脚手架的搭设工艺流程测量放线→竖立管并同时安装扫地杆→搭设水平杆→搭设剪刀撑→铺脚手板→搭挡脚板和栏杆二、扣件式钢管脚手架的构造要求和及全技术条件1、横杆的允许挠度不大于杆长的1/150;2、立杆的垂直偏差不大于立杆全长的l/200;3、脚手架搭设标准:横平竖直,连接牢固,底脚着实,支撑挺直,通畅平坦,安全设施齐全、牢固。
4、脚手架主要受力杆件,如立杆、横杆和剪力撑等,在同一建筑立面必须使用同一材质的材料。
5、脚手架的搭设顺序为:(1)现场材料料及整理,立杆→横杆→剪刀撑→竹笆板→满铺E1级木工板→栏杆。
(2)每根立杆铺设时应准确的放在定位线上。
(3)立杆搭设应满足下列要求a.立杆各向间距按照计算结果确定,并实施。
b.立杆接长除顶层顶步可采用搭接外,其余各层各步接头必须采用对接扣件连接。
对接、搭接应符合下列规定:立杆上的对接扣件应交错布置:两根相邻立杆的接头不应设置在同步内,同步内隔一根立杆的两个相隔接头在高度方向错开的距离不宜小于500mm;各接头中心至主节点的距离不宜大于步距的1/3。
✧搭接长度不能小于1m,须采用不少于2个旋转扣件固定,端部扣件盖板的边缘至杆端距离不能小于100mm。
c.立杆搭设时应符合下列规定:✧严禁将外径48mm与其他型号的钢管混合使用;✧相邻立杆的对接扣件不得在同一高度内,错开距离应符合对接、搭接规定;(4)脚手架纵横向底部必须设置纵横向扫地杆。
扫地杆应采用直角扣件固定在距底座上皮不大于200mm处的立杆上。
(5)横向水平杆的构造应符合下列要求:a.水平杆的长度不能小于3跨;b.横向水平杆接长宜采用对接扣件连接,也可采用搭接。
对接、搭接要求应符合下列规定:✧对接扣件应交错布置:两根相邻水平杆的接头禁止设置在同步或同跨内;不同步或不同跨两个相邻接头在水平方向错开的距离不能小于500mm;各接头中心至最近主节点的距离不能大于纵距的1/3。
✧搭接长度不能小于1m,必须采用不少于2个旋转扣件固定,端部扣件盖板的边缘至杆端距离不能小于100mm。
(6)脚手架搁栅上满铺竹笆板时,竹笆板四角应用18号铅丝同牵杠扎牢,施工操作步上靠墙面部位应铺脚手板,脚手板离墙面不得大于20厘米,其端头应伸出搁置点横楞10~20厘米,并应重叠搁置,没有重叠处应用铅丝将脚手板与搁置点绑牢。
(7)防护栏杆应搭设在外立杆内侧,上栏杆上皮高度应为1.2m,中栏杆应居中设置。
(8)架体每组剪力撑跨越立杆根数约5根。
剪刀撑斜杆应与立杆和伸出的横向水平杆进行连接;剪刀撑斜杆的接长均采用搭接,搭接要求同立杆搭接规定。
剪刀撑斜杆应用旋转扣件固定在与之相交的水平杆的伸出端或立杆上,旋转扣件中心线至主节点的距离不宜大于150mm。
剪刀撑应随立杆、纵、横向水平杆等同步搭设。
(9)脚手架搭设完工,应由工程队负责组织专业人员检查验收合格并挂合格牌后方可使用。
在工程施工过程中必须有专人管理,负责检查、保修工作。
(10)脚手架上控制施工荷载值不大于1.5KN/m2。
(11)脚手架应有人定期进行沉降测量,发现问题应及时报告工程队领导并立即采取措施。
7、脚手板脚手板采竹笆片,在操作层四周应设置防护栏杆。
脚手板设置在三根横向水平杆上,并在两端8cm处用直径1.2mm的镀锌铁丝箍绕2~3圈固定。
脚手板应平铺、满铺、铺稳,接缝中设两根小横杆,各杆距接缝的距离均不大于15cm。
避免出现探头及空挡现象。
8、防护设施脚手架外围要满挂密目安全网,以防止人员随便进入。
密目网采用1.8×6.0m的规格,用风绳绑扎在模杆外立杆里侧。
作业层外围设防护栏杆。
9、脚手架搭设的要求严格按照设计尺寸搭设,立杆和水平杆的接头均应错开在不同的框格层中设置;确保立杆的垂直偏差和横杆的水平偏差小于《扣件架规范》的要求;确保每个扣件和钢管的质量是满足要求的,每个扣件的拧紧力矩都要控制在45-60N.m,钢管禁止使用已经发生变形材质的。
二、脚手架的拆除1、拆除脚手架前的准备工作:全面检查脚手架,重点检查扣件连接固定、支撑体系等是否符合安全要求;根据检查结果及现场情况编制拆除方案并经有并部门批准;进行技术交底;根据拆除现场的情况,设围栏或警戒标志,并有专人看守;清除脚手架中留存的材料、电线等杂物。
2、拆除架子的工作地区,严禁非操作人员进入。
3、拆架前,应有现场施工负责人批准手续,拆架子时必须有专人指挥,做到上下呼应,动作协调。
4、拆架程序应遵守由上而下,先搭后拆的原则,即先拆拉杆、脚手板、剪刀撑、斜撑,而后拆纵横向大横杆、立杆等(一般的拆除顺序为安全网→栏杆→脚手板→剪刀撑→横向大横杆→纵向大横杆→立杆)。
5、不准分立面拆架或在上下两步同时进行拆架。
做到一步一清、一杆一清。
拆立杆时,要先抱住立杆再拆开最后两个扣。
拆除大横杆、斜撑、剪刀撑时,应先拆中间扣件,然后托住中间,再解端头扣。
所有连墙杆必须随脚手架拆除同步下降,严禁先拆连墙件再除脚手架,分段拆除高差不应大于2步,如高差大于2步,应增设连墙连加固。
6、当脚手架拆至下部最后一根长钢管的高度(约6.5m)时,应先在适当位置搭临时势撑加固,后拆连墙件。
7、拆除的脚手架部件应及时运至地面,严禁从空中抛掷。
8、运至地面的脚手架部件,应及时清理、保养。
根据需要涂刷防锈油漆,并按品种、规格入库堆放。
三、文明施工要求根据脚手架工的特殊性,结合职业安全卫生的惯标精神,要求施工时作到如下:1、进入施工现场的人员戴好安全帽,高空作业系好安全带,穿好防滑鞋等,现场严禁吸烟。
2、进入施工现场的人员要有保护场内的各种绿化设施和标示牌,不得践踏草坪、损坏花草树木、随意拆除和移动标示牌。
3、严禁酗酒人员上架作业,施工操作时要求精力集中、禁止开玩笑和打闹。
4、脚手架搭设人员必须是经考试合格的专业架子工,上岗人员定期体检,体检合格者方可发上岗证,凡患有高血压、贫血病、心脏病及其他不适于高空作业者,一律不得上脚手架操作。
5、上架子作业人员上下均应走人行梯道,不准攀爬架子。
6、护身栏、脚手板、挡脚板、密目安全网等影响作业时,如需折改时,应由架子工业完成,任何人不得任意拆改。
7、脚手架验收合格后任何人不得擅自拆改,如需做局部拆改时,须经技术负责人同意后在架子工操作。
8、不准利用脚手架吊运重物;作业人员不准攀登架子上下作业面;不准推车在架子上跑动。
9、在架子上的作业人员不得随意拆动脚手架的所有拉接点和脚手板,以及扣件绑扎扣等所有架子部件。
10、拆除架子而使用电焊气割时,派专职人员做好防火工作,配备料斗,防止火星和切割物溅落。
11、脚手架使用时间较长,因此在使用过程中需要进行检查,发现杆件变形严重、防护不全、拉接松动问题要及时解愉。
12、在保证脚手架体的整体性,不得截断架体。
13、施工人员严禁凌空投掷杆件、物料、扣件及其它物品,材料、工具用滑轮和绳索运输,不得乱扔。
14、使用的工具要放在工具袋内,防止掉落伤人;登高要空防滑鞋,袖口及裤口要扎紧。
15、脚手架堆放场做到整洁、摆放合理、专人保管,并建立严格领退料手续。
16、施工人员做到活完料净脚下清,确保脚手架施工材料不浪费。
17、运至地面的材料应按指定地点随拆随运,分类堆放,当天拆当天清,拆下的中件和铁丝要集中回收处理。
应随时整理、检查,按品种、分规格堆放整齐,妥善保管。
For personal use only in study and research; not for commercial use.Nur für den persönlichen für Studien, Forschung, zu kommerziellen Zwecken verwendet werden. Pour l 'étude et la recherche uniquement à des fins personnelles; pas à des fins commerciales. толькодлялюдей, которыеиспользуютсядляобучения, исследованийинедолжныиспользоватьсявкоммерческихцелях.以下无正文For personal use only in study and research; not for commercial use.Nur für den persönlichen für Studien, Forschung, zu kommerziellen Zwecken verwendet werden. Pour l 'étude et la recherche uniquement à des fins personnelles; pas à des fins commerciales.толькодлялюдей, которыеиспользуютсядляобучения, исследованийинедолжныиспользоватьсявкоммерческихцелях.以下无正文For personal use only in study and research; not for commercial use。