【设计图纸】市场规划平面图(精选CAD图例)
- 格式:dwg
- 大小:1.79 MB
- 文档页数:7
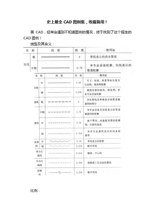
史上最全CAD图例集,收藏备用!画CAD,经常会遇到不知道图例的情况,终于找到了这个超全的CAD图例!线型及其含义:比例:水、汽管道代号:工艺管道施工图常用图例:水、汽管道阀门和附件图例:给排水、采暖常用图例:通风空调工程常用图例:风道代号:风道、阀门及附件图例:风口和附件代号:暖通空调设备图例:调控装置及仪表图例:各种执行机构可与风阀、水阀组合表示相应功能的控制阀门。
消防工程基本图形符号:消防工程辅助符号:消防工程灭火器符号:消防管路及配件符号:消防工程固定灭火器系统符号:消防工程灭火设备安装处符号:消防设施:消防工程自动报警设备符号:管道图例:管道附件:管道连接:管件:常见阀门:给水配件:小型给水排水构筑物:给水排水设备:仪表:管道和设备布置平面图、剖面图示例:管道和设备布置平面图应按假象除去上层板后俯视规则绘制,其相应的垂直剖面图应在平面图中表明剖切符号。
标准层平面图平、剖面示例平面图、剖面图索引符号的画法:平面图、剖面图中的局部需另绘详图时,应在平、剖面图上标注索引符号。
索引符号的画法见下图。
索引符号的画法内视符号画法:当表示局部位置的相互关系,在平面图上应标注内视符号。
内视符号画法系统编号:1、一个工程设计中同时有供暖、通风、空调等两个及以上的不同系统时,应进行系统编号。
2、暖通空调系统编号、入口编号,应由系统代号和顺序号组成。
3、系统代号用大写拉丁字母表示,顺序号用阿拉伯数字表示。
当一个系统出现分支时,可采用下图的画法。
系统代号:立管号的画法:竖向布置的垂直管道系统,应标注立管号,在不一致引起误解时,可只标注序号,但应与建筑轴线编号有明显区别。
立管号的画法管道相对标高的画法:1、在无法标注垂直尺寸的图样中,应标注标高。
标高应以m为单位,并应精确到cm或mm。
2、标高符号应以直角等腰三角形表示。
当面标准层较多时,可只标注与本层楼(地)板面的相对标高。
3、水、汽管道所标高未予说明时,应表示为管中心标高。