建设工程档案预验收申请表
- 格式:doc
- 大小:259.50 KB
- 文档页数:8
建设单位对工程质量的评价:
单位(项目)负责人签字:(公章)
年月日
设计单位对工程质量的评价:
单位(项目)负责人签字:(公章)
年月日
施工单位对工程质量的评价:
单位(项目)负责人签字:(公章)
年月日
监理单位对工程质量的评价:
单位(项目)负责人签字:(公章)
年月日
工程竣工验收的意见:
该工程建设单位组织设计、施工、监理单位组成的验收组共同检查,认为满足设计要求,符合国家规范及标准要求。
质量等级:
工程竣工验收结论:符合质量标准,备案后同意使用。
工程竣工验收组成员名单
年月日。
工程初步验收申请表申请单位:__________________________工程名称:__________________________工程编号:__________________________项目负责人:________________________申请理由:工程初步验收是确保工程质量符合规范和合同要求的重要环节。
本申请旨在经过工程初步验收后,确认工程的基本建设要求得到满足,工程质量符合规定标准,以便进一步进行后续验收和收尾工作。
1. 工程概况填写工程的基本信息,包括工程名称、施工地点、建设单位等。
2. 工程目标简要描述工程的目标和功能,明确工程所解决的问题和提供的服务。
3. 施工内容详细列出工程的施工内容,包括各阶段和各部分的施工工序,施工材料及设备等。
4. 工程进展简要描述工程的进展情况,包括施工开始日期、施工周期、工程进度和完成情况等。
5. 施工质量控制说明施工过程中采取的质量控制措施,包括质量检查、质量测试、质量验收等。
6. 安全生产措施说明施工过程中采取的安全生产措施,包括安全培训、安全设施、危险源控制等。
7. 资金使用情况简要描述工程各项费用的使用情况,包括预算、支出和结余等。
8. 问题和困难说明在施工过程中遇到的问题和困难,并提供解决方案和措施。
9. 验收标准列出工程初步验收的标准和要求,包括工程质量、图纸规范、验收文件等。
10. 相关附件提供与工程初步验收相关的文件、图纸和资料的附件清单。
申请人签字:__________________日期:__________________。
工程竣工预验收申请表 -标准化文件发布号:(9456-EUATWK-MWUB-WUNN-INNUL-DDQTY-KII
工程竣工预验收申请表
工程名称:砀山县正源污水处理厂中水回用工程深床滤池、接触池、综合车
工程竣工预验收申请表
工程名称:砀山县正源污水处理厂中水回用工程深床滤池、接触池、综合车间、泵房等的设备采购及安装工程
工程竣工申请报告
致:安徽华东工程建设项目管理有限公司(监理单位)
我公司承建的砀山县正源污水处理厂中水回用工程深床滤池、接触池、综合车间、泵房等的设备采购及安装工程县已完成施工图设计及合同约定的全部内容,并经项目部及公司核查具备竣工验收条件,特申请竣工验收,请组织相关单位给予检查核验。
施工单位(章):
项目负责人:
日期:。
工程竣工验收报验申请表工程名称:雨润.香水百合三期大堂及外门厅装修工程编号:XSBA―4950注:本表由施工单位填写,一式三份,同意后由建设、监理、施工单位各留一份。
竣工报告致:安徽雨润地华置业开展安庆市丰汇建设监理工程由我公司施工的大堂及外门厅装修工程其中C标49#楼、50#楼1-17层电梯前室及公共走道装修工程〔包含1-17层配电照明系统安装工程〕已全部竣工,经自检验收全部合格,符合?建筑装饰装修工程质量验收标准?〔GB50210—2001〕和图纸设计要求;合同工期符合合同要求,请给予竣工验收;并按照合同要求给予结算工程款;具体的工程量详见决算书安徽润万家装饰工程日期:2021年7月16日工程竣工验收报验申请表工程名称:雨润.香水百合三期大堂及外门厅装修工程编号:XSBA―2634注:本表由施工单位填写,一式三份,同意后由建设、监理、施工单位各留一份。
竣工报告致:安徽雨润地华置业开展安庆市大地监理建设工程有限责任公司由我公司施工的大堂及外门厅装修工程其中A标26#楼、34#楼1-11层电梯前室及公共走道装修工程〔包含1-11层配电照明系统安装工程〕已全部竣工,经自检验收全部合格,符合?建筑装饰装修工程质量验收标准?〔GB50210—2001〕和图纸设计要求;合同工期符合合同要求,请给予竣工验收;并按照合同要求给予结算工程款;具体的工程量详见决算书安徽润万家装饰工程日期:2021年7月16日分部〔子分项〕报验申请表工程名称:雨润香水百合三期大堂装修工程26#楼编号:26# ─001香水百合三期A标26#楼分部〔子分项〕工程验收记录分部〔子分项〕报验申请表分部〔子分项〕报验申请表香水百合三期C标49#楼分部〔子分项〕工程验收记录分部〔子分项〕报验申请表。
建设工程档案预验收申请审核表建设工程档案预验收申请审核表
编号:
道路工程文件归档范围(2018年修订)
3.2 水文地质勘察报告现场管理人员名册
3.3 规划放(验)线记录
6.3 监理单位项目总监及监理人员名册
3.4 初步设计文件(说明书)
3.4 规划设计条件通知书(总规划
平面图)
6.4
施工单位项目经理及质
量管理人员名册
3.5 设计方案及审查意见
6.5 建筑工程五方主体(建设、勘察、设计、施工、监理)项目负责人质量终身责任承诺书
3.6 人防、环保、消防等有关行政主管部门(对设计方案)审查意见
3.7 设计计算书(高层建筑)
6.6 建筑工程五方主体(建设、勘察、设计、施工、监理)项目负责人授权书
3.8 施工图
3.9 施工图设计审查意见、审查报告、备案表
3.10 节能设计备案文件监理文件
注:工程性质及实际情况不同,归档文件内容有所差异。
序号归档文件自
查
核
验
序号
归档文件
自
查
核
验
7、监理文件9.11 集料检验报告
7.1 监理规划9.12 商品混凝土产品合格证
7.2 监理实施细则9.13 道路石油沥青进场复试报告
7.3 工程开工报告、审批表9.14
沥青混合料(用粗集料、
用细集料、用矿粉)进场。
年第号
日照市
建设工程竣工档案预验收申请表
建设单位(盖章)
填报日期
日照市城市建设档案馆
1.建设工程竣工档案预验收申请表由建设单位负责填写,一式两份,建设单位、城建档案管理机构各存一份。
一律用钢笔书写,字迹清晰工整。
2.建设工程竣工档案经由城建档案管理机构预验收合格并履行相关认可手续后,建设单位方可组织工程竣工验收。
3.建设单位在工程竣工验收3个月内,向城建档案管理机构报送移交一套符合规定的建设工程竣工档案。
建设工程档案预验收/验收申请表申请单位:
建设项目名称
建设工程规划许可证号
建设位置
(区、路、街、号)
建设规模
(栋、层、建筑面积)
专项验收情况(填写发文号)
*消防验收*规划验收
*环保验收防雷验收
人防验收卫生验收
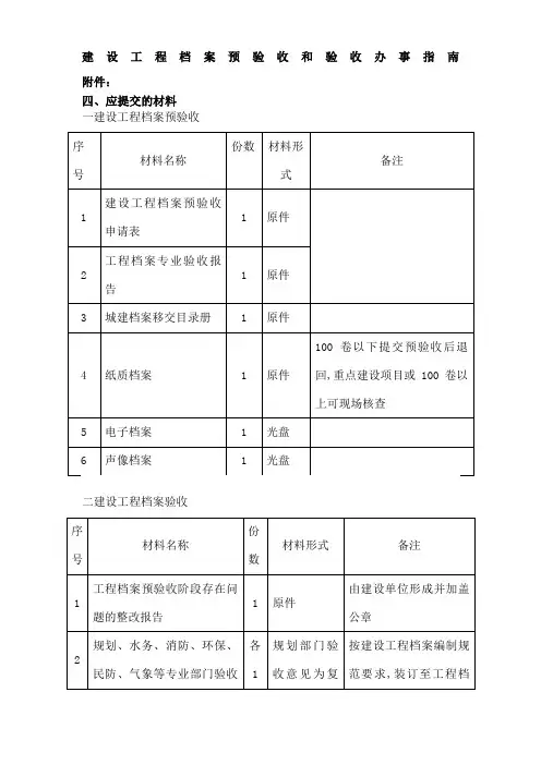
档案验收提交材料《工程档案专业验收报告》
包括内容:
1.工程概况
2.工程档案形成、积累、整理、归档情况
3.竣工图的编制情况及质量
4.工程档案汇总情况
5.档案存在问题及解决措施
《城建档案移交目录》(MDB格式)
包括内容:
1.建设工程档案概况表
2.城建档案移交书
3.案卷目录
4.全部案卷的卷内目录
档案数量纸质档案共卷,其中文字材料卷,图纸卷。
声像档案共卷,其中照片卷,视频卷(盒、张),音频卷(盒、张)。
联系人电话
建设单位意见:
(盖章)
年月日监理单位意见:
(盖章)
年月日
施工单位意见:
(盖章)
年月
日
(2013)。
项目工程竣工预验收报验表
一、基本信息
二、项目概况
根据合同要求,项目工程已完成施工。
现申请进行竣工预验收,下面是项目的基本概况:
三、工程质量情况
四、安全生产情况
在施工过程中,我们始终注重安全生产,并严格按照相关法规和标准进行操作。
以下是项目的安全生产情况:
五、项目经费使用情况
请提供项目经费使用情况的详细说明。
六、项目竣工验收意见
根据对项目工程的预验收情况,我们提出如下竣工验收意见:
1. 工程质量达到设计要求。
2. 安全生产工作得到有效执行。
3. 项目经费使用合理。
七、预验收意见
请根据对项目工程的预验收情况,提出预验收意见。
八、附件清单
请在此列出所有相关的附件。
建设工程档案预验收申请表
申请日期: (市政工程)
建设工程规划工程名称许可证号
工程档案工程地址登记号
长度建设单位
管径设计单位
竣工测量单位施工单位
计划竣工验收监理单位日期建设单位邮政编码通讯地址
建设单位联系电话联系人
工程档案编制及自检情况说明
一、文件部分:
二、竣工图部分:
预验收申请附表:《预验收工程档案目录》
建设单位; (章)
单位负责人:
电话: 此表及预验收申请附表由建设单位组织监理和施工单位对准备提交预验收的工程档案进行自检后填写,文件部分:应
填写文件是否齐全完整,案卷数量,组卷情况等,竣工图部分:应填写竣工图绘制情况,案卷数量及组卷情况。
工程竣工预验收申请表
表号:DJB-B8
本表一式__份,由项目监理部填报,建设管理单位存一份,项目监理部存__份
填写、使用说明:
1、竣工验收报告需采用红头文件,主送、抄送单位均按合同甲、乙方名称,并盖
公司红章;
2、竣工验收申请单上,承包单位(章)盖公司章;
3、项目监理部审查意见:
经竣工预验收及其存在问题整改消缺、复查,该工程是否符合现行法律、法规要求;是否符合现行工程建设标准;是否符合设计文件要求;是否符合施工合同要求。
根据该工程竣工初步验收情况签署是否同意组织正式竣工验收,请建设管理单位批准。