建设工程档案预验收
- 格式:doc
- 大小:429.50 KB
- 文档页数:19
工程档案预验收及解决方案一、前言工程预验收是指在工程全部完工之前,由业主委托,对工程施工质量及技术要求计划进行检查、评估和论证,明确工程接受标准,预防交接时可能引起的纠纷及经济损失。
本文主要从工程档案预验收的基本内容、验收程序及解决方案等方面进行探讨。
二、工程档案预验收的基本内容1、工程档案预验收的作用工程档案预验收是工程施工中的一项重要环节,其目的在于确认工程施工质量和工程性能是否符合设计要求和技术规范,是否能满足规划、设计、建设、验收、运营等各阶段的需要。
它不仅是保证工程建设质量和工期的基础,也是建筑工程竣工、交接、验收、验收规范、操作、运维等各种需要的前提。
2、工程档案预验收的基本内容工程档案预验收的基本内容主要包括三个方面,即工程施工质量、技术要求及质量验收合格证明。
具体包括但不仅限于施工过程中的施工方案、质量验收记录、技术规范、验收标准等。
三、工程档案预验收的验收程序1、验收程序工程档案预验收的程序主要包括三个阶段,即前期准备、中期检查和后期总结。
前期准备阶段主要包括对施工过程的模拟验收,中期检查阶段主要包括对施工过程中产生的各种问题进行分析和评估,后期总结阶段主要包括对验收结果的汇总和归纳。
2、验收要求工程档案预验收的验收要求主要包括三个方面,即验收标准、验收流程及验收范围。
验收标准主要包括对施工质量和技术要求的具体规定,验收流程主要包括对验收程序的具体安排和实施,验收范围主要包括对验收内容的具体界定和划分。
四、工程档案预验收中存在的问题及解决方案1、存在的问题工程档案预验收中存在的问题主要包括两个方面。
一是工程施工质量和技术要求不符合设计要求和技术规范。
二是工程质量验收合格证明不全面、不准确。
这些问题严重影响了工程的质量和技术要求,也严重影响了工程的交接和运营。
2、解决方案针对上述存在的问题,可以采取三个方面的解决方案。
首先,对工程施工质量和技术要求不符合设计要求和技术规范的问题,应采取强制整改措施,迫使施工方进行整改并重新验收。
城市建设工程档案预验收规定Document serial number【KKGB-LBS98YT-BS8CB-BSUT-BST108】城市建设工程档案预验收规定第一条根据国务院《建设工程质量管理条例》(国务院第279号令)、建设部《房屋建筑工和市政基础设施工和竣工验收备案管理暂行办法》(建设部第78号令)及建设部《城市建设档案管理规定》(建设部第90号令),省建设厅《转发建设部关于贯彻国务院第279号令和建设部第78号令切实加强工档案管理工作的通知》(粤建字[2001]105号),制定本办法。
第二条凡在本市城市规划区内需办理备案的建设工程,工程竣工验收前的工档案预验收,适用本办法。
第三条建设单位在组织竣工验收前,应当提请城建档案管理机构对工程档案进行预验收。
预验收合格后,由城建档案管理机构出具工档案认可文件。
第四条建设单位在取得工程档案认可文件后,方可组织工程竣工验收。
建设行政主管部门在办理竣工验收备案时,应当查验工程档案认可文件。
第五条工程档案预验收应当具备下列条件:(一)建设工程经建设单位、监理单位、施工单位自行验收完毕;(二)全部工程档案文件材料按有关规定已收集齐全、整理完毕;第六条工程档案预验收的主要包括:1.工程档案是否齐全、系统、完整;2.工程档案是否整理立卷,立卷是否符合城建档案有关规定;3.工程档案的内容是否真实、准确的反映工程建设活动和工程实际状况;4.工程档案签字、盖章手续是否完备,竣工图编制是否符合要求。
第七条工程档案预验收按下列程序进行:(一)工程档案预验收前,监理单位、施工单位档案管理人员应对本单位形成的档案按照有关规定进行自行验收,报建设单位审查。
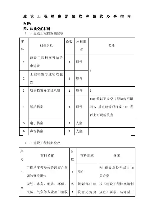
(二)建设单位汇总各监理、施工单位报送的工程档案后,档案管理人员应对各单位报送的和本单位形成的工程档案按照有关规定进行审核和自行验收,向市城建档案管理部门填报《建设工程档案预验收申请表》(附件1,以下称《申请表》)。
(三)市城建档案和理部门接到《申请表》后对申请进行核查,申请符合规定的,应自收《申请表》之日起7个工作日内进行预验收。
建设工程档案预验收的意义探讨作者:肖梦蝶来源:《企业文化》2017年第33期摘要:建设工程档案作为城建档案的重要组成部分,是建设项目管理、维护、改建等工程的重要依据,建设工程档案预验收则是保证工程档案准确性和完整性的重要环节。
本文以湛江市鉴江水利工程为例,分析建设工程档案所包含的资料,针对建设工程档案预验收的意义展开重点探讨。
关键词:建设工程;档案预验收;意义验收环节作为水利建设工程的核心节点程序,从宏观上看,通过验收这一环节即可为工程的建设画上句号。
验收游客分为预验收与竣工验收两个阶段,而预验收作为竣工验收的前置性条件,属政府验收范畴。
我国《水利工程建设项目验收管理规定》中明确了档案预验收的必要性,在广东省地区也制定了相关的地方性法规加以约束,有着极为重要的现实意义。
一、建设工程档案所包含的资料(一)工程的准备文件水利建设单位在办理建设项目的过程里所产生的所有资料和信息,包含立项文件、征地和拆迁文件、建设用地;设计、勘察与测绘文件;合同文件、招投标以及审批性文件资料等。
(二)监理文件监理单位在工程建立的过程里所形成的一系列资料,包括工程监管报告、进度控制情况、工程质量报告和投资控制信息等。
(三)施工文件项目的施工技术管理、水利混凝土施工、U型槽施工等。
(四)竣工图纸水利工程在验收后,能够真实反应项目建成效果的图纸,包括整体工程、各分项工程、泵站工程、堤防工程、水闸等,以及一些专业技术性的,能够反映出项目地基情况、设备安装情况的、项目运行情况的文件资料,以作为项目竣工验收、改建、扩建和维护的依据,是档案的核心[1]。
(五)竣工文件水利单位在项目竣工办理的过程中所形成的所有材料,包括各分项的验收报告、质量检查记录和四大报告等。
(六)电子与声像档案所移交的档案按文件范围应当与规范的范围一致,声像档案则包括建设活动、施工情况等具备保存意义的资料。
二、建设工程答案预验收的意义(一)是保证档案完整性和准确性的关键在以往的工程建设中,施工方往往并不重视档案的收集与管理,并未设置专人进行档案管理,在工程竣工完成后,文件资料严重混乱、缺失,严重影响了移交工作。
建设工程档案预验收
建设单位在组织工程竣工验收前,须提请城建档案管理机构对工程档案进行预验收。
建设单位未取得城建档案管理机构的认可,不得组织工程竣工验收。
城建档案管理部门在进行工程档案预验收时,重点验收以下内容:
1、工程档案齐全、系统、完整;
2、工程档案的内容真实、准确地反映工程建设活动和工程实际状况;
3、工程档案已整理立卷,立卷符合规范的规定;
4、竣工图绘制方法、图式及规格等符合专业技术要求,图面整洁,盖有竣工图章;
5、文件的形成、来源符合实际,要求单位或个人签章的文件,其签章手续完备;
6、文件材质、幅面、书写、绘图、用墨、托裱等符合要求。
建设工程档案预验收申请审核表(管线工程)吉安市城市建设档案馆建设工程档案预验收申请审核表编号:管线工程文件归档范围序号归档文件自查核验序号归档文件自查核验工程准备阶段文件 4.4 施工招投标文件(招标文件、中标书)1、立项文件 4.5 施工承包合同1.1 项目建议书及批复文件 4.6 工程监理招标文件1.2 可行性研究报告及批复文件 4.7 监理委托合同1.3 专家论证意见、项目评估文件5、开工审批文件1.4 有关立项的会议纪要、领导批示 5.1 建设工程规划许可证及其附件2、建设用地、拆迁文件 5.2 建设工程施工许可证2.1 选址规划意见通知书 5.3 工程质量监督书、登记表、监督计划2.2 建设用地批准书6、工程建设基本信息2.3 拆迁安置意见、协议、方案等 6.1 工程概况信息表2.4 建设用地规划许可证及其附件、征(用)地红线图6.2建设单位项目负责人及现场管理人员名册2.5 国有土地使用权证(可交复印件)及附件6.3 监理单位项目总监及监理人员名册3、勘察、测绘、设计文件 6.4 施工单位项目经理及质量管理人员名册3.1 工程地质勘察报告 6.5 建筑工程五方主体(建设、勘察、设计、施工、监理)项目负责人质量终身责任承诺书3.2 水文地质勘察报告 6.6 建筑工程五方主体(建设、勘察、设计、施工、监理)项目负责人授权书3.3 规划放(验)线记录监理文件3.4 初步设计文件(说明书)7、监理文件3.5 规划设计条件通知书(总规划平面图)7.1 监理规划3.6 设计方案及审查意见7.2 监理实施细则3.7 人防、环保、消防等有关行政主管部门(对设计方案)审查意见7.3 工程开工报告、审批表3.8 设计计算书7.4 工程停工、复工令3.9 施工图7.5 工程竣工决算审核意见书3.10 施工图设计审查意见、合格证、备案表7.6 监理通知及回复单3.11 节能设计备案文件7.7 工程延期申请、审批表4、招投标文件7.8 监理工作总结4.1 招标代理合同7.9 质量事故勘查、处理记录4.2 勘察设计招投标文件施工文件4.3 勘察、设计承包合同8、施工技术、管理文件序号归档文件自查核验序号归档文件自查核验8.1企业资质证书及相关专业人员岗位证书(可交复印件)10.8中间检查交接记录8.2 施工组织设计(监理审批表)10.9混凝土浇筑施工记录8.3 图纸会审记录10.10箱涵、管道顶进施工记录8.4 设计变更通知单11、施工试验检测文件8.5 工程洽商记录(技术核定单)11.1击实试验报告8.6 施工材料见证取样记录表、授权书、试验检测汇总表11.2地基钎探报告9、施工物资出厂质量证明及进场检测文件11.3管道沟槽回填土压实度检验汇总表、检验报告、检验记录9.1 钢材出厂合格证、试验汇总表、复试试验报告11.4砂浆抗压强度试验报告、汇总表9.2 水泥出厂合格证、试验汇总表、试验报告11.5混凝土抗压(抗渗性能)强度检验报告、评定表、汇总表9.3 砂的试验汇总表、试验报告11.6石灰、水泥稳定土中含灰量检测记录(EDTA法)9.4 石料试验汇总表、试验报告11.7焊缝质量检测报告9.5 砖、砌块等出厂合格证、试验汇总表、试验报告11.8钢筋焊接连接(机械连接)接头检验报告9.6 粉煤灰出厂合格证、试验汇总表、复试试验报告11.9无压管道闭水试验记录9.7 混凝土外加剂进场复试报告11.10压力管道水压试验记录表9.8 商品混凝土产品合格证11.11压力管道强度及严密性试验记录9.9 预制构件产品合格证、出厂检验报告、复试试验报告11.12管道通球试验记录9.10 管道构件产品合格证、出厂检验报告、复试试验报告11.13设备试运行记录9.11 检查井盖、井框出厂检验报告、复试试验报告11.14设备调试记录9.12 其他施工物资产品合格证、出厂检验报告、复试试验报告12、施工质量验收记录10、施工记录文件12.1单位(子单位)工程质量控制资料核查记录表10.1 测量交接桩记录12.2单位(子单位)工程安全和功能检验资料核查及主要功能抽查记录表10.2 工程定位测量记录12.3单位(子单位)工程外观质量检查记录表10.3 水准点复测记录12.4土方工程分部(子分部)工程质量验收记录10.4 导线点复测记录12.5土方工程分项质量验收记录10.5 测量复核记录12.6管道主体工程分部(子分部)工程质量验收记录10.6 沉降观测记录12.7管道主体工程分分项工程质量验收记录10.7 隐蔽工程检查验收记录12.8附属构筑物工程分部(子分部)工程质量验收记录序号归档文件自查核验序号归档文件自查核验12.9附属构筑物工程分项质量验收记录15.1 工程准备阶段电子文件12.10 其他施工质量验收文件15.2 监理电子文件竣工验收文件15.3 施工技术电子文件13、竣工验收文件15.4 竣工验收电子文件13.1 工程竣工预验收报验表15.5 电子版竣工图13.2 施工单位竣工总结(报告)声像档案13.3 单位(子单位)工程质量竣工验收记录16、声像档案13.4 竣工验收报告及会议纪要16.1反映工程原址、原貌及周边状况声像档案13.5 勘察单位质量检查报告16.2 记录工程重大活动如征拆、签约、工程招投标、奠基等声像档案13.6 设计单位质量检查报告16.3 记录基础施工过程中工程测量、放线、打桩、开挖、桩基处理等关键工序声象档案13.7 监理单位质量评估报告16.4 记录主体施工过程中整体情况,钢筋、模板、混凝土施工、隐蔽工程、内外装饰声像档案13.8 质量监督报告16.5 反映工程采用的新技术、新材料、新工艺声像档案13.9 安全监督报告、安全竣工通知16.6 记录工程重大事故整个过程声像档案13.10 测绘成果报告16.7 记录工程验收情况、竣工典礼声像档案13.11 规划、消防、环保、人防等部门出具的认可或准许使用文件16.8 反映竣工后工程面貌声像档案13.12 工程质量保修单13.13 决算、审计文件13.14 竣工验收备案表13.15 档案预验收意见13.16 工程照片(开工前旧貌、竣工后新貌、隐蔽工程、质量事故处理等照片)竣工图14、管线工程竣工图(平面、断面、剖面等)电子档案15、电子档案。
城市建设工程档案预验收规定档案,验收,建设工程,规定相关资讯是工作生活常常需要使用到的,其写作内容格式也少为人所了解,以下是我细心整理的城市建设工程档案预验收规定,欢迎阅读,盼望大家能够喜爱。
篇1:城市建设工程档案预验收规定城市建设工程档案预验收规定第一条依据国务院《建设工程质量管理条例》(国务院第279号令)、建设部《房屋建筑工和市政基础设施工和竣工验收备案管理暂行方法》(建设部第78号令)及建设部《城市建设档案管理规定》(建设部第90号令),省建设厅《转发建设部关于贯彻国务院第279号令和建设部第78号令切实加强工档案管理工作的通知》(粤建字[20**]105号),制定本方法。
其次条凡在本市城市规划区内需办理备案的建设工程,工程竣工验收前的工档案预验收,适用本方法。
第三条建设单位在组织竣工验收前,应当提请城建档案管理机构对工程档案进行预验收。
预验收合格后,由城建档案管理机构出具工档案认可文件。
第四条建设单位在取得工程档案认可文件后,方可组织工程竣工验收。
建设行政主管部门在办理竣工验收备案时,应当查验工程档案认可文件。
第五条工程档案预验收应当具备下列条件:(一)建设工程经建设单位、监理单位、施工单位自行验收完毕;您正在扫瞄的文章由www.glwk8.om()整理,版权归原、原出处全部。
(二)全部工程档案文件材料按有关规定已收集齐全、整理完毕;第六条工程档案预验收的主要包括:1.工程档案是否齐全、系统、完整;2.工程档案是否整理立卷,立卷是否符合城建档案有关规定;3.工程档案的内容是否真实、精确的反映工程建设活动和工程实际状况;4.工程档案签字、盖章手续是否完备,竣工图编制是否符合要求。
第七条工程档案预验收按下列程序进行:(一)工程档案预验收前,监理单位、施工单位档案管理人员应对本单位形成的档案根据有关规定进行自行验收,报建设单位审查。
(二)建设单位汇总各监理、施工单位报送的工程档案后,档案管理人员应对各单位报送的和本单位形成的工程档案根据有关规定进行审核和自行验收,向市城建档案管理部门填报《建设工程档案预验收申请表》(附件1,以下称《申请表》)。
工程档档案预验收制度一、总则为规范工程档案的管理,确保工程资料的完整性和可靠性,保障工程质量和安全,特制定本预验收制度。
二、适用范围本制度适用于所有涉及施工项目的工程档案管理,包括但不限于工程竣工验收、档案编制、资料整理和存档等工作。
三、预验收工作流程1.工程验收结束后,相关部门完成验收汇总工作,形成验收报告。
2.验收报告提交工程档案管理部门,由工程档案管理员核对验收资料的完整性和规范性。
3.工程档案管理员组织过档资料的整理和编制,完善档案目录。
4.工程档案管理员组织工程档案的存档工作,定期进行检查和维护。
5.工程档案管理部门将完成的工程档案提交给相关部门备案并通报。
四、主要内容1.工程档案编制(1)包括承包单位提供的资料、施工单位提供的资料、监理单位提供的资料以及工程竣工验收结果等。
(2)要求档案资料内容齐全,规范、准确,整理清楚,易于查阅。
2.工程档案存档(1)档案要按照规定的存档地点进行归档,保管好档案资料,防止灰尘和湿气的侵蚀。
(2)定期对档案进行检查和整理,发现问题及时处理,做到及时更新完善。
3.档案查阅(1)对于需要查阅档案资料的部门或个人,要按照规定程序办理,经批准后方可查阅。
(2)查阅档案资料时,要保持档案整齐、完整,不得翻动、涂写档案资料。
4.档案管理培训(1)对工程档案管理员进行相关培训和考核,提高其管理水平和工作效率。
(2)定期组织工程档案管理培训,推广工程档案管理的知识和技能。
五、责任和监督1.各相关部门要加强对工程档案管理工作的重视,保障工程档案的完整性和可靠性。
2.工程档案管理员要认真履行职责,严格按照制度规定进行操作,确保档案管理工作的顺利进行。
3.定期对工程档案管理工作进行检查和评估,发现问题及时整改,做好工程档案管理工作的改进与提升。
4.对于违反工程档案管理制度的行为,要给予相应的处罚和警告,确保工程档案管理工作的规范和有效性。
六、其他1.本制度自公布之日起生效。
建筑工程档案验收的程序
(1)工程竣工验收前,各参建单位的主管(技术)负责人应对本单位形成的工程资料进行竣工审查。
建设单位应按照国家验收规范的规定和城建档案管理的有关要求,对勘察、设计、监理、施工等单位汇总的工程资料进行验收,使其完整、准确、真实。
(2)单位(子单位)工程完工后,施工单位应自行组织有关人员进行检查评定,合格后填写《工程竣工报验单》,并附相应的竣工资料(包括分包单位的竣工资料)报项目监理部,申请工程竣工预验收。
总监理工程师组织项目监理部人员与施工单位进行检查验收,合格后总监理工程师签署《工程竣工报验单》。
(3)单位工程竣工预验收通过后,应由建设单位(项目)负责人组织设计、监理、施工(含分包单位)等单位(项目)负责人进行单位(子单位)工程验收,形成《单位(子单位)工程质量竣工验收记录表》。
当参加验收各方对工程质量验收意见不一致时,可请当地建设行政主管部门或工程质量监督机构协调处理。
(4)对于国家和省市重点工程项目的预验收或验收会,应有城建档案管理机构的有关人员参加。
(5)工程竣工验收前,应由城建档案管理机构对工程档案进行预验收,并出具《建设工程竣工档案预验收意见》。
(6)工程竣工验收后,工程档案再经城建档案管理机构验收,不合格的应由城建档案管理机构责成建设单位重新进行编制,符合要求后重
新报送,直到符合要求为止。
钢结构子分部工程质量验收报告 14. 幕墙工程 1 材料、附件及紧固件及组件质量合格证及进场验收记录场复试报告、性能检测报告 2 硅酮结构胶相容性和剥离粘结性试验报告 3 后置埋件的现场拉拔检测报告 4 幕墙的风压变形性能、气密性能、水密性能检测报告 5 抗雨水渗漏性能检查记录 6 幕墙构件出厂合格证 7 隐蔽工程验收记录 8 幕墙子分部工程质量验收记录、检验批子分部、分项、检验批 9 幕墙子分部工程施工技术资料审查表 10 幕墙子分部工程质量验收报告 15. 电梯工程(不同型号每台电梯单独组卷) 1 电梯安装工程开工登记表 2 电梯施工方案 3 接地电阻、绝缘电阻测试记录 4 空载、半载、满载、超载试运行记录 5 平衡、运速、噪音调整试验记录 6 电梯工程质量验收记录 7 电梯工程质量验收报告 16.室外安装工程 1 各种材料的合格出厂证/性能检测报告2各种材料的进场验收记录/复试报告3隐蔽工程验收记录4施工记录5室外安装工程质量验收记录、检验批 6 室外安装工程分部工程质量验收报告三、逐套验收 1、逐套验收实施方案 2、逐套验收汇总表 3、逐套验收资料四、竣工图 1、建筑竣工图 2、结构竣工图 3、给排水竣工图 4、电气竣工图 5、其它竣工图五、工程电子档案(与纸质档案同步)六、工程声像档案 8 第 6 页
注: 1.除特别说明接收复印件的,其他应为原件。
2.市城建档案馆业务指导科联系电话:0771-******* 第 7 页。
档案预验收档案预验收流程:1、由甲方出面预约城建档案馆进行档案预验收,对方将集中对甲方基建文件、监理文件和总包施工文件进行检查。
2、在预验收后会开具“工程竣工档案预验整改意见”,内容一般为缺少的文件列表,复查时需将缺少的文件带去检查,复查通过后会开具档案预验收合格单(合格单上的资料移交时间为3个月内)。
二、相关单位组织单位:建设单位;参与单位:总包单位、监理单位。
配合单位:各专业分包。
三、资料准备:1)甲方A11、项目建议书(代可行性研究报告) 2、项目建议书(代可行性研究报告)的批复文件 3、关于立项的会议纪要、领导批示 4、专家对项目的有关建议文件 5、项目评估研究资料档案预验收合格单复查基建文件监理文件工程竣工档案预验整改意见档案预验收施工文件A21、规划意见书及附图2、建设用地规划许可证、许可证附件及附图3、国有土地使用证4、北京市城镇建设用地批准书A31、工程地质勘察报告2、建筑用地钉桩通知单3、验线合格文件4、设计方案审查意见5、消防设计审核意见6、施工图审查通知书A51、建设工程规划许可证、附件及附图2、建设工程施工许可证A61、工程结算A71、建设工程竣工验收备案表2、建设工程档案预验收意见3、建设工程规划、小刚等部门的验收合格文件A81、工程未开工前的原貌、竣工新貌图片2、工程开工、施工、竣工的录音录像资料3、建设工程概况2)监理方:1、质量事故报告及处理资料2、竣工移交证书3、工程质量评估报告4、工程变更单3)总包方:1、图纸会审记录2、设计变更通知单3、工程变更洽商记录C3:1、工程定位测量记录C4无C51、地基验槽检查记录2、地基处理记录3、地基钎探记录(附图)C61、地基承载力检验报告C71、分部(子分部)工程验收记录表C81、单位(子单位)工程质量控制资料核查表2、单位(子单位)工程安全和功能检查资料核查及主要功能抽查激励(没有)3、单位(子单位)工程观感质量检查记录4、室内环境检查报告5、工程竣工质量报告6、节能工程现场实体检验报告7、工程概况表√8、竣工图。
交流Ex c h a n g E322014年第3期施工及竣工预验收阶段工程档案归档的常见问题□张颜【摘 要】工程项目建设档案中的施工过程、竣工预验收、竣工图和声像档案这四部分,在收集和归档过程中存在着一些常见的问题,本文对其作一归纳总结,目的在于提高工程项目档案的归档质量。
【关键词】工程项目档案归档常见问题过程中,会出现施工单位发现设计文件和图纸有出入,或者因施工条件、建筑材料等无法符合原设计要求而需要进行施工图修改,或者建设单位对原设计提出修改意见的情况,这样便产生设计变更的文件和图纸。
设计变更如涉及工程规模、规划、环境、消防、人防等政府监管内容的,必须将有关行政主管部门的许可文件一并归档,设计变更文件上必须注明原来的设计图号并附新的图纸。
另外,所有的设计变更应汇总于一份文件中。
而在实际工作中,施工单位没有将行政主管部门的许可文件归档,相应的变更后的设计图纸没有随设计变更文件归档的情况经常发生。
(三)室外工程室外工程包括室外附属建筑、室外环境建设和室外安装三部分的工程。
室外工程的竣工档案应该随主体工程一起归档。
室外排水、供热工程档案在建筑物投入使用后的物业管理和维护中将发挥重要作用。
然而因为这室外工程一般会分包给其他施工单位,工程量不是很大,施工单位在收集整理汇总整个工程档案时,这部分档案经常不齐全,甚至完全缺失,从而影响了整个工程项目档案的完整性。
(四)分部(子分部)工程质量验收记录根据国家标准《建筑工程施工质量验收统一标准》(G B50300-2001)的规定,一项建筑工程可以划分为九个分部工程,每个分部工程下面又再划分出若干个子一个项目的建设工程档案包括工程准备、监理、施工过程、竣工预验收、竣工图、声像档案六大部分的内容,本文拟就施工过程、竣工预验收、竣工图和声像档案这四部分档案,根据笔者到工程项目施工单位进行档案业务指导工作中发现的常见问题作一归纳总结,旨在督促工程项目各单位完善对这部分档案资料的收集、整理和归档工作。
建设工程档案预验收申请审核表
(桥梁工程)
吉安市城市建设档案馆
建设工程档案预验收申请审核表
编号:
附件3:桥梁工程档案归档范围
(2018年修订)
3.3 规划放(验)线记录名册
3.4 初步设计文件(说明书)
6.4
施工单位项目经理及质量管理
人员名册
3.4
规划设计条件通知书(总规划
平面图)
6.5 建筑工程五方主体(建设、勘察、设计、施工、监理)项目负责人质量终身责任承诺书
3.5 设计方案及审查意见
3.6 人防、环保、消防气象等有关
行政主管部门(对设计方案)
审查意见 6.6
建筑工程五方主体(建设、勘
察、设计、施工、监理)项目
负责人授权书
3.7 设计计算书
3.8 施工图
监理文件
3.9
施工图设计审查意见、审查报
告、合格证、备案表7、监理文件
3.10 节能设计备案文件7.1 监理规划
4、招投标文件7.2 监理实施细则
4.1 招标代理合同7.3 工程开工报告、审批表
注:工程性质及实际情况不同,归档文件内容有所差异。
序号归档文件自查核验序号归档文件自查核验7.4 工程停工、复工令9.14
沥青混合料(用粗集料、用细
集料、用矿粉)进场复试报告
7.5 工程竣工决算审核意见书9.15 沥青胶结材料进场复试报告
7.6 监理通知及回复单9.16 预应力筋用锚具连接器、支座
伸缩装置合格证、试验报告
序号归档文件自查核验序号归档文件自查核验C4 施工物资文件20
预应力筋用锚具连接器、支座伸
缩装置合格证
出厂质量证明文件及检测报告21 钢铁构件合格证、出厂检验报告
1 水泥产品合格证、出厂检验报告22
扭剪型高强度螺栓连接副紧固
预接力检验报告
2
各类砌砖、砖块合格证、出厂检
验报告23
高强度大六角头螺栓连接副扭
矩系数检验报告
3
砂、石料产品合格证、出厂检验
报告
24 高强度螺栓洛氏硬度检验报告4 钢材产品合格证、出厂检验报告25 钢绞线力学性能检验报告
5
粉煤灰产品合格证、出厂检验报
告26
桥梁用结构钢力学性能检验报
告
6
混凝土外加剂产品合格证、出厂
检验报告27
桥梁用结构钢化学性能检验报
告
7 商品混凝土产品合格证28
防腐(防火)涂料产品合格证、
出厂检验报告
8 商品混凝土出厂检验报告29
其他施工物资产品合格证、出厂
检验报告
9
预制构件产品合格证、出厂检验
报告
进场检验通用表格
10
道路石油沥青产品合格证、出厂
检验报告
1 材料、构配件进场验收记录
11 沥青混合料(用粗集料、用细集
料、用矿粉)产品合格证、出厂
检验报告
2 见证取样送检汇总表
12 沥青胶结(用粗集料、用细集料、
用矿粉)产品合格证、出厂检验
报告
进场复试报告
13 石灰产品合格证、出厂检验报告 1
主要材料、半成品、构配件、设
备进场复检汇总表
14 土体试验检验报告 2 见证取样送检检验成果汇总表
15 土的有机质含量检验报告 3 钢材进场复试报告
16 集料检验报告 4 水泥进场复试报告
17 石材检验报告 5 各类砌砖、砖块进场复试报告
18
土工合成材料合格证、出厂检验
报告
6 砂、石进场复试报告
19 土工合成材料力学性能检验报告7 粉煤灰进场复试报告
序号归档文件自查核验序号归档文件自查核验
8 混凝土外加剂进场复试报告26 构件吊装施工记录
9 道路石油沥青进场复试报告27 伸缩缝安装施工记录
10 沥青混合料(用粗集料、用细集
料、用矿粉)进场复试报告28 支座安装施工记录
11 沥青胶结材料进场复试报告29 钢梁预拼装记录
12 石灰进场复试报告30 涂装前钢材表面除锈等级检查
记录
13 预制小型构件复检报告31 涂装前钢材表面粗糙度等级检
查记录
14 防腐(防火)涂料复试检验报告32 钢结构防腐(火)涂料施工记录
20 沉井下沉施工记录16 水泥混凝土抗压强度统计评定表
21 大体积混凝土养护测温记录17 水泥混凝土配合比申请单、通知单
22 冬季施工混凝土养护测温记录18 水泥混凝土抗压强度试验报告
23 预应力张拉记录19 水泥混凝土抗折强度统计评定表
24 预应力孔道压浆记录20 水泥混凝土抗折强度检验报告
25 预应力构件封锚施工记录21 水泥混凝土配合比设计试验报告
序号归档文件自查核验序号归档文件自查核验
22 道路基层、面层厚度检测报告50 沥青面层压实度记录
23 砂浆试块强度检验汇总表51 饰面砖粘结强度检验报告
24 砂浆抗压强度统计评定表52 预制混凝土构件结构性能检验报告
25 砂浆抗压强度检验报告53 桥梁锚具、夹具静载锚固性试验报告
26 砂浆配合比申请单、通知单54 桥梁拉索超张拉检验报告
27 砂浆配合比设计试验报告55 桥梁拉索张拉力振动频率检验报告
28
水泥混凝土总碱含量、氯离子含
量、氯离子扩散系数核算单
56 桥梁静、动载试验报告
29 桩身完整性检测报告57 其他施工试验及检验文件
30 桩承载力测试报告C7 施工质量验收记录
31 钢筋焊接连接试验报告汇总表 1 地基与基础分部(子分部)工程
质量验收记录
32 钢筋焊接接头试验报告 2 地基与基础工程检验批质量验
收记录
33
钢筋机械连接性能检验报告汇
总表3 墩台分部(子分部)工程质量验
收记录
34 钢筋机械连接接头检验报告 4 墩台工程检验批质量验收记录
35 焊缝质量综合评价汇总表 5 盖梁分部(子分部)工程质量验
收记录
36 焊缝超声波探伤报告 6 盖梁工程检验批质量验收记录
37 焊缝超声波探伤记录7
支座分部(子分部)工程质量验
收记录
38 构件射线探伤报告8 支座工程检验批质量验收记录
39
高强度螺栓摩擦面抗滑移系数
检验报告9
索塔分部(子分部)工程质量验
收记录
40 混凝土钢筋保护层厚度检验报告10 索塔工程检验批质量验收记录
41 钢梁涂装前粗糙度评定测试报告11 锚锭分部(子分部)工程质量验
收记录
42 钢结构涂层厚度检验报告12 锚锭工程检验批质量验收记录
43 钢梁焊接工艺评定及焊接工艺13 桥垮承重结构分部(子分部)工
程质量验收记录
44 水泥混凝土轴心抗压强度检验
报告14 桥垮承重结构工程检验批质量验收记录
45 水泥混凝土静力受压弹性模量
检验报告15 顶进箱涵分部(子分部)工程质量验收记录
46 沥青混合料马歇尔试验报告16 顶进箱涵工程检验批质量验收
记录
47 沥青混合料矿料极配及沥青用
量检验报告17 桥面系分部(子分部)工程质量验收记录
48 沥青面层压实度检验汇总评定表18 桥面系工程检验批质量验收记录
49 沥青面层压实度报告19 附属构筑物分部(子分部)工程
质量检验记录
序号归档文件自查核验序号归档文件自查核验20
附属构筑物工程检验批质量检
验记录
3 施工单位工程竣工报告
记录表
5
单位(子单位)工程外观质量检
查记录表
E2 竣工决算文件
6 施工资料移交书 1 施工决算文件
7 其他施工验收文件 2 监理决算文件
竣工图(D类)E3 工程声像文件
1 桥梁竣工图 1 开工前原貌、施工阶段、竣工新
貌照片
工程竣工验收文件(E类) 2 工程建设过程的录音、录像文件
(重大工程)
E1 竣工验收与备案文件 3 记录基础施工过程中工程测量、放线、打桩、开挖、桩基处理等关键工序声象档案
1 勘察单位工程评价意见报告 4 记录主体施工过程中整体情况,钢筋、模板、混凝土施工、隐蔽工程、内外装饰声像档案
2 设计单位工程评价意见报告 5 反映工程采用的新技术、新材料、新工艺声像档案
序号归档文件自查核验序号归档文件自查核验6
记录工程重大事故整个过程声
像档案
7
记录工程验收情况、竣工典礼
声像档案
8 反映竣工后工程面貌声像档案
E4 其他工程文件
注:表中符号“▲”表示必须归档保存;“△”表示选择性归档保存。