内部审核计划表
- 格式:doc
- 大小:148.00 KB
- 文档页数:10
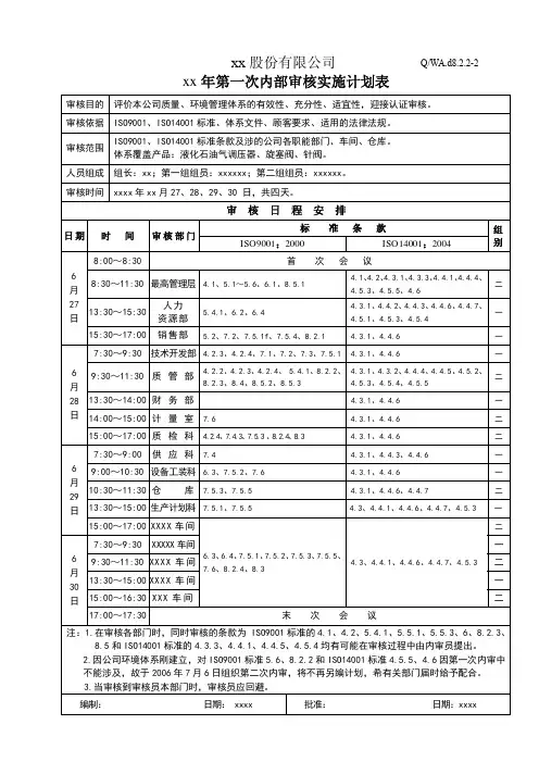
xx股份有限公司Q/WA.d8.2.2-2xx年第一次内部审核实施计划表审核目的评价本公司质量、环境管理体系的有效性、充分性、适宜性,迎接认证审核。
审核依据I S O9001、I S O14001标准、体系文件、顾客要求、适用的法律法规。
审核范围I S O9001、I S O14001标准条款及涉的公司各职能部门、车间、仓库。
体系覆盖产品:液化石油气调压器、旋塞阀、针阀。
人员组成组长:x x;第一组组员:x x x x x x;第二组组员:x x x x x x。
审核时间x x x x年x x月27、28、29、30日,共四天。
审核日程安排日期时间审核部门标准条款组别ISO9001:2000ISO14001:20046月27日8:00~8:30首次会议8:30~11:30最高管理层4.1、5.1~5.6、6.1、8.5.14.1、4.2、4.3.1、4.3.3、4.4.1、4.4.4、4.5.3、4.5.5、4.6二13:30~15:30人力资源部5.4.1、6.2、6.44.3.1、4.4.2、4.4.3、4.4.6、4.4.7、4.5.1、4.5.3、4.5.4一15:30~17:00销售部5.2、7.2、7.5.1f、7.5.4、8.2.14.3.1、4.4.6一6月28日7:30~9:30技术开发部4.2.3、4.2.4、7.1、7.2、7.3、7.5.14.3.1、4.4.6一9:30~11:30质管部4.2.2、4.2.3、4.2.4、5.4.1、8.2.2、8.2.3、8.4、8.5.2、8.5.34.3.1、4.3.2、4.4.4、4.4.5、4.5.2、4.5.3、4.5.4、4.5.5二13:30~14:00财务部4.3.1、4.4.6一14:00~15:00计量室7.64.3.1、4.4.6二15:00~17:00质检科4.2.4、7.4.3、7.5.3、8.2.4、8.34.3.1、4.4.6二6月29日7:30~9:00供应科7.44.3.1、4.4.3、4.4.6一9:00~10:30设备工装科6.3、7.5.2、7.64.3.1、4.4.6一10:30~11:30仓库7.5.3、7.5.54.3.1、4.4.6、4.4.7二13:30~15:00生产计划科7.5.1、7.5.54.3、4.4.1、4.4.6、4.4.7、4.5.3一15:00~17:00X X X X车间6.3、6.4、7.5.1、7.5.2、7.5.3、7.5.5、7.6、8.2.4、8.34.3、4.4.1、4.4.6、4.4.7、4.5.3二6月30日7:30~9:30X X X X X车间一9:30~11:30X X X X车间二13:30~15:00X X X X车间一15:00~16:30X X X车间二17:00~17:30末次会议注:1.在审核各部门时,同时审核的条款为I S O9001标准的4.1、4.2、5.4.1、5.5.1、5.5.3、6、8.2.3、8.5和I S O14001标准的4.3.3、4.4.1、4.4.5、4.5.4均有可能在审核过程中由内审员提出。
ISO13485:2016内部审核计划表
审核目的对公司质量管理体系的符合性及实施的有效性进行检查,使公司质量管理体系符合规范要求,并获得ISO 13485认证证书
审核范围营业部、管理部、培训部、采购部、物料部、工艺部、研发部、品质部、生产部、计划部、体系部、设备部、客服部、工程部、研发部
依据文件《医疗器械生产质量管理规范》、ISO 9001:2015《质量管理体系要求》、ISO 13485:2016《医疗器械质量管理体系用于法规的要求》
审核组成员组长:组员:
审核安排
日期时间受审部门审核内容审核员
内审员及各部门负
责人
首次会议
管理层4.1、4.2.1、4.2.2、4.2.3、4.2.4、4.2.5、
5.1、5.2、5.3、5.4、5.5、
6.1
管理部 4.2.3、4.2.4
营业部5.2、7.2.1、7.2.2、7.2.3、7.5.4、7.5.10、8.2.1
培训部 6.2
设备部 6.3、6.4
生产部、计划部7.5.1、7.5.2、7.5.3、7.5.4、7.5.5、7.5.6、7.5.7、7.5.8、7.5.9
工艺部、研发部7.1、7.3
工程部7.2
采购部、物料部7.4.1、7.4.2、7.4.3、7.5.3、7.5.4
品质部、体系部7.4.3、7.6、8.2.3、8.2.4、8.3、8.4、8.5.2、
8.5.3
客服部7.2.3
内审员审核组内部总结
内审员及各部门负
末次会议
责人
编制人∕日期:批准人∕日期:。
2021年度内部审核方案
毕晓腾连志钢尹民贤
日期:2021/4/1 日期:2021/4/1 日期:2021/4/1
2021年度内部审核方案
毕晓腾审核: 连志钢尹民贤
日期:2021/4/10
审核报告
不合格报告
不合格项分布表
连志钢尹民贤
日期:2021-4-11 日期:2021-4-11
内审首(末)次会议签到表
会议记录
会议记录
关于质量管理体系内部审核的
通知
各部门:
为了检查公司质量管理体系运行以来的效果,确保公司质量方针和目标的实现,按照标准的要求以及公司贯标工作方案,经公司研究决定,成立审核组并进行公司质量管理体系内部审核,请做好准备工作。
一、审核组成员:
组长:唐翠华
组员:夏辛生邓斌熊波
二、审核时间:
2007年5月10日—11日
特此通知
江西贝思特科技 2007年5月1日
附:2007年度内部审核方案。
审核计划Xx有限公司产品与检验状态说明一、产品标识管理要求责任人:生产部长、库管员、责任操作者。
1、生产过程中,要求所有“在产品”、“成品”、“部件”标识产品编号(生产部下计划时提供)和图号。
二、检验状态标识管理要求责任人:库管员、检验员、责任操作者。
1、物资入库前由库管员检查物资的标识,对标识不齐的一律要求补齐方可进行检验;对于暂时未检的产品要求做好“待检”状态。
未有标识的检验员有权“拒检”。
2、检验完合格的产品要求在产品本体醒目处标识“合格”状态(方便时可注明检验日期),同时去除掉“待检”状态,原则为:小件划区,大件逐件标识。
3、检验完不合格的产品要求在产品产品本体醒目处标识“△”状态,表示“不合格品待处理”,对已有判定结果的不合格品经返修返工合格和让步条件下使用的,要求在“△”旁边打“√”以表示此类不合格品可以领用;对报废的不合格品,要求在“△”旁边打“×”,表示此类不合格品为废品,严禁领用。
4、检验时可以直接判废的产品直接在产品上打“×”,表示此产品为废品,严禁领用。
5、对于无检验状态标识的产品或检验状态标识不清的产品,库管员有权要求检验员重新检验。
6、库管员在给工人发料或工人直接领料时,只可领用带有“合格”、“△√”以及“△H”状态的产品,严禁领用无检验状态标识或“待检”、“△”、“△×”、“×”检验状态产品。
7、必须对不合格品进行划区或立牌管理,凡检出的不合格品必须集中堆放在一起,标识“待处理”状态,不得与合格品混淆在一个区域,对于返工返修合格品或回用的产品可与合格品一起存放。
8、生产过程中如发现“合格”产品不易于装配时,应由责任人冲床点焊机攻丝机指导书冲床作业指导书1〃目的为确保工人正确地使用机器,生产出合格产品2〃适用范围普通冲压操作工3〃内容3〃1工作开始前:3.1.1检查各部分润滑情况,并使各润滑点得到充分润滑油3.1.2检查模具安装是否正确可靠3.1.3一定要使飞轮与离合器脱开才能开动电机3.1.4电动机开动时必须注意飞轮旋转方向是否与回转标志相同,如果不同立即切断电源进行检查,重新调整电源进成顺序3.1.5使压力机进行几次定行程,检查制动器,离合器,马操作器的工作情况3〃2工作时3.2.1定时对各润滑点加润滑油3.2.2绝对禁止同时冲两块板料3.2.3发现压力机不正常应立即停止工作3.2.4不可任意拆卸防护罩3〃3工作结束后3.3.1使飞轮马离合器脱开,并关断电源3.3.2将压力机拭揩清洁,在未涂油漆的加工表面涂油4〃注意事项参考安全制度点焊机作业指导书1〃目的为确保工人正确的使用机器,生产出合格的产品2〃适用范围普通冲压操作工3〃内容3.1作业准备3.1.1作业前先检查好电源是否连接安全正确,是否连接好气缸。
审核涉及质量管理体系标准要求主要审核内容8:30-9:00职能部门管理人员首次会议(内审员及各部门负责人参与)全体9:00-9:30总经理/管代 4.1、4.2、4.3、4.4、5.1、5.2、5.3、6.1、6.2、6.3、7.1.1、9.1、9.2、9.3、10.1、10.2、10.39:30-10:30行政部7.1.1、7.1.2、7.1.3、7.1.4、7.2、7.3、7.1.6、7.4、7.510:30-11:30物控部8.5.2、8.5.3、8.5.4、8.5.59:30-12:00技术部 6.1.2、8.1、8.39:30-10:30工艺部8.1、8.310:30-11:30生产部 6.1.2、7.1.3、7.1.4、8.1、8.5.1、8.5.2、8.5.6、8.713:30-14:30品质部 6.1.2、7.1.5、8.5.2、8.6、8.7、9.1.3、10.1、10.2、10.314:30-15:30外贸部、内贸部 6.1.2、8.2.1、8.2.2、8.2.3、8.2.4、9.1.213:30-14:30财务部 6.1、7.114:30-15:30采购部 6.1.2、8.415:30-16:00审核组内部沟通会议审核组成员16:30-17:00职能部门管理人员末次会议全体编制: 2019-12-12批准:受审部门内部审核实施计划表审核目的:按照ISO9001:2015质量体系要求建立现有的质量管理体系,经过贯彻实施标准,现对公司的质量管理体系做全面审核,通过审核了解和评价本公司的质量管理体系的有效性和符合性,以及是否具备申请第三方转版认证条件。
审核范围:■体系覆盖的产品范围适用于本公司生产各类产品;■体系覆盖的组织、职能范围:公司与质量有关的所有职能部门。
审核依据:GB/T 19001-2015 IDT ISO19001-2015版质量管理体系文件以及国家和地方有关的法律、法规和标准、公司管理制度、顾客与合同要求。
2015年度内部审核计划
编制:毕晓腾审核:连志钢批准:尹民贤日期:2015/4/1 日期:2015/4/1 日期:2015/4/1
2015年度内部审核计划
编制:毕晓腾审核: 连志钢批准:尹民贤
日期:2015/4/10 审核报告
不合格报告
不合格项分布表
编制:连志钢批准:尹民贤
日期:2015-4-11 日期:2015-4-11
内审首(末)次会议签到表
会议记录
会议记录
关于质量管理体系内部审核的
通知
各部门:
为了检查公司质量管理体系运行以来的效果,确保公司质量方针和目标的实现,按照标准的要求以及公司贯标工作计划,经公司研究决定,成立审核组并进行公司质量管理体系内部审核,请做好准备工作。
一、审核组成员:
组长:唐翠华
组员:夏辛生邓斌熊波
二、审核时间:
2007年5月10日—11日
特此通知
江西贝思特科技有限公司 2007年5月1日
附:2007年度内部审核计划。