预应力张拉施工原始记录工作表
- 格式:xls
- 大小:95.50 KB
- 文档页数:22
预应力张拉(后张法)记录表
1 / 2
预应力张拉(后张法)记录表
工程名称
构造物名称 施工单位
构件名称及编号
砼浇注日期 / 张拉日期
设计混凝土强 张拉时混凝土强度
A
度( MPa )
断、滑丝状况
千斤顶
油表
预应力钢束编
/ 弹性模量 (Mpa)
编号
B
编号
号次序→
钢
(初应力б 0) KN
( % б ) KN
( %б ) KN ( % б ) KN
( % б ) KN
CON
CON
CON
CON
束 编 油表读
伸长值
油表读数 伸长值
油表读
伸长值
油表读 伸长值
油表读
伸长值
回缩量
编 号
( mm) 数( MPa ) ( mm ) ( MPa )
( mm )
数( MPa ) ( mm ) 数( MPa ) ( mm ) 数( MPa ) ( mm ) 号
A
B 1
A
B
A B A B A
B
记录人:
质检员:
自检建议:
监理建议:
项目技术负责人:
监理工程师 :
年 月 日 年 月
日
年 月
日
实质伸 理论伸 伸长值 长值
长值
误差
( mm ) ( mm ) (%)
年 月 日
预应力张拉(后张法)记录表
填表说明
1、此表内容应依据表格的有关项目填写。
2、张拉设施型号、油表型号等设施标定状况要填写清楚。
3、依据设计要求,单根张拉或整体张拉应分清地区记录完好。
2
2 / 2。
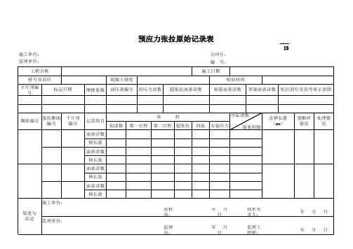
***高速公路建设项目
预应力张拉(后张法)原始记录表
承包单位:***有限公司合同段:
监理单位:***监理有限公司本表编号:
检查:复核:
注:1 、此表为钢绞线、钢筋等预应力筋后张法通用记录表,应根据实际施工工艺对相关栏目进行填写。
“ 预应力筋弹性模量”预应力筋实际的弹性模量(可经试验测得或出厂牌号上取得);2、“理论伸长量”是指根据实际弹性模量计算的构件两端工具锚内侧之间,从零应力至终应力的张拉束理论延伸量值;;3、张拉过程中可根据实际的张拉过程对表格进行调整;4、初测上拱度为张拉完后的上拱度测值,复测上拱度为张拉后三天的上拱度测值。
预应力张拉(先张法)记录表(先单根后整体张拉)
1 / 2
预应力张拉(先张法)记录表( 先单根后整体张拉) 施工单位: 项目名称 千斤顶编号 钢丝强度
Cn 安装时油 钢丝束规格
表读数
单根初张拉( 15%)£K
钢丝 编号
张拉力 伸长量 读数
mm
(KN )
1
监理单位:
构造物名称
构件编号
油压表编号 标定日期
设计控制应力
放张强度
( Mpa )
计算伸 钢绞线切割方法
长值
单根初张拉( 30% )£K
整体张拉过程
张拉力 伸长量 记录项 第 1过程 第 2过程 第 3过程(%
100%
总伸
(% (% 伸长量率
读数
mm
目
£K)
长量
(KN )
£K)
£K)
读数 张拉力 伸长量
自检建议:
备注:张拉工艺及总伸长量计算 说明(包含滑断丝状况:依据整
体段张拉的伸长量计算总长量
监理建议:
检测计算: 复核人: 记录人: 监理工程师: 日期:
预应力张拉(先张法)记录表(先单根后整体张拉)
填表说明
1、此表内容应依据表格的有关项目填写。
2、张拉设施型号、油表型号等设施标定状况要填写清楚。
3、依据设计要求,单根张拉或整体张拉应分清地区记录完好。
2
2 / 2。