配电线路工技能操作试题库操作项目
- 格式:doc
- 大小:20.00 KB
- 文档页数:3
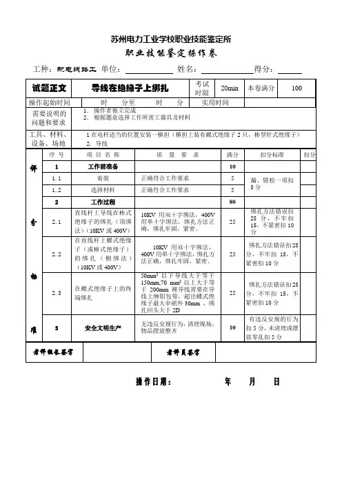
苏州电力工业学校职业技能鉴定所
职业技能鉴定操作卷
工种:配电线路工单位:姓名:得分:
操作日期:年月日
苏州电力工业学校职业技能鉴定所职业技能鉴定
操作考核评分标准(考评员用)
工种:配电线路工单位:姓名:得分:
操作日期:年月日
江苏省电力行业《配电线路工》职业技能鉴定
操作考核任务书
1.操作项目
线在绝缘子上绑扎
2.操作时间
本项目操作考核时间为20分钟。
3.操作说明
(1)在指定的场地上独立完成操作;
(2)时间到应立即停止操作,整理工具材料离开操作场地;(3)严格遵守安全操作规程。
职业技能鉴定配电线路(高级工试题库)一、选择题:1、我国工频交流电的周期是(D)。
(A)0.1s (B)0.2S (C)0.3S (D)0.02S2、欧姆定律是阐述在给定正方向下(D)之间的关系。
(A)电流和电阻;(B)电压和电阻;(C)电压和电流;(D)电压、电流和电阻。
3、交流电机和变压器等设备,选用硅钢片做铁芯材料,目的是为了(C)(A)减少涡流;(B)减少磁滞损耗;(C)减少涡流和磁滞损耗;(D)增加设备绝缘性能。
4、用于确定载流导体在磁场中所受力方向的法则是(A)(A)左手定则;(B)右手定则;(C)左手螺旋定则;(D)右手螺旋定则5、用于确定导线在磁场中切割磁力线运动产生的感应电动势方向的法则是(B)(A)左手定则;(B)右手定则;(C)左手螺旋定则;(D)右手螺旋定则。
6、在热带多雷地区应选择(D)避雷器。
(A)FS (B)FCD (C)FZ (D)FCZ-30DT。
7、 1KV及以下配电装置做交流耐压试验的电压为(B)。
当回路绝缘电阻在10MΩ以上时,可采用2500V兆欧表代替,试验持续时间为1min.(A)500V (B)1000V (C)1500V (D)2000V8、 10kv油浸电力变压器做绝缘工频耐压试验时的试验电压标准:出厂时为(C)有效值;交接时为30KV 有效值。
(A)10KV (B)20KV (C)35KV (D)40KV9、垂直接地体的间距不宜小于其长度的(B)(A)1倍(B)2倍(C)3倍(D)4倍10、接地线沿建筑物墙壁水平敷设时,离地面距离(D)为宜。
(A)100∽150mm; (B)150∽200mm (C)200∽250mm(D)250∽300mm11、独立避雷针(线)的接地网与电气设备接地网的距离不应小于(D)(A)1m (B)2m (C)3m (D)5m12、隔离开关的导电部分的接触好坏,可用0.05mm ×10mm 的塞尺检查,对于接触面宽度为50mm 及以下时,其塞入深度不应超过(B)(A)2mm (B)4mm (C)6mm (D)8mm13、假定电气设备的绕组绝缘等级是A级,那么它的耐热温度是(C)(A)120℃(B)110℃ (C)105℃(B)100℃14、聚氯乙烯塑料电缆的使用电压范围是(A)(A)1∽10KV (B)10∽35KV (C)35∽110KV (D)110KV以上15、对于各种类型的绝缘导线,其允许工作温度为(C)(A)45℃ (B)55℃ (C)65℃ (D)75℃16、线路绝缘子的击穿故障发生在(D)(A)绝缘子表面;(B)瓷质部分;(C)铁件部分;(D)绝缘子内部。
配电线路工专业技能知识考试试题及答案1、跌落式熔断器的安装高度,一般距变压器台( )m。
A、1.5~1.6B、1.7~1.8C、2.0~2.5D、2.5~3.0答案:B2、操作柱上断路器时,应注意( )防止伤人。
A、断路器是否处在分闸位置B、断路器是否处在合闸位置C、断路器爆炸D、高空坠物答案:C3、DL/T5220—2005《10kV及以下架空配电线路设计技术规程》规定,虽然时常有人、有车辆或农业机械到达,但未建房屋或有房屋稀少的地区应按( )设计。
A、交通困难区B、居民区C、特殊气象区D、非居民区答案:D4、电缆分支箱避雷器的外屏蔽层应采用不小于( )mm2的绝缘铜线接地。
A、2.5B、1.5C、2D、3答案:A5、对于AC10kV,630A,20(25)kA真空户外柱上断路器,断路器的铭牌应该( )A、耐腐蚀B、耐高压C、耐电流D、耐火烧答案:A6、导线压缩型接续管中钢管采用镀锌钢管,钢芯采用( )方式A、搭接或对接方式B、楔形链接C、直接连接D、插接连接答案:A7、安全帽实行( )管理A、分色B、分样式C、分安全等级答案:A8、说明标志是向人们提供特定提示信息的标记,由( )和文字组成A、三角形边框B、圆形边框C、方形边框D、几何图形边框答案:D9、1~10kV线路登杆塔检查应( )至少一次。
A、10年B、1年C、5年D、半年答案:C10、禁止携带( )登杆或在杆上移位。
A、个人保安线B、器材C、工作绳D、工具答案:B11、当绕组出线变形异常情况,如:电抗或阻抗变化明显、频响特性异常、绕组之间或对地电容量变化明显等情况,其故障原因主要有( )A、运输中受到冲击B、短路电流冲击C、局部过热D、运输中受到冲击短路电流冲击答案:D12、带电作业工具使用前应根据( )校核机械强度,满足规定安全系数。
A、工作要求B、工作负荷C、气象情况D、绝缘强度答案:B13、在冬季气温为-20℃时,变压器上层油温最高允许为( )℃。
配电线路工专业理论知识测试题库含答案1、电缆与建筑的平行距离应大于( )m。
A、0.5B、0.8C、1D、1.2答案:C2、( )指设备带标称电压接带负荷或不接带负荷。
A、冷备用B、热备用C、运行D、运行、热备用、冷备用、检修状态答案:C3、成套接地线操作棒的工频耐压试验周期为( )年。
A、一年B、二年C、三年D、五年答案:D4、变压器三相绕组连接在一起的一点叫作( )。
A、中性点B、中性线C、中间点D、零点答案:A5、二级动火工作票的有效期为( )h。
A、48B、60C、90D、120答案:D6、将连续档距用一个等价的独立档距代表,这个等价的独立档距称为( )。
A、临界档距B、代表档距C、垂直档距D、水平档距答案:B7、事故信号是表示电气设备(例如断路器)发生事故( )的特殊状态A、短路B、断路C、跳闸D、以上都不是答案:C8、楔形线夹属于( )金具。
A、保护B、拉线C、接续D、联接答案:B9、跌落式熔断器的安装应符合规定:各部分零件完整,转轴光滑灵活,铸件不应有裂纹、砂眼、锈蚀,瓷件良好,熔丝管不应有吸潮膨胀或弯曲现象,熔断器安装牢固、排列整齐,熔管轴线与地面的垂线夹角为( )。
A、15°~30°B、15°~40°C、25°~30°D、25°~40°答案:A10、两只额定电压相同的电阻,串联在适当的电压上,则额定功率较大的电阻( )。
A、发热量较大B、发热量较小C、与功率较小的电阻发热量相同D、不能确定答案:B11、最大值是正弦交流电在变化过程中出现的最大( )。
A、有效值B、平均值C、最大值D、瞬时值答案:D12、在欧姆定律中,电流的大小与( )成正比。
A、电阻B、电压C、电感D、电容答案:B13、1KWh电能可供“220V、40W”的灯泡正常发光时间是( )h。
A、100B、200C、25D、95答案:C14、运行变压器所加一次电压不应超过相应分接头电压值的( ),最大负荷不应超过变压器额定容量(特殊情况除外)。
( 11-047 )电力职业技能鉴定考试 《配电线路工(第二版)》中级工技能试卷注意事项: 1 答卷前将装订线左边的项目填写清楚。
2 答卷必须用蓝色或黑色钢笔、圆珠笔,不许用铅笔或红笔。
3 本试卷共有6道大题,满分369分,考试时间120分钟。
一、选择题(请将正确答案的代号填入括号内,每题1分,共54题)1. 10kV 直线混凝土电杆立好后应正直,其倾斜不允许超过杆梢直径的( )。
(A)1/2; (B)1/3; (C)2/3; (D)1/4。
答案:A2. LGJ-95导线使用压接管接续时,压口数为( )。
(A)10个; (B)14个; (C)20个; (D)24个。
答案:C3. 带电作业绝缘工具应定期进行电气试验和机械强度试验,金属工具机械试验( )一次。
(A)三年; (B)两年; (C)一年; (D)半年。
答案:B4. 10kV 配电线路的通道宽度应为线路宽度外加( )。
(A)5m ; (B)8m ; (C)9m ; (D)10m 。
答案:D5. 用户连续( )不用电,也不申请办理暂停用电手续者,供电企业须以销户终止其用电。
(A)1个月; (B)3个月; (C)6个月; (D)1年。
( )。
比裸导线线路作业时要高; (C)比裸导线线路作业时要低; (D)不作规定。
答案:A7. ( )绝缘子应定期带电检测"零值"。
(A)棒式; (B)悬式; (C)针式; (D)蝶式。
答案:B8. 10kV 的验电器试验周期每( )个月1次。
(A)3; (B)6; (C)12; (D)18。
答案:C9. 6~10kV 的验电器作交流耐压试验时,施加的试验电压为( ),试验时间为5min 。
(A)11kV ; (B)22kV ; (C)33kV ; (D)45kV 。
答案:D10. 人力运输的道路应事先清除障碍物,山区抬运笨重物件或钢筋混凝土电杆的道路,其宽度不宜小于1.2m ,坡度不宜大于( )。
苏州电力工业学校职业技能鉴定所
职业技能鉴定操作卷
工种:配电线路工单位:姓名:得分:
操作日期:年月日
苏州电力工业学校职业技能鉴定所职业技能鉴定
操作考核评分标准(考评员用)
工种:配电线路工单位:姓名:得分:
操作日期:年月日
经纬仪测量配电线路交叉跨越距离
测量记录表
测站编号:仪器高:视线高程:
测量记录人:测量时间:
江苏省电力行业《配电线路工》职业技能鉴定
操作考核任务书
1.操作项目
经纬仪测量配电线路交叉跨越距离
2.操作时间
本项目操作考核时间为45分钟。
3.操作说明
(1)在指定的场地、设备上独立完成操作;
(2)上交记录表格;
(3)时间到应立即停止操作,整理工具材料离开操作场地;
(4)严格遵守安全操作规程。
配电线路工专业(技能)题库(附答案)一、单选题(共60题,每题1分,共60分)1、工作人员应着装整齐,个人工具和( )用品应佩戴齐全。
作业人员不擅自脱岗。
严禁酒后作业。
工作人员进入现场必须佩戴安全帽。
A、安全B、辅助C、劳保D、工作正确答案:C2、当地形条件受到限制无法安装拉线时,可用撑杆,要求撑杆底部埋深不宜小于( ),且设有防沉措施。
A、1.5mB、0.5mC、0.3mD、1.0m正确答案:B3、12kV环网柜的额定工频1min耐受电压(相对地)为( )KVA、30B、20C、12D、42正确答案:D4、跌落式熔断器上下接线端子对地爬电距离应不低于( )mmA、372B、370C、365D、375正确答案:D5、警告标志的基本型式是( )边框A、正三角形B、圆形C、矩形D、正方形正确答案:A6、电缆线路的敷设方式中那个不正确( )A、排管B、直埋C、电缆沟D、临时架设正确答案:D7、操作柱上断路器时,应注意( )防止伤人。
A、断路器是否处在分闸位置B、断路器是否处在合闸位置C、断路器爆炸D、高空坠物正确答案:C8、配电变压器例行试验项目不包括( )A、绕组直流电阻B、绕组及套管绝缘电阻测试C、交流耐压试验D、非电量保护装置绝缘电阻测试正确答案:C9、新架导线在紧线时,弧垂应比弧垂表规定数值减小,铝导线减小( )。
A、10%B、15%C、25%D、20%正确答案:D10、柱上三项变压器容量宜采用( ),其中说法错误的是。
A、50kVAB、100kVAC、400kVAD、500kVA正确答案:D11、无避雷线的1~10kV配电线路,在居民区的钢筋混凝土电杆宜接地,金属管杆应接地,接地电阻均不宜超过( )。
A、20ΩB、4ΩC、30ΩD、10Ω正确答案:C12、配电网可采取下列方式确保足够的电压调节能力( ),其中说法不正确的是。
A、选用有载调压变压器,改分接头进行电压调节B、通过线路限负荷进行电压调节C、配置无功补偿装置D、通过线路调压装置进行电压调节正确答案:B13、交流避雷器监督试验不包括( )A、直流1mA参考电压试验B、工频参考电压(同时记录参考电流值)试验C、持续电流(全电流和阻性电流)试验D、残压试验正确答案:D14、安全标志分( )标志、警告标志、指令标志和提示标志四大类型A、禁止B、强调C、允许正确答案:A15、电力变压器油泵的无规则非周期性金属摩擦声()A、接触不良引起放电B、套管表面或导体棱角电晕放电C、轴承破裂D、局部过热正确答案:C16、当电杆安装处无法打拉线固定,在使用撑杆时,其与主杆之间夹角应满足设计要求,允许偏差为( )。
配电线路工技能知识考试题(含参考答案)1、动力和照明宜共用变压器,当属于下列情况之一时,应设专用变压器,说法错误的是( )A、当照明负荷较大或动力和照明采用共用变压器严重影响照明质量及光源寿命时,应设照明专用变压器B、单台单相负荷较小时,应设单相变压器C、采用不配出中性线的交流三相中性点不接地系统IT系统时,应设照明专用变压器D、冲击性负荷较大,严重影响电能质量时,应设冲击负荷专用变压器答案:B2、接地装置引出线应连接可靠,避雷器的接地引线必须单独制作,禁止直接利用( )本体接地。
A、横担B、铁塔C、金具D、电杆答案:A3、变压器低压侧熔丝(片)或断路器( )整定值按变压器额定电流选择。
A、短延时B、过流C、长延时D、速断答案:C4、隔离开关能进行励磁电流不超过( )的空载变压器的操作。
A、4AB、2AC、1AD、5A答案:B5、安全设施所用的颜色应符合GB2893的规定。
( )传递注意、警吿的信息A、红色B、黄色C、蓝色D、绿色答案:B6、( )绝缘子应定期带电检测“零值”。
A、悬式B、蝶式C、针式D、棒式答案:A7、当线路采用转角耐张杆时,线路的转角度数在( )之间。
A、15°~30°B、30°~60°C、60°~70°D、70°~90°答案:A8、变压器的三相负荷应力求平衡,不平衡度不应大于( ),只带少量单相负荷的三相变压器,零线电流不应超过额定电流的25%。
A、15%B、5%C、35%D、25%答案:A9、电缆线路一般适用于( )。
A、农耕地区B、狭窄的街道C、风景旅游区重点地段D、繁华地区、重要地段、主要道路答案:A10、合闸在额定电压的( )范围内应可靠动作,分闸在额定电压的65%-110%(直流),应可靠动作,当低于额定电压的30%时,脱扣器不应脱口A、85%-110%B、75%-150%C、65%-85%D、50%-80%答案:A11、导线的破坏应力除以安全系数叫做导线的( )。
配电线路带电作业技能竞赛试题库一、选择题1、天气潮湿时,绝缘工具的绝缘性能会()。
A、下降B、升高C、不变D、不一定2、在通常情况下,对于同样距离的空气间隙,电场不均匀度增加,击穿电压会()。
A、没有变化B、升高C、降低D、都有可能3、带电作业绝缘工具应定期进行预防性试验,其试验周期为()。
A、一年一次B、一年二次C、两年一次D、两年三次4、绝缘绳在受潮以后,其泄漏电流将显著增加,()大幅度降低。
A、绝缘电压B、泄漏电压C、闪络电压D、工作电压5、绝缘工具现场绝缘电阻测试,其测试棒的电极宽度和极间距离为()mm。
A、2B、2.5C、20D、256、绝缘工具使用前应用摇表分段测量绝缘电阻,其阻值不低于()MΩ。
A、300B、500C、700D、9007、10kV系统的过电压最大值为()kVA、20B、30C、40D、448、使用消弧绳断开空载线路,空载电流最大不宜超过()A。
A、3B、10C、15D、59、绝缘斗臂车在35kV线路上带电作业,其绝缘臂长度不小于()m。
A、0.6B、0.9C、1.0D、1.510、假定电气设备的绕组绝缘等级是B级,那么它的耐热温度是( )。
(A) 110℃;(B) 120℃;(C)130℃;(D)155℃。
11、使用新钢丝绳之前,应以允许拉断力的( )倍做吊荷试验15min。
(A)4;(B)3;(C)2;(D)1。
12、起始电晕临界电场强度约为()。
(A)10kV/cm;(B)20kV/cm;(C)30kV/cm;(D)40kV/cm。
13、在绝缘绳索的型号表示中,scJs-14表示()。
(A)直径为14mm的桑蚕绞制绳;(B)直径为14mm的绵纶棕丝绞制绳;(C)直径为14mm的桑蚕编制绳;(D)直径为14mm的绵纶长丝绞制绳。
14、最高工作电压一般比额定电压高出()(A)5%~7%(B)5%~10%(C)10%~15%(D)15%~20%15、工频过电压一般由线路空载、接地故障和甩负荷等引起,主要采用在线路侧加装()的措施来限制工频过电压的幅值。
配电线路工专业技能知识测试题与答案1、变压器台架安装时,高压引下线与低压导线间的净空距离不应小于( )。
A、0.2mB、0.3mC、0.4mD、0.5m答案:A2、用外拉线抱杆组立铁塔时,抱杆根部与塔身绑扎牢固,抱杆倾斜角不宜超过( )。
A、10°B、15°C、3°D、5°答案:B3、电力变压器本体发出“嘶嘶”声的原因()A、套管表面或导体棱角电晕放电B、接触不良引起放电C、局部过热D、部件松动答案:A4、同杆架设的10kV线路直线杆各导线横担间的最小垂直距离为( )。
A、0.6mB、0.8mC、1.0mD、1.2m答案:B5、三相四线制供电,中性线烧断的后果是( )。
A、变压器温度升高B、烧毁变压器C、烧毁电器D、线路跳闸答案:C6、危险性较大及特殊危险场所,当灯具距地面高度小于2.4m时,应使用额定电压为( )及以下的照明灯具。
A、10VD、380V答案:C7、柱上变压器一次侧熔断器装设的对地垂直距离不应小于4.5m,二次侧熔断器或断路器装设的对地垂直距离不应小于( )。
A、1.5mB、2.5mC、3.5mD、4.5m答案:C8、电力变压器本体发出“吱吱”或“噼啪”声的原因()A、套管表面或导体棱角电晕放电B、接触不良引起放电C、局部过热D、过载答案:B9、麻绳或白棕绳用于捆绑或在潮湿状态下使用时,其允许拉力为正常时的( )。
A、30%B、40%C、50%D、60%答案:C10、户外用避雷器外套的最小公称爬电比距,一般Ⅲ级污秽等级地区不小于25mm/kV、Ⅳ级污秽等级地区不小于( )A、27mm/kVB、29mm/kVC、31mm/kVD、40mm/kV答案:C11、箱式变电站仅限用于配电室建设改造困难的情况,如架空线路入地改造地区、配电室无法扩容改造的场所,以及施工用电、临时用电等,其单台变压器容量不宜超过( )kVA。
A、400D、800答案:B12、直线杆基础上拔及倾覆稳定安全系数,不应小于( )。
山东省电力行业职业技能鉴定配电线路工(技师)实操试题:测量10kV电缆绝缘电阻一、现场环境所测电缆为跌落式熔断器受电测与变压器高压接线柱之间的连接电缆,跌落式熔断器送电侧已停电并装设好接地线,跌落式熔断器已拉开,电缆受电测端头与变压器的连接已解除,变压器低压侧总断路器与刀闸已拉开。
工作负责人:考评员,监护人:辅助人员。
二、测试前的准备工作1.穿工作服、绝缘鞋,戴安全帽、线手套。
2.根据电缆电压等级选择兆欧表。
3.检查工器具外观整洁无破损,有试验合格证。
4.正确填写测量记录表个人及设备信息,不得漏填、错填、涂改。
5.用放电棒对电缆逐相充分放电,所有放电过程必须带绝缘手套。
用干净的棉纱(擦机布)将电缆测试点及附近擦拭干净。
6. 兆欧表放在水平位置,检查兆欧表,指针应指向刻度盘中央位置。
7.将测试线分别接在兆欧表“E”“L”接线柱上,末端开路,进行开路试验。
左手按住兆欧表,右手顺时针摇动摇柄,缓慢启动并逐渐加快到120r/min,待指针稳定后读取并记录电阻值,指针应指向“∞”或附近;8.将测试线分别接在兆欧表“E”“L”接线柱上,末端短接,进行短路试验。
左手按住兆欧表,右手顺时针摇动摇柄,缓慢启动不得加速,指针应指向“0”。
若检查不合格需处理再使用。
三、测试进行时(一)相对地1. 将兆欧表“E”端可靠接“地”,“G”端接屏蔽层或不接。
测试线不得缠绕或打结。
用短路线将V(B)、W(C)两相电缆线短接并可靠接地。
2.操作人员左手按住兆欧表,右手顺时针缓慢摇动摇柄,辅助人员在操作人员的指令下,带绝缘手套将“L“端测试线(鳄鱼夹)夹在电缆U(A)相线芯上,(指针若回零,应立即停止摇动),逐渐加快到120r/min,充电时间不少于1 min。
待指针稳定后读取电阻值。
右手摇动速度逐渐降低,取下接在电缆线芯上的测试线后停止摇动。
3.操作人员带绝缘手套用放电棒对电缆被测试相充分放电。
放电方法为:第一次碰触电缆线后迅速移开,第二次碰触电缆线后等待一定时间在移开,等待时间与电缆施加的电压和电缆长度成正比,500m 及以上长度的电缆线路放电时间一般不少于2min,100m及以下电缆线路放电时间一般为5~30s。
(11-047)电力职业技能鉴定考试 《配电线路工》中级工技能试卷1.题目名称:拉线制作的操作准备通知单:扳手、木锤、钢丝钳、10~12号铁丝、18~20号铁丝、断线钳、NX-50楔型线夹一套、钢卷尺试题正文: 拉线制作的操作总时间与各项时间分配要求: 25min其他需要说明的问题和要求: 1.单独完成2.建议采用GJ-35钢绞线评分记录表:单位___________________考生姓名_________准考证号___________________考试时间_____________考评员签名__________考评组长签名__________2.题目名称:承力三联铁桩锚的安装单位___________________考生姓名_________准考证号___________________考试时间_____________考评员签名__________考评组长签名__________准备通知单: 1试题正文:承力三联铁桩锚的安装总时间与各项时间分配要求: 40min其他需要说明的问题和要求:1.根据受力方向的要求,独立布置安装2.派人协助扶桩,并听从应试人员的安排评分记录表:单位___________________考生姓名_________准考证号___________________考试时间_____________考评员签名__________考评组长签名__________3.题目名称:液压法导线接续的操作准备通知单: 1单位___________________考生姓名_________准考证号___________________考试时间_____________考评员签名__________考评组长签名__________试题正文:液压法导线接续的操作总时间与各项时间分配要求: 40min其他需要说明的问题和要求: 1.操作者独立完成2.根据题意选择工作所需工器具及材料3.各地可参照实际情况评分记录表:单位___________________考生姓名_________准考证号___________________考试时间_____________考评员签名__________考评组长签名__________4.题目名称:配电变压器高低压引线安装单位___________________考生姓名_________准考证号___________________考试时间_____________考评员签名__________考评组长签名__________准备通知单: 1试题正文:配电变压器高低压引线安装总时间与各项时间分配要求: 35min其他需要说明的问题和要求:1.避雷器、跌落式熔断器、变压器、接地引线、低压横担、绝缘子等均已安装好2.所需材料及设备由操作者根据变压器容量选择3.工作时设专人监护评分记录表:单位___________________考生姓名_________准考证号___________________考试时间_____________考评员签名__________考评组长签名__________5.题目名称:配电线路耐张杆更换绝缘子(一相)的操作准备通知单:单位___________________考生姓名_________准考证号___________________考试时间_____________考评员签名__________考评组长签名__________兆欧表、紧线器、卸扣、专用卡线器、X-3C 绝缘子或XP-4绝缘子2片 个人常用电工工具、吊物绳、登杆工具及安全带(帽)等试题正文:配电线路耐张杆更换绝缘子(一相)的操作总时间与各项时间分配要求: 30min其他需要说明的问题和要求: 1.工作时设专人监护 2.天气良好3.在培训专用线路上进行,线下无电力线及弱电线评分记录表:单位___________________考生姓名_________准考证号___________________考试时间_____________考评员签名__________考评组长签名__________6.题目名称:10kV 配电线路导线弧垂调整准备通知单:绝缘操作棒(3m 长)、绝缘手套、绝缘鞋、验电器(10kV )、接地线、登杆工具、安全带、安全帽、吊物绳、常用电工工具、卡线器、紧线器、铝包带单位___________________考生姓名_________准考证号___________________考试时间_____________考评员签名__________考评组长签名__________试题正文:10kV 配电线路导线弧垂调整总时间与各项时间分配要求: 30min其他需要说明的问题和要求: 1.工作时设专人监护2.雷雨、大雾、大风天气不宜进行工作3.在培训专用线路上进行,架空线下无交叉跨越弱电及电力线 考核以导线LGJ-35为例进行实施评分记录表:单位___________________考生姓名_________准考证号___________________考试时间_____________考评员签名__________考评组长签名__________7.题目名称:配电变压器接地装置电阻的测量单位___________________考生姓名_________准考证号___________________考试时间_____________考评员签名__________考评组长签名__________准备通知单:ZC-8接地绝缘电阻表一只(包括接地极一套)、锤子、扳手、安全帽试题正文:配电变压器接地装置电阻的测量总时间与各项时间分配要求: 20min其他需要说明的问题和要求: 告知接地体形式 提供接地形式图纸评分记录表:单位___________________考生姓名_________准考证号___________________考试时间_____________考评员签名__________考评组长签名__________8.题目名称:用视距法校核档距的操作准备通知单: 1试题正文:用视距法校核档距的操作单位___________________考生姓名_________准考证号___________________考试时间_____________考评员签名__________考评组长签名__________总时间与各项时间分配要求: 30min其他需要说明的问题和要求:评分记录表:单位___________________考生姓名_________准考证号___________________考试时间_____________考评员签名__________考评组长签名__________质 量 要 求目测始端与终端的位置(即档距相邻两杆塔位置)检查测量用经纬仪准备测量用花杆、塔尺、木桩等工具与材料 用视距法测量档距的示意图在3号杆中心桩处安置调平经纬仪对中调好水平在4号桩上立好塔尺将镜头对准目标;使镜头中的十字丝的垂直丝对准塔尺中心轴线重合;锁定水平转盘,开始测量 读取上线、中线、下线在塔尺上的数据 计算公式:l =kn cos 2α 其中n =(a-c )=2(a-b )=2(b-c )l —档距长度(m) k —比例常数,根据经纬仪构造而定,一般经纬仪k =100n —望远镜筒内上、下线在塔尺上的卡距(m)a —望远镜筒内上线在塔尺上的读数b —望远镜筒内中线在塔尺上的读数α—垂直角度,不超过5°可忽略尽量将下线对准塔尺上的1m 刻度上,然后读取上线值,这样便于计算 仪器安置必须牢靠、稳定注意不能在测量时碰倒仪器 微动螺丝操作得当工作完毕,仪器装箱方法正确 交还测量仪器及附属工器具等器材9.题目名称:普通结构钢丝绳制作钢丝绳套的操作单位___________________考生姓名_________准考证号___________________考试时间_____________考评员签名__________考评组长签名__________准备通知单: 1试题正文:普通结构钢丝绳制作钢丝绳套的操作总时间与各项时间分配要求: 30min其他需要说明的问题和要求: 1.操作者独立完成2.根据题意选择工器具及材料评分记录表:单位___________________考生姓名_________准考证号___________________考试时间_____________考评员签名__________考评组长签名__________10.题目名称:10kV 终端耐张杆的备料操作准备通知单:单位___________________考生姓名_________准考证号___________________考试时间_____________考评员签名__________考评组长签名__________1试题正文:10kV 终端耐张杆的备料操作总时间与各项时间分配要求: 30min其他需要说明的问题和要求:1.由考生在库房任选,选用材料外观检查合格2.如库房内没有或太笨重材料只要说明其名称、规格及数量和质量要求3.各地区可参照执行评分记录表:单位___________________考生姓名_________准考证号___________________考试时间_____________考评员签名__________考评组长签名__________11.题目名称:交叉跨越距离的测量方法准备通知单:选用有交叉线路地方测量光学经纬仪一台、塔尺、钢卷尺各一把试题正文:交叉跨越距离的测量方法单位___________________考生姓名_________准考证号___________________考试时间_____________考评员签名__________考评组长签名__________总时间与各项时间分配要求: 20min其他需要说明的问题和要求: 设一人配合,帮助立塔尺评分记录表:单位___________________考生姓名_________准考证号___________________考试时间_____________考评员签名__________考评组长签名__________12.题目名称:避雷器和引下线安装的操作准备通知单:FS-10避雷器一组或其他型号避雷器、2500V 绝缘电阻表一只、登杆工具、电工工具、吊物绳、安全用具,各种规格连接线、螺栓、垫片等。
配电线路运行工持证上岗实际实操项目试题
任务书
试题二十九:配电变压器上操作跌落式熔断器
1、准备要求
(1)操作程序说明:
1)准备工作;
2)检查工具用具;
3)拉开低压刀闸;
4)分闸;
5)做安全措施;
6)拆除安全措施;
7)合闸;
8)合上低压刀闸;
9)清理现场。
(2)考核规定说明:
1)如操作违章或未按操作程序执行操作,将停止考核;
2)考核采用百分制,考核项目得分按评定比重进行折算。
3)考核方式说明:该项目为实际操作,考核过程按评分标准及操作过程进行评分。
4)考评员工技能说明:本项目主要考评员工个人掌握对操作跌落式熔断器的熟练程度。
3、考核时限
(1)准备时间:1min(不计入考核时间)。
(2)正式操作时间:10min。
(3)提前完成操作不加分,到时停止操作考核。
4、评分记录表
供电公司客户服务中心持证上岗培训考试统一试卷
配电线路运行工实际操作技能培训考核评分记录表试题名称:配电变压器上操作跌落式熔断器考核时间:10min。
(11-047)电力职业技能鉴定考试 《配电线路工》高级工技能试卷1.题目名称:配电线路耐张杆更换绝缘子(一相)的操作准备通知单:兆欧表、紧线器、卸扣、专用卡线器、X-3C 绝缘子或XP-4绝缘子2片 个人常用电工工具、吊物绳、登杆工具及安全带(帽)等试题正文:配电线路耐张杆更换绝缘子(一相)的操作总时间与各项时间分配要求: 30min其他需要说明的问题和要求: 1.工作时设专人监护 2.天气良好3.在培训专用线路上进行,线下无电力线及弱电线评分记录表:单位___________________考生姓名_________准考证号___________________考试时间_____________考评员签名__________考评组长签名__________2.题目名称:10kV 配电线路导线弧垂调整准备通知单:绝缘操作棒(3m 长)、绝缘手套、绝缘鞋、验电器(10kV )、接地线、登杆工具、安全带、安全帽、吊物绳、常用电工工具、卡线器、紧线器、铝包带单位___________________考生姓名_________准考证号___________________考试时间_____________考评员签名__________考评组长签名__________试题正文:10kV 配电线路导线弧垂调整总时间与各项时间分配要求: 30min其他需要说明的问题和要求: 1.工作时设专人监护2.雷雨、大雾、大风天气不宜进行工作3.在培训专用线路上进行,架空线下无交叉跨越弱电及电力线 考核以导线LGJ-35为例进行实施评分记录表:单位___________________考生姓名_________准考证号___________________考试时间_____________考评员签名__________考评组长签名__________3.题目名称:配电变压器接地装置电阻的测量单位___________________考生姓名_________准考证号___________________考试时间_____________考评员签名__________考评组长签名__________准备通知单:ZC-8接地绝缘电阻表一只(包括接地极一套)、锤子、扳手、安全帽试题正文:配电变压器接地装置电阻的测量总时间与各项时间分配要求: 20min其他需要说明的问题和要求: 告知接地体形式 提供接地形式图纸评分记录表:单位___________________考生姓名_________准考证号___________________考试时间_____________考评员签名__________考评组长签名__________4.题目名称:用视距法校核档距的操作准备通知单: 1试题正文:用视距法校核档距的操作单位___________________考生姓名_________准考证号___________________考试时间_____________考评员签名__________考评组长签名__________总时间与各项时间分配要求: 30min其他需要说明的问题和要求:评分记录表:单位___________________考生姓名_________准考证号___________________考试时间_____________考评员签名__________考评组长签名__________质 量 要 求目测始端与终端的位置(即档距相邻两杆塔位置)检查测量用经纬仪准备测量用花杆、塔尺、木桩等工具与材料 用视距法测量档距的示意图在3号杆中心桩处安置调平经纬仪对中调好水平在4号桩上立好塔尺将镜头对准目标;使镜头中的十字丝的垂直丝对准塔尺中心轴线重合;锁定水平转盘,开始测量 读取上线、中线、下线在塔尺上的数据 计算公式:l =kn cos 2α 其中n =(a-c )=2(a-b )=2(b-c )l —档距长度(m) k —比例常数,根据经纬仪构造而定,一般经纬仪k =100n —望远镜筒内上、下线在塔尺上的卡距(m)a —望远镜筒内上线在塔尺上的读数b —望远镜筒内中线在塔尺上的读数α—垂直角度,不超过5°可忽略尽量将下线对准塔尺上的1m 刻度上,然后读取上线值,这样便于计算 仪器安置必须牢靠、稳定注意不能在测量时碰倒仪器 微动螺丝操作得当工作完毕,仪器装箱方法正确 交还测量仪器及附属工器具等器材5.题目名称:普通结构钢丝绳制作钢丝绳套的操作单位___________________考生姓名_________准考证号___________________考试时间_____________考评员签名__________考评组长签名__________准备通知单: 1试题正文:普通结构钢丝绳制作钢丝绳套的操作总时间与各项时间分配要求: 30min其他需要说明的问题和要求: 1.操作者独立完成2.根据题意选择工器具及材料评分记录表:单位___________________考生姓名_________准考证号___________________考试时间_____________考评员签名__________考评组长签名__________6.题目名称:10kV 终端耐张杆的备料操作准备通知单:单位___________________考生姓名_________准考证号___________________考试时间_____________考评员签名__________考评组长签名__________1试题正文:10kV 终端耐张杆的备料操作总时间与各项时间分配要求: 30min其他需要说明的问题和要求:1.由考生在库房任选,选用材料外观检查合格2.如库房内没有或太笨重材料只要说明其名称、规格及数量和质量要求3.各地区可参照执行评分记录表:单位___________________考生姓名_________准考证号___________________考试时间_____________考评员签名__________考评组长签名__________7.题目名称:交叉跨越距离的测量方法准备通知单:选用有交叉线路地方测量光学经纬仪一台、塔尺、钢卷尺各一把试题正文:单位___________________考生姓名_________准考证号___________________考试时间_____________考评员签名__________考评组长签名__________总时间与各项时间分配要求: 20min其他需要说明的问题和要求: 设一人配合,帮助立塔尺评分记录表:单位___________________考生姓名_________准考证号___________________考试时间_____________考评员签名__________考评组长签名__________8.题目名称:更换导线的操作准备通知单:机动绞磨、钢丝绳、麻绳、放线架(盘)、通信工具(对讲机)、导线、角铁桩、锤子、滑车等,常用电工工具试题正文: 更换导线的操作总时间与各项时间分配要求: 25min其他需要说明的问题和要求: 1.模拟操作(口试或笔试) 2.采用旧线拖引新线法更换导线评分记录表:单位___________________考生姓名_________准考证号___________________考试时间_____________考评员签名__________考评组长签名__________9.题目名称:线路运行班应具备哪些规程、制度单位___________________考生姓名_________准考证号___________________考试时间_____________考评员签名__________考评组长签名_____试题正文:线路运行班应具备哪些规程、制度 单位___________________考生姓名_________准考证号___________________考试时间_____________考评员签名__________考评组长签名_____总时间与各项时间分配要求: 30min其他需要说明的问题和要求: 口答或笔答评分记录表:10.题目名称:更换GJ-35拉线一根拉线更换的操作方法准备通知单: 1 单位___________________考生姓名_________准考证号___________________考试时间_____________考评员签名__________考评组长签名__________试题正文:更换GJ-35拉线一根拉线更换的操作方法总时间与各项时间分配要求: 30min其他需要说明的问题和要求: 1.要求装设临时拉线2.杆上一人杆下一人均单独操作,设专人监护3.或者两人一组,杆上杆下交叉考核4.线路安全措施已落实评分记录表:单位___________________考生姓名_________准考证号___________________考试时间_____________考评员签名__________考评组长签名__________11.题目名称:配电线路断杆事故的处理方法单位___________________考生姓名_________准考证号___________________考试时间_____________考评员签名__________考评组长签名__________准备通知单:单位___________________考生姓名_________准考证号___________________考试时间_____________考评员签名__________考评组长签名__________配电线路断杆事故的处理方法总时间与各项时间分配要求: 60min其他需要说明的问题和要求: 模拟操作评分记录表:单位___________________考生姓名_________准考证号___________________考试时间_____________考评员签名__________考评组长签名__________续表单位___________________考生姓名_________准考证号___________________考试时间_____________考评员签名__________考评组长签名_________12.题目名称:钳压法导线接续的操作准备通知单: 1试题正文:钳压法导线接续的操作总时间与各项时间分配要求: 40min其他需要说明的问题和要求: 1.操作者独立完成2.根据题意选择工作所需工器具及材料3.结合实际情况选择导线截面单位___________________考生姓名_________准考证号___________________考试时间_____________考评员签名__________考评组长签名_________评分记录表:13.题目名称:低压电缆头制作单位___________________考生姓名_________准考证号___________________考试时间_____________考评员签名__________考评组长签名__________准备通知单: 1试题正文: 低压电缆头制作总时间与各项时间分配要求: 180min其他需要说明的问题和要求:1.独立进行VLV22-3×185+70电力电缆干包头制作2.正确使用工器具进行操作3.以380V 为例评分记录表:单位___________________考生姓名_________准考证号___________________考试时间_____________考评员签名__________考评组长签名__________14.题目名称:紧线前耐张杆横担临时拉线的操作准备通知单:单位___________________考生姓名_________准考证号___________________考试时间_____________考评员签名__________考评组长签名__________钢丝绳1根、U 型环或卸扣2只、紧线钳(双钩、棘轮紧线器均可)1把、10号铁丝或钢丝卡子若干利用培训线路试题正文:紧线前耐张杆横担临时拉线的操作总时间与各项时间分配要求: 20min其他需要说明的问题和要求: 单独操作桩锚已安装好或使用现有拉棒作为桩锚评分记录表:单位___________________考生姓名_________准考证号___________________考试时间_____________考评员签名__________考评组长签名__________15.题目名称:线路绝缘电阻测量单位___________________考生姓名_________准考证号___________________考试时间_____________考评员签名__________考评组长签名__________准备通知单:2500~5000V 绝缘摇表(即兆欧表)1只测量用引线试题正文:线路绝缘电阻测量总时间与各项时间分配要求: 30min其他需要说明的问题和要求: 采用兆欧表测量利用培训线路,断开线路与各种电气设备的引线,电压等级:10kV 派一人与操作者配合,所派人员听从操作者指挥评分记录表:单位___________________考生姓名_________准考证号___________________考试时间_____________考评员签名__________考评组长签名__________16.题目名称:更换耐张杆的操作准备通知单:紧线器、卡线器、钢丝绳、麻绳、电杆、绝缘子、横担、角铁桩、榔头、挖勺、滑车、绞磨、抱杆等单位___________________考生姓名_________准考证号___________________考试时间_____________考评员签名__________考评组长签名__________试题正文:更换耐张杆的操作总时间与各项时间分配要求: 25min其他需要说明的问题和要求: 模拟操作(笔答或口答)评分记录表:单位___________________考生姓名_________准考证号___________________考试时间_____________考评员签名__________考评组长签名__________17.题目名称:组织一般事故检修准备通知单:单位___________________考生姓名_________准考证号___________________考试时间_____________考评员签名__________考评组长签名____试题正文:组织一般事故检修总时间与各项时间分配要求: 20min单位___________________考生姓名_________准考证号___________________考试时间_____________考评员签名__________考评组长签名____其他需要说明的问题和要求: 1.模拟操作采用口头答辩 2.要求:思路清晰条理清楚3.可根据常见事故进行设置事故类型评分记录表:单位___________________考生姓名_________准考证号___________________考试时间_____________考评员签名__________考评组长签名__________18.题目名称:变压器的安装与检查试验的操作准备通知单:工具:撬棍、滑轮、成套扳手、水平尺、钢丝绳、直管漏斗、双臂电桥、兆欧表单位___________________考生姓名_________准考证号___________________考试时间_____________考评员签名__________考评组长签名__________材料:变压器油、油桶、方木、薄木板、铁垫片、棕绳试题正文:变压器的安装与检查试验的操作总时间与各项时间分配要求: 210min其他需要说明的问题和要求:1.有条件可进行实际操作并派人协助2.也可根据题意进行模拟操作3.配电变压器100~315kVA 一台评分记录表:单位___________________考生姓名_________准考证号___________________考试时间_____________考评员签名__________考评组长签名__________续表 单位___________________考生姓名_________准考证号___________________考试时间_____________考评员签名__________考评组长签名__________19.题目名称:变压器吊芯检查准备通知单: 1试题正文: 变压器吊芯检查总时间与各项时间分配要求: 180min其他需要说明的问题和要求:评分记录表:单位___________________考生姓名_________准考证号___________________考试时间_____________考评员签名__________考评组长签名__________单位___________________考生姓名_________准考证号___________________考试时间_____________考评员签名__________考评组长签名__________。
配电线路工专业(理论)试题库+参考答案一、单选题(共40题,每题1分,共40分)1、钢芯铝绞线接头处的绝缘层、半导体层的剥离长度,当钢芯搭接时,其一根绝缘线比钢接续管和铝接续管长度之和的( )长20~30mm,另一根绝缘线比钢接续管和铝接续管的长度之和长40~60mm。
A、1/3B、1/4C、1/2D、1/5正确答案:C2、对于无污染地区,为保证使用的绝缘子串或瓷横担绝缘水平,要求泄漏比距应不小于( )。
A、1.0cm/kVB、2.0cm/kVC、1.4cm/kVD、1.6cm/kV正确答案:D3、高压电气设备倒闸操作一般应由( )填用配电倒闸操作票。
A、监护人B、操作人员C、监护人或操作人D、受令人正确答案:B4、配电设备的防误操作闭锁装置不得随意退出运行,停用防误操作闭锁装置应经( )批准。
A、防负责人误操作B、变电运维班长C、设备运维管理单位D、变电运维工区负责人正确答案:C5、新插接的钢丝绳套应作( )允许负荷的抽样试验。
A、115%B、95%C、125%正确答案:C6、在两个以电阻相连接的电路中求解总电阻时,把求得的总电阻称为电路的( )。
A、串联电阻B、电路电阻C、电阻D、等效电阻正确答案:D7、电力电缆排管敷设时排管顶部土壤覆盖深度不宜小于( )m。
A、0.7B、1C、0.5D、0.3正确答案:C8、安装在生产车间和有人场所的开敞式配电设备,其未遮护的裸带电体距地面高度不应小于( );当低于上述高度时应设置遮护物,阻挡物与裸带电体的水平净距不应小于0.8m,阻挡物高度不应小于1.4m。
A、2.5mB、2.0mC、2.8mD、2.2m正确答案:A9、导线无断股、扭绞和死弯,与绝缘子固定可靠,( )规格应与导线规格应适配。
A、金具B、线夹C、拉线D、绝缘子正确答案:A10、导线与接续管进行钳压时,压接后的接续管弯曲度不应大于管长的( ),有明显弯曲时应校直。
A、2%B、4%D、6%正确答案:A11、1KV以上架空电力线路交接试验时,应在额定电压下对空载线路进行( )冲击合闸试验,合闸过程中线路绝缘不应有损坏。
山东省电力行业职业技能鉴定农网配电营业工(中级)操作技能考核准备通知单(考场)试题一、电动机单向转动控制电路安装1.设备材料准备(每工位)2.场地准备(1)50m2的教室1间,内有380V交流电源。
(2)4个工位,4位应试人员可以同时参加鉴定。
(3)必要的桌、椅。
(4)场地清洁,无干扰。
(5)照明良好,光线充足。
试题二、三相四线电能表直接接线2.场地准备(1)80m2的教室1间。
(2)8个工位,8位应试人员可以同时参加鉴定。
(3)必要的桌、椅。
(4)场地清洁,无干扰。
(5)照明良好,光线充足。
试题三、心肺复苏法急救1.设备材料准备(每工位)2.场地准备(1)4个工位,4名应试人员可以同时参加鉴定。
(3)按照心肺复苏法的有关规定进行急救。
(4)必要的桌、椅。
(5)场地清洁,无干扰。
试题四、在绝缘子上绑扎导线1.设备材料准备(每工位)2.场地准备(1)50m2的教室1间。
(2)8个工位,8应试人员可以同时参加鉴定。
(3)必要的桌、椅。
(4)场地清洁,无干扰。
(5)照明良好,光线充足。
试题五、单相电能表经电流互感器接入电器1.设备材料准备(每工位)(1)场地准备:场地面积应能同时4个工位,并保证工位之间的距离合适,方便操作,4名应试人员可以同时参加鉴定。
(2)功能准备:布置现场工作间距足够,操作工具、材料完备,对应的工作结果能够可靠评判。
(3)线路设计标准、验收规范,符合要求。
(4)必要的桌、椅。
(5)场地清洁,无干扰。
试题六、钢芯铝绞线插接(1)场地准备:场地面积应能同时8个工位,并保证工位之间的距离合适,方便操作,8名应试人员可以同时参加鉴定。
(2)功能准备:布置现场工作间距足够,操作工具、材料完备,对应的工作结果能够可靠评判。
(3)必要的桌、椅。
(4)场地清洁,无干扰。
山东省电力行业职业技能鉴定农网配电营业工(中级)操作技能考核准备通知单(考生) 姓名:准考证号:单位:试题一、电动机单向转动控制电路安装考生自备:1、考试用笔2、工作服、绝缘鞋试题二、三相四线电能表直接接线考生自备:1、考试用笔2、工作服、绝缘鞋试题三、心肺复苏法急救考生自备:1、考试用笔2、工作服、绝缘鞋试题四、在绝缘子上绑扎导线考生自备:1、考试用笔2、工作服、绝缘鞋试题五、单相电能表经电流互感器接入电器考生自备:1、考试用笔2、工作服、绝缘鞋试题六、钢芯铝绞线插接考生自备:1、考试用笔2、工作服、绝缘鞋说明:每位考生考核上述两个试题,抽签确定。
配电线路工技能操作试题库
操作项目
一、高级工
〔一〕基本工艺
1.拉线制作
2.打绳扣说明用途
3.登杆安装〔三脚板、脚扣〕
4.拉线更换
5.经纬仪对中整平
6.导线型号识别
7.棕绳叉接绳套
〔二〕运检
8.配电设备接地装置接地电阻测量
9.架空配电线路缺陷查找
10.配电设备检修的技术措施
11.变压器的停电操作
12.变压器的送电操作
13.预绞丝补修导线的操作
14.变压器绝缘电阻的测量
15.变压器高压侧直流电阻的测量
〔三〕施工
16.变压器附件的安装
17.10kV直线杆横担的安装
18.10kV终端杆横担的安装
19.10kV弧垂的调整
20.变压器引线的安装
21.钳压法导线接续的操作
22.更换10kV耐张绝缘子
23.更换针式绝缘子
24.400V接户线安装
〔四〕其它
25.电缆绝缘电阻的测量
26.低压电缆头的制作
二、技师
〔一〕基本工艺
1.弓型拉线制作
2.打绳扣说明用途
3.登杆安装〔三脚板、脚扣〕
4.拉线更换
5.滑轮组
6.经纬仪使用和距离、高度测量
〔二〕运检
6.架空配电线路缺陷查找
7.配电设备检修的技术措施
8.环网柜的操作
9.预绞丝补修导线的操作
10.变压器高压侧直流电阻的测量
11.箱式变压器的停电操作
12.变压器低压侧直流电阻的测量
〔三〕施工
13.10kV导线的展放
14.400导线的架设
15.10kV导线的架设
16.10kV水泥杆的立杆施工
17.400V导线终端的绑扎
18.10kV导线紧线施工
19.配电架空线路直线杆杆顶支架及绝缘子的安装20.交叉跨越距离的测量
〔四〕其它
21.电缆绝缘电阻的测量
22.10kV电缆附件的安装〔热缩〕
23.电力电缆故障点的测距
24.电力电缆故障性质的分析
三、高级技师
〔一〕基本工艺
1.基本功项目〔绳扣、水平拉线、蹬杆、横担安装、滑轮组〕〔二〕测量
2.直线塔、矩形铁塔基础施工定位分坑测量的操作
3.变压器投运前的测试
〔三〕施工
4.10kV导线的更换
5.10kV水泥杆的立杆施工
6.10kV导线紧线施工
7.配电架空线路直线杆杆顶支架及绝缘子的安装
8.交叉跨越距离的测量
〔四〕其它
9.10kV电缆附件的安装〔热缩〕
10.电力电缆故障点的测距
11.电力电缆故障性质的分析。